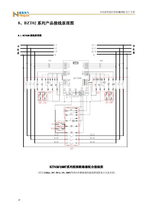
双电源自动转换开关接线原理图说明
- 格式:doc
- 大小:136.36 KB
- 文档页数:2
NZ7系列双电源说明书1、适用范围NZ7系列自动转换开关电器适用于交流工频50Hz,额定工作电压AC400V,额定工作电流至630A的三相四线双路供电电网中,自动将一个或几个负载电路从一个电源接至另一个电源,以保证负载电路的正常供电。
本产品适用于工业、商业、高层和民用住宅等较为重要的场所。
执行标准:GB/T 14048.11。
2、型号及含义3、正常工作条件3.1 周围空气温度内平均温度24h℃,下限为-5℃,且周围空气温度上限为+40 +35不超过℃;3.2 海拔大气条件3.3 ;2000m安装地点的海拔不超过大气的相对湿度在周围最高温度+40℃时不超过50%,在较低的温度下可以有较高的相对湿度,例如+20℃时达到90%,对于温度变化偶尔产生的凝露,应采取特殊的措施。
3.4 污染等级污染等级为3级。
4、技术参数及性能5、特性及功能是结合先进以下简称自动转换开关()系列自动转换开关电器NZ7级产品。
产品具有体积小、节能、CB的数字电子控制技术的新一代安装方便、功能先进齐全、可靠双重联锁保护等特点。
.5.1 体积小利用电机正反旋转,实现转换功能,同时使产单电机传动结构,品高度降低,减小了安装空间。
节能5.2驱动机构采用电动机传动方式,功耗小,噪音小。
功能先进齐全5.3双重联锁保护5.4其防止两路电源同时接通;采用机械联锁和电气联锁双重保护,实现中电气联锁采用直接指示自动转换开关的断路器触头位置方式,真正意义的电气联锁——防止触头熔焊、断路器手柄损坏、电路故障断路器脱扣等情况下发生自动转换。
6、控制器型控制器集成一体分体模式,安装于柜内或柜体面板,A6.1决定是否从一个电源转换到另根据工作电源状态,可进行柜外操作。
一个电源。
.发动机组的控制按键式手动强制转换动作6.2控制电压AC230V 50Hz6.3操作:自动操作、手动操作6.4 设定延时转换延时:0180s连续可调~返回延时:0180s连续可调~6.5 显示和操作界面LED数码管显示a. 自动工作模式指示;b. 手动工作模式指示;c. 故障指示当开关出现故障或负载短路引起断路器跳闸后时此指示亮;d. 常用电源电压参数显示区在工作状态时显示常用电源电压参数及转换延时时间,在设置状态下显示设置项目符号;e. 常用电源侧电源断路器闭合、断开指示;f. 设置状态指示;g. 备用电源侧电源断路器闭合、断开指示;h. 消防联动功能启动指示;i. 常用电源侧电压、时间、频率单位;j. A、B、C相位;k. 备用电源侧电压、时间、频率单位;l. 备用电源电压参数显示区在工作状态时显示备用电源电压参数及转换延时时间,在设置状态下显示设置项目参数m. 发动机启动信号指示n. 自动、手动转换方式选择按钮在正常使用时用作自动、手动转换方式选择,在设置状态下为保存并退出功能。
正泰双电源自动转换开关使用说明及接线图NZ7系列双电源说明书1、适用范围NZ7系列自动转换开关电器适用于交流工频50Hz,额定工作电压AC400V,额定工作电流至630A的三相四线双路供电电网中,自动将一个或几个负载电路从一个电源接至另一个电源,以保证负载电路的正常供电。
本产品适用于工业、商业、高层和民用住宅等较为重要的场所。
执行标准:GB/T 14048.11。
2、型号及含义3、正常工作条件3.1 周围空气温度周围空气温度上限为+40℃,下限为-5℃,且24h内平均温度不超过+35℃;3.2 海拔安装地点的海拔不超过2000m;3.3 大气条件大气的相对湿度在周围最高温度+40℃时不超过50%,在较低的温度下可以有较高的相对湿度,例如+20℃时达到90%,对于温度变化偶尔产生的凝露,应采取特殊的措施。
3.4 污染等级污染等级为3级。
4、技术参数及性能5、特性及功能NZ7系列自动转换开关电器(以下简称自动转换开关)是结合先进的数字电子控制技术的新一代CB级产品。
产品具有体积小、节能、安装方便、功能先进齐全、可靠双重联锁保护等特点。
5.1 体积小单电机传动结构,利用电机正反旋转,实现转换功能,同时使产品高度降低,减小了安装空间。
5.2 节能驱动机构采用电动机传动方式,功耗小,噪音小。
5.3 功能先进齐全5.4 双重联锁保护采用机械联锁和电气联锁双重保护,防止两路电源同时接通;其中电气联锁采用直接指示自动转换开关的断路器触头位置方式,实现真正意义的电气联锁——防止触头熔焊、断路器手柄损坏、电路故障断路器脱扣等情况下发生自动转换。
6、控制器6.1 A型控制器集成一体分体模式,安装于柜内或柜体面板,可进行柜外操作。
根据工作电源状态,决定是否从一个电源转换到另一个电源。
发动机组的控制按键式手动强制转换动作6.2控制电压AC230V 50Hz6.3操作:自动操作、手动操作6.4 设定延时转换延时:0180s连续可调~返回延时:0180s连续可调~6.5 显示和操作界面LED数码管显示a. 自动工作模式指示;b. 手动工作模式指示;c. 故障指示当开关出现故障或负载短路引起断路器跳闸后时此指示亮;d. 常用电源电压参数显示区在工作状态时显示常用电源电压参数及转换延时时间,在设置状态下显示设置项目符号;e. 常用电源侧电源断路器闭合、断开指示;f. 设置状态指示;g. 备用电源侧电源断路器闭合、断开指示;h. 消防联动功能启动指示;i. 常用电源侧电压、时间、频率单位;j. A、B、C相位;k. 备用电源侧电压、时间、频率单位;l. 备用电源电压参数显示区在工作状态时显示备用电源电压参数及转换延时时间,在设置状态下显示设置项目参数m. 发动机启动信号指示n. 自动、手动转换方式选择按钮在正常使用时用作自动、手动转换方式选择,在设置状态下为保存并退出功能。
ABB双电源自动切换装置工作原理DPT/SE装置主要用于控制和自动切换两路带有机械和电气联锁的低压断路器:一个4 位置转换开关用于设定四种工作模式:- 自动模式:转换开关置于“自动 (AUTO)”位置-正常供电模式:转换开关置于“正常 (NET)”位置- 应急供电模式:转换开关置于“应急 (EMER)”位置- 关断模式:转换开关置于“关断 (OFF)”位置。
当系统投入运行时,需将运行开关置于“运行 (RUN)”位置,而“复位 (RESET)”按钮可使运行程序恢复到初始状态。
自动模式(自投自复):当转换开关置于“自动 (AUTO)”位置时,系统会处于自动切换方式下:•当正常供电电源正常时,正常供电断路器闭合,而应急供电断路器断开•当正常供电失压和缺相时,柴油发电机起动,正常供电断路器断开,在缺相时系统报警。
第 1 页•当柴油发电机或应急电源电压达到稳定状态时,则应急供电断路器会闭合•当正常供电恢复正常时,则应急供电断路器断开。
正常供电断路器将闭合投入供电,系统发出停止柴油发电机的信号,并返回正常运行状态。
正常供电模式当转换开关置于“正常 (NET)”位置时,系统会处于单一正常供电模式。
在此模式下,系统并不考虑正常供电电压是否存在,只执行下列操作:•如果柴油发电机还在运行,则将其停止•如果应急供电断路器处于闭合状态时,则将其断开•闭合正常供电断路器•当正常供电缺相时,正常供电断路器会断开,而系统会自动报警•当正常供电失压时,正常供电断路器会保持闭合。
应急供电模式当转换开关置于“应急 (EMER)”位置时。
系统会处于单一应急供电模式,并不考虑实际的正常供电电压是否第 2 页存在,它将执行下列操作:•如果正常供电断路器处于闭合状态时,则将其断开。
•起动柴油发电机。
•当柴油发电机或应急电源电压达到稳定状态时,应急供电断路器会闭合•当应急供电缺相或失压时,应急供电断路器将断开。
而缺相时,系统会自动报警。
关断模式当转换开关置于“关断 (OFF)”位置时。
双电源自动切换开关的原理说明双电源自动切换开关电器主要用在紧急供电系统,将负载电路从一个电源自动换接至另一个(备用)电源的开关电器,以确保重要负荷连续、可靠运行。
因此,常常应用在重要用电场所,其产品可靠性尤为重要。
转换一旦失败将可能造成以下二种危害之一,其电源间的短路或重要负荷断电(甚至短暂停电),其后果都是严重的,这不仅仅会带来经济损失(使生产停顿、金融瘫痪),也可能造成社会问题(使生命及安全处于危险之中)。
因此,工业发达国家都把自动转工作原理及结构双电源自动切换开关一般由两部分组成:开关本体(ats)+控制器。
而开关本体(ats)又有pc级(整体式)与cb级(断路器)之分,双电源自动转换开关电器(atse)质量的好坏关键取决于开关本体(ats)。
1.pc级ats:一体式结构(三点式)。
它是双电源切换的专用开关,具有结构简单、体积小、自身连锁、转换速度快(0.2s内)、安全、可靠等优点,但需要配备短路保护电器。
2.cb级ats:配备过电流脱扣器的ats,它的主触头能够接通并用于分断短路电流。
它是由两台断路器加机械连锁组成,具有短路保护功能控制器的工作状况控制器主要用来检测被监测电源(两路)工作状况,当被监测的电源发生故障(如任意一相断相、欠压、失压或频率出现偏差)时,控制器发出动作指令,开关本体则带着负载从一个电源自动转换至另一个电源,备用电源其容量一般仅是常用电源容量的20%~30%。
图1是典型ats应用电路。
控制器与开关本体进线端相连。
控制器的优点控制器一般应有非重要负荷选择功能。
控制器也有两种形式:一种由传统的电磁式继电器构成;另一种是数字电子型智能化产品。
它具有性能好,参数可调及精度高,可靠性高,使用方便等优点。
一、分类及定义双电源主要分为PC级双电源(整体式)和CB级双电源(双断路器式)PC级双电源:能够接通、承载、但不用于分断短路电流的双电源双电源若选择不具有过电流脱扣器的负荷开关作为执行器则属于PC级自动转换开关。
NZ7系列双电源说明书1、适用范围NZ7系列自动转换开关电器适用于交流工频50Hz,额定工作电压AC400V,额定工作电流至630A的三相四线双路供电电网中,自动将一个或几个负载电路从一个电源接至另一个电源,以保证负载电路的正常供电。
本产品适用于工业、商业、高层和民用住宅等较为重要的场所。
执行标准:GB/T 14048.11。
2、型号及含义3、正常工作条件3.1 周围空气温度周围空气温度上限为+40℃,下限为-5℃,且24h内平均温度不超过+35℃;3.2 海拔安装地点的海拔不超过2000m;3.3 大气条件大气的相对湿度在周围最高温度+40℃时不超过50%,在较低的温度下可以有较高的相对湿度,例如+20℃时达到90%,对于温度变化偶尔产生的凝露,应采取特殊的措施。
3.4 污染等级污染等级为3级。
4、技术参数及性能5、特性及功能NZ7系列自动转换开关电器(以下简称自动转换开关)是结合先进的数字电子控制技术的新一代CB级产品。
产品具有体积小、节能、安装方便、功能先进齐全、可靠双重联锁保护等特点。
5.1 体积小单电机传动结构,利用电机正反旋转,实现转换功能,同时使产品高度降低,减小了安装空间。
5.2 节能驱动机构采用电动机传动方式,功耗小,噪音小。
5.3 功能先进齐全5.4 双重联锁保护采用机械联锁和电气联锁双重保护,防止两路电源同时接通;其中电气联锁采用直接指示自动转换开关的断路器触头位置方式,实现真正意义的电气联锁——防止触头熔焊、断路器手柄损坏、电路故障断路器脱扣等情况下发生自动转换。
6、控制器6.1 A型控制器集成一体分体模式,安装于柜内或柜体面板,可进行柜外操作。
根据工作电源状态,决定是否从一个电源转换到另一个电源。
发动机组的控制按键式手动强制转换动作6.2控制电压AC230V 50Hz6.3操作:自动操作、手动操作6.4 设定延时转换延时:0180s连续可调~返回延时:0180s连续可调~6.5 显示和操作界面LED数码管显示a.自动工作模式指示;b.手动工作模式指示;c.故障指示当开关出现故障或负载短路引起断路器跳闸后时此指示亮;d.常用电源电压参数显示区在工作状态时显示常用电源电压参数及转换延时时间,在设置状态下显示设置项目符号;e.常用电源侧电源断路器闭合、断开指示;f.设置状态指示;g.备用电源侧电源断路器闭合、断开指示;h.消防联动功能启动指示;i.常用电源侧电压、时间、频率单位;j.A、B、C相位;k.备用电源侧电压、时间、频率单位;l.备用电源电压参数显示区在工作状态时显示备用电源电压参数及转换延时时间,在设置状态下显示设置项目参数m.发动机启动信号指示n.自动、手动转换方式选择按钮在正常使用时用作自动、手动转换方式选择,在设置状态下为保存并退出功能。
ABB双电源自动切换装置工作原理DPT/SE装置主要用于控制和自动切换两路带有机械和电气联锁的低压断路器:一个4 位置转换开关用于设定四种工作模式:- 自动模式:转换开关置于“自动 (AUTO)”位置-正常供电模式:转换开关置于“正常 (NET)”位置- 应急供电模式:转换开关置于“应急 (EMER)”位置- 关断模式:转换开关置于“关断 (OFF)”位置。
当系统投入运行时,需将运行开关置于“运行 (RUN)”位置,而“复位 (RESET)”按钮可使运行程序恢复到初始状态。
自动模式(自投自复):当转换开关置于“自动 (AUTO)”位置时,系统会处于自动切换方式下:•当正常供电电源正常时,正常供电断路器闭合,而应急供电断路器断开•当正常供电失压和缺相时,柴油发电机起动,正常供电断路器断开,在缺相时系统报警。
•当柴油发电机或应急电源电压达到稳定状态时,则应急供电断路器会闭合•当正常供电恢复正常时,则应急供电断路器断开。
正常供电断路器将闭合投入供电,系统发出停止柴油发电机的信号,并返回正常运行状态。
正常供电模式当转换开关置于“正常 (NET)”位置时,系统会处于单一正常供电模式。
在此模式下,系统并不考虑正常供电电压是否存在,只执行下列操作:•如果柴油发电机还在运行,则将其停止•如果应急供电断路器处于闭合状态时,则将其断开•闭合正常供电断路器•当正常供电缺相时,正常供电断路器会断开,而系统会自动报警•当正常供电失压时,正常供电断路器会保持闭合。
应急供电模式当转换开关置于“应急 (EMER)”位置时。
系统会处于单一应急供电模式,并不考虑实际的正常供电电压是否存在,它将执行下列操作:•如果正常供电断路器处于闭合状态时,则将其断开。
•起动柴油发电机。
•当柴油发电机或应急电源电压达到稳定状态时,应急供电断路器会闭合•当应急供电缺相或失压时,应急供电断路器将断开。
而缺相时,系统会自动报警。
关断模式当转换开关置于“关断 (OFF)”位置时。
NZ7系列双电源说明书1、适用范围NZ7系列自动转换开关电器适用于交流工频50Hz,额定工作电压AC400V,额定工作电流至630A的三相四线双路供电电网中,自动将一个或几个负载电路从一个电源接至另一个电源,以保证负载电路的正常供电。
本产品适用于工业、商业、高层和民用住宅等较为重要的场所。
执行标准:GB/T 14048.11。
2、型号及含义3、正常工作条件3.1 周围空气温度周围空气温度上限为+40℃,下限为-5℃,且24h内平均温度不超过+35℃;3.2 海拔安装地点的海拔不超过2000m;3.3 大气条件大气的相对湿度在周围最高温度+40℃时不超过50%,在较低的温度下可以有较高的相对湿度,例如+20℃时达到90%,对于温度变化偶尔产生的凝露,应采取特殊的措施。
3.4 污染等级污染等级为3级。
4、技术参数及性能5、特性及功能NZ7系列自动转换开关电器(以下简称自动转换开关)是结合先进的数字电子控制技术的新一代CB级产品。
产品具有体积小、节能、安装方便、功能先进齐全、可靠双重联锁保护等特点。
5.1 体积小单电机传动结构,利用电机正反旋转,实现转换功能,同时使产品高度降低,减小了安装空间。
5.2 节能驱动机构采用电动机传动方式,功耗小,噪音小。
5.3 功能先进齐全5.4 双重联锁保护采用机械联锁和电气联锁双重保护,防止两路电源同时接通;其中电气联锁采用直接指示自动转换开关的断路器触头位置方式,实现真正意义的电气联锁——防止触头熔焊、断路器手柄损坏、电路故障断路器脱扣等情况下发生自动转换。
6、控制器6.1A型控制器集成一体分体模式,安装于柜内或柜体面板,可进行柜外操作。
根据工作电源状态,决定是否从一个电源转换到另一个电源。
发动机组的控制按键式手动强制转换动作6.2控制电压AC230V 50Hz6.3操作:自动操作、手动操作6.4 设定延时转换延时:0180s连续可调~返回延时:0180s连续可调~6.5 显示和操作界面LED数码管显示a. 自动工作模式指示;b. 手动工作模式指示;c. 故障指示当开关出现故障或负载短路引起断路器跳闸后时此指示亮;d. 常用电源电压参数显示区在工作状态时显示常用电源电压参数及转换延时时间,在设置状态下显示设置项目符号;e. 常用电源侧电源断路器闭合、断开指示;f. 设置状态指示;g. 备用电源侧电源断路器闭合、断开指示;h. 消防联动功能启动指示;i. 常用电源侧电压、时间、频率单位;j. A、B、C相位;k. 备用电源侧电压、时间、频率单位;l. 备用电源电压参数显示区在工作状态时显示备用电源电压参数及转换延时时间,在设置状态下显示设置项目参数m. 发动机启动信号指示n. 自动、手动转换方式选择按钮在正常使用时用作自动、手动转换方式选择,在设置状态下为保存并退出功能。
NZ7系列双电源说明书1、适用范围NZ7系列自动转换开关电器适用于交流工频50Hz,额定工作电压AC400V,额定工作电流至630A的三相四线双路供电电网中,自动将一个或几个负载电路从一个电源接至另一个电源,以保证负载电路的正常供电。
本产品适用于工业、商业、高层和民用住宅等较为重要的场所。
执行标准:GB/T 。
2、型号及含义3、正常工作条件周围空气温度周围空气温度上限为+40℃,下限为-5℃,且24h内平均温度不超过+35℃;海拔安装地点的海拔不超过2000m;大气条件大气的相对湿度在周围最高温度+40℃时不超过50%,在较低的温度下可以有较高的相对湿度,例如+20℃时达到90%,对于温度变化偶尔产生的凝露,应采取特殊的措施。
污染等级污染等级为3级。
4、技术参数及性能5、特性及功能NZ7系列自动转换开关电器(以下简称自动转换开关)是结合先进的数字电子控制技术的新一代CB级产品。
产品具有体积小、节能、安装方便、功能先进齐全、可靠双重联锁保护等特点。
体积小单电机传动结构,利用电机正反旋转,实现转换功能,同时使产品高度降低,减小了安装空间。
节能驱动机构采用电动机传动方式,功耗小,噪音小。
功能先进齐全双重联锁保护采用机械联锁和电气联锁双重保护,防止两路电源同时接通;其中电气联锁采用直接指示自动转换开关的断路器触头位置方式,实现真正意义的电气联锁——防止触头熔焊、断路器手柄损坏、电路故障断路器脱扣等情况下发生自动转换。
6、控制器A型控制器集成一体分体模式,安装于柜内或柜体面板,可进行柜外操作。
根据工作电源状态,决定是否从一个电源转换到另一个电源。
发动机组的控制按键式手动强制转换动作控制电压AC230V 50Hz操作:自动操作、手动操作设定延时转换延时:0180s连续可调~返回延时:0180s连续可调~显示和操作界面LED数码管显示a. 自动工作模式指示;b. 手动工作模式指示;c. 故障指示当开关出现故障或负载短路引起断路器跳闸后时此指示亮;d. 常用电源电压参数显示区在工作状态时显示常用电源电压参数及转换延时时间,在设置状态下显示设置项目符号;e. 常用电源侧电源断路器闭合、断开指示;f. 设置状态指示;g. 备用电源侧电源断路器闭合、断开指示;h. 消防联动功能启动指示;i. 常用电源侧电压、时间、频率单位;j. A、B、C相位;k. 备用电源侧电压、时间、频率单位;l. 备用电源电压参数显示区在工作状态时显示备用电源电压参数及转换延时时间,在设置状态下显示设置项目参数m. 发动机启动信号指示n. 自动、手动转换方式选择按钮在正常使用时用作自动、手动转换方式选择,在设置状态下为保存并退出功能。
ABB双电源自动切换装置工作原理DPT/SE装置主要用于控制和自动切换两路带有机械和电气联锁的低压断路器:一个4 位置转换开关用于设定四种工作模式:- 自动模式:转换开关置于“自动 (AUTO)”位置-正常供电模式:转换开关置于“正常 (NET)”位置- 应急供电模式:转换开关置于“应急 (EMER)”位置- 关断模式:转换开关置于“关断 (OFF)”位置。
当系统投入运行时,需将运行开关置于“运行 (RUN)”位置,而“复位 (RESET)”按钮可使运行程序恢复到初始状态。
自动模式(自投自复):当转换开关置于“自动 (AUTO)”位置时,系统会处于自动切换方式下:•当正常供电电源正常时,正常供电断路器闭合,而应急供电断路器断开•当正常供电失压和缺相时,柴油发电机起动,正常供电断路器断开,在缺相时系统报警。
•当柴油发电机或应急电源电压达到稳定状态时,则应急供电断路器会闭合•当正常供电恢复正常时,则应急供电断路器断开。
正常供电断路器将闭合投入供电,系统发出停止柴油发电机的信号,并返回正常运行状态。
正常供电模式当转换开关置于“正常 (NET)”位置时,系统会处于单一正常供电模式。
在此模式下,系统并不考虑正常供电电压是否存在,只执行下列操作:•如果柴油发电机还在运行,则将其停止•如果应急供电断路器处于闭合状态时,则将其断开•闭合正常供电断路器•当正常供电缺相时,正常供电断路器会断开,而系统会自动报警•当正常供电失压时,正常供电断路器会保持闭合。
应急供电模式当转换开关置于“应急 (EMER)”位置时。
系统会处于单一应急供电模式,并不考虑实际的正常供电电压是否存在,它将执行下列操作:•如果正常供电断路器处于闭合状态时,则将其断开。
•起动柴油发电机。
•当柴油发电机或应急电源电压达到稳定状态时,应急供电断路器会闭合•当应急供电缺相或失压时,应急供电断路器将断开。
而缺相时,系统会自动报警。
关断模式当转换开关置于“关断 (OFF)”位置时。
双电源自动切换电路原理及原理图(建议收藏)双电源切换应用非常广,我们简单看一下怎么用继电器,接触器实现自动切换。
两个接触器实现切换备用电源的线圈走主接触器的常闭点,主电源接触器吸合主电路导通。
主电源断电,备用电源通过主接触器的常闭点导通。
如果主电源恢复正常,备用电源断开。
当然也可以用接触器互锁来实现,就是麻烦一点,而且主电源和备用电源同时有电时怎么办?所以还要接成顺序工作的那种,没必要那么麻烦,方法不唯一。
一个继电器两个接触器主电源的接触器线圈走继电器的常开触点,备用电源的接触器线圈走继电器的常闭触点。
主线路有电的时候,继电器吸合,常开触点闭合,主线路导通。
常闭触点断开,备用电源不工作。
当主线路断电的时候,继电器也断电。
常开触点恢复初始断开状态,主线路断开。
备用电路的接触器通过继电器的常闭触点开始工作。
双转换触点继电器这个和上面的类似,只不过这个继电器是双转换触点,通电时,两组触点闭合。
断电时两组触点闭合。
一个电器元件就可以完成。
如果A路是单相220伏电源,继电器的线圈电压也选用交流220伏的。
接触器和继电器在通断电的时候有时间差,对用电要求很高的设备或者电器会有短暂的反应。
比如灯泡明显闪烁了一下,电机停顿了一下。
如果是自锁线路,你会发现用电设备不工作了。
双电源转换开关这个成本有点高,需要手动。
如果动手能力强的朋友,完全可以自己动手组装一个控制电路。
电源转换肯定有短暂的时间差,不可能中间不断电达到无缝连接。
双电源切换开关PC级和CB级的区分双电源切换开关分PC级和CB级,两者结构大致一样。
PC级是隔离型的,就像双投刀开关,加上操作机构构成的。
CB级是断路器保护型的,由两个断路器加操作机构组成,有过载短路保护,和断路器保护一样。
用户在选择时应从以下几方面来考虑。
(1)从可靠性角度考虑。
PC级的比CB级的可靠性高一些,PC级使用的是机械+电子转换动作锁,CB级使用的是电子转换动作锁。
所以在一些安全性要求比较高的工作产所,建议选择PC级产品。
双电源自动切换开关干接点工作原理最近在研究双电源自动切换开关干接点工作原理,发现了一些有趣的东西,今天就来跟大家聊聊。
咱就先从生活中的一个小现象说起吧。
你有没有想过,在有些大厦或者重要场所里,比如说医院,电是绝对不能停的。
可是呢,电力供应又不可能永远不出问题呀,那怎么办呢?这就得靠双电源自动切换开关了。
比如说,正常情况下医院用的是市电供电,突然市电故障了,这时候就得马上切换到备用电源,像备用发电机啥的,让那些重要的仪器设备还能继续工作,这双电源自动切换开关就可重要了。
双电源自动切换开关里面有这个干接点的设计。
打个比方吧,这干接点就像是两个紧紧相邻的渡口,一个渡口连着市电这条大船道,另一个渡口连着备用电源的河道。
正常情况呢,就像是船夫们(电流)都从市电这个渡口上船(通过),然后驶向目的地(用电设备),这时候干接点里相应的通路是连通的,其他的备用通路是断开的,这就好比这个渡口只开了和市电大船道相连的门,备用电源那边的门是关着的。
那什么时候会切换呢?当市电这边出问题了,就像是市电这个大船道被敌军(故障因素)封锁了,走不通了。
这时候,双电源自动切换开关检测到这个变化,就像渡口的管理员发现了情况不对,果断地把和备用电源相连的门打开,关掉通往市电那边的门,船夫们(电流)就开始从备用电源的渡口上船(通过),然后继续驶向目的地(用电设备)。
从原理上讲,干接点实际上就是一种电气开关的接触点。
当双电源自动切换开关根据检测逻辑确定要进行电源切换时,内部的控制线路就像是一个聪明的指挥官,指挥着与干接点相连的机械或者电子结构发生动作,从而实现电路在不同电源之间的切换。
就比如说有些双电源自动切换开关是基于电磁继电器原理的,电磁继电器里的铁芯就像一个小木偶,通电的时候它会被磁力吸引,从而拉动干接点接触或者断开,这样就控制了电路。
老实说,我一开始也不明白一些复杂的双电源自动切换开关干接点参数设计这些东西。
比如说不同负载情况下,干接点要怎么配合才能达到最优的切换效果呢?在学习的过程中,我逐渐理解到这得考虑负载的类型、容量等很多因素。
双电源自动切换开关工作原理接线图和操作规范双电源是指:一种由微处理器掌握,用于电网系统中网电与网电或网电与发电机电源启动切换的装置,可使电源连续源供电。
CTYW5-100系列双电源,当常用电突然故障或停电时,通过双电源切换开关,自动投入到备用电源上,(小负荷下备用电源也可由发电机供电,)使设备仍能正常运行。
最常见的是电梯、消防、监控上,以下是双电源自动切换开关正面图双电源自动切换开关工作原理接线图双电源主要分为PC级双电源(整体式)和CB级双电源(双断路器式)PC级双电源:能够接通、承载、但不用于分断短路电流的双电源双电源若选择不具有过电流脱扣器的负荷开关作为执行器则属于PC 级自动转换开关。
不具备爱护功能,但其具备较高的耐受和接通力量,能够确保开关自身的平安,不因过载或短路等故障而损坏,在此状况下保证牢靠的接通回路。
CB级双电源:配备过电流脱扣器的双电源,它的主触头能够接通并用于分断短路电流双电源若选择具有过电流脱扣器的断路器作为执行器则属于CB级自动转换开关。
具备选择性的爱护功能,能对下端的负荷和电缆供应短路和过载爱护;其接通和分断力量远大于使用接触器和继电器等其他元器件。
双电源自动切换开关操作规范1、当因故停电,且在较短时间内无法恢复供电时,必需启用备用电源。
步骤:①切除市电供电各断路器(包括配电室掌握柜各断路器,双电源切换箱市供电断电器),拉开双投防倒送开关至自备电源一侧,保持双电源切换箱内自备电供电断路器处于断开状态。
②启动备用电源(柴油发电机组),待机组运转正常时,挨次闭合发电机空气开关、自备电源掌握柜内各断路器。
③逐个闭合电源切换箱内各备用电源断路器,向各负载送电。
④备用电源运行期间,操作值班人员不得离开发电机组,并依据负荷的变化准时调整电压、厂频率等,发觉特别准时处理。
2、市电恢复供电时,应准时做好电源转换工作,切断备用电源,恢复市电供电。
步骤:①按挨次逐个断开自备电源各断路器,挨次是:双电源切换箱自备电源断路器→自备电源配电柜各断路器→发电机总开关→将双投开关拨至市电供电一侧。