万能转换开关的结构原理
- 格式:ppt
- 大小:3.94 MB
- 文档页数:31
转换开关的换向原理转换开关是电路中常见的一种开关元件,用于在不同电路间切换电流的路径,起到改变电路连接方式和实现电路功能转换的作用。
换向原理是指转换开关的工作原理和操作方式。
一、转换开关的基本结构和原理转换开关的基本结构包括导电片、固定接点、触电片、触点弹簧等。
其中导电片是连接输入和输出电路的关键部件,触电片和固定接点则用于控制导电片的位置。
转换开关通常有两个或多个固定接点和一个可切换的导电片。
通过改变导电片的位置,实现输入电路和输出电路的连接和切换。
转换开关根据操作方式可以分为手动开关和电动开关。
手动开关通过手动操作导电片,实现电路连接和断开。
电动开关通过电动机等驱动装置推动导电片,实现电路的开闭。
单刀双掷转换开关(DPDT)是一种常见的转换开关,常用于将电流从一个电路路径切换到另一个电路路径。
它有两个固定接点,一个导电片可以切换至两个不同位置。
单刀双掷转换开关的导电片有三个接点,分别与两个固定接点相连。
当导电片处于一个位置时,其中一个固定接点与导电片接触,形成一个完整的电路路径,这时电流可以通过这条路径流动。
而另一个固定接点则与导电片分离,形成断开状态。
当导电片切换至另一个位置时,这两个接点的连接状态互换。
也就是说,此时另一个固定接点与导电片接触,形成电路路径,而之前的接点则与导电片分离,断开电路路径。
通过改变导电片的位置,实现电流从一个电路路径切换到另一个电路路径。
三刀三掷转换开关(TPDT)是一种常用于三相电路或三通断开电路的转换开关。
它有三个固定接点,一个导电片可以切换至三个不同位置。
三刀三掷转换开关的导电片有四个接点,分别与三个固定接点相连。
当导电片处于一个位置时,其中一个固定接点与导电片接触,形成一个完整的电路路径。
与之相连的另外两个固定接点则与导电片分离,形成断开状态。
当导电片切换至另一个位置时,这三个接点的连接状态互换。
也就是说,此时另外两个固定接点与导电片接触,形成电路路径,而之前的接点则与导电片分离,断开电路路径。
万能开关内部基本结构万能开关是一种常见的电气元件,广泛应用于各种电路中。
它的内部基本结构决定了它的功能和性能。
本文将介绍万能开关的内部基本结构,以帮助读者更好地理解和使用万能开关。
万能开关的内部基本结构通常包括触点、弹簧、摆杆、固定杆和外壳等部分。
触点是万能开关内部最关键的部件之一。
它通常由导电材料制成,具有良好的导电性能。
触点的主要作用是在开关动作时起到连接或断开电路的作用。
在万能开关中,通常有两个触点,一个是常开触点,另一个是常闭触点。
当开关处于关闭状态时,常闭触点处于闭合状态,常开触点处于断开状态;当开关处于打开状态时,常闭触点处于断开状态,常开触点处于闭合状态。
触点的可靠性和接触电阻对开关的性能有着重要的影响。
弹簧是万能开关内部的另一个关键部件。
它通常采用弹性材料制成,具有一定的弹性和恢复力。
弹簧的主要作用是提供开关的机械力学特性,使开关能够在外力作用下完成开关动作。
在万能开关中,弹簧通常与摆杆和触点相连,当外力作用在摆杆上时,弹簧会受到压缩或拉伸,从而改变触点的状态。
弹簧的弹性系数和材料的选择对开关的灵敏度和寿命有着重要的影响。
摆杆是万能开关内部的一个重要部件。
它通常由金属材料制成,具有一定的刚性和承载能力。
摆杆的主要作用是将外力传递给弹簧和触点,使触点能够完成闭合或断开的动作。
在万能开关中,摆杆通常与弹簧相连,当外力作用在摆杆上时,摆杆会转动或移动,从而改变触点的状态。
摆杆的设计和制造对开关的灵敏度和可靠性有着重要的影响。
固定杆和外壳是万能开关内部的两个重要部分。
固定杆通常由绝缘材料制成,用于固定触点和摆杆,以及提供开关的结构支撑。
外壳通常由绝缘材料制成,用于保护开关内部的部件和电路,以及提供开关的外部连接。
固定杆和外壳的设计和制造对开关的耐久性和安全性有着重要的影响。
万能开关的内部基本结构包括触点、弹簧、摆杆、固定杆和外壳等部分。
这些部件相互作用,共同完成开关的功能和性能。
了解万能开关的内部基本结构对于正确理解和使用开关具有重要意义。
万能转换开关的结构和工
作原理
Prepared on 24 November 2020
万能转换开关的结构和工作原理
2014-09-22来源:本站
万能转换开关(文字符号SA)的作用:是用于不频繁接通与断开的电路,实现换接电源和负载,是一种多档式、控制多回路的主令电器。
转换开关由转轴、凸轮、触点座、定位机构、螺杠和手柄等组成。
当将手柄转动到不同的档位时,转轴带着凸轮随之转动,使一些触头接通,另一些触头断开。
它具有寿命长,使用可靠、结构简单等优点,适用于交流50Hz、380V,直流220V及以下的电源引入,5KW以下小容量电动机的直接启动,电动机的正、反转控制及照明控制的电路中,但每小时的转换次数不宜超过15~20次。
万能转换开关的符号表示
万能转换开关符号表示
上图显示了开关的档位、触头数目及接通状态,表中用“×”表示触点接通,否则为断开,由接线表才可画出其图形符号。
具体画法是:用虚线表示操作手柄的位置,用有无“.”表示触点的闭合和打开状态,比如,在触点图形符号下方的虚线位置上画“.”,则表示当操作手柄处于该位置时,该触点是处于闭合状态;若在虚线位置上未画“.”时,则表示该触点是处于打开状态。
§1-4 主令电器——万能转换开关、主令控制器一、教学目标1、知识目标:了解万能转换开关、主令控制器的功能,结构原理。
2、技能目标:正确使用能转换开关、主令控制器。
二、教学重点、难点1、重点:万能转换开关、主令控制器的结构原理。
2、难点:万能转换开关、主令控制器的工作原理及使用方法。
三、教具:实物各1只。
四、课时安排:90分钟,2课时五、教学过程一)、万能转换开关1、万能转换开关的功能万能转换开关是由多组相同的触头组件叠装而成的、控制多回路的主令电器。
主要用于控制线路的转换及电气测量仪表的转换,也可用于控制小容量异步电动机的启动、换向及变速。
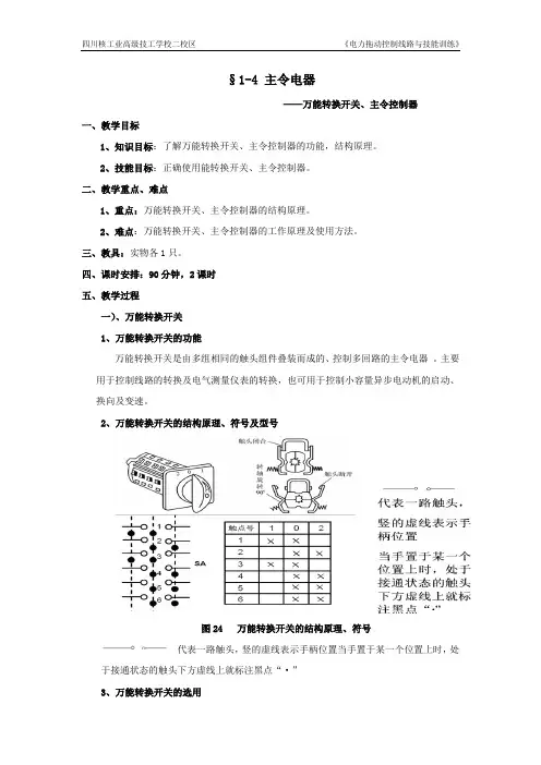
2、万能转换开关的结构原理、符号及型号图24 万能转换开关的结构原理、符号代表一路触头,竖的虚线表示手柄位置当手置于某一个位置上时,处于接通状态的触头下方虚线上就标注黑点“·”3、万能转换开关的选用万能转换开关适用于交流50HZ、额定电压至500V及以下,直流至440V的电路中转换电器控制线路(电磁线圈、电器测量仪表和伺服电动机等),也可控制505KW三相鼠笼异步电动机、可逆转换、变速等。
万能转换开关主要根据用途、接线方式、所需触头挡数和额定电流来选择。
4、万能转换开关的安装与使用(1)万能转换开关的安装位置应与其他电器元件或机床的金属部件有一定间隙。
(2)万能转换开关一般应水平安装在平板上。
(3)万能转换开关的通断能力不高,用来控制电动机时,LW5系列只能控制5.5kW以下的小容量电动机;用于控制电动机的正反转则只能在电动机停止后才能反向启动。
(4)万能转换开关本身不带保护,必须与其他电器配合使用。
(5)当万能转换开关有故障时,应切断电路检查相关部件。
二)、主令控制器1、主令控制器的功能主令控制器是按照预定程序换接控制电路接线的主令电器。
主要用于电力拖动系统中安照预定的程序分合触头。
向控制系统发出指令,通过接触器达到控制电动机的启动、制动、调速及反转的目的,同时也可实现控制线路的连锁作用。
前排左一:控制器前排中:储能机构,上部—绿色为欠压脱扣器,蓝色为合闸线圈(合闸电磁铁),赭石色为分励脱扣器前排右:电动机,上部——绿色部件为与欠压脱扣器联合使用的:欠压延时控制器。
后排断路器本体(导电机构,灭弧室,进出线排),上部浅灰色部分为二次接线端子。
框架断路器分为这样几个大的版块:1、触头导电部件由于承载电流多数在630A以上,最高可至6300A,出于支承,绝缘,以及预期短路电流较大,电弧能量强等方面因素的影响,触头导电部分,被密封在一个腔体内。
外壳材料由专用的DMC材料压制而成。
各相导电触头上,分别装设有专用的速饱和互感器。
将该相的电流信号,传递至控制器。
2、储能操作机构利用一系列复杂的机械机构,拉伸一根大直径弹簧储能,利用脱扣机构,将主弹簧自拉伸位置解锁释放,进而执行合闸或者分闸的操作。
主弹簧,及相连接整合在一起的这些连杆,弹簧,称为储能机构。
主弹簧的拉伸,一方面可以通过一个手柄,可以人力完成。
更多地,通过一个电机和相连的减速齿轮机构,依靠电机为主拉簧储能。
电操,储能电机,MOE,叫法有点混乱。
三(四)极触头,均分别与储能机构相连接。
储能机构操作机构,是机械产品。
基于所学专业原因,觉得这部分比之控制器更重要,所以多看了好多。
【四两拨千斤是什么?看看这些较弱的塑料件就知道了。
】【下面这些红字,是说,红字所代表的附件与储能机构在此连接】【千斤:主拉簧】【最后:操作机构正面标准照】3、关于控制器(1)取_信号电流:A相互感器,B相互感器,C相互感器,N相互感器,变压器中心点接地互感器;返回:电流值集合IA/IB/IC/IN/Ig/IΔn电压:A相电压,B相电压,C相电压返回:电压值集合 Uab Uac Ubc频率:返回:f(2)数据预处理这部分用来根据电压电流信号,计算出功率,功率因数,有功功率,无功功率运算出三相电流不平衡度,公式保密。
这部分还用来统计谐波,【该计算统计,为程序员娱乐行为】计算_参数P ,Q,SCOSΦ有功电能,无功电能,视在电能谐波,频率三相不平衡度,过压百分比,欠压百分比,过频百分比,欠频百分比连接RAM故障规则数据库。
转换开关工作原理
转换开关是一种常用的电子元件,用于控制电路的开关状态。
它通常由一个固定位置和一个可移动位置组成。
工作原理主要基于两个关键概念:接点和导电材料。
接点是指开关内部的金属片或固定导电材料的连接点。
当开关处于关闭状态时,接点之间没有任何物质连接,电流无法通过。
而当开关处于打开状态时,接点之间形成一个闭合的通道,电流可以顺利通过。
导电材料是开关中的可移动部分,常见的有弹簧、手柄或按钮。
当用户操作开关时,导电材料会被移动,改变接点的状态,从而控制电路的开关。
例如,当我们按下一个按钮开关时,导电材料会被按下,使接点之间闭合,电流开始流动。
而松开按钮时,导电材料恢复原位置,使接点断开,电流停止流动。
除了接点和导电材料,转换开关还包括一些其他的组成部分,如导线、电源和负载。
导线将电源与开关连接起来,使电流得以流动。
负载则是电流通过的目标设备或电路。
总之,转换开关的工作原理是基于接点的开闭和导电材料的移动,通过改变接通状态来控制电路的通断。
这一过程需要保证开关的组成部分安装正确、无损坏,并且与其他电路正确连接,才能正常工作。
万能转换开关(百科)概述常用产品简介万能转换开关单层结构示意图万能转换开关,是一种多档位、多段式、控制多回路的主令电器,当操作手柄转动时,带动开关内部的凸轮转动,从而使触点按规定顺序闭合或断开。
结构组成万能转换开关是由多组相同结构的触点组件叠装而成的多回路控制电器。
它由操作机构、定位装置和触点等三部分组成。
触点为双断点桥式结构,动触点设计成自动调整式以保证同短时的同步性。
静触点装在触点座内。
主要用途万能转换开关主要用于各种控制线路的转换、电压表、电流表的换相测量控制、配电装置线路的转换和遥控等。
万能转换开关还可以用于直接控制小容量电动机的起动、调速和换向。
编辑本段常用产品图2:某LW5万能转换开关的使用说明常用产品有LW5和LW6系列。
LW5系列可控制5.5kW及以下的小容量电动机;LW6系列只能控制2.2kW及以下的小容量电动机。
用于可逆运行控制时,只有在电动机停车后才允许反向起动。
LW5系列万能转换开关按手柄的操作方式可分为自复式和自定位式两种。
所谓自复式是指用手拨动手柄于某一档位时,手松开后,手柄自动返回原位;定位式则是指手柄被置于某档位时,不能自动返回原位而停在该档位。
万能转换开关的手柄操作位置是以角度表示的。
不同型号的万能转换开关的手柄有不同万能转换开关的触点,电路图中的图形符号如图2所示。
但由于其触点的分合状态与操作手柄的位置有关,所以,除在电路图中画出触点图形符号外,还应画出操作手柄与触点分合状态的关系。
图中当万能转换开关打向左45°时,触点1-2、3-4、5-6闭合,触点7-8打开;打向0°时,只有触点5-6闭合,右45°时,触点7-8闭合,其余打开。
万能转换开关的选型1.LW5系列万能转换开关本系列转换开关适用于直流、交流50Hz、电压500V及以下的电路,作主电路或电气测量仪表的转换开关及配电设备的遥控开关;也可作为伺服电动机及容量5.5kW及以下三相交流电动机的起动、换向或变速开关。
转换开关的原理转换开关(Toggle Switch)是一种常见的电子开关装置,用于控制电路的通断。
它有两个状态,通常表示为打开(ON)和关闭(OFF)。
当转换开关处于打开状态时,电路是通断的;当转换开关处于关闭状态时,电路是断开的。
基本原理:转换开关通常由以下几个组件组成:1.摇杆(Lever):用于手动切换开关状态的部分。
2.固定接点(Fixed Contacts):固定在开关内部的金属接点,用于与其他接点进行连接。
3.活动接点(Moving Contacts):随着摇杆的移动而改变位置的金属接点,用于连接或断开固定接点。
工作原理:1.初始状态:在关闭状态下,摇杆使活动接点与固定接点分离,从而断开电路。
电流无法通过开关,电路处于断开状态。
2.打开状态:通过手动切换摇杆,将摇杆移动到打开位置。
这会导致活动接点与固定接点接触并建立连接。
电流可以顺利通过开关,电路处于通断状态。
3.关闭状态:再次切换摇杆,将摇杆移动回关闭位置。
活动接点与固定接点分离,断开连接,电流无法通过开关,电路再次处于断开状态。
注意事项:1.转换开关通常具有可靠的机械结构,能够经受长期的使用和切换。
2.在某些高频率或高电流应用中,转换开关的设计和规格需要满足特定的要求,以确保电路的稳定性和安全性。
总结:转换开关通过摇杆、固定接点和活动接点的组合,实现了电路的通断控制。
通过手动切换摇杆的位置,可以使活动接点与固定接点连接或分离,从而控制电路的开闭状态。
转换开关在电子设备和电路中广泛应用,提供了便捷的电路控制方式。
万能转换开关的结构和工作原理一、结构与组成1.输入输出端口:万能转换开关通常包含多个输入端口和多个输出端口,用于连接外部电路。
输入端口接收外部信号输入,输出端口将开关切换后的信号输出。
2.控制端口:控制端口用于控制开关的通断状态,根据控制信号的不同,开关的通断状态也会相应改变。
3.开关管:万能转换开关内部通常包含多组开关管,开关管具有导通和断开电路的功能。
它通常由二极管、三极管等半导体器件组成。
4.控制逻辑电路:控制逻辑电路用于接收控制信号,根据控制信号的逻辑关系,驱动开关管实现不同的通断状态。
二、工作原理1.单路开关功能:当控制信号为高电平时,开关管导通,电路闭合,此时输入信号可以直接传递到输出端口。
当控制信号为低电平时,开关管断开,电路断开,输入信号无法传递到输出端口。
2.多路切换功能:万能转换开关通常具有多个输入端口和多个输出端口,通过控制不同的开关管通断状态,可以实现不同输入端口与输出端口之间的连接。
当其中一个开关管导通时,对应的输入端口和输出端口连通,实现信号的转接。
3.多种功能开关:万能转换开关还可以通过不同的控制逻辑电路实现多种功能切换。
例如,可以通过接收1位或多位控制信号,选择对应的开关管通断状态,实现不同的功能切换。
常见的功能包括开关控制、信号转接、信号放大、信号滤波等。
三、应用场景1.电子实验仪器:用于切换不同的实验设备或信号源,实现实验参数调节和数据采集。
2.通信设备:用于不同信号源之间的切换、信号放大或削弱,以及实现多路信号的选择。
3.控制系统:用于多通道开关控制,实现对不同设备或装置的控制与切换。
4.音视频设备:用于信号输入输出的切换、声音放大、视频切换等。
总结起来,万能转换开关通过控制开关管的通断状态来实现不同功能的切换,结构简单、功能强大,被广泛应用于电子设备中。
它的灵活性和多种功能使得它在各行各业的电子设备中都扮演着重要的角色。
万能转换开关的工作原理及符号表示教程来源:本站原创作者:未知点击:2301 更新时间:2009-3-4 16:14:36万能转换开关是一种多档式、控制多回路的主令电器。
万能转换开关主要用于各种控制线路的转换、电压表、电流表的换相测量控制、配电装置线路的转换和遥控等。
万能转换开关还可以用于直接控制小容量电动机的起动、调速和换向。
如图1所示为万能转换开关单层的结构示意图。
常用产品有LW5和LW6系列。
LW5系列可控制5.5kW及以下的小容量电动机;LW6系列只能控制2.2kW 及以下的小容量电动机。
用于可逆运行控制时,只有在电动机停车后才允许反向起动。
LW5系列万能转换开关按手柄的操作方式可分为自复式和自定位式两种。
所谓自复式是指用手拨动手柄于某一档位时,手松开后,手柄自动返回原位;定位式则是指手柄被置于某档位时,不能自动返回原位而停在该档位。
万能转换开关的手柄操作位置是以角度表示的。
不同型号的万能转换开关的手柄有不同万能转换开关的触点,电路图中的图形符号如图2所示。
但由于其触点的分合状态与操作手柄的位置有关,所以,除在电路图中画出触点图形符号外,还应画出操作手柄与触点分合状态的关系。
图中当万能转换开关打向左45°时,触点1-2、3-4、5-6闭合,触点7-8打开;打向0°时,只有触点5-6闭合,右45°时,触点7-8闭合,其余打开。
施耐德微型断路器代号标注方法:举例:1-C65N-C20A/2P+VE+30mA+SD,各项含义为1---------识别号C65------序列代号N--------分断能力,N为6000A,H为10000A,L为15kAC--------脱扣曲线,B为电子保护,C为配电保护,D为动力保护20A------额定电流,有1、2、4、6、10、16、20、25、32、40、50、63A2P-------极数,有1、2、3、4极VE-------剩余电流附件,有VE、VEG、VM、VEA,VM为电磁式30mA-----剩余动作电流,有30、100、300mASD-------选配附件,有MX、OF、MN、MV、SD、Tm、A Tm,其中SD为辅助接点。
转换开关的原理
转换开关是一种电子元件,用于控制电路的开与关。
它的工作原理基于两个主要部分:触点和驱动电路。
首先,触点是开关的核心部分,它由导电材料制成,可以在闭合和断开状态下进行快速切换。
当触点闭合时,电流可以流过开关,电路处于通电状态;而当触点断开时,电流被切断,电路处于断电状态。
其次,驱动电路是用来控制触点状态的组件。
它通常由控制信号源、放大器和电源组成。
当控制信号源激活开关时,放大器会将电源的电压信号转换为足够大的电流信号,通过触点,使其闭合或断开。
总的来说,当控制信号源激活时,驱动电路通过放大器将电流信号传递给触点,使其从闭合状态切换到断开状态,或者从断开状态切换到闭合状态,从而控制电路的开与关。
需要注意的是,不同类型的转换开关可能有不同的工作原理。
例如,普通的单极双throw(SPDT)开关使用一个触点,可以将电路切换到两个不同的路径中。
而多极开关则使用多个触点、驱动电路和控制信号源来切换更复杂的电路配置。
总之,转换开关的原理基于触点的闭合和断开,以及驱动电路的控制信号传递。
它是电子设备中常见的控制元件,用于实现电路的开与关,以及电路路径的切换。
万能断路器工作原理
万能断路器采用电磁式触发装置,主要由电磁铁、触发机构、熔断机构和开关机构等组成。
其工作原理是通过控制电流大小来触发熔断机构,使断路器迅速跳闸,中断电路。
万能断路器的电磁铁接收到电路中的电流信号后,通过电磁感应效应产生磁场。
在正常电流范围内,磁场作用下的力量不足以引起触发机构的动作,断路器处于闭合状态。
当电路中电流超过额定值时,电磁铁产生的磁场强度增大,与触发机构耦合的磁铁吸合力增大,使得触发机构发生位移。
触发机构的位移将传递给熔断机构,熔断机构通过机械传动动作,使得熔断体熔断,中断电路。
同时,开关机构也会受到作用,将机械连接断开,实现断开电路。
万能断路器工作原理的核心是通过控制电磁铁的磁场强度,触发机构的位移和熔断机构的动作,来保护电路不受过载、短路等故障的损害。
它发挥了对电路的保护作用,保证了电气设备的正常运行和使用安全。
万能转换开关的工作原理及符号表示教程来源:本站原创作者:未知点击:2301 更新时间:2009-3-4 16:14:36万能转换开关是一种多档式、控制多回路的主令电器。
万能转换开关主要用于各种控制线路的转换、电压表、电流表的换相测量控制、配电装置线路的转换和遥控等。
万能转换开关还可以用于直接控制小容量电动机的起动、调速和换向。
如图1所示为万能转换开关单层的结构示意图。
常用产品有LW5和LW6系列。
LW5系列可控制5.5kW及以下的小容量电动机;LW6系列只能控制2.2kW 及以下的小容量电动机。
用于可逆运行控制时,只有在电动机停车后才允许反向起动。
LW5系列万能转换开关按手柄的操作方式可分为自复式和自定位式两种。
所谓自复式是指用手拨动手柄于某一档位时,手松开后,手柄自动返回原位;定位式则是指手柄被置于某档位时,不能自动返回原位而停在该档位。
万能转换开关的手柄操作位置是以角度表示的。
不同型号的万能转换开关的手柄有不同万能转换开关的触点,电路图中的图形符号如图2所示。
但由于其触点的分合状态与操作手柄的位置有关,所以,除在电路图中画出触点图形符号外,还应画出操作手柄与触点分合状态的关系。
图中当万能转换开关打向左45°时,触点1-2、3-4、5-6闭合,触点7-8打开;打向0°时,只有触点5-6闭合,右45°时,触点7-8闭合,其余打开。
1518 542. 将每一档各对触头的通断情况填入表格中,通用“x”表示,断用“ ”表示。
3. 164533303.1516174.322216421641610164582110116 200001605.6.7.8.9.。
万能式断路器工作原理万能式断路器又称框架式断路器:能接通、承载以及分断正常电路条件下的电流,也能在规定的非正常电路条件下接通、承载肯定时间和分断电流的一种机械开关电器。
万能式断路器的操作靠手动操作或电动合闸的。
主触点闭合后,自由脱扣机构将主触点锁在合闸位置上。
过电流脱扣器的线圈和热脱扣器的热元件与主电路串联,铝单板是采纳优质铝合金板材为基材,再经过数控折弯等技术成型,表面喷涂装饰性涂料的一种新型幕墙材料。
欠电压脱扣器的线圈和电源并联。
当电路发生短路或严峻过载时,过电流脱扣器的衔铁吸合,使自由脱扣机构动作,主触点断开主电路。
当电路过载时,热脱扣器的热元件发热使双金属片上弯曲,推动自由脱扣机构动作。
分励脱扣器则作为远距离掌握用,实践证明,运用TRIZ理论,可大大加快人们制造创造的进程而且能得到高质量的创新产品。
在正常工作时,其线圈是断电的,在需要距离掌握时,按下起动按钮,使线圈通电,衔铁带动自由脱扣机构动作,使主触点断开。
万能式断路器为立体布置形式,触头系统、瞬时过电流脱扣器左右侧板均安装在一块绝缘板上。
上部装有灭弧系统,操作机构可装在正前方或右侧面,有“分”、“合”指示及手动断开按钮。
其左上方装有分励脱扣器,背部装有与脱扣半轴相连的欠电压脱扣器。
速饱和电流互感器或电流电压变换器套在下母线上。
欠电压延时装置、热继电器或半导体脱扣器可分别装在下方。
DW15-2000、3200、4000、6300断路器为立体布置形式,由底架、侧板、横梁组成框架,每相触头系统安装在底架上,上面装灭弧室。
操作机构在断路器右前方,通过主轴与触头系统相连。
电动操作机构通过方轴与机构连成一体装于断路器下部,作为断路器的贮能或直接闭合之用,贮能后的闭合由释能电磁铁担当。
在左侧板上方装有防回跳机构,以防止断路器在断开时弹跳。
各种过电流脱扣器按不同要求装在断路器下方,欠电压,分励脱扣器及电动操作掌握部分装在左侧,其中欠电压、分励脱扣器通过脱扣器与放大机构相连,以削减断路器的脱扣力。
万能断路器结构及原理一、引言万能断路器是一种用于保护电路免受过载和短路等异常情况影响的电器设备。
本文将详细介绍万能断路器的结构和工作原理。
二、结构万能断路器主要由以下几个部分组成:1. 外壳:外壳通常由耐火材料制成,用于保护内部电路和零部件免受外界环境的影响,并防止电器触摸时发生电击事故。
2. 接线端子:用于将电路与外部电源和负载连接。
3. 断路器机构:断路器机构是万能断路器的核心部件,它包括触发机构、断路器开关和电磁释放器。
触发机构用于感知电路中的异常情况,并触发断路器开关的动作。
断路器开关用于打开或关闭电路,以保护电路免受过载和短路等异常情况的影响。
电磁释放器用于检测电路中的电流变化,并在异常情况下迅速切断电路。
4. 电流传感器:电流传感器用于检测电路中的电流大小,并将其信号传递给触发机构,以触发断路器开关的动作。
5. 电弧灭火器:电弧灭火器用于在断路器开关切断电路时,迅速灭除由电弧产生的火焰和热量,以防止火灾事故的发生。
三、工作原理万能断路器的工作原理可以分为以下几个步骤:1. 电流检测:电流传感器检测电路中的电流大小,并将其信号传递给触发机构。
2. 异常检测:触发机构根据电流传感器的信号,检测电路中是否存在过载、短路等异常情况。
3. 触发动作:当触发机构检测到异常情况时,它会触发断路器开关的动作。
4. 断路保护:断路器开关切断电路,以保护电路免受过载和短路等异常情况的影响。
5. 电弧灭除:在断路器开关切断电路的同时,电弧灭火器迅速灭除由电弧产生的火焰和热量,防止火灾事故的发生。
6. 复位功能:万能断路器通常具有复位功能,一旦异常情况解除,断路器可以恢复正常工作状态。
四、应用领域万能断路器广泛应用于各种电路保护场景,包括住宅、商业建筑、工业设备等。
它可以有效保护电路免受过载和短路等异常情况的影响,提高电器设备的安全性和可靠性。
五、总结万能断路器是一种用于保护电路免受过载和短路等异常情况影响的电器设备。