秸秆打包机的工作原理
- 格式:doc
- 大小:80.50 KB
- 文档页数:2
秸秆打捆机的工作原理,秸秆打捆机的发展历程秸秆打捆机稻草、麦草、棉杆、玉米杆、油菜杆、花生藤。
豆杆等秸秆、牧草捡拾打捆;配套功能多,可直接捡拾打捆,也可先割后捡拾打捆,还可以先粉碎再打捆。
下面我们就来看看秸秆打捆机的工作原理和秸秆打捆机的发展历程。
秸秆打捆机的工作原理:秸秆打捆机主要由拾禾器、打草滚筒、链轮传动机构、绳盒、引绳杆及预警装置、液压控制机构等部件组成。
打捆时自动引绳,自动拾取秸秆作物,自动打捆,自动切绳。
通过对槽轮大小的调整,来改变打捆时的绳圈和草捆密度,使草捆不散、不凌乱。
成形后的草捆体积小而紧密,便于运输和贮存。
该机由机身、传动机构、喂料机构、密度调节机构、压草活塞机构、草捆长度控制机构及车轮行走机构组成。
由电动机(或内燃机)通过传动机构带动连杆驱动喂料压板和活塞作往复运动;适量物料通过进料口、在喂料压板的作用下,进入储草腔内,再由压草活塞推入并被压紧前进。
当达到料捆长度时,将隔离板插入储草腔内,之后随草前行,待该板走出储草腔后,即可用绳带捆绑料捆,出机待用:该机可在较平整的场地由汽车或拖拉机牵引作短距离的移动。
秸秆打捆机的发展历程:18世纪,许多国家的交通运输、农业生产都以马为动力,这样在广大的城市和农村都需要大量的干草来饲养马匹,在运输这些干草时草要压紧、捆实。
1853年,美国的埃默里发明了草打捆机,使草捆的结实,方便了运输。
这种打捆机是一种水平压力机,在打捆箱两端的延伸部分各装一个功能如活塞的挡板,当把草放在箱内的时候,由马来拉动一套链子和滑轮机构,这样打捆箱两端的挡板做相向运动,从而将草压紧。
这种打捆机每小时可打5捆草,每捆重125公斤,它的弊病就是当机器运行时,仍需工人作辅助工作。
1872年,美国的戴德里克在埃默里基础上研制出连续生产的打捆机,在美国和英国取得极大成功,从而加快了生产节奏。
由于需要不断地提高生产能力,1884年,又研制出了蒸汽压力打捆机,这种打捆机将草压成捆后,用人将草捆好,然后自动将草捆弹出。
市场上有一种设备可以将秸秆、稻草等压缩成块,便于秸秆的储蓄、运输以及加工,就是打包机,其中秸秆打包机对环境以及资源的有效利用和保护起到了很好的作用。
其工作方式主要是利于液压原理。
秸秆打包机工作原理:①启动电机,齿轮泵有两个相互啮合的齿轮作旋转运动,吸油腔内容易不断增大,形成部分真空,产生吸油作用,液压油在大气压的作用下进入泵内。
②随着齿轮的转动液压逐渐进入密封的压油腔内,不断缩小的压油腔形成了油压作用,把液压油压出泵外,被压出的液压油经管路进入换向阀,操纵控制杆使液压油定向流动,液压油沿着分配方向通过管道进入油缸,液压油的不断流进使油缸内的活塞承受巨大压力,推动推杆作直线运动。
③当下降工作时,操纵杆处于下降位置,从油泵流出的压力油经换向阀进入油缸上腔,在压力的作用下,推动活塞下降,将被压物压紧。
当上升时,操纵杆处于上升位置压力油经换向阀进入油缸下腔,在压力作用下推动活塞上升,上腔油液经上腔孔,回油阀流回油箱。
④全自动秸秆打包机,无需人工插带,触发方式分有点动、手动、连打、球开关、脚踏开关,光电感应开关,只需按动开关就可以自动完成打包,方便快捷,适合单机大批量生产,如配合自动输送带,可实现无人自动捆包,大大地节约人手,降低成本。
⑤半自动秸秆打包机,需要手动插带,插入打包带后,机器才会自动完成聚带、粘合、切断、出带的打程。
打包机在使用过程中的应用情况具体为您分析一下:1、系统压力调整过高,使密封件或密封面处泄漏。
适当降低秸秆液压打包机液压系统压力,根据机器说明书的要求将液压系统压力调整到规定范围内。
2、阀内产生泄漏。
原因是秸秆液压打包机的滑阀使得间隙增大,这时应该研磨阀的体孔,根据阀体孔的实际尺寸来配合间隙。
3、密封件泄漏。
秸秆液压打包机密封件的损坏及老化使得密封不良,这时应该及时更换这些坏掉的密封件,有方向性的密封件装配方向装错时,应该重新安装。
该设备对旧物废纸、塑料秸秆等的打包回收,可以提高劳动效率、节约人力、减少运输用度。
秸秆打包机的工作原理
秸秆打包机的工作原理主要包括以下几个步骤:
1. 秸秆输送:将秸秆通过输送带或者升降机等设备,输送到打包室。
2. 打包室:秸秆在打包室内进行打包。
打包室通常由一个压力室和一个绑扎装置组成。
3. 压力室:秸秆进入压力室后,打包室门被关闭,并且在压力室内建立一个压缩空间。
4. 压缩:压力室内的液压系统开始工作,将压力转化为力量,推动上下压板向下移动,对秸秆进行压缩。
5. 打包:当压力室内的上下压板完全移动至底部,秸秆被压缩成一个紧凑的整体。
同时,压力室内的绑扎装置开始工作,将打包绳或金属丝绑扎在打包好的秸秆上,固定住。
6. 打包完成:绑扎完成后,打包室门打开,完成一次打包操作。
秸秆打包机工作的核心原理是通过液压系统将秸秆进行压缩,同时进行绑扎,使其成为密实的打包块,便于存储和运输。
这种打包技术不仅能够将秸秆占用的空间减少,还能够减少秸秆在运输过程中的散落和浪费。
这种工作原理不仅提高了秸秆的利用率,还减少了对环境的污染。
秸秆打捆机原理
秸秆打捆机是一种用于将秸秆等农作物残余物料打成方形或圆形捆的机械设备。
它在农业生产中起着非常重要的作用,可以有效地将农作物残余物料打包,便于储存和运输。
本文将介绍秸秆打捆机的工作原理,希望能够帮助读者更好地了解这一设备。
首先,秸秆打捆机的工作原理是通过压制和绑扎来实现的。
当秸秆被送入打捆
机后,首先经过压制装置的作用,将秸秆压缩成一定形状和密度的捆。
压制装置通常由液压系统驱动,可以根据需要进行调节,以确保打出的捆密度和形状符合要求。
接下来,压制完成后,打捆机会自动进行绑扎操作。
绑扎装置会将打好的秸秆
捆进行包裹和绑扎,以确保捆的稳固性和整洁度。
绑扎装置通常由钢丝或塑料绳组成,可以根据需要进行调节,以确保绑扎的紧固度和美观度。
除了压制和绑扎外,秸秆打捆机还配备有传送系统,用于将压制和绑扎完成的
秸秆捆进行输送和堆放。
传送系统通常由输送带和堆放装置组成,可以根据需要进行调节,以确保输送和堆放的效率和安全性。
总的来说,秸秆打捆机的工作原理是通过压制和绑扎来实现的,配备有传送系
统用于输送和堆放。
它能够有效地将农作物残余物料打包,便于储存和运输,是农业生产中非常重要的设备。
希望通过本文的介绍,读者能够更好地了解秸秆打捆机的工作原理,为农业生
产提供更好的帮助。
同时,也希望厂家和用户能够根据实际需要选择合适的秸秆打捆机,提高生产效率和产品质量。
打捆机工作原理嘿,咱来说说打捆机这神奇的家伙!打捆机就像是农田里的小能手,默默为农民们的丰收助力。
打捆机工作起来那可真是有一套。
它就像一个勤劳的小工人,不知疲倦地忙碌着。
首先,当农作物被收割后,打捆机就闪亮登场了。
它张开大大的“嘴巴”,准备把那些散乱的农作物秸秆或者牧草等统统吞进去。
这“嘴巴”可厉害啦,能一下子咬住好多秸秆呢。
你想想,要是没有打捆机,那些秸秆到处乱放,多乱呀!打捆机把秸秆吃进去后,就开始了它的魔法表演。
里面的各种部件就像一群小精灵,齐心协力地工作着。
有的负责把秸秆整理整齐,有的负责压实,就像在给秸秆们做按摩一样,让它们紧紧地靠在一起。
这压实的过程可重要啦,要是不压实,那捆起来的秸秆就松松垮垮的,很容易散掉。
难道你不想让秸秆们被捆得结结实实的吗?接着,打捆机开始用绳子或者铁丝等把压实的秸秆捆起来。
这就像给一个大包裹系上漂亮的丝带。
那些绳子或铁丝在打捆机的巧妙操作下,紧紧地缠绕在秸秆上,把它们牢牢地固定在一起。
这时候,一个整齐的草捆就诞生啦!看着那一个个方方正正的草捆,是不是觉得打捆机特别厉害呢?打捆机的速度也挺快呢。
它就像一个跑步健将,在农田里快速地穿梭着。
一会儿的功夫,就能打出好多草捆。
这可比人工打捆快多啦!要是靠人工去捆那些秸秆,得累个半死不说,还得花好多时间。
有了打捆机,农民们就轻松多啦。
而且,打捆机还很灵活。
它可以在不同的地形上工作,不管是平坦的农田,还是有点小坡度的山坡,它都能应对自如。
这就像一个勇敢的探险家,哪里有需要,就去哪里。
你说,这么厉害的打捆机,农民们能不喜欢吗?打捆机的出现,真的给农民们带来了很大的便利。
它让那些原本散乱的秸秆变得整齐有序,方便了储存和运输。
同时,也为环保做出了贡献,避免了秸秆焚烧带来的污染。
总之,打捆机是农民们的好帮手,它用自己的独特方式为农业生产贡献着力量。
秸秆打捆机原理秸秆打捆机是一种用于将秸秆、稻草等农作物残余物料进行打捆的机械设备,它的原理是通过一系列的动力传动和机械操作,将散乱的秸秆材料压缩成紧凑的捆条,便于储存和运输。
下面我们将对秸秆打捆机的原理进行详细介绍。
首先,秸秆打捆机的工作原理主要包括压制系统、绑扎系统和传动系统三个部分。
在压制系统中,秸秆经过收集和输送后,进入压制室内,通过压制机构的作用,将秸秆逐渐压缩成一定密度的捆条。
在这个过程中,压制机构通常由压轮和模具组成,压轮通过动力传动系统的驱动,对秸秆进行连续压制,使其逐渐变得紧凑。
而绑扎系统则是在秸秆达到一定密度后,自动进行绑扎操作,将压缩好的秸秆捆条固定成型,以便后续的储存和运输。
传动系统则是整个打捆机的动力来源,通过发动机或电动机提供动力,驱动压制机构和绑扎系统的运转。
其次,秸秆打捆机的原理还涉及到压力调节和稳定控制。
在压制过程中,需要根据秸秆的材质和长度,以及打捆机的型号和规格,合理地调节压制机构的压力和速度,以确保压制出的捆条密度均匀、质量稳定。
同时,还需要对绑扎系统进行合理的调试,确保绑扎的力度和位置适当,以避免捆条松散或捆扎不牢固的情况发生。
这些压力调节和稳定控制,是秸秆打捆机能够高效、可靠地完成打捆作业的关键。
最后,秸秆打捆机的原理还包括安全保护和维护保养。
在使用打捆机的过程中,需要严格遵守操作规程,确保人员和设备的安全。
同时,定期对打捆机进行检查和维护保养,保证各个部件的正常运转和寿命。
只有在严格遵守操作规程和定期维护保养的情况下,秸秆打捆机才能够长时间稳定地工作,为农业生产提供有效的支持。
综上所述,秸秆打捆机的原理主要包括压制系统、绑扎系统、传动系统、压力调节和稳定控制,以及安全保护和维护保养等方面。
通过对这些原理的深入理解和合理应用,可以使秸秆打捆机更加高效、可靠地完成农作物残余物料的打捆作业,为农业生产提供更好的支持。
牧草打捆机工作原理及优势
打捆机工作原理
打捆时自动引绳,自动拾取麦草,自动打捆,自动切绳,并可以通过槽轮大小的调整,来改变打捆时的绳圈和捆草密度,使草捆不散、不凌乱。
成形后的草捆体积小而紧凑,并且草捆内松外紧,透气性好,便于运输和贮存。
该机的推广使用对解决秸秆回收、改善农村焚烧秸杆带来的环境污染及提高秸草的利用质量起到了巨大的推动作用。
装卸运输方便、可充分利用运输工具的运载能力,一般可提高运输能力2-3倍,可节约劳动力及运输费用50%以上,解决了运输过程中因超高、超宽带来的不安全因素等。
该机自推出以来,深受广大农民朋友喜爱,是咱农民朋友发家致富的好帮手。
打捆机使用方法
首先,打捆机与动力机器装备好后,开至收割完毕的麦田内,检查动力机械的动力与打捆机是否接触完好。
然后起步,捡拾,打捆,听到报警器报警后,停车,加大油门使打捆机快速打捆,捆绳。
当听到绳子被割断的声音后,稍微用力拽绳,掀起打捆机后盖,使草捆落机,草捆排出后方可进行下一次的拾草,打捆。
打捆机的优势:
(1)防止农民因焚烧秸杆而带来的环境污染;
(2)增加农民收入,打好后的草捆易于销售,每吨草价为450-900元左右;
(3)合理利用资源,打捆后的麦草可以很好的利用,如加工畜禽饲料,制造纤维板材,生产沼气及造纸等用途;带动了相关产业的发展,为相关产业提供了大量的原材料,从而可以节约资源,优化资源配置,达到农业生产文明化。
水稻收割机的打捆机原理
水稻收割机的打捆机原理如下:
水稻收割机的打捆机是一种专门用于将水稻割下来的秸秆进行打捆、捆扎的设备。
其原理是通过机械装置将水稻秸秆捆绑成一定长度和形状的团块,方便后续的储存、运输和利用。
打捆机主要由以下几个部分组成:切割器、输送装置、压片器、捆绑装置和控制系统。
首先,水稻收割机通过切割器将水稻割断,然后将割下来的秸秆输送到打捆机的工作位置。
输送装置主要由链条、输送带和辊筒组成,通过不断地运动将秸秆从切割器的出口输送到压片器。
压片器是打捆机的核心部件,它通过不断地压制和密实秸秆,将其压缩成一定的形状和密度,以便后续的捆扎。
压片器通常由一对辊轮组成,辊轮上有许多凹槽,当秸秆经过两个辊轮之间的空隙时,秸秆会被压实。
接下来,压实后的秸秆进入捆绑装置进行捆扎。
捆绑装置通常由绳索或钢丝组成,通过绕绳或钢丝在秸秆上形成一个环。
在绳索或钢丝形成环后,打捆机会自动切断并捆扎好。
捆绑装置会根据设定的长度自动调整绳索或钢丝的张力和长度,以确保每个捆扎的秸秆都有相同的形状和密度。
最后,完成打捆的秸秆从打捆机的出口处输出,并通过输送装置或装载机械运输到指定的地点。
整个打捆机的工作过程通过控制系统进行自动化控制。
控制系统根据设定的参数,自动调整切割器、输送装置、压片器和捆绑装置的工作状态和参数,实现整个打捆过程的连续和稳定运行。
总结起来,水稻收割机的打捆机通过切割器、输送装置、压片器、捆绑装置和控制系统的协同作用,将水稻割下来的秸秆进行打捆、捆扎,以便储存、运输和利用。
通过自动化控制,可以实现高效、稳定和连续的工作。
麦秸打包机_课程设计_机械原理
麦秸打包机是一种机械设备,主要用于将农田中的麦秸等农作物废弃物进行收割、捆绑、打包等工作。
麦秸打包机的课程设计主要是针对这种机械原理进行的研究和设计,以实现高效节能的功能。
首先,麦秸打包机的机械原理主要是由浆轮、卷轴、切片器、打包机和输送带等多个部件构成。
其中,切片器主要用于将麦秸进行切割打碎,以利于后续处理,而浆轮和卷轴则是将麦秸收割并卷成较小的一圈。
打包机之后将麦秸打包并固定,输送带则将已打包的麦秸进行输送。
麦秸打包机在设计时需要充分考虑这些部件之间的配合关系。
浆轮和卷轴的配合不仅影响到麦秸的捆绑效果,而且还需要考虑如何提高浆轮和卷轴的旋转速度,在保证安全的前提下实现高效的收割和捆绑。
同时,输送带的设计考虑到输送带对麦秸的载重能力是一个重要因素。
其次,麦秸打包机的设计还需要考虑机械的节能性能。
首先,可以使用省电的电机和传动器,以减少损耗。
其次,麦秸打包机的设计还应该考虑旋转配合的合理性,选择适当的轴承和密封件来减少能量损耗。
还可以采用抗摩擦材料,尽可能减少机械的磨损。
最后,麦秸打包机在使用中需要注意维护和保养。
为了延长机械设备的使用寿命,需要经常对设备进行维护,清洁机器
内部的残留物和及时更换老化的部件。
同时,在使用过程中需要注意安全,避免机器卡车、破损等情况。
总之,麦秸打包机课程设计的目的是使麦秸打包机具有高效节能、稳定可靠的特性。
现代农业需要高效的机械设备进行支持,而麦秸打包机正是这样的一种机械设备,为现代农业的高效集约化发展作出了巨大的贡献。
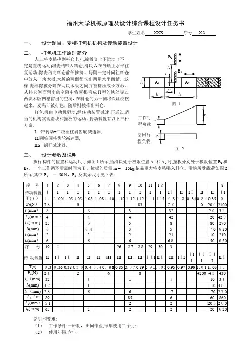
福州大学机械原理及设计综合课程设计任务书学生姓名 XXX 序号 X X一、 设计题目:麦秸打包机机构及传动装置设计 二、打包机工作原理简介人工将麦秸挑到料仓上方,定是直线运动)将麦秸喂入料仓,滑块A 复运动,中放入一块木板,样,两块木版凹槽留出的空洞,起来,麦秸即被打包,随后则被推出料仓。
打包机由电动机驱动,当的机构实现滑块和撞板的运动。
方案:I :带传动+二级圆柱斜齿轮减速器; II:圆锥圆柱齿轮减速器; III :蜗杆减速器。
三、 设计参数及说明执行构件的位置和运动尺寸如图1所示,当滑块处于极限位置A1和A2时,撞板分别处于极限位置B 1和B 2。
一个工作循环所需时间为T。
撞板的质量m = 15kg,依靠重力将麦秸喂入料仓。
滑块所受载荷如图2所示,其中P 1 = 50N,P 2 及其余尺寸见下表: 说明和要求:(1) 工作条件:一班制,田间作业,每年使用二个月;(3)生产批量:小批量试生产(十台);(4)生产条件:一般机械厂,可加工7级精度齿轮、蜗杆及蜗轮;(5)动力来源:三相交流电(220V/380V);(6)工作周期T的允许误差为±3%之内;四、设计任务及进度(一)执行机构设计及分析1.运动方案拟定;(1天)2.机构运动设计;(2天)3.机构受力分析计算。
(2天)(二)传动装置的设计1.选择电动机、联轴器,分配传动比;(0.5天)2.各级传动的设计计算;(1天)3.轴的设计;(0.5天)4.轴承的选择和验算;(0. 5天)5.键连接的验算;6.减速器的设计;(7天)7.零件图设计;(1.5天)8.撰写设计计算说明书;(2天)9.考核。
(2天)五、设计完成工作量1.执行机构的机构运动简图;2.减速器装配图;3.零件图2张(低速级大齿轮或蜗轮和低速轴);4.设计计算说明书(计算机程序作为附件)。
六、设计说明书包括的主要内容1.多个运动方案示意图及其分析比较和最佳方案确定;2.确定机构运动参数,画机构运动简图,机构位置分析,画出两执行构件的运动循环图(计算机画出),检验不干涉条件;3.机构力分析,编程计算原动件所需转矩和各运动副反力;4.选择电动机、联轴器,分配传动比;5.各级传动的设计计算;6.低速轴的设计;7.低速轴轴承的选择和验算;8.键连接的验算;9.减速器的设计的辅助计算和说明。
玉米秸秆打捆机原理
玉米秸秆打捆机是一种用于将玉米秸秆进行捆扎的机械设备。
它的工作原理可以简单描述如下:
1. 收集秸秆:首先,将切割好的玉米秸秆通过输送带或直接推送装置送到打捆机的工作区域。
2. 压缩秸秆:接下来,打捆机会通过压力系统对秸秆进行压缩。
这个过程会将秸秆的体积减小,并且使其具有一定的形状和密度。
3. 捆扎:一旦秸秆被压缩成所需的体积和形状,打捆机会自动将绳子或钢丝等材料固定在秸秆的一端。
然后,绳子或钢丝会被绕到秸秆的其他部分,形成一个结实的捆扎状态。
4. 切断:当捆扎完成后,打捆机会自动切断绳子或钢丝,使捆扎后的秸秆可以独立使用或运输。
玉米秸秆打捆机的工作原理主要是通过压力和捆扎系统来将玉米秸秆压缩并捆扎成独立的束。
这种机械设备可以大大提高秸秆的收集和使用效率,减少了秸秆在田间堆放的空间占用,并方便了后续的处理和利用。
秸秆打包机的原理
秸秆打包机是一种机械设备,它的主要原理是将散落在田地上的秸秆进行压缩和打包,以便于搬运和储存。
秸秆打包机主要由压缩腔、包扎装置、输送系统和控制系统等组成。
当秸秆打包机开始工作时,首先将散落在田地上的秸秆通过输送系统送入到压缩腔。
然后,压缩腔中的压缩装置开始对秸秆进行压缩,将其紧密地堆放在一起。
压缩装置通常由液压系统驱动,通过上下移动的压板对秸秆进行压缩。
压缩过程中,压板会逐渐向下移动,并且会不断增加压力,直至达到预设的压缩程度。
一旦秸秆在压缩腔中达到预设的压缩程度,包扎装置就会开始工作。
包扎装置通常由绳索或钢丝组成,会将压缩好的秸秆进行包扎,以固定打包好的状态。
包扎过程中,绳索或钢丝会依次穿过秸秆打包机中设定的孔洞,并通过绑扎来牢固固定秸秆。
最后,打包好的秸秆会通过输送系统被送到储存地点。
输送系统通常采用传送带或输送链,将打包好的秸秆从打包机中输送出来,然后送到储存区域进行堆放或装运。
整个过程中,控制系统起着重要的作用,它可以控制秸秆打包机的运作和各个部件的动作。
通过控制系统,操作人员可以根据实际需要对压缩程度、包扎方式和输送速度等进行调整,以确保打包效果和生产效率。
通过秸秆打包机的工作原理,可以将散乱的秸秆高效地压缩和
打包,提高了秸秆的利用率,减少了运输和储存的成本,对于农机化和资源循环利用具有重要意义。
打捆机原理摘要:1.引言2.打捆机的定义和分类3.打捆机的工作原理4.打捆机的应用领域5.结论正文:【引言】在农业生产中,对于农作物的收割、处理以及后续的储存等环节,都离不开各种农业机械设备的帮助。
其中,打捆机作为一种将农作物秸秆进行打包的设备,具有重要的实用价值。
本文将介绍打捆机的原理,帮助大家更好地理解和运用这一设备。
【打捆机的定义和分类】打捆机,顾名思义,就是将农作物秸秆捆扎成捆的机械设备。
根据结构和工作原理的不同,打捆机可以分为以下几类:1.传统式打捆机:采用铁丝将秸秆捆扎成捆,结构简单,适用于小规模农业生产。
2.液压式打捆机:利用液压原理驱动打捆装置,结构较为复杂,但捆扎力度大,适用于大规模农业生产。
3.机械式打捆机:采用机械传动方式,结构简单,维护方便,但捆扎效果略逊于液压式打捆机。
【打捆机的工作原理】以液压式打捆机为例,介绍打捆机的工作原理:1.收割部分:将农作物秸秆收集并输送至打捆机内。
2.打捆装置:由液压缸、推杆和捆扎器组成。
液压缸通过推杆将捆扎器压缩,将秸秆捆扎成捆。
3.控制系统:通过操作面板,控制液压缸的伸缩,实现打捆机的工作。
【打捆机的应用领域】打捆机广泛应用于农业生产中,主要用于以下领域:1.农作物秸秆打包:将收割后的农作物秸秆进行打包,便于储存和运输。
2.畜牧业:用于将草料进行打包,便于喂养牲畜。
3.园林绿化:将修剪下的树枝、树叶等进行打包,便于清理和处理。
【结论】打捆机作为一种实用型的农业机械设备,在农业生产中发挥着重要作用。
1.打捆机的工作原理秸秆打捆机如下图:主要由捡拾器、螺旋输送器、滚筒式切碎喂入装置以及打捆室四部分组成。
打捆机在拖拉机的牵引下,沿收割过后自然堆放的草条前进,捡拾器的弹齿将秸秆从地面上拾起,并送到螺旋输送器。
捡拾器的主要功能是把地面铺放的秸秆捡拾后推送到输送喂入平台。
捡拾器的工作原理:当捡拾器主轴旋转时,弹齿杆在固定盘的作用下沿着半径为R的圆周转动。
随着弹齿杆的转动,弹齿齿端逐渐从护板的下方伸出。
当齿端与草条开始接触时,弹齿便进入工作行程,把秸秆捡拾提升到护板上方表面推送秸秆,直至其齿端从护板上方缩回到护板内侧。
弹齿在推送秸秆的行程中,其齿端与护板的相对速度明显减小,运行方向几乎垂直向下,将秸秆卸放在护板末端,避免继续推送秸秆而堵塞与护板间隙中,在空行程的起始阶段,滚轮在凸轮滑道的直线段运行,弹齿的相对速度迅速增大,其齿端从护板下方的缝隙中迅速伸出,直至弹齿接近于径向后重新恢复到工作行程。
2.自行车的发展历程自行车是由人力脚踏驱动的、有两个车轮的陆地交通车辆,俗称自由车、脚踏车或单车(在日本称为“自耘车”;在中国大陆、台湾通常称其为“自行车”或“脚踏车”;在港澳则通常称其为“单车”)。
自行车无噪音、无污染、重量轻、结构简单、物美价廉、使用和维修方便,既能作为代步和运载货物的工具,又能用于体育锻炼,因而为人们所广泛使用。
而自行车究竟起源于哪个年代、由谁发明的、之间的演变过程则很少人知道。
(1)意大利人最早提出试制自行车的方案。
公元1642年,意大利一位橱窗设计师在他所设计的罗马教堂的彩色玻璃上,绘制了自行车的雏型图案,但没有造出实物。
从此以后,欧洲一些国家的许多工匠和科学工作者对创制自行车进行了长期的探索和钻研,提出过许多种方案,然而均未成功。
(2)第一个制造出自行车实物的是法国人希布拉克,他在1790年制成一辆木质自行车,两个车轮被前后纵列在同一轴在线,这是一个了不起的发明和贡献。
不过,这辆自行车没有驱动装置也不能转向,只能靠骑车人不断用双脚蹬地在一条直线上前进。
秸秆打包机的原理秸秆打包机是一种将农作物秸秆等农副产品以打包的方式进行存储、运输和再利用的机械设备。
它主要由供料系统、打包系统、压紧系统和控制系统等组成。
秸秆打包机的原理如下:首先,经过收割机收割的秸秆被输送到供料系统中。
供料系统主要包括输送带、输送链和导向装置等。
它们能够将秸秆从收割机上收集下来,并将其输送到打包系统中。
供料系统采用一系列输送带和多个链条组成,使得输送带能够将秸秆平稳地送入打包系统。
接下来,秸秆进入打包系统中。
打包系统主要由打包室、打包刀、打包带和打包带轮等组成。
打包室是一个密闭的空间,能够容纳一定量的秸秆。
打包刀用来切割秸秆,使其长度适合打包。
打包带是用来将秸秆捆绑成包的材料,可以根据需要调整打包的密度。
打包带轮则用来辅助打包带的捆绑过程。
在打包过程中,秸秆通过供料系统输送到打包室,然后被打包刀切割成适当的长度。
接着,打包带从打包带轮上取出并绕过打包室将秸秆捆绑成包。
打包带的捆绑过程通过打包带轮的旋转来完成,同时压紧系统会对秸秆进行压实,以确保打包的牢固性和稳定性。
最后,控制系统对秸秆打包机的运行进行监控和调节。
控制系统主要由电气元器件和传感器组成,能够实时监测和控制打包机的运行状态。
例如,通过传感器可以实时检测打包带的张力和位置,从而精确地控制打包带的长度和紧度。
控制系统还能够根据可以预设的参数,自动调节打包带的张力和打包室的压力,以适应不同类型和大小的秸秆。
总结起来,秸秆打包机的原理是通过供料系统将秸秆输送到打包系统,再通过打包刀将秸秆切割成适当的长度,最后通过打包带将秸秆捆绑成包。
在整个打包的过程中,控制系统对打包机的运行进行监控和调节,以确保打包的牢固性和稳定性。
秸秆打包机不仅能够将秸秆等农副产品打包存储、运输和再利用,同时还能够提高秸秆的利用率和经济效益。
2018年第8期作者简介:窦玉欣,女,1998年出生,山东人,本科,研究方向:机械设计制造及其自动化。
秸秆打捆机德州学院机电工程学院窦玉欣李彩霞徐从晓刘焱崔玖丽盖瑞琪视界HEBEINONGJI河北农机引言保护环境、可持续发展越来越成为现在社会我们不断追求的目标,而农作物秸秆利用,在众多的农村群众方面,不仅为他们换季种植提供了场地,而且还为他们出售农作物秸秆提供了经济基础。
而在众多的工业以及副业方面,过量的秸秆为他们的后续生产奠定了基础,提供了生产的原料。
农作物秸秆是一种可再生的能源,合理地利用它们,不仅能提高农民的生活质量,还为各行各业的发展提供了保证。
1 总体结构及其工作原理1.1 秸秆打捆机的组成及其工作原理秸秆打捆机主要由秸秆拾捡部分、28刀切碎推入装置、绞龙输送器、传送带和打捆室这五部分组成。
通过各部分的相互合作,打捆机完成对秸秆的拾捡、切碎、传送、挤压、完成打捆等一系列动作(如图1所示)。
图1 打捆机整体结构示意图1.2拾捡系统捡拾机构作为第一级传送机构,不锈钢轴筒外面包裹着10个锯齿条,相互接触紧密,保障了散落在田地间的秸秆能够被一级传送机构平稳地输送到下一级传送机构中。
1.3 28刀切碎推入装置在第一级传送机构两端的轴承中,分别连接着一个连杆机构,连杆机构的另一端固定着一个金属的防漏盖,金属防漏盖可在连杆的作用下沿着轴线上下做小幅度地摆动,是为了防止在机器工作快速转动的同时,过多秸秆传送不及时,或者大量的秸秆在转动过程中浪费在空气中,造成环境污染和资源的利用率低。
紧接着在防漏盖的下面,就是二级传送机构,二级传送机构上有28个可拆卸、可更换、灵活性高的锯齿刀片,能够更加确保秸秆再穿过第一层传送机构到达第二层传送机构的时候,28个可以灵活拆卸的锯齿可以把秸秆完全的搅碎,为下一道工序奠定了基础(如图2所示)。
图2 第一、二级传送结构示意图1.4 绞龙输送器第三级传送机构是绞龙输送器,螺旋输送器利用旋转的螺旋叶片将秸秆碎进行螺旋输送(如图3所示)。
打捆机主要结构和工作原理该机由机身、传动机构、喂料机构、密度调节机构、压草活塞机构、草捆长度控制机构及车轮行走机构组成。
该机由电动机(或内燃机)通过传动机构带动连杆驱动喂料压板和活塞作往复运动;适量物料通过进料口、在喂料压板的作用下,进入储草腔内,再由压草活塞推入并被压紧前进。
当达到料捆长度时,将隔离板插入储草腔内,之后随草前行,待该板走出储草腔后,即可用绳带捆绑料捆,出机待用:该机可在较平整的场地由汽车牵引作短距离的移动。
玉米收割机的工作原理现在国内让玉米棒和玉米杆脱离开来,并采用到收获机上主要有两种方式:一种为挤压式,使用两棍子挤压玉米杆到玉米棒那里,就使玉米棒子挤压下来,这种方式主要用在开拓者和迪尔上;还有一种就是四刀或六刀在玉米棒下部切断,使玉米棒和玉米杆分离,这种方式使用在勇猛收获机上,采用的是四刀,凯斯使用的是六刀!我知道的就这两种!秸秆还田机、结构与工作原理秸秆还田机是由拖拉机动力输出轴驱动的整地机械。
使用时将机具与拖拉机悬挂机构挂接,用传动轴(万向节)将拖拉机的动力输出轴与机具主传动箱的主动轴相联接。
拖拉机动力经动力输出轴、万向节总成传至主传动箱主动轴,经传动箱减速并改变方向,经皮带将动力传递给驱动变速箱的动力输出轴,动力输出轴通过花键与刀轴连接,最终把动力传出,驱动刀轴旋转工作。
1)刀轴部分锤片装配时均匀排列。
高速旋转,能基本将玉米秸秆打碎,并与土壤混合,起到还田的作用。
3)均匀抛洒部分本机的均匀抛洒部分固定在机架后方,可根据农艺要4求调整。
2、用途特点秸秆还田机是为25-100马力拖拉机配套的新型耕作机械,一次性作业能实现作物根茬的秸秆还田、粉碎、镇压等农田作业。
具有传动平稳、结构合理,节能环保等优点。
能够实现秸秆粉碎还田、培肥地力,增强土壤有机质的作用。
激光切割机原理激光切割机是一种最新的技术,目前已经运用到各种行业,包括金属切割、玻璃切割雕刻等广泛领域。
激光是一种光,与自然界其电发光一样,是由原子(分子或离子筝)跃迁产生的,而且是自发辐射引起勺。
秸秆打包机又称青贮打包机是将粉碎过的物料进行压缩、打捆、包装的机器。
该机具有结构紧凑、操作简便、传动稳定可靠、机动灵活等优点,该系列秸秆打捆机主要由柴油机、液压系统、储料系统、压缩机构、装袋机构、行走机构、电气系统组成。
广泛用于畜牧业饲草的青储。
用于铡草机或揉丝机加工过的青玉米秸秆、麦秆、皇竹草、蒜苗、菌草等物料,通过液压系统进行物料的压缩装袋打包(编织袋和塑料袋两层)从而进行物料的青贮,为养殖行业提供有利的条件。
工作原理:
主缸横推压实-侧缸纵向压实-推包压头将包块推入包装袋中。
各部件回位继续下一个工作循环。
整个过程一气呵成,同时也能切换成半自动、手动。
整个打包过程仅用1分钟。
相比之下立式打包机的单位打包成本较低,但是生产效率较低;卧式秸秆打包机投资较大、但生产效率提高10倍、压力大包块重量大、可以弥补设备投资的缺点。
移动式液压打包机可以通过牵引移动打包,更方便,更省力。
河南弘迈机械设备有限公司是从事造粒机等机械设备的专业生产厂家,采用先进精艺的生产方式和现代技术,并拥有专业技术人员和优越的制造设施。
生产各种类型的机械产品并深受广大客户的好评。