电解电容规格书
- 格式:doc
- 大小:262.00 KB
- 文档页数:8
39uf 电解电容规格书一、产品概述39uf电解电容是一种常见的被动元件,用于各种电子设备中作为电源滤波器、耦合、旁路、消除直流偏置等功能。
本规格书将详细介绍39uf电解电容的技术参数、特点、应用场景以及使用注意事项,并提供选型建议。
二、技术参数1.容量:39uf2.额定电压:通常为25V或50V,具体规格请参考产品型录。
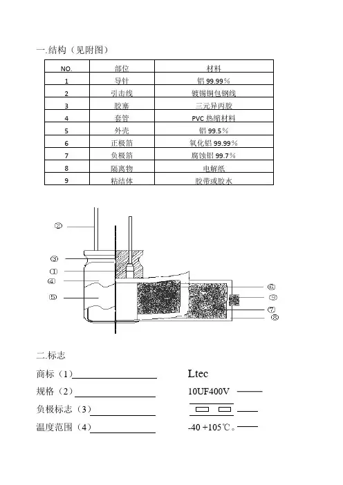
3.耐温范围:通常为-40℃至+105℃,但可能因具体产品而异。
4.介质:铝电解膜5.极性:39uf电解电容具有正负极性,请确保正确安装。
6.尺寸:通常为10mm x 16mm或13mm x 20mm。
详见产品型录。
三、特点1.高容量:39uf电解电容的容量相对较大,适合对电流稳定性要求较高的设备。
2.低ESR:39uf电解电容具有低等效串联电阻(ESR)特性,能够提供较低的功耗。
3.长寿命:经过精心设计和优化的制造工艺,39uf电解电容具有较长的使用寿命。
4.快速充放电响应:39uf电解电容具有较快的充放电响应速度,适用于高频应用。
5.可靠性:39uf电解电容可靠性高,能够在恶劣环境中正常工作。
四、应用场景39uf电解电容广泛应用于各种电子设备中,包括但不限于以下场景:1.电源滤波器:39uf电解电容用于去除电源中的直流偏置,保证电路的稳定性和可靠性。
2.耦合和旁路:39uf电解电容能够有效隔离和传递信号,提高电路的性能。
3.电动机驱动器:39uf电解电容用于电动机起电容器,提供启动电流和稳定工作电流。
4.汽车电子设备:39uf电解电容用于汽车音响、照明、点火系统等电子设备。
5.通信设备:39uf电解电容用于通信基站、无线电设备等电源和信号传输电路。
五、选型建议1.容量选型:根据实际应用需求选择39uf电解电容的容量,如需更精确的选型可咨询厂家或工程师。
2.额定电压选型:根据电路工作电压选择39uf电解电容的额定电压。
3.尺寸选型:根据电子设备的空间限制选择适当的39uf电解电容尺寸。
39uf 电解电容规格书解释说明以及概述1. 引言1.1 概述本篇文章将讨论39uf电解电容的规格书,解释其说明以及概述。
首先,我们将介绍电解电容的定义和原理,然后详细阐述39uf电解电容的规格说明,并探讨它的特点和应用领域。
最后,我们将总结研究发现,并展望未来对39uf电解电容的发展。
1.2 文章结构本文共分为五个部分。
在引言部分,我们将概述文章内容,并介绍各个章节的结构安排。
在正文部分,我们将深入讨论电解电容的定义和原理、39uf电解电容规格说明以及其特点和应用。
接下来,在主要要点一览中概括性地列出本文的主要要点。
在结论部分,我们将总结研究发现,并对未来39uf电解电容的发展进行展望。
最后,在参考文献部分,我们如果有相关文献可供参考时会列出。
1.3 目的通过撰写这篇长文,我们旨在全面了解39uf 电解电容规格书的含义并提供相关信息。
同时,希望读者能够加深对于电解电容原理、39uf 电解他湎炉萃规格说明、特点以及应用领域的理解。
通过阅读本文,读者将能够更好地掌握39uf 电解电容的背景知识,并对其在实际应用中的作用有一个全面的认识。
2. 正文:2.1 电解电容的定义和原理电解电容是一种特殊类型的电容器,它由两个带有液态或凝胶态电介质的导体板组成。
其中一个导体板被称为阳极,另一个被称为阴极。
在正常工作状态下,两个导体板之间会存在一层薄膜,该薄膜起到隔离和储存电荷的作用。
当外部直流电压被施加到电解电容上时,当前通过这个电容器会使得阴极板上形成负电荷,而阳极板则形成等量的正电荷。
此时,在液态或凝胶态电介质中会发生一系列的氧化还原反应,并产生一些离子。
这些离子在极板之间移动并且与储存在薄膜上的离子进行重新结合。
这种移动和重新结合过程导致了充放电循环,并允许存储能量。
2.2 39uf 电解电容规格说明39uf 代表着这个特定型号的电解电容器具有39微法(uf)的额定容量。
额定容量是指在标准条件下,该电解电容器可以存储和释放的最大电荷量。
39uf 电解电容规格书规格书编号:DC-2022-001日期:2022年10月1日1. 引言本规格书旨在描述39uf电解电容器的主要规格和性能指标,以供客户参考和选择使用。
在阅读本规格书前,请确保您对39uf电解电容器的基本知识有一定了解。
2. 产品描述2.1 产品名称:39uf 电解电容器2.2 产品型号:C39UF20222.3 产品封装:铝电解电容器(电解质为铝酸盐)2.4 产品外形尺寸:直径14mm,高度25mm2.5 产品工作温度范围:-40℃至+105℃2.6 产品电压额定值:50V2.7 产品容量:39微法(±20%容差)3. 性能指标3.1 直流电阻(ESR):不超过10欧姆3.2 漏电流:不超过0.02CV或3毫安(取较大值)3.3 最大涟漪电流:30毫安有效值3.4 寿命:5000小时(温度为105℃,涟漪电流为最大涟漪电流时)3.5 极性:正极带标记,负极为未标记一端3.6 绝缘电阻:1000兆欧姆或者RC×C(μF),以较小值为准(其中RC为产品额定电压)4. 安装与使用建议4.1 安装电解电容器时,请确保极性正确。
否则,可能会导致电容器损坏或电路故障。
4.2 在使用39uf电解电容器时,请尽量避免超过额定电压和温度范围,以延长产品使用寿命。
4.3 当电容器长时间未使用时,请断开其电源并将其储存于低温、低湿度环境中,以保持其性能和寿命。
5. 产品认证与标准5.1 本产品符合国际电工委员会(IEC)的IEC 60384-1标准要求。
5.2 此外,本产品还通过了ISO 9001质量管理体系认证。
6. 包装与交货6.1 39uf电解电容器将被包装在防静电袋中,以防止静电对产品造成损害。
6.2 产品交货将按照双方协商的时间和地点进行。
7. 售后服务7.1 对于质量问题,请在收到产品后的7个工作日内与我们联系,我们将提供免费的维修或更换服务。
7.2 对于非质量问题的退货和更换,需按照公司规定的退换货流程进行。
黑金刚电解电容规格书
黑金刚电解电容规格书
一、产品介绍
黑金刚电解电容是一种高品质的电容器,采用先进的电解液法制造而成。
它具有电容值大、电容稳定性好、寿命长等优良特点,并广泛应用于各种电子设备中,如电视机、音响、电脑、通讯器材等。
二、产品规格
1.电容值:100uF-10000uF
2.额定电压:16V-450V
3.工作温度:-40℃-105℃
4.容差:±20%
5.漏电流:在额定电压下0.02CV或3mA(较小值)
三、性能特点
1.高质量的电解液,能够有效地提高电容器的性能和稳定性;
2.采用均流电解技术,能够提高电容器的工作稳定性和功率密度;
3.优良的温度特性,能够适应各种严峻的应用环境;
4.长达2000小时以上的寿命,能够保证电容器的持久稳定;
5.符合ROHS环保标准。
四、适用范围
黑金刚电解电容广泛应用于电视机、音响、电脑、通讯器材、汽车电子、能源和照明等领域,是各种电子设备中不可缺少的元器件之一。
五、注意事项
1.板上电解容,用工具不要直接碰触电解液,避免损坏电容器;
2.在使用过程中,避免电容器受到过大的电压冲击,以免影响其使用寿命;
3.由于电容器内部具有一定的自放电特性,所以不要将电容器与高阻抗的电路直接连接,以免影响电路性能;
4.存放电容器时,应选择清洁、干燥的环境,并避免阳光直射,保存期间应定期进行电压维护。
以上是黑金刚电解电容规格书的详细介绍。
我们相信,采用黑金刚电解电容,能够为您提供良好的电路性能,保证电子设备的长期可靠运行。
Nichicon电解电容规格书1. 引言随着电子产品的普及和发展,电解电容成为了重要的电子元件之一。
Nichicon(日本尼吉康)作为一家知名的电容制造商,提供了各种规格的电解电容产品,以满足不同应用的需求。
本规格书将详细介绍Nichicon电解电容的特性、规格和应用。
2. Nichicon电解电容的特性Nichicon电解电容具有以下特性:•高容量密度:Nichicon电解电容具有较高的电容密度,能在相对较小的体积内提供较大的电容值。
•低ESR:ESR(Equivalent Series Resistance)是电容器内部的等效串联电阻。
Nichicon电解电容具有低ESR,能提供更好的电流传输和更低的功耗。
•长寿命:Nichicon电解电容采用高品质的电解液和电极材料,具有较长的使用寿命。
•高温度耐受性:Nichicon电解电容能够在高温环境下正常工作,适用于各种应用场景。
3. Nichicon电解电容的规格Nichicon电解电容的规格包括以下几个方面:3.1 容量(Capacitance)Nichicon电解电容的容量范围从几微法(uF)到数千微法(mF),以满足不同应用的需求。
3.2 电压(Voltage)Nichicon电解电容的额定电压范围从几伏特(V)到几百伏特(V),以适用于不同电路的工作电压要求。
3.3 尺寸(Size)Nichicon电解电容的尺寸根据容量和电压的不同而有所变化,常见的尺寸有直径(Diameter)、高度(Height)和引脚间距(Lead Spacing)等。
3.4 极性(Polarity)Nichicon电解电容是极性元件,必须正确连接极性引脚,以免损坏电容器或引起电路故障。
3.5 工作温度(Operating Temperature)Nichicon电解电容的工作温度范围通常为-40°C至+105°C,一些特殊型号的电容器甚至能够在更高的温度下正常工作。
WIDE TEMPERATURE Operating with wide temperature range -55 ~ +105°C 適用於 -55 ~ +105°C 的寬溫範圍 Load life of 1000~2000 hours 負荷壽命2000小時Comply with the RoHS directive 符合RoHS 指令SPECIFICATIONS 特性表Items 項目Characteristics 主要特性Operation Temperature Range 使用温度範圍-40 ~ +105°C Voltage Range 額定工作電壓範圍 4 ~ 100V Capacitance Range 靜電容量範圍 0.1 ~ 6800μF Capacitance Tolerance 靜電容量允許偏差±10% at 120Hz, 20°CLeakage Current 漏電流Leakage current (∅4~∅10) 0.01CV or 3μA, whichever is greater (after 2 minutes application of rated voltage)≦ Leakage current (∅12.5~∅16) ≦0.03CV or 4μA, whichever is greater (after 1 minute application of rated voltage) 漏電流 (∅4~∅10) ≦0.01CV 或3μA ,取較大值(施加額定工作電壓2分鐘後) 漏電流 (∅12.5~∅16) ≦0.03CV 或4μA ,取較大值(施加額定工作電壓1分鐘後) Measurement frequency 測試頻率: 120Hz, Temperature 温度: 20°CRated Voltage (V) 額定工作電壓 4 6.3 10 16 25 35 50 63 100 ∅4~∅10 0.35 0.26 0.20 0.16 0.14 0.12 0.12 0.12 0.12tan δ (max.) 最大損耗角正切∅12.5~∅160.42 0.38 0.34 0.30 0.26 0.22 0.18 0.14 0.12Dissipation Factor (tan δ) 損耗角正切Measurement frequency 測試頻率: 120HzRated Voltage (V) 額定工作電壓4 6.3 10 16 25 35 50~63100Z(-25°C) / Z(20°C)7 4 3 2 2 2 2 3 ∅4~∅10Z(-40°C) / Z(20°C)15 8 6 4 4 3 3 4 Z(-25°C) / Z(20°C)7 5 4 3 2 2 2 2 Impedance Ratio 阻抗比ZT/Z20 (max.) ∅12.5~∅16Z(-40°C) / Z(20°C)17 12 10 8 5 4 33Stability at Low Temperature 低溫特性After 2000 hrs. (1000 hrs. for ∅4~∅6.3×5.4) application of the rated voltage at 105°C, they meet the characteristics listed below. 在105°C 環境中施加額定工作電壓2000小時(∅4~∅6.3×5.4為2000小時)後,電容器的特性符合下表的要求。
DONGGUAN CHANGJING ELECTRONICS CO.,LTD铝电解电容器规格承认书表1:承认项目Type DimensionsTABLE1 RATING&CHARACTERISTIC.CONTENTS 产品系列表SERIESCase size Ø D*L (mm), RippleCURRENT [Ma rms] at 105℃ 120Hz NOTE:以上所提供的设计及特性参数谨供参考作用,任何修改不作预先通知.如果在使用上有疑问,请在采购前与我们联络, 以便提供技术上的协助!LEAD FREE TYPE REFLOW SOLDERING CONDITION无 铅 焊 料 产 品 的 回 流 焊 条 件● Recommended Conditions for Reflow Soldering 无铅焊料产品遵循的回流焊条件 (1) Preheat shall be made at 100℃~200℃ and for maximum 180 seconds. 100℃~200℃的预热时间不得超过180秒钟。
(2) Period that temperature at top of capacitor becomes more than 200℃and 230℃shall notexceed t and t1 seconds, respectively.电容器顶部温度高于200℃和230℃的时间,分别不得超过t 和t1所限定的时间。
(3) Temperature at top of capacitor shall not exceed T(℃).在回流焊接时,电容器顶部的最高温度不得超过T (℃)所限定的温度。
● Temperature/Time profile 回流焊温度与时间曲线图● Allowable Range of Peak Temperature 不同壳号的焊接温度及时间● Recommended Land Size 各种壳号的安装尺寸(m m)T e m p e r a t u r e a t C a p a c i t o r s t o p (℃)Peak temperatureTime (second)Preheat 180sec Maxt sec Maxt1 sec MaxALUMINUM ELECTROLYTIC CAPACITORS'LIFE关于铝电解电容器的寿命The life of non-solid aluminum electrolytic capacitors is mainly dependent on environmental conditions (e.g. ambient temperature, humidity etc.) and electrical factors(e.g. operating voltage, ripple current etc.).Generally, the wear-out mechanism of non-solid aluminum electrolytic capacitors is based on evaporation of electrolyte through the rubber seal. Consequently, the factor of temperature (ambient temperature and internal heating due to ripple current) is the most critical to electrolytic capacitor life. The effect of voltage on capacitor life is negligible, especially for low voltage electrolytic capacitors. The lifetime of non-solid aluminum electrolytic capacitors can be expressed as following equations:非固体铝电解电容器的寿命主要依赖于使用环境条件(如环境温度,湿度等)和电负荷情况(如工作电压,纹波电流等)。
DIP电解电容规格书DONGGUAN CHANGJING ELECTRONICS CO.,LTD铝电解电容器规格承认书表2:额定值与特性TABLE1 RATING&CHARACTERISTIC.CONTENTS 产品系列表SERIESCase size ? D*L (mm), RippleCURRENT [Ma rms] at 105℃120Hz NOTE:以上所提供的设计及特性参数谨供参考作用,任何修改不作预先通知.如果在使用上有疑问,请在采购前与我们联络, 以便提供技术上的协助!LEAD FREE TYPE REFLOW SOLDERING CONDITION无铅焊料产品的回流焊条件● Recommended Conditions for Reflow Soldering 无铅焊料产品遵循的回流焊条件(1)Preheat shall be made at 100℃~200℃ and for maxim um 180 seconds. 100℃~200℃的预热时间不得超过180秒钟。
(2) Period that temperature at top of capacitor becomesmore than 200℃and 230℃shall notexceed t and t1 seconds, respectively.电容器顶部温度高于200℃和230℃的时间,分别不得超过t 和t1所限定的时间。
(3)Temperature at top of capacitor shall not exceed T(℃).在回流焊接时,电容器顶部的最高温度不得超过T (℃)所限定的温度。
● Temperature/Time profile 回流焊温度与时间曲线图● Allowable Range of Peak Temperature 不同壳号的焊接温度及时间● Recommended Land Size 各种壳号的安装尺寸(m m)T e m p e r a t u r e a t C a p a c i t o r s t o p (℃)Peak temperatureTime (second)Preheat 180sec Maxt sec Maxt1 sec MaxALUMINUM ELECTROLYTIC CAPACITORS'LIFE关于铝电解电容器的寿命The life of non-solid aluminum electrolytic capacitors is mainly dependent on environmental conditions (e.g. ambient temperature, humidity etc.) and electrical factors(e.g. operating voltage, ripple current etc.).Generally, the wear-out mechanism of non-solid aluminum electrolytic capacitors is based on evaporation of electrolyte through the rubber seal. Consequently, the factor of temperature (ambient temperature and internal heating due to ripple current) is the most critical to electrolytic capacitor life. The effect of voltage on capacitor life is negligible, especially for low voltage electrolytic capacitors. The lifetime of non-solid aluminum electrolytic capacitors can be expressed as following equations:非固体铝电解电容器的寿命主要依赖于使用环境条件(如环境温度,湿度等)和电负荷情况(如工作电压,纹波电流等)。