附表2预拌砼配合比胶凝材料用量偏差情况
- 格式:doc
- 大小:13.02 KB
- 文档页数:1
预拌商品混凝土质量标准一、前言预拌商品混凝土是一种在混凝土搅拌站生产的混凝土,其生产过程中混合物的配合比、原材料的选择和配比、生产过程的控制和质量检测等环节都受到严格的监控和管理,以保证混凝土的质量稳定性和强度等性能指标的达到。
因此,预拌商品混凝土的质量标准应该是具有权威性和可行性的,以确保混凝土在使用过程中的安全性、耐久性和经济性等方面的满足。
二、适用范围本标准适用于生产和使用预拌商品混凝土的企事业单位和个人,包括混凝土生产厂、建筑施工单位等。
三、术语和定义1. 预拌商品混凝土:在混凝土搅拌站生产的标准化混凝土,按照规定的配合比、生产工艺和质量检测标准生产。
2. 配合比:混凝土中各种原材料的种类、用量和配比的比例关系。
3. 原材料:混凝土中所使用的水泥、骨料、砂、掺合料、水等。
4. 水胶比:混凝土中水与水泥质量之比。
5. 抗压强度:混凝土试块在规定的养护条件下经过规定时间后,能够承受的最大压应力。
四、质量要求1. 配合比1.1 配合比应根据设计要求、原材料性能和生产工艺等因素确定,合理选用原材料,保证混凝土的强度、耐久性和稳定性等性能指标的达到。
1.2 配合比中水胶比应符合设计要求,不得超过0.55,特殊情况下可根据实际情况进行调整。
水泥用量应符合设计要求,不得低于最小用量。
1.3 配合比中骨料应符合要求,石子应符合《建筑材料石子规范》(GB/T14685)的规定,砂应符合《建筑材料砂规范》(GB/T14684)的规定。
1.4 配合比中掺合料应符合要求,如氧化钙、氧化铝、氧化镁、水泥、粉煤灰、矿渣粉、膨胀剂等。
2. 原材料2.1 水泥应符合《普通硅酸盐水泥》(GB175-2007)的规定,应具有良好的品质和稳定性。
2.2 骨料应符合《建筑材料石子规范》(GB/T14685)的规定,应具有良好的物理性能和化学性质,不得有腐蚀、碎裂、软化等现象。
2.3 砂应符合《建筑材料砂规范》(GB/T14684)的规定,应具有良好的水洗性、粒度分布和化学稳定性等。
预拌混凝土试验人员考试试题一、填空题(共25题每空0.5分,48×0.5=24分)(1)混凝土配合比中胶凝材料用量是指每立方米混凝土中水泥和活性矿物掺合料之和。
(2)依据JGJ55-2011掺外加剂时,每立方米流动性或大流动性混凝土用水量m w0的计算公式:m w0=m/w0(1-β)。
(3)在混凝土配合比的试配中,若粗骨料最大公称粒径为31.5mm,每盘混凝土拌合物最小搅拌量应为 20L ,同时还应满足搅拌机公称容量的相关要求。
(4)普通混凝土力学性能试验中,试件各边长、直径和高的尺寸公差不得超过0.1mm 。
(5)在进行混凝土抗压强度试验时,当混凝土强度等级C40时,加荷速度取每秒钟0.5MPa~0.8MPa。
(6)GB/T17671-1999标准规定,水泥胶砂试块抗折及抗压试验的加荷速度分别(50±10) N/s和(2400±200)N/s 。
(7)某水泥3天强度的成型时间为7月3日10时,则其脱模时间应为:7月4日10时±15min;3天强度的破型时间为:7月6日10时±45min。
(8)混凝土拌合物性能试验的取样应具有代表性,宜采用多次取样的方法,从第一次取样到最后一次取样不宜超过 15min ;从取样完毕到开始做各项性能试验不宜超过 5min 。
(9)普通混凝土拌合物性能试验,坍落度与坍落扩展度法适用于坍落度不小于10mm 的混凝土拌合物稠度测定。
对于特干硬性混凝土一般采用维勃稠度法。
(10)混凝土拌合物初凝和终凝时间分别定义为贯入阻力等于3.5MPa 和28MPa 时的时间。
(11) 混凝土标准养护室内的试件应放在支架上,彼此间隔 10mm~20mm ,试件表面应保持湿润,并不得直接淋水。
(12)水泥胶砂强度检验,每锅胶砂的材料数量为:水泥 (450±2) 克,标准砂(1350±5) 克,水 (225±1) 克。
混凝土(原材料及配合比)检验批质量验收记录表(Ⅰ)说明主控项目1.水泥进场时,必须按批对其品种、级别、包装或散装仓号、出厂日期等进行验收,并对其强度、凝结时间、安定性进行试验,其质量必须符合现行国家标准《硅酸盐水泥、普通硅酸盐水泥》(GB175)等的规定。
当在使用中对水泥质量有怀疑或水泥出厂日期超过3个月(快硬硅酸盐水泥逾一个月)时,必须再次进行强度试验,并按试验结果使用。
钢筋混凝土结构严禁使用含氯化物的水泥。
当使用具有潜在碱活性骨料时,应要求厂方提供水泥中碱含量值,并选用碱含量符合要求的水泥。
耐腐蚀混凝土应对所用的水泥的矿物成分进行分析。
检验数量:同生产厂家、同等级、同品种、同批号且连续进场的水泥,散装水泥每500 t为一批,袋装水泥每200 t为一批,当不足上述数量时,也按一批计,施工单位每批抽样不少于一次。
耐腐蚀混凝土所用的水泥的矿物成分开工前检查一次。
监理单位平行检验或见证取样检测,抽检次数为施工单位抽检次数的10%或20%,但至少一次。
检验方法:施工单位检查产品合格证、出厂检验报告并进行强度、凝结时间、安定性试验。
监理单位检查全部产品合格证、出厂检验报告、进场试验报告并进行平行检验或见证取样检测。
2.拌制混凝土所用的细骨料,应按批进行检验,其颗粒级配、细度模数和坚固性指标应符合国家现行标准《普通混凝土用砂质量标准及检验方法》(JGJ52)的规定,含泥量、泥块含量应符合铁道部现行《铁路混凝土与砌体工程施工质量验收标准》(TB10424)附录B的规定。
抗渗混凝土宜采用中砂,其含泥量不应大于2%。
检验数量:同一产地、同一品种、同一规格且连续进场的细骨料,每400 m3或600 t为一批,不足400 m3或600 t也按一批计。
施工单位每批抽检一次。
监理单位见证取样检测次数为施工单位抽检次数的20%,但至少一次。
检验方法:施工单位观察、试验。
监理单位检查进场试验报告并进行见证取样检测。
3.拌制混凝土所用的粗骨料,应按批进行检验,其颗粒级配、压碎指标值、针片状颗粒含量应符合现行铁道行业标准《铁路混凝土与砌体工程施工质量验收标准》(TB10424)附录C的规定。
关于印发《内蒙古自治区预拌混凝土技术管理规定》的通知[作者:内蒙古自治区建设工程安全质量监督总站][来源:内蒙古自治区建设工程安全质量监督总站].............................................................................................................................................内蒙古自治区住房和城乡建设厅内建工[2010]197号关于印发《内蒙古自治区预拌混凝土技术管理规定》通知各盟市建委(建设局):现将《内蒙古自治区预拌混凝土技术管理规定》印发给你们,请认真贯彻执行,并将实施过程中的建议和问题及时反馈。
附:《内蒙古自治区预拌混凝土技术管理规定》二〇一〇年五月十二日内蒙古自治区预拌混凝土技术管理规定第一章总则第一条为了规范预拌混凝土技术管理及技术资料管理,提高预拌混凝土质量管理水平,确保建筑工程质量。
根据国家和自治区有关法规、规范、标准,结合自治区实际,制定本规定。
第二条本规定适用于内蒙古自治区行政区域内用于房屋建筑和市政基础设施工程生产与使用预拌混凝土技术管理及技术资料管理的归档整理工作。
生产与使用预拌混凝土的相关单位均应执行本规定。
第三条预拌混凝土企业对预拌混凝土技术资料的收集整理,应当与生产和施工进度同步进行,预拌混凝土技术资料不符合要求的,不得进行预拌混凝土的生产和使用。
第二章管理与职责第四条预拌混凝土技术管理及技术资料的形成应当符合国家相关法律、法规、标准、规范、合同和设计文件等规定。
第五条预拌混凝土生产企业及使用预拌混凝土的相关单位,应当将预拌混凝土技术管理及技术资料的收集和整理纳入预拌混凝土生产和使用的各个环节以及有关人员的职责范围。
第六条预拌混凝土生产企业应当建立档案室,设专人管理档案,对预拌混凝土生产准备、生产过程、交付使用各阶段形成的文件、资料进行收集、整理和立卷归档。
说明一、本“砼及砂浆配合比表”是根据《全国统一建筑工程基础定额》及国家颁的有关砼、砂浆配合比的规范、规程、标准进行编制的。
二、本“配合比表”中普通砼的名称划分为:半干硬性砼(塌落度为10—30mm);低塑性砼(塌落度为30—50mm);塑性砼(塌落度为50—70mm);稀砼(塌落度为70—90mm)。
防水砼按抗渗标号划分;道路砼按抗折强度划分。
三、本配合比表中砼的粗骨料按碎石、砾石分别编制,料径分为:5—10mm、5—20mm、5—40mm 和5—60mm四种规格。
四、本配合比表中的细骨料按中砂料径:0.36~0.42mm,细砂料径:0.26~0.36mm,特细砂粒径:0.15~0.26mm标准划分。
五、本配合比表中的砂按干燥状态下的净砂考虑。
六、配合比材料用量,均以凝固后的密实体积计算,配制损耗已计入材料用量中,不另计算。
七、配合比基价内未包括人工、机械和用水等费用,其制作人工、机械和用水已包括在各分部子目中,不另计算。
八、配合比表中采用的主要材料容重:(见下页)配合比中主要材料容重表单位:kg/m3瓜米石又称豆石,是一种体积很小的碎石子,一般用于地面、屋面,是建筑材料。
粒度大小跟绿豆相似,有些地方称之为石末. 在水泥工艺中可作水泥的混合材使用。
同时,是喷护混凝土的主要骨料之一绿豆砂是直径3mm左右的碎石。
用的最多的地方是沥清类防水层和坡道面层。
用于防水层的做法是炒热后均匀撒在防水层上然后压入防水层内,可以有效防止防水层热涨冷缩造成开裂。
用于坡道也是面层,起防滑做用。
碎石是由天然岩石(或卵石)经破碎、筛分而得,碎石多棱角,表面粗糙,与水泥黏结较好,拌制的混凝土拌合物流动性差,但混凝土硬化后强度较高。
砾石是风化岩石经水流长期搬运而成的粒径为2~60mm的无棱角的天然粒料石屑是轧制并筛分碎石所得的粒径为2~10mm的粒料。
石屑又称人工砂,表面比砂粗糙,有尖锐棱角,且含有较多的粒径小于0.16 mm的石粉.屑中含有大颗粒,也含有粉粒,这种级配拌合物的强度较高,与水泥的粘结性好。
预拌混凝土配合比一览表
1. C15混凝土配合比,水泥,砂,骨料=1:2:4,用于一些较小的非承重构件,如地面、台阶等。
2. C20混凝土配合比,水泥,砂,骨料=1:1.5:3,适用于较小的基础、地板、边坡保护砌体等。
3. C25混凝土配合比,水泥,砂,骨料=1:1:2,适用于房屋地板、较小的梁、柱等。
4. C30混凝土配合比,水泥,砂,骨料=1:0.8:1.6,适用于较大跨度的梁、柱、楼板等。
5. C35混凝土配合比,水泥,砂,骨料=1:0.7:1.5,适用于大型工业厂房、大桥、大型水利工程等。
6. C40混凝土配合比,水泥,砂,骨料=1:0.6:1.4,适用于大型水利水电工程、大型混凝土结构等。
需要注意的是,上述配合比仅供参考,实际施工中应根据工程
设计要求、材料特性、施工环境等因素进行调整。
同时,施工过程中还需要严格控制水灰比、搅拌时间、搅拌速度等因素,以保证混凝土的质量和性能。
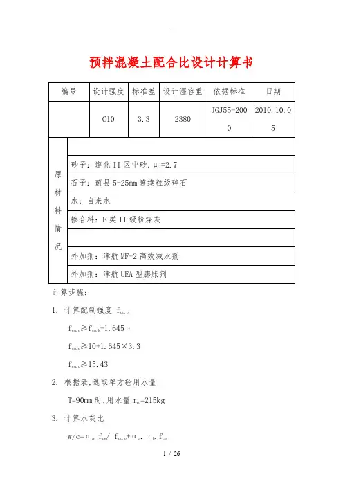
预拌混凝土配合比设计计算书计算步骤:1. 计算配制强度 f cu.of cu.o≥f cu.k+1.645σf cu.o≥10+1.645×3.3f cu.o≥15.432. 根据表,选取单方砼用水量T=90mm时,用水量m wo=215kg3. 计算水灰比w/c=αa.f ce/ f cu.o+αa.αb.f ce=0.46×48.00/15.43+0.46×0.07×48.00=22.08/16.98=1.304. 计算单方砼水泥用量m co=m wo/<w/c>=215/1.30=165kg5. 根据表,选取砂率βs=47%6. 计算单方砼中粗、细骨料用量m co+m go+m so+m wo=2380βs= m so/< m so+ m go>=47%得:m so=940m go=10607. 根据以上计算结果得出基准配合比m co=165 m so=940 m go=1060m wo=2158. 根据基准配合比将水灰比上下调整0.05,砂率上下调整1%上调水灰比为1.35,上调砂率为48%下调水灰比为1.25,下调砂率为46%9. 重复以上4—6步得出上下调整砼配合比上调配合比:m c上=159m s上=962m g上=1044m w上=215下调配合比:m c下=172m s下=917m g下=1076 m w下=21510. 经试配,选择以1.30为基准配合比水灰比。
11. 以试配结果为基础,试配坍落度为90mm,用水量为215kg/m3,因设计坍落度为180mm,以坍落度每增加20mm,增加5kg水为依据,需增加〔180-90×5/20=22kg水,其用水量为205+25=237kg。
12. MF-2高效减水剂的掺量为2.3%,减水率为20%,掺入后其用水量为237×〔1-20%=190。
13. 保持水灰比为1.3不变,计算单方砼水泥用量。
《防水防渗漏工艺标准二十条》知识测试试卷1. 1. 根据外飘板止水节点要求,外跳板找坡坡度不小于。
() * [单选题] *A、12%B、15%(正确答案)C、18%D、21%2. 2. 根据管线穿反坎防水工艺要求,管线需提前定位,反坎浇筑前做好定位措施,以下不正确的做法有: () * [单选题] *A、从反坎顶部穿设B、给水管从反坎中部穿设C、结构板预留凹槽,给水管从反坎底部凹槽穿设D、给水管、燃气管等从门槛穿设(正确答案)3. 3.厨卫间、阳台等反坎施工,下列做法正确的是:() * [单选题] *A、支模完成后直接浇筑。
B、反坎底部先进行凿毛,凿除浮浆露出粗骨料,再支模浇筑。
C、反坎底部和侧墙结合面先涂刷一层基层处理剂,再支模浇筑。
D、反坎底部和侧墙结合面先进行凿毛,凿除浮浆露出粗骨料,再支模浇筑。
(正确答案)4. 4. 砌体顶砌顶部预留左右空隙,用配套预制混凝土三角块块斜顶配合实心砖砌筑,在度斜顶砌筑时逐块敲紧,与框架梁底挤实,填满砂浆。
() * [单选题] *A、200mm、45-60度(正确答案)B、250mm、45-60度C、200mm、60-75度D、250mm、60-75度5. 6. 填充墙一次性砌筑高度不应大于,顶砌应在下部砌体施工完成后再进行,防止产生沉降裂缝。
() * [单选题] *A、1500mm、7天B、1500mm、14天(正确答案)C、1800mm、7天D、1800mm、14天6. 7. 外墙孔洞封堵,洞口尺寸(50mm≤孔洞尺寸≤100mm)时,可用参照对拉螺杆封堵做法分次堵塞:() * [单选题] *A、混合水泥砂浆B、干硬性水泥砂浆(添加防水剂及膨胀剂)(正确答案)C、细石混凝土D、石膏水泥砂浆7. 8. 砌体工程中,马牙槎凹凸尺寸不宜小于60mm,高度不应超过,马牙槎应,对称砌筑。
( ) * [单选题] *A、300mm 先退后进(正确答案)B、500mm 先进后退C、600mm 先进后退D、800mm 先退后进8. 9. 防水混凝土的配合比应经试验确定,应符合:混凝土胶凝材料总量不宜小于320kg/m³,其中水泥用量不宜少于260kg/m³,预拌混凝土入泵坍落度宜控制在,坍落度总损失不宜大于40mm。
混凝土原材料及配合比检验质量标准和检验方法注:1、将所取样品充分混合后通过0.9mm方孔筛,均分为试验样和封存样,封存样加封条,密封保管3个月。
2、安定性:体积安定性不良主要是指水泥硬化和产生不均匀的体积变化。
一般是由于熟料中所含的游离氧化钙、游离氧化镁、或掺入的石膏过多。
3、不合格品和废品:凡氧化镁、三氧化硫、初凝时间、安定性中任一项不符合标准规定时,均为废品;凡细度、终凝时间中的任一项不符合标准规定或混合材料掺加量超过最大限和强度低于商品强度等级的指标时为不合格品。
水泥包装标志中水泥品种、强度等级、生产者名称和出厂编号不全的也属于不合格品。
4、混凝土的取样:每100盘,且不超过100m3的同配合比的混凝土,取样次数不得少于一次;每一工作班拌制的同配合比的混凝土不足100盘时,其取样次数不得少于一次;一次浇筑1000m3以上同配合比的混凝土,每200m3取样次数不得少于一次;每层楼或每工作台班浇筑浇筑同配合比的混凝土时,其取样次数不得少于一次。
混凝土抽样在浇筑地点随机抽取。
混凝土施工工程质量检验标准及检验方法现浇混凝土结构外观质量和尺寸偏差检验标准及检测方法现浇结构外观质量缺陷注:用于检查结构构件混凝土强度的试件,应在混凝土的浇筑地点随机取样,取样与留置应符合下列规定:①每拌制100盘且不超过100m3的同配合比混凝土,取样不得少于一次。
②每工作班拌制的同一配合比混凝土不足100盘时,取样不得少于一次。
③每一次浇筑超过1000m3时,同一配合比的混凝土每200m3取样不得少于一次。
④每一楼层、同配合比的混凝土,取样不得少于一次。
⑤每次取样至少留置一组标准养护试件,同条件养护试件的留置组数应根据实际需要确定。
预应力原材料质量检验标准和检查方法预应力筋制作与安装工程质量检验标准和检测方法预应力张拉、放张、灌浆及封锚工程质量检验标准与检查方法。
日前,我国预拌(商品)混凝土的发展较快,正加速淘汰现场搅拌混凝土,商品混凝土又不同于现场搅拌的普通混凝土,其配合比的设计理念必须更新,对商品混凝土的技术要求和施工要求都不同于现场搅拌的混凝土,通过实践,提出对预拌(商品)混凝土配合比的设计和调整作以简述,供同行参考。
1 商品混凝土胶凝材料的确定商品混凝土分为泵送、罐送、溜槽或吊斗施工,大多为泵送施工,泵送混凝土有其特殊性,首先,必须保证混凝土的“四性”,即和易性、粘聚性、保水性和施工工作性。
要求商品混凝土必须掺人掺合料,才能符合上述要求,这就有个胶凝材料总量的要求,通过反复试验和生产实践,认为不同的混凝土强度等级,应有不同的胶凝材料总量要求,胶凝材料总量应有个最佳值。
在保证混凝土强度的情况下,应据不同的季节(气温)来调整胶凝材料中的水泥用量. 如夏季的水泥用量应为最低(掺合料最高);冬期水泥用量为最肩(掺合料最低或不掺)春秋季节,水泥用量应为适中。
1 胶凝材料总量最佳值可参考表1。
表1为复掺技术,即掺II级粉煤灰和S75级磨细矿渣粉,如果粉煤灰和磨细矿渣粉级别每提高l个等级,可在上述基础上分别提高10%以上的复掺量。
据施工季节气温的高低,表l掺合料的掺量亦可有干5%左右的调整幅度,即夏季比春秋季、比冬期掺量逐步增多,单掺比复掺的要降低5%左右的掺量,冬期平均掺量一般为15%左右,夏季为45%左右。
单掺粉煤灰一般在20%~30 %,单掺磨细矿渣粉一般在30 %~40 %,复掺在40%~60%左右,超细矿渣粉可达60%以上。
2 商品混凝土生产时一般都要掺人掺合料,以改善预拌(商品)混凝土的各种性能,掺人粉煤灰的同时,再掺入磨细矿渣粉或其他掺合料,称为复掺技术,应用时,可产生单一掺合料不能有的叠加或超叠加作用,发挥两种掺合料的更大优势,在强度上有互补作用,产生1+l=3的技术经济效果,这一论点已从生产实践中证明,应大力推广之。
;3 通过反复试验和生产实践得出结果,水泥胶凝材料随不同因素的变化要随时进行调整,可参考表2对胶凝材料进行调整。
目 次1范围 (1)2规范性引用文件 (1)3术语和定义 (2)4使用环境 (2)5原材料及配比 (3)6质量要求 (5)7制备 (7)8试验方法 (9)9试验规则 (10)10订货与交货 (12)地下建筑用预拌混凝土本文件规定了地下建筑用预拌混凝土的术语和定义,使用环境,原材料及配合比,质量要求,制备,试验方法,试验规则,订货与交货1范围。
本文件适用于搅拌站(楼)生产的地下建筑用预拌混凝土。
本文件不包括交货后的混凝土的浇筑、振捣和养护。
2规范性引用文件下列文件中的内容通过文中的规范性引用而构成本文件必不可少的条款。
其中,注日期的引用文件,仅该日期对应的版本适用于本文件;不注日期的引用文件,其最新版本(包括所有的修改单)适用于本文件。
GB 175通用硅酸盐水泥GB/T 1596用于水泥和混凝土中的粉煤灰GB 8076混凝土外加剂GB/T 9142建筑施工机械与设备混凝土搅拌机GB/T 10171建筑施工机械与设备混凝土搅拌站(楼)GB/T 13693道路硅酸盐水泥GB/T 14902预拌混凝土GB/T 18046用于水泥、砂浆混凝土中的粒化高炉矿渣粉GB/T 18736高强高性能混凝土用矿物外加剂GB/T 20491用于水泥和混凝土中的钢渣粉GB/T 23439混凝土膨胀剂GB/T 50080普通混凝土拌合物性能试验方法标准GB/T 50081混凝土物理学性能试验方法标准GB/T 50082普通混凝土长期性能和耐久性能试验方法标准GB/T 50107混凝土强度检验评定标准GB 50108地下工程防水技术规范GB 50119混凝土外加剂应用技术规范GB 50164—2011混凝土质量控制标准GB 50204混凝土结构工程施工质量验收规范GB 50208—2011地下防水工程质量验收规范HJ/T 412环境标志产品技术要求预拌混凝土JC 475混凝土防冻剂JG/T 317混凝土用粒化电炉磷渣粉JG/T 351水泥砂浆和混凝土用天然火山灰质材料JG/T 5094混凝土搅拌运输车JGJ 52普通混凝土用砂、石质量及检验方法标准JGJ 53普通混凝土用碎石或卵石质量标准及检验方法JGJ 55普通混凝土配合比设计规程JGJ63混凝土用水标准JGJ/T193混凝土耐久性检验评定标准JGJ/T221纤维混凝土应用技术规程3术语和定义GB/T14902、GB50108界定的术语和定义适用于本文件。