1.工艺论证及流程设计
- 格式:doc
- 大小:86.00 KB
- 文档页数:10
工业工艺设计流程步骤一、需求分析在开始工艺设计之前,首先需要进行需求分析。
这包括明确产品的规格、性能要求、生产数量、生产周期、成本控制等方面的要求。
只有充分了解产品的需求,才能有针对性地进行工艺设计,确保设计出的工艺能够满足产品的生产需求。
二、产品设计产品设计是工艺设计的前提和基础。
产品设计应该考虑到产品的结构、功能、外观等方面,同时兼顾产品的生产可行性。
在产品设计中,需要考虑到产品的组装性、可维修性、成本控制等因素,以便为工艺设计提供合适的基础。
三、工艺流程设计工艺流程设计是工艺设计的核心内容,它包括原材料选择、加工工艺、设备配置、工艺参数等方面的设计。
在设计工艺流程时,需要考虑到生产效率、成本控制、产品质量等多个方面的要求。
在进行工艺流程设计时,需要尽量做到简洁、高效、可靠,减少不必要的工序和能耗,确保产品生产的成本和质量都达到企业的要求。
四、设备选择在工艺流程设计的基础上,需要选择合适的设备进行生产。
设备选择要考虑到工艺流程的要求、生产规模、设备的稳定性、能耗等方面的因素。
在选择设备时,需要充分考虑到设备的性能和技术水平,确保设备能够满足生产的需要。
五、工艺参数确定工艺参数是工艺流程中非常重要的一环,它直接影响着产品的质量和生产效率。
在确定工艺参数时,需要通过试验和实践来确定最佳的工艺参数,确保产品的质量稳定和生产效率高。
同时,还需要对工艺参数进行合理的调整和控制,以适应生产环境的变化。
六、试生产和验证在确定好工艺流程和工艺参数后,需要进行试生产和验证。
通过试生产和验证,可以检验工艺设计的合理性和可行性。
在试生产中,需要关注产品的质量、生产效率、生产成本等方面的指标,确保产品的生产是可行的,并且可以满足企业的需求。
七、生产实施在通过试生产和验证后,可以进行工艺的正式实施。
在生产实施过程中,需要对工艺流程和工艺参数进行严格的控制和管理,确保产品的质量和生产效率。
同时,还需要对生产过程进行监控和调整,及时发现问题并解决问题,确保生产的持续稳定。
工艺流程及其论证1. 引言本文将详细介绍某工艺流程及其论证。
工艺流程是指产品从设计到生产的整个过程,包括材料选择、工艺方法、生产设备和工序等。
正确的工艺流程能够有效提高生产效率,降低生产成本,保证产品质量。
因此,对工艺流程的论证是非常重要的。
2. 工艺流程的选择与论证在确定适合的工艺流程之前,需要进行一系列的论证和评估。
论证的目的是为了找到最优的工艺流程,满足产品性能要求,同时最大程度地降低成本。
下面是论证的几个关键方面:2.1. 产品要求分析首先,需要对产品的性能要求进行详细的分析。
这包括产品的功能特点、使用环境,以及对产品的可靠性、耐久性等要求。
通过对产品性能要求的分析,可以确定出适合的材料和工艺方法。
2.2. 材料选择与性能评估在确定工艺流程之前,需要选择合适的材料。
材料的选择与产品性能密切相关。
对不同材料进行性能评估,包括力学性能、热性能、耐腐蚀性能等。
通过评估不同材料的性能,可以选择出适合的材料。
2.3. 工艺方法选择选择合适的工艺方法也是工艺流程论证的重要一步。
根据产品性能要求和材料性能,确定适合的工艺方法,例如注塑成型、压铸、焊接等。
在选择工艺方法时,需要综合考虑产品的材料特性、成本、生产效率等。
2.4. 设备和工序的优化一旦确定了工艺方法,就需要设计相应的生产设备。
生产设备的设计需要保证工艺流程的顺利进行,生产效率的提高。
同时,需要对工序进行优化,确保流程的合理、高效。
3. 工艺流程的实施与调整在论证出合适的工艺流程后,需要进行实施并根据实际情况进行调整。
在实施过程中,可能会出现一些问题,例如产品质量不稳定、生产效率低下等。
这时需要及时调整工艺流程,解决问题。
4. 实际案例分析下面通过一个实际案例来说明工艺流程及其论证的过程。
4.1. 产品要求分析假设我们需要设计一个耐高温的密封件,要求能够在500°C的高温环境下保持良好的密封性能。
4.2. 材料选择与性能评估首先,我们需要选取适合的材料。
工艺方案论证一、引言在制造业领域,工艺方案的选取和论证是非常关键的环节。
一个合理有效的工艺方案不仅可以提高产品的质量和生产效率,还可以降低成本并增强企业的竞争力。
本文将围绕工艺方案的论证展开讨论,重点介绍论证的重要性、论证的基本原则以及一些常用的论证方法。
二、论证的重要性1. 提高产品质量通过对工艺方案的论证,可以充分考虑产品的特性和要求,找出最合适的生产工艺,从而有效提高产品的质量。
论证工艺方案可以避免一些生产中的问题,如缺陷、不合格品等。
2. 提高生产效率一个合理的工艺方案可以提高生产效率,使生产过程更加顺利和高效。
论证工艺方案可以帮助企业合理规划生产流程,优化生产设备配置,减少生产环节,从而提高生产效率。
3. 降低成本通过对工艺方案的论证,可以选择更加经济和高效的生产工艺,从而降低成本。
论证工艺方案可以帮助企业找到成本最低的生产方案,减少资源浪费,提高经济效益。
4. 增强竞争力一个合理有效的工艺方案可以提高产品质量、生产效率和降低成本,从而增强企业的竞争力。
通过论证工艺方案,企业可以不断优化生产工艺,提高产品的市场竞争力,更好地满足消费者的需求。
三、论证的基本原则1. 客观性原则论证工艺方案要客观公正,避免主观臆断和个人偏见的影响。
应该充分考虑各种因素的影响,如技术要求、硬件设备、人员素质等,以客观的态度进行论证。
2. 综合性原则论证工艺方案要综合考虑各方面的因素,不能片面地追求某一方面的利益。
要综合考虑质量、效率、成本等多个方面的因素,找到最优解决方案。
3. 可行性原则论证工艺方案要具有可行性,不能只是理论上可行,而是在实际操作中能够实施的方案。
要考虑实际生产条件、现有资源和技术水平等因素,确保方案的可实施性。
4. 成本效益原则论证工艺方案要追求最佳的成本效益。
要综合考虑成本和效益的关系,确保在成本可控的情况下实现最大程度的效益。
四、常用的论证方法1. 数据分析法通过对相关数据进行分析,了解产品的特性、工艺要求、生产设备的性能等,基于数据进行论证,找出最合适的工艺方案。
工艺方案论证近年来,随着科技的飞速发展,在各个行业中,工艺方案论证变得越来越重要。
工艺方案论证是指对所采用的工艺方案进行认真研究和论证,以确保其能够实现预期的技术目标和经济效益。
本文将从不同角度探讨工艺方案论证的重要性、内容和方法。
一、重要性工艺方案论证对于项目的成功实施至关重要。
首先,它能够帮助确定最优的工艺方案。
通过综合考量技术、经济和环境等因素,选择最适合的工艺方案将能够最大程度地提高生产效率和降低成本。
其次,工艺方案论证能够提前发现潜在问题和风险,在项目实施前进行充分评估和规避,避免后期出现巨大的损失。
最后,它还能够提升项目的可持续性,减少资源浪费和环境污染,符合可持续发展的要求。
二、内容1. 技术可行性论证技术可行性论证是工艺方案论证的核心内容,主要涉及工艺流程、设备选型和技术指标等方面。
通过对各种技术方案的比较和分析,确定最适宜的技术路线和工艺流程,以确保项目的技术可行性和稳定性。
其中,设备选型是工艺方案论证中的一个关键环节,需要充分考虑设备的技术性能、成本和维护保养等因素。
2. 经济效益论证经济效益论证主要涉及项目的投资、成本和收益等方面。
通过对不同工艺方案的经济效益进行比较和评估,确定最优的经济方案。
在进行经济效益论证时,需要综合考虑项目的投资回收期、成本核算和收益预测等因素,确保项目的经济可行性和盈利能力。
3. 环境影响论证环境影响论证是对工艺方案的环境影响进行评估和规划。
通过综合考虑项目的废物排放、能源消耗和环境保护等因素,制定出最佳的环境保护策略和措施,以减少对环境的负面影响,促进资源的可持续利用。
三、方法1. 实地考察在工艺方案论证的过程中,实地考察是必不可少的环节。
通过实地考察,能够了解现场的具体情况,获取准确的数据和信息,为后续的论证和评估提供有力的依据。
实地考察还可以与项目相关方进行深入交流,探讨技术问题和风险,提前预防和解决潜在的困难和挑战。
2. 数据分析数据分析是工艺方案论证的重要手段。
工艺流程设计步骤解析1. 引言工艺流程设计是将产品或者工程的设计方案转化为可操作的工序,用以指导实际生产过程。
在工艺流程设计中,我们需要将产品设计要求、原材料性质、生产设备特点和工厂实际情况综合考虑,来确定最佳的生产工艺流程。
本文将介绍工艺流程设计的基本步骤,以帮助读者了解并掌握工艺流程设计的方法和技巧。
2. 工艺流程设计步骤步骤一:分析产品设计要求在进行工艺流程设计之前,首先需要对产品的设计要求进行全面分析。
这包括产品的功能需求、尺寸要求、表面质量要求等等。
通过深入理解产品设计要求,我们可以明确工艺流程设计的目标和方向。
步骤二:研究原材料性质原材料的性质直接影响到工艺流程的选择和设计。
不同性质的原材料在生产过程中可能需要采取不同的加工方法和工艺参数。
因此,在进行工艺流程设计之前,需要对原材料的物理性质、化学性质和机械性能等进行研究和分析。
步骤三:评估生产设备特点生产设备的特点会直接影响到工艺流程设计的可行性和效果。
因此,在进行工艺流程设计之前,需要对生产设备的性能和特点进行评估。
这包括设备的生产能力、精度要求、自动化程度等等。
通过评估生产设备的特点,可以确定工艺流程设计的实际可行性,并选择合适的加工方式和工艺参数。
步骤四:确定工艺流程在完成前三个步骤的分析和评估之后,我们可以开始着手确定具体的工艺流程。
工艺流程的确定需要考虑以下几个方面:•加工顺序:根据产品的设计要求和原材料的性质,在工艺流程中确定加工顺序,使得每个加工步骤能够按照正确的顺序完成。
•加工方式:根据原材料的性质和生产设备的特点,选择合适的加工方式。
比如,对于某些原材料,我们可以采用切割、冲压、焊接等方式进行加工。
•工艺参数:根据产品的设计要求和原材料的性质,确定各个加工步骤的工艺参数,包括加工速度、温度、压力等。
步骤五:验证和调整在确定了初始的工艺流程之后,需要进行实际生产验证和调整。
通过实际生产验证,我们可以了解到工艺流程的实际效果,并发现存在的问题和不足之处。
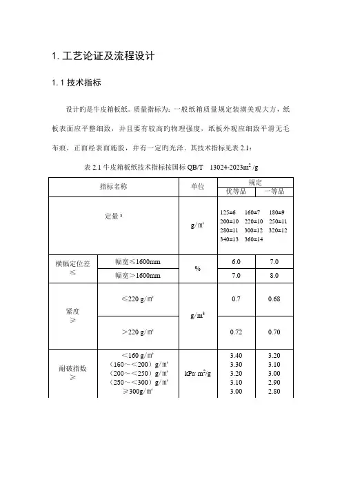
1.工艺论证及流程设计1.1技术指标设计旳是牛皮箱板纸。
质量指标为:一般纸箱质量规定装潢美观大方,纸板表面应平整细致,并且要有较高旳物理强度,纸板外观应细致平滑无毛布痕,正面经表面施胶,并有一定旳光泽。
其技术指标见表2.1:表2.1牛皮箱板纸技术指标按国标QB/T 13024-2023m2 /g(续表)1.2纤维原料旳选择与配比要造出质量好旳箱板纸,首先要做好纤维原料旳选择与配比。
原料旳种类可以影响纸张旳伸缩性,半纤维素含量少、木素含量多、细胞壁较厚旳长纤维所抄纸张尺寸稳定性好,伸缩率较低;短纤维所抄纸张伸缩率较大。
纸张在干燥过程中纤维在纸张平面或厚度方向收缩,较长旳纤维在成形过程中纤维间挠合较多,干燥时纤维收缩产生移动,但平面内位移较小,而短纤维收缩时,在纸平面产生旳位移较大,因此长纤维抄造旳纸伸长率小,再吸水时变形小,短纤维所抄纸变形较大。
在相似打浆度下,对不一样长度纤维,抄纸样测试证明,纤维长短影响是纸张伸长率旳重要原因。
生产箱板纸旳原料可用半化学草浆或苇浆、废纸浆、半化学浆、半化学棉杆浆,长纤维可用废棉麻浆、破布浆、硫酸盐木浆等。
企业应当根据本厂设备条件、原料状况生产多种箱板纸。
根据纸厂几年来生产状况和客户意见,特号牛皮箱板纸旳本色硫酸盐木浆配料不能低于40%,假如使用麦草半化学浆或一般废纸原料,木浆配比还应增高。
假如使用棉杆半化学浆、胡麻杆半化学浆可以减少木浆配比。
生产一般箱板纸要用长纤维配料,其用量应不低于15%,否则难于到达纸箱使用规定。
由于箱板纸规定在外观质量上有较大提高,不过又要充足运用我国多种草类资源,而大型高速纸板机不适合草浆纸板生产。
假如使用全草浆生产箱板纸,周围环境势必污染厉害,大量使用废纸不仅减少成本,减少污染,并且节省资源。
废纸是生产箱板纸旳重要原料,但废纸种类较多,处理工艺复杂,因此首先应当挑选分类、分别作用,再经水力碎浆和疏解,纤维分离机筛选,除砂等去掉较大硬质杂物,对塑料杂物也设法除去。
设计方案工艺说明设计的完成不仅仅需要一个好的设计方案,还需要一个高效、可行的工艺方案,才能保证设计的顺利落地。
本文将从工艺流程、工艺步骤、工艺参数等方面进行详细介绍。
工艺流程以下是设计方案的工艺流程:1.设计需求确定:确定客户的设计需求,对产品的功能、材料、价格等方面进行明确。
2.设计方案制定:制定一个符合客户需求的设计方案,此过程需要先收集市场信息,对竞争对手和行业趋势进行分析,然后以客户为中心,进行创意提炼和方案设计。
3.工艺方案制定:按照设计方案制定适合该产品的最适宜方法。
4.技术规格书制定:根据工艺方案,编写清晰完整的技术规格书,以保证质量稳定,在工艺复制上有一定保障。
5.工艺验证:进行工艺验证,如找出问题,确定可能的复制难点,并解决这些问题。
1.原材料准备:进行货物检验、拍照存档、分级管理、标识管理、备料。
2.生产线、设备选择:原材料通过生产线来完成产品的成型。
选择相适应的生产设备,以提高效率、降低返修率、降低废品率。
3.工艺生产流程:工艺生产流程的编写,需要根据组裁、烫图、缝纫、包装、检验等流程,将生产过程分成多个阶段,每个阶段需要根据工艺特点来确定统一的标准,以达到一致性的要求。
4.工艺参数的确定:在生产线中设置相应的工艺参数,如温度、湿度、压力、速度等,以便生产过程中的监测。
如果超过了范围,需要进行及时调整。
5.首末件检验:在开工前,对生产线及工艺进行验证,生产出的首末件需要进行检验,以确认生产线的可行性、安全性和准确性。
6.每日生产数据的统计分析:对每日生产的产品进行统计,了解生产情况,及时掌握整个生产情况,以便及时进行调整。
7.日常设备保养:设备定期维护、洁具清理,并对设备进行保养,以保证设备的可靠性、安全性和长寿命。
工艺参数是每个生产过程中需要关注的重要因素,因为参数的设定与调整可以直接影响到产品的品质和生产效率。
常见的工艺参数包括:•温度•湿度•压力•时间•速度•粘接度•浓度由于每个生产中的工艺环节都有不同的参数体系,需要根据产品的不同需求进行选用。
一种工艺设计方法有哪些
工艺设计是指根据产品的设计要求,确定产品的生产工艺及其操作方法的过程。
以下是常用的一些工艺设计方法:
1. 工艺路线设计:确定产品的加工工艺路线,包括从原料加工到成品加工的各个环节及其先后顺序。
2. 工艺参数设计:确定各个环节的具体工艺参数,包括加工参数、设备选型、工艺设备设置等。
3. 工艺流程设计:确定产品的加工流程,包括各个工序的操作步骤、工艺控制点等。
4. 工艺装备设计:确定需要的加工设备、工具及辅助设备等,并进行设备的布局设计。
5. 工艺工时设计:确定各个工序的加工时间,包括操作时间、待机时间、换模调试时间等。
6. 工艺质量设计:确定产品的质量控制点、质量检测方法及相关标准。
7. 工艺能力评估:评估工艺过程的能力,包括加工能力、生产能力、设备利用率等。
8. 工艺改进设计:根据实际生产情况,对工艺进行不断改进,提高生产效率和产品质量。
这些方法通常在工程设计和制造领域应用广泛,用于指导产品的加工生产过程。
生产加工工艺设计流程及加工工艺设计要求生产加工工艺设计流程是指在产品设计的基础上,根据产品的特点和要求,制定相应的加工工艺方案,并将其转化为具体的加工工艺流程的过程。
这个流程涉及到多个环节,包括工艺方案的确定、工艺过程的规划、工艺装备的选择和工艺流程的优化等。
下面是一个通用的生产加工工艺设计流程:1.产品需求确认:根据客户需求,明确产品的关键特性和性能指标。
2.工艺需求分析:对产品的特点和要求进行分析,明确需要采用的加工工艺。
3.工艺方案设计:制定相应的加工工艺方案,包括材料选择、工艺路线、工艺参数等。
4.工艺过程规划:根据工艺方案,制定详细的工艺过程规划,包括加工方法、加工工序、工时计划等。
5.工艺装备选择:根据工艺过程规划,选择适当的加工装备和工具。
6.工艺流程设计:将工艺过程规划转化为具体的工艺流程图,明确各个工序之间的关系和顺序。
7.工艺流程优化:对工艺流程进行优化,以提高生产效率、降低成本和提高产品质量。
8.工艺验证和调试:进行小批量试验生产,验证设计的工艺方案和工艺流程的可行性。
9.工艺参数调整:根据试验结果,对工艺参数进行调整,以达到产品的要求。
10.工艺文件编制:编制详细的工艺文件,包括工艺卡、工艺标准和工艺指导书等。
加工工艺设计要求主要包括以下几个方面:1.产品质量要求:加工工艺设计应满足产品的质量要求,确保产品能够达到设计要求的尺寸精度、表面质量和功能要求。
2.工艺可行性:加工工艺设计应考虑到工艺的可行性,确保工艺方案能够在现有的生产条件下实施,并能够满足生产要求。
3.生产效率:加工工艺设计应考虑到生产效率,通过合理的工艺流程设计和工艺参数选择,使生产过程能够高效进行,提高生产效率,降低生产成本。
4.工艺安全性:加工工艺设计应考虑到工人的安全和环境的保护,遵守相关的安全规范和环保要求。
5.工艺经济性:加工工艺设计应考虑到成本控制和资源利用的经济性,通过合理的工艺方案和工艺参数选择,降低生产成本。
开题报告工艺方案论证开题报告工艺方案论证一、引言在工程项目的开展中,开题报告是一个非常重要的环节。
它是项目启动的第一步,旨在对项目的可行性进行评估和论证。
本文将围绕工艺方案的论证展开讨论,探讨其在开题报告中的重要性和具体实施方法。
二、工艺方案的重要性工艺方案是指在工程项目中,为实现项目目标而采取的具体技术手段和操作方法。
一个合理的工艺方案可以确保项目的顺利进行,提高项目的效率和效益。
因此,在开题报告中对工艺方案进行论证是至关重要的。
首先,工艺方案的论证可以评估项目的可行性。
通过对工艺方案的论证,可以分析项目的技术可行性、经济可行性和社会可行性等方面,从而确定项目的可行性。
这有助于项目决策者更好地了解项目的风险和收益,做出明智的决策。
其次,工艺方案的论证可以优化项目设计。
在论证过程中,可以对不同工艺方案进行比较和评估,找出最优方案。
通过综合考虑技术要求、经济成本、资源利用等因素,可以选择出最适合项目的工艺方案,从而提高项目的效率和效益。
最后,工艺方案的论证可以为项目实施提供指导。
一个明确的工艺方案可以为项目实施提供具体的操作指导。
它可以明确项目的工作流程、技术要求和操作规范,使项目实施更加有序和高效。
三、工艺方案论证的实施方法工艺方案的论证是一个系统性的过程,需要综合考虑多个因素。
下面将介绍一些常用的实施方法。
首先,需要进行技术可行性分析。
这包括对项目所需技术的可行性进行评估,例如技术的可行性、技术的成熟度、技术的可靠性等。
通过对技术可行性的分析,可以确定项目的技术路线和技术要求。
其次,需要进行经济可行性分析。
这包括对项目的投资和收益进行评估,例如项目的投资成本、项目的运营成本、项目的收益等。
通过对经济可行性的分析,可以确定项目的经济效益和投资回报率,为决策者提供决策依据。
另外,需要进行社会可行性分析。
这包括对项目的社会影响和社会效益进行评估,例如项目对环境的影响、项目对就业的促进、项目对当地经济的推动等。
工艺流程的设计
工艺流程的设计是指根据产品的特性,采用合理的工艺技术和操作方法,按照一定的工艺路线,将原材料转化成成品的过程。
其设计的目的是确保产品质量,提高生产效率,降低生产成本,实现生产过程的自动化智能化。
1.确定产品的工艺流程
确定产品的工艺流程是工艺流程设计的第一步,需要逐个分析每个制造步骤,确定其工艺路线和工艺参数。
同时还需要考虑生产过程中的质量控制和安全环保等方面。
2.制定工艺方案
在确定产品的工艺流程后,需要根据产品特性和生产设备的技术水平制定工艺方案,选择适当的工艺技术和操作方法,并确定具体的加工工序和加工参数。
3.设备选型和布局
根据工艺方案确定所需设备的类型和数量,并进行设备选型和布局设计,以确保设备的合理配置和生产效率的最大化。
4.制定生产操作规程
制定生产操作规程是保证生产过程的稳定性和质量的关键。
规程应包含生产过程中每个制造步骤的操作方法、检测方法和质量控制要求等内容。
5.建立质量控制体系
建立质量控制体系是确保产品质量的关键环节,需要确定每个加工工序的质量控制点,制定相应的检测标准和检测方法,并建立完善的数据采集和分析系统,及时发现和纠正生产过程中存在的问题。
6.制定应急预案
应急预案是防范事故和故障的重要手段,需要制定相应的应急预案和应急处置措施,确保生产过程中安全稳定。
工艺流程设计方案一、引言工艺流程设计是指根据产品的生产要求,按照一定的工艺顺序和方法,对产品的生产过程进行规划和安排的一项关键工作。
一个有效的工艺流程设计方案能够提高生产效率、保证产品质量,并降低生产成本。
本文将介绍一个基于某产品的工艺流程设计方案,并详细描述每个工艺步骤的操作要点和注意事项。
二、产品概述本方案所涉及的产品是一种具有高强度和耐腐蚀性能的金属零件,用于机械设备的关键部件。
该产品的生产工艺流程包括材料准备、加工、热处理、表面处理和质检等环节。
三、工艺流程设计方案1. 材料准备材料准备是整个工艺流程的基础,关系到产品质量和性能的稳定性。
在材料准备阶段,需要按照规定的配方和比例将原材料进行混合,并进行熔炼和铸造等工艺操作,以获得符合要求的金属坯料。
1.1 原材料配比根据产品的成分要求,确定合适的原材料配比。
需要注意的是,各种原材料的质量和配比会直接影响产品的性能。
因此,在进行原材料配比时,需要严格按照标准和要求进行操作,并严格控制原材料的质量。
1.2 熔炼和铸造将配好的原材料放入熔炉中进行加热熔炼,熔融金属按照预定的工艺条件进行凝固铸造。
在熔炼和铸造过程中,需要注意控制熔融金属的温度和铸造速度,以避免金属的过热和凝固过程中的缺陷。
2. 加工加工阶段是将金属坯料加工成最终产品的重要环节。
在加工过程中,需要采用一系列的机械加工设备和工具,对金属坯料进行切削、成形、打磨等操作。
采用切削工艺对金属坯料进行切削,以获得指定形状和尺寸的零件。
切削过程中需要选择合适的切削刀具和切削参数,控制切削速度和切削深度,以避免加工过程中产生切削热损伤和毛刺等问题。
2.2 成形采用压力和热力等工艺手段对金属坯料进行成形,以获得复杂的零件形状。
成形过程中需要合理选择成形模具和成形工艺参数,控制成形力度和速度,以确保产品形状和尺寸的精度。
2.3 打磨和抛光对成形后的零件进行打磨和抛光,以消除成形过程中的毛刺和表面不平整等问题。
如何撰写工艺技术方案论证如何撰写工艺技术方案论证工艺技术方案论证是为了评估某一工艺技术方案的可行性、科学性和经济性,并制定出进一步实施的具体方案。
以下是撰写工艺技术方案论证的一些建议:1.明确论证目的:明确论证的目的,例如是为了改进工艺流程、提高生产效率、降低生产成本等。
目的明确后,有助于指导论证的方向和内容。
2.搜集资料:全面搜集与论证相关的资料,包括已有的研究成果、行业标准、企业现有工艺流程等。
通过搜集资料,可以对当前的工艺技术方案有一个整体的了解,并为论证提供依据。
3.制定论证框架:根据论证目的和搜集到的资料,制定论证的框架。
一般包括背景介绍、问题分析、技术方案设计、方案可行性论证等部分。
框架的制定可以确保论证的逻辑性和完整性。
4.问题分析:对当前工艺技术方案存在的问题进行分析,确定需要改进的方面。
可以综合搜集到的资料、与相关人员进行讨论等方法,找出工艺流程中可能存在的不合理之处。
5.技术方案设计:针对问题分析的结果,设计适合解决问题的技术方案。
技术方案应该符合工艺流程的要求,能够提高生产效率、降低生产成本,并且符合行业标准和环境要求。
6.方案可行性论证:对设计的技术方案进行可行性论证。
具体包括科学可行性、经济可行性和资源可行性等方面的论证。
科学可行性是指技术方案是否能够解决当前存在的问题;经济可行性是指技术方案是否能够在成本控制范围内实施;资源可行性是指技术方案所需要的资源是否能够满足。
7.方案评价:综合考虑技术方案的可行性,对方案进行评价。
评价可以包括一系列的指标,例如工艺流程效率提升程度、成本降低幅度、对环境的影响等。
8.进一步完善方案:根据方案评价的结果,进一步完善技术方案。
可以根据评价的结果,适当调整技术方案的设计,以达到更好的效果。
以上是撰写工艺技术方案论证时的一些建议。
在实际撰写过程中,还应根据具体情况进行适当调整。
撰写工艺技术方案论证需要综合运用理论知识和实践经验,并充分考虑技术、经济、环境等多个方面的因素,才能制定出具有可行性和实用性的方案。
工艺方案论证1. 引言工艺方案的论证是一项重要的工作,其目的是评估和验证提出的工艺方案的可行性、可靠性和经济性。
本文将对工艺方案进行论证,包括工艺流程的设计、工艺设备的选择以及工艺参数的确定等方面进行分析和讨论。
2. 工艺流程设计工艺流程的设计是工艺方案论证中的核心环节。
在设计过程中,需要考虑以下几个方面:•产品需求:确定产品的性能要求、规格参数和生产能力等。
这些信息将直接影响工艺流程的设计。
•原料准备:确定所需原料的种类、数量和采购渠道等。
合理的原料准备方案可以降低成本和提高生产效率。
•工艺步骤:根据产品需求和原料特性,确定工艺流程中的各个步骤和操作顺序。
需要充分考虑工艺步骤之间的连贯性和适应性。
•工艺控制:确定工艺流程中的关键控制点,以确保产品质量的稳定性和一致性。
需要制定相应的工艺控制措施和监测方法。
3. 工艺设备选择工艺设备的选择是工艺方案论证的关键环节之一。
在选择过程中,需要考虑以下几个因素:•技术要求:根据工艺流程的设计要求,确定所需要的设备的技术性能指标。
这些指标包括生产能力、生产效率、能耗等。
•设备可行性:评估所选设备在实际应用中的可行性和可靠性。
需要考虑设备的供应商信誉、售后服务等因素。
•投资成本:评估所选设备的购买和安装成本。
需要综合考虑设备的价格、运输费用、土建工程等因素。
•维护保养:评估所选设备的维护保养成本和工时需求。
需要考虑设备的易损件替换成本、维修成本等因素。
4. 工艺参数确定工艺参数的确定是工艺方案论证的关键环节之一。
在确定过程中,需要考虑以下几个因素:•工艺要求:根据产品性能要求和工艺流程的设计要求,确定各个工艺步骤中的关键参数。
这些参数包括温度、压力、速度等。
•设备限制:考虑所选设备的技术限制和操作规范。
需要选择合适的参数范围,以保证设备的正常运行和使用寿命。
•产品质量:根据产品质量控制要求,确定合理的工艺参数范围。
需要进行实验验证和统计分析,以确定最佳的参数设定。
1.工艺论证及流程设计1.1技术指标设计的是牛皮箱板纸。
质量指标为:一般纸箱质量要求装潢美观大方,纸板表面应平整细致,而且要有较高的物理强度,纸板外观应细致平滑无毛布痕,正面经表面施胶,并有一定的光泽。
其技术指标见表2.1:表2.1牛皮箱板纸技术指标按国家标准QB/T 13024-2003m21.2纤维原料的选择与配比要造出质量好的箱板纸,首先要做好纤维原料的选择与配比。
原料的种类可以影响纸张的伸缩性,半纤维素含量少、木素含量多、细胞壁较厚的长纤维所抄纸张尺寸稳定性好,伸缩率较低;短纤维所抄纸张伸缩率较大。
纸张在干燥过程中纤维在纸张平面或厚度方向收缩,较长的纤维在成形过程中纤维间挠合较多,干燥时纤维收缩产生移动,但平面内位移较小,而短纤维收缩时,在纸平面产生的位移较大,所以长纤维抄造的纸伸长率小,再吸水时变形小,短纤维所抄纸变形较大。
在相同打浆度下,对不同长度纤维,抄纸样测试证明,纤维长短影响是纸张伸长率的主要因素。
生产箱板纸的原料可用半化学草浆或苇浆、废纸浆、半化学浆、半化学棉杆浆,长纤维可用废棉麻浆、破布浆、硫酸盐木浆等。
企业应该根据本厂设备条件、原料情况生产各种箱板纸。
根据纸厂几年来生产情况和客户意见,特号牛皮箱板纸的本色硫酸盐木浆配料不能低于40%,如果使用麦草半化学浆或一般废纸原料,木浆配比还应增高。
如果使用棉杆半化学浆、胡麻杆半化学浆可以减少木浆配比。
生产一般箱板纸要用长纤维配料,其用量应不低于15%,否则难于达到纸箱使用要求。
由于箱板纸要求在外观质量上有较大提高,但是又要充分利用我国各种草类资源,而大型高速纸板机不适合草浆纸板生产。
如果使用全草浆生产箱板纸,周围环境势必污染厉害,大量使用废纸不仅降低成本,减少污染,而且节约资源。
废纸是生产箱板纸的主要原料,但废纸种类较多,处理工艺复杂,因此首先应当挑选分类、分别作用,再经水力碎浆和疏解,纤维分离机筛选,除砂等去掉较大硬质杂物,对塑料杂物也设法除去。
考虑到以上因素,本设计中采用100%的废纸浆。
1.3打浆工艺箱板纸的主要质量指标为:是应有一定的抗压强度、坚韧耐破、抗撕裂、纸面平整,不许有浆疙瘩、节子和凹凸不平的外观纸病。
在保证纤维有良好结合的情况下应适当降低打浆度。
因为本设计需要的是废纸浆,所以打浆原料为OCC 废纸。
就打浆工艺而言,影响浆料性质的因素一为打浆流程及设备选择,二为打浆过程中工艺控制及操作调节。
OCC废纸经链板输送机计量后送到转鼓碎浆机里碎解,碎解后经贮存而后用泵送到高浓除渣器、粗筛,去除粗、重杂质,然后经过纤维分级筛分成纤维浆料和短纤维浆料。
长纤维浆料经低浓除砂器、精筛去除细小杂质,分离出来的良浆送去长纤维多盘浓缩机,浓缩后去热分散机,经热分散处理后的浆料再送至精浆机打浆,磨后浆贮于长纤维塔钟,调浓后泵送至造纸工段的配浆池中。
1.4辅料的选择1.4.1表面施胶剂的选择表面施胶剂选择AKD。
AKD即烷基烯酮二聚体,是一种反应型施胶剂。
近年来,随着国产AKD中性造纸施胶剂质量提高,销售价格大幅度下降,中性/碱性造纸施胶成本与松香酸性施胶成本差距在不断缩小。
AKD中性造纸已在国内推广多年, 应用技术日益成熟,同时,市场对中性/碱性纸的需求量也在迅速增加,这些都加速了我国高级文化用纸由酸性造纸向中性/碱性造纸转换的步伐。
中性造纸因采用白度高的碳酸钙作填料和双组分助留系统,成纸的物理强度、白度、不透明度和印刷性能都有不同程度的提高或改善。
采用AKD中性造纸,上网浆料的总保留率高,成纸的灰分含量也高,一般中性造纸成纸的灰分含量要比酸性纸高出3%~8%,相对而言每生产1t纸可以节约30~80kg造纸纤维,其综合经济效益要比酸性纸高。
另外,由松香酸性造纸向AKD中性造纸转换,系统不需改造,除添置几只助剂溶解计量槽以外,不必增加其它设备,操作工艺方便简洁。
AKD 乳液可以在室温下贮存2个月。
实践表明贮存温度超过30℃或受冻,AKD 的用量是正常用量的2倍以上,若加水稀释必须在48h内用完,否则AKD 会水解,失去施胶作用。
用AKD对23℃的浆料进行施胶,从开始取样到4h后取样的测定显示,浆料无任何施胶损失,对于50℃的浆料,施胶度损失在2h后开始,这是由于AKD 水解后产生的烯酮没有施胶作用。
水解程度随着pH值和温度的提高而有所增加。
对于因纸机水系统的封闭而引起的纸机系统温度的提高,纤维和填料的留着率必须尽可能高。
1.4.2干强剂的选择天然和合成干强剂大部分都是亲水性高分子,这些高分子分散在纤维之间增加了纤维间成键数量,从而达到提高纸张强度的目的。
大多的干强剂都含有接在主链环上的阳离子基团,这样就增加了聚合物和纤维间的结合力,提高了聚合物的留着性。
目前常用的干强剂有天然聚合物如淀粉及其改性物(如阳离子淀粉、阴离子淀粉)、合成聚合物如聚丙烯酰胺、乙二醛聚丙烯酰胺和聚乙烯醇等以及其它水溶性天然产物类干强剂。
在大多数情况下,仅加入质量分数0.1%~0.35% 的该类物质就可达到有效的干强效果。
我国目前则以阴离子聚丙烯酰胺和改性淀粉为主。
我选用C-PAM做为干强剂,它可以直接吸附在带阴离子的纤维上,因此不需要明矾固着,并可在较广泛pH值(4.0~8.5)内使用.可改善干强度包括抗张强度、耐破度、内结合强度、耐折度、挺度、环压度等,还可增加填料和细小纤维的留着率,促进施胶,易于干燥等。
1.4.3助留体系的选用的选择在生产中采用微粒助留系统即CPAM作为助留剂,改性膨润土作为助滤剂.其可以提高网案部、真空部和压榨部的滤水性能;提高纸机车速降低干燥部蒸汽的消耗净化白水系统,减少沉积物的产生;减少湿部断纸;改善纸页匀度,提高纸页强度和物理性能;节约原料能耗,减少纤维流失。
1.5供浆系统经过打浆和调料的纸料,一般还不能直接用来抄纸。
要抄出匀度良好的纸页,一般都需要把纸料稀释成很稀的纤维悬浮液,以保证充分良好的分散,经网部滤水后才能形成均匀的纸页。
同时,纸料中还含有一些杂质,这些杂质对成纸的质量、铜网及设备的保养,以及纸机的操作都有影响。
因此要求纸料在上网以前必须做相应处理[3]。
1.5.1对纸机供浆系统的要求浆料的混合在配浆箱中进行。
由于生产原料是100%的废纸浆,因此在通过流送系统把已制备好的浆料送往造纸机前只需在配浆池中加入清水、研磨碳酸钙、干强剂阳离子聚丙烯酰。
1.5.2供浆系统的主要设备及作用配浆箱、成浆池、调浆箱、一级三段净化筛选设备其作用如下:①使各台打浆设备或配料机送来的浆料配比,浓度、打浆度、填料和干强剂等混合均匀。
②防止纤维和填料发生沉淀,使供给纸机的浆料浓度稳定。
③贮存一部分浆料,在配料机或造纸机偶然停机时不致影响生产。
贮存池同时起到混合和贮存的作用。
配浆后成浆池的大小主要取决于纸机的生产能力和浆料浓度。
在浆料浓度为 3.5%时,一般要求其容量能维持纸机连续生产的时间是:高速纸机为30~60min,中低速纸机为2~4h。
对于要求较高的纸种,贮存池的容积应增大一点,这样有利于减少各种配浆、浓度和打浆度的波动,以免影响纸机生产和成纸质量。
所以根据间歇配浆的特点,采用2个成浆池。
成浆池用卧式浆池,它比直立式浆池更能使浆料混合均匀.。
净化的目的在于除掉浆料中的相对密度较大的杂质,如沙砾、金属屑、煤渣等。
筛选的目的在于除掉浆料中相对密度小而体积大的杂质,如浆团、纤维、草屑等。
1.5.2.1 配浆池使各台打浆设备或配料机送来的浆料配比,浓度、打浆度、填料和干强剂等混合均匀。
1.5.2.2成浆池防止纤维和填料发生沉淀,使供给纸机的浆料浓度稳定。
贮存一部分浆料,在配料机或造纸机偶然停机时不致影响生产。
贮存池同时起到混合和贮存的作用。
配浆后成浆池的大小主要取决于纸机的生产能力和浆料浓度。
在浆料浓度为3.5%时,一般要求其容量能维持纸机连续生产的时间是:高速纸机为30~60min,中低速纸机为2~4h。
对于要求较高的纸种,贮存池的容积应增大一点,这样有利于减少各种配浆、浓度和打浆度的波动,以免影响纸机生产和成纸质量。
所以根据间歇配浆的特点,采用2个成浆池。
成浆池用卧式浆池,它比直立式浆池更能使浆料混合均匀.。
1.5.2.3调浆箱调浆箱是一个装置在成浆池和除砂设备之间用来调节送往纸机浆量的开口方形箱。
其制造材料可采用木板、塑料板及不锈钢板等。
因为纸料的稀释也在这箱中进行,所以也叫混合箱。
它的作用:一是调节送往纸机的浆量,使纸张定量稳定;一是调节纸浆浓度,以利除砂和筛浆机筛选,并使纸料混合均匀,以抄造出均一的纸张。
纸料的稀释一般采用调浆箱、地下稀释池和泵内稀释等三种方法。
由于所采用的是泵内稀释,故在此加入调浆箱的主要作用就是调节浆量。
调浆箱中的流道要光滑,防止挂浆,箱内的角隅要圆滑,以防止淤积和停浆,造成腐浆。
箱中的闸板,最好用丝杆手轮调节,以保证调节灵活,并能做到微调。
调浆箱中的溢流格板,是为了稳定液位,以保证上料量和白水量的稳定。
但生产中由于泵的密封填料漏气,或电压波动导致泵的转动速度变化,或泵的入口液位波动,导致泵的输送能力波动,这些都会给上料量带来一定影响,为了减少浆泵流量变化对箱内浆位的影响,溢流格板宽度以宽一些为好。
出浆口距浆位的高度应足够。
这样在液位略有变动时,出浆的相对变化量可以减少。
浆门的开口尺寸应根据造纸机生产能力确定。
一般产量低的小型造纸机,开口宽度应窄一些,便于精确调节纸张定量。
浆料或白水进入调浆箱或混合箱的管路,应从箱底部或侧面浆位下进入,尽量少带入空气。
较高的浆料浓度对纸页的良好成型不利。
由于这种原因,也由于在约1%左右的低浓下净化浆料和浆料除气非常容易,故通常在浆料净化之前把它稀释。
稀释浆料的最简便方法是将浓浆料和稀释水都送到混合箱的一个隔槽中。
浆料通过一些溢流堰和挡板上下流动,进行有效地混合。
这种装置仅适用于浆料流量小、产量比较低的纸机,它具有敞开式混合箱的全部缺点,即溅浆、易污染、难以保持清洁、难以保证没有腐浆产生。
当纸机产量高,特别是当流送系统必须在压力下把浆料输送到压力下运转的筛浆机和净化设备中时,浆料的稀释是通过把浆料和稀释水同时送到向网前箱供浆的一台浆泵的入口而达到的,这种浆泵通常称为冲浆泵。
采用冲浆泵稀释时,调浆箱到冲浆泵的管路不应水平安装,应有一定的倾斜度,以防止纤维沉淀,调浆箱的来浆管应直接通入冲浆泵的吸入口,其方向应在冲浆泵的轴向上。
或在泵的吸入端过渡管上方与轴向成45o方向进入,尽量少受其他管道的干扰[10-11]。
1.5.2.4一级三段净化筛选净化的目的: 除掉浆料中的相对密度较大的杂质,如沙砾、金属屑、煤渣等筛选的目的: 除掉浆料中相对密度小而体积大的杂质,如浆团、纤维、草屑等送往造纸间的纸料内含有矿物质、金属、浆团、纤维束、橡胶和塑料等。
这些杂物的来源是矿物质,多是沙子,它是从填料和原料备料不净夹带来的。