10KV工厂供配电系统设计任务书
- 格式:doc
- 大小:47.50 KB
- 文档页数:2
«电气工程CAD大作业》报告机电与自动化学院系另1」:专业班级:电气自动化技术0901学生姓名:鲁学指导教师:陈强(课程设计时间:2011年6月20日——2011年6月25日)华中科技大学武昌分校目录1•设计的目的 (1)2 •设计任务 (1)3 •设计任务要求 (2)负荷计算及无功补偿 (2)3.1.1各部分的负荷计算 (2)3.1.2无功功率补偿 (5)变压器的选择 (5)导线与电缆的选择 (6)电气设备的选择 (10)4设计心得体会 (13)参考文献 (14)1. 设计目的•帮助我们熟悉小型工厂的配电系统的构架及建模方案。
•训练同学们对配电系统最基本的参数计算,并根据计算参数选择正确的的器件来完成配电的需要系统。
•利用CA绘图软件画出10kv工厂供配电系统设计,使我们更加熟悉CAD 的绘图,实现现10kV及以下低压供配电的CAD系统一体化设计,使其功能更趋完善,真正满足设计人员的需要,这项工作是很有实际意义的。
2. 设计任务机械厂的地理位置及负荷分布图XX机檢厂总卩而图比例2000机械厂的负荷统计表厂房编号厂房名称负荷类型设备容量(kw) 需要系数kx功率因数cos ©1铸造车间23002锻压车间33503热处理车间31504电镀车间32505仓库3206工具车间33607金工车间34008锅炉房2509装配车间318010机修车间316011生活区33503. 设计任务要求负荷计算及无功补偿3.1.1 各部分的负荷计算要进行低压供配电系统的设计,负荷的统计计算是其中的一项重要内容,负荷计算结果对选择供配电设备及安全经济运行均起决定性的作用。
负荷计算的目的是:①算变配电所内变压器的负荷电流及视在功率,作为选择变压器容量的依据。
②计算流过各主要电气设备(断路器、隔离开关、母线、熔断器等)的负荷电流,作为选择这些设备的依据。
③计算流过各条线路(电源进线、高低压配电线路等)的负荷电流,作为选择这些线路电缆或导线截面的依据。
工厂IokV配电系统设计方案(1)一、引言随着现代工业技术的飞速发展,工厂对于电力的需求日益增长。
为r 满足工厂的生产需求,并确保电力供应的稳定性和安全性,设计一套高效、可靠的IOkV配电系统显得尤为重要。
本方案将结合工厂的实际需求,对IOkV 配电系统进行详细规划和设计。
二、设计原则与目标1 .设计原则安全性:确保配电系统在设计、安装、运行和维护过程中均符合相关安全标准和规范,保障人员和设备的安全。
可靠性:采用高品质的电气设备,优化系统结构,确保电力供应的连续性和稳定性。
经济性:在满足安全性和可靠性的前提下,尽可能降低投资成本,提高系统的经济效益。
可扩展性:系统设计应具有一定的灵活性,便于未来的扩展和升级。
2 .设计目标为工厂提供稳定、可靠的电力供应,满足生产需求。
优化系统结构,降低能耗,提高能源利用效率。
提高系统的H动化水平,实现远程监控和故障诊断。
三、系统组成与设计L电源进线设计选用高压电缆作为进线电缆,确保电力传输的可靠性和稳定性。
根据工厂用电负荷和电压等级,合理确定进线电缆的截面和数量。
在进线处设置避雷器、隔离开关等保护设备,防止雷电冲击和过电压对系统的影响。
2 .高压开关柜设计选用金属封闭铠装移开式高压开关柜,具有良好的防护性能和操作便捷性。
在开关柜内设置真空断路器、电流互感器、电压互感器等设备,实现对电力系统的控制和保护。
根据工厂的用电需求和设备配置,合理确定开关柜的数量和布局。
3 .变压器设计选用干式变压器,具有防火、防爆、无污染等优点,适合工厂环境使用。
根据工厂的用电负荷和电压等级,合理选择变压器的容量和型号。
在变压器周围设置防火隔墙和散热设备,确保变压器的安全运行。
4 .低压配电系统设计选用低压抽屉式开关柜,具有模块化设计、易于扩展和维护等优点。
在低压配电系统中设置电动机保护器、漏电保护器等设备,实现对低压设备的保护和控制。
根据工厂的用电需求和设备配置,合理设计低压配电系统的结构和布局。
毕业设计任务书(10kV)一、任务背景及研究意义电力系统是现代化社会的基础设施,其稳定性和可靠性对社会经济的发展有着重要的影响。
在电力系统中,配电网的作用不可或缺,10kV配电网作为城市和交通领域的主要配电方式,其运行稳定性对城市和交通的正常运行有着至关重要的作用。
因此,对10kV配电网的稳定性和可靠性进行研究和优化,将有助于提高城市和交通的运行安全性和经济效益。
二、任务目标本毕业设计的主要目标是研究10kV配电网的稳定性和可靠性,并提出相应的优化方案,以保证城市和交通的正常运行。
具体任务包括:1.收集10kV配电网的基本信息和运行数据,分析现有问题及其原因。
2.对10kV配电网的运行负荷和电压稳定性进行建模和仿真分析,找出其模型的优缺点,并提出改进方案。
3.分析10kV配电网的短路故障问题及其对运行的影响,提出相应的预防和处置方案。
4.针对当前10kV配电网的运行问题,研究优化方案,包括合理配置配电设备、优化供电质量等方面。
5.根据研究结果,撰写毕业论文及相关报告,为10kV配电网的优化管理提供决策参考。
三、任务计划及要求1.任务周期:本毕业设计为期三个月,具体时间为2022年3月1日至2022年6月1日。
2.任务计划:- 第一周:收集资料、初步构思任务方案;- 第二周至第四周:研究10kV配电网的运行问题及其原因;- 第五周至第八周:建立10kV配电网的模型并进行仿真分析;- 第九周至第十二周:研究10kV配电网的优化方案;- 第十三周至第十四周:撰写毕业论文及相关报告。
3.要求:- 研究结果需要具有可读性、可操作性、可复制性;- 毕业论文需要有清晰的结论、明确的创新点、合理的数据分析;- 实验数据需有科学性和可靠性。
四、预期结果通过本次毕业设计,预计可以达到以下预期结果:- 对10kV配电网的优化方案进行研究与提出,可为城市和交通的正常运行提供决策支持;- 就10kV配电网的稳定性和可靠性进行探讨,为电力系统研究提供新的思路和方法;- 撰写毕业论文及相关报告,为自身专业素质提高奠定基础。
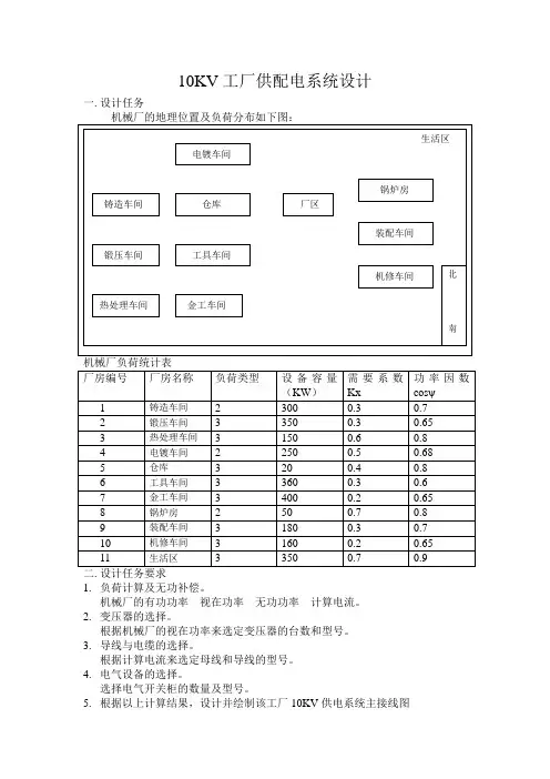
10KV工厂供配电系统设计
一.设计任务
1.负荷计算及无功补偿。
机械厂的有功功率视在功率无功功率计算电流。
2.变压器的选择。
根据机械厂的视在功率来选定变压器的台数和型号。
3.导线与电缆的选择。
根据计算电流来选定母线和导线的型号。
4.电气设备的选择。
选择电气开关柜的数量及型号。
5.根据以上计算结果,设计并绘制该工厂10KV供电系统主接线图
三、参考资料:
1.刘介才工厂供配电技术.机械工业出版社
2.苏文成工厂供电技术.机械工业出版社
四、电气CAD大作业报告
按照华中科技大学武昌分校的课程设计报告格式撰写,提交电子版和手写版两个版本。
某机械厂10KV供电系统设计1. 引言本文档旨在介绍某机械厂的10KV供电系统设计方案。
供电系统作为机械厂的重要设施之一,对机械设备的正常运行起着关键作用。
本文将详细描述10KV供电系统的设计,并提供相应的技术参数和方案。
2. 系统概述10KV供电系统是某机械厂的主要供电来源,它负责为各个区域的机械设备提供稳定的电力。
整个供电系统由输电线路、变电站和配电装置组成。
输电线路将电力从电源站输送到机械厂的变电站,而变电站通过变压器将高压电转换为适用于机械设备的低压电,最后配电装置将电能分配到各个区域的设备中。
3. 设计方案3.1 输电线路输电线路是10KV供电系统的起始部分,它负责将电能从电源站输送到机械厂的变电站。
设计中应考虑输电线路的输电距离、负荷容量和线路损耗等因素。
根据机械厂的实际情况,本设计方案选择了35mm²的铝合金导线作为输电线路的材料,并采用直线型布置方式,以最小化线路损耗。
3.2 变电站变电站是供电系统的重要组成部分,它负责将输送过来的10KV电能转换为适用于机械设备的低压电。
设计中应考虑变电站的容量、稳定性和可靠性等因素。
根据机械厂的负荷需求和发电能力,本设计方案选择了1台容量为500KV的变压器,并配置相应的开关设备和保护装置,以确保供电系统的正常运行。
3.3 配电装置配电装置是供电系统的最后一环,它负责将电能从变电站分配到各个区域的机械设备中。
设计中应考虑配电装置的灵活性、可控性和安全性等因素。
根据机械厂的设备布置和负荷需求,本设计方案选择了多个配电柜,并采用模块化设计,以便于维护和管理。
4. 技术参数根据本设计方案,下表列出了10KV供电系统的关键技术参数:参数值输电线路材料铝合金导线变压器容量500KV配电柜数量多个5. 结论本文档详细介绍了某机械厂的10KV供电系统设计方案。
通过合理的设计,该供电系统能够满足机械厂设备的电力需求,确保设备的正常运行。
同时,该设计方案也兼顾了系统的稳定性和可靠性,为机械厂提供了可持续发展的电力支持。
某工厂10kV供配电系统毕业设计某工厂10kV供配电系统毕业设计摘要本论文主要是对小型工厂供配电系统的电气部分进行设计。
工厂由户外引入10kV的高压电源,经过工厂变电所降为220/380V的低压电,直接供给工厂车间的动力系统和照明系统。
在选择电气设备之前,先对工厂负荷进行计算,确定工厂总的负荷容量,同时在低压母线侧进行无功功率的补偿,以提高功率因数。
根据补偿后的负荷容量,选择工厂变电所变压器的容量和台数,然后确定工厂采用的供电系统,选择合适的车间配电方案,画出供配电系统主接线图。
高压一次设备、低压一次设备和导线截面积选择时,都必须满足电路正常条件下和短路故障条件下工作的要求。
电气设备不仅要满足在短路故障条件下的工作要求,还必须按最大可能的短路故障时的动稳态度和热稳态度进行校验,以判断设备是否满足工作要求。
电路发生三相短路时的短路电流电流最大,计算三相短路电流,以进行设备的校验。
最后,进行继电保护和防雷接地,来提高系统的安全性和可靠性。
关键词:负荷计算,三相短路,主接线,继电保护,设备选择目录摘要IAbstractII目录III1绪论12电力负荷及其计算22.1负荷分级及供电电源措施22.1.1工厂电力负荷的分级22.1.2各级负荷的供电措施22.2工厂计算负荷的确定32.2.1负荷计算的目的和意义32.2.2负荷计算的方法32.2.3需要系数法确定计算负荷42.2.4二项式法确定计算负荷62.2.5工厂负荷的计算62.3无功功率补偿92.3.1功率因数92.3.2无功补偿的选择102.3.3无功补偿的计算113变压器的选择及其电气主接线133.1变压器的选择133.1.1电力变压器及其分类133.1.2电力变压器的连接组别133.1.3变压器台数和容量的选择143.1.4电力变压器的校验153.2工厂变配电所的主接线图153.2.1电气主接线的概况153.2.2车间和小型工厂变电所的主接线图163.2.3本工厂变电所主接线的确定214短路电流的计算224.1短路的原因、后果及其形式224.1.1短路的原因224.1.2短路的后果224.1.3短路的形式234.2无限大容量电力系统的三相短路计算234.2.1无限大容量电力系统234.2.2短路电流的计算方法234.2.3工厂三相短路电流的计算25第5章金工车间的配电285.1低压配电线路接线方式285.2低压配电系统的接地型式29第6章设备选择与校验336.1导线的选择与校验336.1.1车间导线截面及配电箱的选择336.1.2车间导线的校验386.2高压一次设备的选择与校验406.2.1一次设备及其分类406.2.2一次设备的选择416.2.3一次设备的校验436.3低压补偿柜选择45第7章继电保护与防雷接地467.1工厂的继电保护467.1.1继电保护的选择467.1.2继电保护的整定及计算467.2工厂的防雷与接地47总结49参考文献50致谢51附录A1绪论电能是现代工业生产的主要能源和动力。
1.设计任务1.1设计要求要求根据本工厂所能取得的电源和本厂用电负荷的实际情况,并且适当考虑到工厂生产的发展,按照安全可靠、技术先进、经济合理的要求,确定变电所的位置和型式,确定变电所主变压器的台数、容量与类型,选择变电所主接线方案和高低压设备和进出线,确定二次回路方案,选择整定继电保护,确定防雷和接地装置。
最后按要求写出设计说明书,绘出设计图纸。
1.2 设计依据1.2.1工厂总平面图图1.1 工厂平面图1.2.2 工厂负荷情况本厂多数车间为两班制,年最大负荷利用小时为4500h,日最大负荷持续时间为6h。
该厂除铸造车间、电镀车间和锅炉房属二级负荷外,其余均属三级负荷。
1.2.3 供电电源情况按照工厂与当地供电部门签定的供用电协议规定,本厂可由附近一条10kV 干线取得工作电源。
该干线的走向参看工厂总平面图。
该干线的导线牌号为LJ-120,导线为等边三角形排列,线距为1.5m ;干线首端距离本厂约13km 。
干线首端所装设的高压断路器断流容量为500MVA 。
此断路器配备有定时限过流保护和电流速断保护,定时限过流保护整定的动作时间为1.7s 。
为满足工厂二级负荷要求,可采用高压联络线由邻近的单位取得备用电源。
1.2.4 气象资料本厂所在地区的年最高气温为38℃,年平均气温为16℃,年最低气温为-10℃,年最热月平均最高气温为32℃,年最热月地下0.8米处平均气温为25℃。
当地主导风向为南风,年雷暴日数为35天。
1.2.5 地质水文资料本厂所在地区平均海拔1200m ,地层以砂粘土为主,地下水位为3-5m 。
1.2.6 电费制度本厂与当地供电部门达成协议,在工厂变电所高压侧计量电能,设专用计量柜,按两部电费制交纳电费。
每月基本电费按主变压器容量为18元/kVA ,动力电费为0.9元/Kw.h ,照明电费为0.5元/Kw.h 。
工厂最大负荷时的功率因数不得低于0.9,此外,电力用户需按新装变压器容量计算,一次性向供电部门交纳供电贴费:6~10VA 为800/kVA 。
S30= P30/ cosΦ=105/0.65=161.5KVAI30= S30/√3*UN=161.5/(1.732*0.38)=245.44A (3)热处理车间:P30= Pe*Kx=0.6*150=90kwQ30= P30*TanΦ=90*0.75=67.5kvarS30= P30/ cosΦ=90/0.8=112.5KVAI30= S30/√3*UN=112.5/(1.732*0.38)=170.97A (4)电镀车间:P30= Pe*Kx=0.5*250=125kwQ30= P30*TanΦ=125*1.07=134.8kvarS30= P30/ cosΦ=125/0.68=183.8KVAI30= S30/√3*UN=183.8/(1.732*0.38)=279.331A (5)仓库: P30= Pe*Kx=0.4*20=8kwQ30= P30*TanΦ=8*0.75=6kvarS30= P30/ cosΦ=8/0.8=10KVAI30= S30/√3*UN=10/(1.732*0.38)=15.2A(6)工具车间:P30= Pe*Kx=0.3*360=108kwQ30= P30*TanΦ=108*1.33=143.64kvarS30= P30/ cosΦ=108/0.6=180KVAI30= S30/√3*UN=180/(1.732*0.38)=273.56A (7)金工车间:P30= Pe*Kx=0.2*400=80kwQ30= P30*TanΦ=80*1.17=93.6kvarS30= P30/ cosΦ=80/0.65=123.1KVAI30= S30/√3*UN=123.1/(1.732*0.38)=187.08A (8)锅炉房: P30= Pe*Kx=0.7*50=35kwQ30= P30*TanΦ=35*0.75=26.25kvarS30= P30/ cosΦ=35/0.8=43.75KVAI30= S30/√3*UN=43.75/(1.732*0.38)=66.49A (9)装配车间:P30= Pe*Kx=0.3*180=54kwQ30= P30*TanΦ=54*1.01=54.54kvarS30= P30/ cosΦ=54/0.7=77.14KVA在进行负荷统计及无功补偿后,就可根据补偿后的容量进行变压器的选择。
沈阳工程学院课程设计任务书课程设计题目:某工厂10kV降压变电所系统设计系别班级学生姓名学号指导教师职称课程设计进行地点:任务下达时间:年月日起止日期:年月日起——至年月日止教研室主任年月日批准1、基础资料该工厂0.4KV计算负荷S30=980KV A,COSφ=0.7。
10KV线路5km,上一级电网短路容量500MV A,基准容量100MV A。
工厂全部为Ⅲ级负荷,该工厂有5个车间,其中1 个车间计算负荷P30=80,COSφ=0.7。
距离工厂变电所200m,采用铝芯塑料电力电缆供电,线芯温度按60℃考虑。
2、设计要求2.1 变电所主接线设计(0.4KV侧从简)。
2.2 选择变压器容量。
2.3 短路电流计算。
计算10KV侧变压器一次短路和变压器低压(0.4KV)侧短路电流。
2.4 按主接线方案选择设备,包括隔离开关,高压断路器,高压电流互感器,低压断路器(变压器低压侧出口)。
2.5 变压器继电保护及整定计算。
2.6 从变电所到1车间的供电电缆选择(按发热条件选择),电压降计算。
2.7 无功补偿。
要求采用低压侧补偿,补偿后10KV侧功率因数大于0.9.3 对设计说明书撰写内容、字数的要求;3.1 设计题目、目录、原始数据及技术要求等。
3.2 设计目的、有必要的计算及表格。
字数不少于3000字。
3.3 设计图纸3.3.1 变电所主接线单线图3.3.2 变压继电保护原理图3.4 设计总结。
3.5 参考文献。
4 时间进度安排;5、主要参考资料(文献)。
(1)《工厂供电》刘介才机械工业出版社2009.12(2)《电力工程设计手册》(第一、二、三、四册)西北、东北电力设计院编上海科学技术出版社1.1(3)《电力系统计电保护原理与新技术》李佑光林东华科学出版社2005.71、基础资料该工厂0.4KV计算负荷S30=980KV A,COSφ=0.7。
10KV线路5km,上一级电网短路容量500MV A,基准容量100MV A。
课题一10KV高压配电所主接线设计任务书一、设计题目机械厂10KV高压配电所主接线设计二、设计目的1、初步掌握工厂10KV高压配电所主接线设计的内容、思想、方法和步骤。
2、获得综合运用所学知识、已有能力解决供配电系统工程实际问题的技术和能力。
3、实践工程设计的实际锻炼。
4、培养学生的工作能力、工作方法、工作精神。
三、设计原始资料(一)工厂环境情况工厂占地面积约1000亩,厂区地势平坦,无高大建筑物和树木。
有污尘、高温、潮湿、振动、易燃易爆、腐蚀性气体的场所不多。
(二)供电电源情况工厂附近电力网比较发达和牢固,10KV、35KV干线纵横交错。
距拟定的工厂高压配电所最近的10KV干线有多条,距离约1km,干线短路容量为100MVA、水平排列、相邻相线之间的距离为1m。
电源进线先用1km架空线、再用0.5m电缆将电源从干线引到工厂高压配电所。
为计算方便,每条出线长度均取1km。
(三)工厂负荷情况全厂供有铸钢、铸铁、金工、热处理、组装、机修车间,计6个车间;氧气站、乙炔站,计2个站;危险品、五金、成品仓库,计3个仓库,办公大楼1座。
假定铸钢车间、金工车间、氧气站为一级负荷,组装车间为二级负荷,其余车间为三级负荷。
用电设备全部为220/380V设备。
工厂为白班制,供电电压有时波动较大但谐波干扰较轻,年最大负荷利用小时为2800h、日最大负荷持续时间为6h。
计算时不计变压器和线路损耗。
在高压配电所进行无功补偿。
具体负荷统计资料如下表:(计算工厂总负荷时可取KΣp=kΣq=0.90)(四)气象资料(五)地质水文资料(六)电费制度四、设计任务1、所址及型式的选择2、主接线方案的确定3、负荷计算及无功补偿计算4、短路计算5、一次设备的选择校验6、高压电容器的选择7、进出线方式、型式、截面的选择8、配电所布置与结构的选择五、设计要求1、在规定的时间内,按照设计进程,完成规定的设计任务。
2、写出设计说明书(正文):绪论、设计过程、结论。
某厂10KV供配电系统设计学院:电气工程学院目录摘要31设计任务41.1设计题目41・2设计要求41.3设计依据41.3. 1工厂总平面图41.3. 21厂负荷情况41.3.3供电电源情况52负荷计算和无功功率补偿52.1负荷计算52.2无功功率补偿93变电所主变压器台数和容量及主接线方案的选择93.1年耗电量的估算93.2变电所主变压器台数的选择103.3变电所主变压器容量的选择103.4变电所主接线方案的选择114变电所高、低压线路的选择114.1高压线路导线的选择124・2低压线路导线的选择125电气设备的选择135.1设备的选择与校验原则135. 1. 1按工作电压选择135. 1・2按工作电流选择135. 1・3按断流能力选择135. 1. 4隔离开关、负荷开关和断路器的短路稳定度校验14 5・2高压侧一次设备的选择145.3低压侧一次设备的选择143.4继电保护及二次接线设计146防雷与接地装置的设置146.1直接防雷保护156・2雷电侵入波的防护156・3接地装置的设计15结束语16参考文献16摘要:众所周知,电能是生产的主要能源和动力。
电能既易于由其它形式的能量转换而来,乂易于转换为其它形式的能量以供;电能的输送的分配既简单,乂便于控制、调节和测量,有利于实现生产过程自动化。
因此,电能在现代工业生产及整个国民经济生活中应用极为广泛。
电能在工业生产中的重要性,在于工业生产实现电气化以后可以大大增加产量,提高产品质量,提高劳动生产率,降低生产成本,减轻工人的劳动强度,改善工人的劳动条件,有利于实现生产过程自动化。
若工厂的电能供应突然中断,则对工业生产可能造成严重的后果。
因此,做好工厂供电工作对于工业生产,实现工业现代化,具有十分重要的意义。
当下供配电系统的发展趋势是:♦提高供电电压:以解决大型城市配电距离长,配电功率大的问题,这在我国城市已经有先例。
♦逐步淘汰等级:因为过细的电压分级不利于电气设备制造的发展。
目录第1章绪论 (1)第2章线路设计 (3)2.1配电线路设计 (3)2.1.1 高压配电线路放射式接线 (3)2.1.2 高压配电线路树干式接线 (5)2.1.3 高压配电线路环形接线 (7)2.2短路电流计算 (8)2.3配电系统电气设备的选型 (9)2.3.1 电气设备选择的一般条件 (9)2.3.2 配电线路的元器件选型 (10)2.3.2.1 变压器的选择 (10)2.3.2.2 高压断路器 (11)2.3.2.3 高压隔离开关 (11)2.3.2.4 防雷设备的选择 (12)2.3.2.5 互感器选择 (14)2.3.3 工厂常用架空线路裸导线型号及电缆的选择 (15)2.3.3.1 裸导线型号及选择 (15)2.3.3.2电力电缆的型号及选择 (16)2.4控制线路设计 (17)2.4.1 定子串电阻降压启动控制线路 (17)2.4.2 星形-三角形降压启动控制线路 (18)2.4.3 控制线路元器件选型 (19)2.4.3.1 接触器选择 (19)2.4.3.2 时间继电器选择 (19)2.4.3.3 热继电器选择 (19)2.4.3.4 熔断器的选择 (20)第3章功率补偿 (21)3.1功率补偿的意义及方式 (21)3.2功率补偿接线的设计 (23)3.2.1 三角形接线 (23)3.3.2 星形接线 (23)3.3功率补偿原理及控制线路设计 (24)3.3.1 无功补偿的基本原理 (24)3.3.2 无功补偿控制线路 (24)3.4功率补偿的计算 (25)第4章总线路设计 (27)结论 (28)致谢 (29)参考文献 (30)第1章绪论工厂供电,即指工厂所需电能的供应和分配,亦称工厂配电。
电能是现代工业生产的主要能源和核心动力。
电能既易于由其它形式的能量转换而来,又易于转换为其它形式的能量以供应用;电能的输送的分配既简单经济,又便于控制、调节和测量,有利于实现生产过程自动化。
10KV工厂供配电系统设计
一.设计任务
1.负荷计算及无功补偿。
机械厂的有功功率视在功率无功功率计算电流。
2.变压器的选择。
根据机械厂的视在功率来选定变压器的台数和型号。
3.导线与电缆的选择。
根据计算电流来选定母线和导线的型号。
4.电气设备的选择。
选择电气开关柜的数量及型号。
5.根据以上计算结果,设计并绘制该工厂10KV供电系统主接线图
三、参考资料:
1.刘介才工厂供配电技术.机械工业出版社
2.苏文成工厂供电技术.机械工业出版社
四、电气CAD大作业报告
按照华中科技大学武昌分校的课程设计报告格式撰写,提交电子版和手写版两个版本。