先一正向型隔离装置配置
- 格式:docx
- 大小:25.40 KB
- 文档页数:24
科东正向隔离调试方法一、准备工作1.1 了解科东正向隔离装置咱得先知道科东正向隔离装置是个啥玩意儿。
这就好比是一道安全门,把不同安全等级的网络区域给隔开,只允许特定的数据按照规定的方向流动。
就像小区门口的保安,只让有通行证的人和车进出一样。
1.2 检查设备状态在开始调试之前,要仔细检查设备的状态。
看看硬件有没有损坏,连接线有没有插好。
这就跟出门前检查自己的穿戴一样,帽子戴没戴好,鞋带系没系紧。
如果设备有明显的损坏或者连接线松动,那后面的调试肯定会出问题的。
二、基本调试步骤2.1 配置网络参数这一步可重要了。
要根据实际的网络环境来配置隔离装置的网络参数。
IP地址、子网掩码、网关这些信息,就像给设备在网络这个大地图上确定一个准确的位置。
要是配置错了,那设备就像迷路的小孩,找不到正确的方向,数据也没法正常传输了。
这就好比你去一个新地方,地址写错了,肯定到不了目的地。
2.2 规则设置设置数据传输的规则是科东正向隔离调试的核心部分。
要明确哪些数据可以通过,哪些不可以。
这就像制定家里的家规一样,什么事能做,什么事不能做,得有个明确的规定。
比如说,我们可以根据源地址、目的地址、端口号等条件来设置规则。
这可不能马虎,要是规则设置得太松,就像家里没了规矩,乱成一团;要是设置得太紧,又会影响正常的数据交互,就像把好人也当成坏人拒之门外了。
2.3 测试连通性规则设置好之后,就得测试一下连通性了。
这就像是在新修的道路上开个小测试车,看看路通不通。
可以使用一些简单的网络测试工具,比如ping命令之类的。
如果能ping通,那说明初步的调试有效果;要是ping不通,那就要回过头去检查前面的步骤,看看是哪里出了岔子。
这时候可不能灰心,调试嘛,就是一个不断发现问题、解决问题的过程,就像爬山,遇到个小坡就退缩可不行。
三、深入调试与优化3.1 流量监控在调试过程中,要对数据流量进行监控。
这就像在高速公路上安装摄像头一样,看看数据的流动情况是否正常。
网络安全隔离装置配置网络安全隔离装置是一种可以隔离公共网络和内部网络之间的网络设备,用于保护内部网络免受外部网络的攻击和恶意活动。
下面是网络安全隔离装置的配置步骤:1. 首先,确认网络安全隔离装置的型号和配置要求。
不同的型号和厂商可能有不同的配置要求,需要根据实际情况进行配置。
2. 将网络安全隔离装置的电源线插入电源插座,并确保电源线连接正确。
3. 将内部网络和外部网络的网线分别插入网络安全隔离装置的内部和外部接口。
内部接口连接内部网络,外部接口连接外部网络。
4. 打开网络安全隔离装置的管理界面。
可以通过连接电脑和网络安全隔离装置的网线,然后在浏览器中输入默认的管理地址来打开管理界面。
5. 在管理界面中,根据配置要求设置内部和外部接口的IP地址、子网掩码和网关地址。
确保内部和外部接口的地址不在同一个网段,避免冲突。
6. 设置DNS服务器地址,用于解析域名。
可以配置内部和外部接口的DNS服务器地址,也可以使用默认的DNS服务器地址。
7. 配置防火墙规则。
根据实际需求,设置允许通过网络安全隔离装置的连接和数据流量。
8. 配置VPN功能(如果需要)。
VPN功能可以用于安全地远程访问内部网络,可以根据需求配置VPN服务器地址和相关参数。
9. 配置日志记录功能。
启用日志记录功能可以记录网络安全隔离装置的操作日志和事件,有助于监控和分析网络活动。
10. 完成配置后,保存设置并重启网络安全隔离装置。
重启后,配置将生效。
11. 测试网络连接。
通过连接内部和外部网络的设备,测试网络连接是否正常,确保网络安全隔离装置配置成功。
网络安全隔离装置的配置需要根据具体情况和设备型号来进行,上述步骤仅作为一个基本的参考。
在配置之前,最好详细阅读设备的用户手册和相关文档,了解特定设备的配置要求和功能。
此外,定期更新网络安全隔离装置的固件和软件,以确保设备的安全性和稳定性。
隔离装置配置作业指导书前言为进一步规范隔离装置接入配置,实现标准化配置流程,完善信息系统得作业标准化,确保设备及信息网络隔离装置得安全、可靠运行,特制订《隔离装置配置作业指导书》。
目录1、适用范围 (1)2、信息安全网络隔离装置介绍 (1)2、1信息安全网络隔离装置得定义 (1)2、2信息安全网络隔离装置在网络中得位置 (2)2、3信息安全网络隔离装置访问控制策略 (2)3、作业准备 (3)3、1新设备准备工作 (3)3、2工器具 (3)3、3危险点分析及预控措施 (4)4、隔离装置配置工作流程图 (5)5、作业程序及作业标准 (6)附件一:隔离装置安装手册 (9)1、环境装备 (9)2、操作系统安装 (10)2、1操作系统安装前装备 (10)2、1、1查瞧装置MAC地址,申请凝思操作系统序列号 (10)2、1、2 安装操作系统其它需求 (10)2、2操作系统安装 (10)3、Sql代理系统安装 (11)3、1 Sql代理安装前准备 (11)3、2 Sql代理系统安装 (12)4、IP、路由配置 (12)4、1 IP地址配置 (12)4、11 IPV4地址 (12)4、12 IPV6地址 (13)4、2 路由配置 (14)4、3 修改ssh限制外网连接 (14)5、隔离装置配置 (15)5、1配置前信息准备 (15)5、2登录隔离装置 (15)5、3配置SQL代理服务 (16)5、4配置应用系统 (20)5、5 提供给外网应用信息配置 (21)6、应用系统配置 (22)6、1修改应用配置 (22)6、1、1添加jar包 (22)6、1、2修改环境变量 (22)6、2配置Weblogic数据源 (23)6、2、1创建JDBC数据源 (23)6、2、2JDBC数据库驱动类型 (24)6、2、3其她属性配置 (24)6、2、4连接属性 (25)6、2、5测试数据库连接 (26)6、2、6连接池设置(默认下不需要配置) (27)7、常见配置问题 (29)隔离装置配置作业指导书1.适用范围本作业指导书适用于第二代信息网络隔离装置配置工作。
隔离装置实施方案隔离装置是指在特定场所或特定设备上设置的一种安全保护装置,其作用是隔离危险源,防止事故发生,保障人身安全。
隔离装置的实施方案是指在具体的工程项目或设备使用中,如何合理、有效地设计和设置隔离装置,以确保其安全性和可靠性。
本文将围绕隔离装置实施方案展开讨论,介绍隔离装置的设计原则、实施步骤和注意事项。
首先,隔离装置的设计原则是保证安全、便于操作和维护。
在设计隔离装置时,需要充分考虑危险源的特点和工作环境的实际情况,确保隔离装置能够有效地隔离危险源,同时便于操作人员进行操作和维护。
此外,隔离装置的设计应符合相关的安全标准和规范要求,确保其安全可靠。
其次,隔离装置的实施步骤包括确定隔离方案、设计隔离装置、安装和调试、验收和使用。
在确定隔离方案时,需要对工程项目或设备的危险源进行全面的分析和评估,确定隔离的范围和方式。
在设计隔离装置时,需要结合实际情况,采用合适的隔离设备和工艺,确保隔离效果和操作便利性。
在安装和调试隔离装置时,需要严格按照设计要求和操作规程进行,确保安装质量和性能符合要求。
最后,在验收和使用隔离装置时,需要进行全面的检查和测试,确保隔离装置的安全性和可靠性。
最后,需要注意的是,在实施隔离装置时,需要严格遵守相关的操作规程和安全操作规范,确保操作人员的安全。
同时,需要定期对隔离装置进行检查和维护,确保其正常运行和有效隔离危险源。
在发现隔离装置存在问题时,需要及时进行修复和更换,确保隔离装置的安全可靠。
总之,隔离装置的实施方案是确保工程项目或设备安全运行的重要保障措施。
通过合理的设计和严格的实施,可以有效地隔离危险源,保障人身安全。
因此,在工程项目或设备使用中,需要充分重视隔离装置的设计和实施,确保其安全性和可靠性。
一体化故障隔离装置使用说明一体化故障隔离装置使用说明简介•为了更好地保护设备和人员安全,一体化故障隔离装置成为必备的设备之一。
•本文将详细说明一体化故障隔离装置的使用方法和注意事项。
使用步骤1.安装 - 在使用一体化故障隔离装置之前,需要将其正确安装在设备上。
确保装置牢固地固定在相应的位置。
2.接线 - 根据设备的接线图,将一体化故障隔离装置正确接入电路。
严格按照装置上的标识进行接线,确保接线的正确性。
3.功能调试 - 在接线完成后,需要进行一次功能调试。
确保装置能够正常工作并能够正确地隔离故障。
4.装置规定 - 在正常使用过程中,需要遵守一体化故障隔离装置的使用规定。
不得擅自更改装置参数或使用装置外部不符合规定的设备。
5.操作方法 - 当设备发生故障需要隔离时,操作人员应当按照装置上的操作方法进行操作。
确保隔离操作的准确性和安全性。
6.日常维护 - 定期对一体化故障隔离装置进行日常维护,清理装置表面的灰尘和污垢,确保装置的正常使用。
注意事项•在使用一体化故障隔离装置时,需要具备一定的电气知识和操作经验。
•严禁将装置与非标准设备相连接,以免发生故障或安全事故。
•操作前请务必确认断开电源,并采取适当的安全措施。
•当装置出现故障时,请及时联系维修人员进行处理,切勿私自拆卸或修理。
结论一体化故障隔离装置作为保护设备和人员安全的重要设备,其正确的使用方法和注意事项对于避免故障和事故具有重要意义。
希望本文的说明能够帮助使用人员正确地使用一体化故障隔离装置,确保设备的正常运行和人员的安全。
精心整理隔离网闸使用说明书CGWAY-12/T 正向型版权©2010工业800保留所有权力1产品概述 1.1分层分区方案 根据电力二次系统的特点,划分为生产控制大区和管理信息大区。
生产控制大区分为控制区(安全区Ⅰ)和非控制区(安全区Ⅱ)。
信息管理大区分为生产管理区(安全区Ⅲ)和管理信息区(安全区Ⅳ)。
正向型网络安全隔离网闸(CGWAY-12/T )用于安全区I/II 到安全区III/IV 的单向数据传递。
如图1所示:图1:分层分区方案1.2硬件结构 网络安全隔离网闸(CGWAY-12/T )的硬件结构如图2所示。
本产品硬件采用RISC 体系架构高性能嵌入式计算机芯片,双机之间通过高速物理传输芯片进行物理连接。
底板上有两个高速10M/100M 网口(NET_A 和NET_B)用于连接要隔离的两个网络。
1.3同时1.4产品功能1.2.3.4.基于MAC5.支持NAT6.防止穿透性7.8.1.51.采用非2.3.4.抵御除1.6 1.7内网A 连接时,该外网B A 1.内网取得2.外网取得3.内网发起的4.B 机重新对外网发起连接。
5.B 机无程序设为SERVER 接受外网连接。
2.产品分发与安装 正向型网络安全隔离装置(CGWAY-12/T )产品分发包括硬件和软件两大部分。
2.1硬件部分 用户在使用本产品时,应先检查硬件产品是否带有具有(CPS )标志,外观是否有损坏现象。
如有以上现象,请勿使用并及时与本公司取得联系,处理相关事宜。
为了产品稳定、可靠的运行,请勿私自打开隔离装置。
如图5、6所示:图5:产品正面图6:产品背面2.2软件部分 隔离装置随机带有一张配置软件关盘,该程序不用安装,直接使用。
点击cps_tools.exe ,打开配置软件主界面,如下图7所示: 图7:网闸配置工具主界面 2.3网络拓扑图 隔离网闸的配置说明以下图为例,详细说明隔离网闸如何配置。
我公司会在内网侧配置一台接口机,接口机连在内网交换机上,接口机的作用是用DATAClient-OPC 获取DCSOPCServer 的数据,然后通过隔离网闸向外转发。
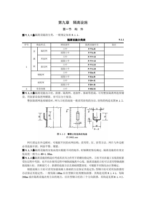
第九章 隔离设施第一节 构 件第9.1.1条隔离设施的分类,一般规定如表9.1.1。
隔离设施分类表9.1.1第9.1.2条隔离设施由立柱、斜撑、隔离网、连接件、基础等组成。
可用整张隔离网连续铺设,用张紧设备把网绷紧。
亦可以分片架设。
整张隔离网连续铺设时,网与立柱的连接一般采用挂钩的办法,挂钩的构造见图9.1.2。
网片固定在外边框时,可根据不同的丝网结构,采用焊、压、挂等方法。
网片与外边框必须连接牢固,网面平整、绷紧。
第9.1.3条隔离设施的安装高度应根据不同的地形、村镇稠密情况确定。
隔离设施的有效安装高度一般为1.60~1.80m 。
第9.1.4条隔离设施的构造应考虑其在风力作用下的横向稳定性。
立柱不应在施工安装的张紧受拉过程中弯斜,也不应在使用过程中倾倒或偏离中心线。
隔离设施的立柱可以采用型钢或钢筋混凝土柱。
其断面尺寸、斜撑的连接方法及基础埋置深度,可根据不同情况由计算确定。
钢筋混凝土立柱可采用加强混凝土基础的方法保证其稳定性;型钢立柱可采用加斜撑的办法保证其稳定性,一般每隔100m 应在型钢立柱两侧加斜撑,其构造见图9.1.4-1;每隔200m 或在隔离设施改变方向的地方,应在型钢立柱的三个方向斜撑,其构造见图9.1.4-2。
第9.1.5条每段隔离设施的起终点,或隔离设施需要断开的地方,应针对不同的情况作出专门的端头围封设计。
在隔离设施改变方向的地方,应作专门的拐角设计,见图9.1.5。
第9.1.6条隔离设施应根据养护管理的需要在适当地点开口。
凡开口处均应设门,以便控制出入。
第9.1.7条隔离栅遇小的沟渠和流量不大的小涵洞时,可以采取措施直接跨过,一般可采用图9.1.7所示的方法。
第9.1.8条隔离设施在地形起伏的地段设置时,可将地面整修成一定的纵坡,隔离设施可顺坡设置,见图9.1.8-1。
隔离设施也可根据地形,按阶梯形设置,见图9.1.8-2。
第9.1.9条隔离网与立柱的连接可以采用以下方法:一、隔离网挂在立柱的挂钩上。
应急隔离室设备标准及操作规范
1. 背景信息
随着突发传染病和危险化学品事故的增加,应急隔离室成为了保障公众安全和健康的重要设施。
为确保应急隔离室的正常运行和高效应对紧急情况,本文档旨在制定应急隔离室设备标准及操作规范。
2. 设备标准
应急隔离室的设备应满足以下标准:
- 通风设备:应急隔离室必须配备有效且可靠的通风设备,以确保空气正常流通并迅速排除有害物质。
- 照明设备:应急隔离室必须有充足的照明设备,确保工作人员可以清晰可见地进行操作,以及让事故处理人员能够迅速掌握环境情况。
- 床位设备:应急隔离室应配置足够数量的床位设备,满足应对一定规模的突发事件所需。
- 卫生设备:应急隔离室必须配备基本的卫生设备,包括洗手间、洗涤用具等,以维护人员的卫生与健康。
3. 操作规范
为确保应急隔离室设备的正常使用和避免操作上的错误,以下是操作规范:
- 设备检查:应急隔离室工作人员每日必须对所有设备进行检查,确保其正常运行和完好无损。
- 床位消毒:床位设备在每位病患使用后必须进行消毒,并及时更换床单等用品。
- 应急通知:在突发情况发生时,应急隔离室工作人员应及时向上级报告,并启动应急预案。
- 工作人员培训:工作人员要接受应急隔离室设备操作培训,了解设备的正确使用方法以及紧急情况下的应对措施。
4. 总结
本文档制定了应急隔离室设备标准及操作规范,确保应急隔离室具备必要设备,并有效进行操作。
通过遵循这些标准和规范,应急隔离室能够更好地应对突发传染病和危险化学品事故,保障公众的安全与健康。
华能大风坝风电厂二次系统安全防护项目建议方案_[全文] 华能大风坝风电厂二次系统安全防护项目建议方案珠海市鸿瑞软件技术有限公司2010-01-13目录2目录4一、前言4二、目的与要求5三、二次系统安全防护总体策略 533></a>.1网络面临的安全威胁 73.2安全策略73.3二次系统的安全区划分83.4安全区之间的隔离要求93.5各安全区内部安全防护的基本要求 10四、二次系统安全防护造项目内容104.1、我厂二次系统安全防护现状 114.2、横向部署专用隔离装置 124.3、纵向部属专用防火墙134.5、纵向部署专用拨号网关(拨号安全服务器)144.6、实施方案154.7、正向物理隔离装置产品选型分析 174.8、电力系统专用防火墙产品选型分析 194.9、电力系统专用拨号网关产品选型分析 21五、设备清单与造价预算215.1设备清单225.2造价预算一、前言2002年6月中华人民共和国国家经济贸易委员会发布关于《电网和电厂计算机监控系统及调度数据网络安全防护规定》后,我们根据华能总部的指示意见明确以下原则:1、电力二次系统安全防护是涉及面广且技术复杂的系统工程,调度机构相关系统的安全防护是整个电力二次系统安全防护的重要组成部分,其实施应遵循“统一领导、分级管理、总体设计、分步实施、远近结合、突出重点”的总原则。
2、调度系统安全防护的总体策略是“安全分区、网络专用、横向隔离、纵向防护、突出重点、联合防护”,重点是保护具有实时控制功能的电力监控系统及国家电力调度数据网络(SPDnet)的安全,防止对系统的攻击破坏以及由此引发的电力系统事故,保障电力系统的安全、稳定、经济运行。
3、调度系统安全防护是一个系统性的、长期的、动态的过程,应分阶段逐步实施。
近期应重点实施生产控制区(I/II)与生产管理区(III/IV)之间的横向安全防护。
4、安全防护工作要突出重点,注重实效。
在实施安全方案期间要优先保证重要生产部门的业务要求。
正向隔离装置原理
正向隔离装置是一种用于防止液体、气体或粉尘在流动过程中互相混合的装置。
其原理是通过设计一个隔离区域,将不同的流体或物质分隔开来,防止其相互交叉。
在液体流动的情况下,正向隔离装置通常由一系列分隔板或分隔膜组成。
这些分隔板或分隔膜通过被设计成具有特定形状和尺寸的孔隙来阻止流体之间的相互渗透。
当液体通过正向隔离装置时,它们必须流经这些孔隙,从而使它们在隔离区域内保持分离状态。
对于气体流动的情况,正向隔离装置通常采用一种称为“纳米过滤”的技术。
该技术利用了纳米级尺寸的微小孔隙,这些孔隙非常小,只能让气体的分子通过,而阻止更大的颗粒物质通过。
这样一来,可以在气体流动中实现有效的隔离和分离。
在粉尘流动的情况下,正向隔离装置通常采用一种称为“离心分离”的原理。
该原理利用了物质在旋转运动中的离心力,将粉尘颗粒与气体分离开来。
通过调节旋转速度和设计合适的结构,正向隔离装置可以使粉尘颗粒沉降到底部,而清洁的气体则从上部排出。
总的来说,正向隔离装置利用不同的原理和设计,实现了在液体、气体或粉尘流动过程中的有效隔离和分离。
这种装置对于液态、气态或固态物质的分离过程起到了重要的作用,广泛应用于化工、生物制药、环境保护等领域。
正向隔离装置原理在现代科技发展的背景下,正向隔离装置作为一种重要的安全设备被广泛应用于各个领域,特别是在电力系统中。
正向隔离装置的主要作用是在发生电流故障时,迅速切断故障电路,保护电力设备和人身安全。
本文将以正向隔离装置的原理为主题,详细介绍其工作原理和应用。
正向隔离装置是一种可控开关装置,它的工作原理基于电磁吸力和电磁感应原理。
当电流通过正向隔离装置时,电流会产生磁场,该磁场通过作用于电磁铁上的线圈,使得电磁铁产生吸力。
当发生电流故障时,故障电流会迅速增大,电磁铁上的线圈感应到故障电流的变化,通过控制电路,使得电磁铁迅速断开电流回路,从而达到切断故障电路的目的。
正向隔离装置可以应用于各种电力系统中,尤其是在高压和超高压交流电网中起到关键作用。
在电力系统中,正向隔离装置通常与其他保护装置配合使用,如保护继电器、断路器等。
正向隔离装置在系统中的位置通常位于发电机和主变压器之间,作为连接和切断电力系统的关键节点。
当电力系统发生故障时,正向隔离装置能够快速切断故障电路,保护发电机和主变压器免受损坏,并防止故障扩大。
正向隔离装置的工作原理可以简单分为两个步骤:感应和切断。
首先,在正常运行时,正向隔离装置通过控制电路使得电磁铁保持闭合状态,电流可以正常通过。
当发生电流故障时,故障电流迅速增大,电磁铁上的线圈感应到故障电流的变化,通过控制电路,电磁铁迅速打开,切断电流回路。
这样,正向隔离装置能够快速切断故障电流,保护电力设备和人身安全。
正向隔离装置的工作原理非常可靠,但在实际应用中仍然存在一些挑战。
首先,正向隔离装置需要对故障电流进行准确感应和判断,因此需要高精度的传感器和控制电路。
其次,正向隔离装置需要具备良好的耐压和耐热性能,以适应高压和高温环境。
此外,正向隔离装置还需要具备快速响应和可靠切断的能力,以确保在故障发生时能够及时切断电流回路。
总结起来,正向隔离装置是一种基于电磁吸力和电磁感应原理的可控开关装置,它能够在电流故障发生时迅速切断故障电路,保护电力设备和人身安全。
正向隔离装置实施方案一、背景介绍。
随着社会的发展和进步,人们对安全生产的要求越来越高。
在工业生产中,正向隔离装置是一种重要的安全设施,它能够有效地保护人员和设备,防止意外事故的发生。
因此,制定一套科学合理的正向隔离装置实施方案,对于保障工作场所的安全生产具有重要意义。
二、实施目标。
1. 确保工作场所的安全生产,降低事故发生的风险;2. 提高工作人员的安全意识,加强安全管理;3. 保护设备设施,延长设备的使用寿命。
三、实施步骤。
1. 调研分析,对工作场所进行全面的安全隐患排查和风险评估,确定正向隔离装置的实施范围和重点部位。
2. 设计方案,根据调研分析的结果,制定正向隔离装置的具体实施方案,包括隔离装置的类型、数量、布局等。
3. 采购设备,根据设计方案,采购符合要求的隔离装置设备,并进行验收确认。
4. 安装调试,对采购的隔离装置设备进行安装和调试,确保其能够正常运行。
5. 培训演练,对工作人员进行正向隔离装置的使用培训,组织演练活动,提高工作人员的应急处理能力。
6. 定期检查,建立定期检查制度,对正向隔离装置进行定期检查和维护,确保其长期有效运行。
四、实施要点。
1. 科学合理,实施方案应根据实际情况制定,符合安全生产的要求。
2. 全员参与,实施过程中,需要全员参与,加强安全意识,形成良好的安全生产氛围。
3. 紧急预案,建立健全的紧急预案,对可能发生的意外事故进行预案演练,提高应急处理能力。
4. 定期维护,正向隔离装置设备需要定期维护,确保其长期有效运行。
五、实施效果。
1. 提高安全生产水平,降低事故发生率;2. 保护工作人员的人身安全,减少意外伤害;3. 保护设备设施,延长设备的使用寿命,降低维护成本。
六、总结。
制定和实施正向隔离装置实施方案,是保障工作场所安全生产的重要举措。
通过科学合理的方案制定和全面有效的实施,能够有效降低事故发生的风险,保护工作人员和设备设施的安全,促进企业的可持续发展。
希望各企业能够重视正向隔离装置的实施工作,切实加强安全管理,确保安全生产。
正反向隔离装置原理
正反向隔离装置原理是指通过特定的电路设计和元件选择,使得电路具有正向和反向隔离的能力。
这种装置通常应用于电源和负载之间,可以避免电源电流和负载电流相互干扰,保证电路的正常运行。
正反向隔离装置的原理基于二极管的单向导电特性,利用独立的电源分别给电路提供正向和反向的电压,使得电路中正向和反向的电流分别流向不同的方向。
这样就能够有效地隔离电源和负载之间的电流,避免电流的回馈和干扰。
正反向隔离装置通常由二极管、电容、电阻等元件组成。
在电路设计中需要根据具体的应用场景选择合适的元件和参数,以达到最佳的隔离效果和电路性能。
正反向隔离装置在电子电路中广泛应用,特别是在音频放大器、电源滤波等领域。
它不仅能够提高电路的稳定性和可靠性,还能够提高电路的抗干扰能力,保证电路的高品质输出。
- 1 -。
2024年防护器具的配置和管1、企业内的有毒有害车间、岗位应设事故柜,存放防毒器具,以备急用。
每个事故柜内要配备空气(或氧气)呼吸器(或生氧式防毒面具)2~4台。
2、存放柜内的器具,平时未经气防站同意,任何人不准动用。
3、存放柜内的器具,如在急需情况动用后,要立即通知气防站。
如动用后不通知气防站,必须对其产生的后果负责。
4、车间(岗位)要加强对存放柜的维护管理,如发现柜上的铅封被打开,应立即通知气防站进行检查,并查明原因。
5、气防站要做好存放柜平时的检查工作,确保柜内器具处于完好状态。
6、气防站站长、技术人员、值班班长、防护人员及驾驶员每人配备1台空气(或氧气)呼吸器(或生氧式防毒面具)。
7、气防站内的空气(或氧气)呼吸器备用数量,应为现场呼吸器数量的1/2左右。
备用小空气(氧)气瓶数量应为呼吸器数量的1/2。
8、过滤式防毒面具可根据车间(岗位)毒害情况配备。
义务防护人员和有关领导每人配备过滤式防毒面具1套。
10、长管式防毒面具一般配备10~20套,由气防站统一保管。
11、建立防护器具的发放、使用、维修、管理制度和台帐。
12、各种防护器具要定期进行校验,定期进行检查。
2024年防护器具的配置和管(2)2023年,随着科技的不断进步,防护器具在各个领域扮演着越来越重要的角色。
在工业、医疗、军事等领域,防护器具的配置和管理是确保人员安全以及避免潜在危险的关键。
本文将从防护器具的配置和管理两个方面进行详细讨论。
一、防护器具的配置1.根据不同领域的需求进行配置不同领域有不同的安全要求,所以防护器具的配置应根据各个领域的需求来确定。
例如,在工业领域,应配置防护眼镜、耳塞、手套等器具,以保护工人的眼睛、听力和手部安全。
在医疗领域,应配置手术口罩、护目镜、手套等器具,以保护医护人员和病人的安全。
2.关注防护器具的质量和性能防护器具的质量和性能直接关系到人员的安全。
在配置防护器具时,应选择符合相关标准的产品,并且要关注产品的质量和性能指标。