空调适用面积-耗电-功率等相关参数
- 格式:doc
- 大小:24.50 KB
- 文档页数:2
空调功率计算方法我们现在讲空调的大小主要用匹来表示:1匹、1.5匹。
匹是指空调的消耗功率,平时我们所说的空调是多少匹,是根据空调消耗的功率算岀空调的制冷量,而市场上常用匹来描述空调器制冷量的大小。
这二者之间的换算关系为:1匹的制冷量大约为2000大卡,换算成国际单位瓦应乘以 1.162,这样,1匹制冷量应为2000大卡X1.162 = 2324W。
这里的W (瓦)即表示制冷量,而1.5匹的制冷量应为2000 大卡X1.5 X1.162 = 3486W。
通常情况下,家庭普通房间每平方米所需的制冷量为115-145W ,客厅、饭厅每平方米所需的制冷量为145-175W 。
比如,某家庭客厅使用面积为15平方米,若按每平方米所需制冷量160W 考虑,则所需空调制冷量为:160VX 15 = 2400W。
这样,就可根据所需2400W 的制冷量对应选购具有2500W 制冷量的KF-25GW型分体壁挂式空调器。
所谓能效比也称性能系数,就是一台空调器的制冷量与其耗电功率的比值。
通常,空调器的能效比接近3或大于3为佳,就属于节能型空调器。
空调器的制冷量/制热量:1、空调器在进行制冷运转时,在单位时间内,从密闭房间内排岀的热量称为空调器的制冷量。
2、空调器在进行制热运转时,在单位时间内从密闭房间内释放岀的热量称为空调器的制热量。
3、每平方米空调需要150W 制冷量:从而推出房间面积使用空调的计算公式:制冷量/150W= 房间的面积;房间的面积+2=适应最大面积;房间的面积-2=适应最小面积例如:KFR-2601GW/BP 制冷量:2600W 2600/150=17 17+2=19 17-2=15 所以该空调适用面积为:15-19就的房间,空调的匹数也由此而来。
根据制冷量给空调分类:1P : 2300W-2500W1.25P:2600W-2800W1.5P : 3000W-3600W2P:4000W-5200W2.5P:5800W-6200W3P:6500W-7200W5P:12000W10P:24000W空调适用面积参考:1P : 11-17 就;1.5P:18-25 就;2P:30-33 就;1.25P:18-23 就;3P:40-45 就;5P:60 就左右;10P:50 就左右空调的耗电功率1匹=1马力=735W ,—小时用电 0.735 度。
空调参数:一、42台1、空调匹数:3P柜机;2、定频;3、类型:立柜式;4、控制方式:键控/遥控;5、能效等级:3级能效;6、冷暖方式:冷暖电辅型;7、循环风量:≥1000m³/h;8、制冷量:>6000W;9、制冷功率:1600-2500W;10、制热量:6500-8500W;11、制热功率:>2000W;12、室内机噪音:≤46dB(A);13、室外机噪音:≤ 56dB(A);14、适用面积:22-34㎡;15、电源性能:220V/50Hz;16、其他功能:静音、自动清洁、除甲醛、独立除湿;17、保修政策:产品保修年限6年,全国联保,享受三包服务。
二、10台1、空调匹数:2P柜机;2、定频;3、类型:立柜式;4、控制方式:键控/遥控;5、能效等级:3级能效;6、冷暖方式:冷暖电辅型;7、循环风量:≥1000m³/h;8、制冷量:4500-5500W;9、制冷功率:1600-2500W;10、制热量:5000-6500W;11、制热功率:1500-2000 W;12、室内机噪音:≤46dB(A);13、室外机噪音:≤ 56dB(A);14、适用面积:22-34㎡;15、电源性能:220V/50Hz;16、其他功能:静音、自动清洁、除甲醛、独立除湿;17、保修政策:产品保修年限6年,全国联保,享受三包服务。
三、15台1、空调匹数:1.5P挂机;2、定频;3、类型:壁挂式;4、控制方式:遥控;5、能效等级:3级能效;6、能效消耗效率:3.28;6、冷暖方式:冷暖电辅型;7、循环风量:≥600m³/h;8、制冷量:≥3300W;9、制冷功率:≤1005W;10、制热量:≥3630W;11、制热功率:≤1010 W;12、电辅加热功率:≥1000W12、室内机噪音:≤37dB(A);13、室外机噪音:≤ 50dB(A);14、适用面积:15-22㎡;15、电源性能:220V/50Hz;16、其他功能:静音、自动清洁、独立除湿;17、保修政策:产品保修年限6年,全国联保,享受三包服务。
详解空调参数及其型号商场里空调的价签上除了价格以外,往往还有一串数字和字母表示空调的型号。
别小看这些数字和字母,某款空调是第几代产品,都有哪些功能,行家一眼就能看出来。
下面我就给您说说这些数字和字母的含义。
空调型号的表示方法国家有统一的标准,基本格式为“①②③—④⑤⑥⑦⑧”。
处于①位置上的字母表示产品代号,如果为K,则表示是家用空调器。
处于②位置上的字母表示空调的结构形式,空调器按结构形式分为整体式和分体式,整体式空调器又分为窗式和移动式,代号分别为:F为分体式,C为窗式,Y为移动式。
③表示功能代号(单冷型无此代号)。
R为热泵型,Rd为热泵辅助电加热,D为电热型。
④表示额定制冷量,用阿拉伯数字表示。
⑤表示分体式室内机组结构代号,D为吊顶式、G为挂壁式、L为落地式、Q为嵌入式等。
⑥表示分体式空调器室外机代号,W代表室外机。
⑦表示改进型代号。
分为A、B、C、D、E等,在字母前面加斜杠以区分。
⑧表示工厂设计序号和特殊功能代号等,允许用汉语拼音大写字母或阿拉伯数字表示,如变频为BP,遥控为Y。
下面以格力空调几个型号作简单说明:KCD-46(4620):其中K表示房间空调器,C表示窗机,D表示电热型,46表示制冷量是4600瓦。
KFR-25GWE(2551):其中K表示房间空调器,F表示分体式,R表示热泵型,25表示制冷量是2500瓦,G表示挂壁式,W表示室外机代号,E表示该型号为改进型产品,即冷静王系列产品。
(晋平)格力空调机型号中的N4、N5是表示能效比。
能效比:N5-2.6以上,N4-2.8以上,N3-3.0以上,N2-3.2以上,N1-3.4以上,N后数字越小能效比越高,越省电。
国家规定9月1日起能效比2.6以下的空调不能进入市场。
格力为了方便区分,设了一个能源级别来明确标明,实际没标明的也和标明的是一样的机器,只是差了一个标识。
所谓能效比也称性能系数,即一台空调器的名义制冷量与其耗电功率的比值。
主体品牌格力GREE系列王者之尊系列型号KFR-72LW/(72533)FNAa-2 颜色红色类别立柜式商用空调否功能制冷类型冷暖匹数3匹定频/变频直流变频能效等级2级电辅加热支持适用面积(平方米) 32-50制冷量(W) 7200(2150-8600)制冷功率(W) 2330(670-3500)制热量(W) 9300(1380-10800)制热功率(W) 3240(560-3780)电辅加热功率(W) 1800内机噪音(dB(A) 37-42外机噪音(dB(A) ≤56变频机能效比 4.38循环风量(m3/h) 1100规格电源(V/hz)220/50内机尺寸(宽x高x深)540*1790*320mm 外机尺寸(宽x高x深)980*790*440mm 内机重量(kg)58kg外机重量(kg)65kg特性特性采用G10变频引擎宽温运行运转范围广电子膨胀阀节流技术低电压启动宽电压运行尘度显示静电除尘湿度显示独立除湿采用R410A环保制冷剂遥控器x1保修卡x1说明书x1联机管x1本产品全国联保,享受三包服务,质保期为:六年质保本产品提供上门安装调试、提供上门检测和维修等售后服务,凭厂商提供的故障检测报告,享受7日内退货,15日内换货,15日以上在质保期内享受免费保修等三包服务!售后服务电话:4008365315品牌官方网站:/gree_product/jyktxx.jsp?seid=10 03空调的选购知识空调的四大基本功能:温度调节对室内空气温度进行调节。
一般来说,房间的温度夏天保持在25-27℃,冬天保持在18-20℃是比较适合的。
湿度调节对室内空气的湿度进行调节,即调节空气中水蒸汽的含量,空气过于干燥或过于潮湿都会使人感到不舒服空气流速的调节加快或减慢空气对流的速度,人处于适当的低速流动的空气中比在同样温度下静止的空气中要感觉凉爽、舒适。
空气质量调节通过清除空气中尘埃,分解空气中的有害化学物质,保证一定的氧气含量来达到改善室内环境空气的质量的目的,空调的选购知识:1、匹数的选择我国民间已经形成了用“匹”来区分空调功率大小的习惯,法定功率与匹数的关系为1匹≈2325W,1.5匹≈3500W选购的空调输出制冷量(热量)要与使用面积相对应,由于使用空调的房间状况和地域气候的差异,以及对极端天气的预案,买空调应当买大不买小。
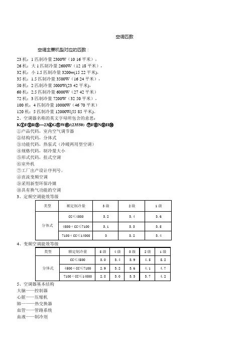
空调匹数空调主要机型对应的匹数:23机:1匹制冷量2300W(10-16平米),26机:大1匹制冷量2600W(12-18平米),32机:小1.5匹制冷量3200w(15-22平米),35机:1.5匹制冷量3500W(16-24平米),50机:2匹制冷量5000W(23-42平米),60机:2.5匹制冷量6000W(27-42平米)72机:3匹制冷量7200W(32-50平米),100机:4匹制冷量10000W(46-70平米)120机:5匹制冷量12000W(55-85平米)。
2、空调器名称的英文字母所包含的意思:K①F②R③—23④G⑤W⑥/(23550) ⑦F⑧N⑨H⑩①产品代码,室内空气调节器②结构代码,分体式③功能代码,热泵式(冷暖两用型空调)④规格代码,制冷量大小⑤形式代码,挂式空调⑥室外机⑦工厂出产设计序列号。
⑧直流变频空调⑨采用新型环保冷媒⑩具有换气功能的空调3、定频空调能效等级类型额定制冷量3级2级1级分体式CC≤4500 3.2 3.4 3.6 4500﹤CC≤7100 3.1 3.3 3.5 7100﹤CC≤14000 3 3.2 3.44、变频空调能效等级类型额定制冷量5级4级3级2级1级分体式CC≤4500 3.0 3.4 3.9 4.5 5.2 4500﹤CC≤7100 2.9 3.2 3.6 4.1 4.7 7100﹤CC≤14000 2.8 3.0 3.3 3.7 4.25、空调器基本结构大脑——控制器心脏——压缩机肺———热交换器血管——管路系统血液——制冷剂格力空调机型号中的N4、N5是表示能效比。
能效比:N5-2.6以上,N4-2.8以上,N3-3.0以上,N2-3.2以上,N1-3.4以上,N后数字越小能效比越高,越省电。
国家规定9月1日起能效比2.6以下的空调不能进入市场。
空调的“匹”,是一功率单位,是表示其压缩机电机的输出功率,而空调型号的标识是以该空调的名义制冷量的100倍来标示,通常一匹的名义制冷量为2200W-2300W。
分体空调参数表规格:1匹冷暖挂机标配管:3M室外机尺寸(宽*高*深)(mm):765*250*190 室内机尺寸(宽*高*深)(mm):700*535*235技术参数:制冷使用面积10-17平米制热使用面积:12-16平米制冷量(W):2300制热量(W):2700制冷功率(W):825W制热功率(W):850规格:1.5匹冷暖挂机标配管:3M制冷量(W):3500制热量(W):4300制冷功率(W):1255制热功率(W):1270室内机尺寸(宽*高*深)(mm):790*265*200 室外机尺寸(宽*高*深)(mm):780*540*250 技术参数:制冷适用面积:16-25平米制热适用面积:17-23平米规格:2匹冷暖挂机标配管:3M室内噪音(db):35~43室外噪音(db):35~43内机尺寸(mm):920*290*210外机尺寸(mm):780*540*250技术参数:制冷适用面积(㎡):20~31制热适用面积(㎡):20~27制冷量(W):4300制热量(W):5000制冷输入功率(W):1600制热输入功率(W):1600规格:2匹冷暖柜机配管:4M室内机尺寸(㎜):500*1750*290室外机尺寸(㎜):925*650*330技术参数:制冷面积(㎡):22-37制热面积(㎡):20-35制冷量(W ):4300制热量(W):4900+1500制冷功率(W):1575制热功率(W):1450规格:2.5匹冷暖柜机标配管:4M室内机尺寸(mm):500*1680*260室外机尺寸(mm):845*695*335 技术参数:制冷适用面积:28-44平米制热适用面积:29-41平米制冷量:6180W制热量:7300W。
制冷功率(W):2300制热功率(W):2300适用面积(㎡):29~41规格:3匹冷暖柜机标配管:4M室内机尺寸(㎜):480*1680*290室外机尺寸(㎜):908*650*350技术参数:制冷适用面积:35-47平米制热适用面积:35-47平米制冷功率:2820W制热功率:2600W制冷功率(W):2820制热功率(W):2600规格:5匹冷暖柜机标配管:4M室内(mm):540*1800*350室外(mm):985*185*360技术参数:制冷用面积(㎡):57-88制热适用面积(㎡):62-88制冷量(W):12000制冷功率(W):4750制热量(W):13600。
常见家用空调参数海尔空调 KFRD-60LW/UA(F) 匹数(P) 2.5P室内机尺寸(mm)室外机尺寸(mm)491*248*1675810*288*6804919 30-45海尔空调 KFRd-50LW/UA(ZXF) 匹数(P) 2P 室内机尺寸(mm)室外机尺寸(mm)491*248*1675780*245*5404499 22-37海尔空调 KFR-23GW/HBF 匹数(P)小1P室内机尺寸(mm)室外机尺寸(mm)680 X 200 X 250695 X 255 X 4231899 11-18海尔空调 KFRD-60LW/U(ZXF) 匹数(P)2.5P 室内机尺寸(mm)室外机尺寸(mm)500*260*1700860*308*7306389 30-45海尔空调 KFR-28GW/U(DBPZXF)匹数(P)大1P室内机尺寸(mm)室外机尺寸(mm)850*160*285780*250*6504409 14-24海尔空调 KFRD-35GW/U(ZXF) 匹数(P) 1.5P室内机尺寸(mm)室外机尺寸(mm)850*160*285780*245*5403779 16-26海尔空调 KFR-35GW/HBF 匹数(P) 1.5P室内机尺寸(mm)室外机尺寸(mm)760*200*250780*245*5402779 16-26海尔空调 KFRD-72LW/U(ZXF) 匹数(P)大3P室内机尺寸(mm)室外机尺寸(mm)500*260*1700948*340*8307749 32-53海尔空调 KFRD-50LW/U(ZXF) 匹数(P)2P室内机尺寸(mm)室外机尺寸(mm)550*260*1700810*288*6805859 22-37海尔空调 KFR-35GW/U(DBPZXF匹数(P)大1.5P室内机尺寸(mm)室外机尺寸(mm)860*160*285780*250*6505019 16-26海尔空调 KFR-26GW/H( DBP 匹数(P)大1P 室内机尺寸(mm)室外机尺寸(mm)795*197*265780*245*5402880 11-18海尔空调 KFRD-72LW/UA(F) 匹数(P) 3P室内机尺寸(mm)室外机尺寸(mm)510*320*1793860*308*7305859 32-53海尔空调 KFR-50LW/U (DBPZXF)匹数(P) 2P 室内机尺寸(mm)500*260*1700 6909 22-37大金家用中央空调LMX系统外机规格参数空调室外机位的设置一:空调板的尺寸注:净尺寸是指该范围内无其他障碍、管线或交叉。
常见家⽤空调参数常见家⽤空调参数⼤⾦家⽤中央空调LMX系统外机规格参数格⼒中央空调R22数码涡旋室外机参数(GMV-R220W2/B系列)空调室外机位得设置⼀:空调板得尺⼨注:净尺⼨就是指该范围内⽆其她障碍、管线或交叉、1:室外机上不与四周各留出100得净距,其中冷媒管接⼊⽅向留出150。
2:当空调板上有⾬⽔管穿过时,相应⽅向应加宽⾄少150。
3:安装栏杆百叶得边,应加宽⾄少50、4:如果安装在百叶后⾯,上部要留更多得空间。
考虑到⼈员安装因素,空间⾼度应1~1。
5P》1000,2P》1100,3P》1200。
⼆.空调板得位置及洞⼝尺⼨1:空调板附近应有窗,不能设在⽆窗得⼭墙上、2:窗得开启扇应在空调板侧,板边与窗边相距不⼤于500.3:窗得开启扇应能满⾜室外机搬运。
侧向搬运安装时,尺⼨为500X700~1100;正向安装搬运时,尺⼨为(800)900X700~1100、4:空调百叶尺⼨宜⽐洞⼝尺⼨各留100得缝隙,便于搬运踏握。
三.室外机散热1:室外机尽量避免凹如墙体,避免停机与增加安装难度。
2:采⽤百叶或穿孔板围护时,空隙率应》75%,设计开启⽅向时,应便于安装操作。
部份空调室外机尺⼨(⼀)型号宽×深×⾼适应⾯积(平⽶)1、海尔KF—50LW/G(ZF) 780×245×540 (正2匹) 23.5-37?KF-48LW/G(K2) 780×245×540 (2匹) 23-35KFRd—48LW/G(K2) 780×245×540 (2匹) 23—35?KFRd—50LW/Z2 780×245×540 (正2匹) 23.5-372、美得?KF—43LW/Y-S2 780×250×540 (2匹) 20-31?KF R-43LW-S2 780×250×540 (2匹) 20—313、海信?KFR-45LW/28D 780×250×540 (2匹) 23-33KF-50LW/28 780×250×540 (正2匹) 26-37??4、奥克斯?KFR-46LW/ZVY760×260×540 (2匹) 22-30KF-46LW/ZVY 760×260×540 (2匹) 22—30?KFR-51LW/ZV Y760×260×540 (正2匹) 25-34KF-51LW/ZVY 760×260×540 (正2匹) 25-345、科龙KFR—43LW/NYF 760×255×540 (2匹) 19-29?KF-43LW/NY 760×255×540 (2匹) 19-29KFR—50LW/NYF 760×255×540 (正2匹) 23—34KF—50LW/NY 760×255×540 (正2匹) 23—346、长虹KF-45LW/H1 800×260×555 (2匹) 20-31KFR-45LW/DH1 800×260×555 (2匹) 20-31(⼆)海尔柜式2P冷暖空调KFRD-48LW/Z室外机尺⼨(mm):780*245*540海尔智慧眼1.5P变频冷暖空调KFR-36GW/M(BPF)(宽*深*⾼)外:710*255*840海尔空调KFR—52LW/BPJF 外机尺⼨:810*288*680mm?海尔空调KFRD-75LW/F 外机尺⼨:948*340*830mm海尔空调KFR-68LW/@BPF 外机尺⼨:948*340*830mm海尔空调KFR-58LW/K(BPQF) 外机尺⼨:860*308*730mm长虹壁挂式1P冷暖空调KFR—25GW/DC3 室外机外形尺⼨(mm):550*780*270?长虹壁挂式1、5P冷暖空调KFR—25GW/DL室外机:537×597×282〉?长虹3P冷暖柜机KFR-71LW/DFS (⾼×宽×深单位:mm) 室外机:885×870×354?长虹2P单冷柜机KF-51LW/FS (⾼×宽×深单位:mm) 室外机:558×867×316 ??美得⽴柜式KFR—50LW/F1Y换⽓世纪星空调宽x⾼x深室外机(mm)850X600X305美得⽴柜式KFR-50LW/IY空调⾼x宽x厚(mm) 室外机701X843X313 ?春兰强劲系列柜式空调器KFR—50LW/BD外形尺⼨(mm)深×宽×⾼:312×800×646?春兰柜式空调器KFR-60LW/d外形尺⼨(mm)深×宽×⾼:312×800×646?格⼒空调KFR—70LW/E1(7053L1)A⾼长深(MM) 700/950/412?格⼒空调KFR-50LW/K(5057L)Y ⾼长深(MM) 540/760/255 ?海信KFR—5001LW/BP室外机尺⼨:995*300*630 ??LG空调LP-S2052DA柜机2P680*555*265mm(长*⾼*深)?LG空调LP-S2552DA柜机2.5P870*655*320mmLG空调LP-Q3052DA柜机3P 870*655*320mm?LG空调LP-P2051HA柜机2P 870*655*320mm?LG柜机室外机尺⼨基本相同奥克斯空调KFR—25GW/ED壁挂1P260*760*540mm(深*长*⾼)?奥克斯空调KFR—32GW/ED壁挂⼩1。
空调功率马力匹与功率W及房间空调功率适用对照表马力(简称“匹”,英文缩写为hp) 是一个古老的功率单位。
现时除了汽车工业提及内燃机的功率、空调的制冷效能以外,平时已甚少机会使用马力这个单位,而会使用标准的国际功率单位瓦特。
1 hp = W空调功率与适用面积对照表:1匹适用居室面积:制冷8-15m2 制热8-12m2匹适用居室面积:制冷12-20m2 制热12-18m22匹适用居室面积:制冷24-30m2 制热20-26m2匹适用居室面积:制冷25-36m2 制热22-32m23匹适用居室面积:制冷32-42m2 制热30-38m<5匹适用居室面积:制冷38-50m2 制热36-46m2空调型号的含义空调的主要参数制冷量和制热量:空调调节室内气温的能量。
例如50机的制冷量5KW,制热量。
制冷功率和制热功率:空调的耗电量。
例如50机的制冷功率,制热功率+ 辅助电加热功率。
能效比:空调制冷量与制冷功率的比值。
例如50机的能效比是5÷=卖场所称空调的“匹”数,例如“1匹”、“匹”、“2匹”等等,是一种约定俗成的说法,指空调的制冷量。
二、空调主要机型的型号标识及其含义:1. KFR-25GW,简称25机;2. KFR-35GW,简称35机;|3. KFR-50LW,简称50机;4. KFR-60LW,简称60机;5. KFR-70LW,简称70机。
K:房间空调器F:分体式R:热泵型G:挂式室内机L:立式室内机W:室外机25、35、50、60、70:制冷量,分别为2500瓦、3500瓦、5000瓦、6000瓦、7000瓦。
其他数值的制冷量以此类推。
:空调型号字母中有“R”的为冷暖空调;没有“R”的是单冷空调。
在上述型号字母之后标有“BP”的,表示变频空调;没有“BP”的,表示定速空调;标有“ZBP”的,表示直流变频空调。
其他的字母数字是空调的系列号。
三、空调主要机型对应的匹数:【1】25机:1匹【2】35机:匹【3】50机:2匹【4】60机:匹【5】70机:3匹卖场习惯将以上5种标称,称为“正* 匹”;大于以上标称的称为“大* 匹”;小于以上标称的称为“小* 匹”。
美的分体空调技术参数表Midea 美的挂机(1匹)KFR-23GW/DY-N(E5)(推荐)【能效等级:5级】·市场价:¥2,285.00 (参考价)·申网价:¥1,950.00/台·简介:清静星系列小1P挂机,制冷适用面积:10-17平米、制热适用面积:12-16平米,制冷量:2300W、制热量:2750+660W。
基本参数:系列:清静星系列(净化空气,适合家里有老人与新生宝宝家庭)产地:佛山规格:1匹冷暖挂机标配管:3M室外机尺寸(宽*高*深)(mm):765*250*190室内机尺寸(宽*高*深)(mm):700*535*235技术参数:制冷使用面积10-17平米制热使用面积:12-16平米制冷量(W):2300制热量(W):2700+660制冷功率(W):825W制热功率(W):850+660WMidea 美的挂机(1匹)KFR-26GW/DY-P(E2)(推荐)【能效等级:2级】·市场价:¥4,141.00 (参考价)·申网价:¥3,520.00/台·简介:天净星系列1P挂机,制冷适用面积:12-19平米、制热适用面积:13-17平米,制冷量:2600W、制热量:3000+750。
商品特点:滤尘网自动除尘功能,除尘率高达93.4%。
智能内部清洁功能。
高密度滤尘网,滤尘效果提高78.6%。
“蝶恋花”浪漫意境画面。
40m3/h*强力换气,呼吸新鲜空气。
国际著名品牌压缩机,强劲、省电、寿命长。
基本参数:系列:超静星系列(适合追求高品质生活人群)产地:佛山规格:1匹冷暖挂机标配管:3M室外机尺寸(宽*高*深)(mm):843*540*250室内机尺寸(宽*高*深)(mm):850*300*200技术参数:制冷使用面积:12-19平米制热使用面积:13-17平米制冷量(W):2600制热量(W):3000Midea 美的挂机(1.5匹)KFR-35GW/DY-J(E5)(推荐)【能效等级:5级】·市场价:¥2,940.00 (参考价)·申网价:¥2,500.00/台·简介:高效冷静星系列1.5P挂机,制冷适用面积:16-25平米、制热适用面积:17-23平米,制冷量:3500W、制热量:4300+750W。
格力分体空调参数表GREE 格力挂机(1匹)KFR-23GW/K(2358)B2-HN5(特价)【能效比:2.77;能效等级:5级】·市场价:¥1,979.00 (参考价)·申网价:¥1,888.00/台·简介:新金豆小1P挂机,适用面积:10-16平米;制冷量:2300W,制热量:2560(3160);制冷功率:830W,制热功率:848(1448)W。
基本参数:系列:新金豆产地:珠海规格:1匹冷暖挂机标配管:3米室外机尺寸(mm)宽*高*深:720*430*260室内机尺寸(mm)宽*高*深:747*249*204技术参数:适用面积:10~16(㎡)制冷量(W):2300制热量(W):2560(3160)GREE 格力挂机(1匹)KFR-26GW/K(26538)-N2(推荐)(可选颜色:红/灰/白)【能效比:3.39;能效等级:2级】·市场价:¥4,088.00 (参考价)·申网价:¥3,720.00/台·简介:睡梦宝大1P挂机,适用面积:12-18平米,制冷量:2600W,制热量:2900(3500)W,制冷功率:766W,制热功率:796(1396)W。
基本参数:系列:睡梦宝产地:珠海规格:1匹冷暖挂机标配管:3.5米室外机尺寸(mm)宽*高*深:848*540*320室内机尺寸(mm)宽*高*深:815*267*168技术参数:适用面积:12~18(㎡)制冷量(W):2600制热量(W):2900(3500)GREE 格力挂机(1.5匹)KFR-32GW/E(3252)Fd(推荐)【能效比:6.15】·市场价:¥6,238.00 (参考价)·申网价:¥5,950.00/台·简介:幸运神(直流变频)小1.5P挂机,适用面积:15-22平米,制冷量:3200W,制热量:4100W,制冷功率:900W,制热功率:1200W。
1P是2000---2500大卡(800---950瓦)1.5P是3200---3600大卡(1100---1300瓦)2P是4600---5100大卡(1600---1950瓦)3P是6000---7200大卡(2500----2980瓦)以上我说的是大致的制冷量和功率,仅供参考!一般来说,空调功率与房间面积对应如下:1匹——12平方米,1.5匹——18平方米,2匹——28平方米,2.5匹——40平方米,3匹——50平方米,5匹——70平方米。
房间面积空调功率10平方米以内1匹以下10-18平方米1匹-1.5匹18-25平方米 1.5匹-2匹25-35平方米2匹-小2匹35-45平方米 2.5匹-3匹45平方米以上3匹以上如何选用空调及空调匹数与功率的计算关系定速空调的制冷功率(约为):1匹800瓦,1.5匹1200瓦,2匹1800瓦,2.5匹2200瓦,3匹2800瓦,5匹4600瓦。
房屋的结构设施千差万别,环境条件的变数极多,使用习惯因人而异。
空调器以开停的时间比例应对各种差别与变化。
空调房间的室内外温差以5~7℃比较适宜。
温差每增加1℃,制冷量就要增加10%。
以室内26℃温度为例,环境温度从32℃变化到38℃,室内外温差从6℃增加到12℃,制冷量要增加到1.8倍。
还有降温速度快慢等要求。
空调功率的选择是一个较大的范围。
空调器的使用过程,包含了开机后降温和降温后保温二个过程。
降温一般在开机后头一个小时,保温则是以后的大段时间。
二者对制冷量的需求相距甚大。
通常按降温的冷量需求来选购机型。
有些地方介绍在150~250W/平米范围中选型。
推销员害怕达不到温度会遭投诉,顾客想多花点钱一次到位,大多数是宁大勿小的保守选择。
其实空调器选得过大害处不少。
冷气是增加了,噪声也加大了。
对居室的舒适而言,温度与噪声是二者同样重要。
比如二匹机装到卧室就不合适。
如果属于“大马拉小车”就会造成开停机的过于频繁。
我们不要以人体感觉看待机器,人体劳动一会儿,肌肉疲劳就想休息。
1P:11-17㎡1.5P:18-25㎡ 2P:25-37㎡ 3P:40-45㎡ 5P:60㎡左右 10P:100㎡左右一般可套公式计算房间所需的制冷量、制热量。
制冷量房间面积×135W至180W;制热量房间面积×180W至240W别墅(面积X100w 制热量面积x80w)补充关于“匹” : 1P=0.735kW“匹”是一个功率单位,就是一匹马力的意思:一匹马力=750W 。
对于家用空调器,“匹”指的是输入功率。
换算成我国习惯的以输出功率表示的W。
一“匹”相当于2200W--2600W。
所以用匹来衡量还是太粗了,也就出现了所谓的“大一匹”,“小一匹”之说。
一般说的一“匹”指的是制冷量为2300-2500w。
大约的输入功率在800W左右。
4500(w)- 5100(w)可称为2匹,3200W一3600W 可称为1.5匹。
空调匹数的计算与选择一般来说,1匹的制冷量大致力2000大卡,换算成国际单位应乘以1.162,故1匹之制冷量应力2000大卡×1.162=2324(w),这里的w(瓦)即表示制冷量,则1.5匹的应为2000大卡×1.5×1.162=3486(w),以此类推,根据此情况,则大致能判定空调的匹数和制冷量,一般情况下,2200W一2600W都可称为1匹,4500(w)- 5100(w)可称为2匹,3200W一3600W可称为1.5匹。
制冷量确定后,即可根据目己家庭之实际情况估算制冷量,选择合适的空调机。
1.5匹或2匹空调的功率是多少?即多少千瓦?1.5匹或2匹空调的功率是多少?即多少千瓦?提问时间: 2007-07-02 19:23:44 评论┆ 举报最佳答案此答案由提问者自己选择,并不代表新浪爱问知识人的观点回答:网络朋友级别:大师2007年7月2日空调匹数的概念主要是根据压缩机电机的输出功率而定的。
1匹机的压缩机电机输出功率为735W。
空调适用面积:■1P: 11-17㎡■1.25P: 18-23㎡■1.5P: 18-25㎡■2P: 30-33㎡■2.5P: 27-42㎡■3P: 40-45㎡■5P: 60㎡左右■10P: 100㎡左右买空调原则:买大不买小。
买小了的坏处及提示:1:空调温度达不到你设定的温度,压缩机不停运转,空调寿命缩短!!2:温度达不到你设定的温度,你空调的压缩机不停的工作,费电啊!!3:买空调最好以制热量计算空调的匹数(P数),不然空调冬天使用达不到制热效果!4:IP=2500W(约),考虑楼层,朝向,西晒,使用场合等制冷损失买个偏大点的。
5:每平方米空调需要的制冷量/制热量,(制冷按150W--200W计算;制热请按200W--250W计算)从而推出房间面积使用空调制冷的计算公式:■=制冷量÷150W■即为适应房间的面积■+2=MAX (“MAX”为适应最大面积 )■-2=MIN (“MIN”为适应最小面积 )例如1:空调:KFR-2600GW/BP制冷量:2600W 2600/150W=17㎡ ;17+2=19㎡ ;17-2-15㎡即该空调适用面积为:15-19㎡,空调的匹数也由此而来。
例如2:房间13㎡制冷量=13x200W=2600W 即1.25P 根据制冷量给空调分类:1P:2300W-2500W1.25P:2600W-2800W1.5P:3000W-3600W2P:4000W-5200W2.5P:5800W-6200W3P:6500W-7200W5P:1200W10P:2400W耗电量:1P:900W左右1.5P:1300W左右2P:1800W左右3P:2800W左右5P:5000W左右10P:10000W左右。
注:一般为民用,电压:220V. 5P、10P为商用机,电压:380V。
房屋面积和空调匹数以及功率换算房屋面积和空调匹数以及功率换算“匹”HP是空调机组压缩机的输入电功率。
1HP=735W。
家用空调的耗电量与压缩机输入电功率以及压缩机运行时间有关,空调的制冷量的大小Q=压缩机输入电功率HP X 空调机组能效比COP 。
一般情况,1匹的制冷量大致为2000大卡,换算成国际单位制W 乘以1.162 。
所以:1匹=2000大卡=2324W一般2200~2600W-----------都可以叫1匹;3200~3600W-----------都可以叫1.5匹;4500~5100W-----------都可以叫2匹。
现在空调厂家的产品和通常导购员说的如下:小1匹2200—2300W不等,适用于8—13平米正1匹2500W 适用10—15平米小1.5匹3200—3300W 适用13—20平米正1.5匹3500W 适用15—22平米正2匹5000或5100W 适用20—31平米一般来说用瓦数除以250W—160W就是适用面积数补充说明下:空调的制冷量是kw(千瓦),不是匹,匹这个单位是从来不用于描述制冷量的.计算使用多大制冷量的空调,要根据房间的面积和环境.1.不顶楼不西晒的房间,每平方米制冷量应该在100w-150w,再根据房屋的面积计算得到制冷功率=150*面积*1.1*1.1后面乘2次1.1是对空调功率的放大,因为一般空调都达不到标称的制冷功率,比如说房间面积是14平方米,那么选用的空调制冷功率应该为150*14*1.1*1.1=2541w,也就是说您选择25或者26的空调就可以了,使用起来比较舒适.2.有顶楼或者西晒中的任何一条,每平方的制冷量至少要是200w,西晒又顶楼的话,每平方的制冷量至少要达到250w.。
空调适用面积:
■1P:11-17㎡
■1.25P: 18-23㎡
■1.5P: 18-25㎡
■2P: 30-33㎡
■2.5P: 27-42㎡
■3P: 40-45㎡
■5P: 60㎡左右
■10P: 100㎡左右
买空调原则:买大不买小。
买小了的坏处及提示:
1:空调温度达不到你设定的温度,压缩机不停运转,空调寿命缩短!!
2:温度达不到你设定的温度,你空调的压缩机不停的工作,费电啊!!
3:买空调最好以制热量计算空调的匹数(P数),不然空调冬天使用达不到制热效果!
4:IP=2500W(约),考虑楼层,朝向,西晒,使用场合等制冷损失买个偏大点的。
5:每平方米空调需要的制冷量/制热量,
(制冷按150W--200W计算;制热请按200W--250W计算)
从而推出房间面积使用空调制冷的计算公式:
■=制冷量÷150W
■即为适应房间的面积
■+2=MAX (“MAX”为适应最大面积)
■-2=MIN (“MIN”为适应最小面积)
例如1:空调:KFR-2600GW/BP
制冷量:2600W 2600/150W=17㎡;
17+2=19㎡;17-2-15㎡
即该空调适用面积为:15-19㎡,
空调的匹数也由此而来。
例如2:房间13㎡制冷量=13x200W=2600W 即1.25P
根据制冷量给空调分类:
1P:2300W-2500W
1.25P:2600W-2800W
1.5P:3000W-3600W
2P:4000W-5200W
2.5P:5800W-6200W
3P:6500W-7200W
5P:1200W
10P:2400W
耗电量:
1P:900W左右
1.5P:1300W左右
2P:1800W左右
3P:2800W左右
5P:5000W左右
10P:10000W左右。
注:一般为民用,电压:220V. 5P、10P为商用机,电压:380V。