锚索注浆施工记录(范例)
- 格式:xls
- 大小:27.00 KB
- 文档页数:1
项目技术负责人:项目专业质量检
查员:
专业工长(施工员): 年 月 日
市政施-29
共 页,第 页土层锚杆注浆施工记录
土层锚杆注浆施工记录 市政施-29说明:
一、适用范围: 土层锚杆注浆施工必须用本表作施工记录
二、执行标准:城市桥梁工程施工与验收规范,CJJ2;公路桥涵施工技术规范,JTJ041;建筑地基基础工程施工质量验收规范,GB50202;
混凝土结构工程施工质量验收规范,GB50204等。
以最新颁布的规范、标准为准。
三、表内填写提示
部位里程:本机本天施工的锚杆所在的部位及里程范围。
注浆设备:根据所用设备名称填写。
注浆材料及强度要求:按设计图要求填写。
配合比编号:填写由具有相应资质试验室提供的注浆材料配合比设计报告编号。
序号:为当天施工的流水号。
锚杆编号:杆号与设计图或自编锚杆杆位图一致。
地质类别:根据锚杆施工段的土质填写。
钻孔长度:土层面钻至终孔的长度。
(跟土层锚杆钻孔施工记录表一致)
停浆面深度:实测土层面至压浆面的长度。
注浆长度:钻孔长度-停浆面深度。
注浆起止时间:指开始注浆至停止注浆时间。
注浆压力:按压力表停止注浆时数据填写。
注浆量:流量计显示的累计注浆量。
备注:填写施工过程中出现的问题、处理情况及需要补充说明的其他内容。
锚杆注浆施工记录表工程名称:大锦山环山路东肖接线工程设计钻孔直径:φ130mm 钻机型号:xy-30 锚孔倾角15°钢筋型号:φ28注:锚杆灌浆材料及配合比为水泥:砂:水锚杆注浆施工记录表工程名称:天立·水晶郦苑边坡治理锚喷工程建设单位:泸州市兴胜房地产开发有限公司设计单位:四川省泸州地质勘察施工公司监理单位:四川江阳工程项目管理监理有限公司设计钻孔直径:φ91mm 钻机型号:xy-30 锚孔倾角15°钢筋型号:1Φ25;Φ14连接筋φ6.5网片筋间距为:200×200记录员:施工单位:重庆市基础工程有限公司注:锚杆灌浆材料及配合比为水泥:砂:水锚杆注浆施工记录表工程名称:天立·水晶郦苑边坡治理锚喷工程建设单位:泸州市兴胜房地产开发有限公司设计单位:四川省泸州地质勘察施工公司监理单位:四川江阳工程项目管理监理有限公司设计钻孔直径:φ91mm 钻机型号:xy-30 锚孔倾角15°钢筋型号:1Φ25;Φ14连接筋φ6.5网片筋间距为:200×200施工部位:7号楼内侧2面记录员:施工单位:重庆市基础工程有限公司注:锚杆灌浆材料及配合比为水泥:砂:水锚杆注浆施工记录表工程名称:天立·水晶郦苑边坡治理锚喷工程建设单位:泸州市兴胜房地产开发有限公司设计单位:四川省泸州地质勘察施工公司监理单位:四川江阳工程项目管理监理有限公司设计钻孔直径:φ91mm 钻机型号:xy-30 锚孔倾角15°钢筋型号:1Φ25;Φ14连接筋φ6.5网片筋间距为:200×200记录员:施工单位:重庆市基础工程有限公司注:锚杆灌浆材料及配合比为水泥:砂:水锚杆注浆施工记录表工程名称:天立·水晶郦苑边坡治理锚喷工程建设单位:泸州市兴胜房地产开发有限公司设计单位:四川省泸州地质勘察施工公司监理单位:四川江阳工程项目管理监理有限公司设计钻孔直径:φ91mm 钻机型号:xy-30 锚孔倾角15°钢筋型号:1Φ25;Φ14连接筋φ6.5网片筋间距为:200×200记录员:施工单位:重庆市基础工程有限公司注:锚杆灌浆材料及配合比为水泥:砂:水锚杆注浆施工记录表工程名称:天立·水晶郦苑边坡治理锚喷工程建设单位:泸州市兴胜房地产开发有限公司设计单位:四川省泸州地质勘察施工公司监理单位:四川江阳工程项目管理监理有限公司设计钻孔直径:φ91mm 钻机型号:xy-30 锚孔倾角15°钢筋型号:1Φ25;Φ14连接筋φ6.5网片筋间距为:200×200记录员:施工单位:重庆市基础工程有限公司注:锚杆灌浆材料及配合比为水泥:砂:水锚杆注浆施工记录表工程名称:天立·水晶郦苑边坡治理锚喷工程建设单位:泸州市兴胜房地产开发有限公司设计单位:四川省泸州地质勘察施工公司监理单位:四川江阳工程项目管理监理有限公司设计钻孔直径:φ91mm 钻机型号:xy-30 锚孔倾角15°钢筋型号:1Φ25;Φ14连接筋φ6.5网片筋间距为:200×200施工部位:8号楼内侧3坡面记录员:施工单位:重庆市基础工程有限公司注:锚杆灌浆材料及配合比为水泥:砂:水锚杆注浆施工记录表工程名称:天立·水晶郦苑边坡治理锚喷工程建设单位:泸州市兴胜房地产开发有限公司设计单位:四川省泸州地质勘察施工公司监理单位:四川江阳工程项目管理监理有限公司设计钻孔直径:φ91mm 钻机型号:xy-30 锚孔倾角15°钢筋型号:1Φ25;Φ14连接筋φ6.5网片筋间距为:200×200记录员:施工单位:重庆市基础工程有限公司注:锚杆灌浆材料及配合比为水泥:砂:水锚杆注浆施工记录表工程名称:天立·水晶郦苑边坡治理锚喷工程建设单位:泸州市兴胜房地产开发有限公司设计单位:四川省泸州地质勘察施工公司监理单位:四川江阳工程项目管理监理有限公司设计钻孔直径:φ91mm 钻机型号:xy-30 锚孔倾角15°钢筋型号:1Φ25;Φ14连接筋φ6.5网片筋间距为:200×200施工部位:8号楼内侧3坡面记录员:施工单位:重庆市基础工程有限公司注:锚杆灌浆材料及配合比为水泥:砂:水锚杆注浆施工记录表工程名称:天立·水晶郦苑边坡治理锚喷工程建设单位:泸州市兴胜房地产开发有限公司设计单位:四川省泸州地质勘察施工公司监理单位:四川江阳工程项目管理监理有限公司设计钻孔直径:φ91mm 钻机型号:xy-30 锚孔倾角15°钢筋型号:1Φ25;Φ14连接筋φ6.5网片筋间距为:200×200记录员:施工单位:重庆市基础工程有限公司注:锚杆灌浆材料及配合比为水泥:砂:水锚杆注浆施工记录表工程名称:天立·水晶郦苑边坡治理锚喷工程建设单位:泸州市兴胜房地产开发有限公司设计单位:四川省泸州地质勘察施工公司监理单位:四川江阳工程项目管理监理有限公司设计钻孔直径:φ91mm 钻机型号:xy-30 锚孔倾角15°钢筋型号:1Φ25;Φ14连接筋φ6.5网片筋间距为:200×200施工部位:8号楼内侧3坡面记录员:施工单位:重庆市基础工程有限公司注:锚杆灌浆材料及配合比为水泥:砂:水锚杆注浆施工记录表工程名称:天立·水晶郦苑边坡治理锚喷工程建设单位:泸州市兴胜房地产开发有限公司设计单位:四川省泸州地质勘察施工公司监理单位:四川江阳工程项目管理监理有限公司设计钻孔直径:φ91mm 钻机型号:xy-30 锚孔倾角15°钢筋型号:1Φ25;Φ14连接筋φ6.5网片筋间距为:200×200记录员:施工单位:重庆市基础工程有限公司注:锚杆灌浆材料及配合比为水泥:砂:水锚杆注浆施工记录表工程名称:天立·水晶郦苑边坡治理锚喷工程建设单位:泸州市兴胜房地产开发有限公司设计单位:四川省泸州地质勘察施工公司监理单位:四川江阳工程项目管理监理有限公司设计钻孔直径:φ91mm 钻机型号:xy-30 锚孔倾角15°钢筋型号:1Φ25;Φ14连接筋φ6.5网片筋间距为:200×200施工部位:8号楼内侧3坡面记录员:施工单位:重庆市基础工程有限公司注:锚杆灌浆材料及配合比为水泥:砂:水锚杆注浆施工记录表工程名称:天立·水晶郦苑边坡治理锚喷工程建设单位:泸州市兴胜房地产开发有限公司设计单位:四川省泸州地质勘察施工公司监理单位:四川江阳工程项目管理监理有限公司设计钻孔直径:φ91mm 钻机型号:xy-30 锚孔倾角15°钢筋型号:1Φ25;Φ14连接筋φ6.5网片筋间距为:200×200记录员:施工单位:重庆市基础工程有限公司注:锚杆灌浆材料及配合比为水泥:砂:水锚杆注浆施工记录表工程名称:天立·水晶郦苑边坡治理锚喷工程建设单位:泸州市兴胜房地产开发有限公司设计单位:四川省泸州地质勘察施工公司监理单位:四川江阳工程项目管理监理有限公司设计钻孔直径:φ91mm 钻机型号:xy-30 锚孔倾角15°钢筋型号:1Φ25;Φ14连接筋φ6.5网片筋间距为:200×200记录员:施工单位:重庆市基础工程有限公司注:锚杆灌浆材料及配合比为水泥:砂:水锚杆注浆施工记录表工程名称:天立·水晶郦苑边坡治理锚喷工程建设单位:泸州市兴胜房地产开发有限公司设计单位:四川省泸州地质勘察施工公司监理单位:四川江阳工程项目管理监理有限公司设计钻孔直径:φ91mm 钻机型号:xy-30 锚孔倾角15°钢筋型号:1Φ25;Φ14连接筋φ6.5网片筋间距为:200×200注:锚杆灌浆材料及配合比为水泥:砂:水锚杆注浆施工记录表工程名称:天立·水晶郦苑边坡治理锚喷工程建设单位:泸州市兴胜房地产开发有限公司设计单位:四川省泸州地质勘察施工公司监理单位:四川江阳工程项目管理监理有限公司设计钻孔直径:φ91mm 钻机型号:xy-30 锚孔倾角15°钢筋型号:1Φ25;Φ14连接筋φ6.5网片筋间距为:200×200记录员:施工单位:重庆市基础工程有限公司注:锚杆灌浆材料及配合比为水泥:砂:水锚杆注浆施工记录表工程名称:天立·水晶郦苑边坡治理锚喷工程建设单位:泸州市兴胜房地产开发有限公司设计单位:四川省泸州地质勘察施工公司监理单位:四川江阳工程项目管理监理有限公司设计钻孔直径:φ91mm 钻机型号:xy-30 锚孔倾角15°钢筋型号:1Φ25;Φ14连接筋φ6.5网片筋间距为:200×200记录员:施工单位:重庆市基础工程有限公司注:锚杆灌浆材料及配合比为水泥:砂:水锚杆注浆施工记录表工程名称:天立·水晶郦苑边坡治理锚喷工程建设单位:泸州市兴胜房地产开发有限公司设计单位:四川省泸州地质勘察施工公司监理单位:四川江阳工程项目管理监理有限公司设计钻孔直径:φ91mm 钻机型号:xy-30 锚孔倾角15°钢筋型号:1Φ25;Φ14连接筋φ6.5网片筋间距为:200×200记录员:施工单位:重庆市基础工程有限公司注:锚杆灌浆材料及配合比为水泥:砂:水锚杆注浆施工记录表工程名称:天立·水晶郦苑边坡治理锚喷工程建设单位:泸州市兴胜房地产开发有限公司设计单位:四川省泸州地质勘察施工公司监理单位:四川江阳工程项目管理监理有限公司设计钻孔直径:φ25mm 钻机型号:FG-30 锚孔倾角15°钢筋型号:1Φ14;Φ14连接筋φ6.5网片筋间距为:300×300记录员:施工单位:重庆市基础工程有限公司注:锚杆灌浆材料及配合比为水泥:砂:水锚杆注浆施工记录表工程名称:天立·水晶郦苑边坡治理锚喷工程建设单位:泸州市兴胜房地产开发有限公司设计单位:四川省泸州地质勘察施工公司监理单位:四川江阳工程项目管理监理有限公司设计钻孔直径:φ25mm 钻机型号:FG-30 锚孔倾角15°钢筋型号:1Φ14;Φ14连接筋φ6.5网片筋间距为:300×300。
注:注浆材料及配合比应包括外加剂的名称及数量。
注:注浆材料及配合比应包括外加剂的名称及数量。
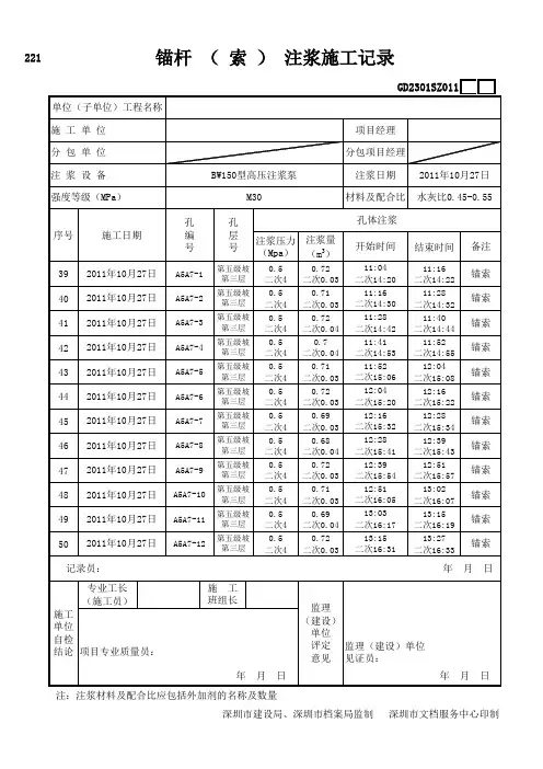
锚杆(土钉)注浆施工记录
注:注浆材料及配合比应包括外加剂的名称及数量。
注:注浆材料及配合比应包括外加剂的名称及数量。
注:注浆材料及配合比应包括外加剂的名称及数量。
注:注浆材料及配合比应包括外加剂的名称及数量。
注:注浆材料及配合比应包括外加剂的名称及数量。
注:注浆材料及配合比应包括外加剂的名称及数量。
注:注浆材料及配合比应包括外加剂的名称及数量。
注:注浆材料及配合比应包括外加剂的名称及数量。
锚杆(土钉)注浆施工记录
注:注浆材料及配合比应包括外加剂的名称及数量。
高压喷射扩大头锚索施工记录表工程名称:晋江市第五实验小学(江浦分校) 锚固体直径:400mm高压喷射扩大头锚索施工记录表工程名称:漳州农商银行总部大楼基坑支护工程 锚固体直径:450mm高压喷射扩大头锚索施工记录表工程名称:漳州农商银行总部大楼基坑支护工程 锚固体直径:450mm高压喷射扩大头锚索施工记录表工程名称:漳州农商银行总部大楼基坑支护工程 锚固体直径:450mm高压喷射扩大头锚索施工记录表工程名称:漳州农商银行总部大楼基坑支护工程 锚固体直径:450mm高压喷射扩大头锚索施工记录表工程名称:漳州农商银行总部大楼基坑支护工程 锚固体直径:450mm高压喷射扩大头锚索施工记录表工程名称:漳州农商银行总部大楼基坑支护工程 锚固体直径:450mm高压喷射扩大头锚索施工记录表工程名称:漳州农商银行总部大楼基坑支护工程 锚固体直径:450mm高压喷射扩大头锚索施工记录表工程名称:漳州农商银行总部大楼基坑支护工程 锚固体直径:450mm高压喷射扩大头锚索施工记录表工程名称:漳州农商银行总部大楼基坑支护工程 锚固体直径:450mm高压喷射扩大头锚索施工记录表工程名称:漳州农商银行总部大楼基坑支护工程 锚固体直径:450mm高压喷射扩大头锚索施工记录表工程名称:漳州农商银行总部大楼基坑支护工程 锚固体直径:450mm高压喷射扩大头锚索施工记录表工程名称:漳州农商银行总部大楼基坑支护工程 锚固体直径:450mm高压喷射扩大头锚索施工记录表工程名称:漳州农商银行总部大楼基坑支护工程 锚固体直径:450mm高压喷射扩大头锚索施工记录表工程名称:漳州农商银行总部大楼基坑支护工程 锚固体直径:450mm高压喷射扩大头锚索施工记录表工程名称:漳州农商银行总部大楼基坑支护工程 锚固体直径:450mm。
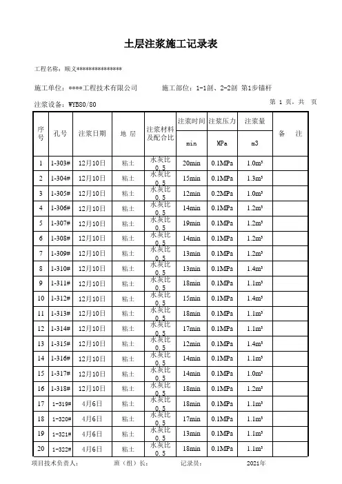
第 1 页,共 页工程名称:顺义***************施工单位:****工程技术有限公司 施工部位:1-1剖、2-2剖 第1步锚杆注浆设备:WYB80/80第 2 页,共 页工程名称:顺义***************施工单位:****工程技术有限公司 施工部位:1-1剖、2-2剖 第1步锚杆注浆设备:WYB80/80第 3 页,共 页工程名称:顺义***************施工单位:****工程技术有限公司 施工部位:1-1剖、2-2剖 第1步锚杆注浆设备:WYB80/80第 4 页,共 页工程名称:顺义***************施工单位:****工程技术有限公司 施工部位:1-1剖、2-2剖 第1步锚杆注浆设备:WYB80/80第 5 页,共 页工程名称:顺义***************施工单位:****工程技术有限公司 施工部位:1-1剖、2-2剖 第1步锚杆注浆设备:WYB80/80第 6 页,共 页工程名称:顺义***************施工单位:****工程技术有限公司 施工部位:1-1剖、2-2剖 第1步锚杆注浆设备:WYB80/80第 7 页,共 页工程名称:顺义***************施工单位:****工程技术有限公司 施工部位:1-1剖、2-2剖 第1步锚杆注浆设备:WYB80/80第 8 页,共 页工程名称:顺义***************施工单位:****工程技术有限公司 施工部位:1-1剖、2-2剖 第1步锚杆注浆设备:WYB80/80第 9 页,共 页工程名称:顺义***************施工单位:****工程技术有限公司 施工部位:1-1剖、2-2剖 第1步锚杆注浆设备:WYB80/80第 10 页,共 页工程名称:顺义***************施工单位:****工程技术有限公司 施工部位:1-1剖、2-2剖 第1步锚杆注浆设备:WYB80/80第 11 页,共 页工程名称:顺义***************施工单位:****工程技术有限公司 施工部位:1-1剖、2-2剖 第1步锚杆注浆设备:WYB80/80第 12 页,共 页工程名称:顺义***************施工单位:****工程技术有限公司 施工部位:1-1剖、2-2剖 第1步锚杆注浆设备:WYB80/80第 13 页,共 页工程名称:顺义***************施工单位:****工程技术有限公司 施工部位:1-1剖、2-2剖 第1步锚杆注浆设备:WYB80/80第 14 页,共 页工程名称:顺义***************施工单位:****工程技术有限公司 施工部位:1-1剖、2-2剖 第1步锚杆注浆设备:WYB80/80第 15 页,共 页工程名称:顺义***************施工单位:****工程技术有限公司 施工部位:1-1剖、2-2剖 第1步锚杆注浆设备:WYB80/80第 16 页,共 页工程名称:顺义***************施工单位:****工程技术有限公司 施工部位:1-1剖、2-2剖 第1步锚杆注浆设备:WYB80/80第 17 页,共 页工程名称:顺义***************施工单位:****工程技术有限公司 施工部位:1-1剖、2-2剖 第1步锚杆注浆设备:WYB80/80。
土层锚索(杆)注浆施工记录表施检表 84承包单位:合同段:监理单位:编号:第页共页项目名称桩号及部位注浆日期注浆设施注浆资料标号配合比锚索(杆)一次注浆二次注浆备注编号日期开始时间结束时间注浆量设计注浆量开始时间结束时间注浆压力持压时间注浆量( L)( L)( MPa)( min )(L)自检监理意见意见署名:日期:署名:日期:记录复核技术负责人日期注: 1、灌浆资料及配合比应包含外加剂的名称及掺量土层锚索(杆)钻孔施工记录表施检表 83承包单位:合同段:监理单位:编号:第页共页项目名称桩号及部位钻孔日期设计钻孔长度设计钻孔直径设计钻孔倾角钻机型号锚索(杆)地层钻孔日期钻孔长度钻孔直径钻孔倾角套管外径套管长度备注编号类别日期开始时间结束时间(m)(cm)( 0)(cm)(m) 自检监理意见署名:日期:意见署名:日期:记录复核技术负责人日期注: 1、备注栏记录钻孔过程中出现的状况,如塌孔、缩径、地下水及相位的办理方法。
2、扩大头锚索(杆)钻孔可增添实测扩大头直径一栏。
锚索编制安装质量查验报告单承包单位:合同段:监理单位:编号:第页共页项目名称桩号及部位施工日期锚索编号设计长度检测日期规定值或检查方法项目检测项目单位检测值附注同意误差或频次1锚索1、钢绞线长度应2长度较设计增添张拉3工作长度 1.0M;4 锚固段长度5 隔绝架间距 2 、外观检查应包6 锚索入孔深度括钢绞线与承载体的固定、钢绞线外观检查与注浆管地点、钢自检监理绞线能否交缠等意见署名:日期:建议署名:日期:等。
检测复核技术负责人日期锚索(杆)钻孔施工记录表工程名称施工部位施工单位图纸编号设计孔深设计孔径设计倾角钻机型号钻孔日期钻孔时间钻孔深度钻孔直径钻孔倾角锚杆编号地质状况描绘备注(min)( m)(mm)(o)业主单位监理单位施工单位现场代表:监理工程师:司钻机长:质检员:年月日年月日施工员:年月日锚索(杆)注浆施工记录表工程名称施工部位注浆日期施工单位图纸编号注浆设施锚孔编号日期注浆资料注浆时间开始时间结束时间配合比压力(Mpa)理论注浆量( L)标号实质注浆量( L)备注试件留置备注施工员:现场代表:监理工程师:业主监理施工技术负责人:单位单位单位年月日年月日年月日。
土层锚索(杆)注浆施工记录表
施检表84
承包单位:合同段:
监理单位:编号:第页共页
欧阳学创编 2020.03.03
注:1、灌浆材料及配合比应包括外加剂的名称及掺量
土层锚索(杆)钻孔施工记录表施检表83
欧阳学创编 2020.03.03
注:1、备注栏记录钻孔过程中出现的情况,如塌孔、缩径、地下水及相位的处理方法。
2、扩大头锚索(杆)钻孔可增加实测扩大头直径一栏。
锚索编制安装质量检验报告单
承包单位:合同段:
监理单位:编号:第页共页
欧阳学创编 2020.03.03
欧阳学创编 2020.03.03
锚索(杆)钻孔施工记录表
工程名称施工部位
施工单位图纸编号设计孔深设计孔径设计倾角钻机型号钻孔日期
锚杆编号
钻孔时间
(min)
钻孔深度
(m)
钻孔直径
(mm)
钻孔倾角
(º)
地质情况描述备注业主单位监理单位施工单位
现场代表:
年月日监理工程师:
年月日
司钻机长:
质检员:
施工员:
年月日
锚索(杆)注浆施工记录表。