特种设备检验周期一览表
- 格式:doc
- 大小:331.00 KB
- 文档页数:5
特种设备检验周期一览表特种设备检验周期一览表如下:1.锅炉(1000):外部检验一般每年一次,内部检验一般每2年一次。
水压试验一般每6年一次。
对于无法进行内部检验的锅炉,应该每三年进行一次水压试验。
2.压力(2000):固定式(2100)年度检查,全面检验每年至少一次。
一般应当于投用后3年内进行首次全面检验。
定期检验周期由检验机构根据压力的安全状况等级确定。
安全状况等级为1、2级的,一般每6年一次;安全状况等级为3级的,一般3~6年一次;安全状况等级为4级的,其检验周期由检验机构确定。
安全状况等级为5级的,应当对缺陷进行处理,否则不得继续使用。
3.移动式压力:在用罐车的定期检验分为年度检验、全面检验和耐压试验。
新罐车首次检验1年;安全状况等级为1、2级的,汽车罐车每5年至少一次,铁路罐车每4年至少一次,罐式集装箱每5年至少一次;安全状况等级为3级,汽车罐车每3年至少一次,铁路罐车每2年至少一次,罐式集装箱每2.5年至少一次。
4.长管拖车(222):首次定期检验3年(充装A类介质);4年(充装B类介质)。
年度检验每6年至少进行一次,全面检验每年至少1次。
以上设备的检验周期均根据相关规程和标准确定,以确保设备的安全运行和使用。
则和相关标准规定执行。
对于已经使用的管道,每年进行一次定期检验,同时根据实际情况进行必要的中间检验。
对于压力管道元件,每年进行一次定期检验,同时根据实际情况进行必要的中间检验。
《压力管道安全技术监察规程》GB -98第4.4条。
气瓶是一种盛装气体的,不同类型的气瓶有不同的检验周期。
盛装腐蚀性气体的气瓶每2年检验一次,盛装一般气体的气瓶每3年检验一次,盛装惰性气体的气瓶每5年检验一次。
液化石油气钢瓶的检验周期根据国家标准GB 8334的规定,不同型号的瓶子有不同的周期,车用液化石油气钢瓶每五年检验一次,车用压缩天然气钢瓶每三年检验一次。
低温绝热气瓶每三年检验一次。
需要注意的是,在汽车报废时,车用气瓶也需要同时报废。
特种设备检验周期一览表
序设备名称及代码检验周期文件号发文、实备注
1996.8.19(劳锅字[1997]1997.发布;74号)第105起施行。
1.1条。
月年62004《压力容器定期日颁布;TS(23
检验规则》2004.9.23G R7001-200起实施164)第条。
1997.2.1每年至少校验一次。
压力表《热水锅炉安全发布。
4技术监察规程》[1997](劳锅字109号)第74条。
《压力容器定期TS检验规则》(每年至少校验一次。
爆破片G R7001-200条。
164)第每二年应进行限速器动作速度校未找到相关规定限速器验一次。
防坠安全器每二年应进行安全器动作速度校验一次。
《压力容器定期测量温度的仪TS表(检验规则》G R7001-200条。
4)第16 1997.2.1每年至少检验一次。
《热水锅炉安全 4发布。
技术监察规程》[1997](劳锅字114号)第74条。
《压力容器定期液位计TS(检验规则》每年至少检验一次。
G R7001-200条。
16)第4。
特种设备检测周期一览表(最新)
特种设备是指在使用过程中可能会对人身和财产安全产生重大危险的设备。
根据相关法律法规,所有特种设备都需要定期进行检测,以确保其安全可靠的运行。
本文档为特种设备检测周期一览表的最新版本,提供了各种特种设备的检测周期信息。
一、锅炉及压力类
1. 高压锅炉:每年检测一次
2. 中压锅炉:每2年检测一次
3. 低压锅炉:每3年检测一次
4. 压力:根据型号和用途确定检测周期,一般为每2-5年检测一次
二、电梯类
1. 定期检验:高层建筑电梯每4年检测一次,低层建筑电梯每6年检测一次
2. 年度检验:每年检测一次,包括电梯基础设施和安全装置的检查和维护
三、压力管道类
1. 常规压力管道:每2年检测一次
2. 热力管道(除地热外):每3年检测一次
3. 工业运输管道:每5年检测一次
4. 煤气、石油管道:每年检测一次
四、起重机械类
1. 起重机械:根据起重机械的类型和用途确定检测周期,一般为每3-5年检测一次
2. 升降机:每年检测一次
五、客运索道类
1. 缆车:每年检测一次
2. 人工输送索道:每年检测一次
六、大型游乐设施类
1. 大型游乐设施:根据设施类型和用途确定检测周期,一般为每1-3年检测一次
七、特种设备定期检验
除上述特种设备的常规检测周期外,特种设备在投入使用前需要进行定期检验,以确保其符合相关安全标准和技术规范。
具体的定期检验周期由特种设备的设计、制造单位根据国家规定确定。
请注意:以上检测周期仅供参考,实际情况需根据国家法律法规和相关规定进行具体确定。
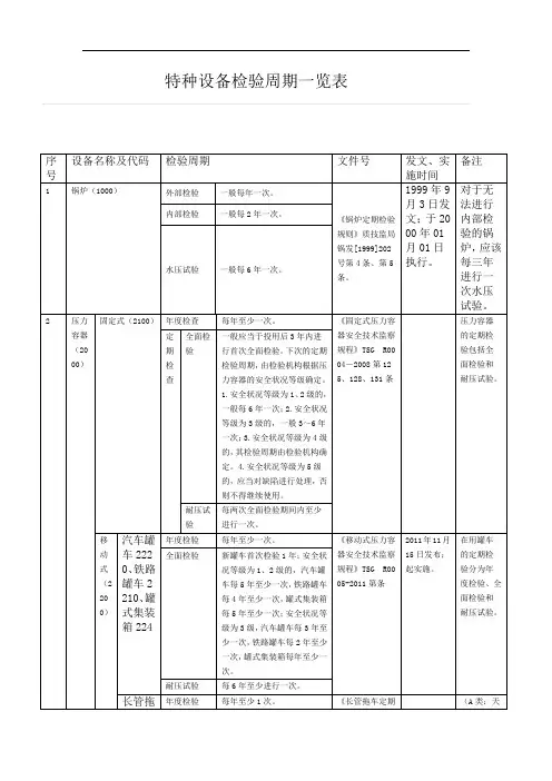
特种设备检验周期一览表序号设备名称及代码检验周期文件号发文、实施时间备注1 锅炉(1000)外部检验一般每年一次。
《锅炉定期检验规则》质技监局锅发[1999]202号第4条、第5条。
1999年9月3日发文;于2000年01月01日执行。
对于无法进行内部检验的锅炉,应该每三年进行一次水压试验。
内部检验一般每2年一次。
水压试验一般每6年一次。
2 压力容器(2000)固定式(2100)年度检查每年至少一次。
《固定式压力容器安全技术监察规程》TSG?R0004-2008第125、128、131条压力容器的定期检验包括全面检验和耐压试验。
定期检查全面检验一般应当于投用后3年内进行首次全面检验。
下次的定期检验周期,由检验机构根据压力容器的安全状况等级确定。
1.安全状况等级为1、2级的,一般每6年一次;2.安全状况等级为3级的,一般3~6年一次;3.安全状况等级为4级的,其检验周期由检验机构确定。
4.安全状况等级为5级的,应当对缺陷进行处理,否则不得继续使用。
耐压试验每两次全面检验期间内至少进行一次。
移动式(2200)汽车罐车2220、铁路罐车2210、罐式集装箱224年度检验每年至少一次。
在用罐车的定期检验分为年度检验、全面检验和耐压试验。
全面检验新罐车首次检验1年;安全状况等级为1、2级的,汽车罐车每5年至少一次,铁路罐车每4年至少一次,罐式集装箱每5年至少一次;安全状况等级为3级,汽车罐车每3年至少一次,铁路罐车每2年至少一次,罐式集装箱每 2.5年至少一次。
耐压试验每6年至少进行一次。
长管拖车2230年度检验每年至少1次。
《长管拖车定期检验专项要求》[国家质监总局《关于发布《压(A类:天然气(煤层气)、氢气)(B类:氮首次定期检验3年(充装A类介质);4(充装B类介质)。
定期检验5年(充装A类介质);6(充装B类介质)。
力容器定期检验规则》(TSG?R7001-2004)第3号修改单的公告》08年第16号] 气、氦气、氩气、氖气)气瓶(2300)盛装腐蚀性气体的气瓶,每2年检验一次。
特种设备检验周期一览表一目了然特种设备定义1. 特种设备是涉及生命安全、危险性较大的设备和设施的总称。
两个基本特征:一是涉及生命安全;二是危险性较大。
国际上称之为“具有潜在危险的设备”、“危险性设备”、“特定危险设备”。
2. 纳入国家监察范围的原则:一是造成群体伤害;二是造成他人伤害;三是产生较大社会影响。
纳入我国安全监察的特种设备有8种▲承压类设备3种,即锅炉、压力容器、压力管道;▲机电类的5种,即电梯、起重机械、客运索道、游乐设施、场(厂)内机动车辆。
其中,电梯,是指动力驱动,利用沿刚性导轨运行的箱体或者沿固定线路运行的梯级(踏步),进行升降或者平行运送人、货物的机电设备,包括载人(货)电梯、自动扶梯、自动人行道等。
客运索道,是指动力驱动,利用柔性绳索牵引箱体等运载工具运送人员的机电设备,包括客运架空索道、客运缆车、客运拖牵索道等。
大型游乐设施,是指用于经营目的,承载乘客游乐的设施,其范围规定为设计最大运行线速度大于或者等于2m/s,或者运行高度距地面高于或者等于2m的载人大型游乐设施。
特种设备包括其附属的安全附件、安全保护装置和与安全保护装置相关的设施。
特种设备安全监察的必要性▲锅炉、压力容器、压力管道是生产和生活中广泛使用的,有爆炸危险性的特种设备。
▲电梯、起重机械、客运架空索道、游艺机和游乐设施、厂内机动车辆作为载人的特种设备,一旦运转失灵,往往会造成人身伤害事故。
主要监察制度目前特种设备相关的法规主要有《特种设备安全法》,以及《特种设备安全监察条例》。
特种设备的设计、制造、安装、维修、改造,必须按照相关法规,依法取得许可证方可从事相关业务。
特种设备在投入使用前或投入使用后30日内,特种设备使用单位应当向特种设备安全监督管理部门登记。
登记标志应当置于或者附着于该特种设备的显著位置。
特种设备使用单位应当按照安全技术规范的定期检验要求,在安全检验合格有效期届满前1个月向特种设备检验检测机构提出定期检验要求。
特种设备查验周期- 了如指掌超级适用的特种设备查验周期一览表,比较自己公司看看~特种设备定义 1. 特种设备是波及生命安全、危险性较大的设备和设备的总称。
两个基本特点:一是波及生命安全;二是危险性较大。
国际上称之为“拥有潜伏危险的设备”、“危险性设备”、“特定危险设备”。
2.归入国家督查范围的原则:一是造成集体损害;二是造成别人损害;三是产生较大社会影响。
归入我国安全督查的特种设备有 8 种▲承压类设备 3种,即锅炉、压力容器、压力管道;▲机电类的 5 种,即电梯、起重机械、客运索道、游玩设施、场(厂)内灵活车辆。
此中,电梯,是指动力驱动,利用沿刚性导轨运行的箱体或许沿固定线路运行的梯级(踏步),进行起落或许平行运送人、货物的机电设备,包含载人(货)电梯、自动扶梯、自感人行道等。
客运索道,是指动力驱动,利用柔性绳子牵引箱体等运载工具运送人员的机电设备,包含客运架空索道、客运缆车、客运拖牵索道等。
大型游玩设备,是指用于经营目的,承载乘客游玩的设施,其范围规定为设计最大运行线速度大于或许等于2m/s ,或许运行高度距地面高于或许等于2m 的载人大型游玩设备。
特种设备包含其隶属的安全附件、安全保护装置和与安全保护装置有关的设备。
特种设备安全督查的必需性▲锅炉、压力容器、压力管道是生产和生活中宽泛使用的,有爆炸危险性的特种设备。
▲电梯、起重机械、客运架空索道、游艺机和游玩设备、厂内灵活车辆作为载人的特种设备,一旦运行失灵,常常会造成人身损害事故。
主要督查制度特种设备的设计、制造、安装、维修、改造,一定依据《特种设备安全督查条例》依法获得允许证方可从事有关业务。
特种设备在投入使用前或投入使用后 30 日内,特种设备使用单位应该向特种设备安全督查管理部门登记。
登记标记应该置于或许附着于该特种设备的显着地点。
特种设备使用单位应该依据安全技术规范的按期查验要求,在安全查验合格有效期届满前 1 个月向特种设备查验检测机构提出按期查验要求。
特种设备检验周期序号名称解释或类型检验周期持证情况1 锅炉1、有机热载体锅炉。
2、小型蒸汽锅炉。
3、常压热水锅炉。
1、锅炉应当每年定期进行一次内外部检验。
2、压力表半年检验一次。
3、安全阀1年检验一次。
4、每一季度应当定期进行一次水质化验。
1、锅炉使用登记证。
2、锅炉年度检验证。
3、司炉人员操作证。
2 电梯1、自动扶梯。
2、趁乘客电梯。
3、载货电梯。
1、每年1次。
1、办理注册登记(投入使用前或投入使用后30日)。
2、办理报检手续取得“安全检验合格标志”。
3、操作人员持证上岗。
3 压力容器1、油气分离器。
2、干燥器。
3、立式储气罐。
4、反应斧。
5、压缩机贮气罐。
6、气瓶。
7、空压机。
1. 盛装空气的压力容器定期检验周期为3年。
2. 对于盛装一般气体的气瓶,每3年检验一次。
3. 对于盛装惰性气体的气瓶,每5年检验一次。
4. 对于盛装腐蚀性介质的气瓶,每2年检验一次。
1、办理压力容器使用证。
2、办理注册登记证。
3、操作人员操作证。
4 压力管道压力管道:是指利用一定的压力,用于输送气体或液体的管状设备,其范围规定为最高工作压力大于或者等于0.1Mpa(表压)的气体、液化气体、蒸汽介质或者可燃、易爆、有毒、有腐蚀性、最高工作温度高于或者等于标准沸点的液体介质,且公称直径大于25mm的管道。
1、每年1次。
1、办理使用登记手续。
2、持证上岗。
3、定期检验。
5 起重机械起重机械:是指用于垂直升降或者垂直升降并水平移动重物的机电设备,其范围规定为额定起重量大于或者等于0.5t升降机,额定起重量大于或者等于1t,且提升高度大于或者等于2m的起重机和承重形式固定的电动葫芦等。
1、每2年一次。
1、办理注册登记证。
2、操作人员操作证。
3、办理报检手续取得“安全检验合格标志”。
6 厂内机动车辆叉车1、每年1次。
1、办理注册登记证。
2、叉车司机驾驶证。
3、办理报检手续取得“安全检验合格标志”。
第六节特种设备定期检验周期的规定1、锅炉外部检验周期:一年内部检验周期:两年水压试验周期:六年(无法进行内部检验的,每三年进行一次)水质监测:日常工作,但每年至少两次由检验部门进行监督抽样检查。
化学清洗:根据水质情况和结垢情况,不定期进行。
2、压力容器年度检查周期:一年全面检验周期:3~6年(新压力容器一般在使用满三年进行第一次全面检验)耐压试验周期:每两次全面检验周期之内必须进行一次3、医用氧舱年度检验周期:一年全面检验周期:三年4、压力管道年度检验周期:一年全面检验周期:一般为三年5、电梯检验周期:一年6、起重机械全面检验周期:一年(对主要安全保护装置、钢丝绳索、电气等至少每月检查一次自检)施工用升降机检验周期:一年7、厂内机动车辆检验周期:一年8、安全附件效验周期安全阀效验周期:一年压力表效验周期:半年温度表与各种监控仪表:一般1~2年(型号和测量原理不同)9、对于新增特种设备,应在安装施工前向当地质量技术监督行政部门告知手续(或委托施工单位办理)。
10、对于锅炉压力容器、压力管道和医用氧舱的安装施工过程,应由有相应资质的检验机构进行监督检验,并出具检验报告。
11、特种设备的维修改造,也按此程序进行。
12、新锅炉必须办理《锅炉使用证》●使用单位带以下资料1)、安全技术规范要求的设计文件,产品质量合格证明、安装及使用维修说明、制造、安装过程监督检验证明。
2)、进口产品有省级安全监测部门审核盖章的《锅炉压力容器安全性能检验报告》3)、安装质量证明书。
4)、锅炉水处理方法及水质指标。
5)、锅炉安全管理的各项规章制度。
●安全监察部门办理1)、审核《锅炉登记卡》和交验的资料。
2)、确认产品质量。
3)、注册和办理使用证并输入计算机,实行动态管理。
13、特种设备作业人员主要包括:锅炉操作人员、锅炉水处理人员;压力容器操作人员、气瓶充装人员、电梯操作人员、维护保养人员;起重机械操作人员;游乐设施操作人员、客运索道操作人员及管理人员;特种设备焊接人员。
1.特种设备是涉及生命安全、危险性较大的设备和设施的总称。
两个基本特征:一是涉及生命安全;二是危险性较大。
国际上称之为“具有潜在危险的设备”、“危险性设备”、“特定危险设备”。
2.纳入国家监察范围的原则:一是造成群体伤害;二是造成他人伤害;三是产生较大社会影响。
▲承压类设备3种,即锅炉、压力容器、压力管道;▲机电类的5种,即电梯、起重机械、客运索道、游乐设施、场(厂)内机动车辆。
其中,电梯,是指动力驱动,利用沿刚性导轨运行的箱体或者沿固定线路运行的梯级(踏步),进行升降或者平行运送人、货物的机电设备,包括载人(货)电梯、自动扶梯、自动人行道等。
客运索道,是指动力驱动,利用柔性绳索牵引箱体等运载工具运送人员的机电设备,包括客运架空索道、客运缆车、客运拖牵索道等。
大型游乐设施,是指用于经营目的,承载乘客游乐的设施,其范围规定为设计最大运行线速度大于或者等于2m/s,或者运行高度距地面高于或者等于2m的载人大型游乐设施。
特种设备包括其附属的安全附件、安全保护装置和与安全保护装置相关的设施。
▲锅炉、压力容器、压力管道是生产和生活中广泛使用的,有爆炸危险性的特种设备。
▲电梯、起重机械、客运架空索道、游艺机和游乐设施、厂内机动车辆作为载人的特种设备,一旦运转失灵,往往会造成人身伤害事故。
特种设备的设计、制造、安装、维修、改造,必须按照《特种设备安全监察条例》依法取得许可证方可从事相关业务。
特种设备在投入使用前或投入使用后30日内,特种设备使用单位应当向特种设备安全监督管理部门登记。
登记标志应当置于或者附着于该特种设备的显着位置。
特种设备使用单位应当按照安全技术规范的定期检验要求,在安全检验合格有效期届满前1个月向特种设备检验检测机构提出定期检验要求。
特种设备必须定期检验,使用未经定期检验或者检验不合格的特种设备,处2万元以下罚款。
使用未经定期检验或者检验不合格的压力容器盛装危化品的处2~20万元罚款。
特种设备的安全附件、安全保护装置、测量调控装置必须按照相关要求,定期进行检验。
特种设备检验周期一览表
1.特种设备是涉及生命安全、危险性较大的设备和设施的总称。
两个基本特征:一是涉及生命安全;二是危险性较大。
国际上称之为“具有潜在危险的设备”、“危险性设备”、“特定危险设备”。
2.纳入国家监察范围的原则:一是造成群体伤害;二是造成他人伤害;三是产生较大社会影响。
▲承压类设备3种,即锅炉、压力容器、压力管道;
▲机电类的5种,即电梯、起重机械、客运索道、游乐设施、场(厂)内机动车辆。
其中,电梯,是指动力驱动,利用沿刚性导轨运行的箱体或者沿固定线路运行的梯级(踏步),进行升降或者平行运送人、货物的机电设备,包括载人(货)电梯、自动扶梯、自动人行道等。
客运索道,是指动力驱动,利用柔性绳索牵引箱体等运载工具运送人员的机电设备,包括客运架空索道、客运缆车、客运拖牵索道等。
大型游乐设施,是指用于经营目的,承载乘客游乐的设施,其范围规定为设计最大运行线速度大于或者等于2m/s,或者运行高度距地面高于或者等于2m的载人大型游乐设施。
特种设备包括其附属的安全附件、安全保护装置和与安全保护装置相关的设施。
▲锅炉、压力容器、压力管道是生产和生活中广泛使用的,有爆炸危险性的特种设备。
▲电梯、起重机械、客运架空索道、游艺机和游乐设施、厂内机动车辆作为载人的特种设备,一旦运转失灵,往往会造成人身伤害事故。
特种设备的设计、制造、安装、维修、改造,必须按照《特种设备安全监察条例》依法取得许可证方可从事相关业务。
特种设备在投入使用前或投入使用后30日内,特种设备使用单位应当向特种设备安全监督管理部门登记。
登记标志应当置于或者附着于该特种设备的显著位置。
特种设备使用单位应当按照安全技术规范的定期检验要求,在安全检验合格有效期届满前1个月向特种设备检验检测机构提出定期检验要求。
特种设备必须定期检验,使用未经定期检验或者检验不合格的特种设备,处2万元以下罚款。
使用未经定期检验或者检验不合格的压力容器盛装危化品的处2~20万元罚款。
特种设备的安全附件、安全保护装置、测量调控装置必须按照相关要求,定期进行检验。
特种设备作业人员,应当按照国家有关规定经特种设备安全监督管理部门考核合格,取得国家统一格式的特种作业人员证书,方可从事相应的作业或者管理工作。