门禁机接线示意图
- 格式:doc
- 大小:269.00 KB
- 文档页数:2
FJC-M613门禁读写控制器接线图
说明:
1、报警输出的驱动能力为DC12V100MA;
2、开锁输出的驱动能力为DC12V800MA;
3、开锁按钮应采用点动按钮,松手后按钮自动复位;
4、当门禁为1拖2模式(一体化主门禁外挂1个辅门禁天线)时,上图中的“灰色”线和
“棕色”线则为辅门禁天线两端的引脚;“兰色”线为辅门禁声音提示信号;“紫色”线为辅门禁指示灯信号;同时“黑色”线即为主门禁的开锁输出信号地(GND)又为辅门禁的声光提示信号地(GND);另“红色”线和“橙色”线即为一体化主门禁的电源输入又为辅门禁天线的电源输入。
5、在1拖2模式接线时只要将辅门禁天线和一体化主门禁之间的“红色”线、“橙色”
线、“灰色”线、“棕色”线、“兰色”线、“紫色”线以及黑色线按颜色一一对应连线即可。
另一体化主门禁上的“红色”线、“橙色”线、“绿色”线、“黑色”线、“黄色”线以及“白色”线的定义未变;同时辅门禁天线上的“绿色”线、“黄色”线以及“白色”线为悬空,可以截短后绝缘处理。
一台门禁机接一把电磁锁或接一把不通电常开电插锁接线图12V 电源负正负 正注:接线时要区分正负极,用万用表测量电压,以免设备短路烧坏。
两台门禁机接一把电磁锁或接一把不通电常开电插锁接线图12V 电源正13- 14+负 正12V 电源注:接线时要区分正负极,用万用表测量电压,以免设备短路烧坏,如果电源支持的电流够大可以共用12v 电源。
两台门禁机接一把电磁锁或接一把不通电常开电插锁接线图12V 电源48 1212V 电源注:接线时要区分正负极,用万用表测量电压,以免设备短路烧坏,如果电源支持的电流够大可以共用12v 电源一台门禁机接一把刷卡锁或接一把不通电常闭电插锁接线图12V 电源负正负 正注:接线时要区分正负极,用万用表测量电压,以免设备短路烧坏。
刷卡锁要接12v 电源供电,如果电源支持的电流够大可以共用12v 电源。
两台门禁机接一把刷卡锁或接一把不通电常闭电插锁接线图12V 电源12V 电源注:接线时要区分正负极,用万用表测量电压,以免设备短路烧坏。
刷卡锁要接12v 电源供电,如果电源支持的电流够大可以共用12v 电源。
红色线表示两个接线柱要接在一起。
两台门禁机接一把刷卡锁或接一把不通电常闭电插锁接线图12V 电源负正8脚继电器负12V 电源注:接线时要区分正负极,用万用表测量电压,以免设备短路烧坏。
刷卡锁要接12v 电源供电,如果电源支持的电流够大可以共用12v 电源。
红色线表示两个接线柱要接在一起。
单门门禁系统组图及内部接线图详解
单门门禁系统由以下6个部分组成:
1. IC卡密码键盘V2000-M
2. 台湾皇冠GMT闭门器062
3. 门禁电磁锁ZM260H
4. 门禁后备稳压电源
5. 12V有源门铃
6. 出门按钮开关
以下是门禁系统之IC卡密码键盘V2000-M与后备电源的内部接线详图:
IC卡密码键盘V2000-M内部接线图:
+12DC 与后备电源板的12V相接;GND与后备电源板的GND相接;PUSH与后备电源板的PUSH相接;LOCK+不接线;OPEN IN DOOR上面的2个接线头接门的内部开关;DOOR BELL 上面的两个接线头接门铃的两根控制线。
门禁后备稳压电源内部接线图:
门磁的电源接头分别接后备电源板的NC和GND;有源门铃的电源接头接后备电源板的GND和12V;
NC:normally close 常态下电路是闭合的,即接通状态;当有触发点时断开NO:normally open 常态下电路是打开的,即断电状态;当有触发点时接通。
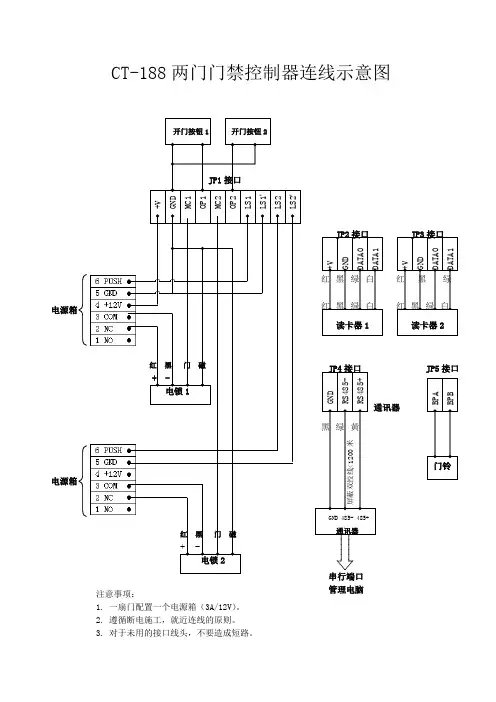
中控门禁机接线示意图
锁由门禁专用电源供电
1、锁的接线(如YB100电插锁、YH280KG磁力锁等常闭锁)
锁的正极接在门禁专用电源的NC端上;
锁的负极接在门禁专用电源的GND端上。
2、中控门禁机接线(如:F2、F201、F8、SC102、SC10
3、F7 等中控门禁机)中控门禁机的+12V(红色)接门禁专用电源+12V
中控门禁机的GND(黑色)接门禁专用电源GND
中控门禁机的NO(蓝色)接门禁专用电源PUSH
中控门禁机的COM(红色)接门禁专用电源GND
注:中控门禁机的GND和COM可以并接在一起,然后同时接到门禁专用电源上的GND上。
锁由中控门禁机直接供电
1、锁
锁的正极接在中控门禁机的NC(黄色)端上;
锁的负极接在中控门禁机的GND(黑色)端上。
2、中控门禁机
中控门禁机的COM(红色)需并上中控门禁机的+12V(红色)上。
中控门禁机外接DC12V报警器
1.中控门禁机的AL+(橙色)和中控门禁机的+12V(红色)并在一起2.AL-(绿色)接DC12V报警器正极
3.GND(黑色)接DC12V报警器负极
中控门禁机外接有线门磁
1、接线:
中控门禁机的SEN(白色)和中控门禁机的GND(黑色)分别接在门磁的两端,没有正负之分。
2、设置:
进入中控门禁机的设置界面,“设置”—→“门禁功能设置”—→“门磁开关”—→设置为“常闭”,则在门磁处于断开状态时,报警器报警,也就是相当于门打开了报警。
在主菜单下按“解除报警”可解除报警。
中控门禁机外接交流AC~220V报警器。
门禁机接线示意图
GND 地 WG_OUT+ 韦根输出正 485B RS485通讯接口负 +12V IN 电源输入 WG_OUT- 韦根输出负 485A RS485通讯接口正
COM 控锁信号公共端 WG_IN+ 韦根输入正 BUTTON 开门按钮 NO 控锁信号常开端 WG_IN- 韦根输入负
GND 共地 NC 控锁信号常闭端 GND 共地 DSEN 门磁 Bell+ 门铃接口正 +5V 5V 电压输出 GND 共地 Bell-
门铃接口负
ALM-
报警输出负
ALM+
报警输出正
GND +12V IN COM- NO
NC
BELL+ BELL-
门禁专用电源
NC
COM NO PUSH GND +12V
电插锁
D1 D0 GND
门
禁控制器
WG_OUT+ WG_OUT- WG_ IN+ WG_IN- GND +5V OUT ALARM+ ALARM-
RS485B
RS485A BUTTON GND DSEN
GND
电源
外接警报
门磁
接电脑串
图1
图2
图3
图1
图3 图2
本产品接线方便、操作简单,可以直接替代原有的感应卡单门门禁机,无需多加改造;
本产品既可以独立作为单门门禁机,又可以作为指纹读头接入到门禁控制器中(WG26协议);
本产品支持U盘、RS485、TCP/IP三种通讯方式,门禁机背面的RJ45端口为TCP/IP通讯端口;
如果由于产品升级造成说明书的接口定义和门禁及的背面贴图不一致,请一定以最新的接线图为准;
本产品门锁控制继电器为:DC24V3A,外接报警继电器为:DC24V1A,如果由门禁机直接接负载,请注意标称。
门禁机接线示意图
GND 地 WG_OUT+ 韦根输出正 485B RS485通讯接口负 +12V IN 电源输入 WG_OUT- 韦根输出负 485A RS485通讯接口正
COM 控锁信号公共端 WG_IN+ 韦根输入正 BUTTON 开门按钮 NO 控锁信号常开端 WG_IN- 韦根输入负
GND 共地 NC 控锁信号常闭端 GND 共地 DSEN 门磁 Bell+ 门铃接口正 +5V 5V 电压输出 GND 共地 Bell-
门铃接口负
ALM-
报警输出负
ALM+
报警输出正
GND +12V IN COM- NO
NC
BELL+ BELL-
门禁专用电源
NC
COM NO PUSH GND +12V
电插锁
D1 D0 GND
门
禁控制器
WG_OUT+ WG_OUT- WG_ IN+ WG_IN- GND +5V OUT ALARM+ ALARM-
RS485B
RS485A BUTTON GND DSEN
GND
电源
外接警报
门磁
接电脑串
图1
图2
图3
图1
图3 图2
本产品接线方便、操作简单,可以直接替代原有的感应卡单门门禁机,无需多加改造;
本产品既可以独立作为单门门禁机,又可以作为指纹读头接入到门禁控制器中(WG26协议);
本产品支持U盘、RS485、TCP/IP三种通讯方式,门禁机背面的RJ45端口为TCP/IP通讯端口;
如果由于产品升级造成说明书的接口定义和门禁及的背面贴图不一致,请一定以最新的接线图为准;
本产品门锁控制继电器为:DC24V3A,外接报警继电器为:DC24V1A,如果由门禁机直接接负载,请注意标称。