惠州炼油项目1200万吨常减压装置纪实
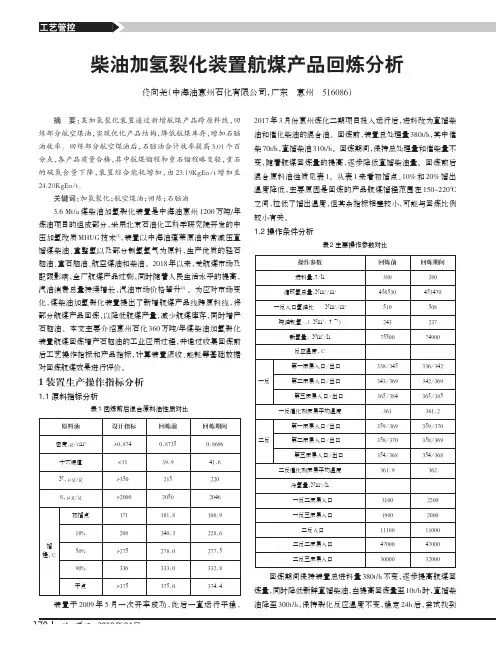
- 格式:doc
- 大小:54.00 KB
- 文档页数:14
中国海油构建绿色低碳产业链关键词:中国海油,绿色发展行动计划,低碳产业,绿色油田,绿色发电,绿色炼化上游“绿色油田”保护碧海蓝天,中游“绿色发电”促进环境友好,下游“绿色炼化”助力治污攻坚,低碳产业贡献清洁能源。
中国海洋石油集团有限公司(简称中国海油)深入贯彻绿色发展理念,加快转变发展方式,调整优化产业及产品结构,走出一条具有中国特色的能源企业绿色低碳发展之路,荣获国务院国资委“节能减排突出贡献企业”、联合国全球契约组织“2019实现可持续发展目标企业最佳实践”奖,旗下10家企业获评国家和行业级“绿色工厂”。
擘画蓝图践行绿色发展中国海油顺应国际能源低碳化大趋势,贯彻落实国家绿色发展理念和生态文明建设总体要求,将绿色低碳确定为集团核心发展战略。
2019年6月10日,中国海油发布《绿色发展行动计划》,从“绿色油田”建设、清洁能源供给和绿色低碳发展三个层面,擘画了绿色低碳发展的战略蓝图。
“绿色油田”计划:以“保护优先、绿色开发”理念,坚持“在保护中开发,在开发中保护”的原则,从加强海上油气田环保全周期管理、建立油气开发和海洋生态环境保护共融共生长效机制、加强油气开发中副产资源和能源的综合利用、控制“三废”排放、提升环境风险分级防控能力等方面着力,建设资源节约型和环境友好型“绿色油田”。
清洁能源计划:坚持“增储上产、稳油增气”的原则,通过加大天然气勘探开发力度、非常规气开发能力和液化天然气(LNG)供应保障能力建设,持续提升清洁能源供应水平;坚持“质量第一,效益优先”的原则,通过建设大型园区化、集约化的炼化产业基地,保障优质清洁炼化产品供给;以海上风能和天然气水合物开发为基础,拓展新型能源供给新业态,培育可持续发展新动能。
绿色低碳计划:以“绿色炼厂”“绿色化工厂”“绿色电厂”“绿色炼化产品”“绿色LNG接收站”“绿色装备制造”等为载体,实施绿色低碳化转型升级;以推进全产业链节能增效、数字化发展和全过程控碳,控制温室气体排放;以推进生产过程治污减排,严格控制并科学监测、处置“三废”,履行环境保护社会责任,实现可持续发展。
毕业设计(论文)课题名称常减压装置减压塔工段自动控制工程设计姓名XXXXX学号XXXXXXXX系(分院) 自动化系专业生产过程自动化技术班级自动化XXXX指导教师XXXXX企业指导教师2017年5月日XXXXXXXXXXXXXXXXXXXXXX毕业论文声明本人郑重声明:毕业论文及毕业设计工作是由本人在指导教师的指导下独立完成,尽我所知,在完成论文时利用的一切资料均已在参考文献中列出。
若有不实之处,一切后果均由本人承担(包括接受毕业论文成绩不及格,不能按时获得毕业证书等),与毕业论文指导老师无关。
论文题目:专业班级:作者签名:日期:目录毕业论文声明 (I)摘要 (VI)1常减压装置减压塔工段工艺流程简介 (1)1.1装置概况 (1)1.2工艺原理 (1)2 常减压装置减压塔工段主要设备及控制指标 (4)2.1 主要设备列表 (4)2.2主要调节器 (4)2.3仪表显示 (5)3 常减压装置减压塔工段DCS图 (6)4 常减压减压塔自动控制工程设计 (8)4.1设备EH-501 TIC-501(A)控制系统设计 (8)4.1.1测量仪表的选择 (8)4.1.2控制器的选择 (8)4.1.3安全栅的选择 (8)4.1.4执行器的选择 (9)4.1.5设备EH-501 TIC-501(A)控制系统设计的常规仪表回路 (9)4.2设备EH-502 TIC-502(A)控制系统设计 (1)4.2.1测量仪表的选择 (1)4.2.2控制器的选择 (1)4.2.3安全栅的选择 (1)4.2.4执行器的选择 (2)4.2.5设备EH-501 TIC-502(A)控制系统设计的常规仪表回路 (2)4.3设备N8 FIC-507(M)控制系统设计 (4)4.3.1测量仪表的选择 (4)4.3.2控制器的选择 (4)4.3.3安全栅的选择 (4)4.3.4执行器的选择 (4)4.3.5设备N8 FIC-507(M)控制系统设计的常规仪表回路 (5)4.4设备N9 FIC-508(M)控制系统设计 (7)4.4.1测量仪表的选择 (7)4.4.2控制器的选择 (7)4.4.3安全栅的选择 (7)4.4.4执行器的选择 (7)4.4.5设备N9 FIC-508(M)控制系统设计的常规仪表回路 (7)4.5设备N10 FIC-509(M)控制系统设计 (9)4.5.1测量仪表的选择 (9)4.5.2控制器选用 (9)4.5.4执行器的选择 (10)4.5.5设备N10 FIC-509(M)控制系统设计的常规仪表回路图 (10)4.6设备N11 FIC-510(M)控制系统设计 (12)4.6.1测量仪表的选择 (12)4.6.2控制器的选择 (12)4.6.3安全栅的选择 (12)4.6.4执行器的选择 (13)4.6.5设备N11 FIC-510(M)控制系统设计的常规仪表回路图 (13)4.7设备V A LIC-501(A)控制系统设计 (15)4.7.1测量仪表的选择 (15)4.7.2控制器的选择 (15)4.7.3安全栅的选择 (16)4.7.4执行器的选择 (16)4.7.5设备V A LIC-501(A)控制系统设计的常规仪表回路图 (16)4.8 设备T5 LIC-502(A)控制系统设计 (18)4.8.1测量仪表的选择 (18)4.8.2控制器的选择 (18)4.8.3安全栅的选择 (19)4.8.4执行器的选择 (19)4.8.5设备T5 LIC-502(A)控制系统设计的常规仪表回路图 (19)4.9设备T5 LIC-503(A)控制系统设计 (21)4.9.1测量仪表的选择 (21)图4-27 数显压力变送器产AKT-3815智能型差压变送器外观 (21)4.9.2控制器的选择 (21)4.9.4执行器的选择 (22)4.9.5设备T5 LIC-503(A)控制系统设计的常规仪表回路图 (22)4.10设备T5 LIC-504(A)控制系统设计 (24)4.10.1测量仪表的选择 (24)4.10.2控制器的选择 (24)4.10.3安全栅的选择 (24)4.10.4执行器的选择 (24)4.10.5设备T5 LIC-504(A)控制系统设计的常规仪表回路图 (25)4.11设备T5 FIC-506(M)控制系统设计 (26)4.11.1测量仪表的选择 (26)4.11.2控制器的选择 (26)4.11.5设备T5 FIC-506(M)控制系统设计的常规仪表回路图 (27)4.12设备T4 FIC-501(M)控制系统设计 (29)4.12.1测量仪表的选择 (29)4.12.2控制器的选择 (29)4.12.3安全栅的选择 (29)4.12.5设备T4 FIC-501(M)控制系统设计的常规仪表回路图 (29)4.13设备T4 FIC-502(M)控制系统设计 (31)4.13.1测量仪表的选择 (31)4.13.2控制器的选择 (31)4.13.3安全栅的选择 (31)4.13.4执行器的选择 (32)4.13.5设备T4 FIC-502(M)控制系统设计的常规仪表回路图 (32)4.14 设备T4 FIC-503(M)控制系统设计 (34)4.14.1测量仪表的选择 (34)4.14.2控制器的选择 (34)4.14.3安全栅的选择 (34)4.14.4执行器的选择 (35)4.14.5设备T4 FIC-503(M)控制系统设计的常规仪表回路图 (35)4.15设备T4 TIC-503(A)和FIC-504(C)串级控制系统设计 (37)4.15.1测量仪表的选择 (37)4.15.2控制器的选择 (37)4.15.3安全栅的选择 (37)4.15.4执行器的选择 (38)4.15.5设备T4 TIC-503(A)和FIC-504(C)串级控制系统设计的常规仪表回路图 (38)4.16设备T4 LIC-505(A)和FIC-505(C)串级控制系统设计 (40)4.16.1测量仪表的选择 (40)4.16.2控制器的选择 (40)4.16.3安全栅的选择 (41)4.16.4执行器的选择 (41)4.16.5设备T4 LIC-505(A)和FIC-505(C)串级控制系统设计的常规仪表回路图 (41)4.17设备F2 FIC-401(M)控制系统设计 (43)4.17.1测量仪表的选择 (43)4.17.2控制器的选择 (43)4.17.3安全栅的选择 (43)4.17.4执行器的选择 (43)4.17.5设备F2 FIC-401(M)控制系统设计的常规仪表回路图 (44)4.18设备F2 FIC-402(M)控制系统设计 (46)4.18.1测量仪表的选择 (46)4.18.2控制器的选择 (46)4.18.3安全栅的选择 (46)4.18.4执行器的选择 (47)4.18.5设备F2 FIC-402(M)控制系统设计的常规仪表回路图 (47)4.19设备F2 FIC-403(M)控制系统设计 (49)4.19.3安全栅的选择 (49)4.19.4执行器的选择 (49)4.19.5设备F2 FIC-403(M)控制系统设计的常规仪表回路图 (49)4.20设备F2 FIC-404(M)控制系统设计 (51)4.20.1测量仪表的选择 (51)4.20.2控制器的选择 (51)4.20.3安全栅的选择 (51)4.20.4执行器的选择 (51)4.20.5设备F2 FIC-404(M)控制系统设计的常规仪表回路图 (52)4.21设备F2 PIC-401(M)控制系统设计 (54)4.21.1测量仪表的选择 (54)4.21.2控制器的选择 (54)4.21.3安全栅的选择 (54)4.21.4执行器的选择 (55)4.21.5设备F2 PIC-401(M)控制系统设计的常规仪表回路图 (55)4.22设备F2 TIC-402(A)和TIC-401(C)串级控制系统设计 (57)4.22.1测量仪表的选择 (57)4.22.2控制器的选择 (57)4.22.3执行器的选择 (57)4.22.4执行器的选择 (57)4.22.5设备F2 TIC-402(A)和TIC-401(C)串级控制系统设计的常规仪表回路图 (57)结论 (59)参考文献 (60)致谢 (61)摘要本设计针对常减压装置减压塔工段自动控制工程设计。
30万吨常减压装置技术操作规程常减压装置是炼油行业中常用的设备,其作用是在炼油过程中控制和调节压力,以保证生产的安全和稳定。
为了保证常减压装置的正常运行,必须严格按照技术操作规程进行操作和维护。
下面是一份30万吨常减压装置技术操作规程的示例,共计1200字。
1.常减压装置的基本原理:常减压装置是通过控制减压阀和顶空系统的联动来调节罐内的压力,以达到所需的生产工艺条件。
减压阀的开度由调节阀控制,调节阀的开度根据罐内液位和出口压力自动调节。
2.常减压装置的启停操作:启动操作:先检查减压阀和调节阀的状态,确保其处于关闭状态。
然后依次启动减压阀、顶空系统和调节阀。
启动后,要根据操作要求来调节减压阀的开度和调节阀的压力调节范围。
停止操作:先关闭减压阀、顶空系统和调节阀,等待减压阀完全关闭后,再关闭顶空系统和调节阀。
停止后,要对减压阀和调节阀进行检查,确保其处于安全状态。
3.常减压装置的维护操作:①定期检查减压阀和调节阀的工作状态,如有异常及时进行维修。
②定期检查罐内液位和出口压力,确保其在正常范围内。
③定期检查顶空系统的运行情况,确保其工作正常。
④定期清洗和更换过滤器,防止杂质进入常减压装置。
⑤定期对常减压装置进行维护保养,如润滑、紧固、清洗等,确保其正常运行。
二、常减压装置技术操作规程的要求1.操作人员必须经过专门培训,掌握常减压装置的基本原理和操作要点,并严格按照技术操作规程进行操作。
2.操作过程中应注意安全,如发现异常情况要及时报告,并采取相应的措施进行处理。
3.定期对常减压装置进行检查和维护,确保其设备状态良好。
4.严禁操作人员私自改变调节阀的参数和工作模式。
5.严禁操作人员在未停止减压阀和调节阀的情况下进行清洁和维修。
6.操作人员要遵守操作规程,并及时掌握最新的技术操作要求,不断提升自己的专业知识和技能。
三、常减压装置技术操作规程的风险控制1.风险识别:在操作过程中要对可能存在的风险进行识别,如减压阀和调节阀的故障、液位和压力异常等。
煤化工实习报告篇一:煤化工实习报告第一部分煤样的制取实验一分析样的制备一、实验目的1、了解并熟悉九点取样法及浮选的整个操作流程;2、学习并掌握操作过程中各个设备的使用。
二、实验原理根据煤和浮选液密度的不同,精煤密度较小,均匀搅拌后精煤上浮,取出精煤洗去精煤中的氯化锌,用硝酸银溶液检验氯离子是否除尽。
三、实验仪器、设备、试剂密度计、烧杯、短木棍、破碎机、磨碎机、筛分机、干燥箱、氯化锌、水、一般煤样。
四、实验步骤1、配取密度为14g/cm3的氯化锌溶液,用九点取样法取一定量的煤样,加入浮选液中,用棍子从同一个方向搅拌,均匀搅拌。
2、搅拌均匀后,静置稳定后,取出悬浮液上方的精煤;用温水洗二至三次,洗完后继续用冷水冲洗,直到硝酸银检验对比与滴定水的溶液一致时为止。
3、将煤样放置恒温干燥箱内干燥,等干燥后从恒温干燥箱内取出后暴露于空气中,使煤中含水量与空气中的水分达到平衡。
4、用磨碎机磨碎煤粒,使粒度小于2mm,用透筛力为2mm的筛子进行筛分,筛下物即为分析样。
5、把分析样装入广口瓶内,贴上标签,标签上标注清楚日期、煤样编号、产地、制样组。
五、实验总结通过分析样的制备,充分掌握了煤样的选取及煤样的整个制备过程,及各个设备的使用。
整个制样过程可以当做一个简化的洗煤厂,但是,在实验过程中发现了许多的问题,目无纪律,到处逛来逛去,这些都是我们存在的不足之处,在以后的学习、生活中需要改正。
初次接触这些新的设备,操作起来不是那么的顺畅,我们需要多次使用设备来掌握操作。
第二部分煤的工业分析实验一空气干燥煤样水分的测定一、实验目的1.学习和掌握空气干燥煤样水分的测定方法和原理2.了解空气干燥煤样的主要作用。
二、实验原理称取一定量的空气干燥煤样,置于105~110℃干燥箱中,于空气流中干燥到质量恒定。
煤样损失的质量占总的煤样的质量百分数即为煤中水分的含量。
三、实验仪器、设备、试剂1.无水氯化钙:化学纯,粒状。
2变色硅胶:工业用品。
2013年底前淘汰200万吨以下炼油装置80%以上地方炼油厂将关门本报记者吴莉《中国能源报》( 2011年05月09日第 13 版)中海油广东惠州炼厂张远高/摄国家发改委新近发布的《产业结构调整指导目录(2011年本)》明确提出,在2013年底前,将淘汰200万吨/年以下常减压炼油装置,在业内引起了热议。
此次产业结构调整将会对我国炼油行业产生怎样的影响?占据全国 20%炼油能力的地方炼油企业将何去何从?本报记者就此采访了相关人士。
80%以上地炼将被淘汰“按照新的产业结构调整指导规划,国家将在2013年底前淘汰200万吨/年以下的炼油装置。
届时,绝大多数地方小炼油企业基本上应该是被直接淘汰。
”这是中国石油基金论坛研究员冯跃威在接受本报记者采访时对市场的判断。
本报记者从卓创资讯获悉,截至2010年底,国内主营炼油企业200万吨/年及以下常减压装置约占整个炼油企业的22.77%,而国内地方炼油企业200万吨/年及以下常减压装置约占整个地方炼油企业的近80%。
这些企业将面临被淘汰的局面。
近期召开的全国工业节能与综合利用工作会议上,工信部公布了“十二五”时期和今年我国工业节能减排4大约束性指标,明确提出2015年单位工业增加值能耗要比“十一五”末降低18% ,节能减排形势依然十分严峻。
冯跃威指出,淘汰200万吨/年以下规模的小炼油装置,是炼油行业产业结构调整和转型迈出的重要一步,节能降耗将是对所有小炼油企业提出的一个硬性指标。
一直以来,由于没有规模效应,许多小炼油企业单位炼油能耗过高。
比如,200万吨的炼油装置的单位能耗就比1200万吨的高40%左右。
记者注意到,本次产业结构调整规划中规定的淘汰日期与2009年公布的相关政策有所延后。
卓创资讯分析师李兵认为,此举预示着国家在整合国内炼油规模的行动下,对地方炼厂的期限有所放宽。
有业内人士指出,未来地方小炼油企业的出路包括被大型国有石油公司收购、小炼油企业之间合并、直接被淘汰三种局面。
第三章矿物润滑油原料制备工艺添加剂成品润滑油润滑油料制备常压渣油基础油加工成品油调合矿物润滑油生产的基本工艺路线现代矿物润滑油生产的基本工艺路线:现代矿物润滑油的生产过程,概括起来是由原料制备、基础油加工、成品润滑油调合包装三大部分组成。
各种直馏产品的馏程范围⏹汽油:40~200℃;⏹灯用煤油:180~300℃⏹轻柴油:200~300℃:⏹喷气燃料:l30~240℃⏹润滑油:350~500℃;⏹重质燃料油:>500℃⏹常压渣油(AR):>350℃⏹减压渣油(VR):>500℃裂化气汽油柴油轻汽油直馏煤油直馏轻柴油重柴油馏分原油常压塔富氢气体汽油组分催化重整芳香烃芳烃抽提催化裂化减压塔减一线减二线减三线减四线溶剂精制蜡下油溶剂脱蜡补充精制润滑油组分抽出油脱沥青焦化减渣沥青蜡脱油蜡膏蜡精制石蜡地蜡焦化气汽油柴油石油焦燃料-润滑油型加工流程第一节减压蒸馏制取馏分润滑油原料矿物润滑油潜含于沸点高于350℃的常压渣油(或称常压重油)中。
需先将原油经过常压蒸馏,分离出来气体燃料、汽油、煤油和柴油,剩余的釜残油可用于生产润滑油原料。
制取润滑油的原料要根据商品润滑油所要求的粘度,通过减压蒸馏切取粘度相当的馏分。
减压蒸馏是润滑油生成的龙头。
(1)常压蒸馏原理:是根据组成原油各类烃分子沸点不同,利用加热、蒸发、冷凝等步骤直接分馏制得汽油、煤油、柴油等馏分。
(2)减压蒸馏原理:减压蒸馏是利用降低蒸馏的压力,从而降低油料沸点的原理,将常压渣油经过加热后,送入减压蒸馏系统,使常压渣油在避免裂解的较低温度下进行分馏,分离出润滑油料、催化料等二次加工原料,剩下减压渣油。
一、常减压蒸馏原理1、常压塔得到:常压塔顶:石脑油(汽油馏分),因为辛烷值低可以作为溶剂油;催化重整原料;常一线:航空煤油(煤油),根据原油性质不同,生产不同的煤油。
常二线:柴油一般生产0#柴油常三线:重柴油:20#重柴油二、常减压蒸馏产品及特点2、在减压塔得到:馏分范围为(350~500℃)的蜡油(1)在不同的侧线得到各个馏分,作为生产润滑油原料。
800万吨/年原油的常减压蒸馏装置设计李贺杰(洛阳石化工程公司洛阳471003)梗概:镇海炼油化工公司的800万吨原油常减压蒸馏装置设计的设计特点是介绍和比较了各种工艺方案得来的。
生产实践证明了主要工艺设计是先进合理的并且工艺参数基本达到了设计要求。
关键词:蒸馏装置;常减压蒸馏装置;设计;改造;大型工艺设备;进口原油1.简介该800万吨/年原油常减压蒸馏装置设计是镇海炼油化工公司对800吨/年原油项目扩建主要设备之一。
这是一个基于150万吨/年原油常压蒸馏装置改造和扩建工程并且是在中国国内同类单位中最大项目。
它的基本设计是洛阳石化工程公司和镇海炼油化工设计公司共同执行,前者负责换热器的详细设计而后者则负责系统其余部分的设计。
扩建项目在1999年10月29日被批准并且所有产品在同年11月3日符合标准,这标志着调试成功。
2.单位原有状态原来的150万吨/年常压蒸馏装置(三期)主要处理来自东南亚的轻质原油,如:Attaka和Tapis原油。
其主要产品是液化石油气;石脑油;航空煤油;和柴油馏分。
直接用于常压渣油作为重油催化裂化原料。
原有工艺技术特点如下:1.没有压缩机单塔回收轻组分碳氢化合物。
2.初馏塔直径2.6米或3.6米,塔高36.625米,含有26块浮阀塔板,设计压力位0.88MPa. 3.常压塔直径2.2米或4.2米,塔高47.443米,含有49块浮阀塔板和一节炬鞍填料板,设计压力是0.26MPa.4.丁烷塔直径2.4米或1米,塔高41.72米,含有40块浮阀塔板,设计压力1.83MPa5.电脱盐鼓直径3.2米,高20.76米,壁厚0.03米,设计压力2.2MPa6.初步分离塔底再沸器和大气加热被纳入一个炉体设计热负荷29075千瓦3.改造后的机组3.1 基本设计该设计项目是处理800万吨/年的沙特轻质原油.它包括原油的热交换,原油预处理.(脱盐和脱水,缓蚀剂和氨注射),初步分离和闪蒸,常压蒸馏,减压蒸馏,轻烃回收,和石脑油的分离.外观设计的产品是重整原料,航空煤油,柴油,柴油用于加氢裂化或加氢精制.在表1和表2分别列出了原油性质和物料平衡.列表1原油性质项目数据API指数33.4粘度(15.6︒C),mm2/s12.8倾点,︒C -34.4酸值,mg KOH/g 0.07含盐量,NaCllb/1000bl 8硫含量,m% 1.80硫醇硫,ppm 115含水量,v% 0.1氮,m% 0.087EVP,psi 4.2轻烃,m/原油﹤C20.01C3 0.21i-C4 0.14n-C4 0.74i-C5 0.56n-C5 1.14总计 2.80355︒C馏分,% 50.95535︒C馏分,% 80.11列表2物料平衡物料产量,m% 流量,kt/年备注原油100.00 8000 沙特轻质油产品气体+损失0.12 9.6液化石油气0.90 72轻石脑油 3.12 249.6重石脑油11.43 914.4 重整原料常压塔侧线第一切割组分13.50 1080.0 航煤组分常压塔侧线第二切割组分9.45 756.0 柴油加氢原料常压塔侧线第三切割组分11.59 927.2 柴油加氢原料减压塔顶油0.13 10.4 加氢原料减压塔侧线第一切割组分 3.72 297.6 柴油加氢原料减压塔侧线第二切割组分13.04 1043.2 加氢裂解原料减压塔侧线第三切割组分15.00 1200.0 加氢裂解/加氢原料减压渣油18.00 1440.0 焦化/脱沥青原料总计100.00 80003.2主要技术特点该800万吨/年常减压装置是中国最大的一个.没有任何技术数据可循.在设计过程中,国外大型常减压蒸馏装置的设计经验被涉及和证明,采用可靠和先进的技术和设备.大型关键设备被使用.主要技术特点如下:(1)没有压缩机轻烃回收顶回流罐在没有气体排出流控制。
施工组织设计1、工程概况 (4)1.1工程概况 (4)1.2塔基础工程概况 (4)1.3工程特点 (5)1.4工期 (5)2、编制说明及依据 (6)2.1编制说明 (6)2.2、编制依据 (6)3、施工程序及主要施工技术方案 (8)3.1施工程序 (8)3.2施工测量方法 (8)3.3土方工程施工方案 (9)3.4基础及设备基础混凝土工程 (10)3.5大体积混凝土施工方法 (20)3.6地脚螺栓的固定 (23)4、施工技术要求 (26)4.1施工技术准备 (26)4.2材料检验 (26)5、质量保证措施 (27)5.1质量目标 (27)5.2质量保证体系 (27)5.3质量保证措施 (27)5.4质量控制点的控制 (28)6、HSE施工方案 (31)6.1项目部HSE方针 (31)6.2项目部HSE管理目标 (31)6.3项目部HSE管理组织和机构 (31)6.4 HSE实施保证措施 (32)6.5 现场环境保护措施 (33)7、提高效益降低成本确保工期措施 (36)7.1提高效益降低成本措施 (36)8、文明施工及创优质工程措施 (38)9、施工人员计划 (38)10、主要施工机具计划 (40)10.1主要施工机具 (40)10.2主要计量器具 (41)11、平面布置及主要临时用地计划 (42)11.1平面布置 (42)11.2临时用地计划 (42)1、工程概况1.1工程概况本工程为中国石油化工股份有限公司北海炼油异地改造石油化工项目500万吨/年原料预处理装置的塔及设备基础的土建工程。
工程地点位于广西北海市区东部的铁山港工业区内,四号路以西,滨海公路以北,场地内有一条较大冲沟。
本装置在冲沟回填区内,场地平整已经完成,基础均采用预应力钢筋高强混凝土管桩,现已施工完毕。
工程内容包括各种大小设备基础,塔基础包括:T-104基础及框架、T-101基础、T-102基础、T-103(E-142)基础;炉基础包括:F-101基础、F-102基础。
双剑合壁创特色
中海油惠州炼油项目1200万吨/年常减压蒸馏装置建设纪实
三月的广东惠州,到处生机盎然;南海大亚湾畔,一座现代化炼油新城呈现在人们的眼前。
蓝天之下,挺拔高耸的炼油塔器,蜿蜒曲折的工艺管线……,显现出一抹亮色,几处放空蒸汽,袅袅娜娜,升空化云……。
3月19日下午三时多,目前国内第一套单体处理能力最大的常减压蒸馏装置——中海油惠州炼油项目1200万吨/年常减压蒸馏装置率先投料开车一次成功,顺利生产出汽油、柴油、煤油、石脑油、蜡油、减压渣油等近10种合格产品。
两年零七个月,公司携手中石化宁波工程公司,只争朝夕,终将蓝图化为现实。
经营项目求效益
中海油惠州炼油1200万吨/年常减压蒸馏装置,是公司第一次以EPC 总承包方式涉足中海油工程建设市场。
万事开头难,还真应了这句老话。
工程发包,到底是选择EPC总承包方式,还是选择EP+C,亦或E+PC,亦或E+P+C。
在项目运作前期的合同谈判及签订过程中,由于中海油的自身体制,业主对工程建设的合同模式进行了多次的反复调整变化,这使公司遇到了前所未有的困难。
为此,联合体双方的主管领导不辞辛劳,多次和中海油高层进行沟通,几经周折,历时半年多,终于在2007年2月2日签订了中海油惠州炼油1200万吨/年常减压装置的EPC总承包合同。
而在联合体内部,合作双方及时签订协议书,明确了利益分配以及双方的职责、义务、费用分摊,以项目利润为目标,优化人员组合,加强管理,以实现双赢。
在项目执行实施过程中,项目部并不把该工程项目仅仅停留在完成任务上,而是以项目利润最大化为目标,积极加以经营。
为降低项目成本,项目部首先是从加强设计管理入手,先后对设备基础、工业炉、常减压框架钢结构及减压塔基础进行了设计优化,根据项目的实际需求,重新进行核算,并推翻了两个版次的设计,最终在满足装置设计要求的前提下,节省钢材达1000多吨。
其次是强化采购管理,除了严格执行中石化宁波工程公司相关采购管理办法和制度,坚持“货比三家”外,项目部为避免设计工作与采购工作“打架”,明确了设计与采购的工作界限,设计只负责提供技术条件并进行确认,采购部门则将采购序号提供给设计,并由设计专门抽出一名材料控制工程师,负责现场的对接审核,避免了重复采购和采购漏项;在做好工艺管道设计优化的同时,对工艺管道以及相应配件的采购,采取定尺定量,努力将余量控制在最低限度,确保了采购成本的合理性。
经测算,在项目执行实施过程中,其材料物资的余量总数,较好地控制在不到整个项目费用的2%;加大对EPC总承包合同范围以外的增加项目及业主要求修改项目的索赔,在减压塔施工安装过程中,在发现业主遗漏了其内件的采购后,项目部及时将这一采购信息通报给业主,并通过持续与业主进行谈判,最终索赔成功,为公司避免了损失;同时,项目部还严格执行中石化宁波工程公司的分包工程预算管理规定,以EPC承包合同为基础,以收定支,做到了分包不突破预算;主动和业主相关部门沟通,及时回笼工程款,保证项目的顺利实施,提高了资金效益。
在项目运行过程中,项目部制定了《惠州炼油项目部劳动纪律管理办法》、《惠州炼油项目部车辆管理办法》、《惠州炼油项目部财务报销管理规定》、《惠州项目部文销办公用品管理办法》等规范文件,对项目部的劳动纪律、换休、补助及奖金的发放、车辆管理、财务报销、办公用品管理等与职工利益有关的方面都作了明确规定,工作中严格执行考勤及调令管理制度和有关财务管理制度,特别对通讯和业务费的使用方面进行严格控制。
通过扎实做好各项管理工
作,项目经营取得了显著效果,达到了项目利润最大化的结果。
工程建设控节奏
项目的顺利实施与如期完成,是实现项目利润最大化的根本保证。
因此,联合体项目部在合同签订后,就积极策划,编制项目实施计划,确定项目节点和项目实体目标并严格控制。
巧妇难为无米之炊,一个项目的建设,详细设计是项目实施的前提,是项目后续采购、现场实施得以顺利展开的基础,有了设计蓝图,工程建设才能按图索骥,逐一组织落实。
对此,项目部严格遵循以设计为先导,努力保证设计跟上项目建设节奏。
项目启动详细设计以后,我公司抽调了精兵强将和经验丰富的设计人员来参与装置的设计工作,并以满足项目实施为前提,加班加点赶进度出图纸,保证设计工作跟上项目实施节奏。
经过设计人员坚持不懈努力,2006年10月,30%配管设计3D模型通过业主审查,2007年5月,70%配管设计3D模型审查通过,2007年10月13日,100%配管设计3D模型通过审查,至2007年11月底,施工图全部完成,达到设计控制节点,为项目现场的顺利实施创造了条件。
期间,公司及时派出设计人员进行现场设计交底,为现场实施提供了到位的服务;并安排资深的设计代表进驻现场,及时协调解决项目现场实施过程中遇到的设计问题,保证了项目现场实施的顺利通畅。
为及时消除设备、材料等对项目建设的制约,解决设计工作与采购进程之间的矛盾,项目部依据业主的项目建设进度计划要求,通过施工倒排计划、设计顺排计划,找出设计、施工的计划交汇点,并与设备、材料到货情况进行逐一比较,及时找出“卡”点,分析设备或材料满足不了建设进度要求的原因,在找出问题结症后及时采取措施着手解决;而对于具有固定采购周期的设备、材料,设计工期又明显达不到的,项目部就立即调整采购和施工计划,要么将施工“开天窗”,在其他建设内容完成后,预以
统一解决。
在工程建设组织过程中,项目部积极组织设备及配件采购。
只要详细设计图纸一出来,采购部门就抓紧时间订货,及时解决了自身采购中的长周期、次长周期设备、进口设备及影响现场实施的关键节点的设备、材料等,同时按网络计划催交业主采购的材料和设备,及时了解掌握影响重大节点的设备及材料的准确到货时间,有预见性地催促业主及时采购相关材料及设备,为现场实施的计划调整提供依据。
在减压塔的订货过程中,由于多方面的原因,该设备的材料订货被耽误,严重影响项目的整体进度。
项目部在征得同意后,预见性地提前订购部分配件材料,保证了减压塔现场预制的顺利进行,为项目的整体节点控制创造了条件。
2007年3月28日,在南海大亚湾中海油炼油空旷的海边基地上,公司参与EPC总承包的中海油惠州炼油项目1200万吨/年常减压装置建设率先破土动工,拉开了中海油惠州炼油项目建设的序幕。
为保证项目顺利实施。
项目部组织编制了详细的项目策划书、项目网络计划,确定了关键线路和重大项目节点,并在联合体双方高层领导的关心支持下,组织了精干的设计、采购、施工力量。
中海油惠州炼油项目1200万吨/年常减压装置,是国内目前单体最大的常减压装置,项目部借鉴了以往常减压装置安装施工的经验,确定了以减压塔制作安装为关键线路,以减压塔现场制作安装、加热炉、大型吊装为施工重点,精心组织、综合协调。
装置的电脱盐罐、减压塔都是目前国内同类设备最大的,尤其是减压塔,直径达12.8米,高度53米,总重量1143吨,安装高度62米,由于多方面的原因,造成了该设备材料到货严重滞后,对项目建设影响极大,为了保证按期完成,项目部精心组织,确定采取安装一次到位到位的方式。
先在地面上进行筒节组装,在达到大型吊装规定的重量后进行安装,这样既然加快了安装时间,又节约了成本。
由于惠州炼油项目投资较大,参与建设的队伍较多,加上管理的难度大,设计出图及材料采购等多方面的原因,造成每套装置的进度不一样,而和常减压装置工艺相关的后续装置和公用工程的实施进度,
比常减压装置进度慢了好几个月。
此时,如果按业主原定在2008年5月份的中交计划,项目部势必要投入大量的人力、物力、财力,而装置建成后又无法进入开车生产,这样就造成了成本的增加和人力物力的浪费。
针对这种情况,项目部一方面和业主勤沟通,要求业主将中交目标视整个项目的进展而定,往后推迟,并最终获得了业主的认同。
在此基础上,项目部统筹安排,及时调整了施工进度计划,开始控制施工建设节奏,并在不影响业主开车的前提下,尽量满足现场的需要。
这样,项目部以周边装置和公用工程的施工进度为基础,减少了投入,避免不必要的浪费,既节约了成本,又满足了业主的要求,而最终仍然以先于其他装置三个月,完成了常减压装置的建设任务,走在整个惠州项目的前列,并于2009年3月4日装置率先进入油联运,3月15日投料试车,3月19日顺利生产出合格产品。
质量安全双丰收
装置实体质量好坏,直接关系到最终开车成功与否。
对此,联合体项目部除了在项目实施前认真组织编写好质量管理计划、确定项目质量目标及重点关键部位质量检验计划外,在项目启动实施后,首先从设计技术质量抓起,除了严格按规范设计外,技术上运用先进的3D设计软件进行详细设计,进行精确的应力计算;先后三次聘请专家及业主代表参加详细设计的3D配管模型审查,对专家及业主提出的问题及时进行认真整改。
2007年8月,项目部还专门组织了详细设计质量大检查,并对土建框架基础、加热炉钢结构等进行了多次合理优化。
针对项目现场物资供应分为业主供货、项目部采购、分包商采购的实际,项目部认真做好对业主采购部分供货质量的到货验收;对自行采购和分包商采购的部分,则切实做好对供应商的资格审查、选择,并对到货材料进行实物和资料审查,自检合格后向监理和业主申报,对部分因工程急。