硅酸盐水泥普通水泥矿渣水泥火山灰水泥粉煤灰水泥和复合水泥共68页
- 格式:ppt
- 大小:7.02 MB
- 文档页数:68
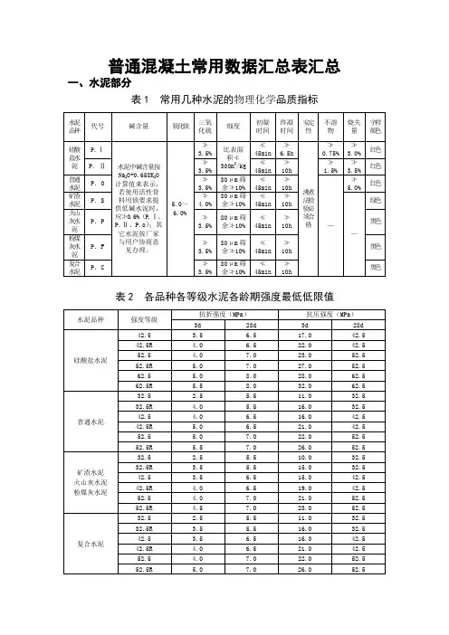
普通混凝土常用数据汇总表汇总一、水泥部分表1常用几种水泥的物理化学品质指标表2 各品种各等级水泥各龄期强度最低低限值二、砂子部分f表5 砂的颗粒级配区划分②.砂的实际颗粒级配与表中的累计筛余百分率比,除公称粒径为5.00㎜和630μm(表中斜体所标数值)的累计筛余百分率外,其余公称粒径的累计筛余百分率可稍有超出分界线,但总超出量不应大于5%;③.当砂的颗粒级配不符合要求时,宜采用相应的技术措施,并经试验证明能确保混凝土质量后,方允许使用;④.配制混凝土时宜优先选用Ⅱ区砂。
当采用Ⅰ区砂时,应提高砂率,并保持足够的水泥用量,满足混凝土的和易性;当采用Ⅲ区砂时宜适当降低砂率;当采用特细砂时,应符合相应的规定。
②.当砂中含有颗粒状的硫酸盐或硫化物杂质时,应进行专门检验,确认能满足混凝土耐久性要求后,方可采用。
5%。
表13 砂常规试验项目测试精度及结果处理规定总汇三、石子部分表14石的公称粒径、石筛筛孔的公称直径和方孔筛筛孔边长尺寸表15 碎石或卵石的级配范围度的连续粒级。
②.当卵石的颗粒级配不符合本表要求时,应采取措施并经试验证实能确保工程质量后,方允许使用。
表16 碎石或卵石中含泥量与泥块含量卵石的含泥是非黏土质的石粉时,其含泥量可由本表中的0.5%、1.0%、2.0%分别提高到1.0%、1.5%、3.0%。
②. 对于有抗冻抗渗或其它特殊要求的强度等级小于C30的混凝土,其所用碎石或卵石中泥块含量不应大于0.5%。
表17 碎石或卵石中针、片状颗粒含量表18 碎石或卵石中的有害物质含量后,方可采用。
表19 碎石或卵石的坚固性指标表20 碎石的压碎值指标正长岩、闪长岩和橄榄岩等;喷出的火成岩包括玄武岩和辉绿岩等。
表21 卵石的压碎值指标表22 碎石或卵石常规试验项目测试精度及结果处理规定总汇四、矿物外加剂部分五、普通混凝土部分表25 混凝土立方体试件抗压强度换算系数表26 普通混凝土配合比设计标准差σ选用表表27 普通混凝土配合比设计坍落度选用表表28 普通混凝土配合比设计房建工程最大水灰比与最小胶凝材料用量限值表30 普通混凝土配合比设计单方混凝土用水量选定表(kg/m3)说明:①本表用水量系采用中砂时的平均值,用细砂时,每方混凝土可增加5~10㎏,采用粗砂时可减少5~10㎏;②掺用各种外加剂或掺合料时,用水量应相应调整;③流动性(S b=100~150㎜)、大流动性(S b=160㎜以上)混凝土的用水量以坍落度90㎜的用水量为基础,按坍落度每增大20㎜,用水量增加5㎏计算出未掺外加剂时的混凝土用水量;④掺外加剂流动性、大流动性混凝土用水量按下式计算:m wa=m w0(1-β)式中m wa—掺外加剂混凝土每立方米混凝土用水量(㎏/m3);m w0—未掺外加剂混凝土每立方米混凝土用水量(㎏/m3);β—外加剂减水率,经试验确定或参考说明书取用(﹪)。
水泥企业化验室控制组题库(总18页)-CAL-FENGHAI.-(YICAI)-Company One1-CAL-本页仅作为文档封面,使用请直接删除化验室题库控制部分一、单选题1.通用硅酸盐水泥标准中()为现行有效版本。
2. A.GB 175-2008 B.GB 175-2007 C.GB 176-2007 D.GB 172-20073.答案:B4.控制熟料的水化热,主要控制熟料中的()两种矿物。
5. A.C3A 、C2S B.C2S、 C3S C.C3S 、C3A D.C3A 、C4AF6.答案:C7.水泥细度检验用标准筛有()和0.045mm方孔筛。
8. A.0.90mm B.0.080mm C.0.20mm9.答案:B10.下列水泥品种中,属于通用硅酸盐水泥的是()。
11. A. 粉煤灰水泥 B. 铝酸盐水泥 C. 硫酸盐水泥 D. 油井水泥12.答案:A13.水泥中掺入适量石膏的目的主要为()。
14. A.调节水泥凝结时间和提高早期强度 B.缓凝作用 C. 调节水泥性能 D. 作为混合材15.答案:A16.水泥细度测定结果出现争议时以()法为准。
17. A.水筛法 B.负压筛法 C. 手工干筛法 D. 都可以18.答案:B19.GB/T 21372-2008硅酸盐水泥熟料标准规定,熟料中f-CaO≤()。
20.A.2.0 B.1.5 C.2.5 D.1.021.答案:B22.下列普通硅酸盐水泥中不包括()强度等级。
23. A.42.5 B.42.5R C.52.5 D.32.524.答案:D25.普通硅酸盐水泥的代号是()。
26. A.P·C B.P·O C.P·F D.P·P27.答案:B28.在抽查对比试验中,生产控制岗位每人每月不少于()个样品。
29. A.4 B.2 C.3 D.530.答案:A31.GB175-2007标准中规定复合硅酸盐水泥中SO3含量不得超过()。
优先选用可以使用不宜使用
1 在普通气候环境中的混凝土普通水泥矿渣水泥、火山灰水泥粉煤灰水泥、复合水泥
2 在干燥环境中的混凝土普通水泥矿渣水泥火山灰水泥粉煤灰水泥
3 严寒地区的露天混凝土,寒冷地区的处在水
位升降围内的混凝土
普通水泥矿渣水泥
火山灰水泥
粉煤灰水泥
4 严寒地区处在水位升降范围内的混凝土普通水泥(≥42.5级)矿渣水泥火山灰水泥粉煤灰水泥复合水泥
5 有抗渗要求的混凝土普通水泥、火山灰水泥矿渣水泥
6 有耐磨性要求的混凝土普通水泥、硅酸盐水泥矿渣水泥火山灰水泥粉煤灰水泥
7 要求快硬早强的混凝土硅酸盐水泥普通水泥矿渣水泥火山灰水泥粉煤灰水泥复合水泥
8 高强(大于C50级)的混凝土硅酸盐水泥普通水泥矿渣水泥火山灰水泥粉煤灰水泥
9 在高湿度环境中或长期处于水中的混凝土矿渣水泥、火山灰水泥
粉煤灰水泥、复合水泥
普通水泥
10 厚大体积的混凝土矿渣水泥、火山灰水泥
粉煤灰水泥、复合水泥
硅酸盐水泥
11 受侵蚀介质作用的混凝土矿渣水泥、火山灰水泥
粉煤灰水泥、复合水泥
硅酸盐水泥。
1水泥标号:水泥标号是按规定龄期的抗压强度和抗折强度划分,强度以kgf/ cm2 计。
硅酸盐水泥、普通水泥的强度龄期为3 d、28 d ,矿渣水泥、火山灰水泥、粉煤灰水泥和复合水泥的强度龄期为3 d、7 d、28 d。
强度的检验方法按《水泥胶砂强度检验方法》(GB177 85)(简称GB 法,此标准已于1999 年5 月1 日废止)执行。
各类水泥的强度共设275、325、425、425R、525、525R、625、625R 和725R 九个标号。
强度等级:水泥强度等级也按规定龄期的抗压强度和抗折强度划分,唯强度以MPa 计。
各类水泥的强度龄期统一为3 d、28 d。
强度的检验方法按《水泥胶砂强度检验方法(ISO 法)》(GB/ T17671 1999)(简称ISO 法,此标准于1999 年5 月1 日实施)执行。
常用各类水泥的强度共设32. 5 、32. 5R、42. 5 、42. 5R、52. 5 、52. 5R、62. 5 和62. 5R八个等级。
相应的产品新标准是《硅酸盐水泥、普通硅酸盐水泥》(GB175 1999)、《矿渣硅酸盐水泥、火山灰质硅酸盐水泥及粉煤灰硅酸盐水泥》(GB1344 1999)和《复合硅酸盐水泥》(GB12958 1999)。
这三项标准于1999 年12 月1 日起实施。
考虑水泥生产、检验及使用方面的实际情况,规定了为期1 年的过渡期。
过渡期内新老标准的水泥并行,从而实现平稳过渡。
标号与强度等级:水泥强度从标号到强度等级的变化,主要是由于采用了不同的强度检验方法,即由GB 法改为ISO 法。
这是我国水泥标准为向国际标准靠拢并与其保持一致做出的重大修改。
两种检验方法在胶砂组成(标准砂、灰砂比、水灰比)、搅拌方法、振实成型方法、养护、加载速度、试验条件控制和仪器设备等方面有明显的差别。
经试验对比,老标准水泥采用GB 法和ISO 法的试验结果是:抗折强度差值不大,对水泥强度指标的影响可忽略不计;而抗压强度用ISO 法检验的则普遍较用GB 法检验的降低了大约一个强度等级。
水泥品种、强度等级及不同龄期强度要求水泥是一种常见的建筑材料,主要由石灰石、粘土、铁矿石等天然原料经过高温烧制而成。
水泥的品种包括硅酸盐水泥、普通硅酸盐水泥、矿渣硅酸盐水泥、火山灰质硅酸盐水泥、粉煤灰硅酸盐水泥和复合硅酸盐水泥。
水泥强度等级是根据水泥的抗压强度来划分的。
一、水泥品种分类(通用硅酸盐水泥)
二、水泥不同龄期强度要求(通用硅酸盐水泥)
这些水泥的强度等级是根据在标准条件下养护28天所达到的抗压强度来划分的。
具体来说,按照GB175-2023《通用硅酸盐水泥》的规定,采用GB/T17671-1999《水泥胶砂强度检验方法(ISO法)》规定的方法,将水泥、标准砂和水按一定比例制成标准试件,在标准养护条件下养护至规定的龄期,分别测定其3天和28天的抗折强度和抗压强度,根据测定的结果划分水泥强度等级。
具体见下图:
通用硅酸盐水泥不同龄期强度要求
拓展知识:国际、不同国家标准对水泥的定义
1、国际标准:国际上广泛采用EN1992系列标准,该标准将水泥分为波特兰水泥、熟料波特兰水泥、混合波特兰水泥等,同样也有不同的强度等级。
2、美国标准:美国采用ASTMC151《波特兰水泥和混凝土术语》标准,将水泥分为波特兰水泥、快硬波特兰水泥、高性能波特兰水泥等,每个类型也有不同的强度等级。
3、欧洲标准:欧洲标准采用EN1992系列标准,与EN1992-1-1《混凝土、混凝土元件和混凝土结构—通用规范》等相关联,对水泥的性能有详细的规定。
4、日本标准:日本采用JIS标准,如JISA6101《波特兰水泥》等,也有不同强度等级的水泥。
水泥厂化验室质量题库——判断题一、判断题(共200题):1.测定水泥密度时,水泥在装入密度瓶前的温度,应尽可能和瓶内液体相一致。
(√)2.水泥的强度试验用水量一般通过测定胶砂流动度来确定,因此流动度测定将直接影响水泥强度试验结果。
(√)3.水泥胶砂流动度的检验从加水拌和时算起,全过程在10min内完成。
(×)4.按ISO法进行水泥胶砂强度检验的成型操作时,试件的编号标识工作是在试件完成湿汽养护之后,脱换之前。
(√)5.抗压强度检验时,加荷时规定按每秒2.4±0.2KN的速度,但在试体刚开始受力时,可小于规定的速度。
(×)6.安定性检验时,沸煮箱要求能在30±5min内将箱内水加热至沸腾,并能维持沸腾1小时以内不再添水。
(×)7.矿渣水泥中只许掺入各项性能指标符合标准要求的水渣一种混合材料。
(×)8.ISO水泥强度检验时,水泥、砂和拌和水都要用精度≤±1g天平来称量,水如用量筒或滴定管来量取时,其精度也应达到±2ml。
(√)9.水泥净浆搅拌机的搅拌叶与锅壁、锅底间隙应为2±1mm,同时,水泥净浆搅拌机的校准周期为12个月。
(√)10.对水泥强度发展起主要作用的是硅酸三钙和β型硅酸二钙。
(√)11.烧失量一定是正值。
(×)12.生料样品用酸溶方法进行试样处理,而熟料则用碱熔方法进行处理。
(×)13.酸式滴定管用来量度酸、氧化剂、还原剂,而碱式滴定管只能量度碱溶液。
(√)14.酚酞在酸性溶液中呈红色。
(×)15.水泥熟料的主要矿物有四种。
(√)16.以1ml标准溶液相当于被测物质的克数所表示的浓度叫做物质的量浓度。
(×)17.各反应物质或生成物质之间的摩尔数不一定相等,但定量反应完全后它们的物质的量总是相等的。
(√)18.容量瓶绝不允许贮存强碱溶液。
(√)19.100ml的溶液中所含溶质的毫升数表示该溶液的体积百分比浓度。
矿渣硅酸盐水泥、火山灰质硅酸盐水泥及粉煤灰硅酸盐水泥1范围本标准规定了矿渣硅酸盐水泥、火山灰质硅酸盐水泥和粉煤灰硅酸盐水泥的定义与代号、材料要求、强度等级、技术要求、试验方法和检验规则、包装、标志、运输与贮存。
本标准适用于矿渣硅酸盐水泥、火山灰质硅酸盐水泥和粉煤灰硅酸盐水泥2引用标准下列标准所包含的条文,通过在本标准中引用而构成为本标准的条文。
本标准出版时,所示版本均为有效。
所有标准都会被修改,使用本标准的各方应探讨使用下列标准最新版本的可能性。
GB/T 176-1996 水泥化学分析方法(eqv ISO 680:1990)GB/T 203-1994 用于水泥中的粒化高炉矿渣(neq TOCT 3476:1974)GB/T 750-1992 水泥压蒸安定性试验方法GB/T 1345 –1991 水泥细度检验方法(80 µm 筛筛析法)GB/T1346-1989 水泥标准稠度用水量、凝结时间、安定性检验方法(neq ISO/DIS 9597)GB/T 1596-1991 用于水泥和混凝土中的粉煤灰GB/T 2847-1996 用于水泥中的火山灰质混合材料(neq ISO 863:1990)GB/T 5483-1996 石膏和硬石膏(neq ISO1587:1975)GB/T 8074-1987 水泥比表面积测定方法勃氏法(neq ASTM C204:1981)GB 9774-1996 水泥包装袋GB 12573-1990 水泥取样方法GB/T 17671-1999 水泥胶砂强度检验方法(ISO法)(idt ISO 679:1989)JC/T 667-1997 水泥粉磨用工艺外加剂JC/T 742-1984(1996)掺入水泥中的回转窑窑灰3定义与代号3.1矿渣硅酸盐水泥凡由硅酸盐水泥熟料和粒化高炉矿渣、适量石膏磨细制成的水硬性胶凝材料称为矿渣硅酸盐水泥(简称故渣水泥),代号P·S。
水泥凡是以硅酸钙为主,0%--5%石灰石或粒化高炉矿砂,适量磨细制成的水硬性的胶型材料。
一、硅酸盐水泥:2O 3 CaO磨细Ⅰ型硅酸盐水泥 辅 助 水泥硅酸盐水泥熟料的水化产物:水化硅酸钙凝胶体氢氧化钙晶体水化铝酸钙晶体水化铁酸钙凝胶体由于铝酸三钙的水花反应极快,是水泥产生顺势凝结,为了方便施工,在生产硅酸盐水泥时需掺加适量的石膏,达到调节凝结时间的目的。
石膏和铝酸三钙的水化产物水化铝酸钙发生反应,生成水化硫铝酸钙针状晶体(钙矾石)反应式如下:3CaO 〃Al 2O 3〃6H 2O+3(CaSO 4〃2H 2O)+19H 2O=3CaO 〃Al 2O 3〃431H 2O1、溶解期2、凝结期3、硬化期28天硬化后,水泥石结构由凝胶体、未完成水化的水泥颗粒、毛细孔组成。
1、水泥熟料矿物成分及其含量2、细度细度越大,水泥颗粒越细,比表面积越大,水化反应越容易进行,水泥的凝结硬化越快3、用水量用水约占水泥质量的23%4、温度和湿度随温度升高,反应加快5、养护时间(龄期)养护:保持合适的环境温度和湿度,使水泥水化反应不断进行的措施。
1、细度细度是指水泥颗粒粗细的程度硅酸盐水泥:比表面积应大于300㎡/㎏其他水泥:筛余量是一定质量的水泥在0.08㎜方孔标准筛筛分后残留于筛上部分的质量占原质量的百分比2、氧化镁、三氧化硫、碱及不容物含量MgO含量不超过5.0%三氧化硫SO3含量不超过3.5%3、烧失量4、水泥净浆标准稠度及其用水量硅酸盐水泥的标准稠度用水量一般为24%——30%5、凝结时间硅酸盐水泥初凝时间不得早于45min,终凝时间不得迟于6.5h,其他水泥10h。
凝结时间是从水泥开始加水拌合起至水泥浆完全失去塑性,并开始产生强度所需的时间。
水泥的初凝不宜过早,以便在施工时有足够的时间完成混凝土或砂浆的搅拌、运输、浇捣和砌筑等操作。
水泥的初凝不宜过迟,以免拖延施工工期。
6、体积安定性水泥体积安定性简称水泥安定性,是指水泥浆体硬化后体积变化的稳定性。
2020年二级建造师《建筑工程管理与实务》建筑结构技术要求(五)和建筑材料(一)【知识回顾】【练习1·多选】对混凝土构件耐久性影响较大的因素有()。
A.结构形式B.环境类别C.混凝土强度等级D.混凝土保护层厚度E.钢筋数量【答案】BCD【练习2·多选】混凝土的优点包括()。
【2017】A.耐久性好B.自重轻C.耐火性好D.抗裂性好E.可模性好【答案】ACE【练习3·单选】下列钢筋混凝土梁正截面破坏的影响因素中,影响最小的是()。
【2016】A.配筋率B.箍筋C.混凝土强度D.截面形式【答案】B【练习4·单选】关于钢筋混凝土梁配筋的说法,正确的是()。
【2015】A.纵向受拉钢筋应布置在梁的受压区B.梁的箍筋主要作用是承担剪力和固定主筋位置C.梁的箍筋直径最小可采用4mmD.当梁的截面高度小于200mm时,不应设置箍筋【答案】B【练习5·多选】关于砌体结构特点的说法,正确的有()。
A.耐火性能好B.抗弯性能差C.耐久性较差D.施工方便E.抗震性能好【答案】ABD【授课安排】2A311025钢结构的特点及技术要求2A311031常用建筑金属材料的品种、性能和应用2A311032水泥的性能和应用2A311025钢结构的特点及技术要求【本节考点】客观题 1.钢结构的特点【掌握】 2.钢结构设计的内容【了解】 3.钢结构材料的选择【了解】 【真题分布】无建筑型钢通常指热轧成型的角钢、槽钢、工字钢、H 型钢和钢管等。
由其构件形成承重结构的建筑称型钢结构建筑。
由薄钢板冷轧成型的、卷边或不卷边的L 形、U 形、Z 形和管形等薄壁型钢,以及其与小型钢材如角钢、钢筋等支撑的构件所形成的承重结构建筑,一般称轻型钢结构建筑。
采用钢索的悬索结构建筑,也属于钢结构建筑。
一、钢结构的特点【掌握】 钢结构具有以下优点:(1)材料强度高,自重轻,塑性和韧性好,材质均匀; (2)便于工厂生产和机械化施工,便于拆卸,施工工期短; (3)具有优越的抗震性能; (4)无污染、可再生,节能、安全。
第2章水硬性胶凝材料——水泥学习鉴定答案1.填空题:(1)硅酸盐水泥、普通水泥、矿渣水泥、火山灰水泥、粉煤灰水泥、复合水泥(2)石灰石、粘土、铁矿粉,两磨一烧(3)硅酸三钙、硅酸二钙、铝酸三钙、铁铝酸四钙。
游离氧化钙、游离氧化镁、硫酸盐(4)水泥、水(5)延缓(6)游离氧化钙、游离氧化镁、石膏。
沸煮法(7)抗折强度、抗压强度。
水泥胶砂法、3、28。
水泥熟料矿物成分、细度(8)氢氧化钙、密实(9)3个月、出厂日期,重新鉴定强度等级、鉴定后的强度等级(10)硅酸盐、矿渣、硅酸盐、硅酸盐2.名称解释(1)以硅酸盐水泥熟料和适量的石膏,以及规定的混合材料制成的水硬性胶凝材料。
(2)由硅酸盐水泥熟料、两种或两种以上>20%且≤50%的混合材料、适量石膏磨细制成的水硬性胶凝材料。
(3)从水泥加水拌和时起,到水泥浆开始失去塑性时为止所需的时间。
(4)从水泥加水拌和时起,到水泥浆完全失去塑性并开始产生强度时为止所需的时间。
(5)水泥在凝结硬化过程中,体积变化的均匀性。
(6)不仅能在空气中凝结硬化,而且能更好地在潮湿或水中环境硬化,产生、保持并发展强度的胶凝材料。
3.判断题(1)×(2)√(3)×4.简答题(1)影响水泥凝结硬化的因素有:水泥熟料的矿物成分、细度、拌和水量、硬化环境的温度和湿度、硬化时间(2)在水泥中掺混合材料的目的是:改善水泥的某些性能,调整水泥强度,增加水泥品种、扩大水泥使用范围、变废为宝,节约能源、降低水泥生产成本。
(3)可以采取以下措施防止水泥遭到腐蚀:根据工程所处环境特点,合理选用水泥品种;改善施工工艺,提高构件密实度;在构件表面加做不透水的保护层。
(4)水泥存放时间太长,很容易吸收空气中的水分,发生水化反应凝结成块,从而失去胶结能力,活性降低,强度降低,时间越长降低越多。
保管水泥时应注意防水防潮,先进先出、先存先用,存放时间不超过3个月。
(5)水泥抽样的规定如下:以同一水泥厂,按同品种、同强度等级、同期到达的水泥,不超过400t为一个取样单位。
硅酸盐水泥熟料的矿物组成1、硅酸三钙是硅酸盐水泥熟料中的主要矿物成分,遇水时水化反应速度快,水化热大,凝结硬化快,其水化产物表现为早期强度高。
硅酸三钙是主要赋予硅酸盐水泥早期强度的矿物。
2、硅酸二钙是硅酸盐水泥中的主要矿物,遇水时水化反应速度慢,水化热很低,其水化产物表现为早期强度低而后期强度增进较高。
硅酸二钙是决定硅酸盐水泥后期强度的矿物。
3、铝酸三钙遇水时水化反应极快,水化热很大,水化产物的强度很低。
铝酸三钙主要影响硅酸盐水泥的凝结时间,同时也是水化热的主要来源。
由于在煅烧过程中,铝酸三钙的熔融物是生成硅酸三钙的基因,故被列为“熔媒矿物”。
4、铁铝酸四钙遇水时水化反应速度快,水化热低,水化产物的强度也很低。
由于在煅烧熔融阶段有助于硅酸三钙的生成,同样属于“熔媒矿物”。
硅酸盐水泥的技术要求按国家标准规定,硅酸盐水泥应确保九项技术要求:水泥中的不熔物、氧化镁含量、三氧化硫含量、烧失量和碱含量,均不得超限;水泥的细度、凝结时间、安定性和强度,均必须达标。
掺加混合材料的硅酸盐水泥1、普通硅酸盐水泥凡由硅酸盐水泥熟料、6%~15%混合材料、适量石膏磨细制成的水硬性胶凝材料,称为普通硅酸盐水泥,简称普通水泥,代号P·O。
2、矿渣水泥凡由硅酸盐水泥熟料和粒化高炉矿渣、适量石膏磨细制成的水硬性胶凝材料,称为矿渣硅酸盐水泥(简称矿渣水泥),代号P·S。
3、火山灰水泥凡由硅酸盐水泥熟料和火山灰质混合材料、适量石膏磨细制成的水硬性胶凝材料,称为火山灰质硅酸盐水泥(简称火山灰水泥),代号P·P。
4、粉煤灰水泥凡由硅酸盐熟料和粉煤灰、适量石膏磨细制成的水硬性胶凝材料,称为粉煤灰硅酸盐水泥(简称粉煤灰水泥),代号P·F。
5、复合水泥凡由硅酸盐水泥熟料、两种或两种以上规定的混合材料、适量石膏磨细制成的水硬性胶凝材料,称为复合硅酸盐水泥(简称复合水泥),代号P·C。
除普通硅酸盐水泥的上述四种水泥,其组成物料与普通硅酸盐水泥比较,虽然都有硅酸盐水泥熟料和适量石膏但它们的混合材料掺加量较多,且品种不同。