IEC60870-5-103规约在电气化铁路微机馈线保护装置中应用的研究
- 格式:docx
- 大小:39.68 KB
- 文档页数:6
基于IEC60870-5-103规约的保护装置冗余网络通信设计郑飞;路建涛;高莉;贠保记【期刊名称】《电力系统保护与控制》【年(卷),期】2010(038)024【摘要】基于IEC60870-5-103规约和嵌入式ucLinux平台,设计了一种应用于电力系统保护测控装置的冗余网络通信方案.该方案在硬件设计上采用双以太网口,两个网口互为备用,在软件设计上利用嵌入式ucLinux系统中的socket编程和数据的共享或备份实现了保护装置针对多个上位机的冗余网络通信功能.对103规约的基本应用功能进行了分析,并针对冗余网络通信中应用功能遇到的特殊问题,提出了应用功能实现的方法.经过在保护装置中的应用,表明该方案能有效地提高通信的可靠性.【总页数】5页(P168-171,194)【作者】郑飞;路建涛;高莉;贠保记【作者单位】西安科技大学电气与控制工程学院,陕西,西安,710054;中煤西安设计工程有限责任公司,陕西,西安,710054;西安供电局,陕西,西安,710032;西安西瑞保护控制设备有限责任公司,陕西,西安,710075【正文语种】中文【中图分类】TM76【相关文献】1.IEC60870-5-103规约在电气化铁路微机馈线保护装置中应用的研究 [J], 陈忠斌;陈剑云2.基于PLC的IEC60870-5-103规约解析器的研究与应用 [J], 张广龙;史丽萍;张颖3.基于VxWorks的微机保护装置网络通信设计 [J], 张红涛;卢涛;方刚;王腾4.一种基于MVI56E-MCM的冗余Modbus通信设计与实现 [J], 李志刚;王伟;杨灵飞;李婷婷;董伟光5.用于微机保护设备基于IEC60870-5-103传输规约的通信接口技术的研究与开发[J], 谭嘉虎因版权原因,仅展示原文概要,查看原文内容请购买。
变电站自动化系统IEC60870-5-103和IEC60870-5-104协议的分析和实施徐立子( 中国电力科学研究院,北京100085 )摘要:阐述了国际电工委员会(IEC)制定的用于变电站自动化系统的国际标准IEC 60870-5-101、IEC 60870-5-104和IEC60870-5-103。
(我国行标DL/T 667-1999)分析了这些标准对变电站自动化系统所提出的要求和实现。
关键词:变电站自动化系统;传输规约;智能电子设备;RS485总线;光纤传输系统;以太网1IEC60870-5-103标准1.1为互换性和互操作性对物理层的规范要求IEC60870-5-103标准为继电保护设备(智能电子设备(IED)或间隔单元)信息接口配套标准。
此标准规定,在变电站自动化系统中物理层应采用光纤传输系统和/或RS485总线系统。
(1)光纤传输系统为了提高抗电磁干扰能力和传输距离,应采用光纤传输系统,继电保护设备(或间隔单元或IEDs)的接口必须是光纤连接器。
光纤连接器应为:BFOC/2.5(IEC60874-10说明)或F-SMA (IEC60874-2说明)。
对玻璃光纤:渐变型(graded-index),纤芯直径和包层直径分别为62.5和125μm,光波长为820~860 nm,传输功率最小为-16 dBm,最小接收功率最小为-24 dBm,系统储备最小为+3 dBm,典型距离为1000 m,温度范围为-5~+55℃。
对塑料光纤:阶跃型(step-index),纤芯直径和包层直径分别为980和1000μm,光波长为660nm,传输功率最小为-7 dBm,最小接收功率最小为-20 dBm,系统储备最小为+3 dBm,典型距离为40 m,温度范围为-5~+55℃。
(2)EIARS485接口作为上述光纤传输的一种变通,在控制系统和继电保护设备或间隔单元之间可以采用基于双绞线的传输系统。
此种传输系统应符合EIARS485标准。
IEC60870-5-104规约在微电网能量管理系统中的应用作者:张艳丽徐兴辉赵学臣来源:《中国新通信》2014年第14期【摘要】首先介绍了微电网能量管理系统的通讯系统结构,然后根据微电网能量管理和优化控制的特点,对IEC60870- 5- 104国际标准规约进行扩展应用研究,最后针对互操作性,给出了建议报文类型的选择方案。
【关键词】微电网 IEC60870- 5- 104规约能量管理系统微电网(Micro-Grid),是一种由分布式电源、储能装置、能量转换装置、相关负荷和监控保护装置汇集而成的小型发配电系统。
其中,IEC60870-5-104规约(以下简称104规约)作为一种国际标准,除已经在变电站自动化、调度自动化等领域得到广泛应用外,104规约在微电网监控与能量管理系统中也被大量采用。
一、微电网前置通讯系统架构一种是采用通讯管理机进行规约转换,各种格式的数据经转换后统一以一种规约,如IEC60870-5-104规约,传到微网能量管理系统的前置服务器。
另一种,不需要专门的规约转换装置,直接在微网能量管理系统的前置服务器上接入各种微电网设备,前置通讯服务器完成全部的数据采集功能。
二、104规约在微网能量管理系统中的扩展应用微网能量管理系统需要根据特定的运行模式和控制策略,实时调节分布式发电与储能功率等数据。
为实现实时快速响应,同一时刻需要下达对多个设备的调节指令。
标准104规约中,遥控、遥调指令的报文格式规定同一帧报文只能发送一条指令,无法满足实时要求。
另外,标准104规约中虽然可以传送保护信息,但也不能完全满足实际需求。
2.1 扩展多点控制命令在一帧中发送多个控制指令。
类型53用于不带时标的多点遥控或多点设定值,类型54用于带时标的多点设定值。
自定义: =多点控制方案命令 C_MC_ NA_1标准104规约的遥控命令(C_DC_NA_1)和遥调命令(C_ RC_NA_1),需要首先发送选择命令,返校正确后,再发送执行命令。
许继103规约报文详解IEC60870-5-103(DL/T667-1999)报文详解一、800系列装置串口IEC60870-5-103部分一、引用标准IEC60870-5-103:1997 继电保护设备信息接口配套标准,DL/T667-1999 远动设备及系统第5 部分传输规约第103 篇继电保护设备信息接口配套标准。
二、通信接口1.接口标准:RS232 或RS485。
2.通信格式:异步,1 位启始位,8 位数据位,1 位偶校验,1 位停止位。
3.通信速率:9600 bit/s。
4.通信方式:主从式,装置为从站。
三、报文格式IEC60870-5-103 通信规约有固定帧长和可变帧长两种报文格式。
前者用于传送“复位、召唤、确认、无所要求、链路状态/响应、忙帧”等信息。
后者主要用于传送“命令、数据”等信息。
b.接受校验:每帧报文的启动位,停止位、偶校验位。
接受校验的字符有启动字符、帧校验和、结束字符,若检出一个差错,舍弃此帧数据,若无差错,数据有效。
256的模和)。
b. ASDU 链路用户数据包的具体格式详见下文介绍c. Length=ASDU 链路用户数据包的字节数+2(2为控制域、地址域的长度),长度为控制域、地址域、链路用户数据的8位位组的个数,即字节个数。
d. 接受校验:每帧报文的启动位,停止位、偶校验位。
接受校验的字符有启动字符、两个长度字符Length应一致、接受字符总数为L+6(两个启动字符、两个长度字符、校验字符及结束字符16)、帧校验和、结束字符,若检出一个差错,舍弃此帧数据,若无差错,数据有效。
注:固定帧长报文主站和子站之间的确认;而可变帧长用于主站和子站之间传输数据。
3、控制域控制域分“主-->从”和“从-->主”两种情况。
(1)“主-->从”报文的控制域D7 D6 D5 D4 D3 D2 D1 D0备用 PRM FCB FCV FUNCTION CODE0或1 1 功能码(见下表)注: a、启动报文位PRM为1时,表示是由控制系统向继电保护设备(或间隔单元)传输,控制系统为启动站,启动报文位PRM为0时,表示是由继电保护设备(或间隔单元)向控制系统传输,。
IEC60870-5-103规约在变电站后台监控系统中的应用研究与实现的开题报告一、选题依据及研究背景1.选题依据:随着变电行业的不断发展和现代化智能化的转型,变电站后台监控系统已经成为重要的能源监测手段。
为了实现变电站智能化运维管理,必须采用一种高效、可靠、安全且开放的规约协议,以实现监控、控制和通信。
2.研究背景:IEC60870-5-103是一种用于电力系统控制的标准协议,具有快速、可靠、安全等特点,广泛应用于变电站后台监控系统。
在实际应用过程中,IEC60870-5-103规约的应用和实现存在很多问题和难点,如多厂家设备间的互联、通信协议的转换和兼容等。
因此,研究IEC60870-5-103规约在变电站后台监控系统中的应用和实现,对于提高系统的运行效率和稳定性,具有重要意义。
二、研究内容及研究目标1.研究内容:研究变电站后台监控系统的应用场景和功能需求,综合多种IEC60870-5-103通信协议的实现方式和技术路线,分析其应用优势和不足,探讨规约在系统应用中的适配性和稳定性,并开发一个基于IEC60870-5-103规约的变电站后台监控系统原型。
2.研究目标:掌握IEC60870-5-103规约在变电站后台监控系统中的应用和实现技术,建立一套完整的IEC60870-5-103规约通信协议应用框架,设计和实现一个符合实际需求的变电站后台监控系统原型,验证其可靠性和稳定性,为实现变电站智能化运维管理提供技术支持和实践经验。
三、研究方法和技术路线1.研究方法:采用文献综述、案例分析、需求调研、技术探索和实验验证等方法,结合规约的技术特点和系统应用场景需求,分析和构建完整的IEC60870-5-103应用框架,设计并实现变电站后台监控系统原型,并进行实验验证和性能测试。
2.技术路线:通过对IEC60870-5-103技术规范和协议的深入分析,结合多种通信技术和协议解决方案,构建支持业务需求和功能扩展的应用框架;针对变电站后台监控系统的实际应用场景和需求,设计系统结构和模块,并开发IEC60870-5-103规约通信模块和业务逻辑处理模块;同时,结合实际设备环境和网络通信性能,进行测试和性能优化,确保系统的稳定性和可靠性。
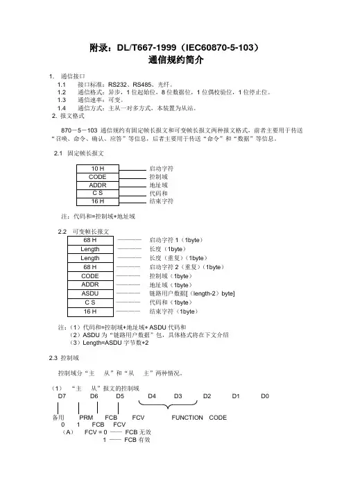
一、DL/T667-1999(IEC60870-5-103)通信规约基本要点1. 通信接口1.1 接口标准:RS232、RS485、光纤。
1.2 通信格式:异步,1位起始位,8位数据位,1位偶校验位,1位停止位。
字符和字节传输由低至高。
线路空闲状态为1,字符间无需线路空闲间隔,两帧之间线路空闲间隔至少33位(3个字节)1.3 通信速率:可变。
1.4 通信方式:主从一对多,Polling方式。
2. 报文格式870-5-103通信规约有固定帧长报文和可变帧长报文两种报文格式,前者主要用于传送“召唤、命令、确认、应答”等信息,后者主要用于传送“命令”和“数据”等信息。
2.1 固定帧长报文启动字符控制域地址域代码和结束字符注:代码和=控制域+地址域(不考虑溢出位,即256模和)2.2————启动字符1(1byte)————长度(1byte)————长度(重复)(1byte)————启动字符2(重复)(1byte)————控制域(1byte)————地址域(1byte)————链路用户数据[(length-2)byte]————代码和(1byte)————结束字符(1byte)注:(1)代码和=控制域+地址域+ ASDU代码和(不考虑溢出位,即256模和)(2)ASDU为“链路用户数据”包,具体格式将在下文介绍(3)Length=ASDU字节数+22.3 控制域控制域分“主 从”和“从 主”两种情况。
(1)“主 从”报文的控制域D7 D6 D5 D4 D3 D2 D1 D0备用PRM FCB FCV 功能码0 11(A)PRM(启动报文位)表明信息传输方向,PRM=1由主站至子站;PRM=0由子站至主站。
(B)FCB(桢记数位)。
FCB = 0 / 1——主站每向从站发送新一轮的“发送/确认”或“请求/响应”传输服务时,将FCB取反。
主站为每个从站保存一个FCB的拷贝,若超时未收到应答,则主站重发,重发报文的FCB保持不变,重发次数最多不超过3次。
深圳南瑞IEC-103规约说明深圳南瑞编写:校核:2001年3月12日前言 (3)第一章IEC-103规约功能说明 (4)第二章IEC-103规约结构 (5)第三章IEC-103物理层说明 (5)第四章IEC-103链路层说明 (5)4.1 传输方式 (5)4.2 传输速率、校验方式和重复帧传输的超时时间间隔 (5)4.3 帧格式 (5)4.3.1 固定帧长帧格式 (6)4.3.2 可变帧长帧格式 (6)4.3.3 控制系统至保护设备报文控制域的定义 (7)4.3.4 保护设备至控制系统报文控制域的定义 (8)第五章IEC-103(深圳所)应用层说明 (9)5.1 1级和2级用户数据的定义及其优先级 (9)5.2 应用层系统介绍 (10)5.3 初始化 (10)5.4 时间同步 (13)5.5 总查询 (14)5.6 正常通信过程(正常情况下链路传输过程) (16)5.7 保护事件、告警信息、状态量的传输 (17)5.8 命令传输过程(信号复归) (17)5.9 通用分类服务(定值、测量值、软压板(控制字)) (18)5.9.1 通用分类服务概述 (18)5.9.2 目录结构(组号条目号的定义) (19)5.9.3 通用分类服务原理 (20)5.9.4 读取定值、测量值、软压板(控制字) (20)5.9.5 修改定值、软压板(控制字) (23)5.10扰动数据传输(录波数据传输) (28)5.10.1 绕动数据的内容 (28)5.10.2 绕动数据传输的过程 (28)前言IEC60870-5-103传输规约是1999年10月1日实施的电力行业标准(国内称为DL/T 667-1999继电保护设备信息接口配套标准),规约要求采用此规约的监控和保护装置必须符合该标准的所有强制性定义。
IEC60870-5-103规约作为新的变电站内通信规约,在以后的大量应用是必然趋势。
它理论上可以传送站内保护所有通讯数据,但同时灵活性也较大。
附录:DL/T667-1999(IEC60870-5-103)通信规约简介1. 通信接口1.1 接口标准:RS232、RS485、光纤。
1.2 通信格式:异步,1位起始位,8位数据位,1位偶校验位,1位停止位。
1.3 通信速率:可变。
1.4 通信方式:主从一对多方式,本装置为从站。
2. 报文格式870-5-103通信规约有固定帧长报文和可变帧长报文两种报文格式,前者主要用于传送“召唤、命令、确认、应答”等信息,后者主要用于传送“命令”和“数据”等信息。
2.1 固定帧长报文启动字符控制域地址域代码和结束字符注:代码和=控制域+地址域————启动字符1(1byte)————长度(1byte)————长度(重复)(1byte)————启动字符2(重复)(1byte)————控制域(1byte)————地址域(1byte)————链路用户数据[(length-2)byte]————代码和(1byte)————结束字符(1byte)注:(1)代码和=控制域+地址域+ ASDU代码和(2)ASDU为“链路用户数据”包,具体格式将在下文介绍(3)Length=ASDU字节数+22.3 控制域控制域分“主 从”和“从 主”两种情况。
(1)“主 从”报文的控制域D7 D6 D5 D4 D3 D2 D1 D0备用PRM FCB FCV FUNCTION CODE0 1 FCB FCV(A)FCV = 0 ——FCB无效1 ——FCB有效(B)FCB = 0 / 1——主站每向从站发送新一轮的“发送/确认”或“请求/响应”传输服务时,将FCB取反。
主站为每个从站保存一个FCB的拷贝,若超时未收到应答,则主站重发,重发报文的FCB保持不变,重发次数最多不超过3次。
若重发3次后仍未收到预期应答,则结束本轮传输服务。
(注:功能码等于3、4的报文为可变帧长报文,其余报文均为固定帧长报文。
(2) “从 主”报文的控制域D7 D6 D5 D4 D3 D2 D1 D0备用PRM ACD DFC Function Code0 0 ACD DFC(A) ACD——要求访问位ACD = 1——通知主站,从站有一级数据请求传送。
2004年线路保护装置国抽规约应用情况总结作者:贺春1 张冉2摘要: 2004年由国家质检总局组织的产品质量抽查检验中,国家继电器质量监督检验中心承担了线路保护装置的检测工作,其中规约的检测也作为一个考查项目,本文就这次检测中发现的一些情况做一下总结,关键词:IEC60870-5-103;通信;规约;国抽;中图分类号:TM73;TM7640.引言当今的电力二次装备进入到一个自动化的时代,装置之间需要进行通信来传递数据和信息,因此进行数据和信息传递载体的通信规约就显得尤为重要,此次抽检的线路保护装置属于保护装置范畴,IEC也有相关的通信标准即IEC60870-5-103标准,我们国家对应的标准是电力标准DL/T 667 -1999(在IEC标准基础上进行了扩充)。
此次参加抽检活动的的总共有39家企业,只其中有3家使用了103规约,只占7.7%,在3家进行103规约测试中,有2家产品未通过测试,只有一家产品通过了测试,占参加抽检产品的2.6%。
其余的36家产品使用了不同的通信规约,如CDT规约、DISA规约、SPA规约、MODBUS规约,以及种类繁多的自定义规约,目前继电保护自动化产品通信规约的这种状况将直接影响到变电站自动化系统的性能和安全性。
如果要和这些装置进行通信,还需要一个保护管理机或者通信管理机进行规约的转换工作,将自定义规约转换成103规约,这样就影响了系统的效率,也增加了系统组建的成本。
另外在已经实现了103规约的装置进行规约测试过程中,也发现了许多与标准不一致的情况,各个厂家由于对规约的理解不一致,并且有的也进行了自己的扩充,这些都严重影响了规约使用的兼容性,这种做法导致的直接后果就是许多厂家在工程建设时必须对规约和程序进行修改,这对系统安全性和可靠性将是一个极大的危害。
标准的通信规约就是为了解决设备之间通信的兼容性,而目前的做法造成了设备之间通信的兼容性较差,不使用国际标准以及对国际标准的不规范使用将会给电力系统的自动化技术的发展带来巨大的阻力和隐患。
2020年17期研究视界科技创新与应用Technology Innovation and Application变电所Modbus 与IEC 60870-5-103通信规约———以成都地铁为例牟思宇(成都地铁运营有限公司,四川成都610041)1概述IEC870-5-103通信规约是国际电工委员会(IEC )定义变电站控制系统与保护设备之间相互通信的配套标准。
目前,成都地铁既有线(1、2、4号线)的电力监控系统中大多使用的通信规约为Modbus 协议,但基于这种通信模式固有不足,在新修乃至未来的线路(目前3、7、10号等线)的继电保护通信规约中推广和应用IEC870-5-103或更齐全的通信规约是必然趋势。
2传统Modbus 协议2.1Modbus 的含义Modbus 协议是一种完全开放的协议,是适用于电子控制器上的一种通用语言。
经过此协议可以实现控制器之间、控制器经由网络和其它设备之间的相互通信。
目前世界上有许多与自动化设备有关的厂商采用了这样的协议。
2.2Modbus 规约的主要缺点Modbus 协议的优点很多,例如用户可以免费获得协议及样板程序;网络实施价格低廉,可全部使用网络通用部件;易于集成不同的设备。
但Modbus 协议的缺点也是显而易见的。
2.2.1通讯效率低Modbus 通讯的理论距离是1200m ,距离越长,信号衰减越厉害,加上有一些电缆质量较差,衰减更厉害,干扰源就不再赘述。
例如:成都地铁2号线变电所跟随所的温控器等设备的通讯采用Modbus 协议,距离较远,会对通讯效率产生一定影响。
解决的方法如下:第一种方法是信号衰减,更换质量更好的电缆,或者在通讯电缆中间加中继器(优点可以延长Modbus 通讯的理论距离,缺点是需要供电);第二种方法是排除干扰源,这是最理想的方法,当然这种方法比较困难。
也可以尝试更换屏蔽效果更好的电缆,尽量减少和供电电缆放到一起。
另外,有些设备Modbus接线端子没有终端电阻,可以在电缆两端各并联一个终端电阻(电阻为120欧)。
D L/T667-1999(I EC60870-5-103)通信规约实施细则珠海拓普智能电气股份有限公司Zhuhai Top Intelligence Electric Co.,Ltd.V1.1.01. 前言本细则是基于电力行业标准DL/T 667-1999 ( idt. IEC 60870-5-103)下的通信接口标准,适用于珠海拓普公司产品范围内继电保护和测量控制功能一体化的设备、以及继电保护和测量控制功能分别由不同装置完成的设备。
2. 通信接口2.1接口标准:RS232、RS485、光纤。
2 .2 通信格式:每1个字符有1个启动位,8位信息位,1位偶校验位,1位停止位。
2.3通信速率:可变,一般为9600 bps。
2.4通信方式:主从一对多,Polling方式。
3. 链路层3.1帧格式IEC60870-5-103规约有固定帧长报文和可变帧长报文两种报文格式,前者主要用于传送“召唤、命令、确认、应答”等信息,后者主要用于传送“命令”和“数据”等信息。
3.1.1固定帧长格式3.1.2 可变帧长格式3.2传输规定线路空闲状态为二进制1。
每个字符间无需线路空闲间隔。
两帧之间的线路空闲间隔最少为33位。
长度L包括控制域,地址域,链路用户数据区的8位位组的个数,为二进制数。
帧校验和是控制域,地址域,链路用户数据区的8位位组的算术和(不考虑溢出位即256模和)。
接受校验:每个字符的启动位、停止位、偶校验位;校验两个启动字符,两个L值应一致,接受字符数为L+6、帧校验和、结束字符。
若检出一个差错,舍弃此帧数据,并校验空闲间隔;在校验中,如无差错则数据有效。
链路传输规则3.2.1控制域控制域(C)分“主→从”和“从→主”两种情况。
“主备用(0) PRM(1) FCB FCV 功能码“从备用(0) PRM(0) ACD DFC 功能码●启动报文位:PRM=1,表示是由主站向继电保护设备(或间隔单元)传输,主站为启动站。
IEC 60870—5—104远动规约在电网调度中的应用第26卷第150期50?2005年4月10日电力系统通信TelecommunicationsforElectricPowerSystemV o1.26No.150Apr.10,2005IEC60870—5—104远动规约在电网调度中的应用唐岳,廖力清,汪治国(中南大学信息工程学院,湖南长沙410083)摘要:文章阐述了国际电工委员会(IEC)制定的用于变电站自动化系统的基于TCP/IP的国际标准IEC60870—5—104.详细介绍了IEC60870—5—104的网络参考模型,帧格式结构和通信过程.结合电力系统的实践,提供了一种可行的软件设计方案.介绍了IEC60870—5—104在目前电网调度中的应用状况,并分析了其在国内电网调度中广泛的应用前景,最后根据存在的问题,提出了一些有益的建议.关键词:IEC60870—5—104;IEC60870—5—101;以太网;TCP/IP;插座中图分类号:TN915.853文献标识码:B文章编号:1005—7641(2005)04—0050—04 0引言IEC60870—5—101提供了在主站和远动RTU之间发送基本远动报文的通信文件集,它适用于点对点,多个点对点,多点共线,多点环形和多点星形网络的远动系统中,要求在主站和每个远动子站之间,采用固定连接的数据电路,因此必须使用固定的专用远动通道.欧美一些国家的调度主站与变电站RTU的通信, 已逐步采用以太数据网,远动报文可能通过一些可以进行报文存贮和转发的数据网络进行传输,这些数据网络仅仅在主站和远动子站之间提供虚拟的数据电路,因此这种网络类型将使得报文传输出现延时,其延时可在相当大的时间范围内变化,并和网络的通信负荷有关.一般可变的报文延时时间意味着不可能采用在IEC60870—5—101中所定义的主站和远动子站之间的链路层,为此,在1998年8月,国际电工委员会(IEC)第57技术委员会(TC57)的第3工作组(WG03) 制定了IEC60870—5—104标准(CDV),我国也制定了相应的配套标准DL/T634.5104—2002.IEC 60870—5—104协议的名称为"采用标准传输协议子集的IEC60870—5—101的网络访问"(Networkaccess forIEC60870—-5—-101usingstandardtransportpro-- files).此协议是将IEC60870—5—101标准用于TCP/ IP网络,通过以太数据网,变电站RTU与调度主站通信时,通信规约则应采用IEC60870—5—104标准¨.1IEC60870—5—104规约分析1.1lEe60870—5—104网络模型IEC60870—5—104规约标准定义了开放的TCP/IP网络接El的使用,其中网络类型包含传输DL/T收稿日期:2004—07—14634.5101—2002ASDU远动设备的局域网,以及不同广域网类型(例如x.25,帧中继(FrameRelay,FR),综合业务数据网络(ISDN,IntegratedServiceDataNetwork) 等)的路由器可通过公共的TCP/IP局域网接口互联,一个冗余的主站配置与另一个非冗余的主站配置如图1所示.101应用传输接口l主站终|IlI系统——一_1●(】L25,FR,ISDN..),逞!!:坚:一一路函嚣(X.25,FR,ISDN..)壁旦焦竺量旦l终墙系统子站(a)无冗余101应用传输接口lTCP/IPl瞄由暴(】L25,F|'ISDN..)llTCP/IP101应用传输接口图1一般体系结构(b)有冗余IEC60870—5—104协议结构如图2所示,它实际上处于应用层协议的位置.基于TCP/IP的应用层协议很多,每一种应用层协议都对应着一个网络端口号. IEC60870—5—104在传输层采用TCP协议,其对应的网络端口号为2404,由IANA(互联网数字分配授权)定义和确认.1.2lEe60870—5—104应用规约数据单元(APDU)传输接口(TCP到用户)是一个定向流接口,它没有为IEC60870—5—101中的ASDU定义任何启动或者停止机制.为了检测出ASDU的启动和结束,每个APCI包括下列的定界元素:一个启动字符,ASDU的规定长度,以及控制域(如图3所示).并且可以传送一个完整的APDU,或者出于控制目的,仅仅是APCI域也是可以被传送的..技术研究?唐岳,等IEC60870—5—104远动规约在电网调度中的应用?51? 根据IBc60807—5—101从IEC60870-5-5中选取的应用功能初始化用户进程从IBc60870--5-101和IEC60870-5-104中选取的^S加应用层APCI(应用翅约控斜信息)传输接口(第7层)(用户到TOP的接口)传输层(第4层)同络层(第3层)T6"P/IP协议子集CRFC~200)链路层(第2层)物理层(第1层)注t第5,6层未用图2IEC60870—5—104的网络参考模型超动字符68II▲JAInU长度(最大,253)I控制域八位位组1APCI控制域八位位组2^P控制域八位位组3:度控制域八位位组41『IBc60875-101,IBc60870--5—104^SDU『所定义的KSDU图3IEC60870—5—104的APDU定义启动字符68H定义了数据流中的起点.APDU的长度域定义了APDU体的长度,它包括APCI的4个控制域8位位组和ASDU.第1个被计数的八位位组是控制域的第1个8位位组,最后1个被计数的八位位组是ASDU的最后1个8位位组.AS—DU的最大长度限制在249以内,因为APDU域的最大长度是253(APDU最大值等于255减去启动和长度八位位组),这个要求限制了一个APDU报文最多能发送121个不带品质描述的归一化测量值,或243个不带时标的单点遥信信息,若RTU采集的信息量超过此数目,则必须分成多个APDU进行发送….控制域的长度是4个八位位组.控制域定义了保护报文不至丢失和重复传送的控制信息,报文传输启动/停止,以及传输连接的监视等.三种类型的控制域格式分别用于编号的信息传输(I格式),编号的监视功能(S格式)和未编号的控制功能(U格式).应用服务数据单元(ASDU)与IEC60870-5—101中所定义的ASDU兼容,而且还扩展了类型标识为58到64,以及类型标识为107的新ASDU.1.3防止报文丢失和重复传输在最底层的计算机通信网络中,所提供的服务是不可靠的分组传送,所以当传送过程中出现错误以及在网络硬件失效或网络负荷太重时,有可能会造成数据包的丢失,延迟,重复和乱序,因此应用层协议必须使用超时和重传机构.(1)I格式说明未被确认的I格式应用规约数据单元的最大数目为K:当未确认I格式的APDU达到K个时,发送端停止发送.接收端在接收了w个应用规约数据单元以后确认.控制域的第一个8位位组的第1位为零,定义了I格式.I格式应用规约数据单元常常包含应用服务数据单元.I格式的控制信息如图4所示.发送序号N(s)0LSBigSB发送序号N(s)接受序号N(s)0LSBigSB接受序号N(s)图4I格式(2)报文若报文为68401000002,则表示发送一个报文接收两个报文,且=100,K=100.(3)抗报文丢失和重复传送的保护对于每个方向和每个应用规约数据单元,发送站将发送序号N(S)加1,接收站将接收序号N(R)也加1.接收站确认每一个应用规约数据单元或者应用规约数据单元的序号,哪个应用规约数据单元被可靠接收,就返回这个被正确接收的顺序号.发送站在缓冲区内保存所发送的应用规约数据单元,直到它收到与自己的发送序号一样的接收序号,这时就可以删除缓冲区里已正确传送过的APDU.2IEC60870—5—104通信实施IEC60870—5—104包括非常丰富的应用服务数据单元(ASDU),它不但选取了绝大部分IEC60870—5—101规约的ASDU,而且还扩展了类型标识为58到64,以及类型标识为107的新的ASDU.但在实际使用中,仅仅能够用到其中的一小部分.IEC60870—5—104通信链路的实现过程为(1)通信双方建立TCP连接:根据TCP/IP协议,TCP协议的通信双方建立连接有三次握手,是一种可靠的连接方式.站端RTU作为服务器,在建立TCP 连接前,应一直处于侦听状态并等待调度端的连接请求.当TCP连接已经建立,则应持续地监测TCP连接状态,以便TCP连接被关闭后能重新进入侦听状态, 并初始化一些与TCP连接状态有关的程序变量;调度端作为客户机,在建立TCP连接前,应不断地向站端RTU发出连接请求,一旦连接请求被接收,则应监测TCP连接的状态,以便TCP连接被关闭后重新发出连接请求.52?电力玺锈通僧(2)启动数据传输:启动数据传输帧为u格式帧.建立连接后,连接上的用户数据传输不会从被控站自动激活,即当一个连接建立时STOPDT处于缺省状态, 在这种状态下,被控站并不通过这个连接发送任何数据,除了未编号的控制功能和对这些功能的确认,控制站必须通过这个连接发送一个STARTDT指令来激活这个连接中的用户数据传输,而被控站用STARTDT 响应这个命令.如果STARTDT没有被确认,这个连接将被控制站关闭,这意味着站初始化之后,STARTDT 必须是在来自被控站的任何用户数据传输(如一般的询问信息)开始前发送,即任何被控站的待发用户数据,要在STARTDT被确认后才能发送出去.START.DT/STOPDT是一种控制站激活/解除激活监视方向的机制.控制站即使没有收到激活确认,也可以发送命令或者设定值.发送和接收计数器继续运行,它们并不依赖于STARTDT/STOPDT的使用.(3)启动总召唤:总召唤命令由控制主站启动发送.主站总召唤帧及子站应答帧均为I格式帧.控制站向被控子站发送总召唤命令帧(类型标志为100,传输原因为COT=6),子站向主站发送总召唤命令确认帧(类型标识为100,传输原因为COT=7),然后子站向主站发送单点遥信帧(类型标识为1)和双点遥信帧(类型标识为3),最后向主站发送总召唤命令结束帧(类型标识为100,传输原因为COT=10),激活结束. (4)循环数据传输:遥测量是由子站主动向调度主站循环发送的.遥测量可以使用类型标识为9(归一化值), 11(标度化值)和13(短浮点数)的ASDU发送.(5)时间同步:调度主站向子站发送时间同步帧(类型标识为104,传输原因为6),子站收到后立即更新系统时钟,并向主站发送时间同步确认帧(类型标识为104,传输原因7).需要注意的是:在以太网上进行时钟同步,要求最大的网络延时小于接收站时钟所要求的准确度,即如果网络提供者保证在网络中的延时不会超过400ms(典型的x.25WAN值),在子站所要求的准确度为1S,这样时钟同步才有效.使用这个校时过程可以避免过多的在子站安装GPS卫星定位系统,但如果网络延时很大或者子站所要求的准确度很高(例如1ms)时,则变电站综合自动化系统必须安装精确度很高的全球定位系统(GPS),而以上的时钟同步过程实际上就没有意义了.(6)事件收集:对于调度端和子站端来说,以太网都是一个全双工高速网络,因此IEC6080—5—104必然要使用平衡式传输.当子站发生了突发事件,子站将根据具体情况主动向主站发送下述报文:遥信变位帧(单点遥信类型标识为1,双点遥信类型标识为3,传输原因为3),遥信SOE帧(单点遥信类型标识为30,双点遥信类型标识为31,传输原因为3),调压变分接头状态变化帧(类型标识为32,传输原因为3),继电保护装置事件(类型标识为38),继电保护装置成组启动事件(类型标识为39),继电保护装置成组输出电路信息(类型标识为40).(7)命令传输(遥控/遥调):主站发送遥控/遥调选择命令(类型标识为46/47,传输原因为6,S/E=1),子站返回遥控/遥调返校(类型标识为46/47,传输原因为7,S/E:1);主站下发遥控/遥调执行命令(类型标识为46/47,传输原因为6,S/E=0),子站返回遥控/遥调执行确认(类型标识为46/47,传输原因为7,S/E=0);当遥控/遥调操作执行完毕后,子站返回遥控/遥调操作结束命令(类型标识为46/47,传输原因为10,S/E=0).(8)累计量的传输:主站发送电度量冻结命令(类型标识为101,传输原因为6),子站返回电度量冻结确认(类型标识为101,传输原因为7),然后子站发送电度量数据(类型标识为15,传输原因为37),最后子站发送电度量召唤结束命令(类型标识为101,传输原因为l0).3软件设计方案整个调度自动化软件由两大部分构成:调度端SCADA软件和通信管理机程序.SCADA系统软件运行于本地监控或远方调度;通信管理机是连接现场设备和SCADA系统的通信枢纽.在通信管理机中实现规约转换,把多通信不同规约的数据转换成一个通道的单规约数据,送给SCADA系统,以减轻SCADA通信处理的负荷;它不负责对现场数据的分析和统计,对遥信变位和遥测的越限等都不会做出报警.对于SCADA系统而言,通信管理机相当于一个或多个(多通道时)RTU.由于IEC60870—5—104是一种基于以太网TCP/IP协议的远动规约,因此通信双方(调度系统,站端RTU)都必须支持以太网通信.因此我们的软件设计必然涉及到基于TCP/IP的网络编程.IEC60870—5—104规定控制站(即调度系统)作为客户机,而被控站(即站端RTU)作为服务器.实现TCP/IP网络编程通常有两种方法:1)直接调用操作系统提供的API(程序编程接口)函数,进行socket套接字编程,这种方法编程较繁琐,但实现功能更灵活;2)利用微软公司的MFC(MicrosoftFoundClass),把相关API函数封装起来,使用起来很方便.如果使用MicrosoftVisualC++6.0,采用MFC进行网络编程是一种不错的选择.MFC提供了CAsync-Socket类以及由此派生出的CSocket类.其中,基本类'技术研究?唐岳,等IEC60870—5—104远动规约在电网调度中的应用.53. CAsyncSocket提供了全面的由事件驱动的socket通信能力,支持创建Socket对象,监听端口,连接,发送和接受数据以及断开连接等,程序员可以创建自己派生的Socket类来捕获和响应每个时间.CSocket作为CAsyncSocket的派生类,在一定程度上封装了基本类的功能.我们只需重载该类的OnReceive函数,就可以控制接受通信链路上的应用规约数据单元APDU. 为了提高网络通信的扩展性,使其支持更多规约,把每个规约(或同一类规约)作为一个DLL(动态链接库),以后每加一个规约,就加一个DLL,使程序很容易扩展.比如我们这里用到了IEC60870—5—104远动规约,我们可以把相关的规约处理及socket编程封装在104.dll中,通信主程序只需调用这个动态链接库即可,如果还用到了IEC60870—5—101/103规约,也可以类似处理.4结束语IEC60870—5—104可以说是基于TCP/IP协议的IEC60870—5—101,其采用了IEC60870—5—101应用层的ASDU,并进行了一定的扩展后,封装到TCP/IP协议的应用层,是目前可供选择的远动信息网络访问协议之一.IEC60870—5—104具有TCP/IP的冲突检测和错误重传机制,因此比IEC60870—5—101具有更高的可靠性和稳定性,而且是平衡式传输, 传输效率得到了很大提高.但由于IEC60870—5—104是新颁布的国际标准,与我国工程实践还有一定的出入,例如:国内电力企业常常要求能够远方修改保护定值和对保护动作信号进行远方复位,而这些在IEC60870—5—104中并没有相关定义,因此,利用IEC60870—5—104进行拓展是值得我们探讨的问题. 参考文献:IEC60870—5—104.远动设备及系统(5—104部分:传输规约,采用标准传输文件集的IEC0870—5—101网络访问)[S].2000.谢大为,杨晓忠.调度自动化系统中远动技术网络化的实现[J].电网技术,2004,28(8):34—37.W.RichardStevens.TCP/IP详解(卷l:协议)[M].北京:机械工业出版社,2000.郭小鹏,李存斌.VisualC++高级编程及其项目应用开发[M].北京:中国水利水电出版社,2003.IEC60870—5一1.远动设备及系统(第5部分:传输规约,第l篇:传输帧格式)[s].1990.IEC60870—5—2.远动设备及系统(第5部分:传输规约,第2篇:链路传输规则)[S].1992.IEC60870—5—3.远动设备及系统(第5部分:传输规约,第3篇:应用数据的一般结构)[S].1992.IEC60870—5—4.远动设备及系统(第5部分:传输规约,第4篇:应用数据的定义和编码)[s].1992.IEC60870—5—5.远动设备及系统(第5部分:传输规约,第5篇:基本应用功能)[S].1995.唐岳(1980一),男,湖南株洲人,硕士研究生,从事电力系统自动化方面的研究.廖力清(1965一),男,湖南长沙人,教授,从事电力系统自动化方面的研究.汪治国(1979一),男,湖北鄂州人,硕士研究生,从事电力系统自动化方面的研究.ApplicationofIEC60870——5——104telecontrolprotocolinpowernetworkdispatchingsystemTANGYue,LIA0Li—qing,W ANGZhi—guo (Schoolofinformationscienceandengineering,CentralSouthUniversity,Changsha41008 3,China)Abstract:Theinternationalstandard—IEC60870—5—104telecontrolprotocolisexplainedinthispaper,whichisbasedonTCP/IPanden—actedbvtheInternationalElectroTechnicalCommission(IEC).Thenetworkreferencemode l,theframesstructureandthecommunicationprocessofIEC60870—5—104areintroduced.TheapplicationstatusofIEC60870—5—104incurrentpowernetworkdispatchingsystemisintroduced.andtheapplicationsinfutureareanalyzed.Accordingtothepractice,asoftwared esignschemeisgiven.Intheend,somea—vailableproblemsarediscussed,andsomegoodsolutionsaregiven.Keywords:IEC60870—5—104:IEC60870—5—110;Ethernet;TCP/IP;socket订购公告为满足广大读者的需要,《电力系统通信》杂志社制作了2004年合订本(上,下两册),两册总订价ll0元(含邮费),需要者请尽快与我刊联系.汇款地址:北京自广路二条l号《电力系统通信》杂志社邮编:10076l联系人:李锐,万思宇联系电话:010—63415469,010—63415833请务必在汇款单上写清收件人地址,单位,邮政编码及姓名,如需发票请注明.]J1j1j1J。
远动设备IEC60870-5-101非平衡规约的测试研究摘要:本研究对远动设备IEC60870-5-101非平衡规约的测试进行了深入研究。
阐述了测试的目的和意义,对测试所涉及的原理、方法、步骤和实现过程进行了详细说明。
最后,对测试结果进行了分析和讨论,并得出了结论。
关键词:远动设备;IEC60870-5-101;非平衡规约;测试研究远动设备在电力系统中具有重要作用,其规约的正确性和可靠性对电力系统的稳定运行具有重要影响。
IEC60870-5-101非平衡规约是远动设备中常用的一种通讯规约,广泛应用于电力系统的自动化监控和管理中。
然而,随着电力系统的不断发展和升级,对规约的正确性和可靠性提出了更高的要求。
因此,对IEC60870-5-101非平衡规约的测试研究具有重要的现实意义和理论价值。
一、测试原理和方法测试的原理主要是基于IEC60870-5-101非平衡规约的技术规范和标准,通过模拟各种可能的情况和条件,对规约的性能和功能进行全面、客观、准确的检测和评估。
测试的方法包括软件测试、硬件测试、系统测试等多种方法,根据具体的测试内容和目的选择合适的方法进行测试。
二、测试步骤和实现过程测试步骤主要包括:准备工作、测试计划制定、测试用例设计、测试执行、测试结果分析和报告撰写等。
在实现过程中,需要结合具体的测试工具和设备,按照规定的步骤进行操作,确保测试的准确性和可靠性。
三、远动设备IEC60870-5-101非平衡规约的测试方法在电力系统中,远动设备是实现远程监控和数据传输的关键设备。
为了确保其正常工作,需要对远动设备进行各种测试。
(一)测试方案设计测试方案是整个测试工作的指导性文件,包括测试环境、工具、目标、用例、步骤等方面的设计。
设计测试方案时,需要考虑以下因素:测试环境:选择合适的测试场地和环境,以便于模拟实际运行情况。
工具选择:选择适合的测试设备和工具,以便于完成各项测试任务。
测试目标:明确测试的目的和重点,以便于有针对性地设计测试用例。
IEC60870-5-103规约在电气化铁路微机馈线保护装置中应用的
研究
摘要:本文研究了IEC60870-5-103规约在电气化铁路微机馈线保护装置中的应用。
首先,对IEC60870-5-103规约进行了简要介绍,然后针对电气化铁路微机馈线保护装置作出相应分析,研究了IEC60870-5-103规约在电气化铁路微机馈线保护装置中的应用,并探讨了它的优势和不足之处。
本研究的结果表明,IEC60870-5-103规约被广泛应用于电气化铁路微机馈线保护装置,它拥有简单易操作、可靠性高、安全性强等优势,且通信距离可以达到100米左右。
关键词:IEC60870-5-103规约;电气化铁路微机;馈线保护装置
正文:IEC 60870-5-103是一个新的规范,即“使用异步传输和采用特殊数字信息结构的数字控制信息交换”,旨在控制和保护自动化外部设备。
它是IEC60870-5系列标准的一种,其余的有IEC60870-5-101规范、IEC60870-5-104规范和IEC60870-5-106规范等。
IEC60870-5-103规范主要就是用于控制和保护设备的通信。
电气化铁路微机馈线保护装置是铁路保护设备,用于控制和保护电力供电系统中各种设备,以实现线路的安全运行。
由于IEC60870-5-103规范性能稳定、可靠性高、操作简单,因此被广泛应用于电气化铁路微机馈线保护装置。
IEC60870-5-103规约在电气化铁路微机馈线保护装置中的应用
具有一定的优势。
首先,IEC60870-5-103规范具有可靠性高、安全性强等优势,且通信距离可以达到100米左右,可以满足大范围内的控制和保护需求。
其次,IEC60870-5-103规范所采用的异步技术使其能够支持多种不同类型的设备,提高了它的灵活性和可用性,也使得其在支持多种设备的情况下能够产生更加准确的数据。
然而,IEC60870-5-103规约的应用也存在一些不足之处,例如,IEC60870-5-103规范对多种设备的支持能力有限,不能满足复杂系统的需要;另外,由于IEC60870-5-103规约通信的协议
较复杂,在排错过程中可能会出现一定的困难。
综上所述,IEC60870-5-103规范在电气化铁路微机馈线保护装置中的应用具有许多优势,但也存在一定的缺陷。
因此,为了更好地使用IEC60870-5-103规范,需要进一步完善相关的技术,探索它在电气化铁路微机馈线保护装置中的应用。
电气化铁路微机馈线保护装置中使用IEC60870-5-103规约的典型应
用是故障定位、通信失败检测和远程监控。
典型的故障定位应用包括检测高压线路开关柜、变电站通信模块和变频器控制单元的通信正常性,以及检测各类设备的运行状态,以便及时发现故障和及时采取预防措施。
通信失败检测是在无缝连接的情况下,使用IEC60870-5-103协议及其电气化铁路微机馈线保
护装置,对双方通信质量进行评估,能够及时发现通信失败,以便准确掌握设备的运行状态。
此外,IEC60870-5-103规约还可以用于远程监控,能够与远程电脑或移动设备相连,实现远程操作和远程数据采集功能,以及实时发现设备故障。
因此,IEC60870-5-103规约的应用可以有效提高电气化铁路微机馈线保护装置的工作效率和安全性,有利于确保电气化铁路的正常运行。
但是,由于规约协议复杂、功能限制等特性,我们仍需借助新技术来更好地支持电气化铁路微机馈线保护装置的工作。
针对IEC60870-5-103规约的技术改进已经开始探索。
例如,基于Web服务技术的应用可以使微机馈线保护装置的
网络扩展性能得到显著提高;基于云计算的应用可以加快故障定位的处理速度;而基于大数据的应用则可以更快地进行关键性部件状态的分析。
同时,可以通过使用虚拟化技术来提高设备的可用性,并为设备添加能够协作的软件机制,以改进工作流程和减少误操作。
此外,可以考虑将新技术与传统技术相结合,以实现设备的智能化管理。
总之,为了更好地应用IEC60870-5-103规约,需要不断完善
相关的技术,使它能够更好地适应电气化铁路微机馈线保护装置的工作需求,提高运行效率和安全性,以确保电气化铁路的正常运行。
为了更好地应用IEC60870-5-103规约,必须进行
大量的技术开发和改进。
作为一家负责微机馈线保护装置的开发商,可以采取一系列步骤来提高IEC60870-5-103规约的使
用效果,包括改善设备的性能、提高通信网络的可靠性、控制设备的安全性、添加新功能以及提供日常维护服务。
同时,还可以开发新的集成软件工具,例如模拟调试系统、维护工具和故障处理软件。
在做出上述改进的同时,还需要注意安全管理问题,针对
IEC60870-5-103规约以及电气化铁路微机馈线保护装置中应用的新技术,都需要组织和实施安全检查,确保设备的安全使用
和操作。
这样,才能真正实现IEC60870-5-103规约在电气化铁路微机馈线保护装置中的优化应用,从而更好地确保电气化铁路的正常运行。
由于电气化铁路微机馈线保护装置的工作复杂性,IEC60870-5-103规约在实际应用中仍然存在一些问题。
除了上述技术改进和安全检查之外,还需要采取一系列其他策略来改善IEC60870-5-103规约的使用效果。
例如,通过进行质量控制和检验,以确保设备质量的可靠性;同时,应根据不断变化的工作需求进行相应的调整,以尽可能提高设备的灵活性。
此外,应加强市场宣传和教育,以便更多的用户了解IEC60870-5-103规约的使用方法,并能够更有效地应用它。
只有在上述所有改进措施都落实到位的情况下,才能真正实现IEC60870-5-103规约在电气化铁路微机馈线保护装置中的优化应用,从而确保电气化铁路的正常运行。
此外,为了更好地使用IEC60870-5-103规约,应根据实际工况不断完善服务理念,采取各种方法来增强培训和服务管理水平。
例如,整理可靠的设备运行历史记录,实施全面的质量标准,并通过技术支持、完善的售后服务和正确的维护规程,确保设备和系统的可靠性和稳定性,以满足电气化铁路的需要。
另外,应利用计算机软件和硬件的优势,更加科学地对规约进行升级,以及对未来设备的自检和自修复能力进行持续改进。
只有通过上述改进,才能更好地实现IEC60870-5-103规约在电气化铁路微机馈线保护装置中的优化应用,从而更好地确保电气化铁路的正常运行。
在总结IEC60870-5-103规约在电气化铁路微机馈线保护装置中的优化应用之前,还有一些实施措施值得特别提及,如进行多方安全设计、加强数字化管理等。
多方安全设计是指综合考虑软件、硬件和系统之间的关系,将保障安全的方法集成到产品中,以确保设备的正常运行。
此外,还应加强对电气化铁路微机馈线保护装置的数字化管理,力争在设备中实现“无人”管理,使用户能够更便捷地获取信息,并实现自动诊断、在线报警等功能。
综上所述,只有充分考虑上述改进措施,并努力完善
IEC60870-5-103规约在电气化铁路微机馈线保护装置中的应用,才能真正实现规约的有效运用,从而确保电气化铁路的安全和顺利运行。
为此,应进一步加强电气化铁路微机馈线保护装置维护和管理工作,实施及时有效的设备管理,以便发现问题并及时采取措施解决。
同时,应加强IEC60870-5-103规约的安
全研究,求真务实,深入挖掘,更加深刻地理解其服务质量、通信精度及相关技术,以期拓展规约的应用范围,使之成为电气化铁路最优解决方案。
此外,还应不断研究和改进规约技术,增加其兼容性和可移植性,使其具备更好的可靠性、扩展性和灵活性,以满足电气化铁路及其相关应用系统的要求。
最终,努力为采用IEC60870-
5-103规约的电气化铁路提供更安全、可靠、高效的运行保障。
面对挑战,应充分考虑以上改进方法,并努力实施以下措施:第一,加强设备技术和维护技术的训练,不断提高工作水平和相关管理能力;第二,强化IEC60870-5-103规约的安全性,
提高测试能力,确保规约数据的安全传输;第三,及时完善电气化铁路微机馈线保护装置的故障处理机制,实现快速的故障恢复;第四,加强对IEC60870-5-103规约的研究,深入探索
其应用范围,积极推动技术的发展。
总之,完善IEC60870-5-103规约在发电气化铁路微机馈线保护装置中的应用,必须坚持以安全可靠为核心,坚持多方安全协同,以科学有效地维护和保护设备,以确保电气化铁路的正常安全运行。