精密机械课程设计
- 格式:doc
- 大小:1.04 MB
- 文档页数:14
精密机械设计课程设计一、课程目标知识目标:1. 理解并掌握精密机械设计的基本原理,包括力学、材料力学、机械原理等基础知识;2. 学习并掌握精密机械设计中常用的设计方法和步骤,如CAD软件应用、机构优化等;3. 了解精密机械设计中涉及的各类机械零部件及其功能、性能和选用原则。
技能目标:1. 能够运用所学知识,进行简单的精密机械装置设计和分析;2. 掌握运用CAD软件进行机械零件的绘制和组装;3. 能够运用所学方法,解决精密机械设计中遇到的实际问题。
情感态度价值观目标:1. 培养学生对精密机械设计的兴趣,激发创新意识和探索精神;2. 培养学生严谨、细致、负责的工作态度,提高团队协作和沟通能力;3. 增强学生对我国精密机械制造业的认识,培养家国情怀和民族自豪感。
本课程针对高年级学生,结合学科特点,注重理论知识与实践操作的相结合,旨在培养学生的创新能力和实际操作能力。
课程目标具体、可衡量,便于教师进行教学设计和评估,同时关注学生的兴趣和个性发展,提高教学质量。
二、教学内容1. 精密机械设计基本原理:包括力学基础、材料力学特性、机械原理等,结合教材相关章节,让学生掌握精密机械设计所需的基础理论知识。
2. 精密机械设计方法与步骤:详细介绍CAD软件在精密机械设计中的应用,如零件绘制、组装、运动仿真等,以及机构优化设计方法。
3. 机械零部件及其选用:分析各类机械零部件的功能、性能、选用原则,结合教材章节,让学生了解并掌握常用零部件的选用。
4. 实践操作:安排学生进行简单的精密机械装置设计和分析,提高学生的实际操作能力。
教学大纲安排:第一周:精密机械设计基本原理学习;第二周:CAD软件应用技能培训;第三周:机械零部件的认识与选用;第四周:实践操作,进行简单机械装置设计与分析。
教学内容科学系统,注重理论与实践相结合,确保学生在掌握理论知识的同时,提高实际操作能力。
教学进度安排合理,便于学生消化吸收,提高教学质量。
1、题目设计某一带式运输机用一级直齿圆柱齿轮减速器.运输机二班制、连续工作,单向运转,载荷平稳,室内工作,有粉尘。
减速器小批量生产,使用期限10年,运输带速度允差±5%.室内环境最高温度:35℃;动力来源:三相交流380/220伏;卷筒效率:0。
96。
2、参考方案(1)V带传动和一级闭式齿轮传动(2)一级闭式齿轮传动和链传动(3)两级齿轮传动3、原始数据4、其他原始条件(1)工作情况:二班制、连续工作,单向运转,载荷平稳,室内工作,有粉尘。
(2)使用期限:10年,大修期三年,每年工作300天.(3)生产批量:小批量生产。
(4)工厂能力:中等规模机械厂,可加工7~8级精度齿轮。
(5)动力来源:三相交流(220V/380V)电源。
(6)允许误差:允许输送带速度误差5%。
一、 传动装置的总体设计1、 确定传动方案本次设计选用的带式输送机的机械传动装置方案为V 带传动和一级闭式齿轮传动,其传动装置见下图。
图1 带式输送机的传动装置示意图F:运输带拉力; V :运输带速度; D:卷筒直径2、 选择电动机(1) 选择电动机的类型按工作要求及工作条件选用三相异步电动机,封闭自扇冷式结构,电压380V ,Y 系列。
(2) 选择电动机的额定功率① 带式输送机的性能参数选用表1的第 6组数据,即: 输送带工作拉力F/N输送带工作速度v/m ·s -1卷筒直径D/mm29001。
3 300表一工作机所需功率为:kW k Fv w 77.3s 1.3m N 9.2P -1=⋅⨯==②从电动机到工作机的传动总效率为:212345ηηηηηη=其中1η、2η、3η、4η、5η分别为V 带传动、齿轮传动、滚动轴承、弹性套柱销联轴器和滚筒的效率,查取《机械基础》P 459的附录 3 选取1η=0。
95 、2η=0.97(8级精度)、3η=0。
99(球轴承)、4η=0.995、5η=0.96故22123450.950.970.990.9950.960.8609664143520.862ηηηηηη==⨯⨯⨯⨯=≈③ 电动机所需功率为kW kWP wd 374.4862.077.3P ===η又因为电动机的额定功率ed d P P ≥查《电机型号大全》,选取电动机的额定功率为5.5kW,满足电动机的额定功率 d ed P P ≥。
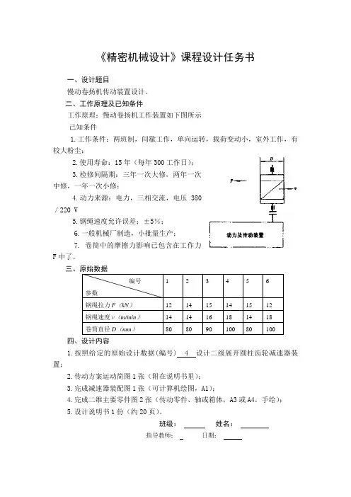
《精密机械设计》课程设计任务书一、设计题目慢动卷扬机传动装置设计。
二、工作原理及已知条件工作原理:慢动卷扬机工作装置如下图所示己知条件1.工作条件:两班制,间歇工作,单向运转,载荷变动小,室外工作,有较大粉尘;2.使用寿命:15年(每年300工作日);3.检修间隔期:三年一次大修,两年一次中修,一年一次小修;4.动力来源:电力,三相交流,电压380/220 V5.钢绳速度允许误差;±5%;6.一般机械厂制造,小批量生产;7. 卷筒中的摩擦力影响已包含在工作力F中了。
四、设计内容1.按照给定的原始设计数据(编号) 4 设计二级展开圆柱齿轮减速器装置;2.传动方案运动简图1张(附在说明书里);3.完成减速器装配图1张(可计算机绘图,A1);4.完成二维主要零件图2张(传动零件、轴或箱体,A3或A4,手绘);5.设计说明书1份(约20页)。
班级:姓名:指导教师:日期:一、传动方案的拟定及说明根据设计参数以及工作条件可知,此减速器功率、效率较低,且钢绳的速度不高。
据此拟定电动机和减速器,减速器和卷筒之间均采用联轴器连接,减速器采用同轴式二级圆柱齿轮减速器。
本传动机构的特点是:减速器横向尺寸较小,两大齿轮浸油,深度可以大致相同。
结构较复杂,轴向尺寸大,中间轴较长、刚度差,中间轴承润滑较困难。
运动方案简图:二、电动机的选择电动机是标准部件,设计时要根据工作机的工作特性,工作 环境和工作载荷等条件,选择电动机的类型、结构容量和转速。
1、选择电动机类型和结构形式由于生产单位一般多采用三相交流电源,因此无特殊要求时 应选三相交流电动机,又三相异步电动机应用最广泛,所以选用 三相异步电动机。
2、选择电动机的容量(功率)由于减速器工作载荷较稳定,长期连续运行,所选电动机的 额定功率等于或稍大于所需的工作功率Pd 即Ped ≥Pd ,电动机就 能安全工作。
(1) 卷筒的输出功率ωPkw kw FV p 5.3601415=⨯==ω(2) 电动机输出功率Pdd P P ωη=传动装置的总效率423421ηηηηη=式中1η、2η…为从电动机至卷筒轴的各传动机构和轴承的效率。
电子精密机械设计第四版课程设计一、课程设计题目开发一种控制机器人进行三维绘图的系统。
二、课程设计目的和要求本课程设计旨在通过实践掌握电子精密机械设计方案制定的方法与技能,理解数字信号处理、控制系统设计等相关知识,培养学生的团队合作能力和创新意识,提高综合应用能力。
设计要求如下:1.设计一个机器人系统,能够绘制三维图形,并实现在三维空间中进行定位、计算和控制;2.要求把控制板、传感器、执行机构集成在一起,进行系统初步调试;3.实现系统的稳定工作、快速响应、准确定位。
三、课程设计内容和关键技术本课程设计的主要内容为:1.机器人的机械结构设计:–机械臂的设计和选择;–电机、减速器选型;–机械结构的设计、加工和装配等。
2.控制系统的设计和开发:–传感器的选型和布局;–控制板的选型和编程;–控制算法的设计和实现;–控制系统的调试和优化等。
3.三维绘图软件的开发:–定义文件格式和通信协议;–设计软件界面和功能菜单;–实现三维图形绘制、旋转、缩放和平移等功能;–远程控制机器人运动,完成三维绘图。
关键技术包括:1.机器人的运动学和动力学模型;2.数字信号处理和控制算法;3.机器人的反馈控制和运动控制;4.硬件和软件的集成。
四、课程设计进度和安排1.第1周:确定课程设计方案,分组,制定计划,验收标准,排查风险;2.第2-3周:机械结构设计和制造;3.第4-5周:电机和控制板选型、传感器布局和测试;4.第6-8周:控制算法编程,控制板和传感器调试;5.第9-10周:机械结构和控制板的集成和测试;6.第11-12周:开发三维绘图软件,测试整个系统;7.第13周:做结课报告。
五、课程设计评估和考核本课程设计按照以下标准进行考核:1.课程论文(含设计方案、设计报告等):60分;2.课程演示和答辩:20分;3.课程实验和实践:20分。
六、参考文献1.《机器人的运动学与动力学模拟与分析》;2.《机器人学与控制》;3.《数字信号处理》;4.《自适应控制理论与设计》;5.《控制工程基础》。
精密机械学基础课程设计1. 引言精密机械学是一门研究微观尺度下精密机械件的设计、制造与应用的学科。
通过本课程设计,旨在帮助学生掌握精密机械学的基本理论和实践技能,为将来从事相关领域工作奠定扎实的基础。
2. 课程目标本课程的主要目标如下:•了解精密机械学的基本概念和原理;•掌握精密机械件的设计方法和流程;•学习常用的精密加工技术和工艺;•能够分析和解决精密机械问题;•提高学生的实践操作能力。
3. 教学内容本课程的教学内容主要包括以下几个方面:3.1 精密机械学基础理论•精密机械学的定义和发展历史;•精密机械学的基本概念和原理;•精密机械零件的分类和特点;•精密机械设计的基本要素;•精密机械系统的分析方法。
3.2 精密机械件设计•精密机械件的设计思路和方法;•精密机械件的功能需求和约束条件;•精密机械件的工程图纸绘制;•常用的精密机械件设计软件介绍。
3.3 精密加工技术•精密加工的基本概念和流程;•精密加工的常见工艺和设备;•精密加工中的常见问题和解决方法;•精密加工中的质量控制和检测方法。
3.4 实践操作•使用CAD软件进行精密机械件的三维建模;•进行精密机械件的工程图纸设计;•学习使用精密加工设备进行实际加工操作;•进行精密机械件的装配和调试。
4. 教学方法本课程采用以下教学方法:•理论授课:通过讲解,让学生了解基本理论知识;•实验演示:通过实际演示,帮助学生理解和掌握实践操作技能;•实践操作:让学生亲自动手进行实践操作,提高实际操作能力;•讨论互动:组织学生进行讨论和互动,加深理解和交流。
5. 评估方式本课程的评估方式主要包括以下几个方面:•课堂考核:通过课堂测试和讨论,考察学生的理论掌握程度;•实验报告:要求学生按要求完成实验,撰写相关实验报告;•设计项目:学生独立设计完成一项精密机械件,并撰写设计报告;•课程作业:布置一定的课程作业,考察学生的实践操作能力。
6. 参考教材•精密机械学(第四版),陈鹤年等著,机械工业出版社,2019年。
精密机械设计课程设计一、简介精密机械设计是机械工程专业的重要课程之一,旨在培养学生对精密机械设计理论和方法的掌握,以及能够独立设计和优化精密机械的能力。
本文档将介绍精密机械设计课程设计的目标、内容、要求以及评分标准。
二、课程设计目标精密机械设计课程设计旨在通过实践中的设计项目,提升学生的设计能力和实践操作技能,培养学生的创新意识和解决问题的能力。
具体目标如下:1.掌握精密机械设计的基本理论和方法;2.了解并应用常见的精密机械设计工具和软件;3.能够独立进行精密机械设计和优化;4.培养团队协作和沟通能力;5.提高学生的设计规范、文档写作和报告演讲能力。
三、课程设计内容精密机械设计课程设计的内容包括以下几个方面:3.1 设计项目选择每位学生需要选择一个真实的精密机械设计项目,可以是自主设计,也可以是对现有设备进行改进和优化。
设计项目需要符合课程设计的教学要求和实际可行性。
3.2 设计任务分析学生需要对选择的设计项目进行充分的调研和分析,包括项目需求、技术难点和可行性分析等。
此阶段需要生成详细的设计任务书和设计方案。
3.3 设计方案设计根据设计任务书,学生需要展开设计方案的设计和优化工作,涉及到材料选取、结构设计、工艺流程等方方面面。
设计方案需要符合设计规范和要求。
3.4 设计方案评估设计方案完成后,需要进行评估和验证,包括性能测试、可行性分析和经济性评估等。
评估结果将作为设计方案优化和改进的依据。
3.5 结果报告和演讲学生需要撰写设计报告和准备演讲,对设计方案进行详细的阐述和说明。
报告和演讲需要按照规定的格式要求进行,并包括设计过程、结果分析和展望等内容。
四、课程设计要求精密机械设计课程设计的具体要求如下:1.学生需选择一个真实的精密机械设计项目,并建立清晰的设计任务书;2.学生需要进行充分的调研和分析,明确项目需求和技术难点;3.学生需要按照设计规范和要求,制定详细的设计方案;4.学生需要进行设计方案的评估和改进,提出优化方案;5.学生需要撰写设计报告,并准备演讲,详细阐述设计过程与结果分析;6.学生需按时提交设计文件和报告,完成设计项目演示和答辩。
精密机械设计课程设计一、教学目标本节课的教学目标是使学生掌握精密机械设计的基本原理和方法,培养学生分析和解决精密机械设计问题的能力。
具体目标如下:1.知识目标:学生能够理解精密机械设计的基本概念、原理和流程,掌握主要的设计方法和技巧。
2.技能目标:学生能够运用所学知识进行简单的精密机械设计,提高解决实际问题的能力。
3.情感态度价值观目标:培养学生对精密机械设计的兴趣和热情,增强学生的创新意识和团队合作精神。
二、教学内容本节课的教学内容主要包括以下几个部分:1.精密机械设计的基本概念和原理:介绍精密机械设计的定义、目的和意义,讲解基本原理和流程。
2.精密机械设计的方法和技巧:讲解常用的设计方法,如计算机辅助设计(CAD)、计算机辅助工程(CAE)等,以及如何运用这些方法进行设计。
3.实例分析:分析一些典型的精密机械设计案例,让学生了解实际设计过程中可能遇到的问题和解决方法。
4.设计实践:学生分组进行设计实践,运用所学知识和技能解决实际问题。
三、教学方法为了达到本节课的教学目标,我们将采用以下教学方法:1.讲授法:讲解精密机械设计的基本概念、原理和流程,使学生掌握基础知识。
2.案例分析法:分析典型设计案例,让学生了解实际设计过程中的问题和解决方法。
3.实验法:学生分组进行设计实践,锻炼实际操作能力和团队协作能力。
4.讨论法:学生进行课堂讨论,激发学生的创新思维和解决问题的能力。
四、教学资源为了支持本节课的教学内容和教学方法的实施,我们将准备以下教学资源:1.教材:选用权威、实用的教材,为学生提供系统、全面的学习资料。
2.参考书:推荐一些相关的参考书籍,丰富学生的知识体系。
3.多媒体资料:制作精美的PPT、视频等多媒体资料,提高学生的学习兴趣。
4.实验设备:准备相应的实验设备,确保学生能够进行实际操作。
五、教学评估为了全面、客观地评估学生的学习成果,本节课采用以下评估方式:1.平时表现:观察学生在课堂上的参与程度、提问回答等情况,了解学生的学习态度和实际情况。
精密机械课程设计精密机械是先进制造技术的代表之一,它的技术和应用,已经对人类制造业和科技发展做出着举足轻重的贡献。
在现代科技与经济发展的背景下,精密机械课程也成为了各大高校机械工程专业中一份重要的课程。
课程内容以教授精密机械的应用领域、精密机械原理及设计、CAD/CAM技术分析等为主要内容,本文将从课程设置、教学目标、教学内容、教学方法四个方面阐述精密机械课程设计的具体情况,为相关专业同学提供参考和学习。
一、课程设置精密机械课程在机械工程专业中的地位十分重要,在不同高校中,可能会因为专业设置及课程安排的差异,而有一些许多小差异。
以某大学机械工程工程硕士研究生课程设计为例,该课程包括精密机械原理、设计与CAD/CAM技术标准教程等三个单元。
其中,精密机械原理主要讲述了精密机械运动学、力学、平面图形应用和制造工艺等基础知识;精密机械设计则主要阐述CAD/CAM技术在精密机械设计中的应用、精密加工工艺技术,以及长寿命精密零部件与模具制造相关内容等;CAD/CAM技术标准教程则向学生介绍了CAD/CAM技术的概念及能力、编程助理模块的基础技能以及精密机械加工中经常应用的加工策略等。
二、教学目标在设计教学目标时,本课程主要考虑三个方面:1.获得基础知识:促进学生对精密机械的基础知识及其原理的全面了解2.提高设计造就:培养学生对精密机械的运用实践与设计造就的深入理解和探索3.学习才能培养:在教学中教授大量的实践操作和应用,从而提高学生的机械制造综合素质和运用才能的培养教学目标的确立,可以使得学生在精密机械课程的学习过程中,不仅了解了理论知识,还可以将所学知识用到实践中,更好地探究精密机械的应用以及相关的垂直方向的实践问题。
三、教学内容本课程的教学内容主要涵盖以下几个方面:1.精密机械的应用领域分析:介绍精密机械在不同领域的应用和相关案例分析2.精密机械原理及设计:讲解精密机械的运动学、力学学、结构设计、工艺技术、CAD/CAM技术等基础理论知识3.精密机械加工技术:介绍精密机械工艺加工的最新進展,以及精密加工工艺技术的重要性4.长寿命精密零部件和模具制造:讲解长寿命精密零部件和模具制造的标准,包括加工工艺、材料特性以及工艺细节等以上内容的分配实现,可以方便学生在课程学习中更好地掌握相应的知识,同时也能够锻炼学生最基本的问题理解和解决能力,这对于应对工作实践中的复杂问题会有所帮助。
精密机械设计课程设计一、设计任务红外跟踪仿真系统传动机构设计“仿真”,顾名思义就是模仿某种实物的真实运动,用以测试它的真实性能。
红外跟踪仿真就是利用计算机创建一个虚拟环境来模拟红外制导空空导弹对目标实行精确的跟踪打击,从而测试出它的打击特性。
由于导弹飞行实验技术复杂、规模大、成本高等实际因素制约了打靶次数,无法进行实际的实物仿真,只能用计算机和物理模型相结合,来模拟一个与导弹使用情况类似的环境,进而得到它的比较确切的实际特性。
二、设计原理与方案由于导弹跟踪是根据目标在跟踪器上光斑大小和光能量大小,可依据此原理来设计红外跟踪仿真系统。
2.1方案飞行目标尾喷口喷出红外光波(等效于一个黑体光源),物高为尾喷口大小y。
物距为尾喷口到接收透镜的距离l。
像高'y为尾喷口通过接收透镜后在接收面上的高度。
像距l’可由成像公式计算得出。
如图1所示。
图中'x为焦点到像点的距离。
图1 导弹跟踪光学系统简图这里物方介质和象方介质都为空气,折射率均为1。
2.1.1成像位置设接收透镜的焦距为'f =50mm , 高斯物距 l = - (40000~2×107 )mm由于焦距相对于物距很小,l ≈x,牛顿物距亦为x = - (60000~2×107 )mm 根据牛顿公式:'xx ='ff 牛顿象距''ff x x=代入焦距和物距得:'x =0.05~0.000125mm'x 也是象点的离焦量。
不论目标距是20000m 还是40m ,离焦量'x 是很小的,它们的象距差是很小的。
实际上我们把CCD 接收面置在接收透镜的焦面上,CCD 定位精度也只是0.05mm 。
因此,可以认为目标距在20000m- 40m 变化时,象面不变,都位于接收透镜的焦面。
从上面分析可知,目标距变化时,物距变化,但象距不变。
由象高公式:''y l yl=可得:''yl y l=因为物高和象距都为常数'c y l=由此可知象高与物距成反比。
精密机械设计基础课程设计
一、课程设计的目的
1)通过对机械设计的一般方法的学习,掌握机构设计的步骤过程。
2)进行机械设计基本技能的训练,如计算、绘图,运用设计资料、手册、标准和规范以及使用经验结算和处理数据的能力。
3)培养学生综合运用所学的机械系统的知识去解决生产实际问题的能力
二、任务书
题目:设计用于带式运输机的传动装置,一级闭式圆柱精密齿轮减速器。
技术要求:带式运输机连续单向运转,载荷较稳定,齿轮对称布置,空载启动,运输带速允许误差为5%,使用期限为10年,小批量生产,每日工作8小时。
1-电动机 2-联轴器3-一级圆柱齿轮减速器 4-开式齿轮传动 5-卷筒 6-运输带
电机参数
设计数据:
三、设计任务
①零件工作图2张(大齿轮、轴,A3图纸);
②设计计算说明书1份。
说明书内容应包括:拟定机械系统方案,进行机构运动和动力分析,选择电动机,进行传动装置运动动力学参数计算,传动零件设计,轴承寿命计算、轴(许用应力法和安全系数法)、键的强度校核,联轴器的选择、设计总结、参考文献、设计小结等内容。
四、设计进度
1、第一阶段:传动装置运动和动力参数计算
2、第二阶段:传动零件的设计计算(齿轮设计及校核、轴的设计及校核)
3、第三阶段:齿轮工作图、轴的尺寸图绘制
4、第四阶段:计算说明书的编写。
精密机械课程设计一、课程目标知识目标:1. 让学生掌握精密机械的基本概念、分类及在工程中的应用。
2. 了解精密机械的组成、工作原理及其在设计过程中的关键参数。
3. 掌握精密机械设备的安装、调试与维护方法。
技能目标:1. 培养学生运用精密机械进行简单工程设计和创新的能力。
2. 提高学生分析、解决精密机械故障和问题的能力。
3. 培养学生实际操作精密机械设备的能力,提高动手实践能力。
情感态度价值观目标:1. 培养学生对精密机械的兴趣,激发学习热情,形成积极的学习态度。
2. 培养学生的团队协作精神,学会与他人共同分析、解决问题。
3. 增强学生的工程意识,认识到精密机械在国民经济发展中的重要作用,培养社会责任感。
本课程针对高中年级学生,结合学科特点,注重理论知识与实际应用相结合。
在教学过程中,充分考虑学生的认知水平、兴趣和需求,采用案例教学、小组讨论、实践操作等多种教学方法,使学生在掌握基本知识的同时,提高综合运用能力。
通过本课程的学习,旨在培养学生成为具备创新精神和实践能力的工程技术人才。
二、教学内容1. 精密机械概述:介绍精密机械的定义、分类及其在工程中的应用,让学生对精密机械有全面的了解。
- 教材章节:第一章 精密机械概述- 内容列举:精密机械的定义、分类、应用领域2. 精密机械的组成与工作原理:分析精密机械的主要组成部分,讲解其工作原理及关键参数。
- 教材章节:第二章 精密机械的组成与工作原理- 内容列举:主要组成部分、工作原理、关键参数介绍3. 精密机械的设计与制造:探讨精密机械设计的基本原则,介绍制造过程中的关键技术。
- 教材章节:第三章 精密机械的设计与制造- 内容列举:设计原则、制造工艺、关键技术4. 精密机械设备的安装、调试与维护:讲解精密机械设备在安装、调试及维护过程中的注意事项。
- 教材章节:第四章 精密机械设备的安装、调试与维护- 内容列举:安装步骤、调试方法、维护保养措施5. 精密机械应用案例分析:通过具体案例分析,让学生了解精密机械在实际工程中的应用。
材料特性
材料硬聚氯乙烯:密度/g·cm-3 1.4
抗拉强度/MPa 45
拉伸模量/GPa 3.3
断后伸长率30%
抗弯强度80
弹性模量 3.5
泊松比0.35
硬铝
钢
结构示意图:
网格划分
1.
抗切分析
A.Z方向40g加速度:(8点固定)
变形云图显示:最大变形量为1.03mm。
(相对底板安装位置的位移)
应力σmax=83.5MPa
B.Y方向:
变形云图显示:最大变形量为3.175mm.
C.X方向:
变形云图显示:最大变形量为0.3mm.
应力云图显示:σmax=85.5MPa.
2.振动分析
随机谱:10Hz~200 Hz
功率谱密度0.04g2/ Hz
Z向
Model > Modal > Solution
应力云图显示:σmax=9.3MPa.
最大变形量0.03mm。
Y向
应力云图显示:σmax=62.6.MPa.
变形云图显示:最大变形量为1.09 mm。
最大速度0.69m/s
X向
应力云图显示:σmax=58.6MPa.
变形云图显示:最大变形量为0.36mm。
最大速度0.35 m/s
镜筒应力云图
镜筒变形图。