【CN209956582U】一种ELISA试剂盒外包装盒【专利】
- 格式:pdf
- 大小:323.62 KB
- 文档页数:6
(19)中华人民共和国国家知识产权局(12)实用新型专利(10)授权公告号 (45)授权公告日 (21)申请号 201920415294.2(22)申请日 2019.03.29(73)专利权人 成都赛普克生物科技股份有限公司地址 610000 四川省成都市蒲江县鹤山镇飞虎路97号(72)发明人 王应春 叶成栋 (74)专利代理机构 成都巾帼知识产权代理有限公司 51260代理人 邢伟(51)Int.Cl.B67C 3/26(2006.01)B67C 3/22(2006.01)(54)实用新型名称一种诊断试剂分装装置(57)摘要本实用新型公开了一种诊断试剂分装装置,它包括平台(1)、暂存罐(2)、气缸(3)和底座(4),所述平台(1)位于底座(4)上方,底座(4)与平台(1)之间固设有多根支撑柱(5),平台(1)上开设有安装孔(6),所述平台(1)的底部固定安装有气缸(3),气缸(3)垂向设置,气缸(3)的活塞杆的作用端上焊接有出水管(7),出水管(7)的一端封闭,出水管(7)的另一端为开口,出水管(7)的底表面上且其长度方向上焊接有多根支管(8),每根支管(8)均垂向设置,所述暂存罐(2)焊接于安装孔(6)内。
本实用新型的有益效果是:结构紧凑、有效防止装填过程中液体溅射、节省成本。
权利要求书1页 说明书2页 附图2页CN 209651875 U 2019.11.19C N 209651875U权 利 要 求 书1/1页CN 209651875 U1.一种诊断试剂分装装置,其特征在于:它包括平台(1)、暂存罐(2)、气缸(3)和底座(4),所述平台(1)位于底座(4)上方,底座(4)与平台(1)之间固设有多根支撑柱(5),平台(1)上开设有安装孔(6),所述平台(1)的底部固定安装有气缸(3),气缸(3)垂向设置,气缸(3)的活塞杆的作用端上焊接有出水管(7),出水管(7)的一端封闭,出水管(7)的另一端为开口,出水管(7)的底表面上且其长度方向上焊接有多根支管(8),每根支管(8)均垂向设置,所述暂存罐(2)焊接于安装孔(6)内,暂存罐(2)的底部设置有截止阀(9),截止阀(9)的出口端处连接有软管(10),软管(10)的另一端与出水管(7)的开口端经管卡连接,所述底座(4)的顶表面上焊接有位于出水管(7)下方的支撑座(11),支撑座(11)的顶表面上开设有多个与支管(8)相对应的凹槽(12),每个凹槽(12)内均插装有瓶体(13),瓶体(13)的瓶口位于支管(8)的正下方。
(19)中华人民共和国国家知识产权局(12)实用新型专利(10)授权公告号 (45)授权公告日 (21)申请号 201920414990.1(22)申请日 2019.03.29(73)专利权人 成都赛普克生物科技股份有限公司地址 610000 四川省成都市蒲江县鹤山镇飞虎路97号(72)发明人 叶成栋 张德沛 (74)专利代理机构 成都巾帼知识产权代理有限公司 51260代理人 邢伟(51)Int.Cl.G01N 1/38(2006.01)(54)实用新型名称一种体外诊断试剂采样检测装置(57)摘要本实用新型公开了一种体外诊断试剂采样检测装置,它包括储罐(1)和摇匀机构,所述摇匀机构设置于储罐(1)内,摇匀机构包括导向杆(2)、左弹簧(3)、右弹簧(4)、安装板(5)、滑块(6)、搅动板(7)和拨杆(8),所述导向杆(2)的两端分别焊接于储罐(1)的左右侧壁上,滑块(6)滑动安装于导向杆(2)上,所述拨杆(8)焊接于滑块(6)的顶部,拨杆(8)向上延伸于储罐(1)外部,所述安装板(5)焊接于滑块(6)的底部,安装板(5)的底表面上焊接有多个纵向设置的搅动板(7)。
本实用新型的有益效果是:结构紧凑、减轻操作人摇匀强度、避免目标样本稀释溶液浸没检测试条的吸水区控制线、操作简单。
权利要求书1页 说明书2页 附图1页CN 209656411 U 2019.11.19C N 209656411U权 利 要 求 书1/1页CN 209656411 U1.一种体外诊断试剂采样检测装置,其特征在于:它包括储罐(1)和摇匀机构,所述摇匀机构设置于储罐(1)内,摇匀机构包括导向杆(2)、左弹簧(3)、右弹簧(4)、安装板(5)、滑块(6)、搅动板(7)和拨杆(8),所述导向杆(2)的两端分别焊接于储罐(1)的左右侧壁上,滑块(6)滑动安装于导向杆(2)上,所述拨杆(8)焊接于滑块(6)的顶部,拨杆(8)向上延伸于储罐(1)外部,所述安装板(5)焊接于滑块(6)的底部,安装板(5)的底表面上焊接有多个纵向设置的搅动板(7),所述左弹簧(3)的一端焊接于储罐(1)的左侧壁上,左弹簧(3)的另一端焊接于安装板(5)的左端面上,所述右弹簧(4)的一端焊接于储罐(1)的右侧壁上,右弹簧(4)的另一端焊接于安装板(5)的右端面上,所述储罐(1)的右侧壁上设置有位于导向杆(2)上方的截止阀(9),截止阀(9)的出口端处连接有弯管(10),储罐(1)侧壁上还焊接有位于弯管(10)正下方的U形板(11),U形板(11)向左倾斜向下设置,U形板(11)的凹槽的底表面上放置有检测试条(12),检测试条(12)的吸水区控制线(13)位于弯管(10)出口端的右侧。
(19)中华人民共和国国家知识产权局(12)实用新型专利(10)授权公告号 (45)授权公告日 (21)申请号 201920304964.3(22)申请日 2019.03.02(73)专利权人 延安大学地址 716000 陕西省延安市宝塔区圣地路580号(72)发明人 赵艳 (51)Int.Cl.C12M 1/38(2006.01)C12M 1/36(2006.01)C12M 1/34(2006.01)(54)实用新型名称一种微生物快速检测试剂盒(57)摘要一种微生物快速检测试剂盒,它涉及微生物检测装置技术领域;盒体上铰接有盒盖,盒盖内固定有移液管插套,移液管插设于移液管插套内;所述的盒体内自左向右依次固定有检测试剂座、混合装置和反应装置;所述的检测试剂座上插设有检测试剂管;转盘的圆周均布有若干弹性夹片,转盘的中心座上圆周均布有若干定位凹槽;电机与转盘驱动连接,反应试管夹持固定在弹性夹片内;容器内安装有电加热器和温控器,温控器与电加热器的控制开关电路连接;所述的容器的上端铰接有上盖。
本实用新型仅需30~40分钟即能得出检测结果,无需对菌群进行培养,检测速度快,试剂充分溶解混合并在一定的温度条件下反应,提高检测结果的准确性。
权利要求书1页 说明书3页 附图3页CN 209759471 U 2019.12.10C N 209759471U权 利 要 求 书1/1页CN 209759471 U1.一种微生物快速检测试剂盒,其特征在于:它包含盒体、盒盖、移液管插套、移液管、检测试剂座、检测试剂管、混合装置和反应装置;所述的盒体上铰接有盒盖,盒盖内固定有移液管插套,移液管插设于移液管插套内,所述的盒体内自左向右依次固定有检测试剂座、混合装置和反应装置;所述的检测试剂座上插设有检测试剂管;所述的混合装置包含转盘、弹性夹片、反应试管、中心座、定位凹槽和电机;所述的转盘的圆周均布有若干弹性夹片,转盘的中心座上圆周均布有若干定位凹槽;所述的电机与转盘驱动连接,反应试管夹持固定在弹性夹片内;所述的反应装置包含容器、电加热器、温控器和上盖;所述的容器内安装有电加热器和温控器,温控器与电加热器的控制开关电路连接;所述的容器的上端铰接有上盖。
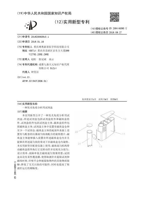
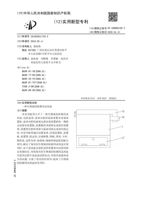
(19)中华人民共和国国家知识产权局(12)实用新型专利(10)授权公告号 (45)授权公告日 (21)申请号 201920324735.8(22)申请日 2019.03.14(73)专利权人 袁海燕地址 537200 广西壮族自治区贵港市桂平市人民西路7号桂平市人民医院(72)发明人 袁海燕 刘婵媛 李慧敏 侯佳兴 其他发明人请求不公开姓名 (51)Int.Cl.B65D 81/18(2006.01)B65D 77/04(2006.01)B65D 25/10(2006.01)B65D 81/107(2006.01)F25D 3/08(2006.01)B65D 85/30(2006.01)(54)实用新型名称一种生物基因检测用试剂盒(57)摘要本实用新型公开了一种生物基因检测用试剂盒,包括盒体,盒体内腔的底部设置有冰袋放置腔,盒体内腔的底部远离冰袋放置腔的一侧固定连接有放置板,放置板的顶部固定连接有放置筒,放置筒内腔的顶部与底部均固定连接有固定块。
本实用新型通过设置盒体、冰袋放置腔、放置板、放置筒、固定块、压缩弹簧、滑板、滑块、卡杆、橡胶套、试管本体、海绵垫、隔板和保温腔的配合使用,解决了现有的生物基因检测用试剂盒在使用时,由于试剂盒内部的试管放置架对试管的固定效果较差,导致现有的生物基因检测用试剂盒在使用过程中易造成试管松动,导致内部液体流失的问题,方便了使用者的使用,提高了生物基因检测用试剂盒的实用性。
权利要求书1页 说明书3页 附图2页CN 209988403 U 2020.01.24C N 209988403U权 利 要 求 书1/1页CN 209988403 U1.一种生物基因检测用试剂盒,包括盒体(1),其特征在于:所述盒体(1)内腔的底部设置有冰袋放置腔(2),所述盒体(1)内腔的底部远离冰袋放置腔(2)的一侧固定连接有放置板(3),所述放置板(3)的顶部固定连接有放置筒(4),所述放置筒(4)内腔的顶部与底部均固定连接有固定块(5),所述固定块(5)内腔的左侧固定连接有压缩弹簧(6),所述压缩弹簧(6)的右侧固定连接有滑板(7),所述滑板(7)的顶部与底部均固定连接有滑块(8),所述滑板(7)的右侧固定连接有卡杆(9),所述卡杆(9)的表面设置有橡胶套(10),所述卡杆(9)的内侧设置有试管本体(11),所述放置筒(4)内腔的底部设置有海绵垫(12),所述放置筒(4)的顶部固定连接有隔板(13),所述隔板(13)的两侧与盒体(1)的内壁均固定连接,所述盒体(1)内腔的顶部远离隔板(13)的一侧设置有保温腔(14)。
专利名称:一种体外诊断试剂盒专利类型:实用新型专利
发明人:吉爽爽,王伟,宋依馨
申请号:CN201920815970.5申请日:20190601
公开号:CN210192185U
公开日:
20200327
专利内容由知识产权出版社提供
摘要:本实用新型公开了一种体外诊断试剂盒,包括试剂盒主体、锁扣、提手和锁舌,所述试剂盒主体的侧边设置有所述锁扣,所述锁扣的侧边设置有所述提手,所述试剂盒主体上设置有密封盒盖,所述密封盒盖的侧边设置有所述锁舌,所述密封盒盖上方设置有控制面板,所述控制面板上设置有操作按键,所述操作按键的上方设置有显示屏,所述操作按键的一侧设置有电源开关,所述密封盒盖的内侧边缘设置有密封台阶。
有益效果在于:本实用新型的试剂盒主体内设置有温度控制模块,可以实现试剂盒内恒温控制,避免因温度对试剂效果造成影响,利用固定卡扣将试剂瓶固定在试剂放置槽内,避免试剂瓶之间摩擦碰撞,提手便于试剂盒的携带、拿取。
申请人:江苏迈源生物科技有限公司
地址:225100 江苏省扬州市扬州高新技术产业开发区南园毛圩路1号二号多层厂房第二层
国籍:CN
更多信息请下载全文后查看。
(19)中华人民共和国国家知识产权局(12)实用新型专利(10)授权公告号 (45)授权公告日 (21)申请号 201920471203.7(22)申请日 2019.04.09(73)专利权人 济南新一诺医疗科技有限公司地址 250101 山东省济南市高新区港兴三路北段济南药谷1号楼A座1310(72)发明人 冯静静 徐伟 苏荣菊 (74)专利代理机构 北京盛凡智荣知识产权代理有限公司 11616代理人 梁永昌(51)Int.Cl.B65D 43/22(2006.01)B65D 25/10(2006.01)B65D 81/02(2006.01)(54)实用新型名称一种新型医学检测试剂盒(57)摘要本实用新型公开了一种新型医学检测试剂盒,包括盒盖及其与盒盖铰接的盒体,盒盖顶端设有用于提拉的把手,所述盒体内设有试剂放置区,所述试剂放置区内设有试剂槽,所述试剂槽顶端设有试剂槽开口,所述试剂槽开口设有用于加持试剂瓶的双头夹,所述双头夹两头设有与所述试剂槽开口对应的开口,所述内槽内设有减震的海绵垫,所述盒盖内设有与所述试剂放置区对应的试剂头放置区,所述盒体设有用于开关盒子的扭力转轴,所述扭力转轴设有开关杆。
本实用新采用扭力转轴的设计,使其转动至90度时自锁,方便开启时,同时采用双头夹与试剂放置槽的设计,通过双头夹的开口将试剂瓶顶端的盖子支撑住,通过双头夹便于拿取,同时海绵垫起到了减震缓冲的作用。
权利要求书1页 说明书3页 附图2页CN 209988356 U 2020.01.24C N 209988356U权 利 要 求 书1/1页CN 209988356 U1.一种新型医学检测试剂盒,包括盒盖(1)及其与盒盖(1)铰接的盒体(2),盒盖(1)顶端设有用于提拉的把手(3),其特征在于,所述盒体(2)内设有试剂放置区(201),所述试剂放置区(201)内设有试剂槽(205),所述试剂槽(205)顶端设有试剂槽开口(202),所述试剂槽开口(202)设有用于加持试剂瓶的双头夹(203),所述双头夹(203)两头设有与所述试剂槽开口(202)对应的开口,且开口用于支撑放置试剂瓶,所述试剂槽(205)底端设有内槽(206),所述内槽(206)与所述试剂槽(205)连通,所述内槽(206)内设有减震的海绵垫(207),所述盒盖(1)内设有与所述试剂放置区(201)对应的试剂头放置区(101),所述盒体(2)设有用于开关盒子的扭力转轴(4),所述扭力转轴(4)设有开关杆(5),所述盒盖(1)与所述盒盖(1)通过所述扭力转轴(4)开启或关闭。
专利名称:一种ELISA试剂盒专利类型:实用新型专利
发明人:饶敏,魏勇,姚静
申请号:CN201821073022.0申请日:20180705
公开号:CN208297522U
公开日:
20181228
专利内容由知识产权出版社提供
摘要:本实用新型属于生物技术领域,具体涉及一种ELISA试剂盒。
本实用新型提供的ELISA试剂盒由96孔酶标板板主体1,控温装置2和电源插头3连接组成。
具体为:具有石墨烯导电层的96孔酶标板主体、与石墨烯导电层电性连接,用于控制所述石墨烯导电层温度的控温装置及与控温装置电性连接的电源插头。
本实用新型提供的ELISA试剂盒能够通过石墨烯层对其中的酶标板加热,且石墨烯层具有适用性强,耐高温,耐腐蚀,高温稳定性,导电性能稳定,所需用量少和涂层薄及电热转化效率高的优点,可实现快速升温。
用于ELISA实验,可省去恒温箱孵育过程,简化ELISA操作过程,且使用方便。
申请人:重庆巴而思生物科技有限公司
地址:400039 重庆市九龙坡区二郎创业路107号高科创业园B栋7楼
国籍:CN
代理机构:北京元本知识产权代理事务所
代理人:黎昌莉
更多信息请下载全文后查看。
专利名称:一种ELISA试剂盒专利类型:实用新型专利
发明人:范忠军,柴虹,李建成申请号:CN201521117557.X 申请日:20151225
公开号:CN205274234U
公开日:
20160601
专利内容由知识产权出版社提供
摘要:本实用新型提供了一种ELISA试剂盒,其固定板上设置有凹槽I、凹槽II和凹槽III;所述凹槽I底部嵌合设置有磁铁块I,所述稀释液试剂瓶瓶底粘合有铁片I;所述凹槽II底部嵌合设置有磁铁块II,所述阳性对比液试剂瓶和阴性对比液试剂瓶瓶底粘合有铁片II;所述凹槽III底部嵌合设置有磁铁块III,所述显色液试剂瓶瓶底粘合有铁片III。
本实用新型在固定板上设置凹槽用于盛放试剂瓶,同时在凹槽底部嵌合磁铁块,在试剂瓶底部粘合铁片,当试剂瓶置于凹槽内时,铁片与磁铁块通过磁力相互吸引,使得试剂瓶的放置较为稳固,不容易发生移动,也就不会导致试剂瓶的破裂。
申请人:范忠军
地址:224014 江苏省盐城市育才路4号1栋405室
国籍:CN
更多信息请下载全文后查看。
专利名称:一次性使用的ELISA试剂盒及其使用方法专利类型:发明专利
发明人:彭爽,施建春,叶锋
申请号:CN201711154896.9
申请日:20171120
公开号:CN108169491A
公开日:
20180615
专利内容由知识产权出版社提供
摘要:本发明涉及一种一次性使用的ELISA试剂盒及其使用方法,所述一次性使用的ELISA试剂盒包括:反应腔室和存储腔室;在设有进液孔和废液出液孔的可旋转空心圆柱状反应腔室的外围,嵌套带有预装试剂存储腔和废液存储腔的存储腔室。
在存储腔体中预装有实验试剂和清洗液,通过旋转反应腔室,依次进行试剂添加和清洗操作,按照酶联免疫吸附实验的标准流程完成整个实验。
所述ELISA试剂盒操作简便,价格便宜,可避免交叉污染,具备简便、经济和卫生的特点。
申请人:北京旌准医疗科技有限公司
地址:100176 北京市大兴区北京经济技术开发区经海四路156号14号楼4层
国籍:CN
代理机构:北京卫平智业专利代理事务所(普通合伙)
更多信息请下载全文后查看。
(10)申请公布号(43)申请公布日 (21)申请号 201510691100.8(22)申请日 2015.10.22G01N 33/543(2006.01)(71)申请人中国农业科学院兰州兽医研究所地址730046 甘肃省兰州市城关区盐场堡徐家坪1号(72)发明人卢曾军 付元芳 曹轶梅 孙普白兴文 李平花 包慧芳 李冬陈应理 刘在新(74)专利代理机构北京方圆嘉禾知识产权代理有限公司 11385代理人董芙蓉(54)发明名称一种ELISA 试剂盒抗原间接包被酶标板的包被方法(57)摘要一种ELISA 试剂盒抗原间接包被酶标板的包被方法,包括以下步骤:(1)包被;(2)封闭:采用10g/L 鱼明胶的0.01mol/LPBS 缓冲液封闭;(3)捕获目标抗原;(4)加含5%蔗糖和1~5%牛血清白蛋白的0.01mol/L,pH7.2~7.6磷酸盐缓冲液的固相抗原稳定剂,抽干,即得抗原间接包被酶标板。
本发明包被得到的酶标板保存期可达1年以上,显著提高了抗原间接包被ELISA 试剂盒的稳定性与保存期。
(51)Int.Cl.(19)中华人民共和国国家知识产权局(12)发明专利申请权利要求书1页 说明书4页CN 105388282 A 2016.03.09C N 105388282A1.一种ELISA试剂盒抗原间接包被酶标板的包被方法,其特征在于,(1)包被:用0.05mol/L pH 9.6碳酸盐缓冲液稀释单克隆抗体或多克隆抗体至工作浓度1~2μg/mL,加入酶标板,每孔加95~105μL,室温下包被过夜,然后用PBS洗3次;(2)封闭:每孔加含10g/L鱼明胶的0.01mol/L PBS缓冲液95~105μL,35~38℃封闭1~2h,然后用PBS洗涤3次;(3)捕获目标抗原:用0.01mol/L PBS缓冲液稀释目标抗原至工作浓度0.5~1.5μg/ mL,每孔95~105μL加入酶标板,18~25℃捕获反应1~1.5h,然后用PBS洗涤3次;(4)加固相抗原稳定剂:在酶标板孔湿润的状况下,每孔加入120~150μL固相抗原稳定剂,室温作用20~40min,弃残液;酶标板置于室温、湿度20%~30%的洁净空间,抽湿机抽干10~12小时,即得抗原间接包被酶标板;其中,所述固相抗原稳定剂为含5%蔗糖和1~5%牛血清白蛋白的0.01mol/L,pH 7.2~7.6磷酸盐缓冲液。
(19)中华人民共和国国家知识产权局(12)实用新型专利(10)授权公告号 (45)授权公告日 (21)申请号 201920471261.X(22)申请日 2019.04.09(73)专利权人 济南新一诺医疗科技有限公司地址 250101 山东省济南市高新区港兴三路北段济南药谷1号楼A座1310(72)发明人 冯静静 徐伟 苏荣菊 (74)专利代理机构 北京盛凡智荣知识产权代理有限公司 11616代理人 屠佳婕(51)Int.Cl.B01L 9/00(2006.01)(54)实用新型名称一种便携式医学检测用试剂盒(57)摘要本实用新型公开了一种便携式医学检测用试剂盒,包括试剂盒和其下方与其相配合的支撑腿,所述试剂盒内上部设有固定板,所述固定板上设有固定槽,所述固定槽的下方试剂盒的底部设有与其相对应的按压块,所述按压块与试剂盒之间设有弹簧一,所述固定槽的内侧设有与其内壁相连接的弹簧二,所述弹簧二上连接设有固定环。
本实用新型与现有技术相比优点在于:提供一种设计科学、使用方便、使用效果好,适宜推广应用,能够避免试管产生碰撞而出现破裂的便携式医学检测用试剂盒。
权利要求书1页 说明书3页 附图2页CN 209901327 U 2020.01.07C N 209901327U权 利 要 求 书1/1页CN 209901327 U1.一种便携式医学检测用试剂盒,包括试剂盒(1)和其下方与其相配合的支撑腿(4),其特征在于:所述试剂盒(1)内上部设有固定板(9),所述固定板(9)上设有固定槽(10),所述固定槽(10)的下方试剂盒(1)的底部设有与其相对应的按压块(5),所述按压块(5)与试剂盒(1)之间设有弹簧一(6),所述固定槽(10)的内侧设有与其内壁相连接的弹簧二(18),所述弹簧二(18)上连接设有固定环(17),所述试剂盒(1)的上方设有箱盖(15),所述箱盖(15)与试剂盒(1)之间设有转轴(11)进行可转动连接,所述箱盖(15)上设有锁紧块二(14),所述试剂盒(1)远离转轴(11)的一侧设有与锁紧块二(14)相配合的锁紧块一(7),所述试剂盒(1)的内壁依次设有防菌层(2)和隔温层(3)。
专利名称:一种免疫球蛋白检测ELISA试剂盒专利类型:发明专利
发明人:代羿
申请号:CN201610968773.8
申请日:20161027
公开号:CN106501501A
公开日:
20170315
专利内容由知识产权出版社提供
摘要:本发明涉及试剂盒技术领域,尤其是一种免疫球蛋白检测ELISA试剂盒,包括底板、活动板和盖板,所述底板上表面的侧边处安装有三块首尾依次连接的支撑板,两块相对的所述支撑板之间从上至下依次设有支撑杆和两个水平设置的安装块,所述支撑杆的上表面设有两个中心对称的伸缩装置,所述伸缩装置包括第二套管,所述第二套管与支撑杆连接,所述第二套管的内部插接有滑杆,位于所述第二套管内部的滑杆的一端面连接有第二弹簧,第二弹簧的另一端与第二套管连接。
本发明,结构简单,设计合理,操作方便,不仅可以方便的进行实验,而且还能避免实验所用器材乱放,提高实验时的规范性,提高检测的效率。
申请人:成都亚联科科技有限公司
地址:610000 四川省成都市高新区天晖路360号24层12号
国籍:CN
更多信息请下载全文后查看。
(19)中华人民共和国国家知识产权局(12)实用新型专利(10)授权公告号 (45)授权公告日 (21)申请号 201920267349.X(22)申请日 2019.03.04(73)专利权人 上海浩港生物技术有限公司地址 200000 上海市浦东新区芙蓉花路500弄2号楼1-2层(72)发明人 董学渊 蒋林彬 (51)Int.Cl.B65D 43/12(2006.01)(54)实用新型名称一种便于放置的ELISA检测试剂盒(57)摘要本实用新型提供一种便于放置的ELISA检测试剂盒,包括盒体、T型槽一、U型框、橡胶圈、盒盖、T型条以及T型槽二,所述T型槽一开设在盒体前端面上侧,所述U型框设置在盒体内部且U型框外表面与盒体内表面相贴合,所述U型框上端开设沉头孔,所述橡胶圈通过胶水固定在沉头孔内,所述盒盖设置在盒体上端面,所述T型条固定在盒盖内部前壁上且T型条安插在T型槽一内,所述T型槽二开设在盒体前端面下侧,与现有技术相比,本实用新型具有如下的有益效果:具有翻转存放功能,占用空间小,稳定放置。
权利要求书1页 说明书3页 附图1页CN 209739709 U 2019.12.06C N 209739709U权 利 要 求 书1/1页CN 209739709 U1.一种便于放置的ELISA检测试剂盒,包括盒体、T型槽一、U型框、橡胶圈、盒盖、T型条以及T型槽二,其特征在于:所述T型槽一开设在盒体前端面上侧,所述U型框设置在盒体内部且U型框外表面与盒体内表面相贴合,所述U型框上端开设沉头孔,所述橡胶圈通过胶水固定在沉头孔内,所述盒盖设置在盒体上端面,所述T型条固定在盒盖内部前壁上且T型条安插在T型槽一内,所述T型槽二开设在盒体前端面下侧。
2.根据权利要求1所述的一种便于放置的ELISA检测试剂盒,其特征在于:所述T型槽一、T型条以及T型槽二均设置有两组,两组所述T型槽一对称开设在盒体前后两端面上侧,两组所述T型条分别安插在两组T型槽一内且两组T型条对称设置在盒盖内部前后两壁上,两组所述T型槽二对称开设在盒体前后两端面下侧。
(19)中华人民共和国国家知识产权局
(12)实用新型专利
(10)授权公告号 (45)授权公告日 (21)申请号 201920468187.6
(22)申请日 2019.04.09
(73)专利权人 恩碧乐(杭州)生物科技有限公司
地址 311100 浙江省杭州市余杭区余杭经
济技术开发区新颜路22号501F
(72)发明人 饶琪 郭沐晗 新井崇之
(74)专利代理机构 杭州华知专利事务所(普通
合伙) 33235
代理人 龙湖浩
(51)Int.Cl.
B65D 81/05(2006.01)
B65D 25/10(2006.01)
B65D 85/30(2006.01)
(54)实用新型名称
一种ELISA试剂盒外包装盒
(57)摘要
本实用新型公开一种ELISA试剂盒外包装
盒,包括盒体和海绵内衬,海绵内衬上设置4ml试
剂瓶放置区、15ml试剂瓶放置区、60ml试剂瓶放
置区;各放置区垂直截面结构均为梯形,即下表
面尺寸大于上表面尺寸。
本实用新型通过对包装
盒内海绵内衬的空间设计,其各规格放置区垂直
截面结构均为梯形结构,一方面达到固定试剂瓶
的作用,另一方面易于收取试剂瓶,从而方便试
剂盒中试剂瓶的存放、运输、
使用和检查。
权利要求书1页 说明书2页 附图2页CN 209956582 U 2020.01.17
C N 209956582
U
权 利 要 求 书1/1页CN 209956582 U
1.一种ELISA试剂盒外包装盒,其特征在于,包括盒体和海绵内衬,海绵内衬上设置4ml 试剂瓶放置区、15ml试剂瓶放置区、60ml试剂瓶放置区;各放置区垂直截面结构均为梯形,即下表面尺寸大于上表面尺寸。
2.根据权利要求1所述的ELISA试剂盒外包装盒,其特征在于,4ml试剂瓶放置区、15ml 试剂瓶放置区其试剂瓶竖放,60ml试剂瓶放置区其试剂瓶平放。
3.根据权利要求2所述的ELISA试剂盒外包装盒,其特征在于,4ml试剂瓶放置区、15ml 试剂瓶放置区横截面为正十边形。
4.根据权利要求3所述的ELISA试剂盒外包装盒,其特征在于,盒体:高:8.5cm长:18.2cm宽:1
5.2cm;海绵内衬:高:4cm长:18cm宽:15cm;由上至下、由左至右,海绵内衬上依次为4ml试剂瓶放置区、60ml试剂瓶放置区、15ml试剂瓶放置区;4ml试剂瓶放置区顶部:内径:1cm,底部:内径:1.2cm;15ml试剂瓶放置区顶部:内径:3cm,底部:内径3.6cm;60ml试剂瓶放置区顶部:长:8.5cm、宽:3cm,底部:长:10.2cm、宽:3.6cm。
2。