基于Cortex_M3智能无线温度测量系统设计
- 格式:pdf
- 大小:205.83 KB
- 文档页数:3
基于Cortex—M3的多点温度监测系统设计【摘要】温度测量在日常生活和工农业生产中具有重要的作用,尤其是在能源日益紧缺的现在,关心并制定高可靠、高能效、智能化的温度测试系统有着越来越紧迫的需求。
本文的设计基于Cortex-M3硬件平台,使用高性价比STM32F103RBT6芯片结合Maxim公司的带链路功能的1-Wire数字温度计,构造了多点温度监测系统,具有布线网络简洁,硬件成本低,软件开发简单等特点。
【关键词】Cortex-M3;1-Wire;温度监测;DS28EA00;多点;STM321.引言具EPA统计,2006年数据中心的能源消耗占整个美国电力消耗的1.5%(610亿kWh)?。
令人吃惊的是,IT设备本身的消耗只占该项电力消耗的一半;电源和致冷设备的能耗占用了另一半。
传统的制冷设备缺乏智能化的热管理功能,很多冗余的冷却区域会浪费大量的能源。
测量多点的温度分布,从中区分出需要降温的位置,结合适当的温度数据处理,是解决问题的关键。
使用Maxim公司的1-Wire技术,系统可以将所有的支持1-Wire技术的温度传感器通过单条连线传输,在简化了连线的同时,降低了成本。
通过链路模式和传感器内光刻的64bit ROM,可以定位每个传感器的物理位置。
本文选用了ST(意法半导体)公司高性价比ARM Cortex-M3芯片STM32F103RBT6作为硬件平台,结合Maxim公司DS28EA00这款带顺序检测的1-Wire数字温度计,设计了一种多点温度监测系统,具有低成本,高性能,连线简单的特点。
2.STM32简介Cortex-M3是首款基于ARMv7-M体系结构的32位标准处理器,具有低功耗、少门数、短中断延迟、低调试成本等众多优点。
它是专门为在微控制系统、汽车车身系统、工业控制系统和无线网络等对功耗和成本敏感的嵌入式应用领域实现高系统性能而设计的,它大大简化了编程的复杂性,集高性能、低功耗、低成本于一体[1]。
学号14112101****毕业设计(论文)题目: 基于单片机的无线温湿度检测系统的设计作者* * * 届别2015届院别信息与通信工程学院专业自动化指导教师职称完成时间2015年5月18日摘要温湿度测量在工业生产中有着广泛的应用,是人们日常生活中常见的物理量,工业生产、机械制造、制药、烟草、档案的保管、粮食的储存等领域对温度和温度有非常严格的要求。
传统的温湿度传感器需通过较复杂的电路才能将温度信号转化为数字信号,且远距离传输会引起很大误差。
监控室与现场之间必须敷设大量的电缆,非常麻烦。
所以为了适应工农业生产需要、为了满足大型场所的测量、为了能进行方便快捷的维护操作,文中设计的系统采用无线温湿度检测的方案,不必敷设电缆,可以节省费用和时间。
该采集系统分为采集模块和数据处理模块,以AT89C52芯片为主控芯片,利用数字式温湿度传感器DHT11进行温度和湿度的数据采集,采用nRF24L01无线传输模块进行无线通信,显示屏LCD1602对温湿度进行显示。
使用Keil C51编程软件对系统进行软件设计,最后完成实物制作并对实物进行测试。
测试结果显示,系统能够将采集到的数据经无线传输后在LCD1602上实时显示,可实现温湿度采集、无线传输和显示功能,并能在温度或者湿度在超过报警上限时发出警报,因此具有一定的应用价值和应用前景。
关键词:温湿度测量;AT89C52;温湿度传感器;无线传输AbstractTemperature and temperature requires strict very much in industrial production, machinery manufacturing, pharmaceutical, tobacco, file storage, grain storage and other fields. The traditional temperature and humidity sensors required by the complex circuit to make temperature signal into digital signal, it will cause big error for the remote transmission. It’s very troublesome to lay a number of cables between the control room and the scene. In order to adapt to the industrial and agricultural production, the needs of large places measurement, maintain and operation convenient. This system is based on wireless transmission so it can save cost and time and without cable. The acquisition system is divided into the acquisition module and the data processing module, based on AT89C52, Temperature and humidity data acquisition of the digital temperature and humidity sensor DHT11, Wireless communication with nRF24L01 wireless transmission module, Temperature and humidity display LCD1602. Using Keil C51 to design the software of the system, then complete the physical production and test it. Test results shows that the system can display the collected data after the wireless transmission and can be displayed on LCD1602 in real time., Temperature and humidity, wireless transmission and display functions can be achieved, And it can issue an alert when temperature or humidity exceeds the limit of the alarm, So, it has certain application value and application prospect.Key Words: Temperature and humidity measurement; AT89C52; humidity sensor; wireless transmission目录摘要 (I)Abstract (II)第一章绪论 (1)1.1 温湿度检测技术的简介 (1)1.2 温湿度检测技术的发展历程与意义 (1)1.2.1 温湿度检测技术的发展历程 (1)1.2.2 单片机的发展 (2)1.2.3 温湿度检测技术研究的意义 (3)1.3 论文的组织结构 (3)第二章温湿度检测系统的基本原理和设计方案的选择 (4)2.1 系统的基本原理概述 (4)2.1.1 系统功能 (4)2.1.2 系统总体功能设计 (4)2.2 系统设计方案选择 (5)2.2.1 主控芯片选择 (5)2.2.2 温湿度传感器的选择 (5)2.2.3 无线模块选择 (5)2.2.4 显示模块选择 (6)2.3 设计要求 (6)2.4 本章小结 (6)第三章系统硬件设计 (7)3.1 总体结构设计 (7)3.2 数据采集模块设计 (7)3.2.1 单片机控制模块 (7)3.2.2 温湿度采集模块 (10)3.2.3 无线传输模块 (12)3.3 数据处理模块 (15)3.3.1 单片机控制模块 (15)3.3.2 数据处理模块中的无线传输模块 (16)3.3.3 LCD1602液晶显示模块 (16)3.6 本章小结 (18)第四章系统软件设计 (19)4.1 编程环境 (19)4.1.1 编程环境介绍 (19)4.1.2 编程语言 (19)4.2 系统软件设计 (19)4.2.1 数据采集模块软件设计 (19)4.2.2 数据处理模块软件总体设计 (21)4.3 无线收发模块软件设计 (22)4.3.1 无线发射模块软件设计 (22)4.3.2 无线接收模块软件设计 (22)4.4 本章小结 (23)第五章系统性能测试 (24)5.1 软件调试 (24)5.1.1 件调试工具 (24)5.1.2 软件调试原理及结果 (25)5.2 硬件调试 (26)5.2.1 所设计出来的硬件 (26)5.2.2 硬件调试方案 (27)5.2.3 测试结果 (27)5.3 本章小结 (29)第六章总结 (30)参考文献 (31)致谢 (32)附录一检测发送模块原理图 (33)附录二接收显示模块原理图 (34)第一章绪论1.1 温湿度检测技术的简介无线温湿度检测器是一种用于仓库和蔬菜大棚等具有温湿度检测、无线传输、温湿度显示和超限报警功能的仪器。
武汉长江工商学院毕业论文(设计)学院:工学院专业:通信工程年级:2010级题目:基于单片机的无线温度采集监测报警器的设计学生:谢慧学号:指导教师:伍彩红职称:2014年5月8日武汉长江工商学院本科毕业论文(设计)原创性声明本人郑重声明:所呈交的论文是本人在导师的指导下独立进行研究所取得的研究成果。
除了文中特别加以标注引用的内容外,本论文不包含任何其他个人或集体已经发表或撰写的成果作品。
本人完全意识到本声明的法律后果由本人承担。
作者签名:年月日目录摘要 (1)关键词 (1)Abstract (1)Key wards (1)前言 (2)1 系统总体设计方案 (2)2 主要元器件介绍 (3)2.1 AT89S52单片机简介 (3)2.2 nRF24L01概述 (5)2.3 DS18B20温度传感器 (5)3 硬件系统设计 (5)3.1 硬件系统总体结构 (5)3.2 无线收发模块 (6)3.3 显示模块 (6)3.4 声光报警电路 (6)3.5 按键控制电路 (7)3.6 温度采集模块 (7)3.7 电源模块 (8)4 系统软件设计 (8)4.1 软件设计思路 (8)4.2 主程序流程图设计 (8)4.2.1 发送部分 (8)4.2.2 接收部分 (9)4.3 子程序设计 (10)4.3.1 温度监测模块软件 (10)4.3.2 无线发射模块软件设计 (10)4.3.3 无线接收模块软件设计 (11)4.3.4 显示模块软件设计 (11)5 硬件功能实现 (12)5.1 系统调试 (12)5.2 调试结果 (12)6 总结 (13)参考文献 (13)附录一 (14)附录二 (16)基于单片机的无线温度采集监测报警器的设计摘要:本文介绍了由单片机、温度传感器、报警器和NRF24L01组成的专用无线温测监测报警系统。
本系统以 STC89C52单片机为控制核心,利用温度传感器DS18B20完成温度的采集和数据的处理,nRF24L01实现环境温度的无线传输。
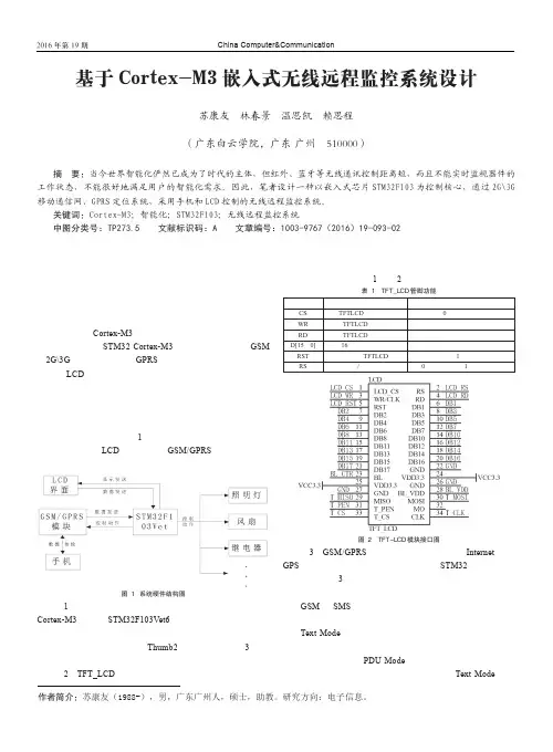
图1 系统硬件结构图(1)嵌入式终端控制部分作为整个系统的核心,以Cortex-M3内核的STM32F103Vet6为核心芯片,采用哈佛结构,独立指令总线数据总线,三级流水线加分支预测,内置嵌套向量中断控制器,高效Thumb2指令集,并支持3种低功耗模式,拥有极高的性价比。
(2)TFT_LCD控制:控制相关电器设备,实时显示各图2 TFT-LCD模块接口图(3)GSM/GPRS通讯:短信传输和访问Internet以及GPS定位的结合,获取信息,解码,与STM32之间进行数据交流(如图3所示),将远程控制电器设备和电器设备的状态等相关信息反馈到客户手机端。
GSM的SMS短信息的发送和接收模式主要有以下两种模式。
Text Mode是纯文本方式,可使用不同的字符集,从技术上说也可用于发送中文短消息,但国内手机基本上不支持,主要用于欧美地区。
PDU Mode所有手机都支持,可以使用任何字符集,这也是手机默认的编码方式。
Text Mode比较作者简介:苏康友(1988-),男,广东广州人,硕士,助教。
研究方向:电子信息。
图3 SIM模块与STM32接口图(4)电器设备控制部分:通过stm32所处理的信号,控制继电器,实现控制电器的开关。
2 通信系统设计GSM的SMS短信息的发送和接收模式共有三种:模式和AT命令的Text模式\PDU模式。
Block模式由于需要厂家提供驱动支持而且Text模式不能收发中文短信PDU 因此,采用PDU模式更加适合市场需要。
控制器通过UART 向GSM模块下发AT命令,直接读取收到的PDU式的短信息,进行准确解码,同时也通过GPRS准确访问Google的网页,获得准确的经纬度等地理位置信息,反馈到通讯端,实现远程监控(如图4所示)。
图4 通信系统结构图图5 软件流程图4 结 语本文根据未来智能化的发展方向,结合当今的GSM、GPRS通讯系统,以STM32为控制核心,采用手机与LCD 界面控制方式,通过2G\3G移动通信网、GPRS定位系统,实现了随时随地远程监测和控制系统,具有很大的市场价值和应用意义。
第1篇一、实验目的1. 熟悉无线温度检测系统的基本原理和组成;2. 掌握无线温度传感器的使用方法和数据传输流程;3. 了解ZigBee协议栈在无线温度检测中的应用;4. 分析无线温度检测系统的性能指标和影响因素。
二、实验原理无线温度检测系统主要由温度传感器、无线通信模块、数据处理单元和上位机软件组成。
温度传感器用于检测环境温度,无线通信模块负责将温度数据传输到数据处理单元,数据处理单元对温度数据进行处理和分析,上位机软件负责数据显示、存储和报警等功能。
三、实验设备1. 无线温度传感器:型号为DHT11,用于检测环境温度;2. ZigBee模块:型号为XBee,用于无线通信;3. 单片机:型号为Arduino Uno,用于数据处理;4. 上位机软件:采用Python编程语言,利用matplotlib库进行数据显示;5. 连接线、电源等辅助设备。
四、实验步骤1. 连接设备:将温度传感器、ZigBee模块和单片机连接在一起,确保连接正确;2. 编写程序:在单片机上编写程序,实现温度数据的读取、无线传输和数据处理;3. 配置ZigBee模块:设置ZigBee模块的参数,如频道、数据速率等;4. 编写上位机程序:编写Python程序,实现数据显示、存储和报警等功能;5. 进行实验:将实验设备放置在待测环境中,启动实验,观察数据变化。
五、实验数据与分析1. 温度数据采集:在实验过程中,温度传感器实时采集环境温度数据,并通过无线通信模块传输到单片机;2. 数据处理:单片机对温度数据进行处理,包括滤波、转换等操作;3. 上位机显示:上位机软件将处理后的温度数据显示在图形界面上,方便观察和分析;4. 性能分析:通过实验数据,分析无线温度检测系统的性能指标,如响应时间、传输距离、抗干扰能力等。
六、实验结果与讨论1. 实验结果表明,无线温度检测系统能够稳定地采集和传输环境温度数据,满足实际应用需求;2. ZigBee模块在无线通信中表现出良好的性能,具有较远的传输距离和较强的抗干扰能力;3. 实验过程中,发现温度传感器在低功耗模式下响应时间较长,需要优化程序以提高响应速度;4. 在实际应用中,可根据需求选择合适的温度传感器和无线通信模块,以降低系统功耗和提高性能。
SHANDONGUNIVERSITYOFTECHNOLOGY毕业设计说明书基于STM32的WIFI无线网络应用设计学院:专业:学生姓名:学号:指导教师:2013年 6月摘要随着无线局域网技术的快速发展,无线终端已经融入了我们的生活,无论是智能手机还是笔记本,WiFi功能几乎是必不可少的。
目前WiFi技术主要的应用还在手持终端,但随着用户需求的越来越广泛,WiFi技术也需要应用到不同的方面如工业控制,移动办公等,这就需要不同形式的终端。
本文开发并实现基于一种嵌入式开发平台的STM32的WiFi模块,使一些嵌入式设备也能够使用无线资源。
论文首先讨论了基ARMCortex-M3的嵌入式开发技术,介绍了WiFi网络的发展现状及前景,利用STM32F103VCT6串口连接WiFi模块,介绍了UCGUI在STM32平台上的移植,最后,在此基础上进行基于uC/GUI的多窗口应用界面的设计,实现了WiFi热点接入界面的开发。
关键词:STM32,WiFi,UCGUI,LCDIABSTRACTToday with the rapid development of wireless LAN technology, wireless terminals have been gradually integrated into our lives. WiFi function is almost essential whether it is a smart phone or a laptop. Currently the main application of WiFi technology still handheld terminal, but with the user's needs more and more widely, WiFi technology needs to be applied to different areas such as industrial control, mobile office, etc., which require different forms of terminals.This paper developed and implemented an embedded development platform based on the STM32 WiFi module, and enable some embedded devices to use the wireless resources. Firstly, we discuss the embedded development technology based on ARM Cortex-M3 , introduced a WiFi network development situation and prospects, using the serial port using the STM32F103VCT6 WiFi module, introduced in the STM32 platform UCGUI transplant, finally, on this basis, based uC / GUI application of multi-window interface design, to achieve a WiFi hotspot access interface development.Key words : STM32, WiFi, LCD,UC/GUIII目录摘要 (I)ABSTRACT (II)第一章引言 (1)1.1ARM的发展趋势 (1)1.2WIFI的发展背景 (2)第二章ARM系统的硬件平台 (3)2.1概述 (3)2.2嵌入式处理器的选择 (3)2.3STM32F103的USART接口 (4)2.3.1 USART接口的引脚描述 (4)2.3.2 USART主要的特性 (5)2.3.3 数据发送与接收过程 (5)第三章WIFI技术及模块概述 (7)3.1W I F I技术概述 (7)3.1.1 WiFi网络基本结构 (7)3.1.2 WiFi网络的操作模式 (7)3.2W I F I模块介绍 (8)3.2.1 模块硬件结构 (9)3.2.2 模块工作模式 (10)第四章硬件模块设计 (11)4.1系统硬件结构 (11)4.1.1 WiFi模块工作流程 (11)4.2模块电路 (12)4.2.1 电源设计 (12)4.2.2 复位电路设计 (13)4.2.3 晶振电路设计 (13)4.2.4 调试接口 (14)4.3LCD模块 (14)III4.3.1 原理图 (14)4.4存储模块 (15)4.4.1 原理图 (15)4.4.2 功能描述 (15)第五章软件设计 (16)5.1系统软件设计框图 (16)5.2驱动设计 (16)5.2.1 串口驱动设计 (16)5.2.2 TFT-LCD底层驱动设计 (17)5.2.3 具体程序实现 (19)5.3网络数据传输报文设计 (20)5.4 U C/GUI的移植 (23)5.4.1 uC/GUI的目录结构 (23)5.4.2 在目标系统上应用uC/GUI的配置过程 (24)5.4.3 LCDConf.h的配置(低层配置) (25)5.4.4 GUIConf.h的配置(高层配置) (25)5.4.5 ILI9235的初始化 (27)5.4.6 LCD底层API的编写 (27)5.5W I F I热点接入管理界面开发 (27)第六章结论 (31)参考书目 (32)致谢 (33)附录最小系统原理图 (34)IV第一章引言随着信息技术的飞速发展,人类进入了后PC时代,嵌入式系统与互联网络已经无所不在,它们一起深刻地影响着我们的生活,而这两者的融合已经是大势所趋,如何让嵌入式系统接入网络已经成为信息领域研究和应用的热点,越来越受到人们的重视。
基于Cortex-M3的森林火灾监测WSN节点的设计摘要:森林火灾的及时发现是减少森林火灾损失的前提。
本文运用cortex-m3设计了森林火灾监测的无线传感器网络节点,具有较强应用价值。
关键词:无线传感器网络森林火灾传感器节点森林能维护地球的生态平衡,还是人类生存及社会发展无可替代的重要资源之一。
森林火灾会对人民生命财产、森林生态系统、自然环境等产生危害。
因此森林火灾监测系统的研究有十分重要的价值和意义。
1 森林火灾监测系统基于无线传感器网络(wsn)的森林火灾监测系统由无线传感器网络、internet网络以及终端监控主机三个部分组成。
部署在林区监测区的传感器节点通过无线自组网方式组建监测子网络,实时采集林区温度、湿度、烟雾浓度等信息,同时把采集的现场数据跃跳传到本簇簇首,簇首把接收到的各节点数据分析处理并将其转发给其它节点。
经过多跳后路由到网络协调节点。
网络协调节点将收集到的数据进行融合后,通过internet网络发送到终端监控主机上。
2 森林火灾监测系统的传感器节点设计构成森林监测无线传感器网络的基本元素是传感器节点。
传感器模块、处理器模块、无线通信模块和能量供应模块组成森林火灾监测传感器网络节点,如图2.1所示。
传感模块由传感器和adc转换组成,作用是采集林区内的数据;处理器模块是一个由处理器、存储器构成的嵌入式系统,存储和处理外界节点发送来的数据及自身传感器模块采集的数据;各传感器节点依靠自身的无线通信模块组建网络,相互间传送采集到的数据;能量供应模块一般采用微型电池,为传感器节点供应电能。
由于森林火灾的发生与森林坏境内的温度、湿度、烟雾有关,在本设计传感器节点中,选用的温度、湿度、烟雾传感器件。
2.1 微处理器模块设计 cortex-m3处理器采用arm v7哈佛架构,低至0.19mw/mhz的功耗,速度比arm7快1/3,功耗低3/4,且封装体积较小。
选用arm公司cortex-m3系列的lm3s811作为传感器节点的处理器。
基于Cortex—M3智能无线温度测量系统设计钟鼎【期刊名称】《电子设计工程》【年(卷),期】2011(019)021【摘要】设计了一种基于Cortex—M3内核的STM32F103RBT6为核心处理器的智能无线温度测量系统。
系统采用DS18B20数字温度传感器,并利用TC35I 模块接入GSM网络,实现利用手机短信发送温度测量指令。
手机短信接收测量数据,该系统同时具有定时自检和温度报警功能,当处理器定时自检发现DS18B20出现故障时,系统会自动启用处理器内部温度传感器并短信报警。
经实验证明,该系统测量精度最高可达0.0625度,适合在距离较远,不易布线的环境下使用。
%A system uses STM32F103RBT6 processor which based on Cortex-M3 core. By using DS18B20 to measurement the temperature and using TC35I module to connect to the GSM network, It achieves a function that using short message to send commands and receiving the measurement data by short message. The system also has a self-test function, when the processor found the DS18B20 fails, it will automatically enable internal temperature sensor and send alarm message. It is suitable for long distance condition with a high precision.【总页数】3页(P183-185)【作者】钟鼎【作者单位】中国地质大学机械与电子信息学院,湖北武汉430074【正文语种】中文【中图分类】TN98【相关文献】1.基于Cortex-M3与A nd roid的智能家居控制系统设计 [J], 易诚;俞子荣;陈黎娟2.基于Cortex-M3的煤矿瓦斯智能检测系统设计 [J], 谢小坚3.基于Cortex-M3嵌入式无线远程监控系统设计 [J], 苏康友;林春景;温思凯;赖思程4.基于Cortex-M3的智能门禁考勤系统设计 [J], 王常衡;崔睿瑄;卢曼;任广鹏5.基于Cortex-M3的无线语音智能相框的设计与实现 [J], 刘钧火; 赵威海; 罗来俊因版权原因,仅展示原文概要,查看原文内容请购买。
基于STM32的PT100温度测量目录一、前言 (1)二、系统描述 (1)2.1 综述 (1)2.2 系统框图 (1)2.3 功能实现 (1)三、硬件设计 (2)3.1 STM32 微控制器 (2)3.2 PT100温度传感器电路 (3)3.3 1602液晶屏 (4)四、软件设计 (4)4.1 ADC程序 (4)4.2 1602LCD显示程序 (5)4.3 主程序 (5)五、性能测试 (5)六、课程设计心得 (6)参考文献 (6)附录1:系统实物图 (7)附录2:系统主要程序 (7)一、前言Cortex-M3 是 ARM 公司为要求高性(1.25DhrystoneMIPS/MHz)、低成本、低功耗的嵌入式应用专门设计的内核。
STM32 系列产品得益于 Cortex-M3 在架构上进行的多项改进,包括提升性能的同时又提高了代码密度的 Thumb-2 指令集和大幅度提高中断响应的紧耦合嵌套向量中断控制器,所有新功能都同时具有业界最优的功耗水平。
本系统是基于 Cortex-M3 内核的 STM32 微控制器与PT100温度传感器的温度测量,在硬件方面主要有最小系统板、1602LCD 液晶屏以及PT100温度传感电路,在软件方面主要有 1602LCD 液晶屏的驱动,ADC 功能的驱动,及滤波算法设计。
整个设计过程包括电子系统的设计技术及调试技术,包括需求分析,原理图的绘制,器件采购,安装,焊接,硬件调试,软件模块编写,软件模块测试,系统整体测试等整个开发调试过程。
二、系统描述2.1综述本系统是基于 STM32微控制器所设计的多功能画板,该画板具有基本的绘画功能及画布颜色的选择,触摸屏校正等功能。
整个系统模块分为三个模块:ALIENTEK MiniSTM32开发板、液晶显示。
MiniSTM32开发板是ALIENTEK 开发的是一款迷你型的开发板,小巧而不小气,简约而不简单。
上面有芯片工作需要的资源,时钟控制电路、复位电路、JTAG 控制口以及与外围电路相连的接口。
International Industrial Informatics and Computer Engineering Conference (IIICEC 2015)The Design of Car Controlled by Internet of Things Based onMicrocontrollers Cortex-M3Tang Lili1,a, Huang Wei2,b1Department of Computer & Information Engineering, Zhixing College of Hubei University, Wuhan,430011, China2System Design Institute of Hubei Aerospace Technology Academy, Wuhan, 430040, Chinaa email:*****************,b email:******************Keyword: Internet of Things; LPC1768; Wifi; remote monitoringAbstract. This design uses Wifi control the movement of the car, the speed acquisition, temperature acquisition and monitoring of video image. The car controller uses microcontroller LPC1768,which is 32-bit, single cycle, support reduced instruction set and has rich resources of peripherals and high-speed processing speed. Using computer PC software VC6.0, through WinSocket programming, a wireless router and the car’s Wifi serial interface module form a wireless local area network to realize controlling the movement of the car, displaying the speed and surrounding temperature of the car, and acquiring the car camera on the computer. This design can be used in remote monitoring, industrial robots, intelligent household, unmanned driving and other fields,which has a wide range of application areas and certain market value in use.Brief Introduction of the Function of Car Controlled by Internet of Things Car controlled by internet of things connects computer PC with car through Wifi network, meanwhile the meaning of internet of things mainly means that there are lots of sensors on the car, which utilize wifi and host computer to interact car’s data of speed, temperature and camera etc. through the platform of car. And that’s the connotation of car controlled by internet of things. The concretely implemented function is that using PC host computer and WLAN to make computer, wireless router and car in network, whose mode includes ad-hoc network and basic network. Users can manipulate the car's movement to get the collected information by controlling computer PC within the local area network. If possessing a fixed IP, remote control can also be realized. Car controlled by internet of things’s topology is shown in figure 1.wirelesscomputerFig.1. Topology of Car Controlled by Wifi Internet of Things Connecting computer software, wireless router, and the car by forming ad-hoc network or basic net, and if there’s a fixed IP, the car can also be connected with remote server through internet technology, which can also realize surpassingly remote control. The PC software compiles internet network interface mainly by winsocket programming, the car side converts wifi signals into serial signals via converting uart module into wifi module, and then sends wifi signals to connect car and PC software by wireless router, and this kind of mode is basic net. Another kind of networking mode is ad-hoc network, which directly sends wifi signals by converting wifi module into serialcommunications module, then it receives signals by means of the computer’s WLAN card. Ad-hoc network can also realize network communication, but can’t realize remote connection.The Introduction of NXP LPC1758 ChipThe Cortex-M3 microcontroller of LPC1700 series is a latest MCU with high performanceand low power consumption which is launched by NXP company. Its peripheral components include a flash memory up to 512KB, a 64KB data memory, Ethernet MAC, USB host/slave/OTG interface, 8 channel generic DMA controller, 4 UART, 2 CAN channel, 2 SSP controller, SPI interface, 3 I2C interface, a 2-input and 2-output I2S interface, 8-channel 12-bit ADC, 10-bit DAC, motor control PWM, quadrature encoder interface, 4 GP Timer, 6 - output general PWM, ultra-low power consumption RTC with separate battery power and general I/O pins as many as 70 [1].The Design of PCThe main function of PC is to set the car’s relevant parameters as well as acquire and show the relevant information collected by car through TCP/IP network communication protocols and controlling the car’s operation [2]. PC adopt VC6.0 integrated development environment earlier launched by Microsoft. This design mainly includes the following aspects of programming:(1)TCP/IP network communication protocols and interface;(2)The control region of car movement;(3)The speed dial of car;(4)The car’s temperature display meter;(5)The car’s surveillance video display area (extended content).The Design of Lower ComputerLower computer, namely the car’s controller, controls all of the car’s actions. Its main contents is included as follows:(1)The drive converting Wifi into serial port [3];(2)The car movement control;(3)The drive of DS18B20 temperature sensor;(4)The acquisition of car speed;(5)Parsing and encapsulation of communication data.The flow chart of module design for lower computerFig.2. The flow chart of design for lower computerSerial design of lower computerLower machine serial design mainly involves initialization of serial ports, serial ports sending, serial ports reception and functions of serial ports interruption [4] [5]. MCU realizes communications via serial port and converting Wifi into serial port module, which is the communication part of car controlled by internet of things. LPC1758 MCU includes 4 serial ports, and possesses FIFO first-in first-out buffer and various serial ports interruption which can receive more than one bit at the same time. Via setting relevant register , it can well realize communication function. MCU receives and sends instructions to PC via controlling communications between serial port and PC software, thus the car’s corresponding action can be controlled via analyzing the instructions sent by PC.The car control program for lower computervoid MotorCtrl(bit leftM, bit leftM_UP, bit rightM, bit rightM_UP, uint speed){ //F_:Motor switchEN1=leftM;EN2=rightM;scale=speed;//F_: forwardif(leftM_UP&&rightM_UP){ IN1=0;IN2=1;IN3=0;IN4=1; }//F_: turn rightif(leftM_UP && (!rightM_UP)){ IN1=0;IN2=1;IN3=1;IN4=0; }//F_: turn leftif((!leftM_UP) && rightM_UP){ IN1=1;IN2=0;IN3=0;IN4=1; }//F_: backwardif((!leftM_UP) && (!rightM_UP)){ IN1=1;IN2=0;IN3=1;IN4=0; }/**the examples of function using:MotorCtrl(1,1,1,1,0); //F_: forwardDelay1ms(3000);MotorCtrl(1,0,1,0,0); //F_: backwardDelay1ms(3000);MotorCtrl(1,0,1,1,0); //F_: turn leftDelay1ms(3000);MotorCtrl(1,1,1,0,0); //F_: turn rightDelay1ms(3000);MotorCtrl(0,0,0,0,0); //F_:stopDelay1ms(3000); **/}ConclusionsThrough debugging and modifying codes time after time, the project is basically formed, and can achieve expected function. The communication is stable, the car’s control is reliable, the accuracy and sensitivity of data acquisition meets requirements. The tests which is done on the occasion that has nothing to do with the remote network control prove that stability and reliability of the system has already far exceeded the ordinary infrared remote control cars and wireless RF remote control cars. The significance of this design lies in efficiently combining Computer software technology, network technology and MCU technology. This design also highlights and deepen the implication of “internet of things”, so in the future, it must be widely used in social activities and manufacture. References[1] ARM Limited. Cortex-M3 Technical Reference Manual.2006.[2] Genshen Cui, Anqing Sun. ARM embedded system development and practice [M]. Beijing: China power press, 2008.[3] Yao Chen. The Cortex-M3+μC/OS-II introduction to embedded system development and application [M]. Beijing: people's posts and telecommunications publishing house, 2010.[4] Zhaoqian Qie. Embedded system hardware system design [M]. Beijing: university of aeronautics and astronautics press, 2007.[5] Zhaoqian Qie. Embedded graphical system design [M]. Beijing: university of aeronautics and astronautics press, 2009.。
摘要本系统由两部分组成,温度采集端和温度显示端,通过温度传感器采集温度显示在液晶屏或者数码管上,并将温度通过红外发送到红外接收头,然后解调解码数据,将温度显示出来,实现温度的无线测量关键字:STC89C52RC;红外;温度;调制;解调1.方案论证与选择1.1控制器的选择方案一:采用MSP430来处理Msp430是一种超低功耗的混合信号处理器,采用精简指令集,单个始终走起就可以执行一条指令,速度比51快得多。
因此用430来处理比较器返回来的数据是比较快捷的,但价格相对较贵。
430供电为3.3V,且操作起来较复杂。
方案二:采用51内核单片机单片机操作方便快捷,成本低,开发资源丰富,位寻址方便等,来的数据不需要很大的数据处理过程,51已完全能够胜方便,所以该装置采用STC89c52型的单片机来进行处理,本单片机一个机器一个时钟周期执行一条指令,无法解密,低功耗,超低价,高速,高可靠性。
1.2温度显示方式的选择与比较方案一:采用数码管显示数码管是由多个发光二极管封装在一起组成的8字型的器件,引线已在内部连接完成,只需引出他们的各个笔画和公共电极。
可以用来显示数字和字母。
方案二:采用LCD1602一种专门用来显示字母,数字,符号等的点阵型液晶模块。
它由若干个5X7或者5X11等的点阵字符位组成,每个点阵自字符位都可以显示一个字符,每位之间有一个点距的间隔,可以显示两行,每行16位数字或者字符。
1602采用标准的16脚借口,相比数码管,同样引脚的情况下,显示的内容更多,焊接更加方便快捷,所以我们选用显示部分选用LCD1602.1.3红外的编码和解码采用脉宽调制的串行码,以脉宽为0.565ms、间隔0.56ms、周期为1.125ms 的组合表示二进制的“0”;以脉宽为0.565ms、间隔1.685ms、周期为2.25ms 的组合表示二进制的“1”,其波形如下图所示。
上述“0”和“1”组成的32位二进制码经38kHz的载频进行二次调制以提高发射效率,达到降低电源功耗的目的。
基于Cortex-M3的动物远程监测系统的研制金伟;孟浩;陈卫【摘要】针对野生动物生态环境日益恶化,野生动物保护难度加大,研制了一款能够全天候监测动物的生活习性的系统。
系统节点采用具有Cortex -M3内核的CPU和永远在线的GPRS模块SIM900A。
节点通过GPS和单总线分别获取经度值、纬度值,环境的温度值、湿度值,将采集到的数据信息通过GPRS及时地发送到数据中心。
系统测试证明:GPS定位误差在150cm以内;温湿度误差在±3%左右,数据传输稳定,具有良好的远程监测能力。
%T he system that can monitor the habits of animals throughout the day and night is developedai-ming at solving the problems that the wildlife ecological environment is becoming deteriorating and the wild-life protection is becoming more difficult .The system node used the CPU that has the core of Cortex -M3 and the GPRS module SIM900A that can be always online .The node obtained longitude values ,latitude values ,temperature and humidity values of the environment by GPS and a single bus respectively .T he data information collected was sent to the data center by GPRS timely .The test of the system shows that the GPS positioning error is less than 150cm and the temperature and humidity error is around ± 3% .T he da-ta transmission is stable and the system has a good remote monitoring capability .【期刊名称】《滁州学院学报》【年(卷),期】2014(000)002【总页数】4页(P43-46)【关键词】动物监测;Cortex-M3;GPS定位;GPRS通信【作者】金伟;孟浩;陈卫【作者单位】安徽农业大学信息与计算机学院合肥230036;安徽农业大学信息与计算机学院合肥230036;安徽农业大学信息与计算机学院合肥230036【正文语种】中文【中图分类】TP368.1近年来,野生动物赖以生存的环境受到破坏,它们面临着各种生存威胁。
基于STM32的PT100温度测量目录一、前言 (1)二、系统描述 (1)2.1 综述 (1)2.2 系统框图 (1)2.3 功能实现 (1)三、硬件设计 (2)3.1 STM32 微控制器 (2)3.2 PT100温度传感器电路 (3)3.3 1602液晶屏 (4)四、软件设计 (4)4.1 ADC程序 (4)4.2 1602LCD显示程序 (5)4.3 主程序 (5)五、性能测试 (5)六、课程设计心得 (6)参考文献 (6)附录1:系统实物图 (7)附录2:系统主要程序 (7)一、前言Cortex-M3 是 ARM 公司为要求高性(1.25DhrystoneMIPS/MHz)、低成本、低功耗的嵌入式应用专门设计的内核。
STM32 系列产品得益于 Cortex-M3 在架构上进行的多项改进,包括提升性能的同时又提高了代码密度的 Thumb-2 指令集和大幅度提高中断响应的紧耦合嵌套向量中断控制器,所有新功能都同时具有业界最优的功耗水平。
本系统是基于 Cortex-M3 内核的 STM32 微控制器与PT100温度传感器的温度测量,在硬件方面主要有最小系统板、1602LCD 液晶屏以及PT100温度传感电路,在软件方面主要有 1602LCD 液晶屏的驱动,ADC 功能的驱动,及滤波算法设计。
整个设计过程包括电子系统的设计技术及调试技术,包括需求分析,原理图的绘制,器件采购,安装,焊接,硬件调试,软件模块编写,软件模块测试,系统整体测试等整个开发调试过程。
二、系统描述2.1综述本系统是基于 STM32微控制器所设计的多功能画板,该画板具有基本的绘画功能及画布颜色的选择,触摸屏校正等功能。
整个系统模块分为三个模块:ALIENTEK MiniSTM32开发板、液晶显示。
MiniSTM32开发板是ALIENTEK 开发的是一款迷你型的开发板,小巧而不小气,简约而不简单。
上面有芯片工作需要的资源,时钟控制电路、复位电路、JTAG 控制口以及与外围电路相连的接口。
基于Cortex-M3智能无线温度测量系统设计钟鼎(中国地质大学机械与电子信息学院,湖北武汉430074)摘要:设计了一种基于Cortex-M3内核的STM32F103RBT6为核心处理器的智能无线温度测量系统。
系统采用DS18B20数字温度传感器,并利用TC35I 模块接入GSM 网络,实现利用手机短信发送温度测量指令,手机短信接收测量数据,该系统同时具有定时自检和温度报警功能,当处理器定时自检发现DS18B20出现故障时,系统会自动启用处理器内部温度传感器并短信报警。
经实验证明,该系统测量精度最高可达0.0625度,适合在距离较远,不易布线的环境下使用。
关键词:Cortex-M3;STM32F103RBT6;DS18B20;TC35I ;温度测量中图分类号:TN98文献标识码:A文章编号:1674-6236(2011)21-0183-03Intelligent wireless temperature measurement system based on Cortex-M3ZHONG Ding(Mechanical and Electronic Information Institute ,China University of Geosciences ,Wuhan 430074,China )Abstract:A system uses STM32F103RBT6processor which based on Cortex -M3core.By using DS18B20to measurement the temperature and using TC35I module to connect to the GSM network ,It achieves a function that using short message to send commands and receiving the measurement data by short message.The system also has a self -test function ,when the processor found the DS18B20fails ,it will automatically enable internal temperature sensor and send alarm message.It is suitable for long distance condition with a high precision.Key words:Cortex -M3;STM32F103RBT6;DS18B20;TC35I ;temperature measurement收稿日期:2011-08-20稿件编号:201108066作者简介:钟鼎(1983—),男,湖南长沙人,硕士,助理工程师。
研究方向:网络通信与安全。
温度测量[1]在家居生活和工业生产控制等领域都有着广泛的使用,随着电子技术的飞速发展,应用领域还在不断的扩展,基于单片机控制的温度测量系统也相继被提出,随着ARM 公司最新Cortex 系列内核的推出,基于Cortex-M3内核的高性价比的处理器受到了客户广泛欢迎,而在我国,GSM 网络超过95%的覆盖率也为无线通信和远程控制创造了良好的媒介,在某些特殊环境下,比如不易布线或者布线距离较长环境下,都会使测量系统的成本升高,而且数据在长距离的传输过程中极易受到干扰,利用技术成熟成本相对较低的GSM 网络,不仅不受传输距离的限制,而且具有较好的抗干扰能力,使用便携的手机发送短信控制来实现温度的实时测量是一种较好的方法。
1系统整体设计智能温度测量系统主要由温度测量模块、GSM 模块、外接EEPROM 、主控制器组成。
主控制器使用意法半导体公司生产的STM32F103RBT6处理器,主要完成整个系统的运行和自检工作。
温度测量模块使用DALLAS 公司的DS18B20数字温度传感器,GSM 模块使用西门子工业TC35I 模块,其支持中文短信功能,通过通用串口协议与主控制器通信,接收和发送主控制器的命令,当TC35I 模块接收到短消息命令后把命令发送给主控制器,主控制器分析短信命令,如为温度测量指令则开始测量温度,测量数据通过TC35I 模块发送回去,同时备份测量数据在外接EEPROM 中,整体结构框图如图1所示。
2硬件电路设计2.1主控制器意法半导体公司新推出的STM32F103RBT6,是基于ARM 公司最新推出的V7平台的Cortex-M3内核。
芯片[2-3]具有128k FLASH ,20k SRAM ,2个SPI 接口,3个串口,一个USB ,1个CAN ,51个IO 口。
芯片的数据处理能力为电子设计工程Electronic Design Engineering第19卷Vol.19第21期No.212011年11月Nov.2011图1系统整体结构Fig.1Overall structure of system-183-《电子设计工程》2011年第21期1.25DMips/MHz,在72MHz的工作时钟下消耗36mA(所有外设处于工作状态),待机时下降到2μA,是目前32位处理器市场上功耗最低的产品,十多块钱的市场售价为该产品创造了极高的性价比,除了在价格上的优势外,STM32主控芯片内部包含了一个时钟嘀嗒(SysTick)计时器,SysTick是一个24位的自动重装的倒计数定时器,在使用高速8M外部时钟信号时,通过处理器内部PLLMUL倍频产生最高72M 的时钟HCLK,SysTick的时钟来自HCLK的8分频,即72/8= 9MHz,通过计算当装载的初值为9时可以得到精确的1μs 的延时,在使用DS18B20测量温度时候,开始,应答,读写时序中使用的延时都为μs级,有较严格的时序要求,在STM32推出之前广泛使用的单片机如51系列和AVR系列,都很难得到精确的μs级的延时程序,这导致在无参考数据的情况下通过软件仿真得到的延时程序在实际驱动DS18B20过程中往往需要多次对延时程序进行调整,经实验证明,在软件仿真的环境下,也很难精确地对延时函数进行运行时间的估计,而在有限的资源下,如果使用通用定时器完成延时也是不太现实的,而STM32处理器却由于能够使用精确的μs级延时,为延时程序编写带来很大方便。
主控芯片与外设接口如图1所示。
2.2温度测量模块STM32F103RBT6虽然内部自带了温度传感器,但是其精度较差,为正负1.5度,而且由于考虑到芯片发热的问题,内部自带温度传感器很难测量到较准确数据,所以选用价格便宜精度较高的DS18B20温度传感器,其采用单总线方式传输,与主控制器的PA0连接,工作电压为3~5.5V,测温范围-55~+125度,理论上测量精度最高可达0.0625度,实际测量中常用的默认精度为0.5度,在数据传输[4-5]过程中,读和写的时序如下:写时序:写0时主机拉低总线,延时60μs,然后释放总线。
写1时主机拉低总线,延时2μs,然后释放总线。
在连续写的过程中需要有1μs以上的延时。
读时序:读时都由主机把电平拉低,延时大于1μs(3μs)后,主机释放总线,3~15μs时间段的后期,主机采样电平(0或1),延时45μs,整个读时序周期大于60μs。
使用DS18B20[2]读取一次温度的流程为:复位→发送(0xcc)命令→发送转换命令(0x44)→延时→发送读数据命令(0xbe)→读取两个字节温度→进行数据处理。
其中读取的是一个12bit的数据,其中低4位为小数部分,高7位为整数部分,一位符号位,根据测量精度的要求可以对数据的整数部分和小数部分分开进行处理。
2.3GSM模块TC35I模块是西门子公司支持中文短信息的工业级GSM模块,工作在EGSM900和GSM1800双频段,电源范围为直流3.3~4.8V,通过接口连接器和天线连接器分别连接SIM卡读卡器和天线,主控制器通过串口与TC35I模块使用AT指令集完成双向通信,TC35I模块的电路图如图2所示,其主要由40引脚的TC35I和SIM卡组成,模块通过串口TXD0和RXD0与主控制器通信,TC35I短消息功能支持Text 和PDU两种模式,在标准C环境下,短消息收发采用Text模式,TC35I模块发送内容为test的短消息的主要操作如下[6]:……printf("AT\n");printf("AT+CMGF=1\n");//Text模式printf("AT+CSCA=+86xxxxxxxxxxx\n");//信息中心号printf("AT+CMGS=xxxxxxxxxxx\n");//目的号码printf("test");//发送testprintf("%x\n",26);//发送回车……当TC35I模块接收到短消息后会自动向处理器发送提示信息,处理器通过串口中断接收到提示信息,在标准的C 环境下,通过检验串口提示信息中是否含有“+CMTI”来判断是否有短消息提示指令,如果有则处理器向TC35I模块发送读取短消息指令后,之后处理器提取TC35I收到的短消息。
2.4外存储设备外存储设备使用外接EEPROM,在进行温度测量后测量数据发送给终端的同时会保存测量数据在外接存储器AT24C02中,AT24C02总容量为256个字节,一次温度测量数据为2个字节,所以使用便宜的24C02可以存储超过100组的测量数据,AT24C02片内地址在接收到每一个数据字节地址后自动加1,直到存储满后前面的数据将被覆盖。
STM32处理器自配IIC接口,但是考虑到移植性的问题,使用IO口模拟IIC协议通信更容易实现,接口电路如图1所示。
当SCL线[2]为高电平期间,SDA线由高电平向低电平的变化表示起始信号,SCL线为高电平期间,SDA线由低电平向高电平的变化表示终止信号。
无论是数据还是地址的传输中,都是按照字节来传输,传送的方向是从最高位开始,每一个被传送的字节后面都必须跟随一位应答位。
在数据和地址的传输过程中始终注意:时钟信号为高电平期间,数据线上的数据必须保持稳定,只有在时钟线上的信号为低电平期图2TC35I模块电路图Fig.2TC35I module circuit-184-间,数据线上的高电平或低电平状态才允许变化。
当主机向从机发送一个数据发送时序如下:起始信号→从机地址+方向→应答→数据(8位)→应答/非应答→终止信号。
其中方向值为“0”表示主机发送数据,方向值为“1”表示主机接收数据。