地质钻杆系列规格、参数
- 格式:doc
- 大小:4.58 MB
- 文档页数:1
四方钻杆12钻铤1弯曲强度比:内螺纹危险截面摸数与外螺纹危险断面抗弯截面摸数之比。
1234三、钻杆1、API钻杆加厚尺寸图(X、G、S)2、API钻杆加厚尺寸34四、转换接头:1、转换接头的种类转换接头根据外形与使用分为以卜二种型式A型(同径式):一只转换接头只有一种外径尺寸,代B型(异径式):一只转换接头只用两种外径尺寸,代C型(左旋式):转换接头的连接螺纹为左旋形式,代转换接头的种类(SY5200—93、SY/T6152-1995)号为JTA。
JTBo号为JTC注:(1)、转换接头的连接螺纹弯曲强度比应控制在3.20:20—1.90:1之间。
(2)、转换接头的钻具当其直径差大于15mm时可采用B型转换接头(水龙头转换接头和打捞转换接头除外)。
1、接头型号与标记(1)转换接头型号表示法(SY5200-93)转换接头和光坯代号出厂批次出厂年号制造厂名或标志代号例:某厂(代号R)1989年按SY5200-93标准生产的第13批C型水龙头转换接头,两端有41/2正规左旋外螺纹,内径上部57.2mm,下部41.99mm,标记为:R8913(2)转换接头标记代号(SY5200-93)内螺纹代号水眼直径外螺纹代号内螺纹端螺纹代号水眼直径外螺纹端螺纹代号型式(A、B、C)种类(1、2、3、4、5、6、7)接头代号例:1989年按SY5200-93标准生产第四批B型过度转换接头,一端为NC50外螺纹,另一端为NC46内螺纹,内径50.8mm,标记为:标记槽内标记:R8904外表面标记:JT3BNC44—50.8GXNC—50.8M2、接头螺纹扣型的表示方法螺纹扣型叫法目前有三种,一种是国内各油田习惯叫法(如411/410、521/430);第二种是美国API石油学会规定的老式叫法(如:4FH(贯眼)、41/2内平、41/2REG正规;第三种(数字型)是美国API石油学会规定的新叫法(如:NC50、N46、NC38)。
地质钻杆
1,材质。
根据钻探作业的种类不同,对地质钻杆的材质有不同的要求,对于
普通的煤田类钻探任务选用常规的DZ40或者是45#钢材就可以,对于配合钻进岩层的金刚石钻头使用时要选用R780或者是DZ50的材质钻杆,在石油钻探领
域往往使用的最多是更高级别的合金管材。
2,规格型号。
从地质钻杆的直径范围来讲,地质钻杆的规格型号主要有:
Φ34mm、Φ42mm、Φ50mm、Φ60mm、Φ63.5mm、Φ73mm 、Φ89mm等7中常
见规格。
地质钻探常使用42mm和50mm两种,在钻进大口径的水井或者是石
油井时用的往往是更大口径的地质钻杆。
3,长度。
从地质钻杆的长度来讲,地质钻杆的生产长度可根据客户需求,在
不影响工艺原则的条件下进行定做。
其中常用长度为0.5米、1米、1.5米、2米、2.5米、3米、4米等7个规格,其中1米和1.5米长度的最为常用。
在钻进比较深的孔时,原则上讲应该尽量使用3米以上的钻杆,但如果是采用绳索类钻具
则可以使用比较短的钻杆方便安装和拆卸。
地质钻杆是地质勘探、水文勘测、煤矿探查及用工程勘探必备的钻具。
益矿生
产的地质钻杆,主要包括42mm和50mm的地质钻杆,材质为宝钢R780,配合
金刚石打井钻头能更好完成水井的钻进工作。
知识创造未来
钻杆规格型号
钻杆是一种用于石油或地质钻井的设备,其规格型号根据具体的应用和需求而有所不同。
以下是一些常见的钻杆规格型号:
1. 钻杆直径:钻杆直径通常是根据钻井井眼直径和钻头尺寸来确定的。
常见的钻杆直径有2 3/8英寸、2 7/8英寸、3 1/2英寸等。
2. 钻杆长度:钻杆长度根据需要钻井的井深来确定。
常见的钻杆长度有30英尺、31英尺、37英尺等。
3. 钻杆连接方式:钻杆连接方式有API螺纹连接和非API螺纹连接两种,其中API螺纹连接是一种国际标准的连接方式。
常见的API 螺纹连接型号有NC26、NC31、NC38、NC40等。
4. 钻杆材质:钻杆通常由高强度合金钢制成,以确保其在高压、高温和恶劣环境下的可靠性。
需要特别注意的是,钻杆的规格型号可能因不同的钻井设备和钻井方法而有所变化。
因此,在选择钻杆时,应根据具体的钻井需求和设备要求进行选择。
1。
地质钻杆系列
我公司生产的地质钻杆,钻杆杆体选用优质地质专用合金钢管,钻杆接头选用优质合金结构钢,经真空调质处理,大大提高了抗疲劳强度和抗剪切强度。
采用先进的摩擦焊焊接工艺生产加工,钻杆具有抗弯强度高,焊接牢固等特点。
生产设备完全采用先进的数控加工设备,具有生产效率高质量稳定的特点。
能够保证深孔钻进时对直线度的要求,该产品具有较高的抗疲劳强度和较长的使用寿命。
我公司可根据用户的实际需求设计、生产各种特殊规格和性能的钻具产品。
常用规格型号参数见下表:。
钻杆规格型号1. 引言钻杆作为油田钻井过程中的重要组成部分,起到了连通钻井井口和井底的作用。
钻杆规格型号的选择对于钻井过程的安全和效率起着至关重要的作用。
本文将介绍钻杆规格型号的定义、常见分类和选择注意事项。
2. 定义钻杆是指连接钻头和钻管的管状工具。
它由高强度钢材制成,具有耐磨、耐腐蚀、耐高温等特点。
钻杆的规格型号是指钻杆的各项参数,如直径、长度、螺纹类型等。
3. 常见分类根据不同的使用环境和要求,钻杆可以分为以下几种常见分类:3.1 钻杆直径钻杆直径是指钻杆的外径尺寸。
常见的钻杆直径有3英寸、4.5英寸、5英寸等。
不同直径的钻杆适用于不同的钻井作业和井眼尺寸。
3.2 钻杆长度钻杆长度是指钻杆的总长。
常见的钻杆长度有30英尺、40英尺、60英尺等。
钻杆的长度根据钻井井深和钻孔作业的需求进行选择。
3.3 钻杆螺纹类型钻杆螺纹类型是指钻杆连接部分的螺纹形状和参数。
常见的钻杆螺纹类型有API螺纹、IF螺纹等。
选择合适的钻杆螺纹类型可以确保钻杆的连接牢固和密封性良好。
4. 选择注意事项在选择钻杆规格型号时,需要考虑以下几个注意事项:4.1 钻井作业要求根据钻井作业的要求,确定钻杆直径和长度。
不同的作业要求可能需要不同直径和长度的钻杆。
4.2 井眼尺寸根据钻井井眼的尺寸选择合适直径的钻杆。
钻杆直径必须小于井眼尺寸,以确保钻杆能够顺利下入井眼。
4.3 井深根据钻井的井深选择合适长度的钻杆。
钻杆长度应该大于井深以确保钻杆能够完整地延伸到井底。
4.4 地质条件根据钻井地质条件选择合适的钻杆材质。
例如,在有强烈腐蚀性地质环境下,需要选择耐腐蚀性能较高的钻杆。
4.5 井口设备根据井口设备的要求选择合适的钻杆螺纹类型。
确保钻杆与井口设备的连接紧密,并能够良好地密封。
5. 结论钻杆规格型号的选择对于钻井作业的安全和效率至关重要。
正确选择钻杆直径、长度和螺纹类型,能够提高钻井作业的成功率和效率。
在选择时,应考虑钻井作业要求、井眼尺寸、井深、地质条件和井口设备等因素,并遵循相关标准和规范。
工程地质钻孔口径及钻具规格如下:
钻头类型:
钻杆钻头:直径为5-12毫米,一般用于岩石较硬的地质钻探,例如花岗岩、玄武岩等。
扣肋钻头:直径为42-45毫米,一般用于较软的地层钻探单元。
三角钻头:直径为28-45毫米,适用于基岩层近地表部分地质钻探。
切锥钻头:直径为46-65毫米,适用于岩石中硬度较高的区域地质钻探。
三刃钻头:直径为28-65毫米,适用于各种不同类型的地质钻探。
钻孔规格:
钻孔口径应根据钻探目的和钻进工艺确定。
采取原状土样的钻孔,口径不得小于91mm;仅需鉴别地层的钻孔,口径不宜小于36mm;在湿陷性黄土中,钻孔口径不宜小于150mm。
深度超过100mm的钻孔以及有特殊要求的钻孔包括定向钻进、跨孔法测量波速,应测斜、防斜,保持钻孔的垂直度或预计的倾斜度与倾斜方向。
对垂直孔,每50m测量一次垂直度,每深100m允许偏差为±2°。
对斜孔,每25m测量一次倾斜角和方位角,允许偏差应根据勘探设计要求确定。
钻孔斜度及方位偏差超过规定时,应及时采取纠斜措施。
钻进与护壁:
钻进方法应符合下列要求:对要求鉴别地层和取样的钻孔,均应用回转方式钻进,取得岩土样品。
遇到卵石、漂石、碎石、块石等类地层
不适用于回转钻进时,可改用振动回转方式钻进。
地质钻机300型参数引言地质钻机是一种用于地质勘探和矿产开发的重要设备。
地质钻机300型是目前市场上较为常见的一种型号,具有一系列优秀的性能和参数。
本文将对地质钻机300型的参数进行全面详细、完整且深入的介绍。
1. 基本参数地质钻机300型的基本参数如下:•钻孔直径范围:100-300毫米•钻孔深度范围:100-1000米•最大钻杆提升力:300千牛顿•钻杆直径:60毫米•钻杆长度:3米•钻机总重量:约5吨•外形尺寸:长×宽×高=5000×2000×2500毫米2. 钻进性能地质钻机300型具有出色的钻进性能,具体参数如下:•钻进速度:10-25米/小时•钻进转速范围:0-120转/分钟•钻进功率:75千瓦•钻进扭矩:≥3000牛·米3. 钻杆系统地质钻机300型采用的钻杆系统具有以下特点:•钻杆连接方式:螺纹连接•钻杆材质:高强度合金钢•钻杆长度:3米•钻杆直径:60毫米•钻杆数量:根据需要可自由组合4. 钻进控制系统地质钻机300型配备了先进的钻进控制系统,具有以下功能:•钻进深度自动控制•钻进速度自动控制•钻进转速自动控制•钻进扭矩自动控制•钻进参数实时监测与记录•故障自诊断与报警功能5. 钻进液系统地质钻机300型的钻进液系统具有以下参数:•钻进液类型:泥浆•钻进液泵流量:200-600升/分钟•钻进液泵压力:2-10兆帕6. 钻进主机地质钻机300型的钻进主机具有以下特点:•钻进主机类型:液压推进式•钻进主机功率:75千瓦•钻进主机转速范围:0-120转/分钟•钻进主机扭矩:≥3000牛·米7. 钻进附件地质钻机300型配备了多种钻进附件,以满足不同工况下的需求,常见的钻进附件包括:•钻头•钻铤•钻杆夹具•钻杆滑动卡盘•钻杆传动器8. 电源系统地质钻机300型的电源系统具有以下参数:•供电方式:柴油发电机组•发电机功率:75千瓦•电压:380伏特•频率:50赫兹9. 移动方式地质钻机300型具有较好的移动性能,可通过以下方式进行移动:•履带式底盘•拖车式底盘10. 安全保护系统地质钻机300型配备了完善的安全保护系统,包括:•钻杆断裂保护装置•钻进过程监控与报警系统•紧急停机按钮•防滑装置•防护罩结论地质钻机300型是一种性能优异的地质勘探设备,具有较大的钻孔直径范围、钻孔深度范围和钻进速度。
表A.1新钻杆性能(API标准钻杆)代号1代号2公称壁厚(mm)钢级加厚型式钻杆接头连接代号新钻杆内螺纹外径(mm)外螺纹内径(mm)近似重量(kg/m)上扣扭矩(kN.m)管体拉伸屈服(t)接头拉伸屈服(t)管体扭转屈服(kN.m)接头扭转屈服(kN.m)管体挤毁压力(MPa)管体最大内部压力(MPa)23/8 6.657.11G EU NC2685.7344.4510.58 5.5987.77142.2811.869.32150.57149.3627/810.409.19G EU NC31104.7850.8016.5010.70136.11224.8621.9317.84159.35159.52 27/810.409.19S EU NC31111.1341.2817.1913.67175.01282.9728.2022.79204.88205.10 31/213.309.35G EU NC38127.0061.9121.9117.93172.45321.1735.2129.88136.23133.21 31/213.309.35S EU NC38127.0053.9822.2221.56221.73382.1245.2735.93175.15171.27 414.008.38G IU NC40139.7061.9123.6224.21181.21406.9544.2040.35109.60104.52 414.008.38S IU NC40139.7050.8024.0229.50232.99489.9456.8349.16138.87134.39 41/216.608.56G IEU NC46158.7576.2027.7231.72209.91475.5658.4852.8795.3294.88 41/216.608.56S IEU NC46158.7569.8528.0436.09269.89537.0175.1860.14115.65121.99 519.509.19G IEU NC50168.2882.5532.9541.66251.21575.5978.1469.4489.6291.73 519.509.19S IEU NC50168.2869.8533.6051.57322.99703.84100.4785.95108.05117.93 51/221.909.17G IEU51/2FH184.1588.9037.6258.74277.58734.4796.2597.9174.1483.1651/221.909.17S IEU51/2FH190.5076.2039.2770.58356.89873.41123.76117.6487.42106.9251/224.7010.54G IEU51/2FH184.1588.9041.3358.74315.75734.47107.3997.9196.6295.6051/224.7010.54S IEU51/2FH190.5076.2042.9670.58405.96873.41138.07117.64117.37122.911表A.2一级钻杆性能(API标准钻杆)代号1代号2公称壁厚(mm)钢级钻杆接头连接代号一级钻杆最小接头外径(mm)最大接头内径(mm)偏磨内螺纹最小台肩宽度(mm)最小外径&最大内径上扣扭矩(kN.m)管体拉伸屈服(t)接头拉伸屈服(t)管体扭转屈服(kN.m)接头扭转屈服(kN.m)管体挤毁压力(MPa)管体最大内部压力(MPa)23/8 6.657.11G NC2683.3449.21 3.97 4.4468.34112.739.137.40129.13136.56 27/810.409.19G NC31100.0157.94 5.168.12105.75173.3816.8113.53137.29145.84 27/810.409.19S NC31103.1951.59 6.7510.43135.97219.4721.6217.39176.52187.52 31/213.309.35G NC38118.2770.64 6.3513.40134.72244.4827.2622.33115.97121.79 31/213.309.35S NC38122.2463.508.3317.10173.21307.9835.0528.51149.11156.59 414.008.38G NC40127.0074.617.1417.03142.36292.0534.5428.3980.1395.56 414.008.38S NC40131.7666.689.5321.66183.04366.3744.4136.1095.40122.86 41/216.608.56G NC46142.0888.907.5422.02165.21336.6245.8236.7065.2786.74 41/216.608.56S NC46146.8480.179.9228.79212.42434.4458.9147.9975.59111.53 519.509.19G NC50154.7896.048.7329.56197.83415.9161.2849.2760.4383.86 519.509.19S NC50160.3486.5211.5138.27254.36531.1378.7963.7869.15107.82 51/221.909.17G51/2FH170.66108.749.1337.07218.95474.5975.6761.7947.3376.03 51/221.909.17S51/2FH176.21100.0111.9147.06281.50595.3797.2978.4451.6897.75 51/224.7010.54G51/2FH172.24105.579.9240.46248.48519.6884.1367.4466.3787.40 51/224.7010.54S51/2FH178.5995.2513.1052.22319.47656.99108.1687.0377.06112.372表A.3二级钻杆性能(API标准钻杆)代号1代号2公称壁厚(mm)钢级钻杆接头连接代号二级钻杆最小接头外径(mm)最大接头内径(mm)偏磨内螺纹最小台肩宽度(mm)最小外径&最大内径上扣扭矩(kN.m)管体拉伸屈服(t)接头拉伸屈服(t)管体扭转屈服(kN.m)接头扭转屈服(kN.m)管体挤毁压力(MPa)管体最大内部压力(MPa)23/8 6.657.11G NC2682.5551.59 3.97 3.8358.9896.827.84 6.38117.16119.49 27/810.409.19G NC3198.4360.33 4.377.1991.16154.7214.4111.99124.88127.62 27/810.409.19S NC31101.6055.56 5.959.01117.21191.2918.5215.02160.57164.08 31/213.309.35G NC38116.6873.82 5.5611.66116.46214.0923.4719.43103.71106.57 31/213.309.35S NC38119.8668.267.1414.70149.74266.4030.1824.50126.84137.01 414.008.38G NC40124.6278.58 5.9514.56123.43251.7729.8724.2662.9883.62 414.008.38S NC40128.5972.237.9418.47158.69315.2238.4130.7872.53107.51 41/216.608.56G NC46139.7092.08 6.3519.38143.37298.5539.6932.3049.5475.90 41/216.608.56S NC46143.6785.738.3324.52184.33373.3651.0240.8754.6397.59 519.509.19G NC50152.40100.017.5425.71171.73364.3553.1042.8645.1773.38 519.509.19S NC50157.1692.089.9233.29220.80465.3868.2755.4748.8194.35 51/221.909.17G51/2FH167.48112.717.5431.67190.21416.3565.6452.7833.7866.53 51/221.909.17S51/2FH173.04105.5710.3240.79244.56519.6884.4067.9837.6885.53 51/224.7010.54G51/2FH169.86110.338.7335.18215.61451.5472.8658.6450.5376.48 51/224.7010.54S51/2FH174.63101.6011.1145.00277.22574.1693.6774.9955.9598.333表 B.1新钻杆性能(非API标准钻杆)代号1代号2公称壁厚(mm)钢级加厚型式钻杆接头连接代号新钻杆内螺纹外径(mm)外螺纹内径(mm)近似重量(kg/m)上扣扭矩(kN.m)管体拉伸屈服(t)接头拉伸屈服(t)管体扭转屈服(kN.m)接头扭转屈服(kN.m)管体挤毁压力(MPa)管体最大内部压力(MPa)27/810.409.19G EU NT2995.0050.8015.8812.06136.20154.0021.9020.10159.35159.52 27/810.409.19S EU NT2995.0050.8015.8812.06175.10154.0028.2020.10204.88205.10 27/810.409.19S EU NC31104.8050.8016.5010.70175.01224.8628.2017.84204.88205.10 31/213.309.35G EU PD29101.6050.8019.7712.00172.50216.9035.2020.00136.23133.21 31/213.309.35S EU PD29101.6050.8019.7712.00221.80216.9045.2020.00175.15171.27 414.008.38G IU PD39130.0065.1022.7123.32181.30339.0044.2038.87109.60104.52 414.008.38S IU PD39130.0061.9022.7925.20233.80366.9056.8042.00138.87134.39 519.509.19S IEU NC50168.2882.5532.9541.66323.20575.90100.4069.44108.05117.93 519.509.19G EUE NC52173.0488.9032.9544.52251.21592.0078.1474.2089.6291.73 521.909.65S EUE NC52172.0088.9036.6244.73337.9592.79104.2974.55118.96123.77 524.1010.92V EUE NC52172.0088.9041.0148.46420.26642.19127.1880.77162.57155.63 519.509.19S IEU BHDS50168.3082.6034.9753.47322.99575.98100.4789.11108.05117.93 51/223.909.65S IEU BHDS55184.20101.6040.9656.8374.47574.55128.8894.6697.88112.52 51/223.909.65S IEU BHDS55184.2095.3041.1566.3374.47657.43128.88110.597.88112.524表B.2一级钻杆性能(非API标准钻杆)代号1代号2公称壁厚(mm)钢级钻杆接头连接代号一级钻杆最小接头外径(mm)最大接头内径(mm)偏磨内螺纹最小台肩宽度(mm)最小外径&最大内径上扣扭矩(kN.m)管体拉伸屈服(t)接头拉伸屈服(t)管体扭转屈服(kN.m)接头扭转屈服(kN.m)管体挤毁压力(MPa)管体最大内部压力(MPa)27/810.409.19G NT2990.0052.00 3.809.30105.75145.0016.8115.50137.29145.84 27/810.409.19S NT2992.0052.00 4.8010.50135.97145.0021.6117.50176.52187.52 27/810.409.19S NC31103.2050.807.7510.68135.97220.7221.6217.80176.52187.52 31/213.309.35G PD2998.0053.00 5.409.70134.72201.0027.2616.17115.97121.79 31/213.309.35S PD2998.0053.00 5.409.70173.21201.0035.0416.17149.11156.59 414.008.38G PD39124.0067.007.2019.40142.36323.0034.5332.3380.1395.56 414.008.38S PD39126.0065.108.2021.80183.04339.0044.4036.3395.40122.86 519.509.19S NC50160.3486.5211.5138.27254.36531.1378.7963.7869.15107.82 519.509.19G NC52165.1092.5010.8539.40197.83549.0061.2865.6760.4383.86 521.909.65S NC52162.4088.9011.135.89265.87475.3381.6959.8278.41113.16 524.1010.92V NC52162.4088.9011.138.88329.88514.9499.2464.81118.85125.74 519.509.19S BHDS50155.1082.6010.142.77254.36416.6778.7971.2969.15107.82 51/223.909.65S BHDS55168.50101.609.2545.44295.13422.12101.275.7360.52102.88 51/223.909.65S BHDS55170.8095.3010.453.04295.13473.86101.288.460.52102.885表B.2二级钻杆性能(非API标准钻杆)代号1代号2公称壁厚(mm)钢级钻杆接头连接代号二级钻杆最小接头外径(mm)最大接头内径(mm)偏磨内螺纹最小台肩宽度(mm)最小外径&最大内径上扣扭矩(kN.m)管体拉伸屈服(t)接头拉伸屈服(t)管体扭转屈服(kN.m)接头扭转屈服(kN.m)管体挤毁压力(MPa)管体最大内部压力(MPa)27/810.409.19G NT2989.0053.00 3.308.5091.16138.9014.4114.17124.88127.62 27/810.409.19S NT2991.0053.00 4.309.60117.21138.9018.5216.00160.57164.08 27/810.409.19S NC31101.6050.80 6.959.64117.21198.9918.5216.07160.57164.08 31/213.309.35G PD2995.0055.00 3.907.50116.46187.0023.4712.50103.71106.57 31/213.309.35S PD2996.0055.00 4.408.20149.74187.0030.1813.67126.84137.01 414.008.38G PD39122.0069.00 6.2017.10123.43305.0029.8728.5062.9883.62 414.008.38S PD39124.0067.007.2019.40158.69323.0038.4132.3372.53107.51 519.509.19S NC50157.1692.089.9233.29220.80465.3868.2755.4748.8194.35 519.509.19G NC52161.9295.009.9233.90220.8465.3861.2856.5045.1773.38 521.909.65S NC52159.7088.909.7531.38230.7417.2870.7452.2957.1699.02 524.1010.92V NC52159.7088.909.7533.99285.88452.0585.7856.6592.49110.02 519.509.19S BHDS50151.2082.608.1537.43220.8337.4768.2762.3848.8194.34 51/223.909.65S BHDS55165.10101.607.5539.76256.29346.9187.7466.2642.9190.02 51/223.909.65S BHDS55166.8095.308.4046.41256.29384.3187.7477.3542.9190.026注:1、代号1为钻杆管体规格的无量纲名称;代号2为钻杆管体单位长度质量的无量纲名称;2、一级钻杆其壁厚最小为公称壁厚的80%;二级钻杆其壁厚最小为公称壁厚的70%;3、表中所列的性能值不包括安全因素,通常基于单一载荷条件,例如只受拉力。
地质钻机300型参数地质钻机300型是一种用于地质勘探和钻探作业的专业设备,具有一系列独特的参数和特点。
本文将围绕地质钻机300型的参数展开介绍,内容包括机型尺寸、钻杆直径、最大钻孔深度、钻进速度、动力来源等方面。
一、机型尺寸地质钻机300型的机型尺寸是指其长度、宽度和高度等方面的尺寸参数。
一般来说,该型号地质钻机的尺寸为长x宽x高,单位为米。
具体数值会根据不同的生产厂家和配置有所差异,但一般在合理范围内,以满足操作需求为主。
二、钻杆直径地质钻机300型的钻杆直径是指用于进行钻探作业的钻杆的直径尺寸。
钻杆直径的大小直接影响着钻孔的直径和钻探效果。
一般来说,地质钻机300型的钻杆直径为几毫米至几十毫米不等,具体数值根据不同的需求和地质条件选择。
三、最大钻孔深度地质钻机300型的最大钻孔深度是指该型号地质钻机可以达到的最大钻孔深度。
这个参数通常与地质钻机的结构设计和动力源有关。
一般来说,地质钻机300型的最大钻孔深度在几十米至几百米之间,具体数值也会根据不同的配置和需求有所差异。
四、钻进速度地质钻机300型的钻进速度是指该型号地质钻机在进行钻探作业时的钻进速度。
钻进速度的快慢直接影响到钻孔的进展和作业效率。
一般来说,地质钻机300型的钻进速度在几十米至数百米每小时之间,具体数值会根据不同的地质条件、岩石硬度和钻杆直径等因素进行调整。
五、动力来源地质钻机300型的动力来源是指该型号地质钻机所采用的动力装置。
常见的动力来源包括电动机、柴油机等。
电动机动力源通常适用于室内或有电源供应的场所,柴油机动力源则适用于户外或无电源供应的场所。
不同的动力来源具有各自的特点和适用范围,根据实际需求选择适合的动力来源非常重要。
在实际的地质勘探和钻探作业中,地质钻机300型的参数是决定其性能和适用范围的重要指标。
合理的机型尺寸和钻杆直径可以满足作业需求;最大钻孔深度和钻进速度直接影响作业效率;动力来源的选择则关系到设备的可用性和适应性。
煤矿用钻杆规格参数1. 引言煤矿是煤炭资源的主要开采地点,钻杆作为其中重要的工具之一,扮演着关键的角色。
本文将详细介绍煤矿用钻杆的规格参数及其相关信息。
2. 钻杆概述钻杆是一种用于在地下进行钻孔作业的工具,通常由钢铁制成。
它由多个相互连接的管节组成,形成一个整体。
根据不同的需求和使用场景,钻杆可以有多种规格参数。
3. 钻杆规格参数3.1 钻杆长度钻杆长度是指整根钻杆的总长度,通常以米(m)为单位。
不同类型的煤矿和不同的作业需求对钻孔深度有不同要求,因此需要根据具体情况选择适当长度的钻杆。
3.2 钻杆直径钻杆直径是指钻杆截面圆形管节的直径,通常以毫米(mm)为单位。
直径越大,整体强度越高,但也会增加操作难度和成本。
因此,在选择时需要考虑煤矿的具体情况和作业需求。
3.3 钻杆类型根据具体的使用场景和需求,钻杆可以分为不同类型。
常见的钻杆类型包括普通钻杆、扩孔钻杆、岩心取心钻杆等。
不同类型的钻杆适用于不同的作业任务,因此在选择时需要根据实际需求进行合理选择。
3.4 钻杆连接方式钻杆的连接方式通常有螺纹连接和锁定连接两种。
螺纹连接是指通过螺纹将两根钻杆连接在一起,锁定连接则是通过特殊的装置将两根钻杆锁定在一起。
选择合适的连接方式可以提高工作效率和安全性。
3.5 钻杆耐磨性能由于地下煤矿环境恶劣,钻孔过程中会产生大量摩擦和磨损。
因此,钻杆的耐磨性能是一个重要参数。
常见的提高钻杆耐磨性能的方法包括采用高硬度合金或表面涂层等。
3.6 钻杆强度地下煤矿作业环境复杂,钻杆需要具备足够的强度来应对各种挑战。
钻杆的强度通常通过抗拉强度来衡量,单位为兆帕(MPa)。
在选择钻杆时,需要根据实际作业需求和地质条件选择合适的强度等级。
3.7 钻杆重量钻杆的重量直接影响操作的便捷性和工作效率。
过重的钻杆会增加操作难度和劳动强度,因此在选择时需要平衡重量和强度之间的关系。
4. 其他注意事项4.1 安全使用在使用钻杆时,必须严格遵守相关安全规定和操作规程,确保操作人员的人身安全。
塔里木油田常用钻具技术参数查询
(钻井队版)2013-717修改
1、钻杆技术参数
表1 钻杆工作参数
表2 钻杆强度
表3 钻杆接头尺寸和扣型
表4 常用钻杆分级规定
注:1.塔里木油田范围内三级钻杆停用,分级管体壁厚比行标提高3-5个百分点;
2.*表示非标,目前塔里木油田所用的4 "、41/2"、5″、51/2"钻杆均有采用非标制造。
2、铝合金钻杆
表5铝合金钻杆技术参数
3、方钻杆
表6 方钻杆规范4、钻铤
表7 钻铤规范
注:螺旋钻铤开排减少4%,闭排=内体积+开排×96%
5、加重钻杆
表8加重钻杆规格尺寸
6、扶正器
表9 稳定器基本尺寸mm
7、紧扣扭矩
推荐紧扣扭矩
二、其他说明:
1、上表中推荐的钻具螺纹紧扣扭矩单位为KN· m;
2、如液压动力钳配备有KN·m单位的仪表,应该按照KN·m推荐数值紧扣;如液压动力钳未配备有KN·m单位的仪表,可参照Mpa单位紧扣;
3、本体尺寸7"及以下规格钻具严禁使用无任何指示仪表(扭矩、压力)的液压动力钳上卸扣,本体尺寸7"以上钻具应使用带扭矩指示的猫头紧扣;
4、严禁使用未经检验校检的液压动力钳紧扣;
3、液压动力钳扭矩KN.m与压力Mpa单位对照关系:
(1)ZQ100型液压钻杆动力钳KN.m与Mpa对照关系约为6:1;
(2)XQ140 /12YA型油管液压动力钳KN.m与Mpa对照关系为1:1。
8、钻杆扭转圈数
表11 常用钻杆扭转圈数。
塔里木油田常用钻具技术参数查询(钻井队版2014-9-29修改)1、钻杆技术参数表1 钻杆工作参数表2 钻杆强度表3 钻杆接头尺寸和扣型表4 常用钻杆分级规定注:1.塔里木油田范围内三级钻杆停用,分级管体壁厚比行标提高3-5个百分点;2.*表示非标,目前塔里木油田所用的4 "、41/2"、5″、51/2"钻杆均有采用非标制造。
2、铝合金钻杆表5铝合金钻杆技术参数3、方钻杆4、钻铤表7 钻铤规范注:螺旋钻铤开排减少4%,闭排=内体积+开排×96%5、加重钻杆表8加重钻杆规格尺寸加重钻杆接头分级数据加重钻杆接头允许磨损量6、扶正器表9 稳定器基本尺寸mm钻具稳定器工作外径分级尺寸钻铤及钻具稳定器大钳空间均匀磨损后最小外径及偏磨限定尺寸7、紧扣扭矩推荐紧扣扭矩钻具稳定器分级数据二、其他说明:1、上表中推荐的钻具螺纹紧扣扭矩单位为KN· m;2、如液压动力钳配备有KN·m单位的仪表,应该按照KN·m推荐数值紧扣;如液压动力钳未配备有KN·m单位的仪表,可参照Mpa单位紧扣;3、本体尺寸7"及以下规格钻具严禁使用无任何指示仪表(扭矩、压力)的液压动力钳上卸扣,本体尺寸7"以上钻具应使用带扭矩指示的猫头紧扣;4、严禁使用未经检验校检的液压动力钳紧扣;3、液压动力钳扭矩KN.m与压力Mpa单位对照关系:(1)ZQ100型液压钻杆动力钳KN.m与Mpa对照关系约为6:1;(2)XQ140 /12YA型油管液压动力钳KN.m与Mpa对照关系为1:1。
8、钻杆扭转圈数表11 常用钻杆扭转圈数11塔里木油荐12说明:1、推荐的钻压一般是指近钻头钻铤所承受的钻压;2、推荐的转速一般是指钻铤所承受的最高转速;3、推荐的扭矩是正常钻进时的相对扭矩,超过该扭矩时必须降低钻压;4、顶驱扭矩设置是顶驱扭矩设置的最大扭矩。
钻具中心张琦编制。
产品直径(mm)长度(mm)螺纹形式生产工艺连接形式钻孔深度备注地质钻杆Φ34 1000 锥形螺纹摩擦焊公母连接Φ34 1000 矩形螺纹摩擦焊公母连接Φ42 1000 锥形螺纹摩擦焊公母连接Φ42 1000 矩形螺纹摩擦焊公母连接Φ42 1000 矩形螺纹本体车螺纹接头连接Φ50 750 六方插接摩擦焊公母连接Φ50 1000 锥形螺纹摩擦焊公母连接Φ50 1390 矩形螺纹本体车接头连接Φ50 1000 六方插接B35 摩擦焊公母连接Φ50 1000 锥形螺纹摩擦焊公母连接Φ63.5 500-3000 锥形螺纹摩擦焊公母连接Φ73 1000 锥形螺纹摩擦焊公母连接详细介绍临清市瑞龙钻具有限公司生产的地质钻杆,又称防英钻杆、地质合金钻杆或煤矿坑道常规钻杆,包含石油钻探用直径89mm以下的勘探钻杆和矿山开采用潜孔钻杆。
主要特点是钻杆为外平结构,由不同规格的钢管焊接钻杆接头加工成锥度螺纹或矩形螺纹,首尾连接使用。
本类产品的优势为:杆体采用优质地质专用合金钢管,钻杆接头选用优质合金结构钢,经高压成型、真空调质处理,摩擦焊焊接而成。
螺纹加工采用先进的自动化数控加工设备,有效保证了每件产品的加工精度。
先摩擦焊然后进行螺纹加工的先进生产工艺,保证深孔钻进时钻杆多根连接的最佳同轴度标准。
与同类产品相比,产品具有抗弯强度高、旋转扭矩大、运转平稳的特点。
我公司生产的地质钻杆,根据规格型号的不同选用不同的材质生产而成。
直径34-50mm的,采用DZ50(45Mn2四五锰二),直径60-89mm的采用R780(36Mn2v三六猛二钒)和R780(42Mnmo7四二锰钼七)为钻杆杆体为材料,钻杆接头采用优质合金结构钢42CrmoA(四二铬钼A)材料。
地质钢管供应商为湖南衡钢和上海宝钢,钻杆接头材料为西宁特钢。
执行标准为:中华人民共和国煤炭部行业标准MT/T521-2006煤矿坑道钻探用常规钻杆。
应用领域:石油勘探、瓦斯抽放、探水钻探、煤矿坑道钻探、高铁、隧道、桥梁、公路勘探。
钻杆的内径尺寸规格详细列表钻杆是一种常用于石油、天然气勘探和钻井作业的工具。
它由多节钻杆组成,通常用于将钻头和钻井液输送到井底,并将岩层样本带回地面。
钻杆的内径尺寸规格对于钻井作业的安全和效率至关重要。
下面是钻杆的内径尺寸规格详细列表:1. NQ 钻杆:内径尺寸为47.6毫米(1.875英寸)。
NQ 钻杆通常用于浅井勘探和岩芯钻探。
2. HQ 钻杆:内径尺寸为63.5毫米(2.5英寸)。
HQ 钻杆适用于中等深度的岩心钻探和水井钻探。
3. PQ 钻杆:内径尺寸为85毫米(3.35英寸)。
PQ 钻杆通常用于深井勘探和岩心钻探。
4. AW 钻杆:内径尺寸为44.5毫米(1.75英寸)。
AW 钻杆适用于浅层水井钻探和环境监测。
5. BW 钻杆:内径尺寸为54毫米(2.125英寸)。
BW 钻杆常用于中等深度水井钻探和土壤样本采集。
6. NW 钻杆:内径尺寸为75.7毫米(2.98英寸)。
NW 钻杆适用于中等深度水井钻探和岩心钻探。
7. HW 钻杆:内径尺寸为98.4毫米(3.87英寸)。
HW 钻杆通常用于深井钻探和大直径岩心钻探。
8. 2 7/8英寸钻杆:内径尺寸为73.02毫米(2.875英寸)。
2 7/8英寸钻杆适用于中等深度的油气井钻探。
9. 3 1/2英寸钻杆:内径尺寸为88.9毫米(3.5英寸)。
3 1/2英寸钻杆常用于深井油气井钻探。
10. 4 1/2英寸钻杆:内径尺寸为114.3毫米(4.5英寸)。
4 1/2英寸钻杆适用于大直径油气井钻探。
以上是钻杆的内径尺寸规格详细列表。
不同规格的钻杆适用于不同深度和类型的钻井作业,根据具体需求选择合适的钻杆尺寸可以提高钻井作业的效率和安全性。
在实际作业中,工程师和钻井专家会根据地质条件和工作要求选择合适的钻杆规格。
730mm钻杆参数表
【原创实用版】
目录
1.钻杆概述
2.730mm 钻杆的参数
3.参数详解
4.结论
正文
一、钻杆概述
钻杆是石油钻探、地质勘探等钻井作业中必不可少的设备之一,主要用于传递动力、旋转钻头并承受钻压。
根据不同的钻井需求,钻杆有不同的尺寸和规格。
本文主要介绍一款直径为 730mm 的钻杆参数。
二、730mm 钻杆的参数
730mm 钻杆的具体参数如下:
1.直径:730mm
2.壁厚:根据不同长度和用途,壁厚有所不同,一般在 50mm-100mm 之间。
3.长度:根据不同钻井需求,长度可在 10m-30m 之间定制。
4.材质:采用高强度、高韧性的合金钢,如 4140、4130 等。
5.螺纹:采用标准 API 螺纹,以确保与钻井设备兼容。
6.接头:采用 API 标准接头,方便连接和拆卸。
三、参数详解
1.直径:730mm 的钻杆直径适用于各种大型钻井设备,可满足不同的
钻井需求。
2.壁厚:合理的壁厚设计可以保证钻杆在承受钻压时具有足够的强度和稳定性,同时也能降低钻杆的重量,提高钻井效率。
3.长度:根据钻井深度和地层条件,钻杆长度可在 10m-30m 之间定制。
4.材质:采用高强度、高韧性的合金钢制造,可以保证钻杆在钻井过程中具有足够的抗弯强度和抗拉强度,提高钻井安全性。
5.螺纹:API 螺纹标准可以确保钻杆与钻井设备的连接稳定性和可靠性。
6.接头:API 标准接头便于钻杆的连接和拆卸,提高钻井作业效率。
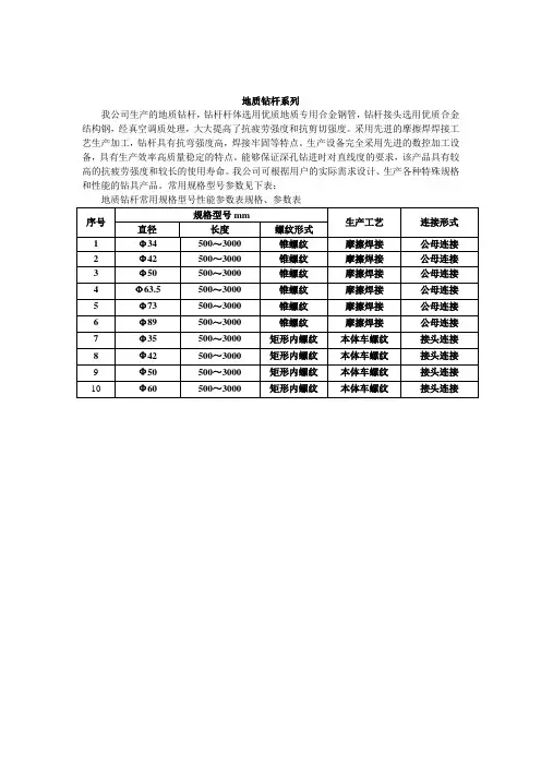
地质钻杆系列
地质钻杆系列
我公司生产的地质钻杆,钻杆杆体选用优质地质专用合金钢管,钻杆接头选用优质合金结构钢,经真空调质处理,大大提高了抗疲劳强度和抗剪切强度。
采用先进的摩擦焊焊接工艺生产加工,钻杆具有抗弯强度高,焊接牢固等特点。
生产设备完全采用先进的数控加工设备,具有生产效率高质量稳定的特点。
能够保证深孔钻进时对直线度的要求,该产品具有较高的抗疲劳强度和较长的使用寿命。
我公司可根据用户的实际需求设计、生产各种特殊规格和性能的钻具产品。
常用规格型号参数见下表:
地质钻杆常用规格型号性能参数表(中文版)
规格、参数表。