产品制造行业控制程序
- 格式:doc
- 大小:353.00 KB
- 文档页数:10
产品监视与测量控制程序概述产品监视与测量控制程序(Product Monitoring and Measurement Control Program, PMMCP)是一种高效、准确、安全的质量控制工具,能够帮助产品制造商管理产品的质量、提高产品的可靠性、降低产品的风险和成本,并且提升客户的满意度和信任度。
PMMCP可以监视和控制产品的关键参数和性能指标,及时发现和纠正生产过程中的异常情况和问题,确保产品的符合规格和标准,满足用户的需求和期望。
功能监视功能PMMCP可以监视产品的各项关键参数和性能指标,包括但不限于:温度、湿度、压力、流量、速度、功率、电流、电压、频率、动态响应等。
用户可以根据自己的需求和要求,设置监视参数和监视范围,选择监视方式和监视周期,并设定监视报警规则和触发机制。
当产品的监视参数发生异常时,PMMCP会立即发出警报并记录相应的数据和事件,并及时通知相关的人员和部门。
PMMCP还支持远程监视和远程报警功能,可以通过网络或云端实时查看和管理产品的监视情况。
测量控制功能PMMCP可以控制产品的生产过程和性能调整,通过自动化和人工干预等方式,实时测量和调整产品的关键参数和性能指标,确保产品的符合规格和标准。
用户可以根据自己的需求和要求,设置测量参数和测量范围,选择测量方式和测量周期,并设定测量控制规则和触发机制。
当产品的测量控制参数达到或超过规定的范围时,PMMCP会自动发出报警信号并进行相应的控制操作,如关闭某些设备、终止某些操作、提醒操作员等。
PMMCP还支持远程测量控制功能,可以通过网络或云端远程控制产品的生产和性能过程。
数据分析功能PMMCP可以对产品的监视、测量、控制和操作数据进行实时分析和统计,提供各种报表和图表展示,帮助用户快速定位问题和优化过程,提高整个生产系统的效率和质量。
用户可以自定义数据分析模板和参数,选择分析方式和周期,并设定分析规则和结果输出方式。
当产品的关键性能指标达到或超过规定的标准时,PMMCP会自动发出警报并进行相应的数据分析操作,如生成报表、发送邮件、导出数据等。
产品质量控制流程产品质量控制流程是一个企业为保证产品质量而制定的一系列控制步骤和程序。
下面将介绍一个常见的产品质量控制流程:1. 设定产品质量标准:企业首先需要明确产品质量标准,包括性能、外观、尺寸等各项指标。
这些标准通常基于客户需求、行业标准和法规要求。
2. 原材料采购:企业需要建立供应商评估机制,选择可靠的供应商,并确保原材料的质量符合标准。
在采购过程中,可以进行取样检验、物理性能测试等,以确保原材料符合质量要求。
3. 生产过程控制:生产环节是产品质量控制的重要环节。
企业应建立严格的生产流程和操作规范,确保每一道工序都按照标准进行。
包括设备的校验与维护、操作员的培训与管理等。
4. 在线检验:在生产过程中,应设立在线检验点,对产品进行抽检,确保产品的关键指标符合标准。
在发现问题时,及时纠正并追溯产生问题的原因。
5. 终检:完成产品生产后,进行终检,对产品进行全面检查。
包括性能测试、外观检查、尺寸测量等,以确保产品全部符合质量要求。
6. 售后服务:产品交付后,企业应设立售后服务部门,及时跟踪用户对产品的反馈,并对出现的问题进行调查和处理。
同时,对产品的寿命、维修情况等进行统计和分析,为改进产品提供依据。
7. 不良品管理:企业应建立不良品管理制度,对于不符合质量标准的产品进行分类、记录和分析,确保合格品与不良品的正常流向,以及持续改进产品质量。
8. 品质审核:企业需要定期进行品质审核,回顾和评估产品质量控制的有效性。
通过内部审核、外部审核等方式,识别问题和改进机会,持续提升产品质量。
9. 风险控制:企业应建立风险评估和控制机制,识别潜在的问题和风险,采取相应措施进行控制和预防。
10. 不断改进:产品质量控制流程是一个不断改进的过程。
通过总结经验教训、引入新技术和方法,持续改进产品质量控制流程,提高产品质量。
以上是一个常见的产品质量控制流程。
企业在实施时可根据自身情况进行调整和完善,以确保产品质量和客户满意度。
产品质量控制程序
标题:产品质量控制程序
引言概述:
产品质量控制程序是企业保证产品质量的重要手段,通过严格的质量控制程序,可以确保产品符合标准和客户需求,提高产品的竞争力和市场份额。
本文将从五个方面详细介绍产品质量控制程序的重要性和实施方法。
一、质量标准的制定
1.1 确定产品质量标准的重要性
1.2 制定质量标准的原则和方法
1.3 定期审查和更新质量标准
二、原材料采购和检验
2.1 选择合格的供应商
2.2 制定原材料采购标准
2.3 对原材料进行严格的检验和把关
三、生产过程控制
3.1 设立生产控制点
3.2 实施生产过程监控
3.3 及时调整生产过程,确保产品质量稳定
四、产品检验和测试
4.1 制定产品检验计划
4.2 实施产品检验和测试
4.3 对不合格产品进行处理和改进
五、质量反馈和改进
5.1 采集客户反馈和投诉
5.2 分析质量问题的原因
5.3 制定改进计划并持续优化产品质量
结论:
产品质量控制程序是企业保证产品质量的重要保障,通过严格执行质量控制程序,可以有效提升产品质量,提高客户满意度,增强企业竞争力。
企业应该根据自身情况和产品特点,制定符合实际情况的质量控制程序,并不断完善和优化,以确保产品质量和市场竞争力的持续提升。
生产提供控制程序生产提供控制程序是指在生产过程中,为了保证生产效率、质量和安全,对生产供应链进行控制和管理的一种程序。
该控制程序可以包括控制设备、流程、人员和资源,并通过优化调度和监控等手段,提高生产的效率和品质,同时保障食品和药品等产品的安全和合规性。
一、控制程序的作用生产提供控制程序是企业管理的重要组成部分,具有以下作用:1. 提高生产效率:通过合理调度和分配资源,优化生产流程,减少生产环节中的浪费,提高生产效率和产出。
2. 保证产品质量:通过设定产品质量标准和控制点,对生产过程进行监控和调控,确保产品质量符合规定的要求。
3. 保障生产安全:建立安全控制措施和应急预案,采取风险评估和监控手段,保障生产过程的安全。
4. 实现供应链协同:通过控制程序,企业可以与供应商、生产部门和销售部门之间实现信息共享和协同,提高供应链的反应速度和灵活性。
二、控制程序的要素一个完整的生产提供控制程序包括以下要素:1. 质量管理:通过建立质量检查点、标准和程序,对生产过程进行质量控制和管理。
2. 过程监控:通过对生产过程的实时监测,获取实时数据,并进行分析和反馈,及时调整生产参数和控制手段。
3. 资源调度:根据生产计划和资源需求,制定合理的生产调度和资源分配方案。
4. 风险评估:对生产过程中可能存在的风险进行评估和控制,建立相应的风险防控机制。
5. 安全管理:采取措施确保生产过程的安全,包括设备维护、操作规范和员工培训等。
6. 供应链协同:建立与供应商和销售部门的信息共享渠道,实现供应链的协同和优化。
三、控制程序的实施步骤1. 制定控制目标:根据企业的生产需求和目标,明确控制程序的目标和指标。
2. 设计控制方案:综合考虑资源、技术和成本等因素,制定适合企业的控制方案。
3. 实施控制措施:按照设计的控制方案,对生产供应链的各个环节进行控制和管理。
4. 监控和反馈:通过实时获取生产数据和监控指标,及时反馈生产情况,并对异常情况进行处理。
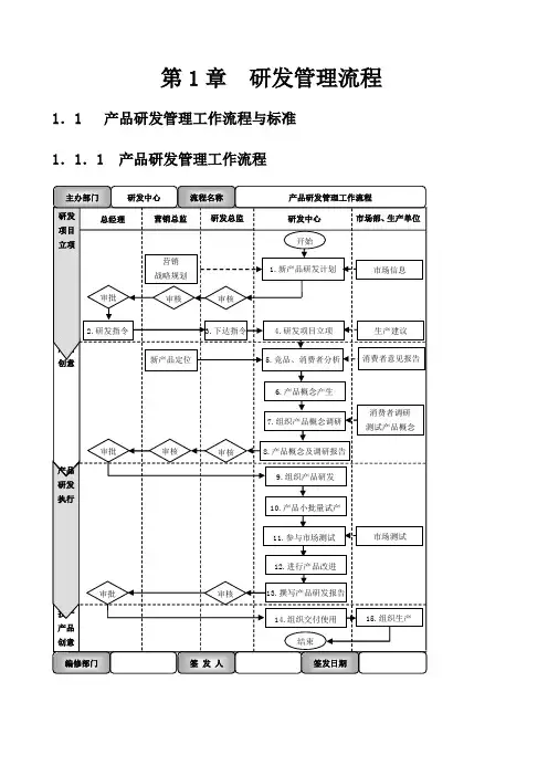
第1章研发管理流程1.1 产品研发管理工作流程与标准1.1.1 产品研发管理工作流程1.1.2 产品研发管理工作标准第2章采购管理流程2.1 物料采购管理工作流程与标准2.1.1 物料采购管理工作流程2.1.2 物料采购管理工作标准第3章生产管理流程3.2 生产计划安排工作流程与标准3.2.1 生产计划安排工作流程3.2.2 生产计划安排工作标准第4章质量管理流程4.1 生产质量管控工作流程与标准4.1.1 生产质量管控工作流程4.1.2 生产质量管控工作标准第5章仓储与库存管理流程5.2 物料库存管理工作流程与标准5.2.1 物料库存管理工作流程5.2.2 物料库存管理工作标准第6章财务管理流程6.2 内部审计管理工作流程与标准6.2.1 内部审计管理工作流程6.2.2 内部审计管理工作标准第7章行政人事管理流程7.1 办公用品采购工作流程与标准7.1.1 办公用品采购工作流程7.1.2 办公用品采购工作标准第二部分用制度规范第8章产品研发与生产技术管理制度8.1 产品研发管理制度8.1.1 新产品研发管理制度8.2 生产技术管理制度8.2.3 工艺文件管理制度第9章物料管控制度9.1 物料采购与存储制度9.1.1 物料采购管理制度9.2 物料使用与盘点制度9.2.1 物料使用管理制度第10章设备与安全管理制度10.1 设备管理制度10.1.2 生产设备使用管理办法10.2 安全管理制度10.2.3 文明生产暂行规定第11章质量管理制度11.1 质量检查与检验制度11.1.1 质量日常检查制度11.2 质量问题管理制度11.2.1 不合格品管理办法第12章现场管理制度12.1 车间管理制度12.1.2 车间生产管理办法12.2 生产作业与调度管理制度12.2.1 生产作业安排管理办法第13章财务管理制度13.1 预算与审计管理制度13.1.1 财务预算管理制度13.2 成本核算与报销管理制度13. 2.1 成本核算管理办法。
生产设备控制程序
生产设备控制程序是一种用于管理和监控生产设备运行的软件系统。
它通过控制设备的参数、监测设备的状态和实时数据,来提高生产效率、优化生产过程,达到节能、节材、降本增效的目的。
生产设备控制程序可用于各种生产行业,如汽车制造、电子制造、食品加工、化工等领域。
生产设备控制程序通常包括以下几个主要功能模块:
1. 参数设置模块:通过该模块可以对生产设备的参数进行设定,如设备运行速度、温度、压力等参数。
2. 运行监控模块:该模块用于监控设备的运行状态,实时显示设备的运行情况,如运行时间、运行速度、温度、压力等实时数据。
3. 报警管理模块:当设备出现异常状态时,系统可以实时发出报警通知,以便及时采取措施进行处理,保证设备安全稳定运行。
4. 数据统计分析模块:通过对设备运行数据进行统计和分析,可以帮助企业管理者了解设备的运行状况,优化生产过程,提高生产效率。
生产设备控制程序的开发需要结合实际的生产场景和设备特点,通过与设备的联动,实现对设备的智能控制,从而提高生产效率,降低生产成本,提升产品质量。
随着工业智能化的不断推
进,生产设备控制程序将会扮演越来越重要的角色,成为工业生产的核心技术之一。
sop生产制造标准作业流程
标准操作程序(SOP)是一种管理工具,用于规范公司或组织的日常操作。
在中医药行业中,SOP被广泛应用于生产制造、质量控制、临床操作等各个环节。
以下是一些具体的例子:
1. 生产制造:在中药生产过程中,SOP用于规范原材料的采购、检验、加工、包装、贮存等各个环节的操作。
例如,SOP可能会规定原材料的采购标准、检验方法、加工工艺、包装材料、贮存条件等。
2. 质量控制:在中药质量控制过程中,SOP用于规范检验方法、结果判断、记录报告等各个环节的操作。
例如,SOP可能会规定检验项目、检验方法、结果判断标准、记录格式、报告内容等。
3. 临床操作:在中医药临床操作过程中,SOP用于规范诊断方法、治疗方案、病历记录等各个环节的操作。
例如,SOP可能会规定诊断标准、治疗方法、处方格式、病历记录内容等。
4. 培训教育:在中医药培训教育过程中,SOP用于规范培训内容、教学方法、考试评估等各个环节的操作。
例如,SOP可能会规定培训内容、教学方法、考试标准、评估方法等。
5. 质量管理:在中医药质量管理过程中,SOP用于规范质量管理体系的建立、运行、维护等各个环节的操作。
例如,SOP可能会规定质量管理体系的建立步骤、运行规则、维护方法等。
某公司生产管制控制程序简介某公司生产管制控制程序是为了确保公司生产过程中的质量、安全和效率而制定的一套管理规定和程序。
该程序涵盖了从原材料采购到最终产品出厂的全过程管控,旨在提高产品质量,降低生产成本,提升公司竞争优势。
本文将详细介绍某公司生产管制控制程序的主要内容和执行流程。
目的某公司生产管制控制程序的主要目的包括但不限于:•确保生产过程中的质量符合相关标准和规范要求。
•提高生产效率,降低生产成本。
•保证产品安全,减少生产事故发生的可能性。
•建立稳定的生产管理体系,提升公司形象和信誉。
主要内容某公司生产管制控制程序主要包括以下内容:原材料采购管控•确保所有原材料均按照规定要求进行采购,记录采购信息并留存备查。
•对原材料进行严格质量检验,确保符合公司的质量要求。
生产过程控制•制定详细的生产计划和生产流程,确保生产过程有序进行。
•对生产设备进行定期维护和保养,确保设备正常运转。
•实施过程控制和质量检验,发现问题及时采取措施纠正。
产品质量控制•对成品产品进行全面检测,确保产品质量稳定。
•持续改进生产工艺和产品技术,提高产品质量。
库存管理•管理好半成品和成品的库存,避免库存积压和过期。
•定期盘点库存,确保库存信息准确可靠。
执行流程某公司生产管制控制程序的执行流程如下:1.原材料采购:生产部门向采购部门提供采购需求信息,采购部门选择合适的供应商进行采购。
2.生产过程控制:生产部门根据生产计划进行生产,生产过程中进行过程控制和质量检验。
3.产品质量控制:质量部门对成品产品进行全面检测,合格产品进入下一环节,不合格产品进行返工或报废处理。
4.库存管理:仓储部门对库存进行管理,及时调整库存量,避免库存积压。
结论某公司生产管制控制程序是保障公司生产过程中质量、安全和效率的重要保障措施。
通过严格的管控程序和执行流程,公司可以实现优质产品的生产,提高公司竞争力和市场份额。
公司的每一位员工都应严格按照管控程序执行,确保公司生产过程的顺利进行和产品质量的稳定提升。
生产控制程序概述生产控制程序是用于管理和控制生产流程的软件程序。
它可以帮助企业实现生产过程的自动化、提高生产效率和质量,并实现对生产资源的优化配置和调度。
本文将介绍生产控制程序的基本功能、工作原理和应用范围。
功能生产控制程序通常包含以下基本功能:计划排程生产控制程序可以根据用户设定的生产计划和订单信息,自动生成生产排程。
它考虑到生产能力、物料供应链、人员安排等因素,合理安排生产任务的顺序和时间。
通过优化排程,可以最大程度地提高生产效率、减少生产时间,并降低生产成本。
生产监控生产控制程序可以实时监控生产现场的运行情况。
它可以接收并分析来自生产设备和传感器的数据,及时发现并处理生产中的异常情况。
例如,当生产设备发生故障或生产过程中出现质量问题时,生产控制程序可以及时发出报警信息,并采取相应的措施以确保生产的顺利进行。
生产数据分析生产控制程序可以收集、存储并分析生产过程中的数据。
它可以根据生产指标和关键性能指标 (KPIs) 来监测和评估生产效果。
通过对数据的分析,可以发现生产瓶颈和问题,并采取相应的改进措施。
此外,生产数据分析还可以为管理决策提供可靠的依据。
物料追踪和质量管理生产控制程序可以跟踪和管理生产过程中使用的物料信息。
它可以记录和追溯物料的入库、领料和使用情况,以确保物料的合理使用和追溯,同时帮助企业提高物料管理的效率和精度。
此外,生产控制程序还可以实现质量控制和质量检验功能,确保生产过程中的产品符合质量标准和要求。
工作原理生产控制程序的工作原理通常可以分为以下几个步骤:1.数据采集:生产控制程序通过连接和收集来自生产现场的数据,包括设备状态、传感器数据、工艺参数等。
这些数据可以通过各种通信方式来获取,例如传感器接口、PLC系统、传输协议等。
2.数据处理:生产控制程序会对采集到的数据进行处理和分析。
它可以将数据转换为可理解的形式,计算各种指标和统计数据,并进行数据挖掘和模式识别,以发现潜在的问题和改进机会。
生产和服务控制程序1. 简介生产和服务控制程序是一种用于监控和控制生产过程和服务交付的软件系统。
它在各种行业中广泛应用,包括制造业、物流业、零售业等。
生产和服务控制程序能够帮助企业实现生产过程的自动化和服务流程的优化,提高生产效率和服务质量。
本文将介绍生产和服务控制程序的基本原理、功能特点以及在实际应用中的应用场景和优势。
2. 基本原理生产和服务控制程序的基本原理是通过采集和分析生产和服务过程中的数据,实时监控和控制生产和服务的状态。
它依靠传感器、数据采集设备和信息系统之间的数据交互,实现对生产和服务过程的感知、分析和控制。
生产和服务控制程序通常由以下几个核心模块组成:2.1 数据采集数据采集模块负责从传感器和其他数据源中采集数据,包括生产过程中的温度、湿度、压力等物理量,以及服务过程中的用户请求、交互记录等信息。
数据采集模块将采集到的数据进行处理和存储,为后续的分析和控制提供数据基础。
2.2 数据分析数据分析模块负责对采集到的数据进行处理和分析,识别出生产和服务过程中的异常情况和潜在问题。
数据分析模块可以采用各种算法和技术,如统计分析、预测模型和机器学习,帮助企业实时监控和预测生产和服务的状态。
2.3 控制指令控制指令模块负责根据数据分析的结果,生成相应的控制指令,以调整生产和服务过程中的参数和策略。
控制指令可以通过控制设备、机器人或人工操作员的方式实施,以达到优化生产和提供高质量服务的目标。
2.4 反馈机制反馈机制模块负责监控和反馈生产和服务过程中的实际情况和效果。
通过对实际执行情况的监控和分析,反馈机制模块可以对控制指令进行动态调整,以实现更精确和有效的控制效果。
3. 功能特点生产和服务控制程序具有以下几个功能特点:3.1 实时性生产和服务控制程序能够实时监控和控制生产和服务过程,及时发现和处理异常情况,以避免生产和服务中断或质量问题。
3.2 自动化生产和服务控制程序能够自动采集、分析和控制数据,减少人工操作和干预,提高生产效率和服务质量。
医疗器械委托生产质量控制与监督程序一、引言:医疗器械委托生产是指生产企业将产品交由其他合作单位来加工制造的一种生产模式。
在医疗器械行业,委托生产模式被广泛应用,但同时也带来了质量控制与监督的难题。
为了保证委托生产的产品质量和安全性,制定并执行一套科学的质量控制与监督程序势在必行。
二、质量控制程序:1. 筛选供应商:在委托生产过程中,选择合适的供应商至关重要。
首先,我们需进行供应商的全面评估,包括其生产能力、设备设施、质量管理体系等方面的审核。
同时,还要查看其历史记录和客户评价,了解其过去的业绩和声誉。
只有经过筛选的优秀供应商才能进入下一步工作。
2. 签订合同:签订明确的委托生产协议是质量控制的基本保障。
合同中要明确规定产品的参数要求、质量标准、工艺流程、质量检验与验证要求等内容。
此外,还需要约定供应商在生产过程中如发生质量问题时的协商及解决办法。
3. 质量保证体系:建立科学合理的质量保证体系有助于规范委托生产过程,确保产品的质量和安全性。
根据相关法规和标准,制定并实施质量管理框架,明确各环节的责任与义务。
体系中应包括质量目标的设定、质量控制计划的制定、内部审核及验证等环节,以实现质量的持续改进。
4. 过程监控:委托生产过程中,监控产品质量的过程控制非常关键。
在供应商加工过程中,我们要建立规范的生产记录和质量跟踪系统,纪录原材料的使用情况、加工过程中的参数调整和产品质量等关键信息。
定期抽样检验并进行数据分析,及时发现和解决潜在问题。
5. 产品检验:委托生产的产品必须经过严格的检验和验证,确保其符合规定的质量标准。
我们应制定详细的产品检验计划,包括检验方法、样品数量、检验依据等。
检验过程中应采用严格的检验标准和方法,保证结果的准确性和可靠性。
三、质量监督程序:1. 定期审查供应商:委托生产中,供应商的质量水平往往是影响产品质量的关键因素之一。
为了确保供应商的持续符合要求,我们应定期进行供应商的审查和评估。
产品质量控制程序标题:产品质量控制程序引言概述:产品质量控制程序是企业为确保产品质量稳定和可靠性而采取的一系列管理措施。
它涉及到从原材料采购到生产制造、质量检验以及售后服务等各个环节,以确保产品在设计、生产和交付过程中的质量符合标准和客户需求。
本文将详细介绍产品质量控制程序的四个关键部分。
一、原材料采购1.1 供应商评估:企业应根据供应商的信誉、质量管理体系和技术能力等因素对供应商进行评估。
评估结果将有助于选择合适的供应商,并确保原材料的质量可控。
1.2 采购合同:在与供应商签订采购合同时,应明确原材料的规格、质量要求和交付时间等关键信息。
同时,合同还应规定供应商的质量保证措施和违约责任,以确保供应商按照要求提供合格的原材料。
1.3 样品检验:在批量采购之前,企业应进行样品检验,以验证原材料是否符合质量要求。
样品检验结果将作为是否继续与供应商合作的重要依据。
二、生产制造2.1 工艺规程:企业应建立完善的工艺规程,明确产品的生产工艺和操作要求。
工艺规程应包括原材料的配比、生产步骤、工艺参数等详细信息,以确保产品的质量稳定性。
2.2 生产设备管理:企业应对生产设备进行定期维护和保养,并建立设备管理记录。
同时,对关键设备进行校准和验证,以确保生产设备的准确性和可靠性。
2.3 过程控制:企业应对生产过程进行实时监控和控制,以确保产品在每个生产阶段的质量符合要求。
通过采集和分析生产数据,及时发现和纠正生产过程中的异常,以确保产品的一致性和稳定性。
三、质量检验3.1 检验计划:企业应制定详细的质量检验计划,明确检验标准、方法和频次等。
检验计划应根据产品的特性和客户需求来确定,以确保产品的质量符合要求。
3.2 检验设备:企业应配置适当的检验设备,并对其进行定期校准和维护。
检验设备的准确性和可靠性对于正确评估产品质量至关重要。
3.3 检验记录:企业应建立完善的检验记录系统,记录每次质量检验的结果和处理措施。
这些记录将为产品质量的追溯和问题分析提供重要依据。
制造业行业:制造业质量控制与提升方案第一章:制造业质量控制概述 (2)1.1 质量控制基本概念 (2)1.2 质量控制发展历程 (3)1.3 质量控制的重要性 (3)第二章:质量管理体系建设 (4)2.1 质量管理体系概述 (4)2.2 质量管理体系标准与认证 (4)2.2.1 质量管理体系标准 (4)2.2.2 质量管理体系认证 (4)2.3 质量管理体系实施与监控 (4)2.3.1 质量管理体系策划 (4)2.3.2 质量管理体系文件编写 (4)2.3.3 质量管理体系培训与宣传 (5)2.3.4 质量管理体系实施与运行 (5)2.3.5 质量管理体系监控与改进 (5)第三章:产品设计质量控制 (5)3.1 产品设计流程优化 (5)3.2 设计评审与验证 (6)3.3 设计变更与持续改进 (6)第四章:生产过程质量控制 (7)4.1 生产过程质量控制原理 (7)4.2 生产过程监控与改进 (7)4.3 生产过程质量数据分析 (8)第五章:质量检验与检测 (8)5.1 质量检验方法与流程 (8)5.1.1 检验方法概述 (8)5.1.2 检验流程 (8)5.2 检测设备管理与维护 (9)5.2.1 设备管理 (9)5.2.2 设备维护 (9)5.3 检验结果分析与改进 (9)5.3.1 检验结果分析 (9)5.3.2 质量改进 (9)第六章:供应商质量控制 (9)6.1 供应商选择与评估 (9)6.1.1 供应商选择原则 (10)6.1.2 供应商评估方法 (10)6.2 供应商质量保证协议 (10)6.3 供应商质量监控与改进 (11)6.3.1 质量监控 (11)6.3.2 质量改进 (11)第七章:质量成本管理 (11)7.1 质量成本构成与分类 (11)7.1.1 质量成本构成 (11)7.1.2 质量成本分类 (12)7.2 质量成本分析与控制 (12)7.2.1 质量成本分析 (12)7.2.2 质量成本控制 (12)7.3 质量成本优化策略 (12)7.3.1 提高质量意识 (12)7.3.2 优化产品设计 (12)7.3.3 加强过程控制 (13)7.3.4 提高供应商质量 (13)7.3.5 持续改进 (13)第八章:质量改进工具与方法 (13)8.1 质量改进常用工具 (13)8.2 质量改进项目实施与管理 (13)8.3 质量改进成果评估与推广 (14)第九章:质量文化建设 (14)9.1 质量文化内涵与价值 (14)9.2 质量文化建设策略 (15)9.3 质量文化推广与传播 (15)第十章:制造业质量控制与提升策略 (15)10.1 质量控制与提升总体战略 (16)10.1.1 战略定位 (16)10.1.2 战略目标 (16)10.1.3 战略措施 (16)10.2 质量控制与提升具体措施 (16)10.2.1 完善质量管理体系 (16)10.2.2 加强过程控制 (16)10.2.3 提升产品质量 (17)10.2.4 优化供应链管理 (17)10.3 质量控制与提升实施效果评估 (17)10.3.1 评估指标 (17)10.3.2 评估方法 (17)10.3.3 评估周期 (17)第一章:制造业质量控制概述1.1 质量控制基本概念质量控制(Quality Control,简称QC)是指在生产过程中,通过对产品质量的监督、检验和改进,保证产品达到预定的质量标准,满足用户需求的一系列活动。
生产过程控制程序文件概述生产过程控制是现代工业中的重要环节,它涉及到对生产过程中的各种参数、变量和设备状态进行实时监控和调控,以确保生产过程的高效运行和优质产品的生产。
为了实现生产过程的有效控制,企业通常会使用生产过程控制程序文件。
本文将介绍生产过程控制程序文件的定义、功能和设计要点,以及常见的应用场景和注意事项。
定义生产过程控制程序文件是一种用于控制和管理生产过程的软件文件。
它通常包含了各种程序代码、指令和逻辑,用于检测和控制生产过程中的各种变量和设备状态。
生产过程控制程序文件可以运行在各种控制系统中,如PLC(可编程逻辑控制器)、DCS(分布式控制系统)和SCADA(监视、控制和数据采集系统)等。
功能生产过程控制程序文件的主要功能是对生产过程进行在线监测和调控。
它可以实时检测生产过程中的各种参数和变量,如温度、压力、流量、速度等,并根据预设的控制逻辑进行相应的调节和控制。
生产过程控制程序文件还可以接收来自传感器和设备的信号,并向执行器发送控制指令,从而实现对生产过程的精确控制和调整。
设计要点设计生产过程控制程序文件时,需要考虑以下几个关键要点:1. 数据采集和处理:生产过程控制程序需要能够实时获取生产过程中的各种参数和设备状态数据,并进行适当的处理和分析。
这涉及到数据采集设备的选择和数据处理算法的设计。
2. 控制逻辑和算法:生产过程控制程序的核心是控制逻辑和算法的设计。
这包括设定控制目标、确定控制规则和制定触发条件等内容。
控制逻辑和算法的设计应该符合生产过程的特点和需求。
3. 界面设计:为方便操作和监控,生产过程控制程序需要提供用户友好的界面。
界面设计应该直观、简洁,并能够清晰地展示生产过程的关键参数和状态。
制造业质量控制体系1. 引言质量控制是制造业中不可或缺的一环,它直接关系到产品的质量、企业的信誉和客户满意度。
本文档旨在详细阐述制造业质量控制体系,以帮助企业建立健全的质量管理体系,提高产品质量和市场竞争力。
2. 质量控制体系概述质量控制体系是企业为实现产品质量和过程控制目标而建立的一系列相互关联的政策、程序和实践活动。
它包括质量方针、质量目标、组织结构、资源配置、过程控制、质量改进等方面。
3. 组织结构制造业质量控制体系应具备明确的组织结构,包括质量管理委员会、质量管理部门、生产部门、采购部门、销售部门等。
各部门应分工明确,协同工作,共同为实现质量目标而努力。
4. 资源配置为确保质量控制体系的正常运行,企业应合理配置资源,包括人力资源、设备设施、检测仪器、技术资料等。
同时,企业还应加强对员工的培训和技能提升,确保员工具备相应的质量意识和技能。
5. 过程控制过程控制是质量控制体系的核心环节,主要包括生产过程、检验过程、储存过程等。
企业应制定详细的过程控制程序,确保各个环节符合相关标准和客户要求。
此外,企业还应加强对过程数据的监控和分析,及时发现异常,采取措施进行调整。
6. 质量改进质量改进是企业不断优化质量控制体系、提高产品质量的重要途径。
企业应定期进行质量审核、内部审核和管理评审,查找存在的问题,制定改进措施,并跟踪实施效果。
此外,企业还可以采用六西格玛、精益生产等方法,持续提高质量管理水平。
7. 质量保证质量保证是企业为客户提供稳定、可靠产品的关键。
企业应建立健全质量保证体系,包括供应商评价、采购管理、生产过程控制、成品检验等。
通过严格的质量把关,确保产品符合国家法规、行业标准和客户需求。
8. 质量认证企业可通过质量认证来证明自身质量控制体系的有效性。
常见的质量认证体系包括ISO 9001、ISO/TS 16949等。
企业应按照认证要求,建立和完善质量管理体系,并通过第三方审核机构的认证审核。
产品制造控制程序目的本规程的目的是界定生产所需的质量要求,以保证生产在受控的条件下进行,产品满足客户的要求。
2. 范围本规程适用于SGW客户的Production Schedule及Order Sheet Review指定中的所有电话机、电话录音机和移动电话的生产。
3. 规程提要本规程可以概括成以下几个步骤:3.1 为每一型号的产品准备生产质量保证计划(PQAP)文件:3.1.1 工艺流程图。
3.1.2 排拉图(可选择)。
3.1.3 作业指导书(特殊工艺要求)。
3.2 接收Production Schedule和Order Sheet Review。
3.3 按生产计划和工作指引进行生产。
3.4 进行生产在线的质量检验。
3.5 记录每日的生产情况。
3.6 完成成品的交付。
4. 输入有关数据4.1 Production Schedule。
4.2 Order Sheet Review。
4.3PQAP文件。
4.4 RoHS&WEEE和客户的绿色环保要求5. 输出结果5.1 生产的成品符合指标要求。
5.2 生产记录。
6. 职责6.1 生产部经理(PROD/M)PROD/M的职责是确保生产在受控的条件下进行,内容包括:6.1.1 确保生产按Production Schedule的要求有计划地、有效地进行。
6.1.2 管理生产人员,确保生产顺利地及有效率地进行。
6.2 生产和物料控制经理(PMC/M)6.2.1 审批Production Schedule。
6.2.2 监控生产部的生产安排。
6.2.3 与仓库和运输部门协调确保产品及时交付。
6.3 仓库经理(WH/M)6.3.1 向生产部发放物料和接收来自生产部的成品。
6.3.2 管理仓库人员处理物料和成品。
6.4 品管部经理(QM)6.4.1 督导品管工程师对生产过程进行监控。
6.4.2 验证生产过程中的不合格点并与有关部门一同跟进纠正和预防措施。
IECQ-HSPM QC080000内审员培训IECQ-HSPM QC080000内审员培训下载报名表内训调查表【课程描述】欧盟指令RoHS (2002/95/EC) 要求所有电子电器行业生产商必须证明/申明产品符合指令的要求;IECQ委员会正式公布的IECQ-HSPM QC080000为ROHS和其它危害物质管理提供了最好的解决方案。
针对有害物质进行系统化的管理,将绿色生产融入企业,从而防范因RoHS & WEEE测试带来潜在的风险,避免业务和市场损失。
【课程帮助】如果你想对本课程有更深入的了解,请参考 >>> 德信诚ROHS及QC080000内审员相关资料手册【课程对象】企业管理人员、从事产品设计、采购、生产、质量管理工作的人员、在QC080000过程中承担内部审核工作的人员、有志于从事有害物质管理工作的人员。
【课程大纲】第一部分:QC080000标准的产生背景1、IECQ危害物质过程管理简介;2、EIA/ECCB-954(电子电气组件和产品危害物质减免标准和要求)介绍;3、QC080000标准的产生和发展;4、客户对电子电气制造商依据QC080000标准建立HSPM危害物质管理体系的要求。
第二部分:QC080000危害物质管理体系的建立1、欧盟RoHS指令对有害物质的含量要求及最新豁免条款;2、QC080000标准讲解(用案例进行剖析)3、HSF方针和目标的建立4、如何在ISO9001:2000体系的基础上建立HSPM危害物质管理体系5、依据QC080000标准建立HSPM危害物质管理体系的流程6、HSPM危害物质管理体系建立的重点和难点第三部分:QC080000内部审核1、开展QC080000内部审核的准备工作2、QC080000审核计划的制定、检查表的制作3、现场审核的流程、技巧及沟通方法4、追溯性的内部审核技巧和方法5、QC080000内部审核现场演练◆QC080000内部审核员培训资格考试7. 技能要求7.1 生产部经理(PROD/M)7.1.1 熟悉SGW生产电话机、电话录音机和移动电话的政策和程序。
7.1.2 明白ISO 9001中有关工序控制的要求。
7.1.3 有能力计划,协调和进行生产工作。
7.1.4 熟悉RoHS&WEEE和客户的绿色环保要求。
7.2 生产和物料控制经理(PMC/M)7.2.1 熟悉物料的计划、订购和物料合理使用。
7.2.2 具有生产计划和生产排期的实际经验。
7.2.3 明白ISO 9001中有关工序控制的要求。
7.2.4 熟悉RoHS&WEEE和客户的绿色环保要求。
7.3 仓库经理(WH/M)7.3.1 熟悉SGW仓库管理的政策和程序。
7.3.2 有能力管理、指导和协调仓库人员进行工作。
7.3.3 熟悉RoHS&WEEE和客户的绿色环保要求。
7.4 品管部经理(QM)7.4.1 熟悉SGW品管工作指引。
7.4.2 富有电话机、电话录音机和移动电话的质量测试的经验。
7.4.2 熟悉RoHS&WEEE和客户的绿色环保要求。
8. 流程图本规程之操作任务顺序及流程由下页流程图说明。
有关主程序内的执行要点及指引及补充数据详见第9节工作指引。
9. 工作指引14-01 安排试产工程部随着COP10设计控制程序的完成,在产品完成验证后,设计小组须决定该产品是否需要进行试产。
如有需要,则安排试产拉试产。
14-02 召开试产会议QM试产拉完成试产后,将试产报告发到有关部门,并将产品交到QD。
QD按照试产程序进行检验及记录结果。
QM须监察整个试产程序,联络客户(如有需要)、R&D、工程部、生产部及有关部门召开试产会议,在会议上,各部门讨论及解决生产部及QD发出的试产问题,并作出最后核实,确认产品可发出作批量生产。
14-03 接收新产品规格PE/IE PE/IE接收来自R&D或工程部的新产品规格。
14-04 准备PQAP文件PE14-04a 工艺流程图14-04b 排拉图14-04c 作业指导书PE/IE评审每一新产品的规格后,按照实际操作情况,准备生产质量保证计划文件,包括:a)工艺流程图。
b)排拉图(可选择)。
c)作业指导书。
d)特殊工艺要求。
14-05 审批PQAP文件PROD/M 生产部经理审批所有的生产质量保证计划文件。
14-06 接收Production Schedule和Order Sheet Review PROD/M生产部经理接收来自PMC/M的Production Schedule和Order Sheet Review后,评审产品要求和开始生产的时间等有关信息,以确保生产能按Production Schedule进行。
14-07 安排生产线PROD/M根据Production Schedule生产部经理及其属下人员参考生产工序图和生产线分布计划安排生产线。
14-08 安排生产车间、设备和工具PEPE确保生产车间、设备和工具处于良好生产备用状态及符合绿色环保的要求。
必要时,PE可安排设备的例行保养并保管保养记录。
14-09 通知货仓发料PMC/M PMC/M依据Production Schedule,要求货仓发出物料至生产线。
14-10 发放物料WH/M对于有环保要求的Model﹐在发放前应检查物料是否有绿色环保标签﹐是否符合本公司的环保要求﹐确保发放到生产线的物料为绿色材料。
14-11 分发物料至生产线WH/M WH/M发放物料至生产线并更新MRP计算机系统。
14-12 进行生产生产部人员14-12a 作业指导书生产部人员按工艺流程、作业指导书及特殊工艺要求进行生产, 并确认使用的物料是否符合本公司RoHS的相关要求。
14-13 进行初检PROD, QC14-13a 作业指导书14-13b 每日检验报告初检是生产工序的一部分,检验人员负责初检检验程序进行检验,检验结果书面记录于每日检验报告中。
14-14 合格14-15 建议补救措施PROD.QC如果在检验中发现任何不合格品,初检检验人员将其筛选出来,贴上标签标识不合格状态并书面记录在报告中,建议补救措施。
返工的产品还要进行再检。
14-16a 成品中检14-16 进行成品中检IPQA14-16b IPQA作业指引14-16c IPQA检验报告为确认生产的产品符合质量要求,品管部中检人员按照工作指引,对所要求的产品进行中段检验,并将结果记录于IPQA检验报告中。
14-17 合格14-18 建议补救措施IPQA 如果发现有不合格品,品管部中检人员建议补救措施。
14-19 生产中不能解决的问题14-20 通知相关部门PROD/MQC/QA在整个生产过程中对各阶段的生产进度进行监控。
如果发现任何生产中不能解决的问题,PROD/M应通知相关部门,以征询处理意见。
14-21 确认原因,建议和更进纠正措施开发部/工程部/品管部经理14-21a 改善行动要求(COP05)品管部经理收到改善行动要求后,确认问题的原因,如有需要,可联系开发部经理/工程部经理,建议并更进必要的纠正措施。
14-22 生产完成?14-23 至14-1214-24 准备有关的生产报告生产部人员生产部人员填写每日生产报告,记录产品批号(对于绿色Model﹐应在报告上注明)﹐直至生产完成为止。
14-25 进行成品终检QA14-25a 成品检查程序14-25b QA报告品管部员工需按照成品检查程序,对成品作最终检查,并将结果记录在有关QA报告内(对于绿色Model﹐应在报告上注明)。
14-26 合格14-27 建议补救措施QA如果发现有不合格成品,品管部员工须贴上有关标记,以资识别,并在报告上建议补救措施。
对于绿色Model的不合格品﹐应及时进行隔离处理。
对于翻工的不合格品,品管部作出重新检查直至成品通过终检程序。
14-28 将成品转移至仓库生产部人员14-28a 入库单生产部人员填写入库单,按COP21将终检合格的成品转移至仓库。
10.表格参照各部门编制的表格清单。
11. 参考数据«生产部运作程序»(按编号索引)«SMD工艺标准»(SMD–WH–001)«SMD部门手册»(SMD–WS–002)«IPQA工作程序»(QD–WI–003)«OQA运作程序»(QD–WI–004)。