钻具常用技术参数查询钻井队版
- 格式:docx
- 大小:181.71 KB
- 文档页数:9
塔里木油田常用钻具技术参数查询
(钻井队版)2013-717修改
1、钻杆技术参数
表1 钻杆工作参数
表2 钻杆强度
表3 钻杆接头尺寸和扣型
表4 常用钻杆分级规定
注:1.塔里木油田范围内三级钻杆停用,分级管体壁厚比行标提高3-5个百分点;
2.*表示非标,目前塔里木油田所用的4 "、41/2"、5″、51/2"钻杆均有采用非标制造。
2、铝合金钻杆
表5 铝合金钻杆技术参数
3、方钻杆
表6 方钻杆规范
4、钻铤
表7 钻铤规范
注:螺旋钻铤开排减少4%,闭排=内体积+开排×96%
5、加重钻杆
表8加重钻杆规格尺寸
6、扶正器
表9 稳定器基本尺寸mm
7、紧扣扭矩
推荐紧扣扭矩
二、其他说明:
1、上表中推荐的钻具螺纹紧扣扭矩单位为KN· m;
2、如液压动力钳配备有KN·m单位的仪表,应该按照KN·m推荐数值紧扣;如液压动力钳未配备有KN·m单位的仪表,可参照Mpa单位紧扣;
3、本体尺寸7"及以下规格钻具严禁使用无任何指示仪表(扭矩、压力)的液压动力钳上卸扣,本体尺寸7"以上钻具应使用带扭矩指示的猫头紧扣;
4、严禁使用未经检验校检的液压动力钳紧扣;
3、液压动力钳扭矩KN.m与压力Mpa单位对照关系:
(1)ZQ100型液压钻杆动力钳KN.m与Mpa对照关系约为6:1;
(2)XQ140 /12YA型油管液压动力钳KN.m与Mpa对照关系为1:1。
8、钻杆扭转圈数
表11 常用钻杆扭转圈数。
塔里木油田常用钻具技术参数查询
(钻井队版)2013-717修改
1、钻杆技术参数
表1 钻杆工作参数
表2 钻杆强度
表3 钻杆接头尺寸和扣型
表4 常用钻杆分级规定
注:1.塔里木油田范围内三级钻杆停用,分级管体壁厚比行标提高3-5个百分点;
2.*表示非标,目前塔里木油田所用的4 "、41/2"、5″、51/2"钻杆均有采用非标制
造。
2、铝合金钻杆
表5 铝合金钻杆技术参数
3、方钻杆
表6 方钻杆规范4、钻铤
表7 钻铤规范
注:螺旋钻铤开排减少4%,闭排=内体积+开排×96%
5、加重钻杆
表8加重钻杆规格尺寸
6、扶正器
表9 稳定器基本尺寸mm
7、紧扣扭矩
推荐紧扣扭矩
二、其他说明:
1、上表中推荐的钻具螺纹紧扣扭矩单位为KN· m;
2、如液压动力钳配备有KN·m单位的仪表,应该按照KN·m推荐数值紧扣;如液压动力钳未配备有KN·m单位的仪表,可参照Mpa单位紧扣;
3、本体尺寸7"及以下规格钻具严禁使用无任何指示仪表(扭矩、压力)的液压动力钳上卸扣,本体尺寸7"以上钻具应使用带扭矩指示的猫头紧扣;
4、严禁使用未经检验校检的液压动力钳紧扣;
3、液压动力钳扭矩KN.m与压力Mpa单位对照关系:
(1)ZQ100型液压钻杆动力钳KN.m与Mpa对照关系约为6:1;
(2)XQ140 /12YA型油管液压动力钳KN.m与Mpa对照关系为1:1。
8、钻杆扭转圈数
表11 常用钻杆扭转圈数。
塔里木油田常用钻具技术参数查询
(钻井队版)2013-717修改
1、钻杆技术参数
表1 钻杆工作参数
表2 钻杆强度
表4 常用钻杆分级规定
注:1.塔里木油田范围内三级钻杆停用,分级管体壁厚比行标提高3-5个百分点;
2.*表示非标,目前塔里木油田所用的4 "、41/2"、5″、51/2"钻杆均有采用非标制造。
2、铝合金钻杆
表5 铝合金钻杆技术参数
3、方钻杆
表6 方钻杆规范
4、钻铤
表7 钻铤规范
注:螺旋钻铤开排减少4%,闭排=内体积+开排×96%
5、加重钻杆
表8加重钻杆规格尺寸
6、扶正器
表 9 稳定器基本尺寸mm
7、紧扣扭矩
推荐紧扣扭矩
二、其他说明:
1、上表中推荐的钻具螺纹紧扣扭矩单位为KN· m;
2、如液压动力钳配备有KN·m单位的仪表,应该按照KN·m推荐数值紧扣;如液压动力钳未配备有KN·m单位的仪表,可参照Mpa单位紧扣;
3、本体尺寸7"及以下规格钻具严禁使用无任何指示仪表(扭矩、压力)的液压动力钳上卸扣,本体尺寸7"以上钻具应使用带扭矩指示的猫头紧扣;
4、严禁使用未经检验校检的液压动力钳紧扣;
3、液压动力钳扭矩KN.m与压力Mpa单位对照关系:
(1)ZQ100型液压钻杆动力钳KN.m与Mpa对照关系约为6:1;
(2)XQ140 /12YA型油管液压动力钳KN.m与Mpa对照关系为1:1。
8、钻杆扭转圈数
表11 常用钻杆扭转圈数。
常用钻具技术参数查询
1、常用钻杆技术参数
表1 钻杆工作参数
表3 钻杆接头尺寸和扣型
表4 常用钻杆分级规定
注:1.塔里木油田范围内三级钻杆停用,分级管体壁厚比行标提高3-5个百分点;
2.*表示非标,目前塔里木油田所用的4 "、41/2"、5″、51/2"钻杆均有采用非标制造。
2、方钻杆
表5 方钻杆规范
3、钻铤
表6 钻铤规范
4、加重钻杆
表7 加重钻杆规格尺寸
5、扶正器
表8 稳定器基本尺寸mm
6、紧扣扭矩
表9 推荐的常用钻具紧扣扭矩(ZQ100液压大钳液压与扭矩对应关系)
7、钻杆扭转圈数
表10 常用钻杆扭转圈数。
一、四方钻杆1、参数规格名称5 2/4"方钻杆31/2"方钻杆备注外径(DFL) 133mm88.9mm内径(d)82.6mm 57.2mm上部反扣接头外径(Du) 196.85mm 196.85mm或146.05mm内径(d) 82.6mm 57.2mm长度(Lu) 406.40mm 406.40mm扣型 6 5/8"Reg(630)反扣 6 5/8"Reg(630)反扣或4 1/2"Reg(430)下部正扣接头外径(DF) 177.8 mm 120.65 mm内径82.55mm 57.15mm长度(Ll) 508mm508mm扣型5 1/2"FH(521)正扣或Nc50(411) 正扣Nc38正扣或3 1/2IF正扣对角宽度(DC)175.41mm(12.5m)171.46mm115.09mm或112.71mm楞角半径(Rc)15.87mm(12.5m)85.72mm(16.46m)12.7mm(12.5m)56.35mm(16.46m)2、方钻杆允许弯曲度项目校直标准使用标准全长<3 <8不大于15度,并且用标准防补芯能自由通过每米<1 <1.5二、钻铤1、常用钻铤尺寸和基本参数规格名称∮228mm∮203mm∮178mm∮159mm∮152mm∮146mm备注水眼(mm)71.4 71.4 71.4 71.4 71.4 50.8 倒角直径(mm)212.7 190.1 164.7 150.0 144.5 114.7 抗弯强度比317 3.02 2.73 2.63 2.84 2.58公称重量Kg/m 290.6 223.5 163.9 136.97 111.8 74.5 上扣扭矩N.m 922006510043400223702874014640扣型Nc61 Nc56 Nc50 Nc46 Nc44 Nc35磨损后螺纹宽度外螺纹24.0/18 20.4/15.8 15.7/15.3 15.9/13.3 13.5/13.0新/旧内螺纹23.8/17.3 19.6/15.2 14.9/14.7 15.1/12.7 12.7/12.5新/旧均匀磨损后外径200 181.6 165.1 139.7 139.7 140偏磨限定尺寸11.8 9.9 9.0 7.6 6.0 6.7螺旋头数 3 3 3 3 3 3螺旋方向右右右右右右螺旋倒程1000 1000 1000 1000 1000 1000螺旋深度9.5 9.5 7.9 7.1 6.4 4.8弯曲强度比:内螺纹危险截面摸数与外螺纹危险断面抗弯截面摸数之比。
塔里木油田常用钻具技术参数查询
1、常用钻杆技术参数
表1 钻杆工作参数
表3 钻杆接头尺寸和扣型
表4 常用钻杆分级规定
注:1.塔里木油田范围内三级钻杆停用,分级管体壁厚比行标提高3-5个百分点;
2.*表示非标,目前塔里木油田所用的4 "、41/2"、5″、51/2"钻杆均有采用非标制造。
2、方钻杆
表5 方钻杆规范
3、钻铤
表6 钻铤规范
4、加重钻杆
表7 加重钻杆规格尺寸
5、扶正器
表8 稳定器基本尺寸mm
6、紧扣扭矩
表9 推荐的常用钻具紧扣扭矩(ZQ100液压大钳液压与扭矩对应关系)
7、钻杆扭转圈数
表10 常用钻杆扭转圈数。
塔里木油田常用钻具技术参数查询
(钻井队版)2013-717修改
1、钻杆技术参数
表1 钻杆工作参数
表2 钻杆强度
表3 钻杆接头尺寸和扣型
表4 常用钻杆分级规定
注:1.塔里木油田范围内三级钻杆停用,分级管体壁厚比行标提高3-5个百分点;
2.*表示非标,目前塔里木油田所用的4 "、41/2"、5″、51/2"钻杆均有采用非标制造。
2、铝合金钻杆
表5铝合金钻杆技术参数
3、方钻杆
表6 方钻杆规范
4、钻铤
表7 钻铤规范
注:螺旋钻铤开排减少4%,闭排=内体积+开排×96%
5、加重钻杆
表8加重钻杆规格尺寸
6、扶正器
表9 稳定器基本尺寸mm
7、紧扣扭矩
推荐紧扣扭矩
二、其他说明:
1、上表中推荐的钻具螺纹紧扣扭矩单位为KN· m;
2、如液压动力钳配备有KN·m单位的仪表,应该按照KN·m推荐数值紧扣;如液压动力钳未配备有KN·m单位的仪表,可参照Mpa单位紧扣;
3、本体尺寸7"及以下规格钻具严禁使用无任何指示仪表(扭矩、压力)的液压动力钳上卸扣,本体尺寸7"以上钻具应使用带扭矩指示的猫头紧扣;
4、严禁使用未经检验校检的液压动力钳紧扣;
3、液压动力钳扭矩KN.m与压力Mpa单位对照关系:
(1)ZQ100型液压钻杆动力钳KN.m与Mpa对照关系约为6:1;
(2)XQ140 /12YA型油管液压动力钳KN.m与Mpa对照关系为1:1。
8、钻杆扭转圈数
表11 常用钻杆扭转圈数。
钻井常用数据一、最低环空返速:444.5mm井眼:Va=0.41/ρ(m/s) 311.1mm井眼:Va=0.59/ρ(m/s)215.9 mm井眼:Va=0.85/ρ(m/s)式中:ρ密—g/cm3二、最小排量:444.5mm井眼: Qa=142.44*Va 311.1mm井眼: Qa=63.31*Va 215.9 mm井眼: Qa=23.93*Va (L/S)三、喷嘴压降:Pb=0.084*ρ*Q2/de4 (Mpa) de=(d1²+ d1²+d3²)½—cm四、井眼容积:444.5mm井眼: 0.155m3/m 311.1mm井眼: 0.076 m3/m 215.9 mm井眼: 0.037 m3/m五、套管容积:339.7mm: 外0.091 m3/m, 内0.081 m3/m 244.5mm: 外0.047 m3/m, 内0.038 m3/m177.8mm: 外0.025 m3/m, 内0.018 m3/m 139.7mm: 外0.015 m3/m, 内0.011 m3/m六、钻具内容积与排代量: (浮力系数f=1-ρ泥/ρ铁)钻杆5”壁厚:9.19mm内径108mm 重量29.01kg/m 容积0.0092方/m 排代量0.004方/m 0.58方/5柱加重钻杆5”容积0.0046方/m 重量73.5kg/m钻铤9”容积0.0046方/m 排代量0.036方/m 0.94方/柱重量286.0 kg/m8”容积0.004方/m 排代量0.028方/m 0.73方/柱重量219.48 kg/m7”容积0.004方/m 排代量0.021方/m 0.55方/柱重量163.20 kg/m61/4”容积0.003方/m 排代量0.017方/m 0.44方/柱重量123.56 kg/m(螺旋型=常规*0.96)七.泥浆(钻杆)上返速度计算:444.5mm井眼: V=0.007*Q 311.1mm井眼: V=0.016*Q 215.9 mm井眼: V=0.042*Q (m/s)八、油气上窜速度:v上窜=[H油气-(H钻头/t迟)*t显]/t静m/min九、常用换算:1英尺′=12″=0.3048m 1″=8吩 1m=3.28英尺 1吩=3.175mm 1美桶=159L 1英桶=163.654L 额1lbs-ft=1.35m.N 1psi=0.0069Mpa 1000lft=45kN十、F-1600钻井泵(宝鸡)(η=0.925)型号F1600 功率1180KW 冲数120r/min 冲程3048mm缸径180 170 160 150 140 mm压力22.76 25.51 28.84 32.77 34.34 Mpa排量(理论) 46.53 41.51 36.77 32.31 28.15 L/s每冲排量23.26 20.75 18.39 16.16 14.08 L/r(实际选用)21.86 19.51 17.29 15.19 13.24 L/r计算系数1 0.364 0.325 0.288 0.253 0.221 L/r.s计算系数2 0.02186 0.01951 0.01729 0.01519 0.01324 m3/r.min排量Q=冲数×计算系数十一、英、汉对照MW—密度VIS—粘度PV—塑性粘度sec--秒qt—夸脱cps—cm/s YP—屈服点lb—磅Ft—英尺CC--cm³桶—bbl 磅/桶—ppb WL—失水gpm—加仑十二、定向井参数井深Dm或L m 井斜角а(°)方位角Φ(°)垂深D m 狗腿角γ(°)狗腿度к(°) /30m水平长度Lp m 水平位移s m 视平移ν m平移方位角θ(°)装置角ω(°)反扭角& (°)。
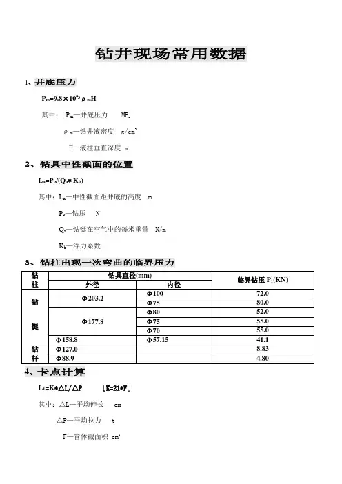
钻井现场常用数据1、井底压力P m=9.8×10-3ρm H其中:P m—井底压力 MP aρm—钻井液密度 g/cm3H—液柱垂直深度 m2、钻具中性截面的位置L n=P b/(Q a* K b)其中:L n—中性截面距井底的高度 mP b—钻压 NQ a—钻铤在空气中的每米重量 N/mK b—浮力系数3、钻柱出现一次弯曲的临界压力4、卡点计算L1=K*△L/△P [K=21*F]其中:△L—平均伸长 cm△P—平均拉力 tF—管体截面积 cm2各种常用管具K植表:5、钻杆允许扭转圈数N=K * H其中:N—允许扭转圈数, 圈;H—卡点深度,m;K—扭转系数,圈/米;各种钻杆K值:(API.E级)Φ127mm K=0.00551Φ89mm K=0.00787Φ73mm K=0.009576、泥浆循环一周时间T=(V井-V柱)/60*Q其中:T一循环一周所需时间min;V井一井眼容量,L;V柱一管柱体积,L;Q一泥浆排量L/s7、泥浆上返速度V返=12.7*Q/( D井2- D柱2)其中:V返一泥浆上返速度m/s;Q一泥浆排量L/s;D井一井径cm;D柱一钻柱外径cm;8、常用钻铤、钻杆基本数据9、益都3NB-1300泵排量表10、常用井眼容积量10、单弯钻具结构与性能参数11. API接头扣型与国内名称对照注意:1.某些NC型扣型可以与FH、IF型接头互换2.国内的接头加工尺寸与API标准略有误差3.IF=内平扣;FH=贯眼扣;REG=正规扣12、钻具尺寸***各类井眼钻具组合。
塔里木油田常用钻具技术参数查询(钻井队版)2013-717修改1、钻杆技术参数表1 钻杆工作参数表2 钻杆强度表3 钻杆接头尺寸和扣型″″17 /″″/ 5 非标 54 55 ″″″″″非标″31177公称尺寸 2 2 3 /4 / / / 2 /2888822.表4 常用钻杆分级规定金 1168720 4060 42 60130 3553 28140 996 D16T 147注:1.塔里木油田范围内三级钻杆停用,分级管体壁厚比行标提高3-5个百分点;11/钻杆均有采用非标制造。
、5″、42.*表示非标,目前塔里木油田所用的?、5/222、铝合金钻杆表5 铝合金钻杆技术参数、方钻杆3.6 方钻杆规范表 4、钻铤钻铤规范表796%开排×内体积,闭排注:螺旋钻铤开排减少4%=+、加重钻杆5.表8加重钻杆规格尺寸6、扶正器7、紧扣扭矩推荐紧扣扭矩二、其他说明:1、上表中推荐的钻具螺纹紧扣扭矩单位为KN· m;2、如液压动力钳配备有KN·m单位的仪表,应该按照KN·m推荐数值紧扣;如液压动力钳未配备有KN·m单位的仪表,可参照Mpa单位紧扣;3、本体尺寸尷及以下规格钻具严禁使用无任何指示仪表(扭矩、压力)的液压动力钳上卸扣,本体尺寸尷以上钻具应使用带扭矩指示的猫头紧扣;4、严禁使用未经检验校检的液压动力钳紧扣;3、液压动力钳扭矩与压力Mpa单位对照关系:(1)ZQ100型液压钻杆动力钳与Mpa对照关系约为6:1;(2)XQ140 /12YA型油管液压动力钳与Mpa对照关系为1:1。
8、钻杆扭转圈数常用钻杆扭转圈数11 表.。
塔里木油田常用钻具技术参数查询
(钻井队版)2013-717修改
1、钻杆技术参数
注:1.塔里木油田范围内三级钻杆停用,分级管体壁厚比行标提高3-5个百分点;
2.*表示非标,目前塔里木油田所用的 4 "、41/2"、5〃、51/2"钻杆均有采用非标制造。
2、铝合金钻杆
3、方钻杆
4、钻铤
注:螺旋钻铤开排减少4%,闭排=内体积+开排X 96%
5、加重钻杆
表8加重钻杆规格尺寸
6、扶正器
稳定器基本尺寸mm
表
7、紧扣扭矩
推荐紧扣扭矩
钻铤、稳定器
、其他说明:
1、上表中推荐的钻具螺纹紧扣扭矩单位为KN- m;
2、如液压动力钳配备有KN・m单位的仪表,应该按照KN・m推荐数值紧扣;如液压动
力钳未配备有KN- m单位的仪表,可参照Mpa单位紧扣;
3、本体尺寸7"及以下规格钻具严禁使用无任何指示仪表(扭矩、压力)的液压动力钳上卸扣,本体尺寸7"以上钻具应使用带扭矩指示的猫头紧扣;
4、严禁使用未经检验校检的液压动力钳紧扣;
3、液压动力钳扭矩KN.m与压力Mpa单位对照关系:
(1)ZQ100型液压钻杆动力钳KN.m与Mpa对照关系约为6:1 ;
(2)XQ140 /12YA型油管液压动力钳KN.m与Mpa对照关系为1:1。
&钻杆扭转圈数。
一、四方钻杆二、钻铤弯曲强度比:内螺纹危险截面摸数与外螺纹危险断面抗弯截面摸数之比。
三、加重钻杆三、加重钻杆三、钻杆1、API钻杆加厚尺寸图(X、G、S)四、转换接头:1、转换接头的种类转换接头根据外形与使用分为以下三种型式A型(同径式):一只转换接头只有一种外径尺寸,代号为JTA。
B型(异径式):一只转换接头只有两种外径尺寸,代号为JTB。
C型(左旋式):转换接头的连接螺纹为左旋形式,代号为JTC转换接头的种类(SY5200—93、SY/T6152—1995)注:(1)、转换接头的连接螺纹弯曲强度比应控制在3.20:20—1.90:1之间。
(2)、转换接头的钻具当其直径差大于15mm时可采用B型转换接头(水龙头转换接头和打捞转换接头除外)。
1、接头型号与标记(1)转换接头型号表示法(SY5200—93)转换接头和光坯代号出厂批次出厂年号制造厂名或标志代号例:某厂(代号R)1989年按SY5200—93标准生产的第13批C型水龙头转换接头,两端有4 1/2正规左旋外螺纹,内径上部57.2mm,下部41.99 mm,标记为:R8913(2)转换接头标记代号(SY5200—93)内螺纹代号水眼直径外螺纹代号内螺纹端螺纹代号水眼直径外螺纹端螺纹代号型式(A、B、C)种类(1、2、3、4、5、6、7)接头代号例:1989年按SY5200—93标准生产第四批B型过度转换接头,一端为NC50外螺纹,另一端为NC46内螺纹,内径50.8mm,标记为:标记槽内标记:R8904外表面标记:JT3BNC44—50.8GXNC—50.8M2、接头螺纹扣型的表示方法螺纹扣型叫法目前有三种,一种是国内各油田习惯叫法(如411/410、521/430);第二种是美国API石油学会规定的老式叫法(如:4FH(贯眼)、4 1/2内平、4 1/2REG 正规;第三种(数字型)是美国API石油学会规定的新叫法(如:NC50、N46、NC38)。
钻具常用技术参数查询
钻井队版
IMB standardization office【IMB 5AB- IMBK 08- IMB 2C】
塔里木油田常用钻具技术参数查询(钻井队版)2013-717修改
1、钻杆技术参数
表1 钻杆工作参数
表2 钻杆强度
表3 钻杆接头尺寸和扣型
表4 常用钻杆分级规定
注:1.塔里木油田范围内三级钻杆停用,分级管体壁厚比行标提高3-5个百分点;
2.*表示非标,目前塔里木油田所用的4 "、41/2"、5″、51/2"钻杆均有采用非标制造。
2、铝合金钻杆
表5铝合金钻杆技术参数
3、方钻杆
表6 方钻杆规范4、钻铤
表7 钻铤规范
注:螺旋钻铤开排减少4%,闭排=内体积+开排×96%
5、加重钻杆
6、扶正器
表 9 稳定器基本尺寸mm
7、紧扣扭矩
推荐紧扣扭矩
二、其他说明:
1、上表中推荐的钻具螺纹紧扣扭矩单位为KN· m;
2、如液压动力钳配备有KN·m单位的仪表,应该按照KN·m推荐数值紧扣;如液压动力钳未配备有KN·m单位的仪表,可参照Mpa单位紧扣;
3、本体尺寸7"及以下规格钻具严禁使用无任何指示仪表(扭矩、压力)的液压动力钳上卸扣,本体尺寸7"以上钻具应使用带扭矩指示的猫头紧扣;
4、严禁使用未经检验校检的液压动力钳紧扣;
3、液压动力钳扭矩与压力Mpa单位对照关系:
(1)ZQ100型液压钻杆动力钳与Mpa对照关系约为6:1;
(2)XQ140 /12YA型油管液压动力钳与Mpa对照关系为1:1。
8、钻杆扭转圈数
表11 常用钻杆扭转圈数。