各种PVD涂层特性
- 格式:doc
- 大小:69.00 KB
- 文档页数:2
PVD涂层介绍PVD涂层介绍2011年08月08日1、什么是PVDPVD是英文Physical Vapor Deposition的缩写,中文意思是“物理气相沉积”,是指在真空条件下,用物理的方法使材料沉积在被镀工件上的薄膜制备技术。
PVD镀膜技术的应用主要分为装饰镀和工具镀:①装饰镀的目的主要是为了改善工件的外观装饰性能和色泽,同时使工件更耐磨耐腐蚀延长其使用寿命,这方面主要应用五金行业的各个领域,如门窗五金、锁具、卫浴五金等行业。
②工具镀的目的主要是为了提高工件的表面硬度和耐磨性,降低表面的摩擦系数,提高工件的使用寿命,这方面主要应用在各种切削刀具(如车刀、铣刀、钻头、锯片)等产品中。
2、PVD镀膜的具体原理离子镀膜(PVD镀膜)技术,其原理是在真空条件下,采用低电压、大电流的电弧放电技术,利用气体放电使靶材蒸发并使被蒸发物质电离,在电场的作用下,使被蒸发物质或其反应产物沉积在工件上。
3、PVD镀膜能够镀出如下的膜层种类PVD镀膜技术是一种能够真正获得微米级镀层且无污染的环保型表面处理方法,它能够制备各种单一金属膜(如铝、钛、锆、铬等)、氮化物膜(TiN[钛金]、ZrN〔锆金〕、CrN、TiAlN)和碳化物膜(TiC、TiCN),以及氧化物膜(如TiO等)。
4、PVD镀膜膜层的厚度PVD镀膜膜层的厚度为微米级,厚度较薄,一般为0.1μm~5μm,其中装饰镀膜膜层的厚度一般为0.1μm~1μm,因此可以在几乎不影响工件原来尺寸的情况下提高工件表面的各种物理性能和化学性能,并能够维持工件尺寸基本不变,镀后不须再加工。
5、PVD镀膜能够镀出膜层的颜色有如下多种目前能够做出的膜层的颜色有深金黄色,浅金黄色,咖啡色,古铜色,灰色,黑色,灰黑色,七彩色等。
通过控制镀膜过程中的相关参数,可以控制镀出的颜色。
6、涂层的特性①硬度涂层带来的高表面硬度是提高刀具寿命的最佳方式之一。
一般而言,材料或表面的硬度越高,刀具的寿命越长。
PVD涂层技术PVD涂层技术简介PVD即物理气相沉积,是当前国际上广泛应用的先进的表面处理技术。
其工作原理就是在真空条件下,利用气体放电使气体或被蒸发物质部分离化,在气体离子或被蒸发物质离子轰击作用的同时把蒸发物或其反应物沉积在基底上。
它具有沉积速度快和表面清洁的特点,特别具有膜层附着力强、绕射性好、可镀材料广泛等优点。
PVD涂层性能特点镀膜的属性·金属外观·颜色均匀一致·耐久的表面,在各种基本的空气和直射阳光环境条件下永久保持良好外观。
·颜色深韵、光亮·经济,可减少清洗和擦亮电镀黄铜或金色所必须的时间和成本。
·对环境无害,避免化学中毒和VOC的散发。
·具生物兼容性镀膜特性·卓越的附着力-可以折弯90度以上不发生裂化或者剥落(PVD镀膜持有很高附着力和耐久力)。
其它的技术,包括电镀,喷涂都不能与其相比。
·可以蚀刻出任何能够想象出的设计图案。
·可以使用在内装修或者室外·抗氧化,抗腐蚀。
PVD膜层抵抗力·耐腐蚀,化学性能稳定。
·抗酸·在常规环境下,户内或者户外,都抗氧化,不褪色,不失去光泽并不留下痕迹。
·正常的使用情况下不会破损。
·不褪色。
·容易清除油漆和笔迹。
·在强烈的阳光,咸的湿地和城市环境下,都不失去光泽,不氧化,不褪色,不脱落和爆裂。
膜层颜色种类繁多,表面细腻光滑,富有金属光泽,永不褪色。
在烈日、潮湿等恶劣环境中不变色、不脱落,性能稳定。
高度耐磨损,耐刮擦,不易划伤。
可镀材料广泛,与基体结合力强。
高真空离子镀膜技术——对人体和生态环境真正无害。
经济性:节约(减少)了一般镀铜(金)产品所需清洁磨光的时间和花费,使用一块软布和玻璃清洁剂即可清洁干净PVD膜层。
PVD装饰涂层颜色系列PVD可以在不锈钢、铜、锌铝合金等金属上镀制金色、黄铜色、玫瑰金色、银白色、黑色、烟灰色、紫铜色、褐色、紫色、蓝色、酒红色、古铜色等颜色,并能根据您的要求提供所需的颜色及质量。
PVD硬度高端产品装饰涂层必须具有高硬度。
但一般来说,这只是对PVD装饰涂层的一种观念上的要求,因为对于绝大多数由Hauzer设备生产的PVD装饰涂层而言,高硬度是其内在性质。
然而,拥有高硬度的PVD涂层只是解决问题的第一步,因为不仅需要考虑PVD涂层的硬度,而且必须考虑制成品的整体硬度。
PVD涂层非常薄,一般只有0.3~0.5微米。
这就意味着对于任何较大的载荷,产品的硬度是由PVD涂层基体的硬度决定的。
不锈钢、铝和有铜-镍-铬镀层的塑料(如ABS)是典型的基体材料,但它们通常并不具有由这些材料制成的高端产品所要求的合适硬度,而这种硬度又是产品的表面耐磨性所必需的,因此需要在基体与PVD涂层之间形成一层厚而硬的中间层。
由于涂层会随着厚度的增大而变得粗糙,从而使涂层表面丧失光亮,因此加厚PVD涂层并不是一个好的选择——它只会使表面变得粗糙难看!这就提出了一个附加要求:厚而硬的中间层应具有非常低的粗糙度。
这样才能使沉积在中间层上面的PVD装饰涂层保持高光亮表面。
理论上,对于这些中间层可以有多种选择。
下面介绍一些公司已经开发成功或正在开发的中间层。
应用于不锈钢基体的CrN涂层在手机、PDA等高端小型电子设备的生产中,不锈钢是一种经常使用的基体材料。
尽管很多人都认为不锈钢是一种硬质基体材料,但在很多情况下,它仍然不能提供足够的耐磨损、抗刮擦能力。
例如,SS304的典型硬度约为250HV0.025(载荷为25克时测得的维氏硬度)。
在此情况下,通过添加一个CrN中间层,可以增加基体+PVD涂层系统的硬度。
CrN涂层的硬度高达3000HV0.0050,是不锈钢基体硬度的若干倍。
中间层的厚度取决于给定载荷下制成品所需硬度,而该硬度又取决于产品所需的耐磨性。
中间层厚度对于制成品硬度起着决定性作用。
对于非常薄的CrN涂层来说,施加的载荷将通过涂层直接传递给基体,因此测得的硬度实际上等于不锈钢基体的硬度。
随着CrN涂层厚度的增加,施加的载荷不再完全通过涂层传递,测得的硬度也开始增大。
作为一家领先的PVD涂层公司,科汇总是不断创新来迎合市场的需求。
科汇推出AL(L)涂层。
特性:
●最新劈裂电弧涂层
●含Si纳米复合涂层
●超硬纳米涂层
●极高抗热性能
●适合硬切削
●古铜色,纳米硬度4300Hv,纳米厚度1~3µm。
摩擦系数0.3。
最高应用温度1200℃
某精密切削技术股份有限公司是中国精密切削刀具领域里最有影响力的企业之一。
某精密切削技术股份有限公司对科汇涂层产品的评价如下:
1. 使用了科汇AL(L)涂层技术的钻头,加工孔数由原来的2, 000个,增加到3, 000个。
2. 提高了加工的质量,刀具的使用寿命也增加了。
涂层前后寿命(加工数量)对比:
通过测试对比显示:B公司涂层性能弱与科汇AL(L)涂层刀具:2刃钨钢外冷麻花钻规格:D10.3*55
加工材料:40Cr钢
转速:2600 RPM
切削速度:85 m/min
进给速度:520mm/min
每转进给量:0.02mm/Rev 切深:30 mm (盲孔)
冷却方式:油冷却
B公司涂层寿命
AL(L)涂层寿命
通过先进的瑞士加工中心进行切削试验
钻头AL(L)涂层。
一、常见电泳漆特性产品名称用途及特性高性能阳极电泳漆1.高透明度及饱满度,具有特别光泽及透明性,涂装后具有高度立体效果,底材颜色表露无遗。
2.高硬度,温度为170℃烘烤时,硬度可达到4H。
3.好流平性,漆膜感强,漆膜滑感好。
4.强结合力及渗透力,涂料无孔不入,湿膜及干膜结合力强。
5.耐变色及防腐性能佳,产品色泽持久艳丽,耐腐效果绝佳。
6.电泳均一性好,漆膜均匀平坦。
7.耐冲击及耐人工汗性能好。
8.应用范围广,可用于金属电镀件,贵金属饰件,灯具,钟表,眼镜,火机饰品,手机片、锁具及高档家具五金件的表面防护装饰。
9.与各种色浆配套可电泳出K金色、咖啡色、枪黑色、红、蓝,绿等各类颜色。
10.与哑光离子配合,可达到半哑的各种效果。
ELECTROCLEAR2000阴极电泳漆1、漆膜有很好的光泽度、透明性及硬度。
2、非常适合于各类金属、合金或电镀底材的电泳涂装。
3、溶液稳定可靠、工艺操作简单、维护容易。
EC-6200阴极电泳漆1、硬度可达3-5H。
2、适用于多数金属的装饰、防蚀和防变色处理。
EC-6800阴极电泳漆1、适用于金、银、镍、铜及其合金等各种底材。
2、漆膜具有极好的亮度和硬度,厚膜之下也无桔皮之忧。
3、工艺稳定,操作简单,维护容易。
高亮度EC-6110黑色电泳漆1、热重损失低。
2、低炉烟。
3、不影响漆面黄变性。
4、高光泽度及低光泽变化率。
5、平坦性优良、操作电压低。
6、溶剂使用量低。
二、镀铜工艺简介产品名称用途及特性DT-Cu无氰碱铜1、在钢铁及锌合金上可直接点镀铜。
2、溶液成分简单、稳定,容易操作。
3、镀层结合力好,深镀能力好,取代剧毒的氰化镀铜。
T2高效率碱性光亮镀铜工艺1、铜镀层结晶细致,均匀及光亮。
2、电流密度范围宽,覆盖能力极佳。
3、有机或无机杂质容忍度高,易于控制。
4、适用于不同基体的工件,尤为适合于锌合金铸件。
5、镀液可用氰化钾或氰化钠配方,效果同样理想。
高效单一酸铜光剂CU-801、铜镀层结晶细致,出光快,均匀及镜面光亮。
PVD镀和DLC区别为:特性不同、方法不同、用途不同。
一、特性不同1、PVD镀:PVD镀具有耐磨、耐腐蚀、装饰、导电、绝缘、光导、压电、磁性、润滑、超导等特性。
2、DLC:DLC具有硬度高,摩擦系数低,耐磨,耐腐蚀,抗粘结性好且环保等特性。
二、方法不同1、PVD镀:PVD镀的方法有,真空蒸镀、溅射镀膜、电弧等离子体镀、离子镀膜,及分子束外延等。
2、DLC:DLC的方法有真空蒸发、溅射、等离子体辅助化学气相沉积、离子注入等。
三、用途不同1、PVD镀:PVD镀广泛应用于航空航天、电子、光学、机械、建筑、轻工、冶金、材料等领域。
2、DLC:DLC广泛应用于机械功能领域,如钻头、铣刀、光盘模具及其辅助模具、剪刀、刮胡刀刀片、粉末冶金成型模具、塑胶成型模具、引线框弯曲模具、玻璃片成型模具、镁合金加工模具、在轴承等。
扩展资料:DLC涂层的基本概念和特点:在当今的生活中,不管是哪一种机械设备都能用到许多小部件,你知道吗,这些小部件全部都是由DLC涂层进行加工制成的,这样说的话可能会比较复杂,那么下面立仁爱邦就来为大家详细的介绍一下DLC涂层的基本概念和特点:只要能用到电,就可以进行工作了,而且引弧的过程也和电焊十分的相似,仔细来说的话,DLC涂层厂在一定工艺气压之下,引弧针与蒸发离子源进行短暂的接触,然后在断开,这样可以使气体放电。
但是多弧镀的成因主要是借助于不时挪动的弧斑,在蒸发源外表上连续构成熔池,使金属蒸发后,堆积在上而得到薄膜层的,与磁控溅射相比,它不但有靶材应用率高,更具有离化率高。
此外,多弧镀涂层颜色较为稳定,特别是在做TiN 涂层时,每一次均容易得到相同稳定的金黄色,令磁控溅射法望尘莫及。
dlc涂层厂多弧镀的缺乏之处是,在用传统的DC 电源做低温涂层条件下,当涂层厚度到达0.3μm 时,堆积率与反射率接近,成膜变得十分艰难。
而且,薄膜外表开端变朦。
多弧镀另一个不足之处是,由于金属是熔后蒸发,因而堆积颗粒较大,致密度低,耐磨性比磁控溅射法成膜差。
氟碳树脂 PVDFPVDF T-1是一种粉末状的聚偏氟乙烯产品,可以与丙烯酸树脂、添加剂等混配形成性能优越的烘烤型 PVDF 氟碳涂料。
其各种理化性能和制漆性能接近国外产品,同国内其他牌号的PVDF相比,在批次稳定性、分散研磨性能和耐黄变性能等方面,更适合于制备烘烤型 PVDF 氟碳涂料中的罩面涂料、浅色涂料。
产品特性项目单位指标ASTM测试方法外观-白色粉末/气味-无/纯度,≥%99.5PVDF标准相对密度-1.74~1.77D 792 ,@23/ 23 ℃熔点℃156~165D 3418熔融指数g/10min0~2.0D 1238 ,230 ℃ , 10kg热分解温度℃382~393TGA , 1%Wt. Loss , Air溶解性-澄清透明,无杂质1g/10ml 30 ℃ 1hr NMP含水率,≤%0.1Karl FischerPVDF 氟碳涂料应用制备与施工PVDF 氟碳涂料广泛应用于户外有超耐侯要求的铝极幕墙,涂层铝极、钢板和铝型材的高档面漆。
采用 PVDF T-1 为涂料通过适当的混配(其中树脂中 PVDF 含量≥70 %)可制成分散型涂料和粉末涂料。
亦可制成有机溶剂型 PVDF 氟碳涂料。
PVDF 氟碳涂料的涂膜方法主要有辊涂、刷涂、浸涂、喷涂和粉末静电喷涂等。
经高温烘烤冷却结晶制成涂膜。
目前应用最广泛的为分散型和粉末 PVDF 涂料,应用最广泛的涂敷方法为喷涂和辊涂。
以 PVDF 为主要成膜物质的涂层有着优异的性能,主要体现为以下特点:超耐侯性。
户外使用可达 20 年以上。
耐腐浊性和耐化学品优异,抗渗透性能好。
物理力学性能优异,后加工性能好。
耐污染性能好。
良好的耐温性,涂层可在 -60 ℃ -150 ℃ 范围内长期使用。
PVDF(聚偏氟乙烯)氟碳树脂在高耐侯涂料中的应用PVDF涂料以其优异的耐候性、耐化学品性、耐污染性、易维护性等,在户外建筑领域有着广泛的应用市场和前景。
但PVDF氟碳树脂的主要供应厂家所采取的认证制度,国内厂家无法获得原料,而无法对涂料制造、施工应用方面从事进一步的研究,因此国内PVDF氟碳技术的发展相对要落后和缓慢,但近几年来,氟碳涂料在国内取得了很大的进展,并成为涂料行业近年来的一大热点,这加速了树脂生产、涂料制造和施工应用方面的进步,引导和推动了市场的发展。
pvd镀层附着力要求
PVD( 物理气相沉积)镀层的附着力是指镀层与基材之间的结合强度。
良好的附着力是确保(PVD(镀层长期稳定和有效的关键因素之一。
以下是一些常见的(PVD(镀层附着力要求:
1.(镀层结合强度:PVD(镀层应与基材表面形成紧密的化学键合,以确保镀层在使用过程中不易剥落或脱落。
2.(耐磨性:PVD(镀层应具有良好的耐磨性能,以抵抗日常使用过程中的磨损和刮擦。
3.(耐腐蚀性:对于一些应用,PVD(镀层需要具有一定的耐腐蚀性能,以抵抗外界环境对基材的侵蚀。
4.(热稳定性:在一些高温环境下,PVD(镀层应保持其附着力和性能,不因温度变化而失效。
5.(镀层厚度:镀层的厚度也会影响其附着力。
一般来说,较厚的镀层具有更好的附着力,但也会增加成本和加工难度。
为了满足这些要求,PVD(镀层的制备过程需要严格控制,包括基材的预处理、镀层材料的选择、沉积工艺参数的优化等。
此外,还可以通
过后处理工艺 如退火、回火等)来进一步提高镀层的附着力。
PVD(镀层的附着力要求取决于具体的应用场景和性能需求,需要在设计和制备过程中充分考虑。
PVD涂层介绍PVD涂层介绍0001、什么是PVDPVD是英文Physical Vapor Deposition的缩写,中文意思是“物理气相沉积”,是指在真空条件下,用物理的方法使材料沉积在被镀工件上的薄膜制备技术。
PVD镀膜技术的应用主要分为装饰镀和工具镀:①装饰镀的目的主要是为了改善工件的外观装饰性能和色泽,同时使工件更耐磨耐腐蚀延长其使用寿命,这方面主要应用五金行业的各个领域,如门窗五金、锁具、卫浴五金等行业。
②工具镀的目的主要是为了提高工件的表面硬度和耐磨性,降低表面的摩擦系数,提高工件的使用寿命,这方面主要应用在各种切削刀具(如车刀、铣刀、钻头、锯片)等产品中。
2、PVD镀膜的具体原理离子镀膜(PVD镀膜)技术,其原理是在真空条件下,采用低电压、大电流的电弧放电技术,利用气体放电使靶材蒸发并使被蒸发物质电离,在电场的作用下,使被蒸发物质或其反应产物沉积在工件上。
3、PVD镀膜能够镀出如下的膜层种类PVD镀膜技术是一种能够真正获得微米级镀层且无污染的环保型表面处理方法,它能够制备各种单一金属膜(如铝、钛、锆、铬等)、氮化物膜(TiN[钛金]、ZrN〔锆金〕、CrN、TiAlN)和碳化物膜(TiC、TiCN),以及氧化物膜(如TiO等)。
4、PVD镀膜膜层的厚度PVD镀膜膜层的厚度为微米级,厚度较薄,一般为0.1μm~5μm,其中装饰镀膜膜层的厚度一般为0.1μm~1μm,因此可以在几乎不影响工件原来尺寸的情况下提高工件表面的各种物理性能和化学性能,并能够维持工件尺寸基本不变,镀后不须再加工。
5、PVD镀膜能够镀出膜层的颜色有如下多种目前能够做出的膜层的颜色有深金黄色,浅金黄色,咖啡色,古铜色,灰色,黑色,灰黑色,七彩色等。
通过控制镀膜过程中的相关参数,可以控制镀出的颜色。
6、涂层的特性①硬度涂层带来的高表面硬度是提高刀具寿命的最佳方式之一。
一般而言,材料或表面的硬度越高,刀具的寿命越长。
PVD涂层原理及特点
一、PVD涂层的定义:
PVD是英文Physical Vapor Deposition(物理气相沉积)的缩写,是指在真空条件下,采用低电压、大电流的电弧放电技术,利用气体放电使靶材蒸发并使被蒸发物质与气体都发生电离,利用电场的加速作用,使被蒸发物质及其反应产物沉积在工件上。
二、PVD涂层原理:
物理气象沉积是一种物理气象反映生长法.沉积过程是在真空或低气压气体放电条件下,即在80~200℃等离子体条件中进行的.涂层的物质源是固态物质,利用气体放电或加熱的方式使靶材蒸发或电离,经过“蒸发或溅射”后,在电场的作用下,在工件表面生成与基材性能不同的新的固态物质涂层。
三、PVD涂层特点:
具有表面硬度高、耐磨性好、化学性能稳定、耐热耐氧化、摩擦系数小等特点。
切屑时比未涂层刀具提高刀具寿命3~5倍,提高切屑速度,提高加工精度。
PVD硬度高端产品装饰涂层必须具有高硬度。
但一般来说,这只是对PVD装饰涂层的一种观念上的要求,因为对于绝大多数由Hauzer设备生产的PVD装饰涂层而言,高硬度是其内在性质。
然而,拥有高硬度的PVD涂层只是解决问题的第一步,因为不仅需要考虑PVD涂层的硬度,而且必须考虑制成品的整体硬度。
PVD涂层非常薄,一般只有0.3~0.5微米。
这就意味着对于任何较大的载荷,产品的硬度是由PVD涂层基体的硬度决定的。
不锈钢、铝和有铜-镍-铬镀层的塑料(如ABS)是典型的基体材料,但它们通常并不具有由这些材料制成的高端产品所要求的合适硬度,而这种硬度又是产品的表面耐磨性所必需的,因此需要在基体与PVD涂层之间形成一层厚而硬的中间层。
由于涂层会随着厚度的增大而变得粗糙,从而使涂层表面丧失光亮,因此加厚PVD涂层并不是一个好的选择——它只会使表面变得粗糙难看!这就提出了一个附加要求:厚而硬的中间层应具有非常低的粗糙度。
这样才能使沉积在中间层上面的PVD装饰涂层保持高光亮表面。
理论上,对于这些中间层可以有多种选择。
下面介绍一些公司已经开发成功或正在开发的中间层。
应用于不锈钢基体的CrN涂层在手机、PDA等高端小型电子设备的生产中,不锈钢是一种经常使用的基体材料。
尽管很多人都认为不锈钢是一种硬质基体材料,但在很多情况下,它仍然不能提供足够的耐磨损、抗刮擦能力。
例如,SS304的典型硬度约为250HV0.025(载荷为25克时测得的维氏硬度)。
在此情况下,通过添加一个CrN中间层,可以增加基体+PVD涂层系统的硬度。
CrN涂层的硬度高达3000HV0.0050,是不锈钢基体硬度的若干倍。
中间层的厚度取决于给定载荷下制成品所需硬度,而该硬度又取决于产品所需的耐磨性。
中间层厚度对于制成品硬度起着决定性作用。
对于非常薄的CrN涂层来说,施加的载荷将通过涂层直接传递给基体,因此测得的硬度实际上等于不锈钢基体的硬度。
随着CrN涂层厚度的增加,施加的载荷不再完全通过涂层传递,测得的硬度也开始增大。
超晶pvd涂层技术
超晶PVD涂层技术是一种物理气相沉积(Physical Vapor Deposition,简称PVD)技术,用于在表面形成具有优异性能的涂层。
这种技术广泛应用于各种工业领域,包括汽车、航空航天、电子、医疗设备等。
PVD涂层技术是通过在真空环境中,利用电子束蒸发、磁控溅射、弧光放电等方法,将固体材料蒸发或溅射成粒径很小的原子或分子,并沉积在待涂层物体表面上,形成一层薄膜。
超晶PVD涂层技术是在传统的PVD技术基础上的一种改进,通过优化沉积工艺参数和材料选择,可以制备出具有特殊晶粒结构的涂层。
超晶PVD涂层技术具有以下特点和优势:
1. 超晶涂层具有高硬度和优异的耐磨性能,能够提高物体的表面硬度和耐磨性,延长使用寿命。
2. 超晶涂层具有较高的耐腐蚀性能,可以有效保护被涂层物体的表面免受氧化、腐蚀和化学损害。
3. 超晶涂层具有良好的附着力,能够牢固地附着在被涂层物体的表面上,不易剥落或脱落。
4. 超晶涂层具有较高的热稳定性和耐高温性能,可以在高温环境下保持其性能稳定。
5. 超晶涂层可以实现多种功能,例如抗反射、防刮擦、导热、导电等,可根据具体需求进行定制。
总之,超晶PVD涂层技术是一种先进的涂层技术,可以为物体表面提供出色的性能和保护,广泛应用于各个领域,提升产品的品质和寿命。
1/ 1。
刀具涂层的分类
刀具“铠装”,即刀具涂层。
刀具的涂层可以分为以下几种:
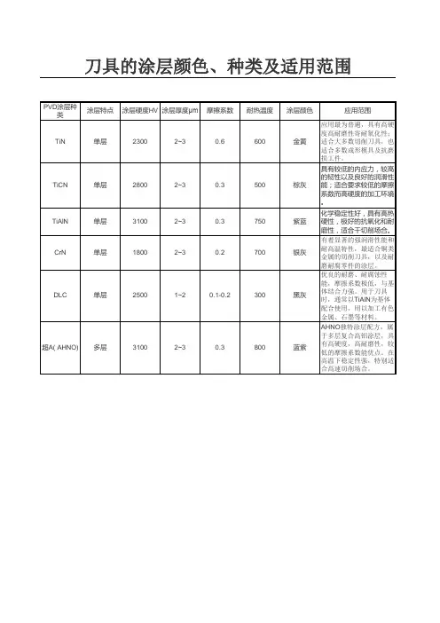
(1)氮化钛涂层(TiN)
TiN是一种通用型PVD涂层,可以提高刀具硬度并具有较高的氧化温度。
该涂层用于高速钢切削刀具或成形工具可获得很不错的加工效果。
(2)氮碳化钛涂层(TiCN)
TiCN涂层中添加的碳元素可提高刀具硬度并获得更好的表面润滑性,是高速钢刀具的理想涂层。
(3)氮铝钛或氮钛铝涂层(TiAlN/AlTiN)
TiAlN/AlTiN涂层中形成的氧化铝层可以有效提高刀具的高温加工寿命。
主要用于干式或半干式切削加工的硬质合金刀具可选用该涂层。
根据涂层中所含
铝和钛的比例不同,AlTiN涂层可提供比TiAlN涂层更高的表面硬度,因此它是高速加工领域又一个可行的涂层选择。
(4)氮化铬涂层(CrN)
CrN涂层良好的抗粘结性使其在容易产生积屑瘤的加工中成为首选涂层。
涂覆了这种几乎无形的涂层后,高速钢刀具或硬质合金刀具和成形工具的加工性能将会大大改善。
(5)金刚石涂层(Diamond)
CVD金刚石涂层可为非铁金属材料加工刀具提供最佳性能,是加工石墨、金属基复合材料(MMC)、高硅铝合金及许多其它高磨蚀材料的理想涂层(注意:纯金刚石涂层刀具不能用于加工钢件,因为加工钢件时会产生大量切削热,并导致发生化学反应,使涂层与刀具之间的粘附层遭到破坏)。
适用于硬铣、攻丝和钻削加工的涂层各不相同,分别有其特定的使用场合。
此外,还可以采用多层涂层,此类涂层在表层与刀具基体之间还嵌入了其它涂层,可以进一步提高刀具的使用寿命。
顺易为生产的不粘涂料,也可以用于刀具上,而且还具体不同的特性,点击这里对:不粘涂料,进行了解,同时我们还有研发其它各种涂料,分别有机硅不粘涂料、PES油性不粘涂料及水性氟碳涂料,已经获得国家注册专利的认证通过。
产品具有优质的不粘性,耐温性,耐腐蚀等性能,绿色环保无毒的新材料配方,率先通过了美国药物食物安全认证的FDA;欧盟ROHS,REACH;德国LFGB等各项标准>>>相关推荐:。