环形混凝土电杆检验报告Gφ190×10米×M级
- 格式:doc
- 大小:94.00 KB
- 文档页数:4
1南方电网公司一级物资集中采购2012年下半年配网框架(10KV)环形混凝土电杆(110kV兴关变电站10kV出线工程)(220kV渔安变10kV出线工程)技术协议需方:贵州电网公司贵阳供电局供方:安顺市辉腾电力物资有限公司中国南方电网有限责任公司2012年11月目录1 总则 (1)2 工作范围 (1)2.1. 范围和界限 (1)2.2. 服务范围 (2)3 应遵循的主要标准 (2)4 使用条件 (3)4.1. 正常使用条件 (4)4.2. 特殊使用条件 (4)5 技术要求 (5)5.1 基本参数 (5)5.2 结构和功能要求 (5)6 试验要求 (10)7 产品对环境的影响 (11)8常用型号及技术参数 (12)9技术文件 (14)10起吊、运输和贮存 (14)10.1 起吊 (14)10.2 标志 (14)10.3 贮存 (15)10.4 运输 (16)11 卖方需说明的其他问题 (16)附录A:预应力、部分预应力混凝土锥形杆开裂检验弯矩附录B:整根钢筋混凝土锥形杆开裂检验弯矩附录 C:组装钢筋混凝土锥形杆开裂检验弯矩附录D:大拔梢杆(高强杆)开裂检验弯矩1 总则1.1 本招标技术文件适用于中国南方电网公司电网建设工程项目采购的环型钢筋混凝土电杆, 它提出了该设备本体及附属设备的功能设计、结构、性能、安装和试验等方面的技术要求。
1.2 本设备招标技术文件提出的是最低限度的技术要求。
凡本招标技术文件中未规定,但在相关设备的行业标准、国家标准或IEC 标准中有规定的规范条文,卖方应按相应标准的条文进行设备设计、制造、试验和安装。
对国家有关安全、环保等强制性标准,必须满足其要求。
1.3 如果卖方没有以书面形式对本招标技术文件的条文提出异议, 则意味着卖方提供的设备完全符合本招标技术文件的要求。
如有异议, 不管是多么微小, 都应在报价书中以“对招标技术文件的意见和同招标技术文件的差异”为标题的专门章节中加以详细描述。
环形钢筋混凝土等径电杆在检测力学性能过程中的注意事项【摘要】环形混凝土电杆分为预应力钢筋混凝土电杆、部分预应力钢筋混凝土电杆、非预应力钢筋混凝土电杆。
等径电杆属于非预应力钢筋混凝土电杆,等径电杆是水泥电杆的一种,由钢筋和混凝土组合而成,因为其顶端和底端直径一样大,故称之为等径电杆(以下简称等径杆)。
等径电杆一般用在变电站里面,用作变电站里面的线路支柱,如需要较长的等径杆作为支柱,可以进行焊接或者是法兰对接。
本文针对等径电杆的力学性能检验,提出一些关键性问题。
【关键词】环形混凝土电杆;等径;弯矩;评定1 等径杆的规格型号例:Φ300×6×35×GΦ300:电杆直径300mm,6:长度6m,弯矩:35KN.m,G:钢筋杆等径杆弯矩等级表见表1:表1 等径杆标准检验弯矩注:①用简支式试验,标准检验弯矩即两加荷间断面处的最大弯矩.②电杆承载力检验弯矩Mu=[βu]Mk,〔βu〕—承载力综合检验系数允许值为2.0.③经供需双方协议,也可生产其他承载力检验弯矩的电杆.④按照上级主管部门批准的图纸生产的产品,则根据图纸注明的要求进行检验.2 弯矩与配筋有关系等径杆的配筋一般有:12×Φ12,12×Φ14,12×Φ12,14×Φ14,1等。
3 固定电杆根据中华人民共和国国家标准GB/T4623—2006中试验方法,等径电杆采用简支式试验装置。
试验装置示意图1。
图11.宽150mm硬木制成的U型垫板;2.测力传感器;3.支座位移百分表;4.挠度传感器;Pu—荷载;L0—跨距;L—杆长.(1)A、B是一个宽150mm硬木制成的U型垫板,使其电杆一侧的底部不能随意的移动,即使移动也较小可以从百分表读出。
对于很多生产厂家,一是对电杆的检测不够重视,二是由于场地的限制。
绝大部分厂家在检测中,都是在生产线上或者是一侧有混凝土现浇板上,这样对电杆的底部存在固定不牢(主要是受力比较大)。
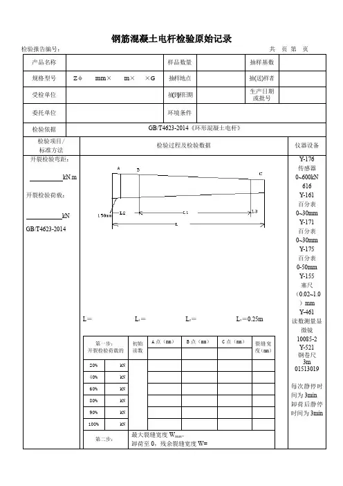
钢筋混凝土电杆检验原始记录
检验报告编号:共页第页L=L1=L2=L3=0.25m
第一步:
开裂检验荷载的初始
读数
A点(mm)B点(mm)C点(mm)裂缝宽
度(mm)
20% kN 40% kN 60% kN 80% kN 90% kN 100% kN
第二步:最大裂缝宽度W max=
卸荷至0,残余裂缝宽度W=
校核:检验:检验地点:检验日期:
检验报告编号:共页第页
校核:检验:检验地点:检验日期:
检验报告编号:共页第页
校核:检验:检验地点:检验日期:
校核:检验:检验地点:检验日期:
检验报告编号:共页第页
校核:检验:检验地点:检验日期:
检验报告编号:共页第页
校核:检验:检验地点:检验日期:
检验报告编号:共页第页
校核:检验:检验地点:检验日期:。
环形预应力混凝土电杆检验计划一、环向预应力混凝土电杆标准依据gb4623-94《环向预应力混凝土电杆使用标准》。
二、电杆规格ф150×8000×c×y、ф190×10000×e×y、ф190×12000×g×y。
三、材料环评砂子、碎石、水泥、钢筋必须有质量证明书。
质量检验员对到货品质量严格检验,对存在问题做出检验记录,对处理意见形成文字资料。
四、生产过程的质量控制1、电杆生产工序钢筋加工预应力钢丝经调直、的定短阻断后的长度相对误差不大于1.5/10000.ф150×8m钢筋容许误差:8000×1.5/10000=1.2mmф190×10m钢筋容许误差:10000×1.5/10000=1.5mmф190×12m钢筋容许误差:12000×1.5/10000=1.8mm非预应力钢筋对焊宜采用闪光电焊,其接头处强度应不小于钢筋本身强度,接头应焊透,不得有夹杂物,气泡等缺陷,钢筋表面无裂纹。
(1)镦头、缠环筋镦头的直径通常为钢筋直径的1.5-1.8倍,镦头严禁碎裂和存有裂纹。
镦头压力规定为33-35mpa。
将大、小涨拉盘上的水泥浆清除,刷上废机油,开始穿筋,8m杆8根主筋,10m杆12根主筋,12m杆15根主筋,穿筋要求位置准确,严禁错位。
缠环筋、环筋直径,螺距布置应符合如下规定:环筋直径:稍径≤190mm的锥形杆或直径<250mm的等径杆,螺旋筋直径宜使用3.0mm。
环筋间距、稍径≤150mm的杆段,螺距≤150mm,稍径≥190mm的杆段,螺距为50-100mm。
ф150×8m电杆距两端150mm距离处,环筋间距均为100mm,其余为150mm;环筋圈数63圈,ф190×10mm、ф190×12m环筋间距为100mm,环筋圈数分别为106圈、126圈。
混凝土电杆基础检查及评级记录表线基4…………………………………………装订线…………………………………………杆塔号1#杆塔型DMD5。
-1施工基面原面施工日期基础型砼预制构件检查日期序号检查(检验)项目性质质量标准(允许偏差)检查结果评级合格优良 A B C D E F1 预制件规格、数量关键符合设计和《规范》第2.0.19条要求符合设计要求合格2 预制件强度关键设计值:C20 试块强度/MPa:32.2试验报告编号:伊检合格符合设计要求3 铁件、金具规格、数量关键符合设计要求符合设计要求合格4 底盘埋深/mm关键设计值:2*1500左1507 右1502 合格+100,-50 -100,-05 拉盘埋深/mm关键设计值:2200 A B C D E F合格+100 2210 2210 2220 2230 / /6 卡盘埋深/mm关键设计值上盘:/中盘:/下盘:/左上/ 右上//左中/ 右中/左下/ 右下/±50 ±40 /7 底盘高差关键符合《规范》第6.1.8条符合设计要求合格8基础中心位移/mm顺线路关键50 4020 合格横线路50 409 回填土关键符合《规范》第4.0.7条、第4.0.8条、第4.0.9无沉陷、防沉层完整美观无沉陷、完整美观无沉陷、完整美观无沉陷完整美观合格10根开尺寸/mm设计值一般35003521 合格110kV/mm ±30 ±24220~330kV/‰±5 ±4500kV/‰±3 ±2.511 迈步110kV/mm一般30 245 合格220~330kV/‰ 1 0.8500kV/‰D 5 412 拉线盘中心位移一般沿拉线方向,其左、右:1%L A B C D E F合格沿拉线方向其前、后:1°/ / / / / /13 拉线棒外观无弯曲、无锈蚀回头方向一致整齐/ / / / / / 合格备注L为拉线盘中心至拉线挂点的水平距离。
国家标准GB4623-2014《环形混凝土电杆》(以下简称《电杆标准》)已经发布实施两年多了,它虽然是对2006年版标准的修订,大家也都能较为熟练地掌握和运用,但在执行过程中,还是发现了一些问题,因此有必要再次对其进行详细解读,以引起从业者的高度重视,更好地发挥标准引导市场和指导生产的积极作用。
一、强制性标准改为推荐性标准,只要合同约定就应全面执行2014年版《电杆标准》在发布实施时由2006年版推荐性标准改为强制性标准,去年国家标准化管理委员会对标准进行清理整合,将产品类标准多数又改为推荐性标准,仅保留为数不多的与人民安全息息相关的产品标准为强制性标准,这样2014年版《电杆标准》又被改为推荐性标准,现在也可以写为GB/T4623-2014《环形混凝土电杆》。
这里要强调的是,不要错误地认为推荐性标准就可以不执行,一旦在合同约定中执行该项标准,就应该全面执行该标准的所有条款,只是在生产、签定合同时也可以选择执行同类产品的行业、地方、协会或企业标准等。
二、电杆产品按不同配筋方式分类《电杆标准》第4.1条规定,产品按不同的配筋方式国家标准《环形混凝土电杆》解读单庆威徐州三元杆塔有限公司可分为三种:钢筋混凝土电杆、预应力混凝土电杆、部分预应力混凝土电杆。
《电杆标准》中对三种杆型分别进行了定义,在力学性能试验中,也是采用不同的试验方法和评定标准,不能把预应力混凝土电杆或部分预应力混凝土电杆按照钢筋混凝土电杆标准来检验。
部分预应力混凝土电杆同钢筋混凝土电杆、预应力混凝土电杆相比性能最优,也较为经济合理,但是目前工程招标中很少采用,建议大家积极引导用户多采用。
三、科学选用电杆规格型号系列表中的具体规格型号2014年版《电杆标准》虽然对电杆规格型号表进行了修改,但仍然存在不足,可能会误导用户在实际工程中选用,如:钢筋混凝土电杆φ190×10×G级、φ190×12×I 级、φ190×15×I级、φ230×15×L级,这样选用没有技术经济性,有的可改为预应力电杆或小直径电杆较为合理。
混泥土电杆组立检查及评级记录混泥土电杆组立检查及评级记录(续1)混泥土电杆组立检查及评级记录(续2)混泥土电杆组立检查及评级记录混泥土电杆组立检查及评级记录(续1)混泥土电杆组立检查及评级记录(续2)混泥土电杆组立检查及评级记录混泥土电杆组立检查及评级记录(续1)混泥土电杆组立检查及评级记录(续2)混泥土电杆组立检查及评级记录混泥土电杆组立检查及评级记录(续1)混泥土电杆组立检查及评级记录(续2)混泥土电杆组立检查及评级记录混泥土电杆组立检查及评级记录(续1)混泥土电杆组立检查及评级记录(续2)混泥土电杆组立检查及评级记录混泥土电杆组立检查及评级记录(续1)混泥土电杆组立检查及评级记录(续2)混泥土电杆组立检查及评级记录混泥土电杆组立检查及评级记录(续1)混泥土电杆组立检查及评级记录(续2)混泥土电杆组立检查及评级记录混泥土电杆组立检查及评级记录(续1)混泥土电杆组立检查及评级记录(续2)混泥土电杆组立检查及评级记录混泥土电杆组立检查及评级记录(续1)混泥土电杆组立检查及评级记录(续2)混泥土电杆组立检查及评级记录混泥土电杆组立检查及评级记录(续1)混泥土电杆组立检查及评级记录(续2)混泥土电杆组立检查及评级记录混泥土电杆组立检查及评级记录(续1)混泥土电杆组立检查及评级记录(续2)混泥土电杆组立检查及评级记录混泥土电杆组立检查及评级记录(续1)混泥土电杆组立检查及评级记录(续2)混泥土电杆组立检查及评级记录混泥土电杆组立检查及评级记录(续1)混泥土电杆组立检查及评级记录(续2)混泥土电杆组立检查及评级记录混泥土电杆组立检查及评级记录(续1)混泥土电杆组立检查及评级记录(续2)混泥土电杆组立检查及评级记录混泥土电杆组立检查及评级记录(续1)混泥土电杆组立检查及评级记录(续2)混泥土电杆组立检查及评级记录混泥土电杆组立检查及评级记录(续1)混泥土电杆组立检查及评级记录(续2)混泥土电杆组立检查及评级记录混泥土电杆组立检查及评级记录(续1)。