钳工实训教案(初级)
- 格式:doc
- 大小:234.00 KB
- 文档页数:20
《钳工》实习教案课题一 钳工的概述一、目的和要求1.钳工在机械生产过程中的任务及分类。
2.掌握钳工的基本操作技能。
3.了解钳工的安全规范及考核要求。
二、时间:15 分钟三、授课内容1.钳工的任务:①加工零件 ②装配 ③设备维修○ 4 刀具的制造和修理 随着机械工业的日益发展钳工的工作范围愈来愈广泛,需要掌握的技术理 论知识和操作技能也愈来愈复杂,于是产生了专业性的分工,以适应不同工 作的需要。
按工作内容性质来分,钳工工种主要分三类:⑴普通钳工:主要从事机器或部件的装配,调整工作和一些零件的钳工加 工工作。
⑵机修钳工:主要从事各种机械设备的维护和修理工作。
⑶工具钳工:主要从事工具、模具、刀具的制造和修理。
2.钳工基本操作内容不论哪种钳工,首先都应掌握钳工的各项基本操作技能。
具体包括:划线、 錾削、锯削、锉削、钻孔、扩孔、攻螺纹、套螺纹、基本的测量技能、简单 的热处理工艺等。
随着机械工业的日益发展,许多繁重的工作已被机械加工所代替,但那 些精度高、形状复杂零件的加工以及设备安装、调试和维修是机械难以完成的,这些工作仍需钳工精湛的技艺来完成。
因此,钳工是机械制造工业中不 可缺少的工种。
3.钳工实习的安排第一单元、主要进行锉削、锯削练习。
每位同学做一个锤头。
第二单元、进行划线的练习。
第三单元、进行钻孔的练习。
第四单元、攻、套螺纹的练习。
4.钳工实习中的注意事项1)遵守纪律,养成良好的文明生产习惯。
2)量具不能与工具或工件混放在一起,应放在量具盒内。
3)常用的工、量具要放在工作位置附近。
4)工、量具收藏时要整齐的放入抽屉里,不应任意堆放,以防损坏和取 用不方便。
5)不串岗,不随便动用机器设备。
6)清除切屑要用刷子,不直接用手清除或用嘴吹。
5.钳工实习的评分标准(1)实践操作(60 分)a.尺寸 30 分b.操作姿势 15 分c.表面粗糙度 15 分(2)实习报告(10 分)(3)理论考核(20 分)(4)出勤(6 分)(5)安全文明生产(4 分)课题二 锉削一、教学要求1.掌握锉削的站立姿势和动作。
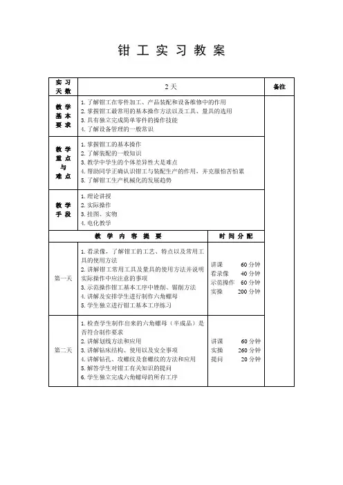
钳工实习教案钳工实习教案(附件)第一天一、看录像,了解钳工的工艺、特点以及常用工具的使用方法二、讲解钳工常用工具及量具的使用方法并说明实际操作中应注意的事项1、钳工工作台一台、錾子、手锯、板锉、半圆锉、圆锉、方锉、三角锉、刀口锉、什锦锉一套、钻头、扩孔钻、铰刀、丝锥、板牙、刮牙和研磨平板。
2、锉削操作注意事项1)锉刀必须装柄使用,以免刺伤手心。
2)虎钳钳口经过淬火处理,不要锉到钳口上,以免磨钝锉刀和损坏钳口。
3)锉削过程不要用手抚摸工件表面,以免再锉时打滑。
4)锉下来的屑末要用毛刷清除、不要用嘴吹,以免屑未进入眼内。
5)锤面堵塞后,用钢丝刷顺着锉纹方向刷去屑未。
6)锉刀放置时,不要几把锉刀堆放在一起,以免磨损锉刀;不要与量具混放,以免损坏量具;不要伸出工作台之外,以免碰落摔断或砸伤脚面。
7)不能用锉刀敲击其他物品,以免折断锉刀。
三、示范操作钳工基本工序中锉削、锯削方法1、锉削1)介绍锉削的加工范围及其可达到的表面粗糙度R a值。
2)介绍锉刀的种类及其选用(1)锉刀按其断面形状可分为平锉(又称板锉)、圆锉、方锉、三角锉、刀口锉等;按其长度可分为100mm、150mm……400mm等规格,此外还有什锦锉;按其齿纹粗细可分为粗齿、中齿,细齿和最细齿等。
(2)锉刀的断面形状按工件加工表面的形状选用;锉刀的长度按工件加工表面的大小选用;锉刀的齿纹粗细按工件材料、加工余量、加工精度和表面粗糙度等情况选用。
3)示范讲解锉削方法(1)顺锉法:是最基本的锉法,可得到正直的锉纹,可用于粗锉和修光。
(2)交叉锉法:切削效率较高,锉刀易掌握平稳,易锉出较平整的平面,适用于粗锉。
(3)推锉法:在工件表面上平稳地推拉锉刀,可得到平整光洁的表面,适用于修光,尤其适宜窄长平面或用顺锉法受阻的情况。
(4)滚锉法:适用于锉削内外圆弧面和内外倒角。
2、锯削1)介绍手锯的结构、锯条的规格、齿距大小及其应用范围。
2)示范讲解锯条的安装方法。
钳工操作实训教案第一章:钳工实训概述1.1 钳工实训的目的与意义使学生了解和掌握钳工基本操作技能培养学生具备一定的钳工实际操作能力强化学生对钳工安全操作的意识1.2 钳工实训的内容钳工基本工艺流程钳工常用工具与设备的使用钳工基本操作技巧1.3 钳工实训的要求学生需严格遵守实训纪律与安全操作规程学生需按时完成实训任务学生需认真填写实训记录第二章:钳工工具与设备2.1 钳工常用工具钳工基本工具的分类与作用钳工工具的选用与使用方法2.2 钳工设备钳工设备的结构与功能钳工设备的维护与保养2.3 安全防护用品安全防护用品的分类与作用安全防护用品的正确使用方法第三章:钳工基本操作3.1 划线划线工具的使用方法划线的基本技巧与注意事项3.2 錾削錾削工具的使用方法錾削的基本技巧与注意事项3.3 锯削锯削工具的使用方法锯削的基本技巧与注意事项3.4 锉削锉削工具的使用方法锉削的基本技巧与注意事项第四章:钳工工艺与操作要点4.1 钳工工艺钳工工艺的分类与特点钳工工艺的选用与实施方法4.2 钳工操作要点钳工操作的基本步骤与要求钳工操作中的常见问题与解决方法4.3 钳工实训案例分析提高学生实训操作能力第五章:钳工实训安全操作规程5.1 钳工实训安全常识钳工实训中的安全注意事项钳工实训中的紧急事故处理方法5.2 钳工设备与工具的安全使用严格遵守设备与工具的使用规程及时发现并排除安全隐患5.3 实训现场管理与维护实训现场的环境卫生与安全管理实训设备的定期检查与维护第六章:钳工实训项目与操作练习6.1 实训项目一:錾削练习学习錾削工具的使用方法完成一定厚度的金属板錾削练习6.2 实训项目二:锯削练习学习锯削工具的使用方法完成一定长度的金属棒锯削练习6.3 实训项目三:锉削练习学习锉削工具的使用方法完成一定平面的锉削练习6.4 实训项目四:钻孔练习学习钻孔工具的使用方法完成一定直径的孔的钻孔练习6.5 实训项目五:装配与调试学习简单机械装配与调试的方法完成一定难度的装配与调试练习第七章:钳工实训评价与考核7.1 实训评价标准操作技能的掌握程度实训任务的完成质量实训过程中的安全与纪律表现7.2 实训考核方式现场操作考核实训过程评价7.3 实训成绩评定综合评价学生的实训表现提出改进与提高的建议第八章:钳工实训中的问题与解决方法8.1 常见问题分析操作不当导致的问题设备与工具使用问题安全问题8.2 解决方法与策略针对问题的具体解决方法预防问题的发生措施提高学生实训能力的途径8.3 实训中的沟通与协作学生之间的沟通与协作与指导教师的良好沟通9.1 实训收获与成长技能掌握方面的进步团队合作与沟通能力的提升安全意识的增强9.2 实训中的不足与反思操作技能方面的不足实训过程中遇到的问题与解决方法对未来学习的展望9.3 实训成果的展示与分享学生作品的展示实训经验的分享与交流第十章:钳工实训建议与改进措施10.1 实训教学的建议教学内容的合理安排实训设备的更新与维护指导教师的培训与选拔10.2 学生学习的改进措施加强基本技能的训练提高学生的自主学习能力培养学生的创新与解决问题的能力10.3 实训环境的优化实训场所的安全与卫生实训设备的充足与先进实训教学资源的整合与共享重点和难点解析一、钳工实训概述:理解实训的目的与意义,掌握实训内容和要求的划分。
一、培训目标通过本次培训,学员应能掌握钳工基本工具的使用方法、常见零部件加工和组装技能,了解安全操作规程,提高实际操作技能,对钳工工作有一个初步的了解和掌握,为今后的学习和工作打下良好的基础。
二、课程设置1. 钳工基本知识2. 钳工基本工具的使用方法3. 钳工常见零部件的加工和组装技能4. 安全操作规程三、教学大纲第一节:钳工基本知识1. 钳工的定义和作用2. 钳工的工作环境和工作条件3. 钳工的职责和要求4. 钳工的发展前景第二节:钳工基本工具的使用方法1. 锉刀的使用方法2. 手锤的使用方法3. 手锉的使用方法4. 量具的使用方法第三节:钳工常见零部件的加工和组装技能1. 螺母、螺栓的加工和组装技能2. 轴承的加工和组装技能3. 连接杆的加工和组装技能1. 钳工作业中的安全注意事项2. 钳工作业中的事故预防和应急措施3. 钳工作业中的紧急救援技能四、教学方式1. 理论课讲解:通过PPT课件和教材讲解钳工基本知识、工具使用方法和安全操作规程;2. 实操演练:老师现场操作示范,学员跟随操作,掌握实际操作技能;3. 综合实践:学员在实际工作环境中进行钳工操作综合练习,应用所学知识和技能。
五、教学进度安排本次钳工培训共设置4个课时,每个课时3小时,共计12小时。
1.第一节:钳工基本知识2.第二节:钳工基本工具的使用方法3.第三节:钳工常见零部件的加工和组装技能4.第四节:安全操作规程如果学员在学习过程中遇到问题,老师将及时进行解答和指导。
六、教学评估1. 知识测验:每节课结束后进行一次知识测验,测试学员对所学知识的掌握情况;2. 操作考核:最后一节课进行操作考核,测试学员对所学技能的掌握情况;3. 教学满意度调查:学员培训结束后填写培训满意度调查表,了解学员对培训教学内容、方法及教师的满意程度,为今后的培训工作提供参考。
七、教学资源1. 教学场地:教室、实验室等;2. 教学设备:PPT课件、教材、钳工工具和零部件;3. 师资力量:熟悉钳工技能,具有一定教学经验的老师;4. 学员条件:对钳工有一定兴趣和学习热情的学员。
第一篇:钳工实训教案课题五:锯削的基本操作方法教学目标:1、知识目标:①、知道锯条的安装要求②、掌握起锯、收锯方法③掌握锯削过程中的压力、速度及锯削的纠偏2、能力目标:①、掌握锯削的正确姿势和操作要领②、提高动手操作能力③、锻炼互相帮助协作的能力3、情感目标①、培养吃苦耐劳的精神②、增强团结协作的意识③、树立良好的竞争意思、学习态度教学重点:锯条的安装要求、起锯方法、收锯技巧教学难点:锯削方式、对锯的压力掌握、锯速以及纠偏学情分析:大部分学生通过前面的学习基本能完成基础件的加工。
课时:1课时教学班级:16级机电海员班教学方法:讲练结合、演示法、讲解法、激励法教学用具:台虎钳、手锯、钢板、高度尺、黑板等教学过程:课前准备:进车间要求:让学生谨记6S管理制度(整理、整顿、清扫、清洁、素养、安全)一、组织教学:②、出勤情况检查及记录②、加强安全教育二、新课引入在日常生活中,很多东西需要切断或切槽,那么我们怎样去进行?--------引入锯削三、新课内容(讲授)一、锯削的定义及加工范围1、定义:用锯对材料或工件进行切断或切槽等的加工方法称为锯削。
(问:同学们想想锯削的工作范围都包括哪些操作?)2、工作范围:①、分割材料②、锯掉工件上多余的余量④在工件上锯槽二、锯削的工具1、锯弓:用于安装和张紧锯条2、锯条:起切削作用3、锯弓的握法(握锯自然舒展、右手握柄,左手扶弓)4、起锯方法:近起锯、远起锯。
起锯角均为15°左右,不宜过大或过小。
四、评分标准1.平面度小于0.06,超差0.01扣1分(28分)四处2.垂直度小于0.06,超差0.01扣1分(28分)四处3.平行度小于0.10,超差0.01扣1分(10分)两处4.尺寸精度在39.94-40.04之间满分,超差0.01扣2分(30)两处5.安全文明生产(4分)五、车间巡查指导六、集合点评,强调工艺流程,强调车间劳动纪录,注重学生动手能力及突发问题处理的能力培养。
钳工实训教案一、教学目标1.掌握钳工基本工具的使用方法;2.掌握钳工常见工件的加工方法;3.培养学生的动手能力和实际操作能力;4.培养学生的安全意识和团队合作精神。
二、教学内容1. 钳工基本工具的使用方法1.锤子的使用方法;2.手锯的使用方法;3.手钻的使用方法;4.手电钻的使用方法;5.手摇钻的使用方法;6.手动磨床的使用方法;7.手动刨床的使用方法;8.手动铣床的使用方法;9.手动钳子的使用方法;10.手动扳手的使用方法;11.手动螺丝刀的使用方法;12.手动卡尺的使用方法;13.手动千分尺的使用方法;14.手动卡板尺的使用方法;15.手动卡簧钳的使用方法。
2. 钳工常见工件的加工方法1.钢板的切割方法;2.钢管的切割方法;3.钢材的切割方法;4.钢板的钻孔方法;5.钢管的钻孔方法;6.钢材的钻孔方法;7.钢板的铣削方法;8.钢管的铣削方法;9.钢材的铣削方法;10.钢板的折弯方法;11.钢管的弯曲方法;12.钢材的弯曲方法;13.钢板的焊接方法;14.钢管的焊接方法;15.钢材的焊接方法。
3. 实际操作1.切割钢板、钢管、钢材;2.钻孔钢板、钢管、钢材;3.铣削钢板、钢管、钢材;4.折弯钢板、弯曲钢管、钢材;5.焊接钢板、钢管、钢材。
三、教学方法1.讲授法:通过讲解、演示等方式,向学生传授钳工基本工具的使用方法和钳工常见工件的加工方法;2.实践法:通过实际操作,让学生掌握钳工基本工具的使用方法和钳工常见工件的加工方法;3.团队合作法:通过分组合作,培养学生的团队合作精神和协作能力。
四、教学流程1. 钳工基本工具的使用方法1.锤子的使用方法–讲解锤子的种类和用途;–演示锤子的正确使用方法;–让学生实际操作锤子,掌握正确使用方法。
2.手锯的使用方法–讲解手锯的种类和用途;–演示手锯的正确使用方法;–让学生实际操作手锯,掌握正确使用方法。
3.手钻的使用方法–讲解手钻的种类和用途;–演示手钻的正确使用方法;–让学生实际操作手钻,掌握正确使用方法。
教学课题钳工入场教育教学课时1学时教学目的对学生钳工生产实习进行再动员。
宣讲实习场纪律要求。
对学生进行入场安全教育。
教学重点钳工的安全问题。
教学难点钳工的安全问题教学准备 1 做好实习计划。
2 排好工位。
教学方法四步教学法教学过程组织教学学生整队入场。
一姜校长讲话。
二钳工实习纪律要求钳工车间学生实习守则1、习学生进入实习场地必须穿好工作服,排队进入车间,各自进入自己的实习岗位。
2、检查自己所用的工、量具是否完好,如有损坏及时上报实习教师。
否则视为自己损坏。
进行赔偿处理。
3、在錾削和锉削时,清除铁屑要用刷子,不能用手和用嘴吹。
4、毛坯和加工零件应放在规定的位置,排列整齐、保证安全,便于取放。
5、工量具随手法不同放在左、右两边,排列整齐,不能伸到钳台外边。
6、量具、工件和工件三者不能混放在一起,量具必须放在量具盒内或专用架上。
7、实习完毕后,各种工、量具必须擦洗干净,放回原处,必须经过实习教师的检查,才能离开车间。
8、实习完毕后,值日生必须协助教师将车间进行清理,以保持车间的卫生。
三钳工车间安全守则钳工安全操作规程1,不得用无手柄的锉刀、刮刀等。
榔头柄安装必须牢固可靠,并加楔确保不脱落。
2.工件夹紧在钳口内要牢固,装夹小而薄的工件时,应小心,以免夹伤手指。
3.一切工具安放要稳当,不要伸出钳桌外,以免受震动或碰掉后摔坏,或造成其他事故。
4.錾子、冲头等尾部不准淬火或有裂纹、卷边、毛刺等情况。
5.挫刀不得叠放,不准用挫刀当锤击工具使用。
6.錾切工件时,不能正面对人。
接近尽头处,锤击力应稍轻,以免切屑飞出伤人。
7.用手锯锯割工件时,用力要均匀,不能重压或强扭,工件快断时,用力要小而慢。
8.攻丝和铰孔时用力要均匀,以免损坏丝锥和铰刀。
9.使用砂轮机和钻床设备时,实习学生应在师傅的指导下进行,并遵守其使用规则。
进入砂轮间磨刀必须通知指导师傅。
四组织学生入场,安排工位,分发工具。
课后回顾:板书设计教学课题钳工入门知识教学目的使学生了解钳工生产实习场地的概况。
《钳工》实习教案•课程介绍与教学目标•钳工基础知识•钳工实习项目一:划线与锯割•钳工实习项目二:锉削与刮削目录•钳工实习项目三:钻孔、扩孔与铰孔•钳工实习项目四:攻丝与套丝•课程总结与展望未来01课程介绍与教学目标钳工的定义与重要性钳工的定义钳工是使用钳工工具或设备,按技术要求对工件进行加工、修整、装配的工种,大多是以手工在虎钳上进行操作。
钳工的重要性钳工是机械制造中最古老的金属加工技术,具有加工灵活、可加工形状复杂和高精度的零件、投资小等优点,是机械制造中的重要工种之一。
教学目标与要求教学目标通过本课程的学习,使学生掌握钳工的基本操作技能,了解钳工工艺的基本知识,培养学生的实践能力和创新精神。
教学要求要求学生掌握钳工的基本操作技能,能够独立完成简单的钳工加工任务,了解钳工工艺的基本知识和相关标准,具备一定的工艺分析能力和解决实际问题的能力。
课程安排与时间课程安排本课程包括理论教学和实践教学两部分,其中理论教学主要讲解钳工的基本知识和相关标准,实践教学则是通过实际操作来掌握钳工的基本操作技能。
时间安排本课程总学时为32学时,其中理论教学16学时,实践教学16学时。
具体安排可根据实际情况进行调整。
02钳工基础知识包括划线工具、錾削工具、锯削工具、锉削工具、钻孔工具、攻螺纹和套螺纹工具等。
钳工常用手工工具钳工常用设备量具与测量包括钻床、砂轮机、切割机等。
游标卡尺、千分尺、百分表等量具的使用及测量方法。
030201钳工常用工具与设备划线掌握平面划线和立体划线的方法和步骤,能够正确选择和使用划线工具。
錾削了解錾削的种类和应用,掌握錾削的操作方法和要领。
锯削掌握锯削的操作方法和要领,能够正确选择和使用锯条。
锉削了解锉削的种类和应用,掌握锉削的操作方法和要领。
钻孔、扩孔和铰孔掌握钻孔、扩孔和铰孔的方法和步骤,能够正确选择和使用钻头、扩孔钻和铰刀。
攻螺纹和套螺纹了解攻螺纹和套螺纹的方法和步骤,能够正确选择和使用丝锥和板牙。
钳工实训教案钳工实训教学方案一、教学目标知识掌握点1.掌握钳工基本工艺的特点和应用,以及所用工具的构造、材料、和特点。
2.熟悉装配的概念,简单部件的装拆方法。
3.了解钳工的实质、特点以及在机械装配和维修中的作用。
4. 了解刮削、扩孔、绞孔和錾削的加工方法和应用。
能力训练点1.熟练掌握钳工基本工艺的操作方法。
2.独立完成含有划线、锯削、锉削、钻孔、攻螺纹和套螺纹的钳工作业件。
3.基本掌握刮削、扩孔、绞孔和錾削等工艺的操作方法。
素质培养点1.培养学生养成安全文明生产的习惯。
2.为学生塑造良好的工程环境,如同真正的工厂生产车间,使学生明确机械零件生产的一般过程和加工过程中应注意的问题。
3.培养学生质量第一的观念。
二、大纲重点、学习难点及化解办法 1.大纲重点(1)掌握钳工基本工艺的特点和应用,以及所用工具的构造、材料特点。
(2)熟练掌握钳工基本工艺的操作方法。
2.学习难点:锯割、锉削等操作方法的掌握。
3.难点化解办法:(1)指导教师多动口、多动手,耐心指导每一位学生。
(2)给学生大量的实践时间,多进行实际操作,在实践过程中总结出规律和技巧。
(3)接触不同的材料,制作难易不同的工件,让学生在乐趣中熟能生巧。
三、教学计划孟州市职业中等专业学校钳工实习教案教学过程引言加强划线技巧,进一步提高划线精度以提高工件加工精度教学内容正文一、划线的注意事项看懂图样,了解零件的作用,分析零件的加工顺序和加工方法;工件夹持或支承要稳妥,以防滑倒或移动;在一次支承中应将要划出的平行线全部划全,以免再次支承补划,造成误差;正确使用划线工具,划出的线条要准确、清晰;划线完成后,要反复核对尺寸,才能进行机械加工。
二、以六棱柱制作作为划线的例子保证六棱柱的边长相等,角度为120o 1、工件:25Xф25的钢件 2、机器设备:钳桌、台虎钳 3、工具:平锉 4、量具:刀口直尺、0 o~180 o组合角度尺、万能角度尺、 5、划线平板、V型快、直尺、划针。
钳工实习教案一、课题内容1、钳工的特点和应用2、钳工常用量具及其使用3、划线和划线方法4、锯割与锯割的基本操作方法5、锉削的基本操作方法6、钻孔和其它加工方法7、攻丝与套丝8、复合作业一:制作六角螺母9、复合作业二:制作手锤二、目的与要求⒈了解钳工的特点和应用⒉着重了解钳工的基本操作方法,掌握基本操作枝能,并能正确调整和使用钳工的简单设备、常用工具、工夹量具与安全技术3.了解实习场地的规章制度及安全文明生产要求三、教具⒈挂图:配备钳工基本知识有关挂图⒉实物:钳工工作台、台虎钳、砂轮、台钻、分度头、平台以及钳工常用工具量具等四、课题课堂安排1、目的要求2、内容讲解3、示范操作4、安全注意事项5、学生操作、巡回指导6、实习结束、总结容及时间安排上作必要的调整。
具体安排根据实习授课计划。
课题一钳工概述一、讲解提纲⒈钳工加工的特点(1)手工操作(2)冷加工(3)加工灵活、操作方便⒉钳工的常用设备(1)钳桌(2)台虎钳(3)砂轮(4)台钻(5)分度头(6)平台及钳工常用工具⒊钳工的基本操作方法(1)划线(2)锯割(3)锉削(4)钻孔(5)攻丝套丝(6)錾削(7)刮削(8)研磨⒋钳工的应用范围(1)装配钳工(2)修理钳工(3)工具钳工(4)模具钳工⒌钳工的安全操作技术(1)安全生产(2)文明生产(3)安全操作规程在实习过程中,如果不遵守工艺操作要求(规程),或缺乏一定的安全知识,很容易发生机械伤害、触电、烫伤等工伤事故,安全生产的基本内容就是安全。
人是生产中的决定因素,而设备是生产手段。
没有人和设备的安全,生产就无法进行,特别是人的安全尤为重要,不能保证人的安全,设备的作用就无法发挥,生产也就不能顺利的、安全的进行。
实习中的安全技术有冷热加工和电器安全技术。
①热加工一般指铸造、锻造、焊接和热处理等工种,其特点是生产过程中常伴随高温、有害气体、粉尘和噪声等严重恶化的劳动条件。
热加工工伤事故中,烫伤、喷溅和砸碰伤害约占事故中的70%,应引起高度重视。
钳工实习教案一、实训目标1、培养学生热爱本工种,增强安全生产和质量意识,具有良好的职业道德。
2、培养学生全面牢固地掌握本工种的基本操作技能、技巧。
(1)能够完成本工种中级技术等级工作的技术操作。
(2)能使用、调整和维护保养本工种的主要设备,正确使用工、夹、量具。
二、实训目的钳工实习培养学生的观察和动手能力,为学生进入专业学习打下了一定的基础。
因此,钳工实习应使学生达到如下目的:1、了解钳工常用工具、量具的名称、规格、用途、使用和维护保养知识;2、正确使用钻床、砂轮机、虎钳等设备,了解这些设备的安全操作及维护保养知识;3、掌握平面划线及立体划线的基本知识,完成平面划线和简单的立体划线;4、掌握錾、锉、锯、钻铰孔等基本操作技能,熟知安全注意事项;5、了解一般工件的加工步骤和方法;6、培养学生的劳动观念,加强组织纪律性,树立吃苦耐牢的工作作风。
1.掌握划线工具的正确使用,明确划线步骤。
2.掌握起锯的动作要领及工件的锯削方法。
3.掌握平面及圆弧面的锉削方法。
四、实训难点划线工具的使用方法。
难点在于正确起锯的动作要领及工件的锯削方法。
采用现场教学法、实验法来突破难点。
锉削时的动作要领。
五、学生分析一年级的学生有一定的专业兴趣,学习态度也比较端正,但之前的实践机会不多,缺乏实践经验,经过此次实训能加强学生对机械行业的初步认识并有效提高同学们的求知欲望。
六、实训设计思路钳工实训采用实物教学的方法,对于各种工具教师要认真示范给学生看,并让学生亲自动手以便真正地掌握。
七、实训资源台虎钳、各种量具、划线工具、手锯、锉刀等。
八、实训安排一周时间完成一个实训项目。
(一)制作四方块58±0.0558±0.0512±0.050.050.05A C 0.05B0.05A B 0.05C0.05AAB C6处全部12.5制作四方块操作步骤:1.锉削基准平面A ,并保证精度要求。
2.以A 面为基准(划线12mm ),锉削对应面,并保证精度要求。
钳工实训公开课教案第一篇:钳工实训公开课教案钳工(五角星)划线教案一、教学目标:1、知识与技能(1)熟悉画五角星的步骤(2)理解五角星的形成(3)理解和熟悉五角星的检验2、过程与方法(1)通过示范和讲授五角星的形成(2)通过讲解分组练习、自评、互评、教师点评来掌握五角星的绘制3、情感态度和价值观通过对五角星的划线,对五角星有了进一步的认识,激发了学生学习钳工,了解周边形体的积极性和主动性,为准确做出五角星奠定基础,也通过绘制过程的理解和熟悉,也可以剖析自己,对自己有一个认识。
二、教学重点:学生能正确的检验五角星是否准确。
教学难点:学生能正确完整的在钢板上画好五角星三、教学资源:划针、刀口尺、钢板、钳工台等。
四、教学过程:1、清点人数组织教学2、旧课复习,新课导入1、讲授过程(1)划线的注意事项根据图样或实物的尺寸要求,用划线工具在毛坯或半成品工件上划出待加工部位的轮廓或作为基准点、线的操作。
这些点和线标明了工件某部分的形状、尺寸或特征,并确定了加工的尺寸界限。
划线的精度一般为0.25mm—0.5mm(2)、五角星的划线方法1、绘制直径为75mm的圆内接正五边形画法如下:①以O为圆心,定长37.5为半径画圆,并作互相垂直的直径MN 和AP.②平分半径ON,得OK=KN.③以K为圆心,KA为半径画弧与OM交于H,AH即为正五边形的边长.④以AH为弦长,在圆周上截得A、B、C、D、E各点,顺次连接这些点即得正五边形。
⑤ 在五边形内绘制五角星,依次连接五边形各点教师示范10—20分钟、选一个学生跟着做。
①分析图样,选定基准。
②划基准线和找正辅助线。
③划其他线。
④划圆和圆弧斜线等。
⑤检查核对尺寸。
⑥打样冲眼。
将各加工表面的加工余量合理分配,互相借用,从而保证各加工表面都有足够的加工余量,而误差或缺陷可在加工后排除。
一、教师对如何检测五角星的方法进行讲评:①所画五边形五个点之间的距离必须相等。
②两条边之间的间隔距离也必须相等二、学生自由练习。
钳工实训教案(初级)作者: 日期:系授课班级 鹏年 学期课程名称:钳工实训 别:机械工程系主讲教师:程点汕聽业技术孕攪 ChangshaVocational &Technical College长沙职业技术学院教案长沙职业技术学院课程教学进度计划表年—学期主讲教师签字:程鹏 _______________ 主讲教师所在系教研主任签字 :_教师所在系负责人签字:_______________________________ 年月—日注:1、“课程考核及成绩评定办法”一栏要填上考试还是考查,考试次数,平时成绩和各次考试成绩所占比例等有关事项。
2、此表一式四份(一份任课教师留存、一份向学生公布、一份教师所在系留存、一份交教务处存档)。
教务处制长沙职业技术学院教学计划长沙职业技术学院教案(课程)注:1、本页内容针对所讲授课程的总体情况填写2、预留版面不够可另附页。
知识目标、要求:一•锯缝产生歪斜的原因。
二.造成锯齿崩裂的原因。
三•造成锯条折断的原因。
四•平面不平的形成和原因技能目标:1.掌握正确的锉削姿势,动作要领。
2•掌握正确的锯削姿势,动作要领。
3 .使用相关量具,准确测量工件。
4.锉削达到一定的锉削精度。
5.锯削达到锯缝要求一条直线与铅垂线重合教学重点、难点:重点:掌握好锉削,据削,和理使用各种工量具难点:注意六方体的角度,尺寸和锉削方法。
实习前准备:材料:A3。
工具:锉刀,锯弓,游标,高度尺,90°角尺,万能量角器,锯条教学方法:动作示范、巡回指导一•锯缝产生歪斜的原因。
1•工件安装时,锯缝线未互铅垂线方向一致。
2.锯条安装太松或据弓平面扭曲。
3 .使用锯齿两面磨损不均的锯条。
4.锯削压力过大使据削时锯条左右偏摆。
5.锯弓未扶正或用力歪斜,使锯条背偏离锯缝中心平面,而斜靠在锯割断面的一侧。
二.造成锯齿崩裂的原因。
1)起锯角太大或起锯时用力过大。
2)锯削时突然加大压力,被工件棱角边钩住锯齿而崩裂。
金工实习课程教案金工实习课程讲稿实习工种:钳工讲稿内容:钳工概述欢迎同学们到钳工实训室实习。
钳工实习是金工实习课程中重要的实践性教学环节之一,是一门培养同学们了解和初步掌握钳工所需技术操作技能技巧的课程。
本课程时间为5天,课程内容是划线、钻孔、攻套丝、锉削、锯削、装配的训练,并完成一把榔头制做。
最后进行理论考试。
希望同学们认真听讲及练习,通过5天钳工实训能熟悉钳工工作内容初步掌握本工种的基本操作技能、技巧,和安全规范,能正确使用工、夹、量、刃具,具有安全生产和文明生产习惯。
通过钳工技能训练获得机械制造工艺的基本知识,建立机械制造生产过程的概念和工艺意识,培养一定的操作技能,在劳动观点、理论联系实际和科学作风等工程技术人员的基本素质方面受到培养和锻炼,为今后的工作打下一定的实际基础。
一、钳工在机械制造及维修中的作用钳工是以手工操作为主,使用工具来完成零件的加工、装配和修理工作,其基本操作有划线、錾削、锯削、锉削、刮削、研磨、钻孔、扩孔、铰孔、锪孔、攻螺纹、套螺纹和装配等。
钳工技艺性强,具有“万能”和灵活的优势,可以完成机械加工不方便或无法完成的工作,所以在机械制造工程中仍起着十分重要的作用。
钳工根据其加工内容的不同,又有普通钳工、工具钳工、模具钳工和机修钳工等。
钳工劳动强度大,生产率低,但设备简单,一般只需钳工工作台,及简单工具即能工作(出示实物介绍台虎钳及工具),因此,应用很广。
随着机械工业的发展,钳工操作也将不断提高机械化程度,以减轻劳动强度和提高劳动生产率。
二、钳工工作的范围1、钳工工作内容钳工是以手工操作为主,其工作内容很广泛,包括:划线、锯割、锉削、钻孔、攻丝、套丝、刮削、研磨、錾削、装配、修理、矫正、弯曲、钣金、铆接、锡焊等等。
(出示实物对实习内容作介绍)2、钳工主要完成的工作1)在试制或小批量生产中,毛坯要按图纸要求划线;零件的互配和修整,整台机器要经过组装、试车、调整等;这些工作都要由钳工完成。
《钳工技能训练》实训教案.doc钳工技能训练教案课题一教学章节内容名称钳工常识上课时间及班级授课时数 2 课时知识目标:教1、让学生熟知钳工安全要求。
学2、让学生了解钳工特点,应用等目能力目标:标1、让学生了解学习这门课程的内容及学习方式教学 1,安全文明要求重 2,钳工学习和练习中的注意事项点教学1,钳工学习的方法,钳工的概念,特点和应用难点步骤内容教学方法举例“在家帮妈妈磨菜刀”“汽车厂组装汽车”引入“铝合金门窗制作” “铁匠铺师傅打镰刀淬火,退火处理”举例引入等.教知识链接学一过程设计知识链接二钳工的概念;采用机械方法不太适宜或不能解决的某些工件和装配,按技术要求以手工在虎钳上进行对工讲授件加工、修整、装配的工种多媒体演示视频展示现代钳工应用钳工的种类;钳工(普通钳工):对零件进行装配、修整,加工的人员。
多媒体演示机修钳工:主要从事各种机械设备的维修、修理工作。
举例讲解工具钳工:主要从事工具,模具,刀具的制造和修理。
装配钳工 :按机械设备的装配技术要求进行组件,部件装配合总装配,并经过调整,检验和试车。
视频演示各类钳工的操作场景另外补充;国家钳工职业资格等级划分钳工的特点;优点;所用工具简单,加工多样灵活、操作方便,适知识链接应面广等。
具有“万能工”的称号。
三缺点;钳工操作的劳动强度大、生产效率低、对工人技术水平要求较高。
认识钳工各种加工方式;1,划线2、锉削3、锯削 4、钻孔(扩孔、铰孔)5、錾削、6、攻螺纹、套螺纹7、刮削、研磨8、装知识链接配四认识各种加工工具,测量工具视频欣赏几种现代科技下的板金加工案例“电火花线切割”“激光切割”钳工操作文明规范;训期间的安全须知:(1)实训时应该着合适的服装,女同学要把发辫放入工作帽中;(2)握锤时不得戴手套,挥锤前要环视四周,以防伤人;知识链接(3)锯条不能装得太松或太紧;五(4)清理加工中产生的铁屑与粉尘不能用嘴吹;(5)禁止用工具、卡具、量具敲击工件和其它物体,以防损坏其使用精度;(6)台钻上钻孔时,不准戴手套;(7)钳工室内台钻未经老师同意,不得擅自使用;(8)锯条、铁块等与实习有关的物品不能带出钳工讲授Ppt 图片演示讲授实例讲解实例演示观看室。
钳工实训教案谭师教:良南部县职:学校业技术学校一、教学目标知识掌握点(一).掌握钳工基本工艺的特点和应用,以及所用工具的构造、材料、和特点。
1.熟悉装配的概念,简单部件的装拆方法。
2.了解钳工的实质、特点以及在机械装配和维修中的作用。
3了解刮削、扩孔、绞孔和錾削的加工方法和应用。
4.能力训练点(二) 1.熟练掌握钳工基本工艺的操作方法。
2.独立完成含有划线、锯削、锉削、钻孔、攻螺纹和套螺纹的钳工作业件。
基本掌握刮削、扩孔、绞孔和錾削等工艺的操作方法。
3.素质培养点(三).培养学生养成安全文明生产的习惯。
12.为学生塑造良好的工程环境,如同真正的工厂生产车间,使学生明确机械零件生产的一般过程和加工过程中应注意的问题。
.培养学生质量第一的观念。
3二、大纲重点、学习难点及化解办法1.大纲重点掌握钳工基本工艺的特点和应用,以及所用工具的构造、材料特点。
(1)熟练掌握钳工基本工艺的操作方法。
(2)锯割、锉削等操作方法的掌握。
学习难点2.:3.难点化解办法:指导教师多动口、多动手,耐心指导每一位学生。
(1).给学生大量的实践时间,多进行实际操作,在实践过程中总结出规律和技巧。
(2)接触不同的材料,制作难易不同的工件,让学生在乐趣中熟能生巧。
(3)三、教学计划计划单教学形主要内目备 50包括定岗,交了解钳工的工作范围工具设备 1课堂讲钳工入习要求工分50课堂讲授操2掌握划线操作方划示分120正确使用划线工具,并根据图纸划线—书 3学生操求,划出简单零件的加工(一对分50课堂讲掌握操作姿势和动作要4錾削、锉分操作示50课堂讲了解孔加工的各种工具设备及其钻孔、扩孔5工方法铰操作示分以下运用台式钻床掌握小210 的加工方 6学生操书掌握平面和曲面的分正确使用工具削方40课堂讲锯了解锯削的应用范围及其操作方7分300 钻孔综合运用划线锉削锯削学生操8松鼠起操作方法完成小型工件的加分课堂讲分掌握攻丝与套丝的操作方攻丝与套 940操作示并对钳工完成较复杂零件的加工小手学生操10分60 件的工艺有所了解.课堂讲授限机制专业分钟了解刮削特点及刮削方法 15 刮削11操作示范掌握手刮削与挺刮法的操作姿势以限机制专业30 分钟 12学生操作刮削平板及动作要限机制专业,分 20了解装配概念及一些注意事 13课堂讲拆录掌握简单部件的装拆方法及工具限机制专 40分14 学生操拆装减速用]设计说明[1.在学生们的思想意识中,钳工实习最苦、最累、也最枯燥,因此,在教学计划安排上应灵活多变,不应一味地讲或一味地干,而是把两者有机地结合起来。
长沙职业技术学院
教案
系别:机械工程系
课程名称:钳工实训
授课班级:
主讲教师:程鹏
年学期
长沙职业技术学院课程教学进度计划表
年学期
主讲教师签字:程鹏主讲教师所在系教研主任签字:
教师所在系负责人签字:
年月日
注:1、“课程考核及成绩评定办法”一栏要填上考试还是考查,考试次数,平时成绩和各次考试成绩所占比例等有关事项。
2、此表一式四份(一份任课教师留存、一份向学生公布、一份教师所在系留存、一份交教务处存档)。
教务处制
长沙职业技术学院教学计划
长沙职业技术学院教案(课程)
教案编写时间:
注:1、本页内容针对所讲授课程的总体情况填写;
2、预留版面不够可另附页。
长沙职业技术学院教案(课次)
第课时
长沙职业技术学院教案(课次)
长沙职业技术学院教案(课次)
长沙职业技术学院教案(课次)
长沙职业技术学院教案(课次)。