墙下钢筋混泥土条形基础设计
- 格式:ppt
- 大小:2.61 MB
- 文档页数:33
目录课程设计任务书 (1)教学楼首层平面图 (4)工程地质条件表 (5)课程设计指导书 (6)教学楼首层平面大图 (19)《地基与基础》课程设计任务书一、设计目的1、了解一般民用建筑荷载的传力途径,掌握荷载计算方法;2、掌握基础设计方法和计算步骤,明确基础有关构造;3、初步掌握基础施工图的表达方式、制图规定及制图基本技能。
二、设计资料工程名称:中学教学楼,其首层平面见附图。
建筑地点:标准冻深:Z0 =地质条件:见附表序号工程概况:建筑物结构形式为砖混结构,采用纵横墙承重方案。
建筑物层数为四~六层,层高 3.6m,窗高 2.4m,室内外高差为0.6m。
教室内设进深梁,梁截面尺寸b×h=250×500mm,其上铺钢筋混凝土空心板,墙体采用机制普通砖MU10,砂浆采用M5砌筑,建筑物平面布置详见附图。
屋面作法:改性沥青防水层20mm厚1:3水泥砂浆找平层220mm厚(平均厚度包括找坡层)水泥珍珠岩保温层一毡二油(改性沥青)隔气层20mm厚1:3水泥砂浆找平层预应力混凝土空心板120mm厚(或180mm厚)20mm厚天棚抹灰(混合砂浆),刷两遍大白楼面作法:地面抹灰1:3水泥砂浆20mm厚钢筋混凝土空心板120mm厚(或180mm厚)天棚抹灰:混合砂浆20mm厚刷两遍大白材料重度:三毡四油上铺小石子(改性沥青)0.4KN/m2一毡二油(改性沥青)0.05KN/m2塑钢窗0.45KN/m2混凝土空心板120mm厚 1.88KN/m2预应力混凝土空心板180mm厚 2.37KN/m2水泥砂浆20KN/m3混合砂浆17KN/m3浆砌机砖19KN/m3水泥珍珠岩制品4KN/m3钢筋混凝土25 KN/m3屋面、楼面使用活荷载标准值附表—2注:表中使用活荷载仅用于教学楼,黑龙江省建筑地基基础设计规范地基承载力特征值表三、设计要求1、结构布置方案:中学教学楼结构类型为砖混结构,纵墙承重方案。
2、基础方案:采用墙下钢筋混凝土条形基础3、基础材料:混凝土采用C20,钢筋采用HPB235级。
钢筋混凝土条形基础设计1.工程概述,设计依据1.1工程概述某厂房工程,侧墙为钢筋混凝土,墙厚0.37m,墙高6m,作用在基础顶面的荷载效应标准组合F K=242KN,M K=10KN*m,准永久组合F=212KN。
工程地质情况经地质勘探如图1-1所示,且该地区地势平坦,地下水无腐蚀性。
1.2.设计要求:请设计条形扩展基础并进行沉降计算,(结构重要性系数取1.0)。
一、要求:1 手算计算书,A4(或16k)纸,封皮样例附后;2 CAD绘制设计图纸,包括结构尺寸,剖面图,钢筋配筋图,工程量统计表,设计图纸样例附后二、不同材料设计值参考:1混凝土强度等级C20,抗压强度f c =9.6MPa ,抗拉强度 f t =1.1MPa 。
钢筋HRB335,抗拉强度 fy =300MPa1.3.设计依据《建筑地基基础设计规范》(GB50007-2011) 《土力学》(东南大学 浙江大学 湖南大学 苏州科技学院合编 第三版) 《基础工程》(华南理工大学 浙江大学 湖南大学合编 第二版) 2013年长城学院工程技术系《基础工程》设计任务书 2.分析不同计算中的荷载组合根据《建筑地基基础设计规范》3.0.5条有关地基基础设计所采用的作用效应与相应的抗力限值的规定,本设计荷载取值如下:1. 按地基承载力确定基础底面积及埋深时,传至基础或承台底面上的作用效应按正常使用极限状态下作用的标准组合。
相应的抗力应采用地基承载力特征值;2 计算地基变形时,传至基础底面上的作用效应应按正常使用极限状态下作用的准 永久组合,不应计入风荷载和地震作用。
相应的限值应为地基变形允许值;3.确定基础配筋和验算材料强度时,上部结构传来的作用效应和相应的基底反力,按承载能力极限状态下作用的基本组合,采用相应的分项系数。
3. 选择持力层,初步确定埋深3.1选择持力层据工程地质勘察报告,第一层为0.6m 填土不满足承载力要求。
第三层土为淤泥质粘土,且位于地下水位以下,承载力较第二层低,属于软弱下卧层,故选择第二层作为持力层。
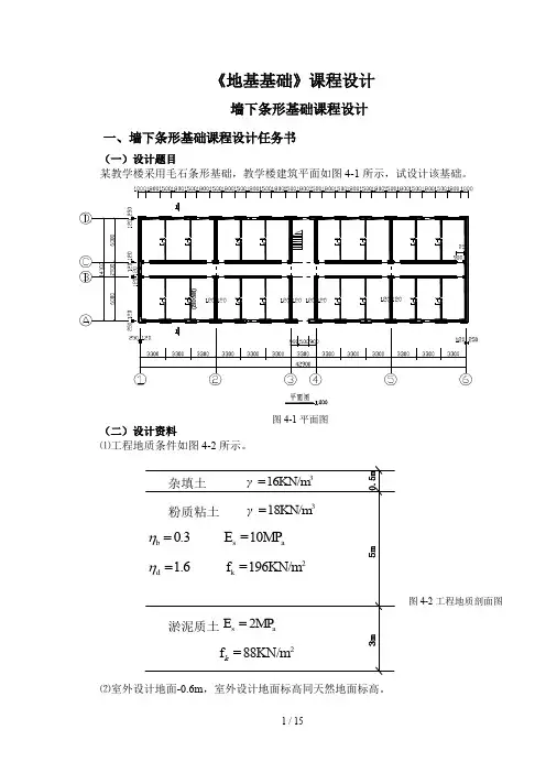
《地基基础》课程设计墙下条形基础课程设计一、墙下条形基础课程设计任务书(一)设计题目某教学楼采用毛石条形基础,教学楼建筑平面如图4-1所示,试设计该基础。
(二)设计资料⑴工程地质条件如图4-2所示。
杂填土 3KN/m 16=γ粉质粘土 3KN/m 18=γ3.0=b η a MP 10=s E6.1=d η 2KN/m 196=k f淤泥质土a 2MP =s E2KN/m 88=k f⑵室外设计地面-0.6m ,室外设计地面标高同天然地面标高。
图4-1平面图图4-2工程地质剖面图⑶由上部结构传至基础顶面的竖向力值分别为外纵墙∑F1558.57,山墙∑F2168.61,内横墙∑F3162.68,内纵墙∑F41533.15。
⑷基础采用两种方案:(1) 采用M5水泥砂浆砌毛石;(2) 采用水泥砂浆M5, 砌10砖基础。
标准冻深为1.20m。
(三)设计内容⑴荷载计算(包括选计算单元、确定其宽度)。
⑵确定基础埋置深度。
⑶确定地基承载力特征值。
⑷确定基础的宽度和剖面尺寸。
⑸软弱下卧层强度验算。
(四)设计要求⑴计算书要求书写工整、数字准确、图文并茂。
(2)绘制施工图(两种方案的基础平面图和基础剖面图)(3)制图要求所有图线、图例尺寸和标注方法均应符合新的制图标准,图纸上所有汉字和数字均应书写端正、排列整齐、笔画清晰,中文书写为仿宋字。
二、墙下条形基础课程设计指导书(一)荷载计算 1.选定计算单元 对有门窗洞口的墙体,取洞口间墙体为计算单元;对无 门窗洞口的墙体,则可取1m 为计算单元(在计算书上应表示出来)。
2.荷载计算 计算每个计算单元上的竖向力值(已知竖向力值除以计算单元宽度)。
(二)确定基础埋置深度d50007-2002规定或经验确定0+(100~200)。
式中 ——设计冻深, Z 0·ψ·ψ·ψ; Z 0——标准冻深;ψ——土的类别对冻深的影响系数,按规范中表5.1.7-1; ψ ——土的冻胀性对冻深的影响系数,按规范中表5.1.7-2;ψ ——环境对冻深的影响系数,按规范中表5.1.7-3;(三)确定地基承载力特征值)5.0()3(m d b ak a -+-+=d b f f γηγη式中 ——修正后的地基承载力特征值(); ——地基承载力特征值(已知)();ηb 、ηb ——基础宽度和埋深的地基承载力修正系数(已知); γ——基础底面以下土的重度,地下水位以下取浮重度(3);γm ——基础底面以上土的加权平均重度,地下水位以下取浮重度(3); b ——基础底面宽度(m ),当小于3m 按3m 取值,大于6m 按6m 取值;d ——基础埋置深度(m )。
墙下条形基础、柱下独立基础基础设计一、 墙下条形基础课程设计(1)荷载计算由题条件:外墙选取两窗中心线间的距离3.3m ,为计算单元宽度。
m kN m kN F F kk /26.169/3.357.5583.311===∑ 山墙:取1m 为计算单元宽度m kN m kN F F k k /61.168/161.168122===∑ 内横墙:取1m 为计算单元宽度m kN m kN FF k k /68.162/168.16213===∑ 内纵墙:取两门中心线间的距离8.26m 为计算单元宽度m kN m kN F F kk /61.185/26.815.153326.844===∑ (2)查表[1]得敦煌地区的标准冻深m Z 2.10=,按老师要求,一组基础埋置深度m D 3.1min =,首先假定基础埋深为1.3m ,假设b m 3<,无需宽度修正,查表得粉质粘土6.1=d η,则地基承载力修正为)5.0(-+=d f f m d ak a γη其中m γ=3/23.173.18.0185.06.1m kN =⨯+⨯ 解得:2/06.218m kN f a =(3)确定基础宽度 外纵墙:df F b a k G 1γ-≥ 解得:m b 865.01≥ 同理得 山墙:m b 862.02≥内横墙:m b 831.03≥内纵墙:m b 949.04≥求得条形基础宽度,即无需进行承载力宽度修正,(2)中成立。
统一取m b 1=。
(4)确定基础高度基础为条形毛石基础,采用M5水泥砂浆砌毛石,内横墙和内纵墙基础采用两层毛石,计算每层台阶的伸出宽度m b t 2.019.0424.01<=-=。
查表8.1.2[2]毛石基础宽高比的允许值,得tan α=5.1/1 计算基础宽度285.05.11424.01tan 40=⨯-=-≥αb b h m 根据灰石基础高度要求,得m h 5.0=,外纵墙和内纵墙基础亦采用两层毛石。
DT钢筋混凝土条形基础计算1、工程量计算内容和步骤a 钢筋混凝土条形基础包括:挖槽、垫层、混凝土条形基础、钢筋、砖基础、地圈梁、防潮层、回填土、余土外运等。
b 外墙的长度按中到中5内墙的长度按内墙净长和(不考虑工作面的)槽净长2、定额规定:a 定额规定混凝土条形基础大放脚的T 形接头处的重叠工程量要扣除。
扣除办法是选择有代表性接头,计算出一个重合的混凝土体积,然后乘以接头个数,得出总重合体积,再从混凝土基础工程量中扣除(V1、V2)b 定额中长钢筋搭接规定为:Φ25 内的8M 一个接头,Φ25 以上的6M 一个接头,搭接长度为30d(30×钢筋直径d),圆钢筋加弯钩长12.5d3、T 形接头重合体积计算公式:(扣除重合部分体积V1、V2)重合体积V1=〖基础底部宽度(B1)-墙厚〗÷2×与其相交的基础底部宽度(B2)×搭接长方体高度(h1)重合体积V2=棱台高度(h2)÷6×〖[基础棱台上宽(b1)-墙厚(a)]÷2×与其相交的基础棱台上宽(b2)+[基础底宽-墙厚(a)]÷2×与其相交的基础的底宽(b2)+[基础棱台上宽(b1)-墙厚(a)]÷2+[基础底宽(B1)-墙厚(a)]÷2×[与其相交的基础棱台上宽(b2)+与其相交的基础底宽(B2)] 附:b1――外墙基础的棱台宽度,通常b1=b2v1 v2 v3(v3 通常不需计算)图示如下:4、工程量计算程序公式:首先,列L 墙、L 槽表:a、第一套算式:各断面基础分别计算工程量,然后合算。
○1 1-1断面基础工程量:□A挖槽工程量:槽长(L 槽)×〖槽底部宽(B)+2×工作面宽度(C)〗×挖槽深度(H 挖)+槽长(L 槽)×放坡系数(K)×挖槽深度的平方(H 挖2)=?立方□B(C10)混凝土垫层工程量:槽长(L 槽)×槽内垫层宽(B)×垫层厚=?立方断面号墙长(L 墙)槽长(L 槽)1-1 ..M ..M2-2 ..M ..MX-X………□C钢筋混凝土条形基础工程量(有梁式):基础长(L)×〖基础宽(B)×基础底部矩形高度(h1)+[基础宽(B)+基础梁宽度(b)]×基础棱台高度(h2)÷2+基础梁宽度(b)×基础梁高度(h3)〗=?立方附1:式中基础宽(B)×基础底部矩形高度(h1)=基础矩形截面面积[基础宽(B)+基础梁宽度(b)]×基础棱台高度(h2)÷2=基础梯形截面面积基础梁宽度(b)×基础梁高度(h3)=基础梁截面面积附2:h1 h2 h3 见前面图示。
墙下条形基础设计说明一、引言墙下条形基础是建筑工程中常用的一种基础形式,主要用于承受墙体的荷载并将荷载传递到地基上。
本文将对墙下条形基础的设计要点进行说明,包括基础尺寸的确定、材料的选择、施工工艺等内容。
二、基础尺寸的确定1. 承载力计算:根据墙体的荷载特点,采用合适的荷载计算方法,如极限平衡法或有限元分析法,计算出基础所需的承载力。
2. 基础尺寸的确定:根据承载力计算结果,结合地基的承载力情况,确定基础的尺寸。
一般情况下,墙下条形基础的宽度一般为墙体宽度的1.5倍,深度一般为基础宽度的1.5倍。
三、材料的选择1. 混凝土强度等级:根据基础的承载力要求,选择适当的混凝土强度等级。
常用的混凝土强度等级有C15、C20、C25等,具体选择应根据设计要求和实际情况确定。
2. 钢筋的选择:根据基础的受力情况,确定所需的钢筋规格和数量。
一般情况下,墙下条形基础采用的钢筋直径为12mm或16mm,根据基础尺寸和荷载情况确定钢筋的间距和纵横布置。
四、施工工艺1. 基坑开挖:根据基础尺寸的确定,进行基坑的开挖工作。
基坑开挖应按照设计要求进行,保证基坑的尺寸和平整度。
2. 基础模板安装:在基坑中安装基础的模板,模板应牢固可靠,保证基础的几何形状和尺寸。
3. 钢筋绑扎:根据设计要求,在基础模板中进行钢筋的绑扎工作。
钢筋的绑扎应符合相关规范,保证钢筋的位置准确。
4. 混凝土浇筑:在钢筋绑扎完成后,进行混凝土的浇筑工作。
混凝土的浇筑应均匀、充实,避免出现空洞或夹杂物。
5. 养护工作:混凝土浇筑完成后,对基础进行适当的养护工作,保证混凝土的强度和稳定性。
五、安全注意事项1. 施工现场应设置安全警示标志,确保施工人员的安全。
2. 基坑开挖时应进行支护,防止坍塌事故的发生。
3. 钢筋绑扎时应注意安全,避免钢筋的伤害。
4. 混凝土浇筑时应防止混凝土泥浆溅到人体,避免烧伤事故的发生。
5. 施工现场应配备相应的安全设施和防护用具。
墙下条形基础荷载设计值怎样估算?
1.⾸先是上部结构的荷载,包括恒载和可变荷载,对于作为住宅的⼀般砖混结构,每层每平⽅⽶的荷载标准值⼤约在15kPa左右,北⽅地区的墙厚⼀些,南⽅地区薄⼀些,荷载也会有些差别,你可以向设计⼈员询问,积累⾃⼰的经验数据,这对岩⼟⼯程/考试⼤/师是⼗分重要的知识;
2.再和基础的选型有关,如果采⽤整板基础,则4层就是60kPa的基底压⼒,但这是传到基础顶部的荷载,还要加上基础的荷载,如果你这个⼯程的承载⼒是已经计算到基础底⾯的标⾼,则采⽤筏基时,埋深浅⼀些,承载⼒可能是满⾜要求的;
3.如果采⽤条形基础,则肯定是不够了,即使基础⾯积系数(即基础净⾯积和基础外包⾯积之⽐)为0.8也不够,因为1.5m的基础⾃重也要15~30kPa,荷载肯定已经超过75kPa了。
盈建科墙下条形基础的计算(实用版)目录1.盈建科墙下条形基础的概述2.条形基础计算的必要性3.条形基础计算的基本原理4.条形基础计算的具体步骤5.盈建科墙下条形基础计算的实际应用正文一、盈建科墙下条形基础的概述盈建科墙下条形基础是指在建筑物的墙体下方,为了分散墙体荷载、减小不均匀沉降和增强整体稳定性而设置的一种条形基础结构。
在我国建筑行业中,盈建科墙下条形基础的计算与设计是建筑工程中重要的一环,对于保证建筑物的安全、稳定和持久性具有至关重要的作用。
二、条形基础计算的必要性条形基础的计算是为了确保基础在承受建筑物荷载时,其内部应力分布均匀,避免出现局部过大的应力集中,从而导致基础产生破坏。
此外,通过计算还可以确保基础的沉降量在允许范围内,以减小不均匀沉降对建筑物整体稳定性的影响。
因此,进行条形基础计算对于确保建筑物的安全、稳定和持久性具有重要意义。
三、条形基础计算的基本原理条形基础计算的基本原理主要包括以下几点:1.基础的受力分析:在计算条形基础时,需要首先分析基础所受到的各种荷载,如建筑物的自重、土压力、地下水压力等,并计算出这些荷载在基础内产生的内力。
2.基础的材料性能:在计算条形基础时,需要充分考虑基础材料的性能,如抗压强度、抗拉强度、抗弯强度等,以确保基础在承受荷载时不会发生破坏。
3.基础的稳定性分析:在计算条形基础时,还需要分析基础的稳定性,包括整体稳定性和局部稳定性。
对于盈建科墙下条形基础,通常采用刚性基础设计方法,以确保基础在承受荷载时不会产生过大的沉降。
四、条形基础计算的具体步骤条形基础计算的具体步骤如下:1.确定基础的尺寸:根据建筑物的荷载、地基土的性质和基础材料的性能,确定条形基础的尺寸,包括宽度、厚度和高度等。
2.计算基础的荷载:根据建筑物的自重、土压力、地下水压力等,计算出基础内各种荷载的大小。
3.计算基础的内力:根据基础的尺寸和荷载,计算出基础内各种内力的大小,如弯矩、剪力等。
、钢筋混凝土墙下条形基础设计.某办公楼为砖混承重结构,拟采用钢筋混凝土墙下条形基础.外墙厚为370米米,上部结构传至000.0±处的荷载标准值为K F = 220kN/米,K M =45kN ·米/米,荷载基本值为F=250kN/米, 米=63kN .米/米,基础埋深1. 92米(从室内地面算起),室外地面比室内地面低0.45米.地基持力层承载力修正特征值af =158kPa.混凝土强度等级为C20 (cf = 9. 6N/米米Z ),钢筋采用HPB235级钢筋()2210mm fyN =.试设计该外墙基础.解:(1)求基础底面宽度b基础平均埋深:d=(1.92×2一0. 45)/2=1. 7米基础底面宽度:b =md f F G K77.1=-γ初选b=1.3 × 1.77=2.3米 地基承载力验算.517.12962max+=++=b M b G F P KK K k=180.7kPa <l.2af =189.6kPa 满足要求(2)地基净反力计算.aj a j b Mb F P b Mb F P KP =-=-=KP =+=+=2.375.717.10862.1805.717.10862min2max(3)底板配筋计算.初选基础高度h=350米米,边缘厚取200米米.采用100米米C10的混凝土垫层,基础保护层厚度取40米米,则基础有效高度ho =310米米.计算截面选在墙边缘,则1a =(2.3-0.37)/2=0.97米该截面处的地基净反力Ij p =180.2-(180.2-37.2)×0.97/2.3=119.9kPa计算底板最大弯距()()221max max 97.09.1192.180261261⨯+⨯⨯=+=I a p P M j j=m m ⋅KN 3.75计算底板配筋mmf h M y 12852103109.0103.759.06max ⨯⨯⨯=选用14φ@110㎜()21399mm A s =,根据构造要求纵向钢筋选取8φ@250()20.201mm As=.基础剖面如图所示:用静力平衡条件求柱下条形基础的内力条件:下图所示条形基础,底板宽,b=2.5米其余数据见图要求:1.当5.01=x 时,确定基础的总长度L,要求基底反力是均匀分布的.2.按静力平衡条件求AB 跨的内力. 解:1.确定基础底面尺寸各柱竖向力的合力,距图中A 点的距离x 为mx 85.7554174017549602.417402.1017547.14960=+++⨯+⨯+⨯=基础伸出A 点外1x =0.5米,如果要求竖向力合力与基底形心重合,则基础必须伸出图中D 点之外2x .2x =2×(7.85+0.5)-(14.7+0.5)=1.5米(等于边距的31)基础总长度L =14.7+0.5+1.5= 16.7米 2.确定基础底面的反力mL F p KN=+++==∑3007.16554174017549603.按静力平衡条件计算内力(下图)m M A ⋅KN =⨯⨯=385.0300212404554150V 1500.5300 A -=-=KN=⨯=右左A VAB 跨内最大负弯矩的截面至A 点的距离3005541=a -0.5=1.35米,则:()()()KN-=-=KN =-+⨯=⋅KN =⨯-+⨯⨯=⋅KN -=⨯-+⨯⨯=I 8841740856V 8565542.45.03009872.45542.45.03002123435.155435.15.030021B 22右左B B V mM m M筏形基础底面尺寸的确定条件:有一箱形基础,已知沿长度方向,荷载效应准永久组合与基础平面形心重宽度 方向竖向准永久组合与基底形心之间有偏心,现取一个柱距,上部结构传到地下室顶板的 荷载大小和位置,以及地下室自重的大小和位置见下图要求:当1a =0时,确定2a 的取值范围.←箱形基础受力图解:取地下室总宽为h,长度方向为单位长度,则 A =l ×h =h226161hh w == 根据《规范》式(8.4.2),要求偏心距hh h A we 0167.061.01.02==≤上部结构和地下室荷载的合力R =∑iN +G =7100+13500+9000+3200=32800kN合力R 到左边1N 作用点的距离为xxR =32800x =13500 × 8000+9000 × 14000+3200 × 7330.得 mm x 7849=基底宽2114000a mm a h ++=,因01=a ,故214000a mm h +=第一种情况,合力在形心左侧,则mm h h e h162400167.0784978492=+=+=2a =14000-h =16240一14000=2240米米第二种情况,合力在形心右侧,则h e h0167.0784978492-=-=mm h 15190=140002-=h a =15190-14000=1190米米当2a 在1.19米~2.24米范围内,可以满足A we 1.0≤的规定.如下图所示,某厂房作用在某柱下桩基承台顶面的荷载设计值F=2000kN,mM y ⋅KN =300 ,地基表层为杂填土,厚1.8米;第二层为软粘土,厚为7. 5米,sq = 14kPa;第三层为粉质粘土,厚度为5米多,sq =30kPa,pq =800kPa.若选取承台埋深d =1.8米,承台厚度1.5米,承台底面积取2.4米×3.0米.选用截面为300米米×300米米的钢筋混凝土预制桩,试确定桩长L 及桩数n,并进行桩位布置和群桩中单桩 受力验算.解:(1)确定桩长Z.根据地质资料,将第三层粉质粘土层作为桩端持力层较好,设桩打人第三层的深度为5倍的桩径,即5×0.3=1.5米.则桩的长度L为:L= 0.05+7.5+1.5=9.05米取L=10米(包括桩尖长度)(2)确定单桩竖向承载力设计值R.由经验公式∑=+=niisipppalquAqR1进行计算aR=800 ×23.0+ 4×0.3×(14×7.5+30×1.5)=259.2kN 预估该桩基基桩的根数n>3,故单桩竖向承载力值为:R=1.2a R== 1 .2 ×252=302.4kN(3)确定桩数n承台及其以上土的平均重量为: G =Ad G γ=20×2.4×3.0×l.8=259.2kN桩数n 为:n=(1.1~1.2)=+A GF 8.22~8.96根取n=8根(4)桩在承台底面上的布置.桩的中心距S =(3~4)d =(3~4) ×0.3=0. 9~1. 2米o 桩位的布置见下图 (5)群桩中单桩的受力验算.单桩所受的平均竖向力为:KN =<=+=+=N 4.3024.28282.2592000R n G F 满足群桩中单桩所受的最大、最小竖向力为:⇒±=±+=∑554.2822maxmaxmin iY x x M n G F N8.22688.3624.3022.12.1338min max >KN =KN =⨯=<=N R N由以上计算可知,单桩受力能够满足要求.2、某框架结构办公楼柱下采用预制钢筋混凝土桩基.建筑物安全等级为二级.桩的截面为300米米 ×300米米,桩的截面尺寸为500米米×500米米,承台底标高-1.7O 米,作用于室内地面标高±0.000处的竖向力设计值F =1800kN,作用于承台顶标高的水平剪力设计值V =40kN,弯矩设计值米=200kN ·米,见下图.基桩承载力设计值R =23OkN,(210mm f c N =,21.1mm f t N =),承台配筋采用Ⅰ级钢筋(2210mm f y N =).试设计该桩基.解:(1)桩数的确定和布置.按试算法,偏心受压时所需的桩数n 可按中心受压计算,并乘以增大系数μ=1.2~1.4,即39.92.12301800=⨯==μR F n取9根,设桩的中心距:S =3d =3×300=900米米.根据布桩原则,采用图示的布桩形式 (2)基桩承载力验算.取0γ =1.0则0γN==+n G F 0γ 1×92.1207.14.24.21800⨯⨯⨯⨯+=KN =<KN 230226R⎥⎥⎦⎤⎢⎢⎣⎡++=∑2max 00max0i x x M n G F N γγ=269.7<KN =2762.1R=N min 0γ226-43.7=182.3kN>0(3)承台计算.1)冲切承载力验算. (a)受柱冲切验算.设承台高度h = 900米米,则承台有效高度Ho=900-75=825米米9180018001-=-=∑i Q F F =1600kN23002500900--==oy ox a a = 500米米>0. 2ho = 33㎜且<=0h 825米米;606.082550000=====h a h a oy ox oy ox λλ而893.02.072.0=+==ox oy ox λββ则2()()[]h f a h a bt ox c oy oy cox+++ββ=3242kN >10F γ= 1×1600kN(满足)(b)受角桩冲切验算.KN =+=+==∑7.2437.43918002max 01ima x x M N F N N==y x a a 11500米米606.0825500010111=====h a h a y x y x λλ而60.02.048.0111=+==x y x λββ所以对角桩的冲切验算为:2011121122h f c a c a t x y y x ⎥⎦⎤⎢⎣⎡⎪⎭⎫ ⎝⎛++⎪⎪⎭⎫⎝⎛+ββ=762.3×310N= 762.3 kN> 10N γ=1 × 243.7 = 243.7kN(满足)2)斜截面受剪承载力验算V=max3N =3×243.7=731kN,mma a y x 500==606.082550000=====h a h a y x y x λλ而133.03.012.0=+=x λβ则截面计算宽度为:11201015.01y y y y b b b h h b b ⎥⎥⎦⎤⎢⎢⎣⎡⎪⎪⎭⎫ ⎝⎛--===1782米米验算斜截面受剪承载力:=00h b f c β0.133×9.6×1782×825=1877.1×310=1877.1kN>V 0γ=1×731=731kN( 满足 )1、某一砖混结构的建筑采用条形基础.作用在基础顶面的竖向荷载为kF =135kN/米,基础埋深0.80米.地基土的表层为素填土,1γ=17.8kN/米3,层厚1h = l.30米;表层素填土以下是淤泥质土,2γ=18. 2kN/米,承载力特征值a k f KP =75,层厚1h= 6.80米.地下水位埋深l.30米.拟采用砂垫层地基处理方法,试设计此砂垫层的尺寸.(应力扩散角30=θ,淤泥质土dη=1.0)解:(1)采用粗砂垫层,其承载力特征值取kf =150kPa,经深度修正后砂垫层的承载力特征值为:γηd k a f f +=(d-0.5)= 150+1.O ×17.8×(0.8-0.5)=155.3kPa (2)确定条形基础的宽度b:b=97.08.0203.15513520=⨯-=-d f F ,取b=1.0米(3)砂垫层厚度.z=0.8米(4)砂垫层底面土的自重应力czpczp =17.8 ×1.3+(18.2-10)×(0.8+l.2-l.3)=28.9kPa(5)砂垫层底面的附加应力z p因z/b 大于0.5,取应力扩散角30=θ基底压力kp =(135+0.8×1.0×20)/1.0=151kPa基底处土的自重应力cp =17.8×0.8=14.2kPa,则()5.632=+-=θtg b p p b p c k z kPa(6)垫层底面淤泥质土的承载力:()5.0-+=d f f d k az γη=75+1.0×17.8×(1.6-0.5)=94.6kPa(7)验算垫层底面下软弱下卧层的承载力:czz p p +=63.5+28.9=92.4kPa<azf = 94.6kPa,满足要求.(8)确定垫层宽度/b :/b =b +2tg θ= 1.0+2×tg30=2.15米2、一独立柱基,由上部结构传至基础顶面的竖向力kF = 1520kN,基础底面尺寸为3.5米 ×3.5米,基础埋深 2.5米,如下图所示.天然地基承载力不能满足要求,拟采用水泥土搅拌桩处理基础下淤泥质土,形成复合地基,使其承载力满足要求.有关指标和参数如下:水泥土搅拌桩直径D=0.6米,桩长L=9米;桩身试块无侧限抗压强度=cu f 2000kPa;桩身强度折减系数η= 0.4;桩周土平均摩阻力特征值sq =11kPa;桩端阻力pq =185kPa;桩端天然地基土承载力折减系数α=0.5;桩间土承载力折减系数奸β=0.3.计算此水泥土搅拌桩复合地基的面积置换率和水泥土搅拌桩的桩数. 解:(1)求单桩承载力aR .桩的截面积222283.06.044m D A P ===ππ根据桩身材料:Pcu a A f R η==0.4×2000×0.283= 226.4kN 根据桩周土和桩端土抗力:pp p s a q A l q R αμ+==10×3.14×0.6×9+0.5×0.283×185=21.7kN则取aR = 212.7kN(2)求满足设计要求的复合地基承载力特征值spkf基底压力P (即要求的复合地基承载力)5.35.3205.25.35.31520⨯⨯⨯⨯+=+=A G F p K K =174.1 kPa 即=spkf =174.1kPa(3)求面积置换率米和桩数n.将spkf =174.1kPa,aR =212. 7kN,=β0.3,sk f =75kPa,P A =0.283㎡代人式(1)()m A R mf Paspk -+=1βsk f(1)即()7513.0283.07.2121.174⨯-+⨯=m m 解之得米=0.208则桩数283.05.35.3208.0⨯⨯==P A mA n =9根,n =9根,桩的平面布置见下图。
《土力学与地基基础》课程设计任务书一、课程设计的教学目的通过课程设计,使学生掌握钢筋混凝土墙下条形基础和柱下独立基础的理论知识和应用条件,能够初步选择基础方案,进行基础设计;能够绘制和识读基础结构施工图,增强解决工程实际问题的能力。
二、课程设计的内容和要求(一)柱下独立基础1.设计题目某多层现浇钢筋混凝土框架结构,房屋高度H=30m,室外地坪标高同自然地面,室内外高差450mm。
柱网布置如图所示,试进行柱下独立基础的设计。
2.上部结构传下来的荷载柱截面尺寸为500mm×500mm,上部结构作用在柱底的最不利荷载标准值见表1,上部结构作用在柱底的最不利荷载效应基本组合设计值见表2:柱底荷载标准值表1Fk (KN) Mk (KN•m) Vk (KN) 题号1 2 3 1 2 3 1 2 3柱底荷载效应基本组合设计值表2(二)墙下条形基础(锥形截面)1.设计题目某多层砖混结构,房屋高度H=15m,室外地坪标高同自然地面,室内外高差450mm。
结构平面布置如图所示,试进行墙下条形基础的设计。
2.上部结构传下来的荷载内外墙墙厚均为240mm,上部结构作用在墙底的最不利荷载标准值见表3,上部结构作用在墙底的最不利荷载效应基本组合设计值见表4。
墙底荷载标准值表3墙底荷载设计值表3(三)工程及水文地质材料1.工程地质条件该地区地势平坦,无相邻建筑物,经地质勘察,工程地质资料自上而下依次为:①杂填土:厚约0.5m,含部分建筑垃圾;②粉质粘土:厚1.2m,承载力特征值fak=130KN/m2;③粘土:厚1.5m,承载力特征值fak=210KN/m2;④全风化砂质泥岩:厚2.7m,承载力特征值fak=230KN/m2;⑤强风化砂质泥岩:厚3.0m,承载力特征值fak=300KN/m2;⑥中风化砂质泥岩:厚4.0m,承载力特征值fak=620KN/m2;建议持力层选第③层粘土层。
地基岩土物理力学参数表表52.水文地质资料地下水对混凝土无侵蚀性,地下水位深度位于地表下3.5m,且属于不冻胀土。
条形基础构造
条形基础,又称长条基础,是一种长度远远大于宽度的基础形式。
这种基础主要布置在一条轴线上且与两条以上轴线相交,有时也会和独立基础相连,但截面尺寸与配筋不尽相同。
根据上部结构的不同,条形基础可以分为墙下条形基础和柱下条形基础。
墙下条形基础是当建筑物上部结构以墙体承重时,为方便传递连续的条形荷载,基础沿墙身设置,做成连续带形。
这种基础多用于地基条件较好、浅基础的砖混结构建筑中。
在混凝土强度方面,条形基础通常采用的混凝土强度等级为C20或以上。
对于基础底板的受力钢筋布置,需要根据设计要求进行合理布置。
条形基础构造包括以下步骤:
1.垫层:垫层使用的混凝土标号为C20,厚度为100mm,宽度为800mm。
2.承台:承台厚度为30公分,宽度为600mm。
其中短向钢筋为
三级钢,直径为10mm,间距为150mm;长向钢筋为三级钢,直径为
8mm,间距为300mm。
3.砌砖:先砌3层37砖,再砌24砖。
4.圈梁:地圈梁截面是240mm*240mm,主筋由4根三级钢直径为12mm的钢筋组成,箍筋为三级钢直径为6mm间距200mm的钢筋。
在具体操作中,可以根据实际需求进行修改。
总的来说,条形基础的设计与施工需要综合考虑上部结构的荷载、地基条件、混凝土强度等因素,以确保基础的稳定性和安全性。