叠合梁
- 格式:doc
- 大小:112.00 KB
- 文档页数:14
主桥叠合梁钢梁安装施工技术方案主梁叠合梁是一种常用的桥梁结构形式,它由多个钢梁叠合组成,能够承受较大的荷载。
为了保证主梁叠合梁的安装质量和施工进度,需要制定有效的安装施工技术方案。
下面将介绍一种主梁叠合梁钢梁的安装施工技术方案,该方案包括工程准备、设备准备、施工流程、安全措施等内容。
一、工程准备1.确定主梁叠合梁的位置和布置,制定详细的施工方案。
2.检查主梁叠合梁的质量和尺寸,确保符合设计要求。
3.修复或调整支座,确保其水平和垂直度。
4.施工现场进行安全检查,清理施工区域。
二、设备准备1.起重机械和起重设备:根据主梁叠合梁的尺寸和重量,选择合适的起重机械和起重设备。
2.各种吊具:根据主梁叠合梁的结构形式,准备合适的吊具,如钢丝绳、吊索等。
3.安全设备:准备好必要的安全设备,如安全帽、安全绳、安全网等。
三、施工流程1.搭设临时工程:在施工现场搭设临时工程,包括施工平台、起重机械位置、支撑架等。
2.安装主梁叠合梁的前预备工作:a.检查主梁叠合梁和支座的干净度和平整度,确保安装面无杂物和障碍物。
b.安装缓冲垫板和调整垫木,调整支座高度和水平度。
c.使用润滑油或润滑脂涂抹支座。
3.就位调整:a.使用起吊设备将主梁叠合梁吊装至设计位置。
b.进行就位调整,调整主梁叠合梁的位置和水平度。
使用液压千斤顶或螺栓调整架进行调节。
c.在吊装的过程中,要保持吊装速度稳定,防止梁体受力过大。
4.紧固连接:a.确保主梁叠合梁就位后,进行临时固定,通过螺栓等方式将主梁叠合梁与支座连接。
b.进行最终的紧固连接,确保主梁叠合梁与支座的稳固性和安全性。
c.进行紧固连接后,再次进行调整,确保主梁叠合梁的水平度和垂直度。
5.安装配件:a.安装横梁和纵梁等配件,确保主梁叠合梁的完整性和稳固性。
b.进行配件的紧固连接,确保其与主梁叠合梁的牢固性。
四、安全措施1.建立安全警戒区域,设置安全警示标志。
2.做好施工现场的防护措施,如搭设安全网、设置警示线等。
叠合梁施工方案梁是建筑结构中最基本的构件之一,其承载力和稳定性直接关系到建筑物的安全性和可靠性。
在建筑施工中,梁的施工是非常重要的环节。
目前,叠合梁技术被广泛应用于工业和民用建筑中。
叠合梁是指由两块或多块平行的薄板叠加而成的一种梁结构。
其本质就是将两个或多个相同的梁板偏移焊接在一起,从而形成一个更加坚固的单元。
由于叠合梁可以通过组合实现各种形状和尺寸的梁,因此在建筑结构设计中具有广泛的应用。
本文将介绍叠合梁施工方案。
叠合梁施工前的准备工作在进行叠合梁施工前,需要对以下内容进行准备工作:1. 确定设计方案:在施工前,需要进行详细的设计和分析,以确定叠合梁在建筑结构中的位置、尺寸、形状和承载能力等参数。
设计应符合设计规范和质量标准。
2. 准备原材料:制作叠合梁需要准备两个或多个薄板,这些薄板应符合建筑结构设计需求。
在准备过程中应确保材料符合相关标准和要求。
4. 安全管理和防护:在进行叠合梁施工时,要对现场进行安全管理和防护,确保工作人员的人身安全和建筑物的安全。
在进行叠合梁施工时,建筑施工方案应具体情况具体分析,但一般包括以下五个步骤:1. 制作工艺图:制作出叠合梁制作的工艺图,以参考该梁结构的尺寸大小和需要焊接材料的具体形状。
可以通过CAD软件或手绘方式完成。
2. 制备焊接面积:将需要叠合焊接的两个或多个薄板通过切割、磨削等工艺方式制备成需要焊接的面积。
要确保焊接面一致和准确。
3. 开始焊接:首先在两个或多个焊接面上均匀地涂上焊接药剂,分别焊接两个或多个薄板。
在焊接过程中,需要注意要控制好焊接温度和焊接时间,以确保焊点的强度和耐久性。
4. 准备叠合梁:将两个或多个焊接好的薄板组装成叠合梁。
在组装的过程中,要注意确保各个叠合点的均匀性和对齐度,为后续的铆接做好准备。
5. 铆接成型:将叠合梁的各个板块通过铆钉进行连通,形成整体结构。
在铆接的过程中,要注意钉子的规格和数量,以及铆接的顺序和技巧,确保铆钉的稳固和导向。
叠合梁施工工艺流程一、前期准备工作1.1 确定叠合梁的设计方案,包括梁的尺寸、材质、截面形状、预应力方式等。
1.2 制定施工组织设计方案,包括施工人员组织、施工机具设备选型、安全防护措施等。
1.3 确定材料采购计划,包括钢筋、混凝土、模板等材料的数量和规格。
1.4 检查现场环境和地基情况,确保施工现场平整、无障碍物,并做好地基处理工作。
二、模板制作2.1 根据设计方案制作模板,包括主梁模板和辅助支撑模板。
2.2 在主梁模板上设置预留孔洞和预应力孔洞,并在辅助支撑模板上设置支撑点位。
2.3 对制作好的模板进行检查验收,并做好防腐处理。
三、钢筋加工3.1 根据设计方案加工钢筋,包括纵向钢筋和横向钢筋。
3.2 对加工好的钢筋进行验收,并做好防锈处理。
四、混凝土搅拌4.1 确定混凝土配合比和搅拌比例。
4.2 准备混凝土原材料,包括水泥、砂子、骨料等。
4.3 进行混凝土搅拌,并对搅拌好的混凝土进行质量检测。
五、施工现场搭设5.1 按照设计方案在施工现场进行主梁模板的安装和辅助支撑模板的设置。
5.2 对模板进行调整和校正,确保模板的位置和尺寸符合设计要求。
5.3 安装好预应力钢束,并将其固定在预应力孔洞内。
六、钢筋绑扎6.1 在主梁模板上铺设纵向钢筋,并用扎钢丝将其固定在预留孔洞处。
6.2 在主梁模板上铺设横向钢筋,并用扎钢丝将其与纵向钢筋连接起来。
6.3 对钢筋进行验收,并做好防锈处理。
七、浇注混凝土7.1 将预留孔洞处的管道连接好,以便后续进行灌注预应力。
7.2 开始进行混凝土浇注,注意控制浇注速度和压力,避免混凝土流失和空洞。
7.3 在混凝土浇注过程中,及时进行振捣和震动,以排除气泡和提高混凝土密实度。
八、预应力张拉8.1 在混凝土强度达到设计要求后,进行预应力张拉。
8.2 根据设计方案设置张拉力大小和张拉钢束数量。
8.3 进行预应力张拉,并对张拉后的钢束进行锁紧。
九、养护9.1 在混凝土强度达到设计要求后,开始进行养护。
本工程采用叠合梁结构,叠合梁主要由预应力混凝土梁和现浇混凝土梁组成。
预应力混凝土梁采用预制构件,现浇混凝土梁采用现场浇筑。
为确保施工质量和安全,特制定以下安装施工方案。
二、施工准备1. 施工人员:组织一支具备相关经验的专业施工队伍,进行现场安装作业。
2. 施工材料:预制预应力混凝土梁、现浇混凝土梁钢筋、模板、混凝土、水泥、砂、石子等。
3. 施工工具:吊车、切割机、焊接机、电钻、水准仪、钢卷尺、扳手、撬棍等。
4. 施工图纸:详细阅读施工图纸,了解叠合梁的结构形式、尺寸、钢筋配置等。
三、施工工艺1. 预制预应力混凝土梁安装:(1)检查预制预应力混凝土梁的尺寸、钢筋配置等是否符合设计要求。
(2)将预制预应力混凝土梁吊装至安装位置,确保梁中心线与设计轴线重合。
(3)使用水准仪和钢卷尺对梁进行垂直度、水平度校正。
(4)将梁与现浇混凝土梁的连接钢筋焊接牢固。
2. 现浇混凝土梁施工:(1)在预制预应力混凝土梁上方设置模板,确保模板牢固可靠。
(2)绑扎钢筋,注意钢筋的保护层厚度,确保符合设计要求。
(3)浇筑混凝土,采用分层浇筑、振捣密实。
(4)混凝土浇筑完成后,进行养护,确保混凝土强度达到设计要求。
3. 叠合梁连接节点施工:(1)在预制预应力混凝土梁与现浇混凝土梁的连接处设置钢筋锚固。
(2)焊接连接钢筋,确保连接牢固。
(3)浇筑连接节点处的混凝土,确保连接节点处的混凝土密实。
四、施工注意事项1. 施工过程中,严格按照施工图纸进行操作,确保施工质量。
2. 注意现场安全,确保施工人员的人身安全。
3. 施工过程中,注意保护现场环境,减少对周边环境的影响。
4. 施工过程中,加强质量控制,确保叠合梁的安装质量。
5. 施工过程中,及时解决施工过程中出现的问题,确保工程顺利进行。
五、施工进度安排根据工程实际情况,制定合理的施工进度计划,确保工程按期完成。
六、验收标准1. 叠合梁的尺寸、钢筋配置等应符合设计要求。
2. 叠合梁的安装质量应符合相关规范和标准。
叠合梁缝隙处理-概述说明以及解释1.引言1.1概述在建筑工程中,叠合梁是一种常见的结构形式,用于承重和加固。
然而,叠合梁中的缝隙处理是一个重要的问题,直接影响着结构的稳定性和安全性。
因此,对叠合梁缝隙处理进行深入研究和有效的处理是至关重要的。
1.2文章结构本文将首先介绍叠合梁结构的基本原理和常见问题,然后分析叠合梁缝隙处理的重要性和难点,接着探讨目前存在的处理方法和技术,最后提出一种综合性的解决方案。
通过这些内容的呈现,读者可以全面了解叠合梁缝隙处理的各个方面,为实际工程应用提供指导和参考。
1.3目的本文的目的在于探讨叠合梁缝隙处理的现状和存在的问题,提供一种有效的解决方案,帮助工程师和设计师在实际工程中处理叠合梁缝隙时更加准确和可靠。
同时,本文也旨在促进叠合梁结构的研究和发展,为建筑工程的安全和稳定性贡献力量。
2.正文2.1 梁缝隙处理的重要性梁缝隙处理是建筑工程中一个至关重要的步骤,它不仅影响建筑物的整体结构和稳定性,还与建筑物的外观和使用寿命密切相关。
在建筑物的梁柱连接处,常常会出现缝隙,如果不及时处理,会导致建筑物出现裂缝甚至倒塌的风险。
因此,对梁缝隙的处理必须非常慎重。
首先,梁缝隙处理的主要目的是确保建筑物的结构牢固稳定。
梁柱连接处的缝隙如果不加以处理,会使整个建筑物的承重能力受到影响,进而影响建筑物的安全性。
因此,在处理梁缝隙时,必须确保处理方法和材料能够承受建筑物的负荷,保证建筑物的结构稳固不受影响。
其次,梁缝隙处理还涉及到建筑物的外观和使用寿命。
如果梁柱连接处的缝隙得不到有效处理,会导致建筑物出现裂缝,影响建筑物的美观度和整体品质。
另外,缝隙中进入的水分和空气会引起建筑物的腐蚀和老化,缩短建筑物的使用寿命。
因此,在处理梁缝隙时,除了要保证结构的牢固稳定外,还要注意保护建筑物的外观和延长使用寿命。
总之,梁缝隙处理对于建筑物的安全性、美观度和使用寿命都有着重要影响,必须重视和慎重处理。
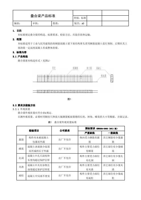
叠合梁产品标准类别:标准编制:审核:批准:版次:A01.目的本标准规定叠合梁的构造、标准要求、检验方法、吊装存放和运输。
2.范围本标准适用于工业与民用建筑的将钢筋混凝土梁下部结构事先采用钢筋混凝土进行预制,后期在其上部浇筑一定高度混凝土形成整体的梁。
3.标准内容3.1产品构造叠合梁基本构造形式(见图1)图13.2要求及检验方法3.2.1外观质量叠合梁外观质量应符合表1规定。
目测外观质量,必要时用钢直尺和放大镜测量板面裂缝的长度,掉角、蜂窝的大小等数据,并做记录。
表1 叠合梁外观质量标准检验项目公司要求国标要求GB50204-2002(2011 版)严重缺陷一般缺陷露筋构件内未被混凝土包裹而外露出厂不允许纵向受力钢筋有露筋其它钢筋有少量露筋蜂窝混凝土表面缺少泥浆而形成的石子外露出厂不允许构件主要受力部位有蜂窝其它部位有少量蜂窝孔洞混凝土中孔穴深度和长度均超过保护层厚出厂不允许构件主要受力部位有孔洞其它部位有少量孔洞夹渣混凝土中夹有杂物且深度超过保护层厚度出厂不允许构件主要受力部位有夹渣其它部位有少量夹渣疏松混凝土中局部不密实出厂不允许构件主要受力部位有疏松其它部位有少量疏松裂缝缝隙从混凝土表面延伸至混凝土内部不允许有害裂缝构件主要受力部位有影响结构性能或使用功能的裂缝其它部位有少量不影响结构性能或使用功能的裂缝连接部位缺陷构件连接处混凝土缺陷及连接钢筋、连接铁件松动出厂不允许连接部位有影响结构传力性能的缺陷 连接部位有基本不影响结构传力性能的缺陷外形缺陷缺棱掉角(阳角破损 ≤30mm)缺棱掉角(阳角破损≤ 30mm ),其它不允许 清水混凝土构件内有影响使用功能或装饰效果的外形缺 陷其它混凝土构件有不影响使用功能的外形缺陷外表缺陷色差、油污、起皮、麻面、脚印等,外立面为一级面;其它面为二级面;出厂不允许具有重要装饰效果的清水混凝土构件有外表缺陷其它混凝土构件有不影响使用功能的外表缺陷清理 泡沫、胶带、飞边清理出厂不允许//产品标识 准用证、盖章(喷码) 标识 内容根据《产品标识和可追溯性管理规定》文件执行,具体位置见 3.2.23.2.2 准用证、盖章标识(喷码)位置:3.2.2.1 准用证张贴位置:侧边靠左,距左及下方200mm ,且牢固,如下图示; 3.2.2.2 盖章标识位置:侧面剪力槽上方,如下图示;3.2.2.3 喷码位置:构件侧面右下角,距底边50mm ,距端面200mm ,如下图示:盖章位置示意图准用证/喷码位置示意图200mm200mm200mm注:准用证和盖章标示为标准要求,如项目有特殊要求进行喷码,则取代盖章标示。
叠合梁钢筋介绍一、钢筋种类叠合梁的钢筋种类主要有以下几种:1.受力钢筋:主要承受拉力和压力,是叠合梁的主要骨架。
2.架立钢筋:用于固定受力钢筋的位置,保持梁的整体稳定性。
3.分布钢筋:分布在梁的表面,将荷载均匀传递给受力钢筋,并防止混凝土开裂。
4.箍筋:用于增加梁的抗剪承载能力,提高梁的稳定性。
二、钢筋直径钢筋的直径通常根据梁的跨度、承载要求和施工条件等因素确定。
一般来说,受力钢筋的直径不宜小于12mm,架立钢筋和分布钢筋的直径不宜小于8mm,箍筋的直径不宜小于6mm。
三、钢筋间距钢筋间距是指钢筋之间的距离,通常根据梁的截面尺寸和混凝土的强度等级等因素确定。
一般来说,受力钢筋的间距不应大于200mm,架立钢筋和分布钢筋的间距不应大于200mm,箍筋的间距不应大于100mm。
四、钢筋连接方式叠合梁的钢筋连接方式主要有焊接、机械连接和绑扎连接等。
其中,焊接连接具有可靠的连接质量和平稳的力学性能,但需要专业的焊接设备和技能;机械连接具有较高的连接强度和可靠性,但需要专业的机械连接设备和技能;绑扎连接操作简便,但连接质量受操作人员技能水平影响较大。
具体选择应根据工程实际情况和施工条件确定。
五、钢筋布置叠合梁的钢筋布置应符合设计要求,受力钢筋应布置在梁的底部和顶部,架立钢筋和分布钢筋应按照设计要求进行布置,箍筋应按照规范要求进行布置。
在布置钢筋时,应确保钢筋的位置准确、间距均匀、数量满足要求,同时要考虑到施工的可操作性和结构的稳定性。
六、钢筋锚固长度钢筋锚固长度是指受力钢筋在梁中锚固的部分,其长度应根据梁的跨度、混凝土的强度等级、钢筋直径等因素确定。
一般来说,受力钢筋的锚固长度不应小于30倍的钢筋直径,且不应小于250mm。
在梁的端部或节点处,受力钢筋的锚固长度应适当加长。
七、钢筋保护层厚度钢筋保护层厚度是指梁中受力钢筋外表面到混凝土表面的距离。
其作用是保护钢筋不受腐蚀和磨损,同时增加结构的耐久性。
根据规范要求,钢筋保护层厚度应根据梁的使用环境和混凝土强度等级等因素确定,一般不应小于15mm。
叠合梁名词解释
框架梁的横截面一般为矩形或T型,当楼盖结构为预制板装配式楼盖时,为减少结构所占的高度,增加建筑净空,框架梁截面常为十字形或花篮形,在装配整体式框架结构中,常将预制梁做成T形截面,在预制板安装就位后,再现浇部分混凝土,即形成所谓的叠合梁。
叠合梁是分两次浇捣混凝土的梁,第一次在预制场做成预制梁;第二次在施工现场进行,当预制梁吊装安放完成后,再浇捣上部的混凝土使其连成整体。
叠合梁按受力性能又可为“一阶段受力叠合梁”和“二阶段受力叠合梁”两类。
叠合梁按受力性能又可分为“一阶段受力叠合梁”和“二阶段受力叠合梁”2类。
前者是指施工阶段在预制梁下设有可靠支撑,能保证施工阶段作用的荷载全部传给支撑:后者则是指施工阶段在简支的预制梁下不设支撑,施工阶段的全部荷载完全由预制梁承担。
建筑结构设计:混凝土结构叠合梁、板应符
合哪些规定?
1、叠合梁的叠合层混凝土的厚度不宜小于100mm,混凝土强度等级不宜低于C30.预制梁的箍筋应全部伸入叠合层,且各肢伸入叠合层的直线段长度不宜小于10d,d为箍筋直径。
预制梁的顶面应做成凹凸差不小于6mm的粗糙面。
2、叠合板的叠合层混凝土厚度不应小于40mm,混凝土强度等级不宜低于C25.预制板表面应做成凹凸差不小于4mm的粗糙面。
承受较大荷载的叠合板以及预应力叠合板,宜在预制底板上设置伸入叠合层的构造钢筋。
1。
叠合梁加工制作施工方案(0318)
一、引言
叠合梁是一种常用于建筑和工程结构中的重要构件,具有较好的承载能力和稳定性。
本文将介绍叠合梁的加工制作施工方案,旨在提高施工效率和质量。
二、材料准备
1.钢筋:根据设计要求选择合适规格的钢筋。
2.混凝土:选用符合标准的混凝土,并按配比准备好。
3.模板:根据叠合梁的尺寸要求制作模板。
三、加工制作步骤
1.模板安装:根据设计图纸要求安装好模板,保证叠合梁的形状和尺寸
准确。
2.钢筋安放:按设计要求在模板内放置好预埋的钢筋,确保钢筋的位置
准确。
3.浇筑混凝土:将预先准备好的混凝土均匀浇注在模板内,注意控制浇
筑速度和质量。
4.养护处理:待混凝土凝固后,进行养护处理,确保叠合梁的强度和耐
久性。
四、施工注意事项
1.严格按照设计要求进行施工,避免出现尺寸和质量问题。
2.施工过程中要注意安全,做好防护措施,避免意外发生。
3.对加工制作过程中的质量问题及时处理,确保叠合梁的质量可靠。
五、结束语
通过本文介绍,可以了解到叠合梁的加工制作施工方案,希望对相关领域的从业者有所帮助,提高施工效率和施工质量。
叠合梁施工方案范文叠合梁是一种常见的施工方式,用于梁的构造。
下面将详细介绍叠合梁的施工方案。
梁的叠合是指在已经浇筑好的梁的顶面,再进行一层梁的施工。
一般情况下,梁的叠合是为了增加梁的强度、稳定性和承载能力。
叠合梁常用于大跨度的桥梁、高速公路、厂房等重型建筑物的梁板系统中。
首先,施工前需要进行详细的设计和计算。
叠合梁的设计要考虑梁的强度、稳定性、受力情况、工期等因素。
设计时,需要确定叠合梁的厚度、长度、宽度等参数,以及钢筋的布置和数量。
其次,施工现场需要进行准备工作。
在施工现场,需要搭建起适当的脚手架和施工平台,以便工人进行施工操作。
同时,还需要准备好所需的材料、工具和设备。
接下来,进行模板的搭设和调整。
在梁的叠合区域,需要搭建合适的木模板,使其与下层梁的顶面保持平齐。
模板的装配应符合设计要求,确保叠合梁的几何尺寸和表面平整度。
然后,进行钢筋的布置和焊接。
根据设计要求,在叠合梁的顶面布置钢筋,并将其与下层梁的钢筋焊接固定。
焊接部位需要进行充分的清理和涂抹焊接缝剂,以确保焊接质量和防腐蚀。
接着,进行混凝土的浇筑。
在进行混凝土浇筑前,要先进行充分的湿润处理,以防止梁体局部收缩和开裂。
在浇筑过程中,需要注意控制骨料和水泥的配比,确保混凝土的质量和强度。
最后,进行混凝土的养护。
混凝土浇筑完成后,需要进行充分的养护,以保证混凝土的强度和耐久性。
养护时间一般为7到28天,具体时间根据天气条件和混凝土强度等因素而定。
总结起来,叠合梁的施工方案包括设计和计算、现场准备、模板搭设和调整、钢筋布置和焊接、混凝土浇筑以及养护等步骤。
在施工过程中,要严格按照设计要求进行操作,以确保叠合梁的质量和安全性。
同时,要注意施工过程中的安全措施,确保工人的人身安全。
最终,完成高质量的叠合梁施工,提高工程的整体可靠性和耐久性。
知识创造未来
钢砼叠合梁施工方案
钢砼叠合梁是一种结构组合形式,它是由钢板梁和砼梁组
成的。
以下是一种钢砼叠合梁的施工方案:
1. 梁砼模板制作:根据设计要求和梁截面尺寸,制作钢板
梁的模板,并在模板底部设置隔离层,以避免钢材与砼粘结。
2. 钢筋制作和安装:根据设计要求和施工图纸,制作钢筋
并进行预埋。
钢筋的布置应符合构造要求和受力要求。
3. 钢板安装:在预埋钢筋的基础上,安装钢板梁。
根据设
计要求和施工图纸,正确安装钢板梁,并进行调整和固定。
4. 砼浇筑:在钢板梁安装完成后,进行砼浇筑。
砼浇筑应
按照施工工艺和要求进行,并注意振实和密实。
5. 养护:砼浇筑完成后,对梁体进行养护。
养护时间应符
合砼强度要求,并设置适量的养护措施,以保证梁体的质
量和使用寿命。
钢砼叠合梁施工方案的具体细节和步骤可以根据实际情况
和设计要求进行调整和完善。
在施工过程中,应注意安全
措施和质量控制,确保施工质量和施工进度的合理性。
1。
叠合梁最小预制高度一、引言随着建筑行业的发展和技术的不断进步,预制混凝土结构在桥梁工程中的应用越来越广泛。
叠合梁作为预制混凝土结构的一种重要形式,因其具有良好的承载能力和经济性而被广泛应用。
在叠合梁的设计和施工中,确定合理的最小预制高度是一个关键问题。
本文将就叠合梁的结构特点、最小预制高度的确定方法、结论以及建议与展望进行探讨。
二、叠合梁的结构特点叠合梁是一种由预制混凝土和后浇混凝土组成的复合梁。
预制混凝土部分作为主要的承载结构,后浇混凝土部分则起到连接作用,将各个预制梁段连接成一个整体。
叠合梁的结构特点主要包括以下几个方面:1.承载能力强:由于叠合梁的预制混凝土部分采用高强度材料,具有较高的承载能力,能够满足大型桥梁的承载要求。
2.施工速度快:叠合梁的预制部分可以在工厂或预制场批量生产,现场施工时只需进行拼装和后浇混凝土,施工速度快,能有效缩短工期。
3.节能环保:采用叠合梁可以减少现场浇筑混凝土的量,降低能耗和减少环境污染。
4.维护方便:叠合梁的预制部分可以单独更换,方便维修和维护。
三、最小预制高度的确定确定合理的最小预制高度是叠合梁设计和施工中的重要环节。
最小预制高度的确定需考虑以下几个方面的影响因素:1.承载能力:预制高度的大小直接影响叠合梁的承载能力。
在满足承载能力的前提下,适当增加预制高度可以提高梁的刚度和稳定性。
2.经济性:在满足承载能力的前提下,减小预制高度可以减少材料的用量和降低成本。
但是过小的预制高度可能导致施工困难和增加施工时间,反而提高成本。
因此需要在经济性和承载能力之间寻求平衡。
3.施工条件:施工现场的条件也会影响最小预制高度的确定。
例如,施工时的温度、湿度、混凝土硬化速度等都会对最小预制高度有所限制。
4.运输和吊装要求:叠合梁的预制部分需要在工厂或预制场生产,然后运输到施工现场进行安装。
过大的预制高度可能导致运输和吊装的困难,因此需要考虑到这些因素对最小预制高度的限制。
叠合梁的简答题
叠合梁是由两个或多个梁叠合在一起形成的结构,它的主要作用是增加梁的强度和刚度。
简答题:
1. 叠合梁的结构特点是什么?
叠合梁由多个梁叠合而成,通常采用不同材质或不同截面形状的梁进行叠合。
这种结构特点可以同时发挥各种梁的优点,如高强度、刚度和抗弯能力等。
2. 叠合梁的构造方法有哪些?
叠合梁的构造方法包括胶合、机械连接和焊接等。
胶合是最常见的构造方法,通过使用特殊的胶水将不同材质的梁粘合在一起。
机械连接是利用螺栓、螺母等连接件将梁连接在一起。
焊接则是将梁的接触面进行熔化,并通过熔融金属使其连接在一起。
3. 叠合梁的应用领域有哪些?
叠合梁广泛应用于航空航天、船舶、汽车、建筑等领域。
在航空航天领域,叠合梁被用于制造飞机机翼和机身等关键结构件。
在船舶领域,叠合梁被用于制造船体和舵轮等部件。
在建筑领域,叠合梁被用于搭建大跨度的桥梁和楼板等结构。
4. 叠合梁相比传统梁结构有哪些优势?
相比传统梁结构,叠合梁具有以下优势:
- 提高了梁的强度和刚度,能够承受更大的荷载。
- 可以灵活选择不同材质的梁进行叠合,充分发挥各种材料的优点。
- 降低了梁的自重,减轻了整体结构的负荷。
- 可以更好地适应复杂的工程要求,如大跨度和曲线形状等。
- 可以提高工程的施工效率和经济性。
叠合式施工技术是指混凝土构件不是一次浇灌成型,而是分成两次或多次浇灌,在叠合时,做好施工缝处理。
叠合式受力构件可分为“一阶段受力叠合式受力构件”和“二阶段叠合式受力构件”两类,前者指在施工阶段在构件下有可靠支撑,能保证在施工阶段的荷载不使构件受力而直接传入支撑,这类构件称为“施工阶段有可靠支撑的叠合式结构”。
“二阶段受力叠合受力构件”是指在施工阶段简支的构件下不加支撑,而由预制构件承受施工阶段的恒载和施工荷载,待后浇的砼达到设计要求后,再在预制构件已经受力的基础上(此时施工荷载已经)由二次浇筑后形成的截面继续承担后加的恒载,以及使用阶段的楼面或屋面活荷载,这种叠合式受弯构件亦可称为“施工阶段无支撑的叠合结构”。
由于转换层叠合梁的施工方法的原理与“二阶段受力叠合式受弯构件”相同,所以,必须弄清是“二阶段受力叠合式的受承载力的变形能力与整浇梁有何异同”。
二阶段受力叠合式受弯构件的受力有两个主要特点:一是叠合梁受拉钢筋应力超前,二是后浇砼的受压应变滞后,应力超前只影响钢筋提前达到流限,从实际中知道,对叠合梁的极限强度并不降低,但“应力超前”现象并不为常值,当叠合后二次加载到受拉区砼塑性弯形时,叠合梁的受拉钢筋应变挠度和曲率随荷载的增长速度反而比较慢,但钢筋达到流限后又加快,出现这一现象的原因,是由于变化着的“荷载预应力”起作用的缘故,“应力超前”是不利因素,必须加以控制,荷载预应力是有利因素. 后浇砼的“受压应变滞后”现象二次受力叠合梁在一次受力时,是由预应力构件的受压区砼承受压力,但在二次受力时,主要由后浇砼承受压力,这种由两种砼交替受压的情况,使得后浇砼受力应变比相应的对比梁在相同的弯矩作用下受压应变小,这种现象叫“受压砼应变滞后”“应力超前”和“应变滞后”现象是二次受力叠合梁受力性能的一对孪生现象,两者的变化规律是随着M1的增大而增大,随着h1的增大而减少,它在二次受力叠合梁受力性能中起到重要作用,经过分析得出结论,叠合梁与相应的现浇梁相比,存在“受拉钢筋应力超前”和“受压砼应变滞后”现象,但在二次受力时,其受拉钢筋的应变,挠度增长速度反而比相应对比梁慢,但钢筋达到流限后以变快,最后破坏时承载力与对比梁基本相同,只是挠度变大裂缝变宽而已。
装配式叠合梁支撑施工方案1. 引言装配式叠合梁是一种先进的桥梁结构形式,其具有施工方便、质量可控、施工时间短等优势。
在装配式叠合梁的施工过程中,支撑工作是至关重要的一环。
本文将介绍装配式叠合梁支撑施工方案,旨在确保装配式叠合梁的安全稳定施工。
2. 前期准备工作在进行装配式叠合梁支撑施工之前,需要进行充分的前期准备工作,包括但不限于以下内容:2.1 施工条件评估在选择装配式叠合梁支撑施工方案前,需要评估现场施工条件,包括地质、气象等因素。
确保施工条件符合要求,能够为支撑施工提供良好的环境和保障。
2.2 支撑方案设计根据桥梁结构的特点以及现场条件,设计合理的装配式叠合梁支撑方案,包括支撑的位置、形式、材料等。
确保支撑方案满足桥梁结构的要求,并能够保证施工的安全性。
2.3 材料准备准备支撑所需的材料,包括支撑柱、支撑横梁、支撑座等。
材料的选择需要考虑质量和可靠性,确保支撑能够承受桥梁结构的重量和施工荷载。
3.1 支撑位置布置根据施工设计方案,在桥梁两侧确定好支撑的位置。
支撑位置应尽量选在桥梁结构的强度合理分布区域,并避开现场障碍物和影响施工的因素。
3.2 支撑柱安装首先,在确定好的支撑位置上钻孔并安装支撑柱。
支撑柱的长度和直径需要根据桥梁结构的要求确定,同时还需考虑现场的地质条件。
支撑柱需要固定稳定,确保能够承受桥梁结构的重量和施工荷载。
3.3 支撑横梁安装在支撑柱上安装支撑横梁,支撑横梁的长度需要根据桥梁结构的跨度确定。
支撑横梁与支撑柱的连接应牢固可靠,避免在施工过程中发生断裂或松动现象。
最后,在支撑横梁上安装支撑座,用于支撑装配式叠合梁。
支撑座应选择合适的材料,并根据桥梁结构的要求进行设计。
支撑座的安装需要确保其稳定性和可靠性,避免在施工过程中发生故障。
4. 安全措施在装配式叠合梁支撑施工过程中,需要采取一系列的安全措施,确保施工人员的安全和装配式叠合梁的稳定。
包括但不限于以下措施:•施工现场设置警示标识,提醒作业人员注意安全;•配备足够的安全保护设施,如安全帽、安全绳等;•进行施工前的安全培训和演练,提高作业人员的安全意识和应急处理能力;•定期检查支撑设备的状况,确保其正常运行和使用;•尽量避免在恶劣天气条件下进行支撑施工。
一、工程概况杭州市德胜快速路工程中段A2标德胜路高架南北主线高架共有两联叠合梁,分别位于PS19~PS20和PN20~PN21墩位之间。
叠合梁的钢结构部分采用全焊接钢梁,钢梁由主梁(三片U型钢梁)、横隔梁及加劲肋组成,通过翼缘板顶面设置的剪力键与C50钢筋混凝土桥面板连成整体,钢主梁高为2.1m,总重量约为606吨。
钢筋混凝土桥面板采用C50低收缩砼,板厚为0.22~0.27m,其中PS19~PS20长48.407m,宽18.698~17.848m,砼192m3;PN20~PN21长43m,宽20.138~17.427m,砼185m3。
PS19~PS20和PN20~PN21主梁立面分别设0.85%和1.0%纵坡,竖曲线为单向直线坡。
桥梁跨中设置10mm的预拱度,拱度线型为抛物曲线,工厂制作时必须加以考虑。
两联叠合梁均采用GYZφ500×90圆板式橡胶支座,共24个。
二、技术标准1、《桥梁用结构钢》(GB/T714-2000)2、《优质碳素结构钢》(GB699—88)3、《热轧钢板品种》(GB709-88)4、《圆柱头焊钉》(GBl0433-89)5、《气体保护焊用钢焊丝》(GB8110-95)6、《低合金药性焊丝》(GB/T17493-98)7、《低合金钢埋弧焊用焊剂》(GBl2470—90)8、《低合金钢焊条》(GB5118-95)9、《陶质焊接衬垫》(GB/T3715—95)10、《焊接材料质量管理规程》(JB3223-96)11、《无机硅酸锌涂料》、《环氧云铁涂料》、《聚胺酯涂料》(GB44030-G3458-95)12、《铁路钢桥制造规范》(TBl0212-98)13、《公路桥涵施工技术规范》(JTJ041-2000)14、《埋弧焊焊缝坡口的基本型式和尺寸》(GB986—88)15、《气焊、手工电弧焊及气体保护焊焊缝坡口的基本型式与尺寸》(GB985—88)16、《涂装前钢材表面锈蚀等级和除锈等级》(GB8923—98)17、《铁路钢桥保护涂装》(TB/T1527-99)18、《表面粗糙度参数及其数值》(GBl031-95)19、《钢结构工程施工质量验收规范》(GB50221-2001)20、《铁路特大桥质量评定验收标准》(JBJ416—87)21、《钢熔化焊对接接头射线照相和质量分级》(GB3323-87)22、《钢焊缝手工超声波探伤方法和探伤结果的分级》(TBll345-89)23、《压力容器无损检测》(JB4730—94)三、叠合梁施工思路及工艺流程1、施工思路考虑到叠合梁运输到现场进行拼装、吊装以及现场吊装能力,并且结合设计单位的要求,决定采用工厂分段制作—→运输—→现场拼装—→桥面板施工的施工方案,即将叠合梁每片U型主梁分成3段,在工厂胎架上采用正造法,制作时以底板为基准,再安装加劲板、腹板、横隔板和翼缘。
制作完成后用平车板将主梁分段运输到施工现场,再在临时支墩上组装施工,待调整组装完毕后,再焊接对接缝。
最后进行桥面板支架模板及砼施工。
现以跨径较大PS19~PS20一联为例说明制作过程:PS19~PS20叠合梁总长约47.229m,由3跨U型钢梁组合而成,考虑到吊装现场设有2个临时支墩,间距约为23.253m,故工厂内分段制作时将纵向主梁对接点设在临时支墩上,这样有利于对接焊接的作业,即对每跨主梁在工厂分3段(12.129m+23.253m+11.847m)制作,待运输至现场后先吊装中间23.253m分段,等中间3段23.253m梁全部依次吊装到位后再吊装两端12.129m和11.847m分段。
故运输时的最大外形尺寸为23.253m×3.0m×2.1m,最长段的重量约为51.2t。
2、根据叠合梁的结构特点、尺寸大小等设计要求,以及施工现场的各种条件,并结合以往的施工经验,编制如下工艺流程:消化图纸—→采购材料—→材料理化试验—→放样—→胎架制作—→钢材预处理—→焊接工艺评定—→号料排版下料—→零部件加工—→分段制作—→厂内焊接—→焊缝检验—→上总装胎架预拼装并且矫正局部变形—→喷丸除锈—→喷涂底漆、中间漆—→运输至现场—→搭设临时支墩—→现场分段吊装—→检测调整—→现场焊接—→焊缝检验—→桥面板—→拆除临时支墩—→除锈、补漆—→喷涂面漆—→验收。
四、制作要求和主要技术措施1、材料对于本工程中所采用的材质,需严格把好质量关,以保证整个工程的质量。
所有材料进场前应及时将有关质保资料及复试资料提供给现场监理工程师。
1.1 刚材1.1.1 叠合梁主要材料为Q345qD,采购钢材时,要求生产厂家必须提供材质证明书,写明钢材的炉批号、钢号、化学成分及物理性能。
钢材进厂后,应检查钢材的质量保证书是否与钢材上打印的标记符合,钢材的规格尺寸允许偏差是否符合国标规定,并按同一炉批、板厚每10个炉(批)号抽验一组试件进行理化试验,材料化学成份及力学性能应符合(GB/T714-2000)《桥梁用结构钢》的有关规定。
见下表:1.1.2 表面质量钢材表面不应有裂纹、气泡、结疤、折叠、夹杂,钢材不应有分层。
如有上述表面缺陷允许清理,清理深度从实际尺寸算起,不应大于钢材厚度公差之半,并应保证最小厚度。
清理处应平滑无棱角。
1.1.3 钢板的超声波探伤及材料复试。
本工程厚度大于20mm 的钢板,需进行100%超声波探伤,探伤等级Ⅲ级。
本工程厚度14~20mm 的钢板,需进行10%超声波探伤(按炉号取张数的10%),探伤等级Ⅲ级。
如发现缺陷则需加大抽检比例,如仍发现缺陷,则需进行100%超声波探伤。
原材料复试按炉批号每10个炉号抽验一组试件取样复试。
1.2 焊接材料焊接材料进厂时,要求生产厂家提供质保书,写明材料的名称、型号、化学成分及物理性能,核对无误后方可使用。
1.2.1 使用的焊接材料其熔敷金属的屈服强度(σs),极限强度(σb),延伸率(σ5)及冲击韧性应与母材相匹配,并不低子母材的各项力学性能(按照焊接工艺确定选用焊材)。
1.2.2 自动或半自动焊,采用符合国标GBl300-77 要求的焊接用钢丝——焊10锰2配HJ43l焊剂合用(符合工厂焊接评定)。
1.2.3 手工焊接的焊条,采用符合GB981-76 要求的碳素钢及低合金钢焊条,焊条型号应与Q345q(D)相适应,采用J507类焊条(符合工厂焊接评定)。
1.2.4 CO2气体保护焊采用CO2气体纯度≥99.99%,焊丝KFX712C(符合工厂焊接评定)。
1.3 焊钉桥面板和钢梁之间的剪力通过剪力键传递,剪力键采用圆柱头焊钉,型号为GB10433,22×170,焊钉材料应满足GB699-88的30号钢的要求。
1.4 涂料防腐涂层采用《铁路钢桥保护涂装》(TB/T1527-1995)中Ⅳ涂装体系,颜色另外商定。
涂装配套工艺,其中叠合梁主梁外表面:环氧富锌底漆(2道)+环氧云铁中间漆(1道)+灰铝粉石墨醇酸面漆(3道);叠合梁主梁内部:无机富锌底漆(2道)+无机富铝面漆(2道)1.5 砼钢筋砼桥面板采用C50低收缩砼,28天收缩值小于2×10-4。
2、放样由于该叠合梁平面为斜交形式,故工厂在制作(下料)前须进行1:1的样台放样,以确定各个斜交点的尺寸。
放样时需考虑纵向竖曲线以及预拱度,核对所有构件的几何尺寸,列出下料清单作为后续加工生产的依据。
由于主梁的横截面为U型结构,制作时容易变形,所以在放样时要做到非常仔细、认真,放样结束后由质检部门进行专门检查,同时记录样台上画出的主梁纵向边线、斜交线、主梁翼缘板、横隔板、纵向、横向加劲板的轮廓线和定位线,在关键部位做出明显的标记,检查确认无误后方可进行下道工序,即对纵向斜交节点进行样板放样和横截面构件制作划线样板。
该划线样板采用优质三合板或五合板制作,并在划线样板上标出制作数量及定位位置。
将样板整齐有序地排放同时给每块样板分别编号,方便使用时按需领取。
另外放样时要加放加工余量(由于温度应力引起的),焊接收缩量。
3、胎架制作由于叠合梁结构为焊接构件,在施焊过程中容易产生焊接变形,并且有竖曲线、预拱度等要求,线型也较为复杂,故制作分段时,需制作胎架来保证分段制作质量和控制焊接变形,使主梁的制作误差最小化,即工厂在制作前需先搭设分段制作胎架和总装胎架。
胎架搭设长度依据主梁分段尺寸在长度方向加放500mm,在宽度方向加放300mm。
胎架纵横向材料均采用[20槽钢,以使胎架具有足够的强度和刚度,并且与地垅焊接牢固。
胎架上所划线型与理论线型的允许偏差、胎架水平度和对角线之差应符合精度要求。
胎架需按不同型值的分段进行修正。
胎架制作完成后先由质检部门检验合格,再报监理检验合格后方准使用。
4、制作加工准备及预处理4.1 钢板在下料切割前,应进行矫平等预加工处理,钢板矫平后不得出现折皱、翘曲等影响质量的现象,表面不应有明显的凸痕和其它损伤,必要时应进行局部整修或打磨整平。
4.2 号料前应清除钢材表面油污、氧化皮等污物,并进行车间底漆预处理,车间底漆干膜厚度20~30μm。
4.3 号料前应检查钢板的牌号、规格、质量,确认无误合格后,方可号料。
4.4 号料所划的切割线必须正确清晰。
5、焊接工艺评定5.1 以前已做的具有相同材质、相同坡口型式、相同焊接方法并有正式报告的工艺评定,经监理认可予以承认。
5.2 当采用新材料、新方法或新工艺进行焊接时,应按规范进行焊接工艺评定,当焊接工艺评定合格后,方可在本工程中使用。
6、号料排版下料6.1 号料排板制作人员在接到施工图后,先对图纸进行熟悉了解,同时对他们进行技术交底,提醒在施工过程中要关注关键部位和重要部位的施工,让工人对该产品的每个环节都做到心中有数。
在下料前先仔细检查钢板的牌号、规格和质量,确认无误、合格后,按设计要求进行合理的排板号料,力图做到在满足钢结构制作有关规范及外形美观的前提下,尽量节约用料,提高钢材利用率。
6.2 下料钢板划线结束下料前由质检部门对划线尺寸再次进行复核,无误后方可进行切割。
为保证切割后钢板的平整度,尽量采用数控切割机自动切割机进行下料,对切割完成的钢板去除切割毛边,对变形较大的钢板进行校正,同时对切割完毕的钢材按放样序号进行编号,合理堆放,送往抛丸车间进行抛丸除锈处理。
7、零部件加工零部件加工需遵循以下原则:7.1 各类钢结构部件的零件,原则上应采用气割切割,并优先考虑数控切割和自动、半自动气割,手工切割只能用于次要零件或手工切割后还要进行加工的零件;气割前应将料面上的浮锈及脏物清除干净,钢料应放平、垫稳,割缝下面应留有空隙。
7.2 焊接表面和邻近焊缝表面不应有松散和很厚的氧化皮、漆皮、锈、潮气、油污或其他杂质,以免妨碍正常焊接作业或产生烟尘。
7.3 所有埋弧焊(包括角焊缝)被焊钢板表面,凡焊剂可能接触部位的浮锈,均应一律去除干净,以防浮锈混入焊剂中。