碰焊机作业指导书
- 格式:doc
- 大小:110.50 KB
- 文档页数:3
审核文件编号批准文件版本设备名称、型号:精剪生产线岗位名称:剪板操作工
项目图号
124567 897 865
101112
生产设备操作指导书
CJ-GC-WI-A008
A001
所属单位:生产部编制
发放日期
实施日期
图片
内容
设备安全及注意事项1、除总电源开关外不得接触电气柜内任何元件,防触电;2、如遇异常情况,请立即停机通知相关技术人员;3、严格按照规定开关机流程开关机;4、非本岗人员严禁操作;开机前检查
1、检查空气压力是否合适
2、上下电极有无磨损,位置是否正常
开机步骤
1、开启设备电源
2、点击编程/焊接按钮,检查焊机参数是否正确
3、起动剪板机;
4、打开送料机与校平机电源开关;
5、设定板材长度,转换到自动模式即可生产。
关机步骤
1、关闭送料机与校平机电源;
2、按下剪板机停止按钮停止剪板机运行;
3、关闭主电源开关
备注:其他型号同类型设备参照此标准执行。
12
3
4
5
6。
鑫海五金制品有限公司Golden Ocean Metalwork(zhongshan)Co.,Ltd 文件名: 碰焊机碰焊缺陷原因及对策文件编号XH-WI-58-301编制日期:页码: 版本号: A/1图号碰焊产品部品图号:单件工时分/件人数工序号操作流程作业要求及说明要点控制检查器具图示二拼接轿底底板①确定拼接方向,确认无误开始定位点焊连接。
②检查对角线<±2mm且四角均为直角。
(图三)③以上检查无误,在接缝位打磨出2X4X40焊接坡口、焊接、磨平要求确保焊缝牢固。
焊接平整无虚焊,无气孔卷尺,目测三定位点焊轿底框架按图纸将前后横向支架、左右纵向支架、装配到相应的位置,检查确认形位尺寸无误,定位点焊,要求焊点牢固,光滑,美观。
焊接无虚焊,无气孔卷尺,目测四定位点焊辅助支架按图纸保证所有辅助支架焊接的方向,(如中间纵向支架,辅助支架),重点是KTV位置+0.5mm(如图纸表明KTV为600mm,就在265mm的基准上加0.5mm,但要以600mm为中心,图四),按图纸检查确认尺寸无误,进行定位点焊。
焊点要求牢固,光滑,美观焊接要求无虚焊,假焊、气孔,尺寸<±2mm卷尺,目测五定位点焊,固定轿底板①按图纸制作间隔焊模板用于间隔焊划分,如果图纸没有标识焊缝及焊点距离,可按公司目前确认的尺寸做模(画线模板)尺寸为:焊距=300mm,焊点=40mm。
(图六)②用快速锁紧夹具固定轿底;固定前,一定要根据轿底的大小,板材的厚度预留适当的变形余量,(图七)焊接要求的尺寸一定要相符卷尺,夹具六焊接①焊接时先检查所点焊好的轿底框架尺寸与焊接图纸是否完全符合。
②焊接时根据板材厚度调节最佳电流,方可进行产品焊接。
焊接牢固,焊点光滑,美观,无虚焊假焊等缺陷。
焊接无虚焊,无气孔,焊点光滑,美观卷尺,目测七自检,专检焊接完成,自检,是否有漏焊,虚焊,有无气孔产生,如确认无误,将工件取出工装装夹具,用行车把轿底吊下工作台,用直尺检查平面度<2mm(图八);同时报专检检检验。
凯斯莱 1109P前言感谢惠顾我们公司生产的电池自动碰焊机,为了正确使用本机器,在开始使用前请务必仔细阅读说明书,以便熟悉和理解机器的操作要点及注意事项,说明书请由操作和维修检查的人员保管和使用。
本说明书内容分为安全通告、安装与调试、操作说明、维护与保养、人机界面五大章节,各章节根据不同特点都有详细的说明介绍,使用者可按需要从目录中直接查找相应的内容。
请不要擅自对设备进行说明书里没有记载的操作、使用以及非本公司的改造等与本说明书不相符的操作,因为这些都可能引起机器故障和人身的伤害,由此引起的意外事故,本公司不负任何责任。
如果发现产品有故障和对人生命有关的设备,以及与合同内容不符的使用方法、用途时,请与本公司联系。
使用说明书中如有不明白的地方,也请与本公司联系。
若您对本说明书中的内容有不同意见或疑问,欢迎以各种方式与我们联系,本公司将竭诚为您服务解答,您的建议是我们工作改进的方向。
感谢您对凯斯莱公司及产品的关注与支持!联系电话:(0755)传真:(0755)深圳市凯斯莱焊接设备有限公司Tel:6 fax:5凯斯莱 1109P 1目录1.安全通告1.1 一般安全规则………………………………………………………1-11.2 维护安全指示………………………………………………………1-21.3 安全工作行为………………………………………………………1-21.4 安全操作……………………………………………………………1-31.5 紧急停止开关位置及控制范围……………………………………1-32.安装与调试2.1 碰焊机示意图……………………………………………………… 2-12.2 安装与调试………………………………………………………… 2-22.2.1 安装前准备事项………………………………………………… 2-22.2.2 机组的安装步骤………………………………………………… 2-22.2.3 机组调试………………………………………………………… 2-22.3 机组的清洗方法及注意事项……………………………………… 2-33.操作说明3.1 产品介绍…………………………………………………………… 3-13.2 开机前的准备工作………………………………………………… 3-13.3 开机…………………………………………………………… 3-13.4 关机…………………………………………………………… 3-13.5 收工…………………………………………………………… 3-13.6注意事项…………………………………………………………… 3-14.维护与保养4.1机器维修…………………………………………………………… 4-14.2 机器的保养……………………………………………………… 4-15.人机界面按键操作说明5.1欢迎界面……………………………………………………………5-15.2自动操作界面……………………………………………………… 5-15.3手动操作界面……………………………………………………… 5-25.4原点查询界面……………………………………………………… 5-3Tel:6 fax:5凯斯莱 1109P 2目录5.5参数设定画面……………………………………………………… 5-35.6故障查询与清除…………………………………………………… 5-5Tel:6 fax:5凯斯莱 1109P 1-1 1.安全通告1.1 一般安全规则1)为了您的安全,操作机器前务必详细阅读本使用说明书操作机器的人员必须受过专门的培训,能够懂得应用安全措施,能够遵守和执行说明书中提到的安全规则,知道本机器的应用范围、限制应用范围,懂得一些特别情况的处理方法;2)机器应接地在相关相线附近必须装有接地导线,接地导线为黄绿色相间,在开机前,必须确保接地导线已接地且连接良好;3)保持防护装置在原位应保持所有安全防护装置在原始设置状态,使其发挥正常功能;4)保持工作区清洁,通道畅通脏乱的工作区域和工作台面容易引发意外事故,应确保工作区域整洁;5)禁止在潮湿阴暗的环境中使用机器不要在潮湿的场所使用机器,也不要将它暴露到雨中。
作业指导书碰焊1 设备及量具:A、使用设备:点焊机;B、工具:锉刀、锒头、胶锤、点焊夹具等;C、量具:钢板尺、卡尺、直角尺、钢卷尺。
1.1 准备:1.1.1 设备检查与调试A、检查点焊机各部分是否正常;B、根据被焊零件材料特性调整焊接电流,通电时间并选用适当的电极与焊点直径见下表:材料厚度0.4+0.4 0.5+0.5 0.6+0.6 0.8+0.8 1.0+1.0 1.2+1.2 1.5+1.5 2.0+2.0电流值1档2档2档3档3档3档4档4档通电时间0.2~0.3 0.2~0.3 0.3~0.4 0.3~0.4 0.4~0.5 0.5~0.6 0.6~0.7 0.7~1.0 焊点直径Φ2.0 Φ2.5 Φ2.5 Φ3.0 Φ3.0 Φ3.5 Φ4.0 Φ4.5C、CB01-753-01(DN-40D1)、CB01-753-05(DN-40D)、CB01-753-06(DN-40D1)、CB01-753-04(DN-40D)焊机焊接质量取决于电流时间与压力的选定,焊接前根据被焊零件材料特性调整焊接电流,通电时间,并选用电极与焊点直径如下表:材料厚度0.4+0.4 0.5+0.5 0.6+0.6 0.8+0.8 1.0+1.0 1.2+1.2 1.5+1.5 2.0+2.0 电流值20~22 23~25 25~27 27~30 35~45 40~60 70~90 70~90通电时间0.2~0.3 0.3~0.4 0.4~0.5 0.5~0.6 0.7~0.8 0.6 0.7~0.8 0.8~1.0焊点直径Φ2.0 Φ2.5 Φ2.5 Φ3.0 Φ3.0 Φ3.5 Φ4.0 Φ4.5一些特殊材料的焊接可参考上表,焊接时先将电流和时间调整到最小值,然后由小到大试焊,直到焊点质量达到要求时为止,电流和时间一经选定就保持不变。
D、CB01-753-02、CB01-753-07两台焊机经机电部维修拆除时间控制系统,时间控制改为以每分钟120次计时操作,数数计时具体方法如下:时间0.5秒 1.0秒 1.5秒 2.0秒 2.5秒3秒…………60秒数数1次2次3次4次5次6次………120次1.1.2 按需要准备必要的工具及夹具,并检查是否合格。
适用产品名称
文件编号发行日期 2019年3月26日工序名称工序编号500pcs
页 码:共1页,第1页示意图:操作步骤:1、检查机器温度是否为限定温度:200℃-800℃度之间。
2、分清线材与电阻的型号规格,按工艺要求焊接。
3、左手拿电阻将电阻引脚平行置入碰焊机下模。
(如图一)
4、右手拿线材将线材3.0mm线芯口对齐后平行叠放到电阻上。
(如图一)
5、踩动碰焊机踏板、使上模与下模充分贴和熔接。
6
、观察碰好的产品是否全部熔接好,没有熔接好的的从新焊接一次。
注意事项:
1、检查有无假焊、虚焊、错焊、半焊现象。
2、两焊接点须色泽均匀,无单边虚焊,无毛刺,脱芯现象。
3、每隔一小时做一次20N拉力测试。
4、焊接时出现粘模的情况用磨砂纸轻轻摩擦清除焊嘴上的残渣。
5、每扎线焊接完后绑好装盆。
6、做完一个产品后必须清理台面,不能有浪费和混料的情况出现。
目的:正确指导员工操作,提高工作效率,加强产品品质,规范生产管
每个人的作业中最重要的是致力于品质,双槽电极焊接嘴22#24#26#——我们要站到客户的立场去生产制品!
制作:戴浩审核/日期:设备及工具
名称
型号设定条件精密交流点焊机
PT105K型220V 中山市慧扬电子科技作业指导书
NTC温度感应器(通用)HY-WI-001版本 V1.0碰焊3标准产能(H)图一 图二 控制开关 脚踏板。
碰焊机焊接作业指导书第一篇:碰焊机焊接作业指导书碰焊机焊接作业指导书1.适用范围本指导书适用于座圈零件的焊接作业。
2.引用标准/文件a)检验和试验控制程序b)《电焊机使用说明书》3.设备及工具对焊机和护具、焊接夹具、胎具等。
4.职责焊接工负责焊接并按照工艺要求放置工件,具体实施和其工具、设备的保管、保养。
5.工艺内容5.1理解图纸明确要求。
5.2根据图纸要求做好准备工作,注意设备施工现场对安全有无影响。
5.3电焊机的操作严格按《电焊机使用说明书》执行。
5.4焊缝要符合图纸要求,焊缝对齐并且美观。
6工艺要求6.1图纸已注明要求的按图纸加工。
6.2图纸未注明要求的按5.4和《焊接监控制度》执行。
7检查7.1按图纸标注的要求检查。
7.2图纸未注明的按6.2条报检。
8合格品有序放置。
第二篇:最新焊接作业指导书2018焊接作业指导书(一)、电焊作业指导书为确保生产、安装和服务的质量,使生产过程在受控状态下进行,根据国家职业技能鉴定教材内容,结合我处电焊作业实际情况,特制定电焊作业工艺规范。
一、对人员、设备、安全的要求1、对从事电焊作业的人员,必须经过培训、考试合格、取得国家颁发的特殊工种操作证方能上岗作业。
2、从事电焊作业的人员,必须按照gb9448—88《焊接与切割》的要求,正确执行安全技术操作规程。
3、应确认电焊机技术状况良好。
氧气、乙炔、发生器,经专业部门检查合格,方能投入使用。
二、手工电弧焊的工艺参数焊接工艺参数(焊接规范)是指焊接时,为保证焊接质量而选定的诸物理量。
a、焊接位置的种类:1、平焊:平焊是在水平面上任何方向进行焊接的一种操作方法。
由于焊缝处在水平位置,溶滴主要靠自重过度,34操作技术比较容易掌握,可以选用较大直径焊条和较大焊接电流,生产效率高,因此在生产中应用较为普遍。
如果焊接工艺参数选择和操作不当,打底时容易造成根部焊瘤或未焊透,也容易出现熔渣或熔化金属混杂不清或溶渣超前而引起的夹渣。
作业指导书/标准书
版本/A1客户: 使用范围:品质、焊接 页码:第1页 共 1 页 名称/图号
作业名称
碰焊
制定/日期
审批/日期
批准/日期
更改标记更改处数
变更内容
变更者
审 核
日 期
1234
流线的交叉
受
*
②如上图所示,将配套工
装(与100P外镜前保持架共用)装在碰焊机上,根据产品调整工装位置.
③如上图所示,把M6的螺母套进工装的定位销内,然后进行碰焊作业(左右各碰一个,不可漏碰)
①如上图所示,生产前把各项参数调好.(时间6CYC,11KA,气压0.35-0.4MPa)④如上图所示,碰焊后需要用M6螺丝检测同心度和螺母是否变形,要求徒手能顺畅的把螺丝拧入.
⑤注意螺丝是否有偏位,螺丝拧入后能晃动,周边有间隙螺丝不可紧贴产品边为OK.
⑥如上图所示,用扭力扳手检测碰焊后螺母的扭力,要求扭力≥12N/M.
螺母碰焊后贴平产品面,目视无间隙.
⑦产品装箱摆放整齐
首件需确认定位销1-2项尺寸并
与底部编号一同记入巡检单中,每2000PCS更换,以旧换新旧件现场质检回收保管
螺母偏位
过往不良。
对焊机碰焊机的安全操作规程模版一、目的和范围1.1 目的:为保障焊工和周围工作人员的人身安全,防止设备损坏和事故发生,制定本规程。
1.2 范围:适用于焊接作业中使用焊机的操作人员。
二、操作前的准备2.1 检查焊机的工作状态,确保设备完好无损。
2.2 检查焊机周围是否有易燃和易爆物,确保没有火灾和爆炸的危险。
2.3 穿戴好防护设备,包括防护眼镜、防护手套和防护服等。
2.4 确保工作区域安全,清理掉杂物和防滑设施。
2.5 检查焊机的电源线是否齐全,否则请更换。
三、焊机操作3.1 打开焊机的电源开关,开始预热。
3.2 设置适当的焊接电流和焊接时间,根据工作需要进行调节。
3.3 使用焊接枪进行焊接操作时,手握住绝缘手柄,确保与焊接电极有良好接触。
3.4 操作焊接枪时,注意保持稳定姿势,避免手部抖动,以免焊接质量受影响。
3.5 操作焊接枪时,焊枪与焊接件保持垂直角度,焊接档位和速度适中。
3.6 焊接完成后,及时关闭焊机的电源开关,并拔掉电源插头。
四、焊机维护4.1 每次使用焊机后,将其清洁干净,并进行检查,确保没有损坏和故障。
4.2 定期对焊机进行维护保养,如更换电极、清洁风扇等。
4.3 在维护和检修焊机时,先断开电源并等待焊机冷却后再操作。
4.4 如发现焊机故障,应立即上报维修人员进行处理,切勿私自操作。
五、应急措施5.1 如发生火灾,首先切断电源,并用灭火器或灭火器材进行灭火。
5.2 如发生电击事故,应立即切断电源,并及时进行急救。
5.3 如发生焊接件脱落等意外事故,应立即停止焊接操作,并寻求帮助。
六、风险防控6.1 遵守焊接作业中的安全操作规程,规范自己的行为。
6.2 注意设备和电源线的接地,确保接地正常,防止电击事故。
6.3 焊接时应戴上防护眼镜和手套,减少对眼睛和皮肤的伤害。
6.4 焊接时禁止穿戴宽松的服装,以防止被火花引燃。
6.5 长时间焊接时,应适当休息,避免连续作业引发疲劳。
6.6 禁止在有易燃和易爆物质的地方进行焊接作业。
碰焊机操作指导书1.目的和适用范围为确保人员和设备的安全,合理使用该设备,达到产品质量的要求,特制定本操作指导书。
该设备只准经过培训的人员才能使用。
2.作业前的准备2.1 打开进水阀,确认冷却水的流通状况。
2.2打开进气阀,确认供气压力在0.5~0.7Mpa之间。
2.3电极加压的调整。
2.3.1 焊机采用减压阀调整压缩空气压强,从而使电极压力适应被焊物的材质板厚,右旋减压阀电极压力增加,反之减少。
气压表刻度与电极加压力的对应关系如下表:2.4 电极头间距的调整根据被焊工件形状的不同,合理调整电极间的尺寸,但必须使电极的行程不得超过气缸的最大行程。
2.5 电极下降速度的调整通过调整加压气缸盖上电磁阀后的下降调速器,可任意改变电极下降的速度,右旋变慢,左旋变快。
2.6 检查电源可靠接地,其他位置无松动后打开电源,开始工作。
3. 焊接作业3.1 根据图纸上标明的材料厚度,在微电脑控制器上调节焊接参数。
3.1.1 首先将电源开关拨至ON位置,灯亮表示电源正常。
3.1.2 通电。
把“检查/通电”开关置于“检查”的位置,启动焊机,脚踩脚踏开关,检查焊机气缸的运动是否灵活,电极头的位置是否正确。
3.1.3 调整预压参数3.1.4调整缓升时间3.1.5调整焊接时间3.1.6 调整冷却时间3.1.7 调整保持时间3.1.8 调整休止时间3.1.9 调节电流大小3.1.10 用与要焊工件的材料一样厚度的废料试焊。
3.1.11 达到要求后将“检查/通电”开关置于通电后,进行焊接。
3.1.12 焊接完毕后,必须切断电源,冷却水及压缩空气。
2.安全注意事项4.1 因磁焊机内有高压,非电工不得擅自开启内部结构。
4.2 焊接过程中,有飞溅飞出,操作者要戴好手套、工衣及防护眼镜。
4.3 在焊接时,绝对不能将手放入电极之间,对大工件两人操作时,一定要配合好。
4.4 用锉刀或砂纸修理、更换电极头时,一定要关闭控制装置。
4.5 检修焊机内部及控制装置或更换部件时,一定要切断电源。
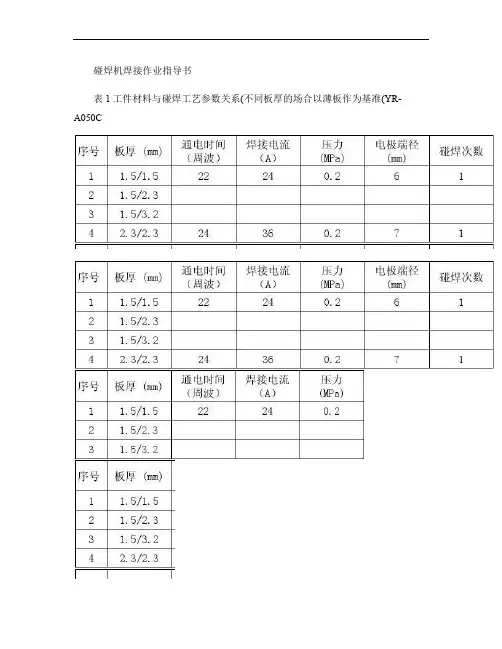
碰焊机焊接作业指导书
表1工件材料与碰焊工艺参数关系(不同板厚的场合以薄板作为基准(YR-A050C
表2工件材料与碰焊工艺参数关系(不同板厚的场合以薄板作为基准(YR-350C 表3工件的溶核要求碰焊操作:
1.按《碰焊机安全操作规程》进行作业。
2.碰焊前对工件要求:工件表面应平整、无油、无锈。
3.查看图纸或《工艺卡片》,明确碰焊方式及工艺要求。
4.根据工件的形状,选择相应的电极杆,并调节好电极行程和间距。
5.根据工件材料厚度,确定碰焊工艺参数,确定电极工作端面的尺寸和形状.见图1及表1 表2。
6.根据工件图纸规定组装待焊工件,用夹钳或定位样板定好工件相互位置,置于工作
台上。
7.每日碰焊前必须做焊接试验、更换不同的板厚碰焊时也必须做焊接试验,工件的溶核要符合表3 图2要求。
8.最少每日一次进行电极检查(尺寸和形状,电极在必要时进行修整。
9.
碰焊首件必须送检。
溶核深度。
碰焊机操作规程
预览说明:预览图片所展示的格式为文档的源格式展示,下载源文件没有水印,内容可编辑和复制
编制:审核:
日期:日期:
碰焊机焊接操作规程
2.碰焊机调节和操作方法
S 预压时间 F 加压时间 U 递增时间 P 预设时间 C1冷却1时间 W 焊接时间 C2 冷却2时间 T 回火时间 D 递减时间 H 维持时间 O 休止时间
1.调解时递增时间不能大于预设时间;
2.通常情况下变压线圈比固定在50;
3.试用多脉冲焊接时预热时间不应大于焊接时间,焊接时间不应大于回火时间;
4.单脉冲工作时,S 为7,F 为7,U 为
2,P 为3,H 为1,C1/W/C2/T/D/H/O 时间可以设定为零;
5.一般情况下焊接时间调整为3;
6.根据焊接铜棒头的磨损情况相应调节电流大小;
7.当焊接头焊接平面磨损直径达到4mm 时,应拆下焊接头进行磨细;8.焊接时,焊机气压一般调整为0.2MPa 。
3.常见故障及解决方法
按工艺要求严格操作,做好首件与自检,注意焊接先后顺序,发现问题及时向班长、主管反应。
点焊机作业指导书
一、准备工作
1、开始操作前,检查主要锁紧螺栓是否坚固,电源开关及线路是否良好。
按规定穿着劳保用品,非碰焊工和未经学习培训的禁止上岗。
2、操作前根据工件的形状、厚度调节/调整铜棒长度、电极(并调好电极行程和间距)和焊嘴的间隙。
4、查看图纸以及模具,明确碰焊方式有关工艺要求。
5、将需焊接的工件搬到工作台上规定的位置,摆放好位置以便于焊接。
二、操作规程和工艺要求
1、操作时,先试焊嘴间隙大小与脚踏弹簧松紧。
2、操作时,根据材料厚度决定电流调节大小及时间控制。
防止虚焊、击穿和焊屎外凸。
3、焊接好的工件应牢固、无假焊、过烧、裂纹等缺陷。
4、必须根据工件图纸与模具规定的焊接搭边量组装待焊工件。
5、焊接位置及焊接搭边量符合图纸规定。
6、做好“首三检”,并经常自检工件作业质量。
经常自检,不要“一碰到底”。
三、焊机安全以及维护
1、焊机使用前和使用后须清除杂物与金属溅沫。
2、电极触头须保持光洁,必要时可以用细锉或砂皮修光。
3、焊工操作时需佩戴手套及围围身,以免被金属溅沫烫伤。
4、操作中如出现接触不良、不通电、漏电等现象,立即切断电源,报告主管。
禁止带病强行作业。
5、检修和排除故障时,应切断电源,挂上检修牌。
非电工不得拆除焊机外壳进行修理。
6、工作完毕,应关掉电源,清理现场。
产品按指定位置堆放有序,做好标识,留有通道。
碰焊机碰焊螺母作业指导书
碰焊机碰焊螺母作业指导书
一、准备工作:
1. 确保碰焊机正常工作,并进行必要的检查和调试。
2. 准备好所需的焊螺母和其他工具和材料。
二、操作步骤:
1. 将焊螺母放置在焊接位置上,并确保螺母与焊接表面之间有足够的间隙。
2. 调整碰焊机的温度、压力和速度等参数,以适应焊螺母的材料和尺寸。
3. 将焊螺母放入碰焊机的焊接头中,确保螺母适切合焊道中。
4. 关闭碰焊机的开关,启动焊接过程。
5. 等待一段时间,直到焊螺母与焊接表面完全融合和连接。
6. 关闭碰焊机的开关,取出焊接好的螺母。
三、注意事项:
1. 在操作碰焊机时,要注意安全,避免触碰到热表面或电气部件。
2. 碰焊机使用过程中,应密切关注焊接效果,避免焊接不牢固或产生其他质量问题。
3. 在更换焊螺母时,要及时清理碰焊机的焊接头,以保证新的螺母和焊接表面的质量和效果。
4. 对于特殊要求的焊接任务,应参考相应的工艺规范和要求进行操作。
5. 在操作过程中,如发现设备异常或有任何问题,应立即停止
使用,并及时进行维修和处理。
四、常见问题及解决方法:
1. 焊接不牢固:可能是因为温度、压力或速度等参数设置不当,可以适当调整参数重新进行焊接。
2. 焊接表面有毛刺或其他不良情况:可能是焊接头不干净或焊接温度过高,可以清理焊接头或适当降低焊接温度。
3. 焊接头损坏或磨损:可能是使用时间过长或操作不当,可以更换焊接头或进行维修。
以上是碰焊机碰焊螺母作业的简要指导书,希望能对你有所帮助!。
点焊机安全操作作业指导书1.0.目的:1.1.制定本规程,确保点焊机的安全运行处于受控状态,保证产品的稳定性和可靠性。
2.0.范围:2.1.本规程适用于点焊机的安全运行和操作以及新员工培训之用.3.0.安全操作内容:3.1.操作前检查及操作规程:3.1.1.检查点焊机电源接线端子是否锁紧,绝对不可松动,以保安全。
3.1.2.检查冷却水流是否通畅(水流每分钟4公升)。
3.1.3.检查电极头与其他接触,注意清洁及锁紧螺丝。
如有特别发热处。
先检查是否接触不良。
若需更换电极头,应注意电极头接触完全用圆锥压入,斜度为1/10,取其出入时一定要用旋转,不能用锒头等用力敲打,否则容易损坏斜度,造成接触不良及漏水。
3.1.4.接上气管,气压指示不大于5kg/c㎡。
3.1.5.依据被焊接工件材料和外形尺寸,设定点焊参数。
详细设定方法见参数设定说明。
3.1.6.通过以上各项检查工作,即可开始试焊,先把控制电源和焊接电源开关接通,此时指示类亮,表示点焊机准备工作就绪。
3.1.7.将被焊接工件放在两个电极之间(即点焊头上),踩下脚踏开关即可进行一次焊接。
3.1.8.如需连续焊接,则将选择开关打向连续一边,踩住脚踏开关即可进行连续焊接。
4.0.使用方法:4.1.准备工作及注意事项:4.1.1.钢焊件焊前需清除焊点表面的一切脏物、油污、氧化皮及铁锈。
对热轧钢最好在焊接处经过酸洗或用砂纸清除氧化皮。
未经清理焊件虽能进行点焊,但是严重地降低电极的使用期限,同时影响点焊的生产率和质量。
4.1.2.对由镀锌或镀锡的低碳钢件,可直接施焊。
4.1.3.焊件装配应尽可能地彼此交接,避免折边不正,圆角半径不重合及皱折等缺陷,通常缝隙应在0.10.8mm以内。
4.2.焊机调整:4.2.1.焊接时应先调节电极臂之位置,使电极刚压致电焊接表面时,电极臂保持相互平行,并使其适合工作行程式。
接焊件厚度与材料性质,选择分级开关的档位。
电极压力的大小,可旋转调节螺母,改变压力弹簧之压缩程度获得。
本文部分内容来自网络整理,本司不为其真实性负责,如有异议或侵权请及时联系,本司将立即删除!== 本文为word格式,下载后可方便编辑和修改! ==焊机作业指导书篇一:电焊机作业指导书电焊工作业指导手册1、目的指导员工正确进行焊接操作,使员工掌握电焊工的生产工艺和技术要求,以便按照工艺要求完成对产品的焊接,保证焊接质量。
2、使用范围使用于安装车间各电焊工作的焊接操作与管理。
3、技能要求1) 掌握焊机焊接的基本知识,熟悉电焊工安全操作规程以及焊机的使用和维护保养。
2) 员工必须经相关培训,考试合格并取得相应资历证书。
4、岗位职责1) 工件焊接,按照图纸和焊接工艺进行调压产品及工件的焊接,交检合格后方可结束工作。
2) 记录填写,认真填写工作记录标准和派工单3) 设备保养,按照设备使用维护要求对设备进行润滑和维护保养,发现设备异常及时保修,保证设备性能完好。
4) 环境卫生,设备安置整齐、物件摆放有序、现场干净。
5) 工艺改造,配合车间和技术部门进行焊接工艺质量的改进和提高。
5、作业流程1) 焊前检查1、设备、工装的检查。
2、检查各种仪表是否正常且在有效期鉴定期内。
3、每次开机后检查电流电压显示是否正常并调试设备,满足工作状态要求。
4、核对材料标记,实物和软件保证一致。
5、查看焊接工艺,确定具有焊工资质。
2) 焊接过程1、准备零部件,将需焊接的零部件准备齐全,焊前状态符合工艺要求。
2、依据《焊接工艺规程》填写工作记录,并核对派工单。
3、打开焊机调节到焊接工艺要求的电流、电压和焊接速度。
4、焊接操作,按照焊接工艺进行焊接,注意焊接过程中电流、电压和焊接速度的变化,超差后立即调整,以保证焊接质量。
5、焊后处理,完成后,焊工把工件放置在指定工位进行空冷或水冷。
6、经检查员确认合格后,填写派工单,交付车间使用。
7、整理焊接现场,未使用完毕的焊材,焊条回收。
6、焊接作业流程图7、注意事项1、电焊工必须按照电焊工操作规程作业,以免发生事故。
鑫海五金制品有限公司Golden Ocean Metalwork(zhongshan)Co.,Ltd 文件名: 碰焊机碰焊缺陷原因及对策文件编号XH-WI-58-301
编制日
期:
页码: 版本号: A/1
图号碰焊产品部品
图号:
单件工时分/件人数
工序号操作流程作业要求及说明要点控制检查器具图示
二拼接轿底
底板
①确定拼接方向,确认无误开始定位点焊连接。
②检查对角线<±2mm且四角均为直角。
(图三)
③以上检查无误,在接缝位打磨出2X4X40焊接坡口、焊接、磨平要求
确保焊缝牢固。
焊接平整无虚
焊,无气孔
卷尺,目测
三定位点焊
轿底框架
按图纸将前后横向支架、左右纵向支架、装配到相应的位置,检查确
认形位尺寸无误,定位点焊,要求焊点牢固,光滑,美观。
焊接无虚焊,
无气孔
卷尺,目测
四定位点焊
辅助支架
按图纸保证所有辅助支架焊接的方向,(如中间纵向支架,辅助支架),
重点是KTV位置+0.5mm(如图纸表明KTV为600mm,就在265mm的基
准上加0.5mm,但要以600mm为中心,图四),按图纸检查确认尺寸无
误,进行定位点焊。
焊点要求牢固,光滑,美观
焊接要求无虚
焊,假焊、气
孔,尺
寸<±2mm
卷尺,目测
五定位点焊,
固定轿底
板
①按图纸制作间隔焊模板用于间隔焊划分,如果图纸没有标识焊缝及
焊点距离,可按公司目前确认的尺寸做模(画线模板)尺寸为:焊距
=300mm,焊点=40mm。
(图六)
②用快速锁紧夹具固定轿底;固定前,一定要根据轿底的大小,板材
的厚度预留适当的变形余量,(图七)
焊接要求的尺
寸一定要相符
卷尺,夹具
六焊接①焊接时先检查所点焊好的轿底框架尺寸与焊接图纸是否完全符合。
②焊接时根据板材厚度调节最佳电流,方可进行产品焊接。
焊接牢固,
焊点光滑,美观,无虚焊假焊等缺陷。
焊接无虚焊,
无气孔,焊点
光滑,美观
卷尺,目测
七自检,专检焊接完成,自检,是否有漏焊,虚焊,有无气孔产生,如确认无误,将工件取出工
装装夹具,用行车把轿底吊下工作台,用直尺检查平面度<2mm(图八);同时报专检检检验。
检验确认合格后转入下一工序。
注:所有未注明尺寸公差均要求按GB/T1184-1996(K)级公差制件和检验。
焊接无虚焊,
无气孔,平面
度
卷尺、直尺,目测
Golden Ocean Metalwork(zhongshan)Co.,Ltd 编制日
期:
页码: 2/3 版本号: A/1
图号碰焊产品部品
图号:
单件工时分/件人数
工序号操作流程作业要求及说明要点控制检查器具图示
图一图二
图三图四
图五图六
图七圖八
Golden Ocean Metalwork(zhongshan)Co.,Ltd 编制日
期:
页码: 版本号: A/1
图号碰焊产品部品
图号:
单件工时分/件人数
工序号操作流程作业要求及说明要点控制检查器具图示
一前期准备碰焊前,按产品BOM清单清点零部件数量确定无误。
检查零部件的形
位尺寸是否符合图纸和技术要求,查看确认外观无不符合技术要求的
重大缺陷(如产品变形,凹痕,生锈等);
物料尺寸要符
合图纸要求
卷尺,角尺
图一图二
图三图四
图五图六
二拼接轿底
底板
①确定拼接方向,确认无误开始定位点焊连接。
②检查对角线<±2mm且四角均为直角。
(图三)
③以上检查无误,在接缝位打磨出2X4X40焊接坡口、焊接、磨平要求
确保焊缝牢固。
焊接平整无虚
焊,无气孔
卷尺,目测
三定位点焊
轿底框架
按图纸将前后横向支架、左右纵向支架、装配到相应的位置,检查确
认形位尺寸无误,定位点焊,要求焊点牢固,光滑,美观。
焊接无虚焊,
无气孔
卷尺,目测
四定位点焊
辅助支架
按图纸保证所有辅助支架焊接的方向,(如中间纵向支架,辅助支架),
重点是KTV位置+0.5mm(如图纸表明KTV为600mm,就在265mm的基
准上加0.5mm,但要以600mm为中心,图四),按图纸检查确认尺寸无
误,进行定位点焊。
焊点要求牢固,光滑,美观
焊接要求无虚
焊,假焊、气
孔,尺
寸<±2mm
卷尺,目测
五定位点焊,
固定轿底
板
①按图纸制作间隔焊模板用于间隔焊划分,如果图纸没有标识焊缝及
焊点距离,可按公司目前确认的尺寸做模(画线模板)尺寸为:焊距
=300mm,焊点=40mm。
(图六)
②用快速锁紧夹具固定轿底;固定前,一定要根据轿底的大小,板材
的厚度预留适当的变形余量,(图七)
焊接要求的尺
寸一定要相符
卷尺,夹具
六焊接①焊接时先检查所点焊好的轿底框架尺寸与焊接图纸是否完全符合。
②焊接时根据板材厚度调节最佳电流,方可进行产品焊接。
焊接牢固,
焊点光滑,美观,无虚焊假焊等缺陷。
焊接无虚焊,
无气孔,焊点
光滑,美观
卷尺,目测
七自检,专检焊接完成,自检,是否有漏焊,虚焊,有无气孔产生,如确认无误,将工件取出工
装装夹具,用行车把轿底吊下工作台,用直尺检查平面度<2mm(图八);同时报专检检检验。
检验确认合格后转入下一工序。
注:所有未注明尺寸公差均要求按GB/T1184-1996(K)级公差制件和检验。
焊接无虚焊,
无气孔,平面
度
卷尺、直尺,
目测
图七圖八。