凸轮机构工作过程(精)
- 格式:ppt
- 大小:481.00 KB
- 文档页数:10
凸轮机构原理凸轮机构是一种常见的机械传动机构,它是通过凸轮的转动运动来推动工作部件实现工作的。
在许多机械装置中,凸轮机构都有广泛的应用,比如汽车发动机、印刷机等,因此对凸轮机构的原理和工作过程进行了深入研究。
凸轮机构的基本构成部分就是凸轮。
凸轮是一种椭圆形、圆形、正弦形等截面形状的曲面,它是通过转动轴的运动来驱动工作部件的。
在凸轮机构中,凸轮与摆动杆、推杆、滑块等配合使用,通过它们的相互作用,实现了机械运动的传递。
接下来我们就来详细了解凸轮机构的原理及其工作过程。
一、凸轮机构的工作原理凸轮机构的工作原理是利用凸轮的转动运动来推动工作部件进行工作。
凸轮的形状可以根据需要进行设计,通常是根据工作部件的形状和运动轨迹来决定。
根据凸轮的形状不同,可以将凸轮机构分为圆形凸轮机构、正弦形凸轮机构、椭圆形凸轮机构等三类。
- 圆形凸轮机构圆形凸轮机构是一种最简单的凸轮机构,常见于日常生活中的各种机械。
其原理是圆形凸轮的转动带动摆动杆进行往复运动,从而推动工作部件实现工作。
通常情况下,摆动杆在运动过程中的偏移量是不变的,因此圆形凸轮机构的运动状态相对稳定。
- 正弦形凸轮机构正弦形凸轮机构是一种难度较高的凸轮机构,它需要将正弦形凸轮的运动与工作部件的运动进行精密匹配,才能实现准确的运动传递。
通常情况下,正弦形凸轮机构适用于一些对运动要求较高的场合,如高速运动的机械。
- 椭圆形凸轮机构椭圆形凸轮机构是一种具有典型工业应用的凸轮机构,其原理是利用椭圆形凸轮的转动运动来推动工作部件进行工作。
椭圆形凸轮机构适用于需要进行往复运动或旋转运动的场合,如某些机床的上下工作台、搅拌机等。
二、常见的凸轮机构类型凸轮机构按照其功能和结构特点,可以分为如下几种类型:- 滑块式凸轮机构滑块式凸轮机构的特点是通过凸轮的转动,实现滑块的往复运动,从而推动工作部件完成工作。
常见的滑块式凸轮机构有快进机构、闸门机构等。
这种机构结构简单、运动状态稳定,广泛用于多种家电、机床、汽车等领域。
凸轮机构的工作原理及作用
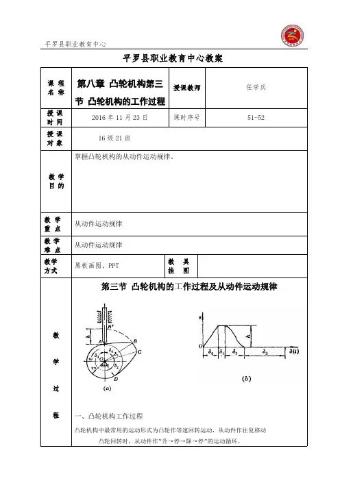
凸轮机构是一种由凸轮、从动件和机架组成的高副机构,主要用于转换运动形式。
其工作原理主要基于凸轮的旋转或直线运动来驱动从动件进行预定的运动。
凸轮具有曲线轮廓或凹槽,有盘形凸轮、圆柱凸轮和移动凸轮等,其中圆柱凸轮的凹槽曲线是空间曲线,因而属于空间凸轮。
凸轮机构常用于将主动构件的连续运动转变为从动构件的往复运动。
只要恰当的设计凸轮廓线,便可使从动构件实现各种复杂的运动要求。
例如,凸轮轴是发动机配气机构的重要组成部分,负责驱动气门按时开启和关闭,有些凸轮轴还具有驱动分电器转动的功能。
此外,凸轮机构也广泛应用于各种机械、仪器和操纵控制装置中。
发动机凸轮轴工作原理
发动机凸轮轴是内燃机中的一个重要部件,它的工作原理对发
动机的性能和效率有着重要的影响。
凸轮轴通过控制气门的开启和
关闭,以及喷油系统的工作来调节发动机的进气和排气过程,从而
影响着发动机的动力输出和燃油效率。
凸轮轴通常安装在发动机的缸体上,它由一系列凸起的凸轮组成,每个凸轮对应着一个气门。
当凸轮轴旋转时,凸轮的形状会推
动气门的开启和关闭,控制着气门的工作时序和持续时间,从而调
节气缸内的进气和排气过程。
在四冲程发动机中,凸轮轴的工作原理可以简单概括为下面几
个步骤:
1. 进气阶段,当凸轮轴旋转时,气门凸轮会推动进气门的开启,使得新鲜空气和燃料进入气缸内。
这个过程需要在活塞下行时进行,以便将混合气充满气缸。
2. 压缩阶段,凸轮轴继续旋转,使得进气门关闭,同时排气门
开始打开。
活塞开始向上运动,将混合气压缩,为点火提供条件。
3. 燃烧阶段,在压缩阶段的末尾,点火系统会点燃混合气,产
生爆炸推动活塞向下运动,驱动曲轴旋转,从而输出动力。
4. 排气阶段,随着凸轮轴的继续旋转,排气门会在活塞下行时
打开,将燃烧后的废气排出气缸,为下一个循环做准备。
凸轮轴的工作原理直接影响着发动机的性能和效率。
通过调节
凸轮的形状和安装角度,可以实现不同的气门工作时序和持续时间,从而优化发动机的进气效率、排气效率和燃烧效率。
因此,凸轮轴
的设计和调校是发动机工程师们在提升发动机性能和节能环保方面
不可或缺的重要工作。