数控电火花线切割机床的程序编制
- 格式:pdf
- 大小:529.67 KB
- 文档页数:12
第6章数控电火花线切割机床的程序编制数控电火花线切割机床利用电蚀加工原理,采用金属导线作为工具电极切割工件,以满足加工要求。
机床通过数字控制系统的控制,可按加工要求,自动切割任意角度的直线和圆弧。
这类机床主要适用于切割淬火钢、硬质合金等金属材料,特别适用于一般金属切削机床难以加工的细缝槽或形状复杂的零件,在模具行业的应用尤为广泛。
6.1数控电火花线切割加工工艺数控电火花线切割加工,一般是作为工件尤其是模具加工中的最后工序。
要达到加工零件的精度及表面粗糙度要求,应合理控制线切割加工时的各种工艺参数(电参数、切割速度、工件装夹等),同时应安排好零件的工艺路线及线切割加工前的准备加工。
有关模具加工的线切割加工工艺准备和工艺过程,如图6.1所示。
图6.1线切割加工的工艺准备和工艺过程6.1.1模坯准备1、工件材料及毛坯模具工作零件一般采用锻造毛坯,其线切割加工常在淬火与回火后进行。
由于受材料淬透性的影响,当大面积去除金属和切断加工时,会使材料内部残余应力的相对平衡状态遭到破坏而产生变形,影响加工精度,甚至在切割过程中造成材料突然开裂。
为减少这种影响,除在设计时应选用锻造性能好、淬透性好、热处理变形小的合金工具钢(如Cr12、Cr12MoV、CrWMn)作模具材料外,对模具毛坯锻造及热处理工艺也应正确进行。
2、模坯准备工序模坯的准备工序是指凸模或凹模在线切割加工之前的全部加工工序。
(1)凹模的准备工序1)下料用锯床切断所需材料。
2)锻造改善内部组织,并锻成所需的形状。
3)退火消除锻造内应力,改善加工性能。
4)刨(铣)刨六面,并留磨削余量0.4~0.6mm。
5)磨磨出上下平面及相邻两侧面,对角尺。
6)划线划出刃口轮廓线和孔(螺孔、销孔、穿丝孔等)的位置。
7)加工型孔部分当凹模较大时,为减少线切割加工量,需将型孔漏料部分铣(车)出,只切割刃口高度;对淬透性差的材料,可将型孔的部分材料去除,留3~5mm切割余量.8)孔加工加工螺孔、销孔、穿丝孔等。
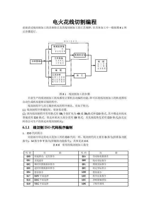
电火花线切割编程前面讲过线切割加工的具体特点及其线切割加工的工艺规律,在具体加工中一般按图6-1所示步骤进行。
准备工作环节图6-1 线切割加工的步骤目前生产的线切割加工机床都有计算机自动编程功能,即可以将线切割加工的轨迹图形自动生成机床能够识别的程序。
线切割程序与其它数控机床的程序相比,有如下特点:(1) 线切割程序普遍较短,很容易读懂。
(2) 国内线切割程序常用格式有3B(个别扩充为4B或5B)格式和ISO格式。
其中慢走丝机床普遍采用ISO格式,快走丝机床大部分采用3B格式,其发展趋势是采用ISO格式(如北京阿奇公司生产的快走丝线切割机床)。
6.1.1 线切割ISO代码程序编制1. ISO代码简介同前面介绍过的电火花加工用的ISO代码一样,线切割代码主要有G指令(即准备功能指令)、M指令和T指令(即辅助功能指令),具体见表6-6。
表6-6 常用的线切割加工指令对于以上代码,部分与数控铣床、车床的代码相同,下面通过实例来学习线切割加工中常用的ISO 代码。
例6.4 如图6-10(a)所示,ABCD 为矩形工件,矩形件中有一直径为30 mm 的圆孔,现由于某种需要欲将该孔扩大到35 mm 。
已知AB 、BC 边为设计、加工基准,电极丝直径为0.18 mm ,请写出相应操作过程及加工程序。
图6-10 零件加工示意图解 上面任务主要分两部分完成,首先将电极丝定位于圆孔的中心,然后写出加工程序。
电极丝定位于圆孔的中心有以下两种方法:方法一:首先电极丝碰AB 边,X 值清零,再碰BC 边,Y 值清零,然后解开电极丝到坐标值(40.09,28.09)。
具体过程如下:(1) 清理孔内部毛刺,将待加工零件装夹在线切割机床工作台上,利用千分表找正,尽可能使零件的设计基准AB 、AC 基面分别与机床工作台的进给方向X 、Y 轴保持平行。
(2) 用手控盒或操作面板等方法将电极丝移到AB 边的左边,大致保证电极丝与圆孔中心的Y 坐标相近(尽量消除工件ABCD 装夹不佳带来的影响,理想情况下工件的AB 边应与工作台的Y 轴完全平行,而实际很难做到)。
邯郸职业技术学院教案教研室:机电一体化教研室授课教师:贾建军授课总结邯郸职业技术学院讲稿教研室:机电一体化教研室授课教师:贾建军第20次课第5章电火花线切割加工技术5.3 数控电火花线切割机床的基本编程方法2. ISO代码数控程序编制(1) 坐标系设定指令G92;指令格式:G92 X_ Y_ I_ J_ ;其中X和Y值确定了线丝起始点的坐标值,也就是借助丝的当前坐标值确定了程序原点;I 确定零件的厚度,J确定零件编程表面到工作台面之间的距离。
如果零件在编程表面的上部I为正值,反之I为负值,如下图所示。
I和J的具体应用参见G51、G52。
(a)I为正值J为正值(b)I为负值J为正值(2)快速点定位指令G00;指令格式:G00 X_Y_U_V;其中X和Y指定编程表面上的终点坐标;本机床除了工作台在XOY坐标平面内可以实现联动外,丝头也可以在其工作面内联动(该面与XOY平行),U和V是指丝头在由G92的I指定的平面(与上述J指定的编程表面平行)上偏移一个距离(U和V对于G90和G91是一致的)。
G00在绝对坐标系时,指出运动的终点坐标,在相对坐标系中指出运动的距离。
(3) 直线插补指令G01指令格式:G01 X_Y_U_V_F_;其中X和Y指定终点坐标,U和V同G00。
在伺服模式,运动速度由机床条件决定,F不起作用;在常量模式,F指定运动速度。
(4) 圆弧插补指令G02、G03;指令格式:G02 X_Y_I_J_U_V_K_L_F_;G03 X_Y_I_J_U_V_K_L_F_;其中G02指定顺时针圆弧,X和Y指定圆弧的终点,I和J指定圆弧的起点相对于圆心的增量值。
U和V指定圆弧终点偏移向量,K和L指定圆弧中心偏移向量;G03指定逆时针圆弧,其它字的内容与G02相同。
例:运动轨迹如下图所示,丝线的初始坐标为(170,30),程序如下:绝对坐标系:G92 X170.0 Y30.0;G90 G03 X110.0 Y90.0 I-60.0 J0.0;G02 X90.0 Y50.0 I-50.0 J0;相对坐标系:G91G03 X-60.0 Y60.0 I-60.0 J0.0;G03 X-20.0 Y-40.0 I-50.0 J0.0;(5) 插入圆角指令插入圆角指令用来指定在本程序段下一个程序段之间加上一段半径值为R的过渡圆弧。
21 .利用3B 代码编程加工斜线OA ,设起点O 在切割坐标原点,终点A 的坐标为Xe =17mm , Ye = 5mm ,其加工程序为(BE)A 、Bl7 B5 B17 Gx L1B 、B17000 B5000 B017000 Gx L1C 、Bl7000 B5000 B017000 G Y L1D 、B17000 B50O0 B0050O0 G Y L1E 、B17 B5 BO17000 Gx L122 .利用3B 代码编程加工半圆AB ,切割方向从A 到B ,起点坐标A (-5 , 0 ) ,终点坐标B ( 5 , 0 ) ,其加工程序为( C )A 、B5000 BBO10O00 GX SR2B 、B5 BBO10O00 GY SR2C 、B500O BBO10O00 GY SR2D 、BB5000 BO10O00 GY SR223 .电火花线切割加工机床脉冲电源的脉冲宽度与电火花成形加工机床脉冲电源的脉冲宽度相比( B )。
A 、差不多B 、小得很多C 、大很多D 、不确定。
24 .用线切割机床加工直径为10 mm的圆孔,在加工中当电极丝的补偿量设置为0.12 mm时,加工孔的实际直径为10.02mm。
如果要使加工的孔径为10 mm,则采用的补偿量应为( D )。
A 、0.10mmB 、0.11mmC 、0.12mmD 、0.13mm25 .对于线切割加工,下列说法正确的有( AD )A 、使用步进电机驱动的线切割机床在线切割加工圆弧时,其运动轨迹是折线B 、使用步进电机驱动的线切割机床在线切割加工斜线时,其运动轨迹是一条斜线C 、在利用3B 代码编程加工斜线时,取加工的终点为编程坐标系的原点D 、在利用3B 代码编程加工圆弧时,取圆心为线切割加工坐标系的原点26 .线切割加工中,当使用3B 代码进行数控程序编制时,下列关于计数方向的说法正确的有( AC )A 、斜线终点坐标(Xe , Ye ) ,当︱Ye︱>︱Xe︱时,计数方向取G YB 、斜线终点坐标(Xe , Ye ) ,当︱Xe︱>︱Ye︱时,计数方向取G YC 、圆弧终点坐标(Xe , Ye ) ,当︱Xe︱>︱Ye︱时,计数方向取G YD 、圆弧终点坐标(Xe , Ye ) ,当︱Xe︱<︱Ye︱时,计数方向取G Y27 .电火花线切割加工过程中,工作液必须具有的性能是(ABC)A 、绝缘性能B 、洗涤性能C 、冷却性能D 、润滑性能28 .六西格玛的表示符号是(A)。
6.2数控电火花线切割机床的基本编程方法要使数控电火花线切割机床按照预定的要求,自动完成切割加工,就应把被加工零件的切割顺序、切割方向、切割尺寸等一系列加工信息,按数控系统要求的格式编制成加工程序,以实现加工。
数控电火花线切割机床的编程,主要采用以下三种格式编写:3B格式编制程序、ISO代码编制程序、计算机自动编制程序。
3B格式编制程序1、分隔符号B因为X、Y、J均为数字,用分隔符号(B)将其隔开,以免混淆。
2、坐标值(X、Y)一般规定只输入坐标的绝对值,其单位为μm,μm以下应四舍五入。
对于圆弧,坐标原点移至圆心,X、Y为圆弧起点的坐标值。
对于直线(斜线),坐标原点移至直线起点,X、Y为终点坐标值。
允许将X和Y的值按相同的比例放大或缩小。
对于平行于X轴或Y轴的直线,即当X或Y为零时,X或Y值均可不写,但分隔符号必须保留。
3、计数方向G选取X方向进给总长度进行计数,称为计X,用Gx表示;选取Y方向进给总长度进行计数,称为计Y,用Gy表示。
(1)加工直线可选取:|Ye|>|Xe|时,取Gy;|Xe|>|Ye|时,取Gx;|Xe|=|Ye|时,取Gx或Gy均可。
(2)对于圆弧,当圆弧终点坐标在图6.14所示的各个区域时,若:|Xe|>|Ye|时,取Gy;|Ye|>|Xe|时,取Gx;|Xe|=|Ye|时,取Gx或Gy均可。
4、计数长度J计数长度是指被加工图形在计数方向上的投影长度(即绝对值)的总和,以μm为单位。
例1,加工图6.15所示斜线OA,其终点为A(Xe,Ye),且Ye>Xe,试确定G和J。
因为|Ye|>|Xe|,OA斜线与X轴夹角大于45°时,计数方向取Gy,斜线OA在Y轴上的投影长度为Ye,故J=Ye。
例2,加工图6.16所示圆弧,加工起点A在第四象限,终点B(Xe,Ye)在第一象限,试确定G和J。
因为加工终点靠近Y轴,|Ye|>|Xe|,计数方向取Gx; 计数长度为各象限中的圆弧段在X轴上投影长度的总和,即J=J X1+J X2。
声明:本文档由山东电建(sddianjian)上传到豆丁网(),若有侵害您的权益,请发站内消息。
第五章数控电火花线切割加工工艺与编程第一节数控电火花线切割加工概述序号:37一、数控线切割加工机床简介电火花线切割机床组成:机床本体、控制系统、脉冲电源、运丝机构、工作液循环机构和辅助装置(自动编程系统)。
线切割机床可分为高速走丝机床和低速走丝机床。
二、数控线切割加工原理及特点1.数控电火花线切割加工原理它是通过电极和工件之间脉冲放电时的电腐作用,对工件进行加工的一种工艺方法。
数控电火花线切割加工的基本原理:利用移动的细金属导线(铜丝或钼丝)作为工具线电极(负电极),被切割的工件为工件电极(作为正电极),在加工中,线电极和工件之间加上脉冲电压,并且工作液包住线电极,使两者之间不断产生火花放电,工件在数控系统控制下(工作台)相对电极丝按预定的轨迹运动,从而使电极丝沿着所要求的切割路线进行电腐蚀,完成工件的加工。
2.数控线切割加工的特点(1)可以加工难切削导电材料的加工。
例如淬火钢、硬质合金等;(2)可以加工微细异形孔、窄缝和复杂零件,可有效地节省贵重材料;(3)工件几乎不受切削力,适宜加工低刚度工件及细小零件;(4)有利于加工精度的提高,便于实现加工过程中的自动化。
(5)依靠数控系统的间隙补偿的偏移功能,使电火花成形机的粗、精电极一次编程加工完成,冲模加工的凹凸模间隙可以任意调节。
三、数控线切割加工的应用1.形状复杂、带穿孔的、带锥度的电极;2.注塑模、挤压模、拉伸模、冲模;3.成形刀具、样板、轮廓量规的加工;4.试制品、特殊形状、特殊材料、贵重材料的加工。
小结电火花线切割机床组成、电极丝(负电极)、工件(正电极)。
第二节数控线切割加工工艺指标及工艺参数序号:38主要内容:一、线切割加工的主要工艺指标1.切割速度υ2.切割精度3.表面粗糙度4.线电极的磨损量二、影响工艺指标的主要因素及其选择1.加工参数对工艺指标的影响和选择(1)峰值电流is(2)脉冲宽度Ton(3)脉冲间隔Toff(4)走丝速度(5)进给速度快速走丝线切割加工参数的选择见表5-2。
电火花数控线切割机床(jīchuáng)操作规程1.打开电脑及显示器,按HY编程操作要求(yāoqiú),输入加工程序。
2.打开驱动(qū dònɡ)电源开关,用鼠标点击“模拟(mónǐ)”键,机床(jīchuáng)X、Y、U、V四轴应按规定方向联动。
3.装夹好待切割工件,启动运丝按钮。
运丝电机转动加油润滑贮丝桶拖板导轨及贮丝桶齿轮组。
启动水泵按钮,线架下喷水嘴应有切削液喷出,切削液必须顺钼丝流动。
4.根据切割工件厚度计光洁度,速度要求,调节好高频电源参数,打开高频电源开关。
5.用鼠标点击“加工”按键。
机床系统进入加工状态。
6.先用较慢的速度进给,待钼丝进入工件后,对高频参数再次微调,直至加工电流、电压稳定为止。
7.工件加工完毕后,系统报警自动关机。
(切断机床电源)。
注意事项:1.开机前检查切削液液位、软管连接是否牢固。
摇动工件台纵横手轮是否灵活摇动贮丝桶是否灵活。
2.开启运丝检查换向是否可靠。
3.应及经常检查导轮、进电块、轴承是否磨损出沟槽等缺陷,如影响到加工稳定性和加工精度,应及时更换。
4.加工开始后半小时,时刻观察切削液是否偏离钼丝,如出现偏离现象须及时调整。
5.装夹工件必须在四周留有余地,避免运行过程中工作台与线架发生碰撞。
6.内容总结7.8.(1)电火花数控线切割机床操作规程9.打开电脑及显示器,按HY编程操作要求,输入加工程序10.(2)运丝电机转动加油润滑贮丝桶拖板导轨及贮丝桶齿轮组11.(3)启动水泵按钮,线架下喷水嘴应有切削液喷出,切削液必须顺钼丝流动12.(4)根据切割工件厚度计光洁度,速度要求,调节好高频电源参数,打开高频电源开关13.(5)先用较慢的速度进给,待钼丝进入工件后,对高频参数再次微调,直至加工电流、电压稳定为止14.。