中华人民共和国国家标准大米
- 格式:docx
- 大小:21.09 KB
- 文档页数:9
大米执行标准19266中华人民共和国国家质量监督检验检疫总局于2018年6月在全国公布了《大米执行标准》(GB19266-2018),命名为“中华人民共和国国家粮油产品质量安全监督检验检疫总局大米执行标准”,总共包含10部分,共61项条款,全面覆盖大米的定义、技术要求、检测方法、允许有害物质和其他性质限量要求、卫生要求以及标签要求等内容,以更高的质量标准,确保全国消费者的质量安全和权益。
《大米执行标准》的主要内容如下:一、定义:关于大米定义,标准中根据植物分类学定义了五个大米属种,规定其来源类型、组织结构、加工状态等重要指标,并将其有化学成分和机械加工状态分类,具体要求及检测方法详见标准。
二、技术要求:对大米苗米和成熟米要求,杂质穗米竟米等具体技术要求进行规范。
除此外,规定了必须执行的实物质量检测、温度检测、流动性试验、口感/色泽/香味评分测定等等,以确保大米的质量稳定、口感佳、美味可口。
三、允许有害物质限量:为确保大米安全,对于大米中允许残留的有害物质及其限量采取了明确规定,详见标准。
四、其他性质限量:在允许有害物质限量以外,标准还就大米其他性质的限量进行了详细的规定,包括外观及指标性质。
五、卫生要求:《大米执行标准》关于大米的卫生要求规定了其加工过程中的生产许可及检测要求,以及原料、半成品产品生产和流通过程中的一组安全规范,更好地确保食品安全无污染。
六、标签要求:《大米执行标准》关于大米标签规定了其内容,包括盛装标识等内容,并明确规定大米必须按规定标明重量。
通过《大米执行标准》的发布,将大米的质量标准提升到了更高的水平,为消费者提供更安全、更优质的食品,确保大米质量安全及消费者权益。
大米检验标准GB 1354—86本标准适用于收购、销售、调拨、储存、加工和出口的商品大米。
1 分类1.1 根据稻谷的分类方法分为三类:1.1.1 籼米:用籼型非糯性稻谷制成的米。
米粒一般呈长椭圆形或细长形。
按其粒质和籼稻收获季节分为以下两种:1.1.1.1 早籼米:腹白较大,硬质颗粒较少。
1.1.1.2 晚籼米:腹白较小,硬质颗粒较多。
1.1.2 粳米:用粳型非糯性稻谷制成的米。
米粒一般呈椭圆形。
按其粒质和粳稻收获季节分为以下两种:1.1.2.1 早粳米:腹白较大,硬质颗粒较少。
1.1.2.2 晚粳米:腹白较小,硬质颗粒较多。
1.1.3 糯米:用糯性稻谷制成的米。
按其粒形分为以下两种:1.1.3.1 籼糯米:用籼型糯性稻谷制成的米。
米粒一般呈长椭圆形或细长形,乳白色,不透明;也有的呈半透明状(俗称阴糯),粘性大。
1.1.3.2 粳糯米:用粳型糯性稻谷制成的米。
米粒一般呈椭圆形,乳白色,不透明;也有呈半透明状(俗称阴糯),粘性大。
1.2 各类大米中混有其他类大米的总限度为5.0%。
1.3 大米中的名贵品种、杂交品种、中熟米和陆稻米以及其他特殊品种,由省、自治区、直辖市另订标准或按质量分别归属。
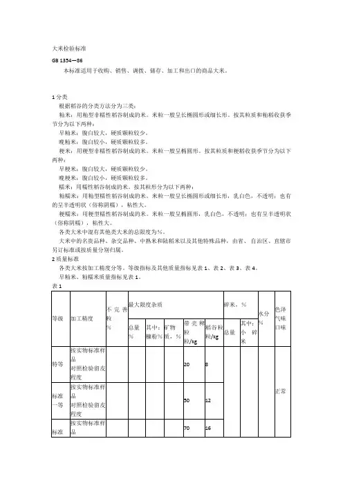
2 质量标准2.1 各类大米按加工精度分等。
等级指标及其他质量指标见表1、表2、表3、表4。
2.1.1 早籼米、籼糯米质量指标见表1。
表 1等级加工精度不完善粒%最大限度杂质碎米,%水分%色泽气味口味总量%其中:糠粉%矿物质,%带壳稗粒粒/kg稻谷粒粒/kg总量其中:小碎米特等按实物标准样品对照检验留皮程度3.00.250.150.0220835.02.514.0正常标准一等按实物标准样品对照检验留皮程度4.00.300.200.025012标准二等按实物标准样品对照检验留皮程度6.00.400.200.027016标准三等按实物标准样品对照检验留皮程度8.00.450.200.0290202.1.2 晚灿米质量指标见表2。
大米的执行标准1354
《中华人民共和国大米技术执行标准》(GB 1354)
1. 定义:本标准规定的大米是供食用的淀粉性农作物,它的籽粒颜色为稠乳色、黄赤色、墨绿色或深紫色,其籽粒表面被细毛覆盖,并呈现亮质状态,晒后容易折断,口感清脆弹性。
2. 产地:大米的原料必须来自中华人民共和国内的大米加工厂。
3.材料:大米的生产原料必须是特定的种类的壳外面积比较大的有效籽粒,其中含水量不得超过14% 。
4.大米分类:大米必须按种类和质量来分类,其质量要求如下:
(1)良好口感米——其未研磨之时,即大米原料,其外观应为整齐光滑,不黏、粘、起块状,内部未受破坏,精米率应达到2000 克/斤及以上,硬度要到达某种特定值才可。
(2)精选米:指磨制过的大米,外观应为白色,无杂质,精米率、口感、颗粒度及硬度要符合特定规定。
(3)软米:指比较短细而软的大米,其外表一般为乳白色,杂质少,
口感软嫩但不黏,精米率、颗粒细度、硬度等要符合特定标准。
5.检验项目:大米的检验项目主要有水分、精米率、杂质指标和药物残留指标。
6. 运输环境:大米的运输及储存环境要遵守下列原则,即储存环境要干燥,湿度低,温度低,清洁,无异味以及其他有害物质,运输过程中类似的环境要求也是如此。
7.售后服务:对于大米,消费者有权要求质量检验报告,并有权利要求更换产品。
8.其他:本标准未涉及到的内容,可参考国家其他技术标准,以及有关部门的规章制度。
注:六省区指四川、贵州、云南、福建、广东、广西。
2.2?各类大米精度,以国家制定的精度标准样品对照检验。
在制定精度标准样品时,要参照下述文字规定:特等:背沟有皮,粒面米皮基本去净的占85%以上;标准一等:背沟有皮,粒面留皮不超过1/5的占80%以上;标准二等:背沟有皮,粒面留皮不超过1/3的占75%以上;标准三等:背沟有皮,粒面留皮不超过1/2的占70%以上。
2.3?收购大米水分的最大限度和大米安全储存水分标准,由省、自治区、直辖市规定。
2.4?各类大米中的黄粒米限度为2.0%。
2.5?卫生标准和动植物检疫项目,按照国家有关规定执行。
3?名词解释3.1?加工精度指大米背沟和粒面留皮程度。
3.2?不完善粒,包括下列尚有食用价值的颗粒。
3.2.1?未熟粒米粒不饱满,外观全部呈粉质的颗粒。
3.2.2?虫蚀粒被虫蛀蚀的颗粒。
3.2.3?病斑粒粒面有病斑的颗粒。
3.2.4?生霉粒粒面生霉的颗粒。
3.2.5?完全未脱皮的完整糙米粒。
3.3?杂质,包括下列几种:3.3.1?糠粉通过直径1.0mm圆孔筛的筛下物,以及粘附在筛层上的粉状物。
3.3.2?矿物质砂石、煤渣、砖瓦块及其他矿物质。
3.3.3?带壳稗粒及稻谷粒。
3.3.4?其他杂质无食用价值的大米粒、异种粮粒及其他物质。
3.4?黄粒米胚乳呈黄色,与正常米粒色泽明显不同的颗粒。
3.5?碎米3.5.1?大碎米留存在直径2.0mm圆孔筛上,不足本批正常整米三分之二的碎粒。
3.5.2?小碎米通过直径2.0mm圆孔筛,留存在直径1.0mm圆孔筛上的碎粒。
3.6?色泽、气味、口味一批大米固有的综合色泽、气味和口味。
4?检验方法大米样品的扦取和各项指标的检验,按照GB 5490~5539—85《粮食、油料及植物油脂检验》执行。
5?包装、运输和储存大米的包装、运输和储存,必须符合保质、保量、运输安全和分类、分等储存的要求,严防污染。
附加说明:本标准由中华人民共和国商业部提出。
大米查验标准GB1354 —86本标准合用于收买、销售、调拨、储藏、加工和出口的商品大米。
分类依据稻谷的分类方法分为三类:籼米:用籼型非糯性稻谷制成的米。
米粒一般呈长椭圆形或修长形。
按其粒质和籼稻收获季节分为以下两种:早籼米:腹白较大,硬质颗粒较少。
晚籼米:腹白较小,硬质颗粒许多。
粳米:用粳型非糯性稻谷制成的米。
米粒一般呈椭圆形。
按其粒质和粳稻收获季节分为以下两种:早粳米:腹白较大,硬质颗粒较少。
晚粳米:腹白较小,硬质颗粒许多。
糯米:用糯性稻谷制成的米。
按其粒形分为以下两种:籼糯米:用籼型糯性稻谷制成的米。
米粒一般呈长椭圆形或修长形,乳白色,不透明;也有的呈半透明状(俗称阴糯),粘性大。
粳糯米:用粳型糯性稻谷制成的米。
米粒一般呈椭圆形,乳白色,不透明;也有呈半透明状(俗称阴糯),粘性大。
各种大米中混有其余类大米的总限度为%。
大米中的名贵品种、杂交品种、中熟米和陆稻米以及其余特别品种,由省、 自治区、直辖市另订标准或按质量分别归属。
质量标准各种大米按加工精度分等。
等级指标及其余质量指标见表 1、表2、表3、表4。
早籼米、籼糯米质量指标见表1。
表1色彩不完美水分等级加工精度粒最大限度杂质碎米,%气味%%口胃特等 标准 一等 标准 二等 标准三等按实物标准样 品比较查验留皮程度按实物标准样 品比较查验留皮程度按实物标准样 品比较查验留皮程度按实物标准样 品比较查验留皮程度带壳稗总量此中:矿物稻谷粒此中:粒总量 小碎%糠粉%粒/kg质,%粒/kg米20 850 12正常70 1690 20晚灿米质量指标见表 2。
表2最大限度杂质碎米,%水分,%不完带壳色彩此中:等级加工精度善粒 总量此中: 矿物稗粒稻谷粒 一类 二类气味总量 小碎粒%糠粉% 质%/kg地域 地域%米/kg口胃特等标准一等 标准二等标准三等按实物标准样 品比较查验留皮程度 按实物标准样 品比较查验留皮程度 按实物标准样 品比较查验留皮程度 按实物标准样 品比较查验留皮程度20 850 12正常701690 20注:一类地域:广东、广西、福建、四川、云南、贵州、湖北、河南、陕西。
各类大米中的黄粒米限度为%。
卫生标准和动植物检疫项目,按照国家有关规定执行。
3 名词解释
加工精度
指大米背沟和粒面留皮程度。
不完善粒,包括下列尚有食用价值的颗粒。
未熟粒
米粒不饱满,外观全部呈粉质的颗粒。
虫蚀粒
被虫蛀蚀的颗粒。
病斑粒
粒面有病斑的颗粒。
生霉粒
粒面生霉的颗粒。
完全未脱皮的完整糙米粒。
杂质,包括下列几种:
糠粉
通过直径圆孔筛的筛下物,以及粘附在筛层上的粉状物。
矿物质
砂石、煤渣、砖瓦块及其他矿物质。
带壳稗粒及稻谷粒。
其他杂质
无食用价值的大米粒、异种粮粒及其他物质。
黄粒米
胚乳呈黄色,与正常米粒色泽明显不同的颗粒。
碎米
大碎米
留存在直径圆孔筛上,不足本批正常整米三分之二的碎粒。
小碎米
通过直径圆孔筛,留存在直径圆孔筛上的碎粒。
色泽、气味、口味
一批大米固有的综合色泽、气味和口味。
4 检验方法
大米样品的扦取和各项指标的检验,按照GB 5490~5539—85《粮食、油料及植物油脂检验》执行。
5 包装、运输和储存
大米的包装、运输和储存,必须符合保质、保量、运输安全和分类、分等储存的要求,严防污染。
附加说明:
本标准由中华人民共和国商业部提出。
本标准由中华人民共和国商业部粮食储运局检验处负责起草。
本标准主要起草人哈俊山、林贤明。
五常大米执行标准19266是什么意思GB/T 19266-2008是地理标志产品的标准。
GB/T19266是根据GB1354的基础上编辑的标准,GB1354-2009是中华人民共和国国家标准—大米,其标准规定了大米的术语和定义、分类、质量要求、检验方法、检验规则、以及对包装、标签、储存和运输的要求GB1354-2009适用的是全国范围的大米,而GB/T19266-2008针对的是五常地区。
两者间起草的单位是不同的,GB1354-2009是由国家粮食局、中粮集团武汉科技研究院、湖南金健米业、湖北粮油等起草的;而GB/T19266-2008是由哈尔滨市五常质量技术监督局、黑龙江省质量技术监督局、五常市人民政府、国家农业标准化监测与研究中心(黑龙江)、哈尔滨市质量技术监督局等单位企业共同起草的。
大米1 范围本标准规定了大米的术语和定义、分类、质量要求、检验方法、检验规则,以及对包装、标签、储存和运输的要求。
本标准适用于以稻谷、糙米或半成品大米为原料加工的食用商品大米,不适用于特种大米、专用大米、特殊品种大米以及加入了添加剂的大米。
2 规范性引用文件下列文件中的条款通过本标准的引用而成为本标准的条款。
凡是注日期的引用文件.其随后所有的修改单(不包括勘误的内容)或修订版均不适用于本标准.然而,鼓励根据本标准达成协议的各方研究是否可使用这些文件的最新版本。
凡是不注日期的引用文件.其最新版本适用于本标准。
GB 1350稻谷GB 2715粮食卫生标准GB/T 5009.36粮食卫生标准的分析方法GB/T 5490粮食、油料及植物油脂检验一般规则GB 5491粮食、油料检验扦样、分样法GB/T5492粮油检验粮食、油料的色泽、气味、口味鉴定GB/T5493粮油检验类型及互混检验GB/T5494粮油检验粮食、油料的杂质、不完善粒检验GB/T5496 粮食、油料检验黄粒米及裂纹粒检验法GB/T 5497粮食、油料检验水分测定法GB/T5502 粮油检验米类加工精度检验GB/T5503粮食、油料检验碎米检验法GB 5749生活饮用水卫生标准GB 7718预包装食品标签通则GB 14881 食品企业通用卫生规范GB/T 15682粮油检验稻谷、大米蒸煮食用品质感官评价方法GB/T 15683 大米直链淀粉含量的测定GB/T 17109粮食销售包装GB/T 17891优质稻谷3 术语和定义下列术语和定义适用于本标准。
3.1加工精度milling degree加工后米胚残留以及米粒表面和背沟残留皮层的程度。
以国家制定的加工精度标准样品对照检验。
在制定加工精度标准样品时,应参照下述文字规定:一级:背沟无皮,或有皮不成线,米胚和粒面皮层去净的占90%以上。
二级:背沟有皮,米胚和粒面皮层去净的占85%以上。
三级:背沟有皮,粒面皮层残留不超过五分之一的占80%以上。
注:六省区指四川、贵州、云南、福建、广东、广西。
2.2?各类大米精度,以国家制定的精度标准样品对照检验。
在制定精度标准样品时,要参照下述文字规定:特等:背沟有皮,粒面米皮基本去净的占85%以上;标准一等:背沟有皮,粒面留皮不超过1/5的占80%以上;标准二等:背沟有皮,粒面留皮不超过1/3的占75%以上;标准三等:背沟有皮,粒面留皮不超过1/2的占70%以上。
2.3?收购大米水分的最大限度和大米安全储存水分标准,由省、自治区、直辖市规定。
2.4?各类大米中的黄粒米限度为2.0%。
2.5?卫生标准和动植物检疫项目,按照国家有关规定执行。
3?名词解释3.1?加工精度指大米背沟和粒面留皮程度。
3.2?不完善粒,包括下列尚有食用价值的颗粒。
3.2.1?未熟粒米粒不饱满,外观全部呈粉质的颗粒。
3.2.2?虫蚀粒被虫蛀蚀的颗粒。
3.2.3?病斑粒粒面有病斑的颗粒。
3.2.4?生霉粒粒面生霉的颗粒。
3.2.5?完全未脱皮的完整糙米粒。
3.3?杂质,包括下列几种:3.3.1?糠粉通过直径1.0mm圆孔筛的筛下物,以及粘附在筛层上的粉状物。
3.3.2?矿物质砂石、煤渣、砖瓦块及其他矿物质。
3.3.3?带壳稗粒及稻谷粒。
3.3.4?其他杂质无食用价值的大米粒、异种粮粒及其他物质。
3.4?黄粒米胚乳呈黄色,与正常米粒色泽明显不同的颗粒。
3.5?碎米3.5.1?大碎米留存在直径2.0mm圆孔筛上,不足本批正常整米三分之二的碎粒。
3.5.2?小碎米通过直径2.0mm圆孔筛,留存在直径1.0mm圆孔筛上的碎粒。
3.6?色泽、气味、口味一批大米固有的综合色泽、气味和口味。
4?检验方法大米样品的扦取和各项指标的检验,按照GB 5490~5539—85《粮食、油料及植物油脂检验》执行。
5?包装、运输和储存大米的包装、运输和储存,必须符合保质、保量、运输安全和分类、分等储存的要求,严防污染。
附加说明:本标准由中华人民共和国商业部提出。
大米检验标准精编W O R D版IBM system office room 【A0816H-A0912AAAHH-GX8Q8-GNTHHJ8】大米检验标准GB 1354—86本标准适用于收购、销售、调拨、储存、加工和出口的商品大米。
1?分类1.1?根据稻谷的分类方法分为三类:1.1.1?籼米:用籼型非糯性稻谷制成的米。
米粒一般呈长椭圆形或细长形。
按其粒质和籼稻收获季节分为以下两种:?早籼米:腹白较大,硬质颗粒较少。
?晚籼米:腹白较小,硬质颗粒较多。
1.1.2?粳米:用粳型非糯性稻谷制成的米。
米粒一般呈椭圆形。
按其粒质和粳稻收获季节分为以下两种:?早粳米:腹白较大,硬质颗粒较少。
?晚粳米:腹白较小,硬质颗粒较多。
1.1.3?糯米:用糯性稻谷制成的米。
按其粒形分为以下两种:?籼糯米:用籼型糯性稻谷制成的米。
米粒一般呈长椭圆形或细长形,乳白色,不透明;也有的呈半透明状(俗称阴糯),粘性大。
?粳糯米:用粳型糯性稻谷制成的米。
米粒一般呈椭圆形,乳白色,不透明;也有呈半透明状(俗称阴糯),粘性大。
1.2?各类大米中混有其他类大米的总限度为5.0%。
1.3?大米中的名贵品种、杂交品种、中熟米和陆稻米以及其他特殊品种,由省、?自治区、直辖市另订标准或按质量分别归属。
2?质量标准2.1?各类大米按加工精度分等。
等级指标及其他质量指标见表1、表2、表3、表4。
2.1.1?早籼米、籼糯米质量指标见表1。
??表?12.1.2?晚灿米质量指标见表2。
表?2?注:一类地区:广东、广西、福建、四川、云南、贵州、湖北、河南、陕西。
二类地区:除一类地区以外的地区。
2.1.3?早粳米、粳糯米质量指标见表3。
表?32.1.4?晚粳米质量指标见表4。
表?4注:六省区指四川、贵州、云南、福建、广东、广西。
2.2?各类大米精度,以国家制定的精度标准样品对照检验。
在制定精度标准样品时,要参照下述文字规定:特等:背沟有皮,粒面米皮基本去净的占85%以上;标准一等:背沟有皮,粒面留皮不超过1/5的占80%以上;标准二等:背沟有皮,粒面留皮不超过1/3的占75%以上;标准三等:背沟有皮,粒面留皮不超过1/2的占70%以上。
大米质量标准1354。
中华人民共和国国家质量监督检验检疫总局于2008年4月11日颁布的《大米质量标准》(GB1354-2008)为了根据实际生产、流通和消费情况,结合大米种类、品种和用途的不同,综合考虑到食用和加工要求,保护消费者合理权益,制定本标准。
一、适用范围本标准适用于普通大米、专业大米以及一般精制普通大米和一般精制专业大米,不包括特级精制大米。
二、术语及定义普通大米:指根据有关标准的要求,经按规定器具进行细粒度、浮白率和容重检验合格的生产物。
专业大米:指供食用或工业特定用途的大米,其品质和特性应符合相关规定。
一般精制普通大米:指经光热技术以及其他精选技术精制后的普通大米;三、技术要求1、大米的容重应为750~800(含)克/升。
2、籽粒的外观检验应符合参考标准的规定:(1)表面应光滑锃亮,洁净无污染,有脱藁、变质、变色、发芽及金粟等缺陷;(2)检验结果不得有腐烂、发霉及有毒有害杂质;(3)籽粒不得悬浮;(4)籽粒大小不得有很大差异;(5)籽粒应完整,不得有破碎或二次受损现象。
3、细粒度检验:大米如有尺寸、容重和形状的要求,需采用专用仪器筛量检验。
检验结果应符合有关规定的要求,具体规定见本标准表1。
6、按照表3的规定,将普通大米的样品放入热膨胀仪,测定并检查其热膨胀值,其结果应符合要求。
7、原粒品尝检验应符合有关规范和表4的要求。
10、检验大米时,应在原样条件下按照国家标准《食品安全国家标准食品感官检验》进行感官检验,检验结果应合格。
四、结果评定本标准的实施主要依据的是样品容重、细粒度、外观、粒粒外观、浮白率、原粒品尝、味觉气味以及甘-酸-苦-辣等检验结果,参照本标准表1~6进行结果评定,符合所有项目要求者,为合格品;任一项目不符合要求者,均为不合格品。
中华⼈民共和国国家标准⼤⽶GB⼤⽶1 范围本标准规定了⼤⽶的术语和定义、分类、质量要求、检验⽅法、检验规则,以及对包装、标签、储存和运输的要求。
本标准适⽤于以稻⾕、糙⽶或半成品⼤⽶为原料加⼯的⾷⽤商品⼤⽶,不适⽤于特种⼤⽶、专⽤⼤⽶、特殊品种⼤⽶以及加⼊了添加剂的⼤⽶。
2 规范性引⽤⽂件下列⽂件中的条款通过本标准的引⽤⽽成为本标准的条款。
凡是注⽇期的引⽤⽂件.其随后所有的修改单(不包括勘误的内容)或修订版均不适⽤于本标准.然⽽,⿎励根据本标准达成协议的各⽅研究是否可使⽤这些⽂件的最新版本。
凡是不注⽇期的引⽤⽂件.其最新版本适⽤于本标准。
GB 1350稻⾕GB 2715粮⾷卫⽣标准GB/T 5009.36粮⾷卫⽣标准的分析⽅法GB/T 5490粮⾷、油料及植物油脂检验⼀般规则GB 5491粮⾷、油料检验扦样、分样法GB/T5492粮油检验粮⾷、油料的⾊泽、⽓味、⼝味鉴定GB/T5493粮油检验类型及互混检验GB/T5494粮油检验粮⾷、油料的杂质、不完善粒检验GB/T5496 粮⾷、油料检验黄粒⽶及裂纹粒检验法GB/T 5497粮⾷、油料检验⽔分测定法GB/T5502 粮油检验⽶类加⼯精度检验GB/T5503粮⾷、油料检验碎⽶检验法GB 5749⽣活饮⽤⽔卫⽣标准GB 7718预包装⾷品标签通则GB 14881 ⾷品企业通⽤卫⽣规范GB/T 15682粮油检验稻⾕、⼤⽶蒸煮⾷⽤品质感官评价⽅法GB/T 15683 ⼤⽶直链淀粉含量的测定GB/T 17109粮⾷销售包装GB/T 17891优质稻⾕3 术语和定义下列术语和定义适⽤于本标准。
3.1加⼯精度milling degree加⼯后⽶胚残留以及⽶粒表⾯和背沟残留⽪层的程度。
以国家制定的加⼯精度标准样品对照检验。
在制定加⼯精度标准样品时,应参照下述⽂字规定:⼀级:背沟⽆⽪,或有⽪不成线,⽶胚和粒⾯⽪层去净的占90%以上。
⼆级:背沟有⽪,⽶胚和粒⾯⽪层去净的占85%以上。
大米净含量抽检修正标准大米是人们日常生活中常见的主食,尤其在北方的朋友,家家户户都会吃到大米。
在南方市场消费比较多的是江米、长粒香米、香米等。
很多人为了追求口感会选择一些劣质大米来进行食用,但有时候并不能保证这些大米完全没有问题。
那么作为消费者如何来判断购买到的产品是否合格呢?主要是看颜色、光泽、气味等,所以一定要仔细观察。
如果发现米粒不是很饱满的话,说明这些产品可能质量并不是很好。
而且由于这类产品的价格比较高,一般都要卖出较高的价格来。
所以一定要注意看清楚是不是有质量问题了。
一般好的米都会有一种香味,没有这样香味儿过着就可以了,如果闻着有腥味的话就应该要注意了。
1、大米的净含量, GB/T 19302-2009 《大米》修改为“不得低于0.75 g/100 g”。
为了保证大米加工过程中品质的一致性,使净含量符合国家标准,本次修正增加了净含量要求。
本次修正后的标准中规定大米净含量不得低于0.75 g/100 g,大米包装规格(长粒香和中粒香两种)净含量大于或等于0.5 g/100 g应符合国家标准规定。
同时对生产过程中出现的包装不符合标准、质量超标、掺杂掺假等现象应按国家有关规定进行处理。
由于原标准中对净重有具体规定,在执行中可能出现问题。
因此,本次修改增加了净重计量要求。
以净含量表示,净重是指每100 g (公斤)所含谷粒总重量。
净含量为100 g (公斤)所含谷粒总重量(公斤)扣除杂质、水分后的体积分数(%)。
净含量测定时:按每100 g (公斤)所含谷粒总重量乘以100 ml 水份计算得出结果;不足100 ml之量为0.75 g/100 g时应为0.75 g/100 g。
标准名称修订依据《中华人民共和国产品质量法实施条例》《中华人民共和国产品质量法实施细则》《中华人民共和国国家标准检验方法通则》等法律法规和国家有关标准(以下简称三个国家标准)对食品添加剂、包装和标签进行了修订与补充,并自2018年3月1日起施行。
大米的执行标准是什么大米是我国主要的粮食作物之一,也是人们日常饮食中不可或缺的主要食物之一。
为了保障大米的质量和安全,我国对大米的执行标准进行了明确的规定。
那么,大米的执行标准究竟是什么呢?接下来,我们将对大米的执行标准进行详细的介绍。
首先,大米的外观要求。
根据我国国家标准《大米》(GB2715-2016)的规定,大米的外观应该为白色或略带黄色,有光泽,粒型饱满,无异味,无霉变、虫蛀、破碎等现象。
此外,大米的长度、宽度比例应符合标准要求,不得有不完整粒、不完整米等情况。
其次,大米的化学指标。
大米的化学指标是评价大米质量的重要标准之一。
根据国家标准,大米的水分含量、杂质含量、脂肪酸值、过氧化值、嗜水率、嗜油率等指标都有严格的要求。
其中,水分含量是一个非常重要的指标,它直接关系到大米的保存和贮存。
过高或过低的水分含量都会影响大米的质量和口感。
再次,大米的加工要求。
大米的加工要求包括了去壳、碾磨、脱层、抛光等工艺。
根据国家标准,大米的加工工艺应当符合卫生标准,加工过程中不得使用有毒、有害的化学品,不得超标使用添加剂,保证大米的安全、卫生。
最后,大米的储存和运输要求。
大米的储存和运输是保障大米质量的重要环节。
根据国家标准,大米的储存环境应保持通风、干燥、清洁,避免阳光直射和雨淋。
在运输过程中,应采取合适的包装和运输方式,避免受潮、受污染等情况发生。
综上所述,大米的执行标准包括了外观要求、化学指标、加工要求、储存和运输要求等方面。
只有严格按照国家标准执行,才能保证大米的质量和安全,为消费者提供优质的大米产品。
希望全社会都能加强对大米执行标准的重视,共同维护大米质量和安全,让人民吃得放心、安心。
南粳46大米执行标准
南粳46大米是根据国家标准《食品安全国家标准大米》(GB/T 8278-2012)执行的。
根据该标准,南粳46大米的执行标准如下:
1. 外观要求:米粒整齐、饱满、无杂质、无变色。
2. 颜色和气味:米粒白色,无异味。
3. 大米粒长度:不少于6.0mm。
4. 杂质:无杂质。
5. 碎米:碎米的含量不大于0.5%。
6. 铁磁物质:铁磁性物质的含量不得超过3mg/kg。
7. 水分含量:水分含量不超过15%。
8. 不完整粒:不完整粒的含量不超过4%。
9. 长度宽度比:长宽比不少于2.0。
10. 碱胀率:碱胀率不高于5%。
11. 不适宜进口食品标识:如果不符合《中华人民共和国进口食品卫生安全法》规定的食品安全标准,包装上应标注“不适宜进口食品”。
以上是南粳46大米的执行标准,确保了该大米的质量和安全性。
国家大米收购、销售等标准(一)本标准适用于收购、销售、调拨、储存、加工和出口的商品大米。
1 分类1.1 根据稻谷的分类方法分为三类:1.1.1 籼米:用籼型非糯性稻谷制成的米。
米粒一般呈长椭圆形或细长形。
按其粒质和籼稻收获季节分为以下两种:1.1.1.1 早籼米:腹白较大,硬质颗粒较少。
1.1.1.2 晚籼米:腹白较小,硬质颗粒较多。
1.1.2 粳米:用粳型非糯性稻谷制成的米。
米粒一般呈椭圆形。
按其粒质和粳稻收获季节分为以下两种;1.1.2.1 早粳米:腹白较大,硬质颗粒较少。
1.1.2.2 晚粳米:腹白较小,硬质颗粒较多。
1.1.3 糯米:用糯性稻谷制成的米。
按其粒形分为以下两种:1.1.3.1 籼糯米:用籼型糯性稻谷制成的米。
米粒一般呈长椭圆形或细长形,乳白色,不透明;也有的呈半透明状(俗称阴糯),粘性大。
1.1.3.2 粳糯米:用粳型糯性稻谷制成的米。
米粒一般呈椭圆形,乳白色,不透明;也有呈半透明状(俗称阴糯),粘性大。
1.2 各类大米中混有其他类大米的总限度为5.0%。
1.3 大米中的名贵品种、杂交品种、中熟米和陆稻米以及其他特殊品种,由省、自治区、直辖市另订标准或按质量分别归属。
2 质量标准2.1 各类大米按加工精度分等。
等级指标及其他质量指标见表l、表2、表3、表4。
2.1.1 早籼米、籼糯米质量指标见表l。
2.1.2 晚籼米质量指标见表2。
2.1.3 早粳米、粳糯米质量指标见表3。
2.1.4 晚粳米质量指标见表4。
2.2 各类大米精度,以国家制定的精度标准样品对照检验。
在制定精度标准样品时,要参照下述文字规定:特等:背沟有皮,粒面米皮基本去净的占85%以上;标准一等:背沟有皮,粒面留皮不超过l/5的占80%以上;标准二等:背沟有皮,粒面留皮不超过l/3的占75%以上;标准三等:背沟有皮,粒面留皮不超过l/2的占70%以上。
2.3 收购大米水分的最大限度和大米安全储存水分标准,由省、自治区、直辖市规定。
大米1 范围
本标准规定了大米的术语和定义、分类、质量要求、检验方法、检验规则,以及对包装、标签、储存和运输的要求。
本标准适用于以稻谷、糙米或半成品大米为原料加工的食用商品大米,不适用于特种大米、专用大米、特殊品种大米以及加入了添加
GB/T5496 粮食、油料检验黄粒米及裂纹粒检验法
GB/T 5497粮食、油料检验水分测定法
GB/T5502 粮油检验米类加工精度检验
GB/T5503粮食、油料检验碎米检验法
GB 5749生活饮用水卫生标准
GB 7718预包装食品标签通则
GB 14881 食品企业通用卫生规范
GB/T 15682粮油检验稻谷、大米蒸煮食用品质感官评价方法
GB/T 15683 大米直链淀粉含量的测定
GB/T 17109粮食销售包装
GB/T 17891优质稻谷
3 术语和定义
%
虫蚀粒:被虫蛀蚀的米粒。
病斑粒:粒面有病斑的米粒。
生霉粒:粒面有霉斑的米粒。
糙米粒:完全未脱皮层的米粒。
3.3
糠粉 rice bran power
通过直径1.0 ㎜圆孔筛的筛下物.以及粘附在筛上的粉状物质。
3.4
杂质foreign matter
除大米粒之外的其他物质,包括糠粉、矿物质、带壳稗粒、稻谷粒等。
3.5
胚乳呈黄色,与正常米粒颜色明显不同的米粒。
3.10
籼米milled long-grain nonglutinous rice
用籼型非糯性稻谷制成的大米,米粒一般呈长椭圆形或细长形。
3.11
粳米milled medium to short-gain nonglutinous rice
用粳型非糯性稻谷制成的大米,米粒一般呈椭圆形。
3.12
糯米waxy rice
用糯性稻谷制成的大米.又分为以下两种:
——籼糯米:用籼型糯性稻谷制成的大米。
米粒一和股程椭圆形或细长形,乳白色,不透明,也有呈半透明状(俗称阴糯),粘性大。
试样所含直链淀粉的质量占试样总质量的百分率。
3.16
互混other kind rice kernel
同一批次大米中的其他类型米粒。
3.17
色泽、气味color、odour
整批大米的综合颜色、光泽和气味。
4 分类
按类型分为籼米、粳米和糯米三类.糯米又分为籼糯米和粳糯米。
按食用品质分为大米和优质大米。
5 质量要求
5.1 质量指标
5.1.2优质大米质量指标见表2。
其中优质籼米和优质粳米以国
工精度、碎米与其中小碎米、不完善粒、垩白粒率、品尝评分值和杂值量大限量为定等指标,优质灿糯米和优质粳糯米以加工精度、碎米与其中小碎米、不完善和杂质量大限量为定等指标。
表2 优质大米质量指标
5.2 卫生指标
5.2.1 卫生指标和检验按GB2715及国家有关规定执行
5.2.2植物检疫按有关标准和国家有关规定执行。
5.3国呀生产过程中的卫生要求
5.3.1原料应符合GB1350、GB/T17891的规定。
5.3.2生产过程应符合GB14881的规定。
5.3.3生产过程中,除符合GB5749规定的水之外不得添加任何
留隙的方式.紧靠直尺排成一行.读出长度。
双试验误差不应超过0.5nim,求其平均值即为大米的平均长度。
6.9碎米检验:按C,B/T 5503规定的方法执行。
6.10品尝评分值检验:按GB/T 15682规定的方法执行。
6.11 .直链淀粉含量检验:按GB/T 15683规定的方法执行。
6.12垩白粒率检验:按GB/T 17891规定的方法执行。
7检验规则
7.1 .扦样、分样
按GB 5491执行。
7.2检验的一般规则
则降为下一等级;低于最低等级指标的.可按表l中大米质量指标进行判定。
其他指标有一项不符合表2要求的.作为非等级产品。
7.5.4初验不合格时.可加倍抽样复验,以复验结果为准。
8包装和标签
8.1 包装
8.1.1 包装应符合GB/T 17109的规定和卫生要求。
8.1.2若采用包装袋,则包装袋应坚固结实.封口或者缝口应严密。
8.2标签
8.2.1包装大米的标签标识应符合GB 7718的规定.
,。