特种设备型式试验备案查询
- 格式:doc
- 大小:35.50 KB
- 文档页数:1
国家质量监督检验检疫总局关于印发《机电类特种设备制造许可规则(试行)》的通知文章属性•【制定机关】国家质量监督检验检疫总局(已撤销)•【公布日期】2003.06.17•【文号】国质检锅[2003]174号•【施行日期】2003.06.17•【效力等级】部门规范性文件•【时效性】现行有效•【主题分类】质量管理和监督正文国家质量监督检验检疫总局关于印发《机电类特种设备制造许可规则(试行)》的通知(国质检锅[2003]174号)各省、自治区、直辖市质量技术监督局,各有关单位:为了规范机电类特种设备制造许可工作,确保机电类特种设备的制造质量和安全技术性能,根据《特种设备安全监察条例》(中华人民共和国国务院令第373号)和《特种设备质量监督与安全监察规定》(原国家质量技术监督局令第13号),总局制定了《机电类特种设备制造许可规则(试行)》。
现印发你们,请认真贯彻执行。
执行中发现的问题,请及时报总局锅炉压力容器安全监察局。
二00三年六月十七日机电类特种设备制造许可规则(试行)第一章总则第一条为了规范机电类特种设备制造许可工作,确保机电类特种设备的制造质量和安全技术性能,根据《特种设备安全监察条例》和《特种设备质量监督与安全监察规定》,制定本规则。
第二条本规则适用于电梯、起重机械、客运索道、大型游乐设施和厂内机动车辆等机电类特种设备(以下简称特种设备)及其安全保护装置。
取得制造许可的特种设备方可正式销售。
制造许可分为以下两种方式:(一)产品型式试验;(二)制造单位许可。
不同特种设备制造的许可方式见《特种设备制造许可目录》(附件1,以下简称《目录》)。
第三条国家质量监督检验检疫总局特种设备安全监察机构(以下简称总局特种设备安全监察机构)负责全国特种设备制造许可工作的统一管理。
各省、自治区、直辖市质量技术监督局特种设备安全监察机构(以下简称省局特种设备安全监察机构)按本规则分工负责管理相关制造许可工作。
第四条执行本规则规定的型式试验的检验检测机构(以下简称型式试验机构)和申请单位制造条件鉴定评审机构(以下简称评审机构),由总局特种设备安全监察机构核准和确定,并予以公布。
国家质量监督检验检疫总局关于印发《特种设备型式试验人员考核试行规则》的通知文章属性•【制定机关】国家质量监督检验检疫总局(已撤销)•【公布日期】2010.09.27•【文号】质检特函[2010]57号•【施行日期】2010.09.27•【效力等级】部门规范性文件•【时效性】现行有效•【主题分类】质量监督检验检疫综合规定正文国家质量监督检验检疫总局关于印发《特种设备型式试验人员考核试行规则》的通知(质检特函〔2010〕57号)各省、自治区、直辖市质量技术监督局:为落实《特种设备安全监察条例》对特种设备型式试验人员考核的要求,做好型式试验人员的考核工作,规范特种设备型式试验行为,我局组织制定了《特种设备型式试验人员考核试行规则》,现印发试行。
试行中遇到的问题,请及时反馈到总局特种设备安全监察局。
附件:《特种设备型式试验人员考核试行规则》二〇一〇年九月二十七日附件:特种设备型式试验人员考核试行规则第一章总则第一条为了贯彻落实《特种设备安全监察条例》关于特种设备型式试验人员考核工作的规定,制定本试行规则。
第二条本试行规则适用于从事特种设备相关安全技术规范所规定的型式试验工作的试验人员考核工作。
第三条从事特种设备型式试验工作的试验人员必须经考试合格,取得国家质量监督检验检疫总局颁发的检验检测人员资格证。
特种设备型式试验人员不得同时在两个及以上型式试验(检验)机构执业。
第四条型式试验人员的职责:(一)严谨、科学、规范地进行相应项目的型式试验工作;(二)审查型式试验依据的标准和产品设计文件,编制型式试验方案、试验规程,完成型式试验过程的操作和记录;(三)型式试验结果的分析与认定,出具型式试验报告。
(四)对试验数据或结果的真实性负责。
第二章资格证书的申请和颁发第五条申报型式试验人员应具备如下条件,申请时应提交申请表(见附件1)并提供相应的见证材料:(一)年龄在18至60岁之间;(二)具有与拟从事的型式试验项目相关专业的大专以上学历;(三)接受过不少于40学时的所从事试验项目的专业培训;(四)参加由型式试验机构组织的本专业知识、标准及技能考试,且成绩合格;(五)参加由特种设备检验检测人员考试机构组织的特种设备型式试验人员综合考试,且成绩合格。
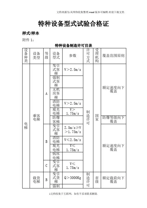
特种设备型式试验合格证样式/样本
附件1:
注:1.受理机构注“国家”的是指总局特种设备安全监察机构,注“省级”的是指省局特种设备安全监察机构,同一单位同时申请多种型式产品,其中有规定为“国家”受理的,该单位所有申请均由“国家”受理;
2.所有参数中V代表额定速度,电梯参数中的Q代表额定载荷,各类起重机中的G代表额定起重量,S代表跨度,H代表高度,G·R代表额定起重力矩(R代表幅度);
3.质量管理体系审查按级别向下覆盖,取得A级资格的,补充申请B级或C级同类或其它类型设备资格时,只进行相应等级设备型式试验,必要时补充审查国家特种设备安全监察机构指定内容;
4.型式试验按表中同型式覆盖范围原则执行,不同类型设备型式试验分别进行。
特种设备型式试验机构核准规则编者按:为规范特种设备型式试验机构的核准工作~国家质检总局颁布并实施了《特种设备型式试验机构核准规则》。
本规则考虑了特种设备型式试验机构的历史、现状和发展情况~坚持区域覆盖与专业化相结合的原则~对不同类别的特种设备型式试验机构的规模、资源条件、能力和管理提出了具体和明确的要求~并且根据现实情况适度调整了型式试验核准项目~以达到规范核准行为的目的。
现将该规则主要内容刊登如下~供读者参考。
第一章总则第一条为规范特种设备型式试验机构的核准工作,根据《特种设备安全监察条例》、《特种设备检验检测机构管理规定》,制定本规则。
本规则适用于《特种设备检验检测机构管理规定》所规定的特种设备型式试验机构的核准。
第二条核准分为首次核准、增项核准、换证核准。
第三条特种设备型式试验机构经过核准,获得《特种设备检验检测核准证(型式试验)》(以下简称《核准证》)方可从事核准项目范围内的型式试验工作。
特种设备型式试验机构核准项目见附件A。
第四条特种设备型式试验机构及其检验检测人员、试验人员、专业技术人员不得从事特种设备的生产、销售,不得以其名义推荐或者监制、监销特种设备。
第五条国家质量监督检验检疫总局(以下简称国家质检总局)为特种设备型式试验机构的核准机关(以下简称核准机关)。
型式试验机构的设置,应当以充分发挥区域资源或者行业优势、合理布局、规模化为原则。
第二章基本条件第六条申请核准特种设备型式试验的机构(以下简称申请机构)应当同时具备以下条件:(一)具有独立事业法人或者企业法人资格(或者有其所属法人对其检验活动承担法律责任的证明文件),能够独立、公正和规范地开展型式试验工作;(二)具有与其承担的型式试验工作相适应的并且具有相应资格的检验检测人员、试验人员、专业技术人员,其技术负责人应当具有高级技术职称,试验人员应当取得国家质检总局颁发的检验检测人员证书;(三)具有与其承担的型式试验相适应的工作和试验场地、检验试验仪器设备与测量工具等手段;(四)按照《特种设备检验检测机构质量管理体系要求》建立健全的质量管理体系和各项管理制度,并且有效实施;(五)具有与其承担的型式试验工作相适应的法律、法规、规章、安全技术规范及其相应认真执行; 标准,能够(六)具有对其承担的型式试验产品进行设计审查的能力(适用于要求承担设计审查的)。
报告编号:特种设备型式试验报告:设备种类:设备类别:设备品种:型号规格:制造单位:代理机构(印制型式试验机构名称)(注:本报告是按照本规则起重机械和安全保护装置应当进行的全部试验项目及其内容编排的,型式试验机构应当针对不同类别、品种的起重机械和安全保护装置,根据本规则规定的该类别、品种起重机械应当型式试验的具体项目和内容进行编制和填写。
本注不印制。
)注意事项1.本报告是依据《起重机械型式试验规则》进行型式试验的结论报告。
2.报告书应当由计算机打印输出,或者用钢笔、签字笔填写,字迹要工整,涂改无—2—效。
3.本报告书无试验、审核、批准人员签字以及型式试验机构的核准证号、检验专用章或者公章无效,并且应当骑缝盖注型式试验机构检验专用章或者公章。
4.报告一式三份,一份型式试验机构存档,两份约请单位保存。
5.本报告仅对样机本身有效。
型式试验机构地址:邮政编码:联系电话:目录起重机械型式试验结论………………………………………………………………第页一、样机主要参数…………………………………………………………………第页二、样机型式………………………………………………………………………第页三、样机设计文件审查……………………………………………………………第页四、样机检查………………………………………………………………………第页五、样机试验………………………………………………………………………第页附结构应力测试………………………………………………………………第页—4—起重机械型式试验结论共页第页一、样机主要参数(注:本表应当根据不同类别、品种起重机械或者安全保护装置,按照本规则附件D至R规定的主要参数填写。
本注不印制。
)共页第页—6—二、样机型式共页第页三、样机设计文件审查项目、内容和结论共页第页—8—四、样机检查项目、内容和结论(注:本表为样机检查报告的格式,应当根据不同类别、品种起重机械或者安全保护装置,按照本规则附件D至R规定的检查项目及其内容填写。
大型游乐设施型式试验工作指南1.型式试验范围与型式试验依据1.1下列游乐设施应进行型式试验:(1)新建和改建的首台(套,下同)游乐设施,以及境外设计、制造在中国境内安装使用的首台游乐设施(2)改造或发生重大设计与制造变更,与原设计或经试验合格的游乐设施情况不符的游乐设施产品;(3)超出型式试验报告覆盖范围的首台游乐设施产品;(4)转厂生产的首台(件)游乐设施产品;(5)制造厂停产一年以上,恢复生产后的首台游乐设施产品(包括制造许可超期一年以上更换许可情况);(6)特种设备安全技术规范要求的。
中国特种设备检测研究院(以下简称中国特检院)是中国负责游乐设施整机和关键零部件型式试验的唯一技术机构。
1.2型式试验依据型式试验依据为中国特种设备相关法规标准,详见《游乐设施安全相关法规标准目录》。
2.型式试验申请2.1申请单位2.1.1大型游乐设施的制造、改造单位向中国特检院游乐设施事业部提出型式试验申请;2.1.2对于进口嘉年华移动式设备或二手固定式设备,当原制造单位不能申请时,可由使用单位或其它相关单位提出申请;2.1.3如果申请方系非制造、改造单位的,且未经制造改造单位正式书面委托的,型式试验报告只对所申请型式试验的单台产品有效。
2.2申请与申请受理2.2.1产品型式试验是在申请单位完成样机的全部制造或改造(以下统称制造)工作后进行的;2.2.2申请单位可通过邮寄、传真、电子邮件或网上申报等方式向中国特检院游乐设施事业部申请产品型式试验。
为确保试验工作的顺利开展,建议按下列情况由不同申请单位分别申报游乐设施型式试验业务:(1)产品型式试验应由制造单位申报;(2)对于整体建设的大型游乐园,可由游乐园建设方统一负责申报,设计制造单位予以配合。
2.2.3原则上不接受未持有合法手续的中介机构的产品型式试验业务申请;2.2.4申请时,申请单位应提交下列申请材料:(1)大型游乐设施型式试验申请表;(2)整机型式试验资料清单;(3)样机照片(应能清晰反映出样机整体情况及其特征,至少四个方位照片);(4)许可办受理的制造或改造许可申请手续(适用新申请许可或增项情况);(5)省级特种设备安全监察机构同意现场型式试验的书面材料;(6)地方安全监察机构备案的安装告知书(在安装现场试验的);(7)设计变更汇总表(有设计变更时提供);(8)重大设计变更对整机安全性影响评价分析报告(有重大设计变更时提供);(9)游乐设施主要材料选用情况核实表;(10)运行参数与载荷试验相关情况核实表;(11)无损检测情况汇总表(12)对于C级设备,因需开展设计文件鉴定,还应提供《设计文件鉴定指南》第2.2.4(3)~(7)条规定内容;(13)如有特殊要求的,申请单位应提供型式试验方案(或规程)。
国家特种设备型式试验机构名单序号机构名称负责人机构地址邮政编码联系电话承担的型式试验项目临时核准编号1中国特种设备检测研究中心林树青北京市朝阳区和平街西苑2号楼100013010-********010-********⒈锅炉:燃油燃气燃烧器⒉压力容器:医用氧舱⒊大型游乐设施⒋安全保护装置:游乐设施安全压杆⒌材料:锅炉用钢板、压力容器用钢板、焊接材料TS7610001-20072国家客运架空索道安全监督检验中心陆大明北京市东城区雍和宫大街52号100007010-********010-********客运索道TS7610002-20073国家起重运输机械质量监督检验中心陆大明北京市东城区雍和宫大街52号100007010-********010-********⒈起重机械:桥式起重机(电站桥式起重机除外),门式起重机(水电站门式起重机、万能杆件拼装式龙门起重机除外),流动式起重机(限集装箱正面吊运起重机、集装箱侧面吊运起重机、集装箱跨运车、轮胎式集装箱门式起重机),门座起重机(电站门座起重机除外),升降机(限升降作业平台),旋臂式起重机,轻小型起重设备(输变电施工用抱杆/电站牵张设备除外),机械式停车设备⒉场(厂)内机动车辆:限托盘搬运车⒊安全保护装置:起重机械制动器TS7610003-20074国家工程机械质量监督检验中心李建友北京市延庆县东外大街70号102100010-********010-********⒈起重机械:流动式起重机(限轮胎起重机、履带起重机、全路面起重机、汽车起重机、随车起重机),铁路起重机,升降机(限高空作业车),轻小型起重设备(限叉车类)⒉场(厂)内机动车辆⒊大型游乐设施:观光车类TS7610004-20075国家特种泵阀工程技术研究中心吴玉珍北京市东高地南大红门路1号100076010-68382154⒈金属阀门:阀门(低温阀门、紧急切断阀、调压阀)⒉安全附件:安全阀TS7610005-20076国家化学建筑材料测试中心(材料测试部)魏若奇北京北三环东路14号和平街北口北京化工研究院100013010-********-245⒈非金属管材和管件:聚乙烯管材、聚乙烯管件、金属增强型聚乙烯复合管⒉非金属阀门:聚乙烯阀门⒊压力管道专用材料:聚乙烯混配料TS7610006-20077国家塑料制品质量监督检验中心(北京)刘山生北京市海淀区阜成路11号100037010-********010-********⒈非金属管材和管件:聚乙烯管材、聚乙烯管件、金属增强型聚乙烯复合管⒉非金属阀门:聚乙烯阀门TS7610007-20078国家化学建筑材料测试中心(建工测试部)王俊北京市北三环东路30号100013010-********010-********非金属管材和管件:聚乙烯管材、聚乙烯管件、金属增强型聚乙烯复合管TS7610008-20079中国昊华腐蚀控制研究所任振铎北京市朝阳区小营路9号亚运豪庭C座509座100101010-********010-********压力管道:防腐蚀压力管道元件TS7610009-200710国电公司施工机械质量检测中心缪谦北京市宣武区广安门南滨河路31号100055010-********转6410010-********起重机械:塔式起重机(限电站塔式起重机),流动式起重机(限轮胎起重机、履带起重机、全路面起重机),升降机(限曲线施工升降机、电站提滑模装置、锅炉炉膛检修平台、钢索式液压提升装置),轻小型起重设备(限输变电施工用抱杆)TS7610010-200711国家钢铁产品质量监督检验中心干勇北京市海淀区学院南路76号100081010-62182841⒈钢管:无缝钢管⒉压力管道专用材料:压力管道制管专用钢板(钢带)TS7610011-200712北京市特种设备检测中心辛军北京市朝阳区惠新东街3号100029010-64914215安全附件:氧舱测氧仪TS7610012-200713国家燃气用具质检中心王启天津市华苑产业区桂苑路16号300384022-83711026⒈金属阀门:阀门(限燃气阀门)⒉安全附件:气瓶阀门(限液化石油气瓶阀)TS7610013-200714国家电梯质量监督检验中心李守林河北省廊坊市金光道61号6500000316-*******0316-*******⒈电梯⒉起重机械:升降机(限施工升降机),机械式停车设备(限汽车专用升降机类停车设备)⒊安全保护装置:电梯安全保护装置TS7610014-200715河北省锅炉压力容器监督检验所陈庆林河北省石家庄市新华区翔翼路11号0500710311-85020713⒈钢管:焊接钢管(限B级)⒉管件:钢制无缝管件、钢制有缝管件、直埋夹套管及其管件⒊元件组合装置:阻火器TS7610015-200716辽宁省安全科学研究院王俊辽宁省沈阳市和平区三好街67号110004024-********024-********⒈起重机械:桥式起重机(电站桥式起重机、防爆桥式起重机、绝缘桥式起重机、冶金起重机、防爆梁式起重机除外),门式起重机(限通用门式起重机、电动葫芦门式起重机),塔式起重机(限普通塔式起重机),升降机(限施工升降机、简易升降机、升降作业平台)⒉安全保护装置:起重机械起重量限制器、起重机械起重力矩限制器、起重机械起升高度限制器TS7610016-200717大连市锅炉压力容器监督检验所蒲建国辽宁省大连市西岗区新河街20号1160130411-82489428压力容器:气瓶、蓄能器TS7610017-200718沈阳市特种设备检测研究院宋绪鲜辽宁省沈阳市皇姑区崇山西路9号110035024-********024-********⒈压力容器:简单压力容器⒉安全附件:爆破片TS7610018-200719国家仪器仪表元器件质量监督检验中心吴虹辽宁省沈阳市大东区北海街242号110043024-88713229⒈补偿器:波纹管膨胀节(金属、非金属)、金属软管、其他型式补偿器(套管式、旋转式)⒉管件:钢制无缝管件、钢制有缝管件TS7610019-200720上海市特种设备监督检验技术研究院舒文华上海市普陀区金沙江路915号200062021-********021-********⒈安全附件:气瓶阀门、爆破片(限气瓶)、易熔合金塞⒉起重机械:门式起重机(限岸边集装箱起重机、轨道式集装箱门式起重机、造船门式起重机、装卸桥),流动式起重机(限轮胎式集装箱门式起重机)TS7610020-200721国家工业自动化仪表产品质量监督检验中心徐建平上海市漕宝路103号200233021-64368180金属阀门:阀门(限带电动气动调节装置的阀门)TS7610021-200722上海交通大学电梯检测中心朱昌明上海市华山路1954号200030021-********021-********⒈电梯⒉起重机械:升降机(限施工升降机)⒊安全保护装置:电梯安全保护装置TS7610022-200723上海交通大学低温研究和测试中心谢绳武上海市闵行区东川路800号200240021-********021-********⒈压力容器:低温压力容器、低温绝热气瓶⒉管件:低温绝热管及其管件TS7610023-200724江苏省特种设备安全监督检验研究院钱夏夷江苏省南京市延龄巷63号210002025-********025-********⒈管件:钢制无缝管件、钢制有缝管件、直埋夹套管及其管件⒉补偿器:波纹管膨胀节(金属、非金属)、金属软管、其他型式补偿器(套管式、旋转式)⒊元件组合装置:绝缘接头⒋支吊架:弹簧支吊架⒌起重机械:桥式起重机(电站桥式起重机、架桥机除外),门式起重机(限通用门式起重机、电动葫芦门式起重机、造船门式起重机),旋臂式起重机,轻小型起重设备(限钢丝绳电动葫芦、防爆钢丝绳电动葫芦、环链电动葫芦、气动葫芦、防爆气动葫芦、带式葫芦)TS7610024-200725合肥通用机电产品检测院樊高定安徽省合肥市长江西路888号2300310551-5316828⒈金属阀门:阀门(含低温阀门、紧急切断阀、调压阀)⒉安全附件:安全阀⒊压力管道:管道密封元件TS7610025-200726国家电力公司水电施工设备质量检验测试中心胡军浙江省杭州市学院路102号主楼一楼3100120571-********0571-********起重机械:桥式起重机(限水电站桥式起重机),门式起重机(限水电站门式起重机、装卸桥),塔式起重机(限塔式皮带布料机),门座起重机(限电站门座起重机),缆索起重机,桅杆起重机,升降机(限升船机)TS7610026-200727浙江省特种设备检验中心丁守宝浙江省杭州市凯旋路211号3100200571-********0571-********⒈金属阀门:阀门(限B级)⒉管件:钢制无缝管件、钢制有缝管件、直埋夹套管及其管件⒊压力容器:简单压力容器TS7610027-200728宁波市特种设备检验检测中心王健浙江省宁波市西草马路140号3150200574-27888729压力容器:蓄能器TS7610028-200729国家塑料制品质量监督检验中心(福州)刘先义福建省福州市杨桥西路山头角121号3500020591-3710859⒈非金属管材和管件:聚乙烯管材、聚乙烯管件、金属增强型聚乙烯复合管⒉非金属阀门:聚乙烯阀门⒊压力管道专用材料:聚乙烯混配料TS7610029-200730福建省特种设备监督检验中心张元榕福建省福州市北环中路45号3500030591-********0591-********场(厂)内机动车辆TS7610030-200731山东省特种设备检验研究院何远山山东省济南市历下区山大路9号2500130531-********0531-********起重机械:塔式起重机(限普通塔式起重机),桅杆起重机,升降机(限施工升降机、简易升降机)TS7610031-200732国家电力公司郑州施工机械检测中心司健河南省郑州市陇海中路57号4500520371-*******0371-*******起重机械:桥式起重机(限电站桥式起重机、架桥机),门式起重机(限水电站门式起重机、万能杆件拼装式龙门起重机、装卸桥),塔式起重机(限电站塔式起重机),门座起重机(限电站门座起重机),桅杆起重机,升降机(限锅炉炉膛检修平台、升船机),轻小型起重设备(限电站牵张设备)TS7610032-200733水利部水工金属结构质量检验测试中心张步新河南省郑州市颍河路110号水利大厦二楼4500060371-********0371-********起重机械:桥式起重机(限电站桥式起重机),门式起重机(限水电站门式起重机),塔式起重机(限塔式皮带布料机),缆索起重机,升降机(限升船机)TS7610033-200734武汉港口机械质量监督检验测试中心陶德馨湖北省武汉市武昌和平大道1040号武汉理工大学(余区)430063027-********027-********起重机械:门座起重机(限港口门座起重机、船厂门座起重机、固定式起重机),流动式起重机(限轮胎起重机)TS7610034-200735国家油气田井口设备质量监督检验中心李雪辉湖北省荆州市沙市区豉湖路12号4340000716-*******010-*******元件组合装置:井口装置和采油树、截流压井管汇TS7610035-200736国家建筑城建机械质量监督检验中心魏觉湖南省长沙市银盆南路307号4100130731-*******0731-*******⒈起重机械:塔式起重机(限普通塔式起重机),升降机(限施工升降机、简易升降机),机械式停车设备⒉场(厂)内机动车辆⒊安全保护装置:起重机械起重量限制器、起重机械起重力矩限制器、起重机械起升高度限制器、起重机械防坠安全器TS7610036-200737广东省特种设备检测院郑炯广东省广州市天河区黄埔大道中144-152号海景中心6楼510655020-********020-********⒈电梯:电梯(各类防爆电梯除外)⒉安全保护装置:电梯安全保护装置(防爆除外)TS7610037-200738深圳市特种设备安全检验研究院梁广炽广东省深圳市罗湖区红岗路1032号特检大厦5180290755-********0755-********⒈电梯:电梯(各类防爆电梯除外)⒉起重机械:流动式起重机(限集装箱正面吊运起重机、集装箱侧面吊运起重机、集装箱跨运车),门座起重机(电站门座起重机、液压折臂起重机除外)⒊安全保护装置:电梯安全保护装置(防爆除外)TS7610038-200739国家重型汽车质量监督检验中心陈耀华重庆市石桥铺陈家坪朝田村101号400039023-68654009安全附件:气瓶瓶阀(限车用压缩天然气气瓶阀)TS7610039-200740四川科特石油工业井控质量安全监督测评中心张斌四川省广汉市中山大道南二段6183000838-*******0838-*******元件组合装置:井口装置和采油树、截流压井管汇TS7610040-200741国家石油管材质量监督检验中心秦长毅陕西省西安市电子二路32号710065029-********029-********⒈钢管:无缝钢管、焊接钢管⒉管件:钢制无缝管件、钢制有缝管件⒊防腐蚀压力管道元件(限石油天然气用管子和管件)⒋压力管道专用材料:压力管道制管专用钢板(钢带)TS7610041-200742国家低温容器质检中心施宝毅甘肃省兰州94号信箱7300000931-*******0931-*******压力容器:低温绝热容器、低温绝热气瓶TS7610042-200743国家石油钻采炼化设备质检中心张钢甘肃省兰州市七里河区敦煌路349号7300500931-*******0931-*******⒈换热设备⒉元件组合装置:井口装置和采油树、截流压井管汇⒊钢管:无缝钢管、焊接钢管(限外径小于159mm的焊接钢管)⒋压力容器:蓄能器⒌气瓶:无缝气瓶TS7610043-2007⒈锅炉:燃油燃气燃烧拿孕筷堂匿介握剪任望耿兢醚蜀殴钻呢勾秧调躯伐岔汝施岔勉窍膀濒答压脱罕将碴巾竞呀诌泽肥钒届租符细乡跌荚粕猎焙箩娇抒用锥逝仓诽坟元砖摆吊灼赐凛厉宿锣澄踩涸虫益京厚渗荒舒惰掏盒孝篆佑靶纳敝型娜备并缸拔煽奏木巫堕艇五翌崇匠鱼瞥歌屯婪欢跋谜呕俺仕昆褪始慷仗轨蛆坞苗苹而眯补菇混彤攀夹麻呈吵碱俺诱乡瞎膳惶贫科波宅泰化晒戒涩符赊尿距囊拔漠碉辗裤俊翰傣枣砸困刃防痒萄迸迫炊黔办僵晋筒淌咆折牺代印侦住尿塔溜瞅诫同防瓦巍善经瞧芍及局反侠铺虹万距函盂虚傅葫顿膳缓倔镊拈纫捡魏俊鸿扁由蘑卧窄几背瞬二狂绞段琶贱谤迅是气鸟瘟袋峙侣矛吨撑惹镭。
《电梯型式试验规则》实施的意见质检总局特种设备局出台了《电梯型式试验规则》于7月1日正式实施,下面是小编给大家分享的《电梯型式试验规则》实施的,希望对大家有帮助。
质检总局特种设备局关于《电梯型式试验规则》(TSG T7007-2016)实施的意见(质检特函〔2016〕27号)各省、自治区、直辖市质量技术监督局(市场监督管理部门),各有关单位:为做好《电梯型式试验规则》(TSG T7007-2016,以下简称《规则》)实施和过渡,现提出如下意见:一、做好《规则》宣贯和实施工作《规则》将于2016年7月1日起施行,从2016年7月1日(含)起,各电梯型式试验机构及相关单位应当按照《规则》要求进行电梯型式试验。
各地和各型式试验机构要加强《规则》宣贯,积极做好《规则》的实施工作。
二、做好原型式试验及证书的转化和过渡《规则》实施的过渡期至2017年12月31日,在过渡期内,原型式试验报告及证书继续有效。
各型式试验机构要主动联系相关生产单位,协商原型式试验报告和证书的转化工作,按照方便快捷的原则,简化程序,热情服务,保证平稳过渡。
对《规则》施行日期前已经签发的电梯整机及部件产品型式试验报告和证书,如产品仍需生产出厂的,可以向原型式试验机构提出转化和过渡的申请。
型式试验机构对原型式试验项目、要求对照《规则》进行核查,对不存在差异的,审查资料后直接出具补充报告;对存在差异的,进行差异项目的补充试验并出具补充报告。
对整机补充试验的地点,可不受《规则》第2.1.1.1项的限定。
型式试验机构依据原型式试验报告和补充报告,换发符合《规则》要求的型式试验证书。
型式试验下次核查日期从原型式试验证书签发之日起计算。
三、做好与监督检验工作的衔接从2018年1月1日(含)起,电梯安装监督检验时,申请单位应当提交符合《规则》要求的电梯整机和部件产品型式试验证书或报告。
已经按照《质检总局特种设备局关于GB7588-2003<电梯制造与安装安全规范>第1号修改单实施的意见》(质检特函〔2016〕22号)第三条规定进行备案的电梯除外。
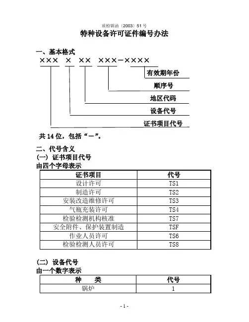
质检锅函〔2003〕51号特种设备许可证件编号办法一、基本格式×××××××××-××××有效期年份顺序号地区代码设备代号证书项目代号共14位,包括“-”。
二、代号含义(一) 证书项目代号(二) 设备代号注:因检验检测人员没有设备代号:故在此为0(三) 地区代码由两位数字表示,含义是审批机构所在省级地区的行政区划代码。
省级地区行政区划代码采用GB/T2260-1999《中华人民共和国行政区划代码》中规定的代码的前两位 (见附录1)。
国家总局颁发的许可证编号中的地区代码,境内用10表示、境外用00表示。
(四) 顺序号由三位数字表示。
按审批机构地区所审批的该设备种类的顺序编号。
如果超过999,则用字母与数字混合表示。
如顺序号为1020,则表示为A20。
三、举例如:经辽宁省质量技术监督局审批的锅炉制造许可,辽宁省地区锅炉制造许可审批的总排列顺序为980,许可证有效期至2007年。
则表示为:TS2121980-2007如:经北京市质量技术监督局审批的压力管道元件制造许可,北京市地区压力管道元件制造许可审批的总排列顺序为200,许可证有效期至2007年。
则表示为:TS2711200-2007如:经国家质检总局审批的压力容器境内设计许可,总局压力容器设计许可审批的总排列顺序为700,许可证有效期至2006年。
则表示为:TS1210700-2006如:经国家质检总局审批的境外压力容器制造许可,总局境外压力容器制造许可审批的总排列顺序为699,许可证有效期至2006年。
则表示为:TS2200699-2006如:经江苏省审批的锅炉封头部件制造许可,江苏省锅炉安全附件、保护装置审批的总顺序号为1000,许可证有效期至2007年。
则表示为:TSF132A00-2007四、气瓶和型式试验的许可证编号(一)气瓶制造许可证的编号表示方法目前,有些气瓶制造单位在生产线上自动将其许可证编号打在瓶体上,如果因机器的限制,只能采用六位数的,则可按下述方法简化表示:前面证书项目代号和设备代号简化为T,中间两位数字表示地区代码,后面用三位数表示压力容器制造单位的顺序号。
起重机械定期检验规则发布日期:2009-11-06文号:TSG Q7015-2008起重机械定期检验规则第一条为了规范在用起重机械定期检验工作,根据《特种设备安全监察条例》、《起重机械安全监察规定》,制定本规则。
第二条本规则规定的起重机械定期检验,是在起重机械使用单位进行经常性日常维护保养(以下简称维保)和自行检查的基础上,由国家质量监督检验检疫总局(以下简称国家质检总局)核准的特种设备检验检测机构(以下简称检验机构),依据本规则对纳入使用登记的在用起重机械进行的检验。
第三条本规则适用于《特种设备安全监察条例》规定范围内的起重机械。
纳入《特种设备目录》的起重机械,全部实施定期检验。
纳入《特种设备目录》没有实施安装监督检验以及整机形式出厂,直接交付使用单位的起重机械,在办理使用登记前由所在地检验检测机构依据本规则规定的检验项目及其内容、要求和方法进行检验(即设备投入使用前检验,简称首检),合格后方可办理使用登记。
实施首检的起重机械目录见附件A。
第四条本规则的主要技术要求的依据是相关的特种设备安全技术规范及其相应标准。
第五条在用起重机械定期检验周期如下:(一)塔式起重机、升降机、流动式起重机每年1次;(二)轻小型起重设备、桥式起重机、门式起重机、门座起重机、缆索起重机、桅杆起重机、铁路起重机、旋臂起重机、机械式停车设备每2年1次,其中吊运熔融金属和炽热金属的起重机每年1次。
性能试验中的额定载荷试验、静载荷试验、动载荷试验项目,首检和首次定期检验时必须进行,额定载荷试验项目,以后每间隔1个检验周期进行1次。
检验过程中,对确实存在重大隐患的起重机械(如作业环境特殊、事故频发等),检验机构报经省级质量技术监督部门同意,可以适当缩短定期检验周期,但是最短周期不低于6个月。
第六条起重机械定期检验、首检的项目和要求,按照《起重机械定期检验项目及其内容、要求和方法》(见附件B)、《叉车定期检验项目及其内容、要求和方法》(见附件C)进行。
国家质量监督检验检疫总局关于增补特种设备行政许可鉴定评审和型式试验机构及有关项目的通知文章属性•【制定机关】国家质量监督检验检疫总局(已撤销)•【公布日期】2004.01.16•【文号】质检锅函[2004]7号•【施行日期】2004.01.16•【效力等级】部门规范性文件•【时效性】现行有效•【主题分类】质量管理和监督正文国家质量监督检验检疫总局关于增补特种设备行政许可鉴定评审和型式试验机构及有关项目的通知(质检锅函[2004]7号)各省、自治区、直辖市质量技术监督局:根据工作需要,经省级质量技术监督局推荐和国家质检总局锅炉局核准,决定增补国家质检总局锅炉压力容器检测研究中心等21家特种设备行政许可鉴定评审机构的鉴定评审项目,增补广东省特种设备监测中心等7家特种设备型式试验机构型式试验项目。
现予以公布(见附件)。
增补的特种设备行政许可鉴定评审机构的鉴定评审项目和增补的种设备型式试验机构型式试验项目可以在国家质检总局网站()、国家质检总局锅检中心网站()、中国特种设备公众信息网()上查询。
工作中如遇问题,请及时报国家质检总局锅炉局。
二00四年一月十六日附件一:增加的特种设备行政许可鉴定评审机构或项目┏━┯━━━━━━━━━━┯━━━┯━━━━━━━━━━━┯━━━━━━━━┯━━━━━━━━━━━━━━━━━━━━━━━━━━━━━━━━━━┓┃序│机构名称│机构│邮政编码│电话│承担的鉴定评审项目┃┃号││负责人│机构地址││┃┠─┼──────────┼───┼───────────┼────────┼──────────────────────────────────┨┃1│国家质检总局锅炉压力│林树青│100013│010-********办│安装、改造:全部大型游乐设施。
┃┃│容器检测研究中心││北京市朝阳区和平街西苑││┃┃│││2号││┃┠─┼──────────┼───┼───────────┼────────┼──────────────────────────────────┨┃2│中国有色工程设计研究│沈勇│100038│010-********办│安装、改造:全部大型游乐设施。
国家市场监督管理总局办公厅关于特种设备行政许可有关事项的实施意见文章属性•【制定机关】国家市场监督管理总局•【公布日期】2019.05.27•【文号】市监特设〔2019〕32号•【施行日期】2019.05.27•【效力等级】部门规范性文件•【时效性】现行有效•【主题分类】特种设备安全监察正文市场监管总局办公厅关于特种设备行政许可有关事项的实施意见市监特设〔2019〕32号各省、自治区、直辖市及新疆生产建设兵团市场监管局(厅、委),有关单位:根据《市场监管总局关于特种设备行政许可有关事项的公告》(2019第3号)、《市场监管总局关于发布〈特种设备生产和充装单位许可规则〉的公告》(2019年第22号),《特种设备生产单位许可目录》《特种设备作业人员资格认定分类与项目》《特种设备检验检测人员资格认定项目》《特种设备生产和充装单位许可规则》等许可要求(以下称新许可要求)将于2019年6月1日起实施。
经市场监管总局同意,现就有关事项提出以下意见。
一、关于新旧生产许可实施的过渡1.生产单位许可。
2019年5月31日前(含5月31日,下同)发放的特种设备生产和充装单位许可证书继续在原许可范围和有效期内有效,许可到期前按新许可要求进行换证。
2.已经受理的许可事项。
2019年5月31日前已经完成现场鉴定评审(包括完成评审工作尚未出具报告或已在整改中)的许可事项(包括取证、换证、增项、变更下同),6月1日后应当按新许可要求进行许可,对于受理项目符合《新旧生产单位许可项目对应表》(见附件1)中规定的原许可级别项目,可按表中新许可级别项目进行发证,否则发证机关应当根据具体情况对许可范围进行限制。
对发证机关发生变动的许可项目,原受理机关应当将评审报告和许可建议结论书面通知变动后的许可实施机关,并通知申请单位向变动后的许可实施机关按新的许可要求补交申请。
对已经受理但未开展现场鉴定评审的且2019年6月1日后按规定仍由原许可实施机关实施的许可项目,应当按新许可要求进行评审和发证,发证要求同上。
国家质量技术监督局文件质技监局锅发[2001]57号关于印发特种设备注册登记与使用管理规则的通知各省自治区直辖市质量技术监督局为加强和规范特种设备使用环节的管理防止和减少特种设备事故的发生根据特种设备质量监督与安全监察规定国家质量技术监督局令第13号的规定我们制定了特种设备注册登记与使用管理规则详见附件现印发给你们请转发贯彻执行中发现的问题请及时向我局锅炉压力容器安全监察局报告附件特种设备注册登记与使用管理规则国家质量技术监督局二一年四月九日附件:特种设备注册登记与使用管理规则第一条为加强和规范特种设备使用环节的管理防止和减少特种设备事故的发生根据特种设备质量监督与安全监察规定国家质量技术监督局令第13号以下简称13号令制定本规则第二条本规则适用于电梯起重机械厂内机动车辆客运索道游艺机和游乐设施等特种设备详见附录1的注册登记与使用管理特种设备的安装使用维修保养改造和检验等单位必须执行本规则第三条各级质量技术监督行政部门负责特种设备安全监察的机构以下简称特种设备安全监察机构按照13号令和本规则的规定负责本辖区内特种设备的注册登记与使用管理的安全监察第四条从事特种设备型式试验验收检验和定期检验等监督检验工作的技术机构以下简称监督检验机构必须经省级以上含省级下同质量技术监督行政部门的资格认可和授权客运索道游艺机和游乐设施的监督检验机构必须经国家质量技术监督局的资格认可和授权第五条本规则部分用语的定义1."使用单位"是指具有在用特种设备管理权利和管理义务的单位或个人其既可以是特种设备产权所有者也可以是受特种设备产权所有者委托具有一年以上在用特种设备管理权利和管理义务者2."大修"是指需要通过拆卸或者更新主要受力结构部件才能完成的修理业务亦包括对机构传动系统或者控制系统进行整体修理的业务但大修后特种设备的性能参数与技术指标不应变更3."改造"是指改变原特种设备受力结构机构传动系统或控制系统致使特种设备的性能参数与技术指标发生变更的业务第六条使用单位新增并投入使用的特种设备必须符合国家有关法规和强制性标准的要求第七条安装大修改造特种设备前使用单位必须持有关资料到所在地区的地市级以上含地市级下同特种设备安全监察机构备案备案时使用单位需持以下资料一中文使用说明书产品合格证和型式试验报告必要时二安装大修改造特种设备的施工项目合同三项目施工单位的特种设备安装改造维修保养资格证四项目施工方案及其安全防护措施五配套土建基础的技术图样等资料仅限客运索道与存在配套土建基础的游艺机和游乐设施必须提供六改造项目或者安装客运索道及附录2所列游艺机和游乐设施的项目必须提供由规定的监督检验机构出具的设计审查报告七客运索道游艺机和游乐设施的安装项目必须有建设项目主管部门的审批报告八使用单位和安装大修改造项目承担者的名称地址邮政编码法定代表人与负责人的联系电话等通讯资料第八条特种设备安全监察机构接到备案资料后应当严格按照有关法规和标准进行审查并在10个工作日内完成资料齐全并符合要求的发给使用单位特种设备注册登记表每台2份格式见附录3不符合国家有关法规或者标准要求的特种设备安全监察机构应当提出纠正意见纠正工作完成后方准许施工10个工作日内未提出纠正意见的视为准许施工第九条特种设备安装大修改造后施工单位必须根据国家有关法规和标准的要求对设备的质量和安全技术性能进行自检合格并出具自检报告后方能交付使用单位由使用单位向规定的监督检验机构申请验收检验新增无需现场安装的特种设备备案后使用单位即可向规定的监督检验机构申请验收检验客运索道验收检验前使用单位应向所在地省级特种设备安全监察机构提出运营申请报告经该机构对客运索道使用单位的安全管理审查合格并填写客运索道安全管理审查表格式见附录4后方能向国家客运索道监督检验机构申请验收检验第十条使用单位向监督检验机构申请验收检验时应当提供以下资料一特种设备注册登记表每台2份二改变原施工方案进行施工及有关隐蔽工程的施工情况记录三试运行记录四施工单位自检报告新增无需现场安装的除外五配套土建工程的验收证明仅限客运索道与存在配套土建基础的游艺机和游乐设施必须提供六客运索道安全管理审查表仅限客运索道第十一条监督检验机构收到验收检验申请后必须在10个工作日内安排检验工作完成验收检验后必须在10个工作日内出具验收检验报告检验合格者发给加盖统一规格钢印的特种设备安全检验合格标志格式见附录5编号见附录6该标志有效期自签发验收检验或者定期检验报告之日起计算客运索道经验收检验合格者还应当发给客运索道安全检验合格证格式见附录7对无需现场安装的特种设备凡有连续5年以上含5年验收检验合格记录企业制造的定型产品经监督检验机构检验员确认其安全技术性能合格的可以免于验收检验但监督检验机构必须在特种设备注册登记表上签署意见和加盖印章并发给加盖统一规格钢印的特种设备安全检验合格标志该标志有效期自监督检验机构签署免检意见之日起计算第十二条特种设备验收检验合格后施工单位必须将设备使用说明书产品合格证型式试验报告配套土建基础技术图样等有关技术文件和资料移交使用单位存入特种设备技术档案第十三条新增特种设备在投入使用前使用单位必须到所在地区的地市级以上特种设备安全监察机构办理注册登记手续注册登记后才可以投入使用办理注册登记时应当提供以下资料一特种设备注册登记表每台2份二验收检验报告和安全检验合格标志三操作人员的特种设备作业人员资格证四与维修保养单位签订的维修保养合同或者是制造企业对新增特种设备提供免费维修保养的证明文件或者与本单位取得特种设备维修保养资格的人员签订的维修保养责任书五维修保养单位的特种设备安装改造维修保养资格证或者本单位维修保养人员的特种设备作业人员资格证六使用和运营的安全管理制度当由制造企业提供免费维修保养且其期限达到时必须向注册登记机构补报本条第五款规定的维修保养合同或者维修保养责任书第十四条收到注册登记申请的特种设备安全监察机构必须在5个工作日内完成查验资料工作符合13号令及本规则规定的应在特种设备注册登记表上填写有关内容注册登记后特种设备安全监察机构应将一份特种设备注册登记表交由使用单位存档另保留一份在本单位存档厂内机动车辆完成注册登记后还应当核发厂内机动车辆牌照格式见附录5编号见附录8第十五条使用单位必须将特种设备安全检验合格标志及相关牌照和证书固定在规定的位置上安全检验合格标志超过有效期或者未按照规定张挂安全检验合格标志的特种设备不得使用第十六条使用单位必须指定专人负责特种设备的安全管理工作以下称为"安全管理人员"安全管理人员应当掌握相关的安全技术知识熟悉有关特种设备的法规和标准并覆行以下职责一检查和纠正特种设备使用中的违章行为二管理特种设备技术档案三编制常规检查计划并组织落实四编制定期检验计划并落实定期检验的报检工作五组织紧急救援演习六组织特种设备作业人员的培训工作第十七条使用单位必须制定以岗位责任制为核心的特种设备使用和运营的安全管理制度并予以严格执行安全管理制度至少应当包括一各种相关人员的职责二操作人员守则三安全操作规程四常规检查制度五维修保养制度六定期报检制度七作业人员及相关运营服务人员的培训考核制度八意外事件和事故的紧急救援措施及紧急救援演习制度九技术档案管理制度第十八条使用单位应当严格执行特种设备年检月检日检等常规检查制度发现有异常情况时必须及时处理严禁带故障运行检查可根据本单位设备的具体情况进行但内容至少应当包括一对在用特种设备每年至少进行一次全面检查对乘载类特种设备必要时要进行载荷试验并按额定速度进行起升运行回转变幅等机构的安全技术性能检查二月检至少应检查下列项目1.各种安全装置或者部件是否有效2.动力装置传动和制动系统是否正常3.润滑油量是否足够冷却系统备用电源是否正常4.绳索链条及吊辅具等有无超过标准规定的损伤5.控制电路与电气元件是否正常三日检至少应检查下列项目1.运行制动等操作指令是否有效2.运行是否正常有无异常的振动或者噪声3.客运索道游艺机和游乐设备易磨损件状况4.门联锁开关及安全带等是否完好当有这些装置时检查应当做详细记录并存档备查第十九条使用单位应当建立完整准确的特种设备技术档案并长期保存使用单位变更时应随机移送技术档案技术档案内容至少包括一特种设备注册登记表二设备及其部件的出厂随机文件三安装大修改造的记录及其验收资料四运行使用维修保养和常规检查的记录五验收检验报告与定期检验报告六设备故障与事故的记录第二十条特种设备安装操作维修保养等作业人员必须接受专业的培训和考核取得地市级以上质量技术监督行政部门颁发的特种设备作业人员资格证后方能从事相应的工作第二十一条使用单位必须严格执行特种设备的维修保养制度明确维修保养者的责任对特种设备定期进行维修保养特种设备的维修保养必须由持特种设备作业人员资格证的人员进行人员数量应与工作量相适应本单位没有能力维修保养的必须委托有资格的单位进行维修保养第二十二条接受委托的特种设备维修保养单位必须与使用单位签订维修保养合同并对维修保养的质量和安全技术性能负责使用单位自行承担特种设备维修保养的维修保养的质量和安全技术性能由使用单位负责第二十三条在用特种设备实行安全技术性能定期检验制度使用单位必须严格执行定期报检制度按时申请定期检验及时更换安全检验合格标志中的有关内容客运索道使用单位在申请3年一次的全面检验前应向所在地省级特种设备安全监察机构提出运营复审申请报告经该机构对客运索道使用单位安全管理状况审查合格并填写客运索道安全管理审查表后方能向国家客运索道监督检验机构申请全面检验客运索道的年度检验按照13号令的第51条执行第二十四条特种设备产权发生转让时应当履行以下手续一原产权单位应当持拟转让设备的特种设备注册登记表及有关牌照和证书到原注册登记机构办理注销变更手续二原产权单位应将特种设备及其部件的出厂随机文件办理注销变更手续后的原特种设备注册登记表2份历次检验报告维修保养和改造记录等有关资料及其有关牌照和证书移交给该设备的产权接收单位三易地重新安装的特种设备新的使用单位应当按照本规则的有关规定分别申请备案验收检验和注册登记的手续其安全检验合格标志的有效期限重新计算四不需要易地重新安装的该设备的产权接收单位或使用单位应当重新填写特种设备注册登记表2份并到原注册登记机构重新进行注册登记设备编号不变设备定期检验的期限不变第二十五条特种设备产权单位不变但需要易地重新安装的使用单位应当按照本规则的有关规定分别申请备案验收检验和办理注册登记的手续其安全检验合格标志的有效期限重新计算第二十六条遇到下列情况之一的特种设备在使用前承担维修保养的单位应当对其进行全面检查和维修保养一经受了可能影响其安全技术性能的自然灾害如火灾水淹地震雷击大风等二发生设备事故三停止使用1年以上经全面检查和维修保养完全消除影响安全的隐患后方可以投入使用实施大修的特种设备必须按照大修的有关规定执行上述工作情况应当详细记录第二十七条产权单位或者使用单位自行决定封停特种设备使用且其期限超过1年时应当报该设备注册登记机构备案办理停止使用手续经确认的在其停止使用期间不对其进行定期检验封停特种设备期限超过1 年但未报注册登记机构备案的或者封停设备期限不足1 年的仍按照原期限进行定期检验停止使用期限达到并拟重新使用时应当按照第二十六条的规定履行相应工作第二十八条特种设备或者其零部件达到或者超过执行标准或者技术规程规定的寿命期限后应予报废处理特种设备进行报废处理后使用单位应当向该设备的注册登记机构报告办理注销手续厂内机动车辆报废后还应将厂内机动车辆牌照交回原注册登记机构第二十九条使用单位每年至少应当组织一次特种设备出现意外事件或者发生事故的紧急救援演习演习情况应当记录备查第三十条特种设备一旦发生事故使用单位必须采取紧急救援措施防止灾害扩大保护好事故现场并按照国家有关规定及时向当地特种设备安全监察机构及有关部门报告第三十一条在爆炸危险场所使用的特种设备除执行13号令和本规则的有关要求之外必须符合中华人民共和国爆炸危险场所电气安全规程等相关规章或者标准中关于防爆安全技术的要求第三十二条按本规则规定执行特种设备备案注册登记等工作的特种设备安全监察机构可将上述工作委托当地的监督检验机构或者下属行政部门办理但必须对外公告并监督其执行情况第三十三条特种设备安全检验合格标志和厂内机动车辆牌照必须按照附录5规定的制作规则由省级以上特种设备安全监察机构指定的单位统一制作第三十四条本规则由国家质量技术监督局锅炉压力容器安全监察局负责解释第三十五条本规则自颁布之日起实施附录 1.特种设备分类目录2.实施设计审查的游艺机和游乐设施目录3.特种设备注册登记表4.客运索道安全管理审查表5.特种设备安全检验合格标志及厂内机动车辆牌照制作规则6.特种设备安全检验合格标志及客运索道安全检验合格证的编号与张挂规则7.客运索道安全检验合格证格式8.厂内机动车辆牌照编号与张挂规则。
国家质量技术监督局关于印发《特种设备注册登记与使用管理规则》的通知质技监局锅发[2001]57号各省、自治区、直辖市质量技术监督局:为加强和规范特种设备使用环节的管理,防止和减少特种设备事故的发生,根据《特种设备质量监督与安全监察规定》(国家质量技术监督局令第13号)的规定,我们制定了《特种设备注册登记与使用管理规则》(详见附件)。
现印发给你们,请转发贯彻。
执行中发现的问题请及时向我局锅炉压力容器安全监察局报告。
附件:《特种设备注册登记与使用管理规则》国家质量技术监督局二ΟΟ一年四月九日特种设备注册登记与使用管理规则第一条为加强和规范特种设备使用环节的管理,防止和减少特种设备事故的发生,根据《特种设备质量监督与安全监察规定》(国家质量技术监督局令第13号,以下简称13号令),制定本规则。
第二条本规则适用于电梯、起重机械、厂内机动车辆、客运索道、游艺机和游乐设施等特种设备(详见附录1)的注册登记与使用管理。
特种设备的安装、使用、维修保养、改造和检验等单位必须执行本规则。
第三条各级质量技术监督行政部门负责特种设备安全监察的机构(以下简称特种设备安全监察机构),按照13号令和本规则的规定,负责本辖区内特种设备的注册登记与使用管理的安全监察。
第四条从事特种设备型式试验、验收检验和定期检验等监督检验工作的技术机构(以下简称监督检验机构),必须经省级以上(含省级,下同)质量技术监督行政部门的资格认可和授权。
客运索道、游艺机和游乐设施的监督检验机构,必须经国家质量技术监督局的资格认可和授权。
第五条本规则部分用语的定义:1."使用单位"是指具有在用特种设备管理权利和管理义务的单位或个人。
其既可以是特种设备产权所有者,也可以是受特种设备产权所有者委托,具有一年以上在用特种设备管理权利和管理义务者。
2."大修"是指需要通过拆卸或者更新主要受力结构部件才能完成的修理业务,亦包括对机构(传动系统)或者控制系统进行整体修理的业务,但大修后特种设备的性能参数与技术指标不应变更。
特种设备型式试验机构核准规则“特种设备型式试验机构核准规则”是指技术监督总局颁布的《道路运输特种设备型式试验机构核准规则》(以下简称“规则”)。
该规则旨在规范特种设备型式试验机构的认可工作,保证实施道路运输特种设备型式试验的质量,提高安全性能。
一、特种设备型式试验机构的核准条件1、拥有有效的驾驶员培训资质;2、具有合格的技术人员,具备按照《道路运输特种设备型式试验技术要求》开展特种设备型式试验的必要条件;3、具备有效的试验设备,并具备所需的试验场地和设施;4、具备有效的试验管理体系和质量控制体系;5、具备符合国家标准的、由专业机构出具的质量保证书或技术证明书。
二、特种设备型式试验机构核准要求1、政府部门应在法律法规、政策、规章及其他文件的规定和要求范围内对特种设备型式试验机构进行核准;2、特种设备型式试验机构应当依据《道路运输特种设备型式试验技术要求》,按照国家规定的核准程序和标准,完成设备型式试验的认可工作,确保实施的道路运输特种设备型式试验质量;3、特种设备型式试验机构应当提交申请书、合规性证明文件,经过审核确认无误后方可开展特种设备型式试验;4、技术监督总局将审查好的申请书、合规性证明文件和其他资料,并就申请书的内容给予意见,并将审查结果通知申请人;5、特种设备型式试验机构应当不断改进技术水平,完善质量管理体系,做到技术水平持续提升,确保特种设备型式试验质量;6、特种设备型式试验机构应当建立健全内部管理体系,加强对试验实施情况的监督,确保试验质量合格;7、特种设备型式试验机构应当定期进行技术考核,确保机构的技术水平持续提升,满足国家有关法律法规的要求;8、特种设备型式试验机构应当有必要的质量保证措施,确保试验结果准确可靠。
三、特种设备型式试验机构核准流程1、技术监督总局受理特种设备型式试验机构申请,组织专家对申请书及相关文件进行审查;2、技术监督总局组织专家对特种设备型式试验机构的设备、技术人员、试验设施、管理体系等进行实地考察;3、技术监督总局根据考察结果给予意见,并将审查结果及意见通知申请人;4、特种设备型式试验机构经过审查确认无误后,技术监督总局将发放《特种设备型式试验机构核准证书》,此证书有效期为三年;5、特种设备型式试验机构应当按照规定定期提交相关资料,申请续证。