特种设备型式试验合格证
- 格式:doc
- 大小:732.50 KB
- 文档页数:29
电梯安全管理员考核试题库(3)2017年电梯安全管理员考核试题库(×)76.未经定期检验或者检验不合格的特种设备,可以继续使用。
(√)77.特种设备使用单位应当使用符合安全技术规范要求的特种设备。
(×)78.电梯维修单位应制订电梯事故应急防范措施和救援预案并定期演练,而使用单位则不需要。
(√)79.电梯、客运索道、大型游乐设施的运营使用单位应当将电梯、客运索道、大型游乐设施的安全注意事项和警示标志置于易于为乘客注意的显著位置。
(×)80.《特种设备安全监察条例》中所指的电梯不包括自动扶梯和自动人行道。
(√)81.特种设备使用单位应当对在用特种设备的安全附件、安全保护装置、测量调控装置及有关附属仪器仪表进行定期校验、检修,并作出记录。
(√)82.锅炉、压力容器、电梯、起重机械、客运索道、大型游乐设施的作业人员及其相关管理人员,应当按照国家有关规定经特种设备安全监督管理部门考核合格,取得国家统一格式的特种作业人员证书,方可从事相应的作业或者管理工作。
(×)83.特种设备的生产是指设计、制造,不包括安装、改造、维修。
(√)84.《特种设备质量监督与安全监察规定》要求,电梯制造企业承担自己制造电梯的安装、维修保养、改造业务时,应当按本规定要求,申请并取得相应的资格证书。
(√)85.特种设备的安全管理人员应当对特种设备使用状况进行经常性检查,发现问题的应当立即处理;情况紧急时,可以决定停止使用特种设备并及时报告本单位有关负责人。
(√)86.特种设备出现故障或者发生异常情况,使用单位应当对其进行全面检查,消除事故隐患后,方可重新投入使用。
(×)87.北京市质量技术监督局2007年1月11日发布的DB11/418-2007《电梯日常维护保养规则》、DB11/419-2007《电梯安装维修作业安全规范》以及DB11/420-2007《电梯安装、改造、重大维修和维护保养自检规则》均为推荐性地方标准。
最新场(厂)内专用机动车辆定义质检办特〔2010〕200号关于做好目录调整阶段场(厂)内专用机动车辆安全监察相关工作的通知各省、自治区、直辖市质量技术监督局,各有关单位:根据《特种设备安全监察条例》(国务院令第549号)的规定,经国务院批准,总局发布了《增补的特种设备目录》(国质检特〔2010〕22号,以下简称《目录》),明确了纳入特种设备安全监察的场(厂)内专用机动车辆的范围。
为做好目录调整阶段场(厂)内专用机动车辆相关安全监察工作,现就有关要求通知如下:一、关于制造许可(一)凡列入《目录》的场(厂)内专用机动车辆(以下简称厂车),即日起以厂车的名称实施制造许可。
许可的条件、程序等继续按照《机电类特种设备制造许可规则(试行)》(国质检锅[2003]174号,以下简称《制造许可规则》)等相关文件或安全技术规范实施,鉴定评审机构和型式试验机构暂不调整。
(二)《制造许可规则》许可范围中未列入《目录》的设备(以下简称非厂车设备),如挖掘机、装载机、铲运机和挖掘装载机等,不再实施特种设备制造许可,自本文发文之日起不再受理制造许可申请,鉴定评审机构不再接受鉴定评审约请;已经完成鉴定评审的,按照相关文件在3月31日前上报审批;已经取得制造许可的,在证书有效期满后自动失效。
二、关于作业人员考核(一)对列入《目录》的厂车设备相关作业人员,各地应当按照《特种设备作业人员监督管理办法》(国家质量监督检验检疫总局令第70号)的规定,继续开展考核发证等工作,相关工作程序和要求暂不变更。
(二)非厂车设备相关作业人员,自本文发文之日起不再纳入考核发证范围,原取得的《特种设备作业人员证》,在证书有效期满后自动失效。
三、关于安全监察与检验检测(一)对列入《目录》的厂车设备,各地可以继续执行所在地省级质量技术监督部门的原规定,按照原执行的相关文件开展检验检测、使用登记、监督检查等工作,相关工作程序和要求暂不变更。
(二)非厂车设备不再纳入特种设备安全监察范围,不再进行检验检测、使用登记、监督检查等工作,原已登记的设备注销登记。
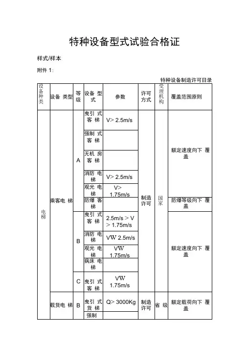
特种设备型式试验合格证样式/样本
附件1:
注:1.受理机构注“国家”的是指总局特种设备安全监察机构,注“省级”的是指省局特种设备安全监察机构,同一单位同时申请多种型式产品,其中有规定为“国家”受理的,该单位所有申请均由“国家”受理;
2.所有参数中V代表额定速度,电梯参数中的Q代表额定载荷,各类起重机中的G代表额定起重量,S代表跨度,H代表高度,G·R代表额定起重力矩(R代表幅度);
3.质量管理体系审查按级别向下覆盖,取得A级资格的,补充申请B级或C级同类或其它类型设备资格时,只进行相应等级设备型式试验,必要时补充审查国家特种设备安全监察机构指定内容;
4.型式试验按表中同型式覆盖范围原则执行,不同类型设备型式试验分别进行。
办理特种设备注册登记与定期检验合格证、安全检验合格标志需要提供资料种类定期检验合格证注册登记锅炉1、使用者的合法身份证明复印件(单位代码证、营业执照或行政、事业法人证等。
加盖使用单位公章);2、管理人员和足够数量司炉、水处理工证的原件(在聘用单位栏加盖聘用单位公章并经法定代表人签字确认)和作业人员名录(列出姓名、身份证号、证件编号、持证种类、有效期等内容)。
(附特种设备作业人员岗位配置数量设置文件,加盖使用单位公章);3、有效锅炉内部检验报告书(两年至少一次);4、有效锅炉外部检验报告书(一年一次);5、锅炉水质监测报告书复印件;6、安全阀、压力表的校验报告复印件;7、锅炉使用登记证;8、水压试验报告(每六年至少一次);9、有机热载体锅炉热载体的定期检验报告;10、行政执法文书送达地址确认书;11、特种设备使用单位安全使用承诺书;12、当年度特种设备使用安全主体责任自查表。
1、使用者的合法身份证明复印件(单位代码证、营业执照或行政、事业法人证等。
加盖使用单位公章);2、管理人员和足够数量司炉、水处理工证的原件(在聘用单位栏加盖聘用单位公章并经法定代表人签字确认)和作业人员名录(列出姓名、身份证号、证件编号、持证种类、有效期等内容)3、锅炉出厂资料(含合格证、质量证明书、全部图纸和锅炉制造厂所在地质监部门出具的监检证等)或进口检验报告;4、锅炉安装质量证明书;5、安装监督检验报告书;6、安全阀、压力表的校验报告复印件;7、锅炉水质监测报告书复印件;8、锅炉安全管理的规章制度目录(附特种设备作业人员岗位配置数量设置文件,加盖使用单位公章);9、锅炉验收的会议纪要;10、锅炉登记卡(一式二份,加盖使用单位公章);11、行政执法文书送达地址确认书;12、特种设备使用单位安全使用承诺书。
ﻬ办理特种设备注册登记与定期检验合格证、安全检验合格标志需要提供资料种类 定期检验合格证 注册登记压 力 容器 1、使用者的合法身份证明复印件(单位代码证、营业执照或行政、事业法人证等。
特种设备管理规定第二节安装、维修保养与改造第十一条特种设备安装、维修保养、改造单位必须对特种设备安装、维修保养、改造的质量和安全技术性能负责.安装、维修保养、改造单位必须具备相应的条件,向所在地省级特种设备安全监察机构或者其授权的特种设备安全监察机构申请资格认可,取得资格证书后,方可以承担认可项目的业务。
该资格证书在全国范围内有效。
特种设备安装、维修保养、改造业务不得以任何形式进行转包或者分包。
第十二条安装、大修、改造特种设备前,使用单位必须持施工方案等相关资料到所在地区的地、市级以上特种设备安全监察机构备案.第十三条安装、大修、改造后特种设备的质量和安全技术性能,经施工单位自检合格后,由使用单位向规定的监督检验机构提出验收检验申请,并由执行当次验收检验的机构出具检验报告,合格的,发给特种设备安全检验合格标志。
除国家法律、行政法规另有规定外,任何行政部门不得要求再进行强制性的验收检验.第十四条安装、大修、改造的特种设备验收合格后,负责该项目施工的单位必须将施工的技术文件和资料等,移交使用单位存入该特种设备的技术档案。
第三节使用和管理第十五条特种设备使用单位必须对特种设备使用和运营的安全负责。
特种设备使用单位必须使用有生产许可证或者安全认可证的特种设备。
对使用的特种设备,必须按照本规定有关要求申请相应的验收检验和定期检验。
第十六条新增特种设备,在投入使用前,使用单位必须持监督检验机构出具的验收检验报告和安全检验合格标志,到所在地区的地、市级以上特种设备安全监察机构注册登记。
将安全检验合格标志固定在特种设备显着位置上后,方可以投入正式使用。
第十七条使用单位必须制定并严格执行以岗位责任制为核心,包括技术档案管理、安全操作、常规检查、维修保养、定期报检和应急措施等在内的特种设备安全使用和运营的管理制度,必须保证特种设备技术档案的完整、准确.第十八条特种设备遇可能影响其安全性能的自然灾害或者发生设备事故后,以及停止使用一年以上时,再次使用前,使用单位应当对其进行全面检查,必须消除影响安全的隐患。
国家质量技术监督局关于印发《特种设备注册登记与使用管理规则》的通知文章属性•【制定机关】国家技术监督局(已撤销)•【公布日期】2001.04.09•【文号】质技监局锅发[2001]57号•【施行日期】2001.04.09•【效力等级】部门规范性文件•【时效性】失效•【主题分类】质量监督检验检疫综合规定正文国家质量技术监督局关于印发《特种设备注册登记与使用管理规则》的通知(2001年4月9日)质技监局锅发〔2001〕57号各省、自治区、直辖市质量技术监督局:为加强和规范特种设备使用环节的管理,防止和减少特种设备事故的发生,根据《特种设备质量监督与安全监察规定》(国家质量技术监督局令第13号)的规定,我们制定了《特种设备注册登记与使用管理规则》(详见附件)。
现印发给你们,请转发贯彻。
执行中发现的问题请及时向我局锅炉压力容器安全监察局报告。
附件特种设备注册登记与使用管理规则第一条为加强和规范特种设备使用环节的管理,防止和减少特种设备事故的发生,根据《特种设备质量监督与安全监察规定》(国家质量技术监督局令第13号,以下简称13号令),制定本规则。
第二条本规则适用于电梯、起重机械、厂内机动车辆、客运索道、游艺机和游乐设备等特种设备(详见附一)的注册登记与使用管理。
特种设备的安装、使用、维修保养、改造和检验等单位必须执行本规则。
第三条各级质量技术监督行政部门负责特种设备安全监察的机构(以下简称特种设备安全监察机构),按照13号令和本规则的规定,负责本辖区内特种设备的注册登记与使用管理的安全监察。
第四条从事特种设备型式试验、验收检验和定期检验等监督检验工作的技术机构(以下简称监督检验机构),必须经省级以上(含省级,下同)质量技术监督行政部门的资格认可和授权。
客运索道、游艺机和游乐设施的监督检验机构,必须经国家质量技术监督局的资格认可和授权。
第五条本规则部分用语的定义:一、“使用单位”是指具有在用特种设备管理权利和管理义务的单位或个人。
客运索道型式试验规则2012-3-15 稿件来源:[秘书处]第一章总则第一条为了加强客运索道制造环节的管理,规范客运索道型式试验行为,保证型式试验工作质量,根据《特种设备安全监察条例》的有关规定,制定本规则。
第二条本规则适用于《客运索道型式试验目录》(见附件1,以下简称目录)所列设备和部件的型式试验。
第三条客运索道及其部件凡属下列情况之一者,应当按本规则要求进行型式试验:(一)新建或改建的首台(套)的;(二)产品转厂制造的;(三)主要结构、材料、关键工艺、重要机构、安全保护装置有较大改变,影响安全性能的(四)国家质量监督检验检疫总局(以下简称国家质检总局)根据法律、法规和安全技术规范提出型式试验要求的。
第四条国家质检总局负责全国客运索道型式试验工作的监督管理,地方各级质量技术监督部门负责本行政区域内客运索道型式试验的监督检查。
第二章型式试验机构和试验人员第五条承担客运索道型式试验的检验检测机构(以下简称型式试验机构)应当经国家质检总局核准,方可从事客运索道型式试验工作。
第六条试验人员应当按照国家质检总局有关规定进行考核,取得客运索道检验员以上资格,型式试验报告审核人员应当取得客运索道检验师以上资格。
第七条型式试验机构应配备必备的试验设备、仪器仪表、计量器具和相应的检测工具;属于法定计量检定范畴的,必须检定合格,并且在检定有效期内。
第三章型式试验的程序第八条《目录》所列产品进行型式试验,申请单位应当持以下材料,向型式试验机构提出申请:(一)申请单位和制造单位的营业执照(复印件);(二)《特种设备制造许可申请书》(已经受理);(三)制造单位出厂检验合格的证明文件与自检记录;(四)型式试验细则中要求审阅的技术资料。
已经取得制造许可仅增加许可允许范围而进行型式试验不需要提供《特种设备制造许可申请书》。
第九条型式试验机构接到型式试验申请后,应当在5个工作日内查验申请单位提交的申请材料,确认能否实施型式试验。
特种设备TX
型式试验合格证
No.:TX 4310-31-11 0217
制造单位:山东金鼎建筑机械有限公司
产品名称:普通塔式起重机
型号规格:QTZ63
产品标准:TSG Q7004-2006《塔式起重机型式试验细则》
总装图号:QTZ63(FM5610)
覆盖范围:本证覆盖以下型号规格产品:/
经对上述产品图样和技术文件的审查及样品的检验,确认符合下列标准:TSG Q7004-2006《塔式起重机型式试验细则》
发证日期:2011年10月10日山东省特种设备检验研究院(盖章)
注:(一)本证是对设备型式的确认,对样品本身的合格与否负责,且仅对符合送样样品的产品有效。
(二)证书持有者有责任保证产品符合标准规定和保证产品与送样样品的一致性。
电梯制造安装企业经常需要向用户、监理等提供电梯五大安装部件的型式试验报告,但人们对型式试验报告的有效期常常会产生分歧,在此将相关最权威的解释附在后面,希望我公司遇到类似问题时,向对方出示附件中的文件,并指出有关有效期的内容,以便对方学习和提高!电梯型式试验规程(试行)第一条为了加强对电梯型式试验工作的管理,规范电梯型式试验行为,提高型式试验工作质量,根据《特种设备安全监察条例》和《特种设备质量监督与安全监察规定》,制定本规程。
第二条本规程适用于曳引或强制驱动的乘客电梯与载货电梯、液压电梯、杂物电梯、自动扶梯和自动人行道,以及上述电梯所使用的各类安全保护装置及主要部件,具体范围详见《电梯型式试验规程适用产品目录》(附件1,以下简称《目录》)。
第三条《目录》所列产品凡属下列情况之一的,必须进行型式试验:(一)新产品或老产品转厂生产的;(二)《影响型式试验结果的电梯配置与参数变更表》(附件2)中明确的电梯整机部件配置、主要参数发生变更的;(三)《目录》所列各种类型整机或各种型式部件停产1年以上(含1年)恢复生产的;(四)同型式进口电梯的首台产品或者部件;(五)列入《目录》的安全保护装置及主要部件每2年进行1次型式试验(取得电梯制造单位许可的企业制造的安全保护装置及主要部件每4年进行1次);(六)国家质量监督检验检疫总局(以下简称国家质检总局)或电梯制造许可受理机构提出型式试验要求的。
第四条国家质检总局负责电梯型式试验的统一管理;地方各级质量技术监督行政部门负责电梯型式试验实施情况的监督检查;国家质检总局和地方各级质量技术监督行政部门的特种设备安全监察机构(以下简称安全监察机构)负责上述统一管理或监督检查的具体实施。
第五条检验检测机构开展电梯及其安全保护装置、主要部件的型式试验,必须遵守本规程规定,以及国家质检总局另行发布的各型式电梯及其安全保护装置、主要部件的型式试验细则(以下简称《型式试验细则》,《电梯型式试验细则目录》详见附件3)中规定的试验项目、内容、要求与方法。
NETEC服务在线——关于电梯型式试验报告的几个问国家电梯质量监督检验中心我是某招标有限公司的工作人员,在最近的一次电梯项目招标中,遇到了有关电梯型式试验报告的问题,虽经多方查找,未找到明确的答案,现特咨询贵中心,请给予答复为盼:1、电梯生产厂家是否每种型号的产品都需做了型式试验后才能销售?2、供应商所提供的型式试验报告中电梯曳引机选用某国内制造商的产品,若将其更换为外国制造商生产的进口产品,这种做法是否允许?更改部件后是否需要重新做型式试验?3、对于贵中心出具的型式试验合格证中所标明的产品配置是指什么?4、对于贵中心型式试验合格证附注中所标注的“证书持有者有责任保证产品符合标准规定和保证产品与型式试验样品的一致性”如何理解?一致性是指产品配置与型式试验样品一致还是指电梯所配备的部件型号及制造商与型式试验样品一致?某招标有限公司答复:首先感谢贵公司对我中心的信任。
就贵公司提出的问题,我中心研究后分别答复如下:1、贵公司所说的电梯应该是电梯整机。
电梯属于机电类特种设备,按照国质检锅[2003]174号文《机电类特种设备制造许可规则(试行)》(简称174号文)的规定,电梯整机在制造单位取得《特种设备制造许可证》(简称《制造许可证》)后,即可正式制造、销售取得许可的特种设备,已经取得制造许可的每种型式的电梯都是已经通过型式试验的产品。
这里需要说明的是电梯制造许可的覆盖范围原则和型式试验的覆盖范围原则是不同的。
比如设备型式为曳引式客梯的电梯,其制造许可的覆盖范围原则是额定速度向下覆盖,而型式试验的覆盖范围原则则要同时考虑部件配置和电梯整机的参数(额定速度和额定载重量)。
型式试验覆盖的具体要求请参考《电梯型式试验规则(报批稿)》附件2“影响型式试验结果的电梯配置与参数变更表”。
上述两种覆盖原则都没有涉及到电梯的型号,也就是说电梯产品的覆盖与型号没有直接的关系,至于每种型号的电梯产品是否需要进行型式试验可以参阅型式试验合格证关于覆盖的说明。
关于部件型式试验合格证书有效期的问题国家电梯质量监督检验中心:我们在验收电梯时,从报检企业提交的验收文件中看到很多贵中心出具的电梯部件型式试验报告,其中有些型式试验报告上写明的产品生产单位和试验申请单位都是XX电梯配件有限公司;有些型式试验报告上写明的生产单位和试验申请单位都是XX电梯有限公司;还有些型式试验报告上写明的生产单位是XX电梯配件有限公司,而试验申请单位是XX电梯有限公司。
这些在报告中都没有有效期的说明,此种情况下我们就无法判定报验单位提供的报告是否还在有效期内。
请问NETEC,这三种情况的“特种设备型式试验报告”有效期相同吗?各种报告的有效期怎么确定?某市特检所电梯检验室2007-05-20答复:关于部件型式试验合格证书有效期的问题,在《中国电梯》2007年第7期“NETEC服务在线”栏目已经有过一些说明,这里我们还是按照没有批准发布的《电梯型式试验规则(2 005年报批稿)》(以下简称《规则》)的有关规定来说明。
《规则》第三条第(四)款规定:列入《目录》的安全保护装置及主要部件每2年进行1次型式试验(取得电梯制造单位许可的企业制造的安全保护装置每4年进行1次,其制造的主要部件不进行周期性的型式试验)。
这里的《目录》是指《规则》的附件1《电梯型式试验规则适用产品目录》。
列入该目录的安全保护装置共有9种:限速器、安全钳、缓冲器、门锁装置、轿厢上行超速保护装置、含有电子元件的安全电路、限速切断阀、电梯控制柜和曳引机。
列入该目录的主要部件共有14种:绳头组合、耐火层门、电梯玻璃门、玻璃轿壁、电梯导轨、液压泵站、杂物电梯驱动主机、自动扶梯或自动人行道驱动主机、自动扶梯或自动人行道扶手带、自动扶梯或自动人行道控制柜、自动扶梯或自动人行道滚轮、自动扶梯梯级、自动人行道踏板和梯级链或踏板链。
这些部件型式试验的有效期分为三种情况:1、型式试验合格证书和型式试验报告上,制造单位和试验申请单位都是电梯配件生产企业时,安全保护装置和主要部件型式试验的有效期为2年;2、型式试验合格证书和型式试验报告上,制造单位和试验申请单位都是取得电梯制造单位许可的企业(也就是取得电梯类特种设备制造许可证的整梯生产企业)时,安全保护装置型式试验的有效期为4年,主要部件不进行周期性的型式试验;3、型式试验合格证书和型式试验报告上,制造单位是电梯配件生产企业,试验申请单位是取得电梯制造单位许可的企业时,应按照上述第1条所述的情况执行,即:安全保护装置和主要部件型式试验的有效期为2年。
最新场(厂)内专用机动车辆定义质检办特〔2010〕200号关于做好目录调整阶段场(厂)内专用机动车辆安全监察相关工作的通知各省、自治区、直辖市质量技术监督局,各有关单位:根据《特种设备安全监察条例》(国务院令第549号)的规定,经国务院批准,总局发布了《增补的特种设备目录》(国质检特〔2010〕22号,以下简称《目录》),明确了纳入特种设备安全监察的场(厂)内专用机动车辆的范围。
为做好目录调整阶段场(厂)内专用机动车辆相关安全监察工作,现就有关要求通知如下:一、关于制造许可(一)凡列入《目录》的场(厂)内专用机动车辆(以下简称厂车),即日起以厂车的名称实施制造许可。
许可的条件、程序等继续按照《机电类特种设备制造许可规则(试行)》(国质检锅[2003]174号,以下简称《制造许可规则》)等相关文件或安全技术规范实施,鉴定评审机构和型式试验机构暂不调整。
(二)《制造许可规则》许可范围中未列入《目录》的设备(以下简称非厂车设备),如挖掘机、装载机、铲运机和挖掘装载机等,不再实施特种设备制造许可,自本文发文之日起不再受理制造许可申请,鉴定评审机构不再接受鉴定评审约请;已经完成鉴定评审的,按照相关文件在3月31日前上报审批;已经取得制造许可的,在证书有效期满后自动失效。
二、关于作业人员考核(一)对列入《目录》的厂车设备相关作业人员,各地应当按照《特种设备作业人员监督管理办法》(国家质量监督检验检疫总局令第70号)的规定,继续开展考核发证等工作,相关工作程序和要求暂不变更。
(二)非厂车设备相关作业人员,自本文发文之日起不再纳入考核发证范围,原取得的《特种设备作业人员证》,在证书有效期满后自动失效。
三、关于安全监察与检验检测(一)对列入《目录》的厂车设备,各地可以继续执行所在地省级质量技术监督部门的原规定,按照原执行的相关文件开展检验检测、使用登记、监督检查等工作,相关工作程序和要求暂不变更。
(二)非厂车设备不再纳入特种设备安全监察范围,不再进行检验检测、使用登记、监督检查等工作,原已登记的设备注销登记。
北京市特种设备检测中心 表式编号:BSEIC/JG010 6 - B/0
曳引电梯技术资料确认记录(安装)
制
mm 碉件:
(1)制造许可证明文件
(2肖梯整机型式试验合格证书或者报育书
⑶产品质重证明文件
(4 )平安保I 啓翻哇要部件礎式诵鉛格证包括:
① 门格证 ② 卩血证 ③ 安格证
④ 缓;欖型式试脸合恪证 ⑤含wm ^格证 ⑥彳格证
⑧ 融格证 ⑨ 丽正书
⑩
正书
(5)机房或者机器设备间及井道布置图
(6)电罰3®,刨劭力韓和气安
(7 )安装使用维护说明书
上述文件须用中丈軽如为复印件,须加盖制造单位公章或者检验合格章;对于进口电梯,应加盖国内代理商的公章。
(1)安装许可证和安装舌知书
⑵制适单位委托书(直看原件存留复印件)
(3) 审批手续齐全的施工方案
(4) 施工现场作业人员持有的相应特种设备作业证
记录编号:
使用单位 安装地点 规格型号 产品编号 制造单位 施工单位
上述文件须用中文描;如为复印件■须经安装单位加盖公章或者检验合格章.
第页共页
北京市特种设备检测中心
B S EI
C 0106 B/0
电梯主要部件编号登记表
经核对,本次申报的各台电梯的参数准确,与现场安装设备相符。
技术负责人〔签字〕: 施
工单位〔盖童〕:。
特种设备型式试验机构核准规则“特种设备型式试验机构核准规则”是指技术监督总局颁布的《道路运输特种设备型式试验机构核准规则》(以下简称“规则”)。
该规则旨在规范特种设备型式试验机构的认可工作,保证实施道路运输特种设备型式试验的质量,提高安全性能。
一、特种设备型式试验机构的核准条件1、拥有有效的驾驶员培训资质;2、具有合格的技术人员,具备按照《道路运输特种设备型式试验技术要求》开展特种设备型式试验的必要条件;3、具备有效的试验设备,并具备所需的试验场地和设施;4、具备有效的试验管理体系和质量控制体系;5、具备符合国家标准的、由专业机构出具的质量保证书或技术证明书。
二、特种设备型式试验机构核准要求1、政府部门应在法律法规、政策、规章及其他文件的规定和要求范围内对特种设备型式试验机构进行核准;2、特种设备型式试验机构应当依据《道路运输特种设备型式试验技术要求》,按照国家规定的核准程序和标准,完成设备型式试验的认可工作,确保实施的道路运输特种设备型式试验质量;3、特种设备型式试验机构应当提交申请书、合规性证明文件,经过审核确认无误后方可开展特种设备型式试验;4、技术监督总局将审查好的申请书、合规性证明文件和其他资料,并就申请书的内容给予意见,并将审查结果通知申请人;5、特种设备型式试验机构应当不断改进技术水平,完善质量管理体系,做到技术水平持续提升,确保特种设备型式试验质量;6、特种设备型式试验机构应当建立健全内部管理体系,加强对试验实施情况的监督,确保试验质量合格;7、特种设备型式试验机构应当定期进行技术考核,确保机构的技术水平持续提升,满足国家有关法律法规的要求;8、特种设备型式试验机构应当有必要的质量保证措施,确保试验结果准确可靠。
三、特种设备型式试验机构核准流程1、技术监督总局受理特种设备型式试验机构申请,组织专家对申请书及相关文件进行审查;2、技术监督总局组织专家对特种设备型式试验机构的设备、技术人员、试验设施、管理体系等进行实地考察;3、技术监督总局根据考察结果给予意见,并将审查结果及意见通知申请人;4、特种设备型式试验机构经过审查确认无误后,技术监督总局将发放《特种设备型式试验机构核准证书》,此证书有效期为三年;5、特种设备型式试验机构应当按照规定定期提交相关资料,申请续证。
特种设备型式试验合格证样式/样本
附件1:
注:1.受理机构注“国家”的是指总局特种设备安全监察机构,注“省级”的是指省局特种设备安全监察机构,同一单位同时申请多种型式产品,其中有规定为“国家”受理的,该单位所有申
请均由“国家”受理;
2.所有参数中V代表额定速度,电梯参数中的Q代表额定载荷,各类起重机中的G代表额定起重量,S代表跨度,H代表高度,G·R代表额定起重力矩(R代表幅度);
3.质量管理体系审查按级别向下覆盖,取得A级资格的,补充申请B级或C级同类或其它类型设备资格时,只进行相应等级设备型式试验,必要时补充审查国家特种设备安全监察机构指定内容;
4.型式试验按表中同型式覆盖范围原则执行,不同类型设备型式试验分别进行。