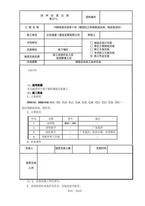
墙柱钢筋施工技术交底-0268693
- 格式:doc
- 大小:413.00 KB
- 文档页数:16
墙柱钢筋施工技术交底一、施工准备1.1 施工人员的安全防护1.在工地上,每个工人必须佩戴个人防护用品,如安全帽、安全鞋、手套等;2.特别是在搬运钢筋现场,要注意防护用品的使用情况;3.只有经过培训的专业人员可以参与施工作业;4.搬运钢筋时,要注意力量的合理分配,防止劳动者受伤。
1.2 施工场地准备1.工地的准备至关重要,必须清除所有有障碍物的物品;2.清理地面上的杂物,以保持工地的整洁;3.根据施工计划,制定合理规划,以确保施工质量的控制。
二、施工方法2.1 钢筋的规格与尺寸1.钢筋需要根据施工图纸的要求进行制作,以保证施工的准确性;2.不同的工程需要的钢筋规格和尺寸不同,可以根据需要进行定制。
2.2 钢筋的裁剪1.根据施工图纸需要的长度和数量,量具用于测量钢筋,保证准确性;2.将要裁剪的钢筋放在钢筋切割机上;3.根据测量后的长度将钢筋剪下。
2.3 钢筋的焊接1.当需要将钢筋连接起来时,可以在钢筋连接部分进行焊接;2.一般采用电弧焊接作业;3.焊接的重要性在于它使得钢筋在承受拉力、弯曲力、剪力时保持稳定。
2.4 钢筋的绑扎1.钢筋绑扎的主要目的是为了保证钢筋的位置稳定不移动;2.绑扎方式可以使用铁丝或其他强度合适的绳线;3.要求钢筋充分绑扎,不得松动或晃动。
2.5 钢筋的安装1.安装钢筋之前,需仔细查看施工图纸;2.根据图纸上要求的位置,在建筑物的墙面、柱子等部分进行钢筋的安装;3.钢筋的长度和数量应符合施工图纸要求。
2.6 钢筋的混凝土浇注1.钢筋位置稳定后,应该在规定的时间内进行混凝土浇注;2.填充到钢筋外延线以上;3.钢筋与混凝土要协调完成,确保钢筋与混凝土等分承重。
三、施工注意事项3.1 钢筋施工的工期和工作时间1.钢筋施工时间主要是作为建筑施工的先期工作;2.钢筋施工的时间应该在建筑物的基础、墙面、柱子等部分施工之前完成;3.另外,钢筋施工需要在合理的时间内完成,否则将会造成工程延误。
一、交底目的为确保墙柱钢筋施工过程中的安全,提高施工人员的安全意识,降低事故发生概率,特进行墙柱钢筋安全技术交底。
二、交底对象所有参与墙柱钢筋施工的施工人员、管理人员及监理人员。
三、交底内容1. 施工现场安全纪律(1)进入施工现场必须遵守安全生产六大纪律,佩戴好安全帽,高空作业系好安全带。
(2)施工现场作业人员严禁酒后上岗,疲劳作业、带病作业。
(3)遵守施工现场安全管理制度,严禁违章指挥,违章作业。
2. 钢筋制作安全注意事项(1)钢材半成品等,应按规格、品种分别码放整齐,达到一头齐,每种都有标牌。
(2)制作场地要平整,钢筋加工机械按工序传递安装牢固,工作台要稳固,防护罩齐全。
(3)拉直钢筋时,安全防护是大事,卡头要牢,地锚要坚实。
在拉筋区域2米内禁止有行人。
3. 钢筋绑扎安全注意事项(1)在高空、深坑绑扎钢筋和安装半成品料时,必须搭设工作平台,上人要走坡道。
(2)绑扎立柱、墙体钢筋时不得在绑好的钢筋骨架上攀登上下,在4米以上柱墙体要搭设临时作业台,临时支撑,防止倾倒伤人。
(3)绑扎基础钢筋时应按施工设计规定摆放钢筋支撑,不得任意减少。
施工马凳要及时放置,不得踩踏钢筋造成移位。
施工时注意脚下安全。
(4)绑扎外墙边柱要加强外侧支撑,防止因受力不均导致倾倒。
4. 钢筋切割与搬运安全注意事项(1)钢筋切割机使用前,须检查机械运转是否正常,有否漏电保护;要切割机后方不准堆放易燃物品。
(2)搬运钢筋要注意附近有无障碍物、架空电线和其他临时电气设备,防止钢筋在回转时碰撞电线或发生触电事故。
(3)起吊钢筋时,下方禁止站人,必须待骨架降到距离模板1m以下才准靠近,就位支撑好方可摘钩。
5. 其他安全注意事项(1)雷雨时必须停止露天操作,预防雷击钢筋伤人。
(2)钢筋骨架不论其固定与否,不得在上行走,禁止从柱子上的钢箍上下。
(3)切割机使用后,要及时清理铁屑、钢筋头,成品堆放要整齐,工作台要稳,钢筋工作棚照明灯必须加网罩。
钢筋混凝土柱施工技术交底一、前言本文旨在对钢筋混凝土柱的施工技术进行详细交底,确保施工过程能够顺利进行,保证施工质量。
钢筋混凝土柱作为建筑结构中的重要组成部分,承担着承重和承力的重要功能,施工过程的质量直接关系到建筑物的使用寿命和安全性。
因此,施工过程中需要严格按照相关的规范和要求进行操作,采取科学合理的施工技术。
二、施工前准备1. 设计图纸的审查在施工前,必须对设计图纸进行审查,确保施工方案与设计要求相符,并且注意检查图纸中的柱子尺寸、配筋要求等关键细节。
2. 材料准备钢筋混凝土柱的施工所需材料主要包括混凝土、钢筋、膨胀剂、防腐剂等。
在施工前,要对这些材料进行检验,并确保其质量符合规范要求。
3. 建立施工现场在施工前,需要搭建起施工现场,包括搭建脚手架、设置安全警示标识等。
同时,要确保施工现场的通风、通道以及逃生通道的畅通。
三、施工工艺1. 准备模板模板是钢筋混凝土柱施工的重要工艺之一。
在施工前,需要根据设计要求和施工图纸,制作好相应的模板,确保柱子的形状和尺寸的准确性。
2. 钢筋的加工和设置根据设计要求,对钢筋进行加工,并按照设计图纸的要求进行设置。
钢筋的连接点应符合规范要求,并采取合适的连接方式。
3. 混凝土的浇筑在进行混凝土的浇筑前,需要根据设计要求进行配制混凝土,并进行试验检测。
浇筑时要注意控制浇筑速度,保证混凝土的质量和致密性,并避免出现空洞或裂缝。
4. 环境控制在柱子浇筑后,需要进行环境控制,包括保温、湿润等措施。
合理的环境控制可以有效减少混凝土的收缩和开裂,增强柱子的抗压性能。
5. 后期处理柱子浇筑后,需要进行后期处理,包括混凝土表面的养护和防水处理等。
合理的后期处理可以增加柱子的耐久性和使用寿命。
四、安全措施在钢筋混凝土柱施工过程中,必须加强安全意识,采取有效的安全措施,以确保工人和施工现场的安全。
具体的安全措施包括:1. 工人需穿戴防护装备,如安全帽、防护鞋、手套等,确保施工人员的人身安全。
墙、柱钢筋绑扎技术交底交底内容:一、施工准备1、材料准备:1)钢筋:应有出厂合格证,按规定作力学性能复试,当加工过程中发生脆断等特殊情况,还需做化学成分检验。
钢筋应无老锈及油污。
2)绑扎:采用22号火烧丝。
绑扎钢筋的火烧丝表面不能有锈蚀现象。
3)控制混凝土保护层用的垫块、塑料卡。
4)加工好的各种半成品不能有锈蚀现象,加工尺寸符合要求。
5)检查连接钢筋用的套筒的各项指标应与国家规范相符。
2、主要机具电焊机、撬棍、钢筋板子、绑扎架、钢丝刷子、石笔、卷尺、小白线、托线板、线坠。
钢筋钩子(绑扎钢筋用)等。
二、作业条件1、作业楼面(底)板混凝土强度达到上人、堆料的要求。
2、作业面及施工缝清理干净,墙体及柱露在楼板外的钢筋接头清理干净,墙柱边线已经放好。
3、需要用电的设备在使用中要符合施工现场用电规定,保证施工顺利、安全的进行。
4、加工制作墙体双F卡、水平梯子筋、柱定位筋、圆柱箍筋等所需要的模具应准备充足。
5、大面积正式施工前,提前安排局部样板绑扎,确定准确无误后再进行大面积绑扎。
6、钢筋半成品要按照不同的部位及类型进行标识、码放。
钢筋半成品运送至作业面后,要码放整齐,半成品与楼板之间用木方子隔开。
三、操作工艺1.绑柱子钢筋:1)工艺流程:弹柱皮位置线、模板外控线→清理柱顶浮浆到全部露石子→清理柱筋污染→修理预留柱插筋→套柱箍筋连接柱竖向钢筋→在柱顶绑定距框画箍筋间距线→绑住箍筋。
2)套柱箍筋:按图纸要求间距,计算好每根柱子箍筋数量,先将箍筋套在下层伸出的竖筋上,然后立柱子主筋,用套筒连接,外露丝扣不超过一个完整丝扣。
3)画箍筋间距线:在立好的柱子竖向钢筋上,按图纸要求用粉笔画箍筋间距线,尽量避开连接套筒。
4)柱箍筋绑扎:按已画好的箍筋位置线,将已套好的箍筋往上移动,由上而下绑扎。
箍筋与主筋要垂直和密贴,箍筋与柱筋扣扣绑扎,相邻绑扣为八字扣,且丝扣朝内。
箍筋的弯钩叠合处应沿柱子竖筋交错布置,并绑扎牢固。
5)柱箍筋端头应弯程135°,平直部分长度不小于10d(d为箍筋直径)。
□施组总设计交底□单位工程施组交底□施工方案交底□专项施工方案交底☑施工作业交底2 内容较多时本表作为首页,交底内容可续页。
2 内容较多时本表作为首页,交底内容可续页。
(1)墙体钢筋及模板操作平台采用双排钢管脚手架钢管搭设,操作面四周满铺脚手板。
立杆横距1.8m,立杆纵距1.8m,步距1.8m,上方设置1.2m防护栏杆,并挂密布网,扫地杆距地距离不大于200mm。
脚手架均需专业架子工按规范要求搭设。
(2)按图纸要求间距、结合构造要求,计算好每根箍筋的数量,将箍筋套在预留钢筋上。
(3)柱子竖向受力钢筋采用滚轧直螺纹套筒连接。
(5)在立好的柱子竖向钢筋上用石笔画出箍筋位置线(第一道箍筋自顶板50mm起步)并加钢筋定位框。
(5)按已画好的位置线将箍筋往上移。
从上往下绑扎。
箍筋转角处与柱主筋采用兜扣,绑扎,其余采用八字扣绑扎。
箍筋弯钩叠合处沿柱子竖筋交错布置,并绑扎牢固。
柱两端按要求加密。
(三)钢筋构造图1、竖向钢筋连接示意图2、剪力墙水平钢筋构造做法见下图注:1 本表由施工单位填写。
2 内容较多时本表作为首页,交底内容可续页。
2 内容较多时本表作为首页,交底内容可续页。
2 内容较多时本表作为首页,交底内容可续页。
注:1 本表由施工单位填写。
2 内容较多时本表作为首页,交底内容可续页。
2 内容较多时本表作为首页,交底内容可续页。
2 内容较多时本表作为首页,交底内容可续页。
2 内容较多时本表作为首页,交底内容可续页。
2 内容较多时本表作为首页,交底内容可续页。
2 内容较多时本表作为首页,交底内容可续页。
2 内容较多时本表作为首页,交底内容可续页。
一、交底目的为确保墙柱钢筋工程的安全施工,预防安全事故的发生,现将墙柱钢筋工程安全技术交底如下:二、交底内容1. 人员安全要求(1)进入施工现场人员必须正确佩戴安全帽,系好下颚带,锁好带扣。
(2)作业时必须按规定正确使用个人防护用品,着装要整齐,严禁赤脚和穿拖鞋、高跟鞋进入施工现场。
(3)新进场的作业人员,必须首先参加入场安全教育培训,经考试合格后方可上岗,未经教育培训或考试不合格者,不得上岗作业。
2. 施工现场安全要求(1)施工现场必须设置明显的安全警示标志,确保施工区域安全。
(2)施工现场禁止吸烟,禁止追逐打闹,禁止酒后作业。
(3)施工现场的各种安全防护设施、安全标志等,未经领导及安全员批准严禁随意拆除和挪动。
3. 施工技术要求(1)钢筋加工与运输1)钢筋加工应在地面进行,不准在高空操作。
2)搬运钢筋时,注意附近有无障碍物、架空电线和其他临时电气设备,防止钢筋在回转时碰撞电线或发生触电事故。
3)钢筋断料、配料、弯料等工作应在地面进行,不准在高空操作。
(2)钢筋绑扎1)绑扎基础钢筋时,应按规定安放钢筋支架、马橙,铺设走道板(脚手板)。
2)在高处(2米以上含2米)绑扎立柱和墙体钢筋时,不得站在钢筋骨架上或攀登骨架上下,必须搭设脚手架或操作平台和马道。
脚手架应搭设牢固,作业面脚手板要满铺、绑牢,不得有探头板、非跳板,临边应搭设防护栏杆。
(3)钢筋焊接1)焊接操作人员必须持证上岗,严禁无证操作。
2)焊接过程中,注意通风,防止一氧化碳中毒。
3)焊接作业现场不得堆放易燃物品。
4. 高空作业安全要求(1)高空作业人员必须系好安全带,安全带要系挂牢固,高挂低用。
(2)高处作业不得穿硬底和带钉易滑的鞋,穿防滑胶鞋。
(3)雷雨时必须停止露天操作,预防雷击事故。
三、安全注意事项1. 施工过程中,应密切关注现场情况,发现安全隐患及时上报并采取措施予以消除。
2. 严格遵守操作规程,不得擅自更改施工方法。
3. 加强对施工人员的培训和教育,提高安全意识。
钢筋混凝土柱基施工安全技术交底引言本文档旨在详细描述钢筋混凝土柱基施工的安全技术交底内容。
钢筋混凝土柱基施工是建筑工程中重要的一环,为确保施工过程中的安全,建筑工人必须严格遵守相关规定和安全措施。
本文档将介绍施工前的准备工作、施工过程中的注意事项以及事故应急处理等内容,以提高施工安全性并最大程度减少事故发生的可能性。
施工前的准备工作在进行钢筋混凝土柱基施工之前,施工人员应严格按照以下步骤进行准备工作:- 确保施工区域的平整度符合要求,清除杂物和障碍物;- 检查施工所需材料和设备的准备情况,确保其完好无损并符合相关标准;- 清理施工现场周围的危险物品,包括易燃易爆物品、锋利物品等,避免施工过程中的意外伤害。
施工过程中的注意事项在进行钢筋混凝土柱基施工过程中,施工人员应注意以下事项:- 确保施工现场周围设置明显的安全警示标志,提醒他人注意施工区域;- 严格按照施工图纸和相关规定进行操作,确保柱基的尺寸和位置准确无误;- 合理安排施工人员数量和工作分工,确保施工过程中的安全性和高效性;- 在运输和安装钢筋过程中,注意使用适当的工具和设备,并确保操作规范和安全;- 定期清理施工现场,及时清除施工过程中产生的废弃物和杂物。
事故应急处理尽管我们采取了各种安全措施,事故仍然有可能发生。
因此,施工人员需要掌握正确的应急处理方法,以最大程度减少事故带来的损失。
以下是常见事故的应急处理方法:- 柱基坍塌事故:立即组织人员撤离,并及时报警求助;- 钢筋脱落事故:立即停止施工,封锁现场,并寻求专业人士的帮助;- 操作工具失效事故:立即停止使用,更换新的操作工具,并做好相关记录;- 人员受伤事故:立即进行紧急救治,并将受伤人员送往医院治疗。
结论钢筋混凝土柱基施工的安全技术交底是确保施工过程中安全的重要环节。
遵守施工前的准备工作、施工过程中的注意事项以及便捷的事故应急处理方法,可以显著提高施工安全性,减少事故发生的概率。
希望通过本文档的描述,能够对施工人员在钢筋混凝土柱基施工中的安全技术交底有所帮助。
一、交底目的为确保墙面植钢筋作业安全、顺利进行,提高施工人员的安全意识和自我保护能力,特进行以下安全技术交底。
二、交底对象全体参与墙面植钢筋作业的施工人员、管理人员及现场监理人员。
三、交底内容1. 施工现场安全注意事项(1)进入施工现场必须佩戴合格的安全帽,系好下额带,并按要求穿着工作服、安全鞋。
(2)严禁酒后作业,确保施工人员精神状态良好。
(3)现场禁止吸烟,以防火灾事故发生。
(4)严格遵守施工现场各项规章制度,服从现场管理人员指挥。
(5)未经培训或未取得相应操作资格的人员,严禁操作机械设备。
2. 墙面植钢筋作业安全要点(1)作业前,应熟悉施工图纸,了解施工要求及施工工艺。
(2)检查施工现场,确保施工环境整洁、安全,无障碍物。
(3)施工过程中,注意观察钢筋的位置和深度,确保钢筋植设准确。
(4)操作电动工具时,应先检查设备完好,确保操作安全。
(5)在植钢筋过程中,如遇钢筋弯曲、断裂等情况,应立即停止作业,并报告现场管理人员。
(6)施工过程中,严禁攀爬脚手架、模板等,以防坠落事故发生。
3. 机械设备操作安全(1)操作机械设备前,必须进行安全检查,确保设备运行正常。
(2)操作人员应熟悉机械设备性能,严格按照操作规程进行操作。
(3)机械设备运行时,严禁将手、脚等部位伸入设备运行区域。
(4)操作过程中,如发现设备异常,应立即停机检查,排除故障。
4. 应急处理(1)遇紧急情况,应立即停止作业,迅速撤离现场。
(2)发生安全事故,应立即报告现场管理人员,并采取相应措施进行处置。
(3)遇自然灾害、恶劣天气等不可抗力因素,应暂停施工,确保人员安全。
四、交底要求1. 施工人员要认真听取安全技术交底,了解并掌握安全操作规程。
2. 管理人员要加强对施工现场的巡查,确保各项安全措施落实到位。
3. 施工过程中,如发现安全隐患,应立即整改,消除安全隐患。
五、交底时间[具体日期]六、交底人[具体姓名]七、验收人[具体姓名][注:本模板仅供参考,具体交底内容应根据实际情况进行调整。
一、交底目的为确保墙面植钢筋施工过程中的安全,提高施工人员的安全意识,预防安全事故的发生,特进行本次墙面植钢筋技术安全交底。
二、交底对象所有参与墙面植钢筋施工的施工人员、管理人员、技术人员。
三、交底内容1. 施工现场安全注意事项(1)进入施工现场必须佩戴合格的安全帽,系好下颌带,并穿着符合安全要求的劳保鞋。
(2)施工现场禁止吸烟、饮酒,严禁酒后作业。
(3)施工现场禁止追逐打闹,保持施工现场整洁有序。
(4)未经培训不得操作机械设备,严禁操作与自己无关的机械设备。
(5)高空作业必须系好合格的安全带,高挂低用,确保安全。
(6)施工过程中,严禁私自拆除或移动防护设施、电器设备。
2. 墙面植钢筋施工安全注意事项(1)施工前,对施工人员进行安全技术培训,确保其掌握相关安全知识和操作技能。
(2)施工前,检查施工工具、设备是否完好,如有损坏及时更换。
(3)施工过程中,严格遵守操作规程,不得擅自更改施工工艺。
(4)植钢筋前,检查墙面平整度,确保植筋位置准确。
(5)植筋过程中,注意钢筋的垂直度,确保钢筋与墙面垂直。
(6)植筋过程中,严禁用手直接触摸钢筋,防止钢筋刺伤。
(7)植筋过程中,注意钢筋间距,确保钢筋分布均匀。
(8)植筋完成后,检查钢筋锚固长度,确保满足设计要求。
(9)施工过程中,如遇六级以上强风、大雨、大雾等恶劣天气,应立即停止施工,确保人员安全。
四、应急措施1. 发生安全事故时,立即停止施工,及时上报。
2. 对受伤人员进行紧急救治,并拨打急救电话。
3. 保护现场,等待相关部门处理。
五、交底总结通过本次安全交底,希望大家能够提高安全意识,严格按照操作规程进行施工,确保墙面植钢筋施工过程安全、顺利进行。
如有疑问,请及时向现场管理人员请教。
交底人:____________________交底日期:__________________。
地下室墙柱梁板钢筋绑扎技术交底(DOC)一、前言地下室在建筑中被广泛应用,保证地下室的牢固性和耐用性显得尤为重要。
在地下室的建设过程中,墙柱梁板的钢筋绑扎技术是十分重要的环节。
本文档旨在详细介绍地下室墙柱梁板钢筋绑扎技术的规范细则和注意事项,以确保地下室建设的成功。
二、绑扎流程地下室墙柱梁板钢筋绑扎流程如下:1.确定钢筋的数量和规格:根据设计图纸中的要求,确定所需钢筋数量和规格。
2.钢筋的切割:按照钢筋的长度在钢筋上进行切割。
3.钢筋的弯曲:根据设计图纸要求,将钢筋进行弯曲。
4.钢筋的套筒:将一根钢筋套在另一根钢筋上,并分别对两根钢筋进行绑扎。
5.绑扎的节数:根据设计图纸要求,根据要求的节数将两根钢筋进行绑扎。
6.确认钢筋的位置:在进行绑扎后,确认钢筋的位置与设计图纸上的位置一致。
三、绑扎注意事项在进行地下室墙柱梁板钢筋的绑扎过程中,需要注意以下事项:1.绑扎时要注意钢筋的重量和长度,确保可以进行正确的绑扎。
2.钢筋的弯曲和切割要在安全的条件下进行,必须由专业人员操作。
3.绑扎节数的确认:绑扎节数对于钢筋的固定至关重要,必须按照设计要求进行绑扎。
4.钢筋引伸长度确认:在绑扎之后,要确认钢筋的引伸长度和设计图纸上的长度相同。
5.确保钢筋的位置:绑扎后,要确保钢筋的位置与设计图纸的要求相同。
四、绑扎的规范性地下室墙柱梁板钢筋的绑扎规范性是十分重要的。
绑扎不规范很可能导致地下室发生意外。
为确保绑扎的规范性,需要注意以下事项:1.绑扎需要在清洁、平整的场地上进行,以确保钢筋绑扎的准确性。
2.钢筋连接应坚固可靠,并要求缩短套筒长度。
3.绑扎的节数需要根据设计要求进行,并要注意绑扎的牢固性和平整度。
4.绑扎后需确认钢筋的位置、引伸长度、长度等与设计图纸的规定相符合。
5.若需要进行加强处理,应参照相关规定进行处理。
五、绑扎验收标准在完成地下室墙柱梁板钢筋的绑扎后,需要进行验收。
验收标准如下:1.钢筋长度、规格应符合设计图纸要求。
墙柱钢筋绑扎技术交底一、工程概况本工程为_____建筑项目,其中墙柱钢筋绑扎是结构施工中的重要环节。
墙柱钢筋的质量和绑扎的准确性直接影响到建筑物的结构安全和稳定性。
为确保墙柱钢筋绑扎施工的质量和进度,特进行本次技术交底。
二、施工准备1、材料准备(1)钢筋:应有出厂合格证和检验报告,钢筋的品种、规格、级别应符合设计要求。
(2)铁丝:采用 20-22 号铁丝(火烧丝)或镀锌铁丝(铅丝),铁丝的切断长度应根据钢筋直径和绑扎方式确定。
(3)保护层垫块:应采用与混凝土强度等级相同的水泥砂浆或细石混凝土制作,垫块的厚度应符合设计要求。
2、主要机具(1)钢筋钩子、撬棍、扳子、绑扎架、钢丝刷子、手推车、粉笔、尺子等。
(2)塔吊、电焊机、弯曲机、切断机等。
3、作业条件(1)墙柱钢筋绑扎前,应熟悉施工图纸,明确钢筋的型号、规格、数量、间距等要求。
(2)墙柱钢筋的位置线已弹好,并经过验收合格。
(3)墙柱钢筋根部的混凝土浮浆已清理干净,并露出坚硬的石子。
(4)施工缝处的混凝土已凿毛,并清理干净。
三、施工工艺1、工艺流程(1)墙钢筋绑扎工艺流程:弹墙体线→ 剔凿墙体混凝土浮浆→ 修理预留搭接筋→ 绑纵向钢筋→ 绑横向钢筋→ 绑拉筋或支撑筋(2)柱钢筋绑扎工艺流程:弹柱子线→ 剔凿柱混凝土浮浆→ 修理预留搭接筋→ 套柱箍筋→连接竖向受力筋→ 画箍筋间距线→ 绑箍筋2、操作要点(1)墙钢筋绑扎弹墙体线:根据设计图纸,在混凝土楼面上弹出墙身及门窗洞口位置线。
剔凿墙体混凝土浮浆:将墙根部的混凝土浮浆剔凿干净,露出坚硬的石子。
修理预留搭接筋:对预留的墙钢筋进行整理和调整,使其位置、长度符合设计要求。
绑纵向钢筋:先将纵向钢筋与预留钢筋连接,然后按照设计要求的间距绑扎纵向钢筋。
纵向钢筋的连接方式应符合设计和规范要求,一般采用焊接、机械连接或绑扎搭接。
绑横向钢筋:在纵向钢筋上画出横向钢筋的间距线,然后按照间距线绑扎横向钢筋。
横向钢筋应与纵向钢筋垂直,交叉点应全部绑扎牢固。
开;143按已画好的箍筋位置线,将已套好的箍筋往上移动,由上往下绑扎。
144箍筋按分档线绑扎,采用正扣绑扎(即丝头在外侧),四角的绑扣采用“ X ”字交叉扣,其它位置 采用八字扣相互错开。
箍筋与主筋的交点全部绑扎牢固,箍筋与主筋垂直,箍筋转角紧贴主筋;箍筋的端头弯钩一端为135 ° (两个弯勾平行时即为135 °),平直段长度为10d (d 为箍筋直径)且不小于 75mm ;1.4.5箍筋经过预检合格后才可上柱,箍筋的接头(弯钩叠合处)交错布置在四角纵向钢筋上;箍筋 转角与纵向钢筋交叉点均要扎牢,绑扎箍筋时绑扣相互间成八字形。
1.4.6箍筋不可和直螺纹连接头重合,即不得绑在接头套筒上。
1.4.7直螺纹的接头按50%百分率错开35d,其构造如下图示。
框架柱框架柱非 连 接 区相邻钢 \筋交错 机械连 接基础顶面 嵌固部位Hn 为柱净高。
严 接 区°;二非 连 接 区以直径①25钢筋为例相邻钢 筋交错 机械连 接柱钢筋直径(占20 25 28 32相邻钢筋错开搭接距离(35 j700r r-875rr , 980r n1120-r基础顶面 嵌固部位非连 接 区框架柱柱钢筋直径(却 20 25 28 32相邻钢筋错开搭接距离(35 j700r ■ 875厂 980「 1120・r—北柱净高(「■■丿..连接区长度(__柱截面(、(岳(2700 3300 3600 4500 900*900 900 900 900 900 1000*9001000 1000 1000 1000 1200*9001200120012001200注:He 为柱长边尺寸架柱注:H (为柱长边尺寸,Hn 为柱净高。
相邻钢 筋交错 机械连 接非 连楼面楼面以直径①25钢筋为例相邻钢筋交错 机械连 接1.5柱子受力主筋的保护层要满足设计要求, 垫块采用圆形的塑料卡环, 施工时将支架卡在柱子主筋上,竖向间距 600mm 、水平间距450mm (柱每面不少于两列,第一排支架距柱底4-6cm );1.6为保证柱子主筋位置正确,在柱筋安装前,主筋应加定位箍固定。
墙柱钢筋绑扎技术交底在建筑施工中,墙柱钢筋绑扎是一项至关重要的工作,它直接关系到建筑物的结构安全和稳定性。
为了确保墙柱钢筋绑扎的质量和施工安全,现将墙柱钢筋绑扎的技术要点和注意事项向大家进行交底。
一、施工准备1、材料准备钢筋:应按照设计要求选用合适规格、型号和强度等级的钢筋,并具备质量证明书和检验报告。
扎丝:一般采用 20~22 号镀锌铁丝。
保护层垫块:采用与混凝土强度等级相同的砂浆垫块或塑料垫块。
2、工具准备钢筋钩子、撬棍、扳手、绑扎架、钢丝刷子、粉笔、尺子等。
3、作业条件墙柱钢筋的位置线已弹好,并经过验收。
墙柱的混凝土接槎处已清理干净,并凿毛处理。
施工缝处的松散混凝土已剔除,露出坚硬石子。
二、施工工艺流程1、墙钢筋绑扎工艺流程修整预留钢筋→ 绑扎竖向钢筋→ 画水平钢筋间距线→ 绑扎水平钢筋→ 绑扎拉钩→ 调整钢筋2、柱钢筋绑扎工艺流程弹柱皮位置线、模板外控制线→ 清理柱筋污渍、柱根浮浆→ 修整底层伸出的柱预留钢筋→ 将柱子箍筋叠放在预留钢筋上→ 连接柱子竖向钢筋→ 在柱顶绑定距框→ 画箍筋间距线→ 绑扎箍筋三、施工要点1、墙钢筋绑扎修整预留钢筋:根据墙柱位置线,调整预留钢筋的位置、垂直度和保护层厚度,如有偏差应及时校正。
绑扎竖向钢筋:竖向钢筋的接头应相互错开,同一截面内钢筋接头面积百分率不应大于 50%。
相邻接头间距不应小于 500mm 且不小于35d(d 为纵向受力钢筋的较大直径)。
画水平钢筋间距线:在竖向钢筋上,按照设计要求的间距画出水平钢筋的位置线。
绑扎水平钢筋:水平钢筋应绑扎在竖向钢筋的外侧,且应满扎,不得跳扎。
钢筋的弯钩应朝向混凝土内部。
绑扎拉钩:拉钩应按照设计要求的间距和规格进行绑扎,拉钩应拉住水平钢筋和竖向钢筋的交叉点。
调整钢筋:钢筋绑扎完成后,应检查钢筋的位置、间距、保护层厚度等是否符合设计要求,如有偏差应及时调整。
2、柱钢筋绑扎弹柱皮位置线、模板外控制线:根据设计图纸,在柱子的主筋上弹出柱子的外皮位置线和模板外控制线,以便于控制柱子的截面尺寸和位置。
2、当做分项工程施工技术交底时,应填写“分项工程名称”栏,其他技术交底可不填写。
2、当做分项工程施工技术交底时,应填写“分项工程名称”栏,其他技术交底可不填写。
1、本表由施工单位填写,交底单位与接受交底单位各保存一份。
2、当做分项工程施工技术交底时,应填写“分项工程名称”栏,其他技术交底可不填写。
1、本表由施工单位填写,交底单位与接受交底单位各保存一份。
2、当做分项工程施工技术交底时,应填写“分项工程名称”栏,其他技术交底可不填写。
1、本表由施工单位填写,交底单位与接受交底单位各保存一份。
2、当做分项工程施工技术交底时,应填写“分项工程名称”栏,其他技术交底可不填写。
1、本表由施工单位填写,交底单位与接受交底单位各保存一份。
2、当做分项工程施工技术交底时,应填写“分项工程名称”栏,其他技术交底可不填写。
1、本表由施工单位填写,交底单位与接受交底单位各保存一份。
2、当做分项工程施工技术交底时,应填写“分项工程名称”栏,其他技术交底可不填写。
交底内容:
梁主筋
洞口补强筋
上下各2Φ25
箍筋同梁,间距50
梁 上 留 洞 加 筋 图 2
2.9剪力墙每层水平接缝处要求增设竖向附加插筋(单排),墙厚400~450mm时,插筋为20@200;墙厚≤300mm时,插筋为14@200。
附加插筋位于墙体中心,接缝上下长度各45d(20为900mm,14为630mm)。
2.10墙筋保护层的控制采用梯子筋及定位框:梯子筋提高一个等级,代替该处的受力筋,以便节约钢筋;梯子筋设上、中、下三道顶模棍(比墙厚小2mm),端头刷防锈漆,顶模棍必须使用砂轮机切割,并除去毛刺。
(示意图见下)。
梯子筋的现场安装:第一个梯子筋均布置于距离剪力墙柱主筋外第二根墙体立筋位置。
然后中间以间距不大于1.5米要求布置,墙体转角处设置一个,且每面墙最少设置两个梯子筋。
梯子筋安装中,需注意顶模撑钢筋位置,两端必须与楼板板面上测设的结构边线相符,否则查明原因后改正后方可继续施工。
1、本表由施工单位填写,交底单位与接受交底单位各保存一份。
2、当做分项工程施工技术交底时,应填写“分项工程名称”栏,其他技术交底可不填写。
1、本表由施工单位填写,交底单位与接受交底单位各保存一份。
2、当做分项工程施工技术交底时,应填写“分项工程名称”栏,其他技术交底可不填写。
2、当做分项工程施工技术交底时,应填写“分项工程名称”栏,其他技术交底可不填写。
1、本表由施工单位填写,交底单位与接受交底单位各保存一份。
2、当做分项工程施工技术交底时,应填写“分项工程名称”栏,其他技术交底可不填写。
1、本表由施工单位填写,交底单位与接受交底单位各保存一份。
2、当做分项工程施工技术交底时,应填写“分项工程名称”栏,其他技术交底可不填写。
1、本表由施工单位填写,交底单位与接受交底单位各保存一份。
2、当做分项工程施工技术交底时,应填写“分项工程名称”栏,其他技术交底可不填写。