企业定额编制计划书 - 副本
- 格式:doc
- 大小:53.22 KB
- 文档页数:7
企业定额编制计划书企业定额做为施工企业进行管理的重要工具。
是施工企业生产力水平的体现和企业核心竞争力的具体表现。
也施工企业进行施工管理和投标报价的基础和依据。
一、企业定额的作用1.企业定额是施工企业计算和确定工程施工成本的依据,是施工企业进行成本管理、经济核算的基础。
2.企业定额是施工企业进行工程投标、编制工程投标价格的基础和主要依据。
3.企业定额是施工企业编制施工组织设计的依据。
二、企业定额的编制原则在编制企业定额时应依据本企业的技术能力和管理水平,以基础定额为参照和指导,测定计算完成分项工程或工序所必需的人工、材料和机械台班的消耗量,准确反映本企业的施工生产力水平。
为适应国家推行的工程量清单计价办法,企业定额可采用基础定额的形式,按统一的工程量计算规则、统一划分的项目、统一的计量单位进行编制。
在确定人工、材料和机械台班消耗量以后,需按选定的市场价格,包括人工价格、材料价格和机械台班价格等编制分项工程单价和分项工程的综合单价。
三、企业定额编制分为以下几个步骤:基础资料收集→资料整理及计算→确定定额的表达方式及定额填写→装册修订;1、基础资料收集基础资料为每个工地施工中的人、材、机实际消耗量。
此项工作主要由工程部完成,预算部和材料部门配合,每个工地在施工中要按要求做好成本核算表、材料计划表、施工日志、工费单、实际成本核算表。
每个工程完工后把以上材料整理后交于预算部。
2、资料整理及计算把收集上来的资料分析整理,按要求进行计算(计算方法见附录1)。
3、确定定额的表达方式及定额填写预算部根据国家规范标准和企业自身的情况做出定额编制格式、确定填写方法和内容。
4、装册修订。
把填写好的定额项目按要求装订成册,每年根据实际情况进行补充修订,已确保定额的准确实用性。
四、组织机构及责任定额编制成立工作组,组长由孔总担任,各小组组长由各部门负责人担任,成员由各部门职员组成。
1、组织机构2、任务划分(1)组长:负责整体的指挥和协调工作。
工时定额执行策划书范文一、概述工时定额执行策划书旨在确保公司内部工时定额的合理执行,提高生产效率,降低成本,并确保员工的工作时间安排得当。
本策划书涵盖了以下主要内容:工时定额体系建立、员工排班与调度、工时记录与统计、工时定额的调整与优化以及相关培训与沟通。
二、目标1.建立一套科学的工时定额体系,使之既能满足生产需要,又能保证员工的工作负荷适中;2.优化员工排班与调度,确保生产线的稳定运行;3.规范工时记录与统计,为公司决策提供准确的数据支持;4.根据实际生产情况,适时调整工时定额,提高生产效率;5.加强相关培训与沟通,提高员工对工时定额的认知与执行力。
三、实施步骤1.建立工时定额标准:通过实地调查、历史数据分析等方法,确定各岗位的工时定额标准;2.制定排班计划:根据生产计划、设备维护需求等因素,制定合理的排班计划;3.员工调度:根据员工的技能、经验等因素,合理安排岗位及班次;4.工时记录与统计:建立工时记录表,实时记录员工的工作时间及工作内容,定期汇总并分析数据;5.监控与调整:对工时定额执行情况进行实时监控,发现问题及时调整;6.培训与沟通:组织相关培训,提高员工对工时定额的认知;建立沟通机制,及时解决员工在工时定额执行过程中遇到的问题。
四、预期成果1.提高生产效率:通过合理的工时定额安排,提高生产线运行效率;2.降低成本:优化排班、调度等环节,降低人力成本;3.提高员工满意度:合理安排员工工作时间,提高员工满意度;4.提升决策支持能力:准确的数据支持,为管理层决策提供有力依据。
五、评估与反馈为确保工时定额执行策划的有效性,我们将定期进行评估与反馈。
具体措施包括:1.定期检查:定期检查工时定额执行情况,发现问题及时调整;2.数据监测:对生产数据进行实时监测,了解生产线的运行状况;3.员工反馈:建立员工反馈机制,收集员工对工时定额的意见和建议;4.持续改进:根据评估结果和反馈意见,持续优化工时定额体系。
重庆某集团建设工程公司二00四年人工费结算内部定额编制单位:总工办内部定额编制说明一、为了进一步完善我公司经营治理制度,提高广大职工的踊跃性,严格操纵计时工,和计件工资单位混乱的现象,提高各自经济效益,做到按劳付酬,有据可查。
方便人工工资结算,结合实际情形编制的。
二、本定额编制依据:依照公司人工费用结算内部定额实施的情形来看,个别单价较低的分项工程作了适当的调整,缺项部份加以适当的补充,同时采纳了一部份工地的实际情形及意见编制的。
三、本定额各个子目工程量的计算全数参照《重庆市九九工程计价定额》的计算规那么,和说明为依据,结算时,各个子目的工程量计算应以《重庆市九九工程计价定额》所列各分部的计算规那么和说明一致,不得与本定额子目无关的内容结算人工费,凡与本定额和《重庆市九九定额》的计算规那么和说明不相一致的结算人工费,公司概不予审批。
四、本定额各个子目的单价综合考虑了5%—10%的文明施工费用,所有相关计时工已进入各个子目的单价中,凡能够套用定额的均不得有计时工工资,如套用本定额子目的工作内容,而又发生该项子目工作的计时工,公司概不审批。
特殊情形需发生的计时工,或提高各个子目的单价,应先经总工办同意,并填写公司统一印制的单价申请表,报公司审批后实施生效。
五、本定额各子目人工费单价,在执行进程中,假设有的个别子目价钱确实较低或较高,工号能够以丰补欠的方法操纵把握调整,但该工号总的人工费必需操纵在定额有关子目单价别离乘工程量的人工费共计之内,不得超过总人工费。
六、本定额各子目单价均按合格标准制定,如实际评定为:不合格扣减(人工费+机械费)*20%,对决定返工的项目,另按公司《质量治理制度》所规定的内容执行,如实际评定达到优质标准,另增加(人工费+机械费)*10%。
七、本定额各子目单价除注明运输距离外,均含50米内人力运输,(指堆码外围尺寸到施工操作面距离;或经机械运输后,从运输后到施工操作面的距离),超过50米外的运输,另按附后搬运定额执行,本定额砼和砂浆是按机械搅拌编制的,若是人工造盘,那么在原定额的基础上调增加率10%。
工程企业定额编制方案一、背景随着建设工程数量的增加和各种建设项目的复杂性,工程企业在进行预算、投标和施工管理时需要准确、标准化的定额数据。
定额是指根据工程施工的实际情况和国家相关标准规范,编制出的可以作为工程施工计量和预算依据的标准化数据。
因此,定额编制对于工程企业来说是至关重要的。
二、定额编制的目的和意义1. 降低成本:定额编制可以帮助工程企业准确评估工程所需的物料、人工和机械设备等资源,从而降低不必要的成本支出。
2. 满足施工需要:通过定额编制,可以提前了解工程所需的资源、工时和投入,为施工管理提供可靠数据支持。
3. 规范管理:定额编制可以帮助工程企业规范施工管理,确保施工过程的合规性和质量可控。
4. 提高效益:通过定额编制,可以优化资源配置,提高工程施工效益和经济效益。
5. 增强竞争力:定额编制可以提高工程企业的专业技术水平,为企业赢得更多的市场竞争机会。
三、定额编制工作内容及程序1. 资料收集:收集国家相关标准规范、工程图纸、技术规范和历史工程数据等相关资料。
2. 分析比较:对不同工程项目的定额进行分析比较,找出公共部分和特殊部分,加以区分。
3. 初步编制:根据实际工程情况,初步编制出各种工程项目所需的定额数据,包括材料、人工、机械和辅助工具等。
4. 调整完善:根据实际需求和项目特点,对初步编制的定额数据进行调整和完善,包括含量、指标、规范等。
5. 审批验收:经过内部审批,将定额数据提交上级部门进行审批验收,确保定额数据的准确性和可靠性。
6. 批准发布:经过上级部门批准后,定额数据正式发布并在工程实施和管理中使用。
四、定额编制的技术要求1. 数据准确性:定额编制需要基于实际情况和国家标准规范,确保数据的准确性和可信度。
2. 标准化:定额编制需要遵循国家相关标准和规范,做到数据标准化和通用化。
3. 更新及时:定额数据需要根据施工实际情况和国家政策法规的变化及时更新。
4. 统一规范:定额编制需要遵循工程测量技术规范和其他相关规范要求。
公司工程定额编制方案一、背景介绍工程定额是指按照一定的规范和标准,通过对工程项目中各种工种、材料、设备的用量和费用进行科学合理的计算,制定出来的各项工程费用的标准。
工程定额的编制是工程项目管理的重要环节,它直接关系到工程项目的成本控制、质量保障和进度管理等方面。
因此,公司需要制定统一的工程定额编制方案,以确保工程项目的顺利进行和高效管理。
二、工程定额编制原则1.科学合理原则:工程定额的编制应基于科学的计算和合理的考量,确保各项工程费用的准确性和合理性。
2.规范标准原则:工程定额的编制应符合国家相关标准和规范,保证工程项目的安全和质量。
3.适用性原则:工程定额应根据不同的工程类型和地域环境进行编制,以适应不同工程项目的需求。
4.综合考虑原则:工程定额的编制应综合考虑工程项目的施工特点、市场行情和管理成本等因素,确保全面、客观地反映工程项目的实际情况。
三、工程定额编制流程1.收集资料:对工程项目所需的各种工种、材料、设备等相关资料进行收集和整理。
2.编制算量清单:按照工程项目的设计图纸、施工方案等文件,对各项工程费用进行算量计算,形成算量清单。
3.确定定额单价:根据市场行情、供应情况和管理成本等因素,确定各项工程费用的单价标准。
4.核对汇总:对编制好的工程定额进行核对和汇总,确保数据的准确性和完整性。
5.审核确认:由专业技术人员对工程定额进行审核确认,确保其符合国家相关标准和规范。
6.定额发布:将审核确认后的工程定额进行发布,以供工程项目使用和管理。
四、工程定额编制管理1.责任制度:明确工程定额编制的责任归属,建立相应的责任制度,以确保工程定额的科学合理和适用性。
2.审核审批:建立工程定额的审核审批机制,由专业技术人员进行审核确认,确保定额的准确性和合理性。
3.更新维护:定期对工程定额进行更新和维护,根据市场行情和管理成本等因素进行合理调整。
4.培训交流:组织相关人员进行工程定额编制的培训和交流,提高工程定额编制的水平和效率。
企业定额编制工作计划一、概述施工企业定额是施工企业生产经营的基础,也是施工企业现代化科学管理的重要手段。
它是施工企业编制投标报价的依据,是编制施工方案的依据,是企业内部核算的依据。
施工企业定额的建立,有利于施工企业提高施工技术,改进施工组织,降低工程成本,充分发挥投资效益,促进企业的健康、快速发展。
二、施工企业定额的编制(一)编制原则1、坚持三统一原则。
编制施工企业定额,必须依据《建设工程工程量清单计价规范》要求,编制单位不同,但是必须采用统一的工程量计算规则,统一的分项工程项目划分和统一的分项工程的工作内容。
2、真实先进性原则。
企业定额水平反映的是单个施工企业在一定的施工程序和工艺条件下施工生产过程中活劳动和物化劳动的实际水平,企业定额应当能够真实地反映企业管理现状,真实的反映企业人工、机械装备、材料储备情况。
同时还能够正确地反映比较先进的施工技术和施工管理水平,以促进新技术在本企业中的不断推广。
3、独立自主编制原则。
施工企业作为具有独立法人地位的经济实体,应根据企业的具体情况,结合政府的价格政策和产业导向,以盈利为目标,自行编制企业定额。
贯彻这一原则有利于企业自主经营;有利于推行现代化企业财务制度;有利于施工企业过多的行政干预,更好的面对建筑市场的竞争环境。
(二)编制内容及依据。
企业定额的编制内容应包括:编制方案、总说明、工程量计算规则、定额划项、定额水平的测定(工、料、机消耗水平和管理成本费的测算和制定)、定额水平的测算(类似工程的对比测算)、定额编制基础资料的整理归类和编写。
定额的编制依据主要有:国家的有关法律、法规、政府的价格政策、现行的施工及验收规范《智能建筑工程施工规范》GB 50606-2010,《智能建筑工程质量验收规范》GB 50339-2013;安全技术操作规程和现行的劳动法律、法规;国家设计规范、各种类型具有代表性的标准图集、施工图纸;企业技术与管理水平、工程施工组织方案;现行实际调查和测定有关数据;采用新工艺、新技术、新材料的情况等。
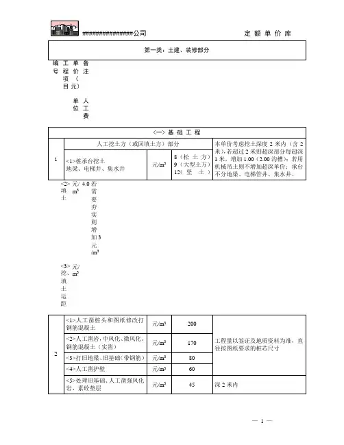
号 程项目 价(元) 注
单 位 人工
费
填土 m 3 需要
夯实则增加3元/m 3
<3>挖、填土运距 元/ m 3
面贴条砖(无纸皮) /m 2
纸皮按有纸皮加3元
10 卫生间、厕斗批防水砂浆 元/m 2
6.00 图
纸要求扫聚脂后再批
防
水砂浆增加4元/m 2
全斜、平
挡板
(
平
档
板铺铁板,斜挡板铺密竹) /m 2
(20层以内) 9.0(20层以上) 料供
应同上(平挡板
搭设高度5米内)
面块/m2含
机
料面层打腊(包清基层和酸洗)械费用
3
地面铺地毯(含铺底胶)
元/m2
6
四、木作工程
1
木龙骨,夹板基层,贴饰面板墙裙造型元/m2
21
带压条,起线(造型)
2
木龙骨夹板间墙(单面)
元/m2
9
3
木龙骨夹板间墙(双面板)
元/m2
14
开平模板整修单价
二、设备维修价格
#######################分公司定额单价
第四类: 设备安装维修
一、搅拌站安装、拆除、维修价格表
第五类: 运输价格表。
公司劳动定额制定方案1. 引言劳动定额是衡量劳动力投入与产出之间关系的指标,对于企业的生产管理和绩效评估具有重要意义。
本文旨在制定公司劳动定额制定方案,以确保员工工作量和工作质量的合理衡量,并为企业的生产管理提供科学依据。
2. 定额制定原则为确保劳动定额的公正性、准确性和可操作性,公司劳动定额制定方案遵循以下原则:2.1 客观性原则劳动定额的制定要客观公正,不受主观因素的影响。
制定过程中要尽量避免个人偏见和任意性。
2.2 综合性原则制定劳动定额应综合考虑各种影响因素,如工作环境、工作条件、工作工具等,以确保定额的全面性和准确性。
2.3 可操作性原则劳动定额应具备实施可行性,员工在正常工作条件下能够根据定额要求完成工作任务。
2.4 动态性原则劳动定额应与时俱进,随着技术和生产工艺的变化不断调整和优化,以适应企业发展的需求。
3. 劳动定额制定流程为确保劳动定额制定的科学性和准确性,公司将采取以下流程进行劳动定额的制定:3.1 数据收集收集与工作任务相关的数据,包括工作时间、工作量、工作成本等,确保数据来源可靠。
3.2 数据分析对收集到的数据进行分析,了解各项指标的变化趋势和关联性,为后续定额制定提供依据。
3.3 编制初步定额根据数据分析的结果,编制初步的劳动定额。
通过对已有工作任务的观察和测算,确定工作量和时间的关系,制定初始定额。
3.4 实地验证将初步定额应用于实际工作任务中,观察和测算员工完成任务所需时间和工作量,并与初步定额进行比对。
3.5 修订定额根据实地验证的结果,对初步定额进行修订,使其更贴近实际工作情况,确保员工平均工作时间和工作量的合理性。
3.6 定额审定将最终修订的定额提交给相应的部门负责人或专家组进行审定,确保定额的合理性和可操作性。
4. 参与定额制定的人员和责任制定公司劳动定额是一项复杂而繁琐的工作,需要多个部门和岗位的人员共同参与和承担责任。
4.1 生产部门- 提供工作任务的相关数据; - 参与数据收集和分析; - 参与实地验证和修订定额; - 审定最终定额。
企业定额编制策划书1.编制目的:控制劳务分包成本,为大公司投标报价提供参考,扭转投标时梁场潜亏局面。
2.编制范围:客专预制箱梁预制、提梁、运梁及架梁。
3.编制方法:定额测算法、观察法、统计分析法。
4.定额形式:企业客专预制箱梁制梁施工定额、企业客专预制箱梁提梁施工定额,企业客专预制箱梁运梁施工定额、企业客专预制箱梁架梁施工定额。
5.组织机构:成立企业定额编制小组,以XXX为组长,XXXX为副组长,工程技术、物资设备、质量安全、合约、财务部门负责人为组员,xx制梁场和分公司机械设备各租赁处员工全员参与。
6.编制流程及工期6.1准备与调查14天;6.2资料收集14天;6.3基础数据记录60天;6.4整理资料与统计分析基础数据21天;6.5编制企业定额初稿14天;6.6 审核企业定额初稿14天;6.7根据审核意见修改企业定额并形成定稿7天;6.8审核与批准企业定额定稿14天;6.9发布与宣贯企业定额21天。
7.资料收集、基础数据记录与责任人:7.1现行定额,包括基础定额和预算定额;工程量计算规则。
责任人:分公司商务管理部。
7.2国家现行的法律、法规、经济政策和劳动制度等与工程建设有关的各种文件。
责任人:分公司商务管理部。
7.3有关施工及验收规范、工程质量检验评定标准、分公司在施及已施工项目箱梁图纸,责任人:分公司工程质量部;安全操作规程及施工安全生产类法规,责任人:分公司安全部。
7.4分公司在施及已施工项目箱梁图纸工程量,责任人:分公司工程质量部。
7.5 xx制梁场真实的工人花名册,各工种工日单价(按2012年7月)责任人:xx制梁场合约部。
7.6箱梁预制施工组织、施工方案、变更情况。
各工序劳务人员熟练程度,每榀箱梁各工序施工时间、施工准备时间及待工时间,辅材种类及消耗数量,责任人:xx制梁场工程部。
7.7 箱梁预制各类材料的实际消耗量及材料单价(按2012年7月),以每月为一时间段,责任人:xx制梁场物资部。
解决方案系列编号:FS-ZD-04017 (企业)公司劳动定额制定方案
Enterprise Company Labor Quota Formulation Plan
说明:为明确各负责人职责,充分调用工作积极性,使人员队伍与目标管理科学化、制度化、规范化,特此制定
公司(企业)劳动定额制定方案
劳动定额是企业进行经济核算的主要基础,也是企业贯彻按劳分配原则,核算职工计件工资的重要手段。
为建立、健全的劳动定额管理制度,科学、合理地确定劳动定额和计件单价,有效地建立稳定、协调、和谐的劳资关系,根据本公司生产经营特点,经公司行政与代表职工的公司工会协商,特制定本方案。
一、劳动定额的含义:是指公司在现有的生产技术组织条件下
请输入您的公司名字
Fonshion Design Co., Ltd
第1页/ 共1页。
2024年标准定额工作计划一、制定标准定额体系在2024年,我们将根据公司的实际情况和业务需求,制定一套完整的标准定额体系。
该体系将覆盖公司的各个业务领域,包括但不限于人力、物力、财力等方面。
二、确定各类定额的编制方法和程序在制定定额体系的基础上,我们将进一步明确各类定额的编制方法和程序。
这将确保定额的制定过程科学、合理、规范,提高定额的适用性和可操作性。
三、调查和分析企业的实际消耗情况为了制定切实可行的定额,我们需要深入调查和分析企业的实际消耗情况。
这包括对各项业务的流程、资源使用情况、人力成本等方面进行详细的了解和分析。
四、研究确定各项定额水平在掌握企业的实际消耗情况后,我们将根据业务需求和行业标准,研究确定各项定额的水平。
这将确保定额水平符合公司的实际情况,同时满足业务需求和行业标准。
五、审批和发布定额经过充分的研究和讨论后,我们将把确定的定额报请上级部门审批。
审批通过后,我们将正式发布定额,以便各部门执行。
六、监督和执行定额为确保定额的有效执行,我们将建立健全的监督机制。
我们将定期对各部门的定额执行情况进行检查和评估,并及时发现和解决问题。
七、维护和更新定额数据库随着公司业务的不断发展和变化,定额也需要不断更新和维护。
我们将建立定额数据库,并指定专人负责维护和更新。
这将确保定额数据的准确性和时效性。
八、培训和宣传定额知识为了让公司员工更好地理解和执行定额,我们将组织培训和宣传活动。
这将帮助员工了解定额的意义和作用,掌握定额的制定方法和执行技巧。
九、开展定额竞赛活动为了激发员工对定额工作的热情和积极性,我们将开展定额竞赛活动。
这将鼓励员工积极参与定额工作,提高定额的水平和管理效果。
十、收集和分析定额执行情况反馈为了不断优化定额体系和提高管理水平,我们将积极收集和分析定额执行情况的反馈意见。
这将帮助我们发现存在的问题和不足之处,并及时采取措施加以改进。
十一、研究和发展新的定额管理技术为了适应不断变化的市场环境和公司业务需求,我们将持续研究和探索新的定额管理技术。
公司定额管理方案模板英文回答:Purpose:The purpose of this template is to provide a framework for developing and implementing a fixed-quota management plan within an organization. A fixed-quota management plan establishes predetermined quotas for specific performance metrics that employees are expected to meet or exceed.Goals:Improve performance and productivity.Ensure accountability.Foster a results-oriented culture.Provide clear performance expectations.Motivate and reward employees.Key Components:Metrics: Identify the key performance metrics that will be tracked and measured.Quotas: Establish specific, measurable, achievable, relevant, and time-bound (SMART) quotas for each metric.Measurement: Determine the methods and frequency for measuring performance against quotas.Reporting: Establish a system for reporting performance data to employees and managers.Incentives and Penalties: Implement incentives for meeting or exceeding quotas and consequences for underperforming.Review and Adjustment: Regularly review theeffectiveness of the plan and make adjustments as needed.Implementation Steps:1. Define Goals: Clearly define the goals and objectives of the fixed-quota management plan.2. Identify Metrics: Determine the key performance indicators that will be used to measure employee performance.3. Set Quotas: Establish SMART quotas for each metric, considering historical data and industry benchmarks.4. Communicate Quotas: Communicate the quotas and expectations to employees clearly and effectively.5. Monitor Performance: Implement a system for tracking and measuring employee performance against quotas.6. Provide Feedback: Regularly provide employees with feedback on their progress and areas for improvement.7. Reward and Penalize: Implement incentives and consequences for meeting or underperforming quotas.8. Review and Adjust: Regularly review the effectiveness of the plan and make adjustments as needed based on feedback and performance data.Best Practices:Involve Employees: Engage employees in the development and implementation of the plan to foster ownership and buy-in.Use Data: Utilize data to set realistic quotas and track performance effectively.Provide Support: Offer employees with the necessary resources and support to achieve their quotas.Reward Fairly: Ensure that incentives are fair and commensurate with the effort and performance required.Communicate Regularly: Keep employees informed about their progress and any changes to the plan.中文回答:目的:本模板旨在为组织制定和实施定额管理计划提供一个框架。
XX印刷厂核定XXXX年度流动资金定额的工作计划印刷厂核定年度流动资金定额的根据上级关于核定流动资金定额通知的精神,结合我厂的实际,提出我厂核定年度流动资金定额的计划如下:一目的和要求:在去年核资的基础上,结合增产节约运动中揭露的问题,发动群众挖掘资金潜力,按照正常生产最低需要的原则和加速资金周转的要求,从紧核定资金定额,通过核资,认真建立健全制度,进一步提高企业管理水平。
二时间方法步骤:一总的时间为一个月,自即日起到月底止。
二这次核资采取分级归口,自查自核,专业部门协助的办法进行,具体做法是:定额的计算,以第一季度生产计划为依据;一切不参加正常周转的呆滞,积压物资和供产销各个环节上不正常因素所需的额外资金,不包括在核定定额范围内。
凡原材料供应方式地点价格发生变动,产品生产周期和存放期限变化,或者销售条件和结算方式的改变,均据实予以调整。
供应正常,可以保证供应或有其他代用品的原材料物料,一律不计算保险日数。
各项定额均须分项计算,并计算系数,如纸张分品种计算,油墨应分书版墨色墨一般墨及高档墨法计算,一般原材料和辅助材料应分小类计算,同时,应认识计算定额负债包括息金应付工资等,以防止资金使用上的浪费。
三核资分三步进行:第一步,各部门自查自核,财务科配合协助;第二步全厂平衡,汇总上报;第三步,建立健全制度,深入动员,做好执行定额的思想准备。
三具体安排:月日至日,各部门准备资料,发动有关群众讨论,自查自核。
月日至日,财务科综合平衡,上报方案,各部门酝酿讨论资金归口办法,开会听取汇报。
月日至日,财务科内部测算,开始拟定资金归口管理办法厂部动员。
月日至日,向上级办理资金交拔,公布资金归口办法。
第二篇:公司年度党建工作计划字江苏亨通高压电缆有限党支部年度党建年,是深入贯彻落实党的十八届三中四中全会精神,全面深化改革全面依法治国的开局之年。
亨通高压党建工作一直处于薄弱阶段。
年,亨通高压公司将严格根据亨通党务两级条线管理要求及结合年度党建工作考核的实际情况,对亨通高压公司党建工作存在的不足及薄弱环节进行调整与改善,真取亨通高压公司年度党建工作有全面的改善,具体党建工作如下:党员发展计划:亨通高压公司将将严格执行亨通上级党务条线及常熟经济技术开发区党委的党员发展要求,做好亨通高压党员发展规划工作,制定清晰的党员发展计划,明确入党积极分子培养联系人,并进行积极的沟通与交流。
企业定额编制计划书
企业定额做为施工企业进行管理的重要工具。
是施工企业生产力水平的体现和企业核心竞争力的具体表现。
也施工企业进行施工管理和投标报价的基础和依据。
一、企业定额的作用
1.企业定额是施工企业计算和确定工程施工成本的依据,是施工企业进行成本管理、经济核算的基础。
2.企业定额是施工企业进行工程投标、编制工程投标价格的基础和主要依据。
3.企业定额是施工企业编制施工组织设计的依据。
二、企业定额的编制原则
在编制企业定额时应依据本企业的技术能力和管理水平,以基础定额为参照和指导,测定计算完成分项工程或工序所必需的人工、材料和机械台班的消耗量,准确反映本企业的施工生产力水平。
为适应国家推行的工程量清单计价办法,企业定额可采用基础定额的形式,按统一的工程量计算规则、统一划分的项目、统一的计量单位进行编制。
在确定人工、材料和机械台班消耗量以后,需按选定的市场价格,包括人工价格、材料价格和机械台班价格等编制分项工程单价和分项工程的综合单价。
三、企业定额编制分为以下几个步骤:
基础资料收集→资料整理及计算→确定定额的表达方式及定额填写→装册修订;
1、基础资料收集
基础资料为每个工地施工中的人、材、机实际消耗量。
此项工作主要由工程部完成,预算部和材料部门配合,每个工地在施工中要按要求做好成本核算表、材料计划表、施工日志、工费单、实际成本核
算表。
每个工程完工后把以上材料整理后交于预算部。
2、资料整理及计算
把收集上来的资料分析整理,按要求进行计算(计算方法见附录1)。
3、确定定额的表达方式及定额填写
预算部根据国家规范标准和企业自身的情况做出定额编制格式、确定填写方法和内容。
4、装册修订。
把填写好的定额项目按要求装订成册,每年根据实际情况进行补充修订,已确保定额的准确实用性。
四、组织机构及责任
定额编制成立工作组,组长由孔总担任,各小组组长由各部门负责人担任,成员由各部门职员组成。
1、组织机构
2、任务划分
(1)组长:负责整体的指挥和协调工作。
(2)工程部:负责基础资料收集,主要对每个工程中的人、材、机的消耗量进行统计。
每个工地在施工中要按要求做好成本核算表、材料计划表、施工日志、工费单、实际成本核算表等资料。
每个工程完工后把以上材料整理后交于预算部。
(3)材料部:负责基础资料收集,主要对各工程所用材料进行市场询价。
询得合适价格报于预算部。
(4)预算部:确定定额的表达方式,把工程部和材料部收集到的基础资料进行汇总和计算。
把计算出的数据填入相应的表格中并装订成册。
五、监督与考核
企业定额作为企业的重要管理工具,为了能有效的保质保量的完成此项工作,每个部门要根据自己的情况编制工作计划。
并按照相应的工作计划作为此项工作的考核标准。
附录1:定额的编制计算方法
一、人工定额
1、人工定额的编制
编制人工定额主要包括拟定正常的施工条件以及拟定定额时间两项工作。
(1)拟定正常的施工作业条件,就是要规定执行定额时应该具备的条件,正常条件若不能满足,则可能达不到定额中的劳动消耗量标准,因此,正确拟定正常施工的条件有利于定额的实施。
拟定正常施主的条件包括:拟定施工作业的内容;拟定施工作业的方法;拟定施工作业地点的组织;拟定施工作业人员的组织等。
(2)拟定施工作业的定额时间,是在拟定基本工作时间、辅助工作时间、准备与结束时间、不可避免的中断时间、以及休息时间的基础上编制的。
上述各项时间是以时间研究为基础,通过时间测定方法,得出相应的观测数据,经加工整理计算后得到的。
计时测定的方法有许多种,如测时法、写实记录法、工作日写实法等。
2、人工定额的形式
人工定额按表现形式的不同,可分为时间定额和产量定额两种形式。
(1)时间定额,就是某种专业,某种技术等级工人班组或个人,在合理的劳动组织和合理使用材料的条件下,完成单位合格产品所必须的工作时间,包括准备与结束时间、基本工作时间,辅助工作时间、
不可避免的中断时间及工人必须的休息时间。
时间定额以工日为单位,每一工日按八小时计算。
其计算方法如下:
每工产量
日)单位产品时间定额(工
1
= (附1-1)
或
机械台班产量
小组成员工日数总和
日)单位产品时间定额(工=
(附1-2)
3、人工定额的制定方法
人工定额是根据国家的经济政策、劳动制度和有关技术文件及资料制定的。
制定人工定额,常用的方法有四种:
(1)技术测定法,是根据生产技术和施工组织条件,对施工过程中各工序采用测时法、写实记录法、工作日写实法,测出各工序的工时消耗等资料,再对所获得的资料进行科学的分析,制定出人工定额的方法。
(2)统计分析法,是把过去施工生产中的同类工程或同类产品的工时消耗的统计资料,与当前生产技术和施工组织条件的变化因素结合起来,进行统计分析的方法。
这种方法简单易行,适用于施工条件正常、产品稳定、工序重复量大和统计工作制度健全的施工过程。
然而,过去的纪录,只是实耗工时,不反映生产组织和技术的状况;所以,在这样条件下求出的定额水平,只是己达到的劳动生产率水平,而不是平均水平。
实际工作中,必须分析研究各种变化因素,使定额能真实地反映施工生产平均水平。
(3)比较类推法,对于同类型产品规格多,工序重复、工作量小的施工过程,常用比较类推法。
采用此法制定定额是以同类型工序和同类型产品的实耗工时为标准,类推出相似项目定额水平的方法。
此法必须掌握类似的程度和各种影响因素的异同程度。
(4)经验估计法,根据定额专业人员、经验丰富的工人和施工技术人员的实际工作经验,参考有关定额资料,对施工管理组织和现场技术条件进行调查、讨论和分析,制定定额的方法,叫做经验估计法。
经验估计法通常用于一次性定额。
二、材料消耗定额
材料消耗定额是在合理和节约使用材料的条件下,生产单位质量合格产品所必须消耗的一定规格的材料、成品、半成品和水、电等资源的数量标准。
定额材料消耗指标的组成,按其使用性质、用途和用量大小划分为三类,即:
(1)主要材料,是指直接构成工程实体的材料;
(2)辅助材料,也是直接构成工程实体,但比重较小的材料;
(3)零星材料,是指用量小,价值不大,不便计算的次要材料,可用估算法计算。
材料消耗定额包括直接使用在工程上的材料净用量和在施工现场内运输及操作过程中的不可避免的废料和损耗。
1、材料净用量的确定
材料净用量的确定,一般有以下几种方法:
(1)理论计算法。
理论计算法是根据设计、施工验收规范和材料规格等,从理论上计算材料的净用量。
如砖墙的用砖数和砌筑砂浆的用量,可用下列理论计算公式计算各自的净用量。
用砖数: K A ⨯+⨯+⨯=
灰缝)
(砖厚灰缝)(砖长墙厚1
(附1-3)
式中K ——墙厚的砖数2(墙厚的砖数是0.5砖墙、1砖墙、1.5砖墙)。
砂浆用量:
(砖块体积)砖数⨯-=1B (附1-4)
(2)测定法,即根据试验情况和现场测定的资料数据确定材料的净用量。
(3)图纸计算法,根据选定的图纸,计算各种材料的体积、面积、延长米或重量。
(4)经验法,根据历史上同类项目的经验进行估算。
2、材料损耗量的确定
材料的损耗一般以损耗率表示。
材料损耗率可以通过观察法或统计法计算确定。
%100⨯=
净用量
损耗量
损耗率 (附1-6) 损耗率)(净用量损耗量净用量总消耗量+⨯=+=1 (附1-7)。