欧盟汽车标准法规体系(ECE)欧盟体系
- 格式:doc
- 大小:31.81 KB
- 文档页数:44
ECE和EEC(EC)汽车技术法规介绍ECE和EEC(EC)汽车技术法规介绍一、ECE汽车技术法规介绍1 ECE汽车技术法规及其目前的体系结构WP29(世界车辆法规论坛)目前同时运作《1958年协定书》(目前该协定书修订版的全称为《关于对轮式车辆、安装和/或用于轮式车辆的装备和部件采用统一技术法规以及采用统一条件以相互承认基于上述技术法规的批准的协定书》)和《1998年协定书》(目前该协定书全称为《关于对轮式车辆、安装和/或用于轮式车辆的装备和部件制定全球性技术法规协定书》),进行ECE汽车技术法规和全球统一汽车技术法规的制修订和实施工作。
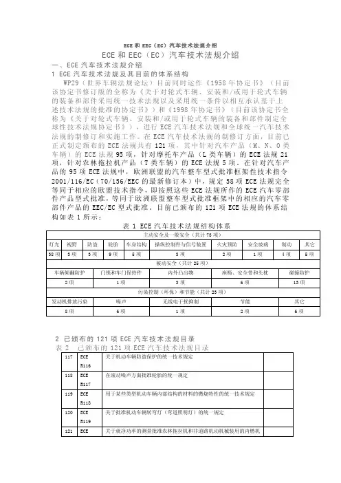
在ECE汽车技术法规的制修订方面,目前已正式制定颁布的ECE法规共有121项,其中针对汽车产品(M、N、O类车辆)的ECE法规95项,针对摩托车产品(L类车辆)的ECE法规21项,针对农林拖拉机产品(T类车辆)的ECE法规5项。
在针对汽车产品的95项ECE法规中,欧洲联盟的汽车整车型式批准框架性技术指令2001/116/EC(70/156/EEC的最新修订本)中,规定58项ECE法规完全等同于相应的欧盟技术指令,即按照这些ECE法规所作的ECE汽车零部件产品型式批准,等同于欧洲联盟整车型式批准框架中的相应的汽车零部件产品的EEC/EC型式批准。
目前已颁布的121项ECE法规的体系结构如表1所示:2 已颁布的121项ECE汽车技术法规目录注:备注栏中“等同EC指令”表示该ECE法规在2001/116/EC中被规定与相应的欧盟技术指令完全等同;“▲”表示该ECE法规为摩托车、轻便摩托车法规项目;“○”表示该ECE法规为农林拖拉机法规项目。
二、EEC(EC)汽车技术法规介绍1、前言欧洲联盟所制定的EEC(EC)技术指令(即欧洲经济共同体技术指令,由原欧洲经济共同体——EEC制定,《马斯特里赫特条约》生效实施后,EEC指令逐渐改称EC指令——欧洲共同体指令)是根据《罗马条约》针对国民经济中各种有关安全、环保、节能的产品而制定的,与联合国欧洲经济委员会的ECE汽车技术法规不同,EEC(EC)技术指令涉及国民经济的各行各业,有关车辆产品的EEC(EC)技术指令只是其中的一部分。
精心整理汽车整车及零部件出口欧洲的认证-欧盟车辆型式认证0首先,介绍一下欧洲汽车技术法规体系:1.欧洲经济委员会汽车技术法规(简称ECE法规)法规制定机构:UN/ECE/WP29(United Nations/EconomicE5—瑞典E6—比利时E7—匈牙利E8—捷克E9—西班牙E10—南斯拉夫E11—英国E12—奥地利E13—卢森堡E14—瑞士E16—挪威E17—芬兰E18—丹麦E19—罗马尼亚E20—波兰E21—葡萄牙E22—俄罗斯E23—希腊E25—克罗地亚E26—斯洛文尼亚E27—斯洛伐克e6—比利时e9—西班牙e11—英国e12—奥地利e13—卢森堡e17—芬兰e18—丹麦e21—葡萄牙e23—希腊e24—爱尔兰汽车整车及零部件出口欧洲时,必须通过欧盟车辆型式认证。
零部件要求:玻璃、安全带、外部灯、喇叭、轮胎、后视镜六类零部件出口英国时,必须通过e-mark认证。
整车要求:以下为检测项目1 Sound Levels噪声等级2 Emissions排放等级12 Interior fittings机动车辆内饰件(除车内后视镜、操纵件、车顶或滑动车顶、座椅靠背及其后部部件以外的乘客舱内部部件)13 Anti-theft and immobiliser防止盗用机动车辆的装置14 Protective steering机动车辆发生碰撞时转向机构的性能15 Seat strength机动车辆座椅及其固定点强度16 Exterior projections机动车辆外部突出物17 Speedometer and reverse gear机动车辆车速表和倒车装置18 Statutory plates机动车辆及其挂车的法定铭牌及其内容,以及名牌安装的位置和方法26 Front fog lamps机动车辆前雾灯及其所用的灯丝灯泡27 Towing hooks机动车辆牵引装置28 Rear fog lamps机动车辆及其挂车后雾灯29 Reversing lamps机动车辆及其挂车倒车灯30 Parking lamps机动车辆驻车灯31 Seat belts (component)安全带部件认证Seat belt installation机动车辆安全带及其约束32 Forward vision机动车辆驾驶员视野33 Identification of controls机动车辆操纵件、信号装置和指示器的识别46 Tyres机动车辆及其挂车轮胎及其安装47 Speed limiters扯动车辆限速装置或类似的车载限速系统48 Masses and dimensions non M1机动车辆及其挂车的尺寸和质量(M1类以外的车辆)49 External projections of cabsN类机动车辆驾驶室后挡板前的外部突出物50 Couplings机动车辆及其挂车的机械联接装置以及这些装置在车辆上的连接51 Flammability某类机动车辆内部结构所用材料的燃烧特性52 Buses and coaches大客车和旅游客车。
ece法规.
ECE法规是联合国欧洲经济委员会颁布的汽车法规,其全称为《关于轮式车辆、可安装和/或使用在轮式车辆上的设备和部件采用统一技术规程以及在此基础上批准的互认条件》,简称“1958年协定书”。
这份协定书是一份具有法律效力的多边框架协定书,目的是在整个欧洲范围内制定统一的技术法规并开展统一的型式批准。
ECE法规由联合国欧洲经济委员会下辖的道路运输委员会车辆结构专家组(WP29)具体负责起草,包括噪声、乘员保护装置、制动和底盘、污染和能源、车辆状况、灯光技术、客车及一般安全等小组。
这些法规对需要认证的机动车及其部件进行认证,并对各国的认证互相承认。
成员国可以根据自己的情况选择采用ECE法规或本国法规,发展历程显示,各缔约国之间开始制定一套统一的机动车法规(ECE法规),对需要认证的机动车及其部件采用这套法规进行认证。
目前ECE已经收录了180项法规,涵盖了汽车、摩托车、拖拉机等车辆类型的各种零部件,其中第136号法规适用于时速超过6km/h的L类车辆,包括电动自行车、电动摩托车等各种两轮/三轮车型。
如需更多信息,可以咨询专业的法律顾问或者查看法律法规网站。
ece 标准解读
ECE标准,全称为联合国欧洲经济委员会汽车法规(Economic Commission for Europe Automotive Regulations),是一套在欧洲范围内被广泛接受并实施的汽车技术法规体系。
该标准由联合国欧洲经济委员会(UNECE)制定和发布,旨在确保汽车及其零部件在设计、生产和使用过程中符合安全和环保等方面的基本要求。
ECE标准涵盖了多个领域,包括车辆结构、制动系统、灯光和信号装置、轮胎和轮辋、座椅和头枕、安全带和儿童约束系统等。
每个领域都有相应的法规和标准,对汽车及其零部件的性能和安全性进行规范。
ECE标准的核心目标是确保汽车在欧洲范围内的自由流通和安全使用。
通过制定统一的法规和标准,可以消除贸易壁垒,促进汽车及零部件的自由贸易,同时提高汽车的安全性和环保性能。
ECE标准采用了严格的测试和认证制度,对汽车及其零部件进行严格的检测和评估。
只有通过ECE认证的车辆和零部件才能在欧洲市场上销售和使用。
这种认证制度确保了汽车及其零部件的质量和可靠性,为消费者提供了更高的安全保障。
此外,ECE标准还注重环保和节能方面的要求。
例如,对于车辆的排放和油耗等方面都有严格的限制和规定,旨在推动汽车工业向更加环保和节能的方向发展。
总之,ECE标准是欧洲范围内广泛实施的一套汽车技术法规
体系,旨在确保汽车及其零部件的安全性和环保性能。
通过严格的测试和认证制度,为消费者提供了更高的安全保障,同时也推动了汽车工业的发展和进步。
欧盟汽车ce认证标准
欧盟的汽车CE认证标准是指符合欧洲经济区(EEA)法规的汽
车产品需要获得CE认证。
CE标志代表符合欧洲联盟的相关法规要求,是指在欧洲市场上销售的产品必须符合CE认证的相关标准。
对
于汽车产品,CE认证标准涉及到诸多方面,包括但不限于安全性能、环保要求、辐射标准等。
在欧盟,汽车CE认证标准主要由欧洲委员会负责制定和管理。
汽车产品必须符合欧盟的相关指令要求,如汽车安全指令
(2007/46/EC)、排放指令(98/69/EC)等。
此外,针对特定类型
的汽车和汽车零部件,还可能需要符合特定的欧盟技术规范和标准,如关于车辆碰撞安全性能、废气排放标准、噪音限制等。
为了获得CE认证,汽车制造商需要进行严格的产品测试和评估,确保其产品符合欧盟法规的要求。
这包括对汽车的设计、制造工艺、材料选用等方面的全面检查。
一旦产品通过认证,就可以在欧盟市
场上销售和流通。
总的来说,欧盟汽车CE认证标准是为了保障汽车产品在欧洲市
场上的安全性、环保性和质量,确保消费者和环境的利益,促进欧
洲经济区内部的贸易和合作。
符合CE认证标准的汽车产品将获得更多的市场准入机会,并获得消费者的信任和认可。
ece法规概述-概述说明以及解释1.引言1.1 概述ECE法规是指在经济合作与发展组织(Economic Cooperation and Development Organization)下制定和执行的一系列车辆安全和环保标准。
这些法规旨在确保汽车制造商在生产过程中遵守一定的技术标准,以保障车辆的安全性、环保性和性能。
ECE法规的内容涵盖了车辆的各个方面,包括座椅安全、碰撞安全、废气排放、照明和标识等。
在国际贸易中,遵守ECE法规对于车辆生产商和销售商来说至关重要。
因为遵守ECE法规可以使他们的产品在国际市场上更具竞争力,也可以提升产品的品质和安全性。
不遵守ECE法规可能会导致产品被禁止在某些国家销售,影响企业的声誉和发展。
本文将详细介绍ECE法规的背景、内容以及实施情况,旨在帮助读者更好地了解和应用这些法规。
同时,本文也将对ECE法规的未来发展进行展望,希望为相关领域的从业者和研究者提供一定的参考和借鉴。
1.2 文章结构文章结构部分包括了以下内容:1. 引言:介绍文章的背景和目的,让读者对ECE法规有一个基本的了解。
2. 正文:分为三个部分,介绍了ECE法规的背景、内容和实施情况。
通过这三个部分,读者可以全面了解ECE法规的相关信息。
3. 结论:对前文进行归纳总结,展望未来ECE法规的发展并得出结论。
让读者能够更好地理解ECE法规的意义和影响。
通过这样的结构,文章内容条理清晰,逻辑严谨,读者可以更好地理解和吸收所传达的信息。
1.3 目的本文旨在对ECE法规进行深入的概述和分析,旨在帮助读者更好地了解ECE法规的背景、内容和实施情况。
通过对ECE法规的详细介绍,读者可以对全球汽车行业的标准化和监管有更全面的了解,以及对未来ECE 法规发展的展望。
同时,本文也旨在引发读者对于汽车行业法规的思考和讨论,促进行业的进步和规范化。
最终,希望本文能够为读者提供有益的信息和见解,促进全球汽车行业的可持续发展。
欧美汽车产品监督管理制度与技术法规体系分析一套完备的汽车产品管理体系必须包括3个部分:完善的监督管理制度、完整的技术法规体系和经认可的检测机构。
其中汽车技术法规体系是汽车产品管理体系的基础,是检测机构对汽车产品进行检验的依据。
汽车技术法规体系构成主要包括两大类:(1)相关法律、法规及行政公告等,(2)依据相关法律制定的涉及安全、环保、节能、防盗等项目的强制性标准、技术要求等。
目前国际上汽车技术法规主要分三大体系:欧洲体系(EEC/EC指令和UN/ECE法规)、美国体系(FMVSS&EPA)和全球技术法规体系(GTR)。
我国现行机动车强制性标准体系主要也是参照UN/ECE法规和欧盟EEC/EC指令建立的。
1 欧美汽车产品管理监督制度经过几十年的发展,欧盟和美国都已经形成了完备的汽车产品管理体系,并由一个或几个政府部门组织实施。
1.1 欧洲汽车产品管理监督制度欧盟实施的是以政府为主体的汽车产品型式批准制度,并对生产厂家的生产一致性进行有效的控制和监督。
欧盟对汽车产品,实施统一的整车产品形式批准制度(WVTA)。
经欧盟成员国内的技术服务机构(如德国的TUV、荷兰的TNO、法国的UTAC、意大利的CPA等)测试确认产品满足有关的EEC/EC指令要求,并满足生产一致性要求,则批准该型式的产品。
由欧盟成员国政府交通部门向生产厂颁发型式批准证书和标志,又称e标志,并通知其他欧盟成员国。
1.2 美国汽车产品管理监督制度美国汽车产品管理监督制度,分为安全节能和环保两部分,分别由联邦运输部的国家公路交通安全局(DOT/NHTSA)和联邦环境保护署(EPA)实施。
安全技术法规的实施采取制造厂自我认证,政府事后监督抽查的管理制度,制造厂自行进行认证试验,符合联邦汽车法规要求的,在每一辆新车上贴符合法规要求的标签,即可上市销售,不再需要其他任何检验。
自我认证试验的频率取决于厂家本身的质量控制水平和产品性能与法规要求之间的差距。
欧盟车辆型式批准相关指令和ECE法规欧盟对用于电动汽车上各种功能的动力电池都有明确的要求,包括法规、指令、标准的要求。
2.1. 机动车型式批准EC指令在2007/46/EC指令中明确了作为启动、点火、辅助动力、主动力电池的电子储能设备要求,规定电池的类型、工作条件都应该与其功能和电动汽车实际使用条件相匹配,尤其是电池的充电条件,充电电路应具备对电池的监测和控制功能。
2.2. ECE R100在UNECE制定的Regulation No. 100(简称ECE R100)中特别强调了储能系统的电池安全要求,尤其是R100的5.2条针对储能系统的过流保护,明确要求安装有保护装置,如保险管、熔断器或电流保护器。
R100法规中的附录6(Annex 6)第3节则规定储能系统的电池特性要求,主要包括:电池商标、电池类型(镍氢、镍镉、锂电电池等)、标称电压、电芯数量、气体产生百分量、电池模块/电池包的排气措施、电池应采取的冷却方式(需要时)、电池容量。
附录6第4节针对燃料电池的商标、类型、标称电压、电芯数量、电池需要采取的冷却方式(需要时)、最大功率提出要求。
此外,ECE R100的附录7中明确了燃料电池在使用过程中的氢泄漏测试方法和排放气体累计量要求。
中文翻译详见附件1.2.3. 2000/53/EC(ELV指令)自1990 年开始,欧洲的车厂已开始强调在汽车中使用可回收的材质及零组件的再利用,1996 年,欧盟开始讨论废弃汽车指令的建立,2000 年9 月18 号欧盟通过2000/53/EC《关于废弃汽车的技术指令》(即ELV指令)。
ELV 指令的目标在于建立收集、处理、再利用的机制,鼓励将废弃汽车的部件重复利用,减少汽车产品对环境的破坏,并致力于环境保护、资源保护、以及能源节约。
ELV指令的内容涉及汽车产品的设计、生产、材料、标识、有害物质的禁用期限、分类回收体系的建立等。
2000/53/EC 指令的第4 条第(2) (a)款规定,各成员国应确保在2003 年7 月1 日之后投放市场的汽车的所有材料和组件,不含铅、汞、镉或六价铬,并要求废弃汽车中的电池也必须回收,这个指令同时适用于使用汽车用铅酸蓄电池和镍镉电池的电动车辆。
欧盟汽车标准法规体系(ECE)欧盟体系欧盟汽车标准法规体系(ECE)东方君泰序号标准号名称页数原文修订情况修订本4、修订本4-修正本1、1ECE R1关于批准发射不对称近光和/或远光并装有R2/或HS1类灯丝灯泡的机动车前照灯的统一规定电子修订本4-修正本2、修订本4-修正本3、修订本4-修正本4、修订本4-修正本52ECE R2关于批准发射不对称近光和/或远光的前照灯用白炽电灯泡的统一规定1643ECE R3关于批准机动车辆及其挂车回复反射装置的统一规定电子电子修订本2、修订本2-修正本1、修订本2-修正本2、修订本2-修正本3、修订本2-修正本1-斟误本1关于批准机动车辆(摩托车除外)及其挂车后牌照板照明装置的统一规定修订本1、修订本1-修正本1、电子修订本1-修正本2、修订本1-修正本3修订本3、修订本3-斟误本1、75电子修订本3-修正本1、修订本3-修正本2、46电子修订本3、修订本3-修正本1修订本3、修订本3-修正本1、修订本3-修正本2、4 ECE R45 ECE R5关于批准发射欧洲型不对称近光和/或远光机动车封闭式前照灯(SB) 的统一规定关于批准机动车及其挂车转向指示器的统一规定关于批准机动车(不含摩托车)及其挂车前后位置(侧边)灯、制动灯和示廓灯的统一规定关于批准发射不对称近光和/或远光并装有卤素6 ECE R67 ECE R7 电子8 ECE R8灯丝灯泡(H1、H2、H3、 HB3、HB4、H7、H8、H9、HIR1、HIR2和/或H11)的机动车前照灯的统一规定68 电子修订本4-斟误本1、修订本49 ECE R9关于就噪声方面批准L2、L4和L5类车辆的统一规定48 电子修订本2、修订本2-斟误本1、修订本2-修正本1修订本1、修订本1-斟误本1、修订本1修正本1修订本3、修订本3-斟误本1、10 关于就电磁兼容性方面批准车辆的统一规定关于就门锁和车门保持件方面批准车辆的统一规定关于就碰撞中防止转向机构伤害驾驶员方面批准车辆的统一规定98 电子11 ECE R11 25 电子12 65 电子修订本3-修正本1、修订本3-修正本2、修订本3-修正本3、致力于成为中国机械和汽车翻译的首选品牌电话:(8610)67668899 传真:(8610)67668899-801/802地址:北京市丰台区顺三条21号嘉业大厦1号楼12B09 邮编:100071修订本4、修订本4-斟误本1、修订本4-修正本1、修订本4-13关于就制动方面批准M 类、N类和O 类车辆的统一规定修正本1-斟误本1、修订本4-308电子修正本1-斟误本2、修订本4-修正本2、修订本4-修正本2-斟误本1、修订本4-修正本2-斟误本2、修订本4-修正本314 15ECE关于就制动方面批准乘用车的统一规定(欧美日94 53电子电子斟误本2、斟误本3、修正本1、修正本2修订本3、修订本3-修正本1R13--H 协调版)关于就安全带固定点方面批准车辆的统一规定关于就发动机气体污染物排放方面批准装有点16 火式发动机或压燃式发动机的车辆的统一规定--点火式发动机的功率测量方法---车辆的油耗测量方法关于:1批准机动车成年乘客用安全带和约束系统;2批准装用安全带的车辆的统一规定关于就座椅、座椅固定点和头枕方面批准车辆的统一规定电子修订本4、修订本4-修正本1、108电子修订本4-修正本2、修订本4-修正本3、修订本4-修正本458 36电子电子修订本4 修订本2修订本3、修订本3-修正本1、17 18 19ECE R17关于就防盗方面批准机动车的统一规定20 关于批准机动车前雾灯的统一规定 56 电子修订本3-修正本2、修订本3-修正本3、修订本3-修正本4、21 关于批准发射非对称近光和/或远光并装有卤素灯丝灯泡(H4)的机动车前照灯的统一规定修订本2、修订本2-修正本1、77电子修订本2-修正本2、修订本2-修正本3、修订本2-修正本4修订本2、修订本2-斟误本1、22 关于就内饰件方面批准车辆的统一规定 79 电子修订本2-修正本2、修订本2-修正本1、23 关于批准摩托车轻便摩托车驾驶员及乘客用头盔和面罩的统一规定关于批准机动车辆及其挂车的倒车灯的统一规定关于1.就可见污染物排放方面批准压燃式(C.I)发动机; 2.就已获得型式批准的C.I.发动机的110 电子24 27 电子修订本225 安装方面批准机动车; 3. 就发动机可见污染物排放方面批准装用C.I.发动机的车辆; 4 .C.I.发动机的功率测量的统一规定关于批准与车辆座椅一体或非一体的头枕的统一规定69 电子修订本2、修订本2-修正本1修订本1、修订本1-斟误本1、49电子修订本1-修正本1、修订本1-修正本242电子修正本1、修正本2、修正本3、斟误本126 27 关于就外部凸出物方面批准车辆的统一规定致力于成为中国机械和汽车翻译的首选品牌电话:(8610)67668899 传真:(8610)67668899-801/802地址:北京市丰台区顺三条21号嘉业大厦1号楼12B09 邮编:10007128 29ECE R27 关于批准提前三角警告牌的统一规定关于就声响信号方面批准声报警装置和机动车辆的统一规定关于就商用车辆驾驶室乘员防护方面批准车辆的统一规定39 35电子电子修订本1修正本1、修正本2、修正本3、30 33 电子修订本1、修订本1-修正本1修订本2、修订本2-修正本1、31 ECE R30 关于批准机动车及其挂车气压轮胎的统一规定 43 电子修订本2-修正本2、修订本2-修正本3、修订本2-修正本3-斟误本132 ECE R31关于批准发射非对称近光和/或远光的卤素封闭式(HSB)机动车前照灯的统一规定关于就追尾碰撞中被撞车辆的结构特性方面批准车辆的统一规定关于就正面冲撞中被撞的结构特性方面批准车辆的统一规定修订本1、修订本1-斟误本1、70电子修订本1-修正本1、修订本1-修正本2、 28电子修订本133 34 35 36 3730 35 28 80电子电子电子电子修订本1、修订本1-修正本1修订本1、修订本1-修正本修订本1、修订本1-斟误本修订本2、修订本2-修正本1修订本3、修订本3--斟误本1、关于就火灾预防方面批准车辆的统一规定 ECE R35关于就脚控制件的布置方面批准车辆的统一规定ECE R36 关于就一般结构方面批准大型客车的统一规定关于批准用于已经批准的机动车和挂车灯具中的白炽灯的统一规定38 180 电子修订本3-修正本1、修订本3-修正本2修订本1-修正本1、修订本1-39 ECE R38 关于批准机动车和挂车后雾灯的统一规定 8 电子修正本1、修订本1-修正本2、修订本1-修正本340 关于就车速表及其安装方面批准车辆的统一规定关于就发动机气体污染物的排放方面批准装有点火式发动机的摩托车的统一规定14 电子修订本141 42 4357 49 17电子电子电子斟误本1修订本1、修订本1-修正本1、修订本1-修正本1-斟误本1、关于就噪声方面批准摩托车的统一规定关于就车辆前、后保护装置(保险杠等)批准车辆的统一规定44 关于批准安全玻璃材料的统一规定 218 电子修订本1-修正本2、修订本1-修正本3、修订本1-修正本3-斟误本145 关于批准机动车儿童乘客约束装置(儿童约束系统)的统一规定修订本1、修订本1-修正本1、164电子修订本1-修正本2、修订本1-修正本3致力于成为中国机械和汽车翻译的首选品牌电话:(8610)67668899 传真:(8610)67668899-801/802地址:北京市丰台区顺三条21号嘉业大厦1号楼12B09 邮编:10007146关于就前照灯清洗器方面批准机动车辆和批准前照灯清洗器的统一规定关于批准后视镜和就后视镜的安装方面批准机动车辆的统一规定关于就发动机的气体污染物排放方面批准装有点火发动机的轻便摩托车的统一规定关于就灯光和光信号装置的安装方面批准车辆的统一规定关于就发动机污染物排放方面批准压燃式发动50天然气发动机和燃用液化石油气的点燃式发机、动机以及装有这些发动机的车辆的统一规定关于批准轻便摩托车、摩托车及其类似车辆前后51ECE R50 位置灯、制动灯、转向信号灯和后牌照板照明装置的统一规定关于就噪声排放方面批准四轮及四轮以上机动车的统一规定关于就一般结构方面批准小型公共运输车辆(M2、M3)的统一规定关于就灯光及光信号装置的安装方面批准L3类车辆(摩托车)的统一规定关于批准商用车辆及其挂车气压轮胎的统一规定修订本1、修订本1-修正本1-59电子斟误本1、修订本1-修正本1、修订本1-斟误本167电子修订本238电子309电子修订本1、修订本1-斟误本1、35电子修订本1-修正本1、修订本1-修正本2、修订本1-修正本3 78电子修订本1、修订本1-修正本1、修订本1-修正本2修订本2、修订本2-斟误本3、96电子修订本2-修正本1、修订本2-修正本2、修订本2-修正本3修订本3、修订本3-修正本1、修订本3-修正本247 48 50 电子49 52 53 ECE R5254 37 电子修订本1、修订本1-修正本1、55 54 电子修订本1-修正本2、修订本1-修正本3、修订本1-修正本456 57关于批准汽车列车机械联结件的统一规定关于批准轻便摩托车以及类似车辆前照灯的统一规定关于批准摩托车以及类似车辆前照灯的统一规定关于1.批准后下部防护装置; 2.就已批准的后84 39电子电子修订本1、修订本1-斟误本158 53 电子59 3.就后下ECE R58 下部防护装置的安装方面批准车辆;部防护装置方面批准车辆的统一规定128 电子修正本160 关于批准备用消声系统的统一规定关于就驾驶员操纵的控制件,包括控制件、信号30 电子修正本1、修正本2、61 装置和指示器的识别方面批准两轮摩托车的统一规定33 电子62 关于就驾驶室后挡板之前的外部凸出物方面批准商用车的统一规定关于就防盗方面批准带有操纵把的机动车的统一规定22 电子——63 16 电子修订本1-修正本1、修正本1、致力于成为中国机械和汽车翻译的首选品牌电话:(8610)67668899 传真:(8610)67668899-801/802地址:北京市丰台区顺三条21号嘉业大厦1号楼12B09 邮编:10007164关于就噪声方面批准两轮轻便摩托车的统一规定关于批准装有应急备用车轮/轮胎的车辆的统一规定47电子65 66 6717 40 34电子电子电子修正本1修正本1、修正本2、修正本3、修正本1关于批准机动车特别警告灯的统一规定 ECE R66关于就上部结构强度方面批准大型客车的统一规定关于:1批准在其驱动系统中使用液化石油气的68 机动车辆特殊装置;2 在这一装置的安装方面批准装用使其驱动系统使用液化石油气的特殊装置的车辆的统一规定修订本1、修订本1-斟误本1、180电子修订本1-斟误本2、修订本1-修正本1、修订本1-修正本269 关于就最大车速的测量方面批准包括纯电动车辆在内的机动车的统一规定关于批准低速车辆及其挂车后标志牌的统一规定23 电子修正本170 71 7250 70 17电子电子电子修正本1、修正本2、修正本3修正本1、修正本2、修正本3关于批准重,长型车辆后标志牌的统一规定关于就驾驶员视野方面批准农用拖拉机的统一规定关于批准发射非对称近光和远光并装有卤素灯(HS1灯)的摩托车前大灯统一规定关于就侧防护方面批准货车、挂车和半挂车的统一规定关于就灯光和光信号装置方面批准L1类车辆的统一规定关于批准摩托车和轻便摩托车气压轮胎的统一规定关于批准发射远光和近光的轻便摩托车前照灯的统一规定73 59 电子74 17 电子——75 ECE R74 38 电子76 56 电子77 21 电子修订本1、修订本1-修正本1、修订本1-修正本2修订本1、修订本1-修正本1、78 79关于批准机动车驻车灯的统一规定 ECE R78 关于就制动方面批准L 类车辆的统一规定31 57电子电子80 关于就转向装置方面批准车辆的统一规定 30 电子修订本1-修正本2、修订本1-修正本381 关于就座椅及其固定点方面批准大型客车座椅和车辆的统一规定关于就车把上后视镜的安装方面批准后视镜及带与不带边斗的二轮机动车的统一规定关于批准装有卤素灯丝灯泡(HS2)的轻便摩托车前照灯的统一规定75 电子修正本1、修正本2、修正本382 42 电子83 20 电子致力于成为中国机械和汽车翻译的首选品牌电话:(8610)67668899 传真:(8610)67668899-801/802地址:北京市丰台区顺三条21号嘉业大厦1号楼12B09 邮编:100071修订本1、修订本1-斟误本1、修订本1-修正本1、修订本1-84关于根据发动机燃油要求就污染物排放方面批准车辆的统一规定修正本2、修订本1-修正本3、494电子修订本1-修正本4、修订本1-修正本3-斟误本1、修订本2、修订本2-修正本1、修订本2-斟误本185关于就油耗测量方面批准装有内燃机的机动车的统一规定关于就净功率和最大30分钟电传动系功率的测86量方面批准用于驱动M 和N 类机动车辆的内燃机或电传动系的统一规定87 88 89关于就灯光和光信号装置的安装方面批准农林拖拉机的统一规定 53 29 24电子电子电子修订本156电子修正本1、修正本264电子——换向批准机动车白天行车灯的统一规定关于批准摩托车反光轮胎的统一规定关于1.就最高车速限制或其可调车速限制功能方面批准车辆; 2.就已批准型式的最高车速限90 制装置或可调车速限制装置的安装方面批准车辆; 3.批准车速限制装置或可调车速限制装置的统一规定49 电子修正本191 关于批准机动车辆及其挂车用可更替制动衬片总成和鼓式制动器衬片的统一规定41 电子修订本1、修订本1-修正本1修正本1、修正本2、修正本3、修正本4、92 关于批准机动车及其挂车侧标志灯的统一规定关于批准摩托车、轻便摩托车和三轮车辆非原装可更换排气消声系统的统一规定关于1.批准前下部防护装置; 2.就已批准型式42 电子93 27 电子94 3.就的前下部防护装置的安装方面批准车辆;前下部防护方面批准车辆的统一规定关于就前碰撞中乘员防护方面批准车辆的统一规定关于就侧碰撞中乘员防护方面批准车辆的统一规定关于就发动机污染物排放方面批准农林拖拉机30 电子——修正本1、修正本2、修正本101电子2-斟误本1、修正本3、修正本496电子修正本1、修正本2、修正本3、斟误本1、95 96 97 和非道路机动机械装用的压燃式发动机的统一规定关于批准车辆报警系统和就报警系统方面批准机动车辆的统一规定关于批准装用气体放电光源的机动车前照灯的统一规定131 电子修正本5、修正本1-斟误本1、84电子修正本1、修正本2、修正本3、修正本4-斟误本1、修正本474电子修正本1、修正本298 99致力于成为中国机械和汽车翻译的首选品牌电话:(8610)67668899 传真:(8610)67668899-801/802地址:北京市丰台区顺三条21号嘉业大厦1号楼12B09 邮编:100071100ECE R100 ECE R101 ECE R102 ECE R103 ECE R104 ECE R105 ECE R106 ECE R107 ECE R108 ECE R109关于批准用于已获得型式批准的机动车气体放电灯具的气体放电光源的统一规定关于就结构、功能安全性和氢排放的特殊要求方面批准蓄电池电动车辆的统一规定关于就CO2排放和油耗的测量方面批准装用内燃机的乘用车和就电能消耗量和范围的测量方面批准装用电传动系的M1和N1类车辆的统一规定关于1.批准紧耦合装置;2.就已批准的紧耦合装置的安装方面批准车辆的统一规定。