建筑物超高费计算案例_措施项目案例
- 格式:doc
- 大小:354.50 KB
- 文档页数:14
第1篇一、计算方法1. 超高施工人工、机械降效费根据《建筑工程施工质量验收统一标准》规定,建筑物檐高超过20m时,工程量清单编制人应考虑在分部分项工程量清单中增加建筑物超高施工增加费用项目。
超高施工人工、机械降效费的计算基数范围为建筑物首层室内地坪以上的全部工程项目,但不包括垂直运输、各项脚手架、各类构件制作和水平运输项目。
人工降效增加费的计算方法为:按规定内容中的全部人工费乘以相应子目人工费含量计算。
2. 加压水泵台班费建筑物施工用水加压增加的水泵台班,按自然室外地坪以上的建筑面积以计算。
3. 其他相关费用其他相关费用包括超高施工材料费、超高施工安全文明施工费等,具体费用根据实际情况确定。
二、注意事项1. 超高施工增加费的计算应以实际施工情况为依据,确保费用合理。
2. 超高施工增加费的计算应充分考虑施工安全、环保等因素,确保施工质量。
3. 超高施工增加费的计算应遵循相关法律法规和行业标准,确保费用合规。
4. 在施工过程中,如遇到特殊情况导致超高施工增加费发生变动,应及时调整费用。
5. 施工单位与建设单位应就超高施工增加费的计算、调整等问题进行协商,确保双方权益。
三、案例分析某建筑物檐高为25m,工程量清单编制人根据相关规定,在分部分项工程量清单中增加了建筑物超高施工增加费用项目。
经计算,超高施工人工、机械降效费为50万元,加压水泵台班费为10万元,其他相关费用为5万元。
因此,该建筑物的超高施工增加费总计65万元。
总之,工程超高施工增加费是建筑工程中不可或缺的一部分,施工单位和建设单位应充分了解其计算方法和注意事项,确保工程顺利进行。
第2篇一、工程超高施工增加费的计算依据1. 建筑物檐高:建筑物檐高是计算超高施工增加费的重要依据。
根据相关规定,建筑物檐高超过20m时,工程量清单编制人应在分部分项工程量清单中增加建筑物超高施工增加费用项目。
2. 超高施工人工、机械降效:超高施工过程中,由于楼层高度增加,人工、机械的效率降低,消耗量增加。
超高计算示例超高值的计算路拱横坡度为2%,土路肩横坡度为3%。
根据设计规范,由于圆曲线横坡为4%,故圆曲线路段内、外侧硬路肩的超高横坡度为4%;圆曲线路段内侧土路肩的超高横坡度为4%,外侧土路肩作成3%的反坡。
计算各桩号处超高值:b j1j2b B 1b b 1Bb j2j1b 图5.1 超高计算点位置图图中: B —行车道宽度;1b —内侧路缘带; 2b —外侧路缘带; 1j b —硬路肩宽度; 2j b —土路肩宽度;g i —路拱横坡度; ji —土路肩横坡度; ci —超高横坡度。
3、计算示例计算全超高段(从HY -QZ -YH )的全超高值JD2处:(1)内侧行车道的土路肩外侧(A 点)的超高值为:mi b i b B b j j j 63.0)04.0(75.0)04.0()325.1175.0()(2c 11-=-⨯+-⨯++=⨯+⨯++】(2)内侧行车道的硬路肩外侧(C 点)的超高值为:mi b B b j 60.0)04.0()0.325.1175.0()(c 11-=-⨯++=⨯++(3)内侧行车道外侧边缘的超高值为:m i B b 48.0)04.0()25.1175.0()(c 1-=-⨯+=⨯+ (4)外侧行车道外侧边缘的超高值为:m i B b 48.004.0)25.1175.0()(c 1=⨯+=⨯+ (5)外侧行车道的硬路肩外侧(C 点)的超高值为:m i b B b j 60.004.0)0.325.1175.0()(c 11=⨯++=⨯++(6)外侧行车道的土路肩外侧(A 点)的超高值为:m i b i b B b j j j 58.0)03.0(75.004.0)325.1175.0()(2c 11=-⨯+⨯++=⨯+⨯++计算超高缓和段(K2+211.433-HY 及YH-K3+044.593)内各桩不同位置的超高值对JD2:m000.12018002.004.002.02i i 2i x c gc g 0=⨯+⨯=+=L 计算超高缓和段起点K2+211.433和终点K3+026.593的超高m 000.120x 0x 0=<=(1)外侧行车道土路肩外侧(A 点)的超高值为:m32.0-18002.004.00325.1175.0)03.0(75.0)02.0()325.1175.0(i i x )b b ()(gc j11211=+⨯⨯+++-⨯+-⨯++=+++++++)()()(Cj j g j L B i b i b B b(2)外侧行车道硬路肩外侧(C 点)的超高值:m30.0-18002.004.00325.1175.0)02.0()325.1175.0(i i x )b b ()(gc j1111=+⨯⨯+++-⨯++=++++++)()()(Cg j L B i b B b(3)外侧行车道外侧的超高值:m24.0-18002.004.0025.1175.0)02.0()25.1175.0(i i x )b ()(gc 11=+⨯⨯++-⨯+=++++)()()(Cg L B i B b计算K2+340处断面各点的超高m 000.120x 128.567m 211.433)(K2-340)K2(x 0=>=++=(1)计算外侧行车道土路肩外侧(A 点)的超高值:m32.018002.004.0567.12815)03.0(75.0)02.0()325.1175.0(i i x )b b ()(gc j11211=+⨯⨯+-⨯+-⨯++=+++++++)()(Cj j g j L B i b i b B b (2)(2)计算外侧行车道硬路肩外侧(C 点)的超高值:m34.018002.004.0567.128325.1175.0)02.0()325.1175.0(i i x )b b ()(gc j1111=+⨯⨯+++-⨯++=++++++)()()(Cg j L B i b B b(3)计算外侧行车道边外侧缘超高值:m27.018002.004.0567.12825.1175.0)02.0()25.1175.0(i i x )b ()(gc 11=+⨯⨯++-⨯+=++++)()()(Cg L B i B b(4)计算内侧行车道外侧边缘超高:m27.018002.004.0120567.12825.1175.0-)02.0()25.1175.0(i i x )b ()(gc 11-=+⨯-⨯+-⨯+=++-+)()()()(Cg L B i B b(5)计算内侧行车道硬路肩外侧(C 点)的超高值:m34.018002.004.0567.8325.1175.0)02.0()325.1175.0(i i x )b b ()(gc j1111-=+⨯⨯++--⨯++=+++-++)()()(Cg j L B i b B b(6) 计算外侧行车道土路肩外侧(A 点)的超高值:m36.018002.004.0567.815)03.0(75.0)02.0()325.1175.0(i i x )b b ()(gc j11211-=+⨯⨯--⨯+-⨯++=+++-+++)()(Cj j g j L B i b i b B b同理可计算其他位置超高值,具体数值见路基设计表。
超高施工增加费、施工技术措施费清单计价实例马光鸿一、建筑物超高施工增加费:当建筑物檐高超过20m时,工程量清单编制人应考虑在分部分项工程量清单中增加建筑物超高施工增加费用项目。
超高施工增加费在计价时,应考虑计算超高施工人工降效、机械降效和超高施工加压水泵台班及其他费用。
超高施工人工、机械降效的计算基数范围:建筑物首层室内地坪以上的全部工程项目,但不包括垂直运输、各项脚手架、各类构件(预制混凝土及金属构件)制作和水平运输项目。
人工降效增加费按规定内容中的全部人工费乘以相应子目人工费含量计算。
机械降效增加费按规定内容中的全部机械费乘以相应子目机械费含量计算。
建筑物有高低时,应根据不同高度建筑面积占总建筑面积的比例分别计算不同高度的人工费及机械费。
超高施工加压水泵和其他费用按层高3.6m以内考虑,如层高超过3.6m,按每增加1m相应定额计算,超高不足1m的,按每增加1m相应定额的比例调整。
例1:某综合楼各层及檐高如图1所示, A、B单元各层建筑面积如左表所示。
超高施工增加费项目清单如下表所列。
假设人工、材料、机械台班的价格与定额取定价相同;经分析计算该单位工程(包括地下室)扣除垂直运输、脚手架、构件制作和水平运输后的人工费为240万元,机械费为150万元;企业管理费、利润分别按人工费加机械费的15%和10%计取,风险费按工料机费的5%计取,试编制该工程超高施工增加费项目清单,并计算超高施工增加费用。
图1解:A单元檐高19.85m<20m,不计算超高施工增加费。
B单元檐高36.45m>20m,应计算超高施工增加费,超高部分(B单元)的首层及以上超高建筑面积=11620-1200=10420m2。
清单中应描述超高部分的建筑面积和其中各种层高的建筑面积。
现编制清单如下表:建筑物超高施工增加费根据题意列出有关超高施工增加费的计算基数:超高面积占建筑物总面积的比例=10420÷(4000+11620)=0.6671 ∴ 人工费=240×0.6671=160.1040万元,机械费=150×0.6671=100.0650万元。
方法一:根据 路基设计表求 缓和段起点桩号(升坡说明:任意取的两点桩号差越大越接近真实值。
注:求得的起、终点桩号只是满足缓和段变化的最小桩号(或最大桩号),故此桩号不一定
L C有些图纸中直接取附近的整数,不一定是5的整数倍
L C有些图纸中直接取附近的整数,不一定是5的整数倍
L C有些图纸中直接取附近的整数,不一定是5的整数倍
方法二:根据 图纸变坡平面图 缓和段起点桩号(升说明:任意取的两点桩号差越大越接近真实值。
L C有些图纸中直接取附近的整数,不一定是5的整数倍
段起点桩号(升坡)
不一定等于图纸中的起点或终点桩号。
,不一定是5的整数倍
,不一定是5的整数倍
,不一定是5的整数倍
和段起点桩号(升坡)
,不一定是5的整数倍。
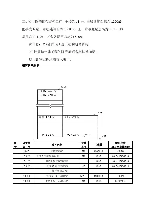
三、如下图某框架结构工程:主楼为19层,每层建筑面积为1200m2;附楼为6层,每层建筑面积1600m2。
主、附楼底层层高为5.0m,19层层高为4.0m;其余各层层高均为3.0m。
试计算:(1)计算该土建工程的超高费用。
(2)计算该土建工程的脚手架超高材料增加费。
以上计算过程均需填入表中。
超高费项目表计量[例6.37]如图6.3.2 某楼主楼为19层,每层建筑面积为1000m2,附楼为6层,每层建筑面积为1500 m2,主附楼底层层高均为5m,其余各层层高均为3m,计算该楼的超高费。
图6.3.2[相关知识]:(1)超过20m部分的计算超高费。
(2)建筑物檐高高度超过20m,但其最高一层或其中一层楼面未超过20m,则该楼面在20m以上部分仅能计算每增高1m的层高超高费。
(3)有2个不同檐口高度时,分别按不同高度竖向切面的建筑面积套用。
解:(1)工程量计算如下:①计算楼面20m以上各层建筑面积1000×13 =13000 m2②计算搂面20m以下第六层建筑面积,上层楼面20.30m,仅计算每增高1M的增加费(0.3m)③计算楼面20m以下且屋面20.3m,顶层建筑面积1500 m2(已知)(2)套建筑与装饰工程计价表①套子目18—4换,单价计算说明:三类工程换算为一类工程综合单价:(13.65+0.54+7.74)+(13.65+7.74)×(35%+12%)=31.98(元/ m2)13000×31.98 =415740(元)②套子目18—4换×20%×0.3按相应定额的20%计算增高高度0.3m综合单价:31.98×20%×0.3=1.92(元/ m2)1000×1.92元/ m2=1920(元)③套子目18—1换×20%×0.3单价换算说明:a.三类工程换算为一类工程b.每增高1m按相应定额的20%计算c.增高高度0.3m按比例调整综合单价:[(5.46+0.54+3.39)+(5.46+3.93)×(35%+12%)] ×20%×0.3=0.83(元/ m2 )1500 m2×0.83 =1245(元)3、该楼的总超高费用:415740+1920+1245=418905(元)[例6.38]某多层民用建筑的檐口高度25m,共6层,室内外高差0.3m,第一层层高4.7m,第二至六层高4.0m,每层建筑面积500 m2,计算超高费用。
100M/120M/140M/160M超高增加费(消耗量)一、100M超高增加费估算如下:1、估算假设总层数:100/3=33层(地上);平均每层面积约867M2;工程总造价约:867*33*1300=3720万元,其中材料费用占60%,人工和机械费用占40%2、计算过程人工和机械降效综合消耗量:=(867*7层*0元/万元+867*7层*500元/万元+867*7层*600元/万元+867*7层*900元/万元+867*5层*1200元/万元)/(867*33)=606.06元/万元=6.06%;人工和机械降效费用=6.06%*(3720万元*40%(人工和机械合计)-3720*2%(脚手架费用))=85.66万元*(1+50%取费)=128.49万元每平米指标=128.49万元/(867*33)=44.90元/M2二、120M超高增加费估算如下:1、估算假设总层数:120/3=40层(地上);平均每层面积约867M2;工程总造价约:867*40*1300=4508万元,其中材料费用占60%,人工和机械费用占40%2、计算过程人工和机械降效综合消耗量:=(867*7层*0元/万元+867*7层*500元/万元+867*7层*600元/万元+867*7层*900元/万元+867*7层*1200元/万元+867*5层*1500元/万元)/(867*40)=747.50元/万元=7.48%;人工和机械降效费用=7.48%*(4508万元*40%(人工和机械合计)-4508*2%(脚手架费用))=128.14万元*(1+50%取费)=192.21万元每平米指标=192.21万元/(867*40)=55.42元/M2三、140M超高增加费估算如下:1、估算假设总层数:140/3=47层(地上);平均每层面积约867M2;工程总造价约:867*47*1300=5300万元,其中材料费用占60%,人工和机械费用占40%2、计算过程人工和机械降效综合消耗量:=(867*7层*0元/万元+867*7层*500元/万元+867*7层*600元/万元+867*7层*900元/万元+867*7层*1200元/万元+867*5层*1500元/万元+867*7层*1800元/万元)/(867*47)=904.26元/万元=9.04%;人工和机械降效费用=9.04%*(5300万元*40%(人工和机械合计)-5300*2%(脚手架费用))=182.07万元*(1+50%取费)=273.11万元每平米指标=273.11万元/(867*47)=67.02元/M2四、160M超高增加费估算如下:1、估算假设总层数:160/3=53层(地上);平均每层面积约867M2;工程总造价约:867*53*1300=5980万元,其中材料费用占60%,人工和机械费用占40%2、计算过程人工和机械降效综合消耗量:=(867*7层*0元/万元+867*7层*500元/万元+867*7层*600元/万元+867*7层*900元/万元+867*7层*1200元/万元+867*5层*1500元/万元+867*13层*1800元/万元)/(867*53)=1005.66元/万元=10.06%;人工和机械降效费用=10.06%*(5980万元*40%(人工和机械合计)-5980*2%(脚手架费用))=228.60万元*(1+50%取费)=342.90万元每平米指标=342.90万元/(867*53)=74.62元/M2五、超高费用对比一览表。
建筑工程造价超预算的原因与控制策略——以黄浦江沿岸E10单元E04–4地块项目为例摘要:在建筑行业里面,工程造价占据了特别大的部分,如果做好了工程造价该项工作,这对于把控施工质量、增加经济收益有很大的作用。
在工程造价的过程当中,超预算的情况时有发生,造成这样的结果是由很多原因导致的。
为了能够让建筑的质量更好,效益最大化,必须合理控制工程造价,这样才能让施工单位的投标方案更可行与稳定,有利于后续招标方和投标方合作顺利,最终实现双赢。
关键词:建筑工程;工程;造价;超预算引言随着城市化水平提升,建筑业开始井喷式的发展,这种井喷式的发展必然会带来一些隐患,而其中在工程造价这一方面就存在一些不小的问题,这些问题都直接影响到了建筑的经济效益和安全。
因此针对于工程造价这一方面,必须要重视起来,研究与分析是那些原因造成了工程造价超预算,并且从各个阶段深入把控工程造价,在保证建筑项目达到收益最大化的同时,提升建筑项目的质量水平。
1.工程概况受某公司委托,我司对黄浦江沿岸E10单元E04–4地块项目实施全过程财务监理。
该地块的范围颇广,其东南西北分别到达了源深北路、昌邑路、E04-2地块、滨江大道。
用地面积14147.5平方米,地面建筑由二栋50米高办公楼、一栋80米高办公楼、一栋社区文化楼组成。
总建筑面积81129m2,地上建筑面积58338m2,地下建筑面积22791m2,地下二层。
为控制各类合同价款的支付,投资监理自进驻现场后,即开始建立本项目合同台账,综合反映合同签约情况,对该建筑工程造价预算等进行财务监理。
2.建筑工程造价预算的重要性2.1实现各项资源合理配置当前我们社会不断往前发展,建筑行业自然也在发展队伍之中,且发展速度逐渐加快,相关的建筑工程数量也呈现了爆发式的增长,有关建筑行业的项目大多都是大规模的工程,工艺都很复杂。
由于有了这些特征,导致了在采取分项项目施工的时候,投入的人力物力,财力都各不相同,如果能够采用实时造价控制合理控制预算,便可以从宏观角度来对于各个资源进行合理把控,从而更好的让资源得到利用,避免了资源出现浪费的情况,这对于公司而言能够降低成本,提高经济效益。
超高施工增加费、施工技术措施费清单计价实例一、建筑物超高施工增加费:当建筑物檐高超过20m时,工程量清单编制人应考虑在分部分项工程量清单中增加建筑物超高施工增加费用项目。
超高施工增加费在计价时,应考虑计算超高施工人工降效、机械降效和超高施工加压水泵台班及其他费用。
超高施工人工、机械降效的计算基数范围:建筑物首层室内地坪以上的全部工程项目,但不包括垂直运输、各项脚手架、各类构件(预制混凝土及金属构件)制作和水平运输项目。
人工降效增加费按规定内容中的全部人工费乘以相应子目人工费含量计算。
机械降效增加费按规定内容中的全部机械费乘以相应子目机械费含量计算。
建筑物有高低时,应根据不同高度建筑面积占总建筑面积的比例分别计算不同高度的人工费及机械费。
超高施工加压水泵和其他费用按层高3.6m以内考虑,如层高超过3.6m,按每增加1m 相应定额计算,超高不足1m的,按每增加1m相应定额的比例调整。
例1:某综合楼各层及檐高如图1所示, A、B单元各层建筑面积如左表所示。
超高施工增加费项目清单如下表所列。
假设人工、材料、机械台班的价格与定额取定价相同;经分析计算该单位工程(包括地下室)扣除垂直运输、脚手架、构件制作和水平运输后的人工费为240万元,机械费为150万元;企业管理费、利润分别按人工费加机械费的15%和10%计取,风险费按工料机费的5%计取,试编制该工程超高施工增加费项目清单,并计算超高工增加费用。
图1解:A 单元檐高19.85m <20m ,不计算超高施工增加费。
B 单元檐高36.45m >20m ,应计算超高施工增加费,超高部分(B 单元)的首层及以上超高建筑面积=11620-1200=10420m 2。
清单中应描述超高部分的建筑面积和其中各种层高的建筑面积。
现编制清单如下表:建筑物超高施工增加费层数 A 单元B 单元层数 层高 建筑面积 (m 2)层数 层高 建筑面积(m 2) 地下室 1 3.4 800 1 3.4 1200 首层 1 8 800 1 4 1200 二层 1 4.5 800 1 4 1200 标准层 1 3.6 800 7 3.6 7000 顶层 1 3.6 800 1 5 1000 屋顶 1 3.6 20 合计540001211620序号项目编码项目名称计量单位工程数量1 Z010********* 建筑物超高施工增加费:人工降效,机械降效,超高施工加压水泵台班及其他;A单元檐高19.85m建筑面积4000 m2;B单元檐高36.45m建筑面积11620 m2,其中首层地坪及以上建筑面积10420m2,包括3.6m层高7020 m2,,4m层高2400 m2,5m层高1000m2。
超高层建筑工程措施费组成及指标案例提要:1台TCR6055塔吊施工周期约20月,费用约640万元(包括进出场费、月租费及人工费、检验检测地锚费)。
1台TCR6055塔吊及1台STL230塔吊爬升费用约140万元(包括塔吊爬升用埋件、钢架等费用及安装及拆除爬升套架、爬升梯、千斤顶等费用)。
目前,我国超高层建筑的建设量不断扩大。
超高层建筑体量大、施工技术难度高,其施工措施费用于超高层建筑施工措施费的测算分析。
所以,以某超高层建设项目为例,下文从垂直运输、结构施工、其他措施和超高层人工降效四个方面分析超高层建设项目施工措施费的组成,并测算其指标,为超高层建设项目施工措施费的确定提供参考。
案例概况本文案例选用某超高层写字楼项目,位于南京市某中央商务区,地下5层,地上69层,高度约353米,建筑面积122㎡。
超高层写字楼结构体系:由钢筋混凝土筒体及钢结构外框架构成,钢筋混凝土筒体截面尺寸约为27×25m,核心筒结构为钢筋混凝土墙体,六层以下埋设型钢劲性柱;钢结构外框架截面尺寸为46×46m,由钢管混凝土柱及型钢梁组成。
钢结构混合体系施工:钢筋砼筒体—钢结构外框架的混合体系,决定了钢结构施工必须以筒体施工为前提,选用“液压爬升模架、提升大模板体系”进行筒体施工。
垂直运输安排:需求。
主楼310米标高以上设置由桁架组成的塔冠,塔冠最高处43米,塔冠钢结构由内爬式塔式起重现施工电梯与永久电梯的有序转换使用。
安全防护:本工程建立“以操作层的全封闭围护为重点,兼顾主体结构分段隔离以及受落点的预先设防”的多层次防坠落体系。
施工措施费分析该超高层写字楼的总包工程措施费报价约为3000万元,分部分项工程费用报价约为1.2亿元,措施费占分部分项工程费用的比例约为25%。
措施费报价3000万元中,塔吊、人货梯、脚手架等措施费用约为2200万元。
下面分别从四个方面分析超高层建设项目施工措施费的组成。
①垂直运输方案及费用塔吊布置:六层以下施工时设置1台ST5015塔吊,六层以上设置1台TCR6055塔吊及1台STL230塔吊,TCR6055顶后,STL230塔吊由TCR6055塔吊拆除,由TCR6055塔吊吊装屋顶钢架,然后TCR6055塔吊下降至核心筒屋面后拆除。
超高施工增加费、施工技术措施费清单计价实例一、建筑物超高施工增加费:当建筑物檐高超过20m时,工程量清单编制人应考虑在分部分项工程量清单中增加建筑物超高施工增加费用项目。
超高施工增加费在计价时,应考虑计算超高施工人工降效、机械降效和超高施工加压水泵台班及其他费用。
超高施工人工、机械降效的计算基数范围:建筑物首层室内地坪以上的全部工程项目,但不包括垂直运输、各项脚手架、各类构件(预制混凝土及金属构件)制作和水平运输项目。
人工降效增加费按规定内容中的全部人工费乘以相应子目人工费含量计算。
机械降效增加费按规定内容中的全部机械费乘以相应子目机械费含量计算。
建筑物有高低时,应根据不同高度建筑面积占总建筑面积的比例分别计算不同高度的人工费及机械费。
超高施工加压水泵和其他费用按层高3.6m以内考虑,如层高超过3.6m,按每增加1m相应定额计算,超高不足1m的,按每增加1m相应定额的比例调整。
例1:某综合楼各层及檐高如图1所示, A、B单元各层建筑面积如左表所示。
超高施工增加费项目清单如下表所列。
假设人工、材料、机械台班的价格与定额取定价相同;经分析计算该单位工程(包括地下室)扣除垂直运输、脚手架、构件制作和水平运输后的人工费为240万元,机械费为150万元;企业管理费、利润分别按人工费加机械费的15%和10%计取,风险费按工料机费的5%计取,试编制该工程超高施工增加费项目清单,并计算超高施工增加费用。
图1解:A单元檐高19.85m<20m,不计算超高施工增加费。
B单元檐高36.45m>20m,应计算超高施工增加费,超高部分(B单元)的首层及以上超高建筑面积=11620-1200=10420m2。
清单中应描述超高部分的建筑面积和其中各种层高的建筑面积。
现编制清单如下表:建筑物超高施工增加费根据题意列出有关超高施工增加费的计算基数:超高面积占建筑物总面积的比例=10420÷(4000+11620)=0.6671 ∴ 人工费=240×0.6671=160.1040万元,机械费=150×0.6671=100.0650万元。
根据03版预算定额规则计算超高施工增加费相关子目的工程量并套用定额:18-2 人工降效:1601040元每元人工费=568/10000=0.0568元18-20 机械降效:1000650元每元机械费=568/10000=0.0568元18-38 加压水泵及其他(层高3.6m): 7020 m2,每m2材料费=1.82元机械费=1.01元18-38+55H 加压水泵及其他(层高4m):2400 m2每m2材料费=1.82元机械费=1.01+0.1082×(4-3.6)=1.05元18-38+55H 加压水泵及其他(层高5m):1000 m2每m2材料费=1.82元机械费=1.01+0.1082×(5-3.6)=1.16元按下列表式计算该工程超高施工增加费工程量清单项目的综合单价:分部分项工程量清单项目综合单价计算表工程名称:某工程计量单位:m2项目编码:Z010********* 工程数量:10420项目名称:超高施工增加费综合单价:21.69元注:表中综合单价=226023÷10420=21.69元/m2二、施工技术措施费:施工技术措施费清单项目主要包括:施工排水降水、混凝土模板及支架、脚手架、垂直运输、大型机械进出场所及安拆、其他施工技术措施等。
其他施工技术措施指根据各专业、工程特点补充的技术措施项目,如地下室基坑支护、室内空气污染测试等项目。
例2:某工程二层楼面结构如图2所示,已知楼面结构标高为4.5m,①~②轴楼板厚120mm,③~④轴楼板厚90mm。
试计算该工程二层楼面结构的梁、板模板工程量(采用砼与模板的接触面积计算),并计算模板及支架的施工技术措施费用。
为方便计算,假设人工、材料、机械台班的消耗量及单价暂按03版省建筑工程预算定额及定额取定价计算;企业管理费、利润、风险费分别按人工费加机械费的20%、14%、5%计算。
图2解:为了少翻图纸,计算模板工程量,应尽量考虑与混凝土工程量计算同步进行,这也符合统筹法计算工程量的思路。
下面计算各项模板工程量:KL1模板=(5.4×2-0.33×2-0.45)×(0.25×4+0.7×8-0.12×4-0.09×2)=57.56m2KL2模板=(4.2×2-0.33-0.45×1.5)×(0.3×2+0.85×4-0.12×2)+(5.4-0.33-0.45×0.5)×(0.3×2+0.85×4-0.09×2)=27.805+18.505=46.31m2KL3模板=(4.2×2-0.33-0.45×1.5)×(0.3+0.6×2-0.12×2)+(5.4-0.33-0.45×0.5)×(0.3+0.6×2-0.09×2)=9.318+6.395=15.71m2LL1模板=(5.4×2-0.18×2-0.3)×(0.25+0.6×2-0.12×2)=12.27m2∴矩形梁模板工程量S=57.56+46.31+15.71+12.27=131.85m2①~②~③轴间板模板S=(4.2×2-0.13-0.25×2.5)×(5.4×2-0.18×2-0.3)=77.520 m2∴一般板模板工程量S=77.52 m2③~④轴间井字梁中面积S=1.8×2.7=4.86 m2<5m2,则该板为密肋板:LL3模板S=(5.4-0.125-0.13)×(0.25×2+0.45×4-0.09×4)=9.981 m2LL2模板S=(5.4×2-0.18×2-0.3-0.25×2)×(0.2×2+0.35×4-0.09×4)=13.882 m2③~④轴板模板S=(5.4-0.125-0.13-0.2×2)×(5.4×2-0.18×2-0.3-0.25×2)=45.742 m2∴密肋板模板工程量S=9.981+13.882+45.742=69.61 m2根据03版预算定额规则计算模板及支架相关子目的工程量并套用定额:4-31+38 矩形梁复合木模板(层高4.5m): 131.85m2每m2人工费=10.5040+0.9620=11.466元材料费=12.8346+0.7351=13.5697元机械费=1.4501+0.1343=1.5844元4-40+47 一般板模板(层高4.5m): 77.52m2每m2 人工费=6.37+0.728=7.098元材料费=11.1581+0.893=12.0511元机械费=1.129+0.1627=1.2917元4-41+47 密肋板模板(层高4.5m): 69.61m2每m2 人工费=10.088+0.728=10.816元材料费=17.7275+0.893=18.6205元机械费=1.4151+0.1627=1.5778元按下列表式计算二层结构模板及支架的措施项目费用:措施项目费计算表工程名称:某工程计量单位:顶项目编码:02 工程数量:1项目名称:二层结构模板及支架综合单价:8515元墙柱面、天棚工程量清单计价实例马光鸿在墙柱面、天棚工程量清单计价指引中,要熟悉常用项目如墙柱面抹灰、墙柱面镶贴块料、天棚抹灰、天棚吊顶等项目中可组合的主要内容和对应的03版定额子目。
工程量清单计价举例:例1:某房屋工程平面图如图1所示,并下列了门窗表。
外墙顶面标高3.1m,设计室内外高差0.3m。
外墙面砖装饰工程量清单如下表所列,试计算外墙面砖装饰工程量清单项目的综合单价。
(注:外墙窗居墙中安装,门靠里安装,门窗框厚90mm)。
为方便计算,本题的人工、材料、机械台班消耗量及单价暂按03版省建筑工程预算定额及定额取定价计算,管理费、利润分别按人工费加机械费的20%、15%计取,风险费用暂不考虑。
图1分部分项工程量清单解:外墙中心线=(9+5)×2=28m 外墙外边线=28+0.24×4=28.96m 外墙面高度=3.1+0.3=3.4m外墙门窗洞口面积=1.2×2.5×2+1.5×1.5×1+1.2×1.5×5=17.25m2外墙门窗洞口侧壁面积=(1.2+2.5×2)×2×(0.24-0.09)+[(1.5+1.5)×2+(1.2+1.5)×2×5]×(0.24-0.09)/2=1.86+2.48=4.34m2根据03版预算定额规则计算外墙面砖装饰相关子目的工程量并套用定额:11-93 外墙面砖(50×230)1:2水泥砂浆粘贴:外墙面镶贴块料工程量=外墙外边线×镶贴高度-外墙门窗洞口面积+外墙门窗洞口侧壁面积=28.96×3.4-17.25+4.34=85.55m2每m2 人工费=11.328元材料费=29.4953元机械费=0.1073元11B—1 外墙面15厚1:3水泥砂浆抹底灰: 85.55 m2 (注:本补充定额详见建筑工程综合解释)每m2 人工费=2.79元材料费=2.7687元机械费=0.0894元按下列表式计算外墙面砖装饰工程量清单项目的综合单价:分部分项工程量清单项目综合单价计算表工程名称:某工程计量单位:m2项目编码:020********* 工程数量:85.55项目名称:外墙面砖装饰综合单价:51.59元注:表中综合单价=4413.42÷85.55=51.59 元/m2思考题:请你考虑一下外墙面抹灰、内墙面抹灰和内墙面镶贴块料的工程量计算思路。
参考计算公式:外墙面抹灰工程量=外墙外边线×抹灰高度-外墙门窗洞口面积内墙面抹灰工程量=(外墙内边线+内墙净长线×2-∑T形搭接墙厚-井道内边线)×抹灰高度-外墙门窗洞口面积-内墙门窗洞口面积×2内墙面镶贴块料工程量=(外墙内边线+内墙净长线×2-∑T形搭接墙厚-井道内边线)×镶贴高度-外墙门窗洞口面积-内墙门窗洞口面积×2+外内墙门窗洞口侧壁面积例2:某房屋建筑的客厅U38型不上人轻钢龙骨石膏板吊顶,其天棚构造图如图2所示,该天棚吊顶工程量清单如下表所列,试计算该工程量清单项目的综合单价。