措施项目费计算表
- 格式:xls
- 大小:21.50 KB
- 文档页数:1
第十九章措施项目费第一节建筑工程措施项目费一、按费率计算的措施项目费按费率计算的有通用项目中的环境保护费,文明施工费、安全施工费,雨季施工增加费和已完、未完工程及设备保护费。
二、按实际情况或参考资料计算的措施项目费1.临时设施费(1)围护结构搭设使用费围护结构搭设使用费=每延长米围护结构费用×围护结构长度(2)一次性使用房屋建设使用费一次性使用房屋建设使用费=房屋建筑面积×每平方米造价(3)周转使用房屋建设使用费周转使用房屋建设使用费 = 每平方米一次性购置搭设费用×房屋建筑面积÷使用次数(4)给排水管线、电力线路、消防设施费每个项目参考费用2~4万,其中人工工资占20%。
(5)施工现场临时道路维护费每个项目参考费用为0.5~1.5万,其中人工工资占30%。
[例19.1]某建筑工程直接工程费3800000元,根据现行费率计算安全文明费,临时设施费,雨季施工增加费,已完、未完工程保护费,材料及产品质量检测费。
[解]安全文明费率0.88%3800000×0.88%=33440(元)临时设施费1.21% 3800000× 1.21%=45980(元)雨季施工增加费0.1%3800000×0.1%=3800 (元)已完、未完工程及设备保护费0.18% 3800000×0.18%=6840(元)材料及产品质量检测费0.6%3800000× 0.6%=22800 (元)[例19.2]某总承包工程,建筑工程按规则划分为二类工程,总承包单位施工组织设计包括了各专业工程的临时设施。
砖木结构的宿舍200 m2、会议室60 m2、食堂40 m2、办公室40 m2、厕所30 m2、仓库60 m2、砖围墙600m。
临时设施费计算如下:[解]房屋建设使用费=房屋建筑面积×每平方米造价=(200+60+40+40+30+60)×190=81700元)围护结构搭设使用费=每延长米围护结构费用×围护结构长度 =100×600=60000元给排水管线、电力线路、消防设施费按二类工程取定为30000元。
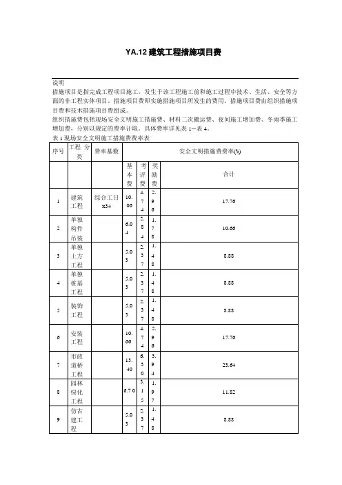
YA.12建筑工程措施项目费说明措施项目是指完成工程项目施工,发生于该工程施工前和施工过程中技术、生活、安全等方面的非工程实体项目。
措施项目费即实施措施项目所发生的费用。
措施项目费由组织措施项目费和技术措施项目费组成。
组织措施费包括现场安全文明施工措施费、材料二次搬运费、夜间施工增加费、冬雨季施工增加费,分别以规定的费率计取。
具体费率详见表1〜表4。
表1现场安全文明施工措施费费率表① 依据建设部建办(2005)89号文、豫建设标(2006)82文的规定制定。
本表中的费率包括文明施工费、安全施工费和临时设施费。
环境保护费另按实际发生额计算。
②基本费应足额计取;考评费在工程竣工结算时,按当地造价管理机构核发的《安全文明施工措施费率表》进行核算;奖励费根据施工现场文明获奖级别计算,省级为全额,市级为70%,县(区)级为50%。
③非单独发包的土方、构件吊装、桩基应并入建筑工程计算。
34注:冬雨季施工增加费是在冬雨季施工期间,采取防寒保温或防雨措施所增加的费用。
技术措施项目费包括施工排水、降水费,大型机械设备进出场、安拆费,现浇混凝土及预制构件模板使用费,脚手架使用费,垂直运输费,现浇混凝土泵送费,分别按本分部相应的子目计算。
一、施工排水、降水费:本分部子目中的抽水机、泵等机械设备和台班消耗量是综合取定的,实际使用不符时不得换算。
二、大型机械设备进出场、安拆费:1.塔吊固定基础铺拆费系自升塔吊基础参考价格,允许按施工组织设计要求调整。
如系非自升塔吊基础时,执行该子目时,基价乘以系数0.15。
2.轨道铺拆费按直线轨道考虑,如铺设弧线轨道时,乘以系数1.15。
3.塔吊基础铺拆费不包括轨道和枕木之间增加其他型钢或钢板的轨道、自升式塔吊行走的轨道、不带配重的自升式塔吊的固定式基础,发生时另按施工组织设计要求计算。
4.拖式铲运机的场外运输费按相应规格的履带式推土机费用乘以系数1.1。
5.推土机、除荆机、湿地推土机的场外运输费按相应规格的履带式推土机费用执行。
措施项目清单与计价表(一)
单位工程投标报价汇总表
工程名称:电气照明工程(1-6层) 其中:暂估价(元)
单位工程招标控制价汇总表
分部分项工程量清单与计价表
分部分项工程量综合单价计算表
人材机汇总表工程名称:电气照明工程(1-6层)
措施项目清单与计价表(一)
单位工程招标控制价汇总表工程名称:给排水工程(1-6层)
规费、税金项目清单与计价表
人材机汇总表工程名称:给排水工程(1-6层)
措施项目清单与计价表(一)
单位工程招标控制价汇总表
分部分项工程量清单与计价表工程名称:弱电工程(1-6层)
规费、税金项目清单与计价表
人材机汇总表
措施项目清单与计价表(一)
单位工程招标控制价汇总表
分部分项工程量清单与计价表工程名称:供电公司营业所(一层)
规费、税金项目清单与计价表工程名称:供电公司营业所(一层)
人材机汇总表
措施项目清单与计价表(一)
单位工程招标控制价汇总表工程名称:供电公司营业所(二层)
分部分项工程量清单与计价表工程名称:供电公司营业所(二层)
规费、税金项目清单与计价表
人材机汇总表。
附件2:房屋建筑工程安全防护、文明施工措施费率表注:1、居住建筑包括住宅、宿舍、公寓。
2、安全防护、文明施工措施费,以国家标准《建设工程工程量清单计价规范》的分部分项工程量清单价合计(综合单价)为基数乘以相应的费率计算费用。
作为控制安全防护、文明施工措施的最低总费用。
3、对深基坑围护、施工排水降水、脚手架、混凝土和钢筋混凝土模板及支架等危险性较大工程的措施项目和对沿街安全防护设、施夜间施工、二次搬运、大型机械设备进出场及安拆、已完工程及设备保护、垂直运输机械等措施费用等其他措施项目,依照批准的施工组织设计方案,仍按国家《建设工程工程量清单计价规范》的有关规定报价。
一并计入施工措施费。
市政基础设施工程安全防护、文明施工措施费率表注:1、安全防护、文明施工措施费,以国家《建设工程工程量清单计价规范》的分部分项工程量清单价合计(综合单价)为基数乘以相应的费率计算费用。
作为控制安全防护、文明施工措施的最低总费用。
2、对未列入安全防护、文明施工措施费清单内容的夜间施工、二次搬运、大型机械设备进出场及安拆、脚手架、已完工程及设备保护、垂直运输机械等措施费用,仍按国家《建设工程工程量清单计价规范》的有关规定报价。
民防工程安全防护、文明施工措施费率表注:1、项目类别中的面积是指民防工程建筑面积。
2、安全防护、文明施工措施费,以国家《人防工程工程量清单计价办法》的分部分项工程量清单合计(综合单价)为基础乘以相应的费率计算费用。
作为控制安全防护、文明施工措施的最低总费用。
3、对未列入安全防护、文明施工措施费清单内容的夜间施工、二次搬运、大型机械设备进出场及安拆、混凝土、钢筋混凝土模板及支架、脚手架、已完工程及设备保护、施工排水降水、垂直水平运输机械、内部施工照明等措施费用,仍按国家《人防工程工程量清单计价办法》的有关规定报价。
关于调整建筑、装饰、安装、市政等现行计价依据安全生产文明施工费费率的通知发布部门:河北省住房和城乡建设厅文号:冀建市〔2021〕29号日期:2021-12-20 00:00各设区市、定州市、辛集市住房和城乡建设局(建设局),华北石油管理局,省直有关部门:为贯彻落实省委、省政府《关于实施环境治理攻坚行动的意见》和《河北省大气污染防治行动计划实施方案》,进一步加强建筑施工扬尘治理,改善大气环境质量,确保各项措施落实到位,经调研测算,决定调整建筑、装饰、安装、市政等现行计价依据中的安全生产、文明施工费费率,具体要求如下:一、安全生产、文明施工费计取基数及计算办法按现行规定执行,调整后的费率见“安全生产、文明施工费费率调整表”(附件),自2021年1月1日起执行。
措施项目费的计算蔡胜红主讲2014-05(二)措施项目费的汇总计算1、 安全文明施工费(1)按定额子目计算的安全文明施工费(脚手架、模板支撑、现场围挡等) (2)按系数计算的安全文明施工费(文明施工与环境保护、安全施工、临时设施) 2、其它措施费(1)按定额子目计算的其它措施费(模板、垂直运输、材料二次运输、成品保护) (2)措施其它项目费(泥浆池砌筑及拆除、大型机械设备进出场及安拆费等等)。
(一)分部分项工程费的汇总计算(二)措施项目费的汇总计算(三)其它项目费的汇总计算 (四)规费和税金项目的汇总计算通则第3.2.4条规定: 1、安全文明施工费应在工程造价中单独列项。
安全文明施工费通则第12.2.2 条:……发包人应在现场造价工程师签发支付证书后的7日内向承包人支付安全文明施工费,并保证在合同工程开工后的28天内预付安全文明施工费总额的50%。
通则第12.2.3 条: ……剩余部分的安全文明施工费,应在预付的安全文明施工费扣完之日起,按照实际发生费用与进度款同期支付。
安全文明施工费中:2、安全文明施工费应……按照国家或省(行业)建设主管部门的规定计算,不得作为竞争性费用。
2、模板的支撑:指模板的钢支撑,要从模板工程中分离出来。
GBQ4.0中右键“提取钢支撑” 1、脚手架、安全挡板、围尼龙编织布等:预算按图纸及定额规定计,结算按实际搭设面积计算3、现场围挡:按实际体积套砖外墙子目。
4、现场设置的卷扬机架:结算时如现场设有卷扬机架则计算其机械台班费用。
5、按系数计算的安全文明施工费:按定额系数计算。
建筑工程:分部公项工程费*3.18%计算,单独装饰装修按2.52%计算1 按定额子目计算的其它措施费●模板工程:注意扣除掉钢支撑台班费用。
其它措施费●垂直运输工程: 工程量按建筑面积计算。
注意:套价高度是指从设计室外地坪至檐口的高度,突出主屋顶的梯屋、电梯间、女儿墙等不计算高度。
一幢建筑物中有不同的高度时,除另有规定者外,按最高的檐口高度套同一步距计算。