计算机交流接触器使用手册
- 格式:docx
- 大小:51.20 KB
- 文档页数:17
基本规格额定工作电压Ue V IthA 额定工作电流 le AAC-3AC-4额定控制功Pe kW AC-32203806601140200220380660315CJC20-160CJC20-25016016010080250250200801321904885858516016010080250250200CJC20-400220380660400400400250400400250115200220表1()主电路基本参数续2803806601140630630400400630630400400630630400400175300350400CJC20-6303.2 辅助电路的触头种类、数量及基本参数见表2。
表2约定发热电流Ith A 额定绝缘电压Ui V 额定工作电压Ue V额定工作电流Ie V额定控制容量VA 触头的种类与数量配用接触器规格交流直流直流交流直流交流动合动断2263~160603006901036127220380/481102208.52.41.40.82/1.30.60.27停电不释放型略,停电自动释放型F 在AC-3使用类别下额定工作电压为380V的额定工作电流A 表示设计代号表示交流接触器自(磁)保持1 用途与适用范围 CJC 20-□ □2 型号及其含义3.1 主电路基本参数见表13 基本参数表1主电路基本参数基本规格额定工作电压Ue V Ith A 额定工作电流 le AAC-3AC-4额定控制功Pe kW AC-322038066080220380660125CJC20-63CJC20-1006363406363401001006310010063285050183035接触器的外形、安装尺寸及安全区域见图1和表3。
5 外形、安装尺寸及安全区域6 接触器的特点:表3mm 产品型号安全区域F607080100110120146154178230272163165207235294116122146190245CJC20-63CJC20-100CJC20-160CJC20-250CJC20-400CJC20-630Amax Bmax Cmax a b 4-φ外形尺寸安装尺寸100±0.4108±0.435130±0.5160±0.5210±0.5900.492±0.435130±0.5150±0.5180±0.5± 5.8+0.307+0.0309+0.03011+0.034 正常工作条件和安装条件约定发热电流Ith A 额定绝缘电压Ui V 额定工作电压Ue V 额定工作电流Ie V额定控制容量VA触头的种类与数量配用接触器规格交流直流直流交流直流交流动合动断22250~630605006901636127220380/4811022014.04.02.31.3/1.30.60.277 安装与调整φa AmaxCmaxFB m a xb图19.2 停电释放型(电气控制见图3)JL1- 漏电保护继电器的控制触头 R- 电阻C- 电容器 J- 继电器 D-二极管23、24- 接触器常开辅助触头15、16- 接触器分断触头闭合延时KM-接触器线圈 SF1- 起动按钮SF2- 停止按钮(虚线部分SF2和JL1供用户二选一)图3 欠压保护自保持停电自动断开型 (F型)控制电路SF1-闭合按钮SF2- 停止按钮R-电阻23、24-接触器常开辅助触头D-二极管15、16-接触器分断 触头闭合延时KM-接触器线圈图1 停电不断开型手动控制电路JL1、JL2- 漏电保护继电 器的控制触头R- 电阻23、24- 接触器常开辅助触头D-二极管15、16- 接触器分断 触头闭合延时KM-接触器线圈图2 停电不断开型自动控制电路。
北京办事处地址:北京市丰台区枫竹苑一区(未来假日花园)18-10 邮编:100076天津办公点地址:天津市西青区凯安道凯信佳园9-3-401邮编:300100沈阳办公点地址:辽宁省沈阳市于洪区细河南路碧桂园银河城钻石郡148-3邮编:110000长沙办公点地址:湖南长沙市芙蓉区万象企业公馆5栋2709邮编:410000郑州办公点地址:河南郑州金水区青年路145号6号楼17层1706号邮编:450000武汉办公点地址:湖北武汉市江汉区新华路186号福星国际商会大厦2516、2517室邮编:430000温州办公点地址:浙江省乐清市柳市镇德力西工业园邮编:325604成都办公点地址:成都市金牛区人民北路二段118号金牛万达广场甲级C座 16楼1603号邮编:610000南京办公点地址:江苏省南京市秦淮区洪武路23号隆盛大厦1505、1506室邮编:210000重庆办公点地址:重庆市九龙坡区渝洲路4号18-9号邮编:400039广州办事处地址:广州市荔湾区南岸路63号城启大厦1905室 邮编:510160南宁办公点地址:南宁市西乡塘区北大路中梦泽园小区岳阳阁5单元202室邮编:530003昆明办公点地址:昆明市西山区棕树营街道办事处土堆村碧鸡名城C地块9幢2802室邮编:650000贵阳办公点地址:贵阳市观山湖区石林东路中天帝景传说B区B4栋1单元1302室西安办事处地址:陕西西安市莲湖区大庆路三号蔚蓝国际A705 邮编:710082新疆办公点地址:新疆乌鲁木齐市米东区米东南路红光雅居D区6号楼3单元602室邮编:830000青岛办公点地址:青岛市城阳区正阳路177号15号楼2单元903室邮编:214000福建办公点地址:福州市晋安区东二环泰禾广场7号楼1117单元邮编:350024济南办公点地址:山东省济南市历下区工业南路55号未来城商务中心13#楼608室邮编:250000杭州办公点地址:杭州市江干区蓝桥景苑11幢2单元1002室邮编:310016南昌办公点地址:江西南昌市西湖区广场东路恒茂国际华城23幢2907邮编:330002深圳办公点地址:深圳市龙华新区民丰路1号碧水龙庭7栋4单元14D 邮编:518109兰州办公点地址:兰州市城关区瑞德摩尔万国港E座2208邮编:730020电话:153****1522合肥办公点地址:安徽省合肥市瑶海区武里山路五里山天街3A-1402室邮编:230000吉林办公点地址:吉林省长春市经开区浦东路与深圳街交汇处虹湾国际A座706室邮编:130031黑龙江办公点地址:黑龙江省哈尔滨市道外区润达国际D座2单807室邮编:150050石家庄办公点地址:石家庄市裕华区华兴生活小区41-1-102邮编:050011太原办公点地址:山西太原市万柏林区西矿街70号红星小区五单元1402邮编:030024石家庄物流地址:河北省石家庄市元氏县殷村石武铁路东国达物流园内电话:155****1257辽宁物流地址:沈阳市苏家屯区雪莲街188号(雪莲街与四环路交叉口)华翔东北亚贸城 D1 德力西陕西物流地址:陕西省西安市六村堡丰产路西段陕西商储物流园南区B1号德力西仓库山东物流地址:山东省临沂市经济技术开发区翔宇路23号华派克物流园内 重庆物流地址:重庆市江津区珞璜工业园B区重庆西部诚通物流有限公司5号库成都物流地址:四川省成都市青白江区国际集装箱物流园区德汇路9号4栋4-4号广东物流地址:广东省佛山市南海区里水镇怡和二路银裕木业制品厂直入100米河南物流地址:河南省郑州市经济开发区国际物流园喜达路宇培物流园(礼通路)东北W4-A区4B 58-59号湖北物流地址:湖北省武汉市东西湖区临空港大道23号捷利物流园3号库温州物流地址:浙江省乐清市柳市镇德力西高科技生态工业园新疆物流地址:乌鲁木齐市友谊路230号(新疆诚通国际物流园内德力西仓库)芜湖物流地址:安徽省芜湖市芜湖县新芜经济开发区朝阳路德力西物流中心工业控制系列产品样本CJX2v交流接触器JR2v热过载继电器CJX2H交流接触器JR2H热过载继电器CDC19v切换电容接触器CDS2v电磁启动器JZC4v接触器式继电器CJX2H 265~630电子式线圈,精准吸合CJX2H 265~630较同类产品体积减小20%~40%,节省柜内空间CDS2v电磁启动器产品范围传承经典技术平台,自主创新,在领航者的基础上再次升级,再次领导国产接触器产品升级迭代。
第五章交流接触器5.1 用途和分类5.1.1 用途交流接触器是一种用于远距离屡次地接通和断开交流50Hz(或 60Hz),电压至 380V(或660/690V,有的主电路还可至1000V/1140V)的主电路及控制电路的电器,其主要控制对象是交流电动机,也可控制其余电力负载,如电热器、照明灯、电焊机、变压器和电容器组等。
直动式交流接触器控制的电动机主假如鼠笼式,因为其体积少,广泛用于机床行业中。
转动式交流接触器控制的电动机为绕线式,主要用于冶金、轧钢等企业及起重设备中。
5.1.2 分类5.1.2.1 按结构形式分a、?直动式;b、?转动式;5.1.2.2 按极数分:a、?二极;b、?三极;c、?四极;d、?五极;(只有转动式)5.1.2.3 按有无吹弧线圈分a、?有吹弧线圈;b、?无吹弧线圈;5.1.2.4 其余方式分(略)5.1.3 接触器的使用种类及典型负载5.1.3.1 使用种类见表 5. 1表 5. 1 交流接触器的使用种类使用种类代号典型用途举例AC—1无感或微感负载、电阻炉AC—2绕线式感觉电动机的起动、分断AC—3笼型感觉电动机的起动、运行中分断AC—4笼型感觉电动机的起动、反接制动或反向运行、点动AC— 5a放电灯的通断AC— 5b白炽灯的通断AC— 6a变压器的通断AC— 6b电容器组的通断AC— 7a家用电器和近似用途的低感负载AC— 7b家用的电动机负载AC— 8a拥有手动复位过载脱扣器的密封制冷压缩机中的电动机AC— 8b拥有自动复位过载脱扣器的密封制冷压缩机中的电动机5.1.3.2?????????????????????典型负载不一样样的用电设备其负载性质和通断过程的电流变化相差很大,因此对接触器的要求也有所不一样样5.1.3.2.1 电热元件负载对电热元件负载顶用的线绕电阻元件,其接通电流可达额定电流的1.4 倍,比方用于室内供暖,电烘箱及电热空调等设备。
若考虑网络电压高升10%,则电阻元件的工作电流也将相应增大。
CJX2系列交流接触器(以下简称接触器)主要用于交流50Hz或60Hz,额定工作电压至660V,额定工作电流至95A 的电路中,供远距离接通与分断电路之用,并可与热继电器直接插接组成电磁起动器,以保护可能发生操作过负荷的电路。
接触器还可组装积木式辅助触头组、空气延时头、机械联锁机构等附件,组成延时接触器、可逆接触器、星三角起动器。
本产品按 IEC60947-4-1、GB14048.4及JB/T7435 等标准设计、制造与检验。
1 适用范围2 型号及其含义数字10表示接触器32A及以下,触头为3P+NO;数字01表示接触器32A 以下,触头为3P+NC;及数字11表示接触器40A 以上,触头为3P+NO+NC;及数字04表示接触器25A 以下,触头为4P;及数字08表示接触器25A 以下,主触头为2P+2R 及P为主动合触头,R为主动断触头(NO-动合辅助触头,NC-动断辅助触头)额定工作电流设计序号小型交流接触器CJX2- 3 正常工 作条件和安装条件3.1 周围空气温度为: -5℃~+40℃,24 小时内其平均值不超过 +35℃。
3.2 海拔:不超过2 000 m 。
3.3 大气条件:在+40℃时大气相对湿度不超过50%,在较低温度下可以有较高的相对湿度,最湿月的月平均最低温度不超过+25℃,该月的月平均最大相对湿度不超过90%,并考虑因温度变化发生在产品上的凝露。
3.4 污染等级:3级。
3.5 安装类别:Ⅲ类。
3.6 安装条件:安装面与垂直面倾斜度不大于5。
3.7 冲击振动:产品应安装和使用在无显著摇动,冲击和振动的地方。
4 技术参数4.1 接触器主要技术数据见表1。
4.2 接触器线圈主要技术数据见表2。
4.3 F4( LA1-D) 系列辅助触头组及LA2-D、LA3-D系列空气延时头的技术参数见表3及表4。
型 号C J X 2-09C J X 2-C J X 2-C J X 2-C J X 2-C J X 2-1218253240C J X 2-C J X 2-C J X 2-C J X 2-50638095操作频率电寿命主触头机械寿命 次/hA C -4 万次A C -3 万次A C -3 次/hA C -4 次/h机械寿命 万次根2软线带冷压端头 m m2软线不带冷压端头 m m2单根硬线 m m质 量 k g接线端子300 150 2 400 1 200 3 600300 300 150 150 150 150 1 200 1 200 1 200 1 200 1 200 2 400 2002 000121212121212121212122.5410 16 252.5466 16 6 10 6 10 16 6 2510 16 2516 256 50 35 50 50 3550 4464466 1025 -102550 50 ----160150 1 200 1506000.320.35 0.49 0.551.07 1.10 1.441.44 1.070.32 电寿命20-1520-715-715-710-777-620 7-57-51 000表1 主要技术数据额定绝缘电压 V约定发热电流(≤40℃时)A380V 额定工作电流 A控制单相电动机容量 k WA C -3时控制三相鼠笼型电动机容量 k W接通最大电流 A断开最大电流 AA C -1(≤40℃时)A 主触头6602525 32 40 50 60 8012 13 10 7 5 4 0.4 0.5 7.515 18.5 15 15 7.57.57.51.5 1.5 504032 25 2580801.5 18.5 15 4 443 5.5 1122302.2 3240 50 900 453731.1 3.7 800 450 300 18.5 115.5 5.5 2.23022115.51.1 37372.2 60802525 326395125 4518 0.75 550 250 12545454545300 900 900 800 450 550 250 250 250 800 0.75 125 12520163.722 253033995.5 80250 175 85 120 180 400 480 500 630 640 700400 85 175 200-----660V 500V 440V 660V 440V 380V220V 220V 110V A C -4A C -3型 号C J X 2-09C J X 2-C J X 2-C J X 2-C J X 2-C J X 2-1218253240C J X 2-C J X 2-C J X 2-C J X 2-506380951 0001 1001 2001 0001 1001 2001 0001 1001 201 000660 10 0.5~5 3表3 F4(LA1-D)系列辅助触头组技术数据型号触头组合对额定绝 约定发缘电压 热电流V A电寿命 百万次机械寿命万次最高操作频率次/s可接通最小负 荷接线端可连接导线1~2根软 线或硬 线,其 截面为 1.5~22.5mm 6V X 10m AF4-11 NO+NCF4-20 2NOF4-02 2NCF4-22 2NO+2NCF4-40 4NOF4-04 4NCF4-31 3NO+1NCF4-13 1NO+3NC表4 LA2-D、LA3-D系列空气延时头技术数据型 号延时范围 电寿命次s次V A%%对额定绝缘电压约定发热电流延时特点延时触头组合延时稳定性误差*延时重复误差线可接线接端连导可接通最小负荷高作率最操频机械寿命次/s通电延时断电延时LA2-D20LA2-D22LA2-D24LA3-D20LA3-D22LA3-D240.1~30.1~3010~1800.1~30.1~3010~180660 1 0±5 *±30 ±25 0.5~65X 10 2.5X 6103NO +NC 软成线载为根线硬其面1~21.5~22.5mm ,6V X 10m A温度误差%℃产品型号额定控制电源电压U s (A .C .) V 吸合电压50/60H z V释放电压50/60H z VC J X 2 -09C J X 2C J X 2C J X 2C J X 2C J X 2C J X 2C J X 2C J X 2C J X 2-12 -18 -25 -32 -40 -50 -63 -80 -9536、110、220、380(0.85~1.1)U s(0.2~0.7)U s吸合V A 保持V A功率W 吸合V A保持V A接 通线圈功率功率因数断 开吸合时间 ms释放时间 ms最高操作频率12~2215~244~12 5~190.80.33~43~41.8~2.71.8~2.76~106~106~106~106~100.60.320~268~1220~356~203 500次/小时7070 70200811 2080 808 811808 8 118 11115115110 110 20020020020020202020200202002002002002020202060H z50H z 表2 线圈参数1.8~2.7图6 CJX2-09、12图7 CJX2-18图9 CJX2-32图8 CJX2-25图10 CJX2-40、50、63图11 CJX2-80、95565 接触器的外形及安装尺寸(见图6~图12)6*延时稳定性误差:经过2.5×10次动作后的延时平均值/开始时的整定值误差。
交流接触器(CJX2系列)使用说明书
1.适用范围:
CJX2系列交流接触器适用于交流50Hz(60Hz)额定工作电压至660V,在AC-3使用类别下额定工作电压为380V额定工作电流至95A的电力系统中,供远距离接通和分断电路,频繁地起动和控制交流电动机之用。
并可与适当的热继电器或电子式保护装置组合成电磁起动器以保护可能发生过载电路。
2.型号及含义:
型号及含义如下:
3.结构特征:
CJX2系列交流接触器具有体积小、重量、寿命长功耗小,可按要求组合派生,可配置积本式辅助头组、空气延时头、机械联锁机构等附件,组成延时接触器、机械联锁接触器、星三角起动器,并且可以和热继电器直接插接安装组成电磁起动器。
产品除螺钉安装外,还可用35mm(75mm)标准卡轨安装。
4.主要技术参数:
表 CJX2系列交流接触器技术参数
5.外形及安装尺寸:
外形及安装尺寸见图1、图2
图1 交流接触器的外形及安装尺寸(一)
图2 交流接触器的外形及安装尺寸(二)。
ESC系列交流接触器节电控制器使用说明书1.概述1.1、适用范围与用途ESC系列交流接触器节电控制器(Eenergy saver for AC contactors简称ESC)可接入交流50Hz、电流10A至4000A的国内外任一型号、线圈工作电压AC380V以下的交流接触器线圈电路中。
线圈功耗降至原来的2%-5%,长期工作不发热,线圈不会烧毁;运行时,无噪音、无振动,可改善吸合性能,触头不会产生电弧,延长了触头的使用寿命;有效解决电负荷高峰期交流接触器因电网电压低,难以正常启动和吸持的现象。
ESC技术指标符合GB 8871-2001标准。
1.2、产品型号码含义2、正常工作条件和安装条件2.1、周围空气温度:上限+40℃,且24h内平均值不超过+35℃,下限为-5℃。
2.2、海拔:安装地点的海拔不超过2000m。
2.3、大气条件:安装地点的空气相对湿度在最高温度为+40℃时不超过50%;在较低温度下可允许有较高相对湿度,最湿月的平均最低温度不超过+25℃,该月的月平均最大相对湿度不超过90%,由于温度变化在产品上发生凝露的情况采取必要措施。
2.4、污染等级:3极。
安装类别:Ⅲ类。
3、主要技术数琚3.1、ESC平均节电率大于95%3.2、ESC接入适配的交流接触器在吸持状态下接触器的操作电磁铁的噪声远小于20 db.3.3、适配有ESC的交流接触器长期吸持状态,线圈无温升。
3.4、ESC操作频率1200级以上。
4、外型及安装尺寸ESC可安装在标准NS35导轨上;或配M3螺丝底板安装,如右图所示:5、使用与维护5.1、确认ESC产品无损伤。
5.2、检查ESC名牌参数与实际使用条件相符。
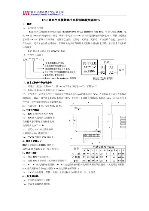
5.3、A1、A2接交流接触器线圈;P1、P2接交流接触器控制电路原线圈接线控制端。
(见接线原理框图,ESC是交流接触器节电控制器;KM是交流接触器线圈。
)5.4、ESC产品在运输、保管、安装、使用过程中均不得受雨、雪、水侵袭。
永磁式交流接触器产品说明书交流接触器广泛用作电力的开断和控制电路。
交流接触器利用主接点来开闭电路,用辅助接点来执行控制指令。
主接点一般只有常开接点,而辅助接点常有两对具有常开和常闭功能的接点,小型的接触器也经常作为中间继电器配合主电路使用。
从而起到远程控制或弱电控制强电的功能.交流接触器的接点,由银钨合金制成,具有良好的导电性和耐高温烧蚀性。
交流接触器又分永磁式交流接触器和电磁式交流接触器.交流接触器的动作动力来源于交流电磁铁,电磁铁由两个“山”字形的幼硅钢片叠成,其中一个固定,在上面套上线圈,工作电压有多种供选择。
为了使磁力稳定,铁芯的吸合面,加上短路环。
交流接触器在失电后,依靠弹簧复位。
另一半是活动铁芯,构造和固定铁芯一样,用以带动主接点和辅助接点的开短。
永磁式接触器是用永式驱动机构取代了传统的电磁驱动机构而形成的一各新型微功耗接触器。
其工作原理就是利用磁极的同性相斥、异性相吸的原理。
因安装在接触器联动机构上的永磁铁的极性是固定不变的,而固定在接触器底座上的软铁在外来控制信号作用下,与其固化在一起的电子模块产生十几至二十几毫秒的正反向脉冲电流,使软铁产生不同的极性,从而使接触器的主触头达到吸合、保持与释放的目的。
永磁式接触器的几大优点:(1)工作可靠性好,丝毫不受网电压干扰。
(2)动作速度快,为0.12-0.15s,传统的为0.35-0.38s。
(3)运行安静,无交流噪音,不受灰尘、油污影响。
(4)模块无温升,而且耐老化,抗腐蚀,超长使用寿命是传统的三倍。
(5)免维护,超节能环保,节电率99%。
20安培以上的接触器加有灭弧罩,利用断开电路时产生的电磁力,快速拉断电弧,以保护接点。
永磁式交流接触器的组成:1.磁系统、2.触头系统、3.灭弧系统、4.释放弹簧机构、5.辅助触头及基座等。
接触器工作原理:接触器的基本工作原理是利用电磁原理通过控制电路的控制和可动衔铁的运动来带动触头控制主电路通断的。
SERIESR D C5系列交流接触器符合标准:G B/T14048.4安全告知在安装、操作运行、维护、检查之前,请务必认真阅读本说明书,并按照说明书上的内容准确安装、使用本产品.危险:●严禁湿手操作接触器;●使用中,严禁触摸导电部位;●维护与保养时,必须确保产品不带电;注意:●安装、维护与保养时,应由具有专业资格的人操作;●使用前请确认产品电压、电流、频率、和使用类别是否符合要求;●请先接通控制回路,进行空载操作实验,无异常后在接通负载;●请定期紧固接线端子、清除沉积的灰尘;●勿使异物落入产品内;●如需选购附件,请选择本公司所提供的配套附件;●如果产品在开箱时有破损或异常响声,应拒绝使用并联系供应商;●产品报废时,请做好产品废弃物处理,谢谢您的合作。
●认识RDC5-06~95产品●面板介绍34675图1 产品示意图说明:1-产品型号规格2-主电路进线端1/L1、3/L2、5/L33-主电路出线端2/T1、4/T2、6/T34-线圈进线端A1、出线端A2 5-线圈出线端A2 6-常闭辅助接线端7-常开辅助接线端8-产品型号9-认证标志10-符合标准号:GB /T14048.4,IEC 60947-4-1 11-绝缘电压Ui:690V 12-约定自由空气发热电流13-额定工作电流、电压、功率正常使用、安装及运输条件 ●正常使用、安装条件具体参数见表1产品型号IthA AC-3使用类别AC-4使用类别Ie A RDC5-06RDC5-09RDC5-12RDC5-18RDC5-25RDC5-32RDC5-38RDC5-40RDC5-50RDC5-65RDC5-80RDC5-95Ie A Pe kW Pe kW 220/230V 220/230V 380/400V 380/400V 660/690V 660/690V 220/230V 220/230V 380/400V 380/400V 660/690V 660/690V断续周期工作,负载因素为40%的额定操作频率RDC5-06~25RDC5-32~95AC-3220/380V:1200次/h 660V:300次/h220/380V:300次/h660V:120次/h 220/380V :600次/h660V :300次/hAC-4表 11625324050506080110691218253238405065809569121825323840506580953.86.68.9121822223439424949 1.52.2345.57.59111518.522252.245.57.5111518.518.52230374535.57.5101518.518.53033374545 2.63.557.78.51214242837442.63.557.78.512142428374411.523.84.47.58.99121417.321.30.550.61.11.52.2345.567.51114 1.11.52.23.345.45.57.5111518.5220.751.11.533.75.567.510111518.518.518.5(4)安装位置应垂直,各方向的倾斜度不超过±22.5°;(5)安装在无冲击振动及无雨雪侵袭的地方;(6)污染等级:3级;(7)安装类别:III类;(8)额定冲击耐受电压Uimp:8000V;(9)额定频率:50Hz;(10)防护等级:IP20;(11)适用于8h工作制、断续周期工作制、不间断工作制和短时工作制。
选型指南32243243243243243243280100125160200250CJ40 63 33 *CJ40 63 24 *CJ40 63 22 *CJ40 80 42 *CJ40 80 33 *CJ40 80 24 *CJ40 100 42 *CJ40 100 33 *CJ40 100 24 *CJ40 125 42 *CJ40 125 33 *CJ40 125 24 *CJ40 160 42 *CJ40 160 33 *CJ40 160 24 *CJ40 200 42 *CJ40 200 33 *CJ40 200 24 *CJ40 250 42 *CJ40 250 33 *CJ40 250 24 *342234234234234234234374555759013232-432-432-432-432-432-4005006308001000CJ40 315 33 *CJ40 315 24 *CJ40 315 00* CJ40 400 42 *CJ40 400 33 *CJ40 400 24 *CJ40 400 00 *CJ40 500 42 *CJ40 500 33 *CJ40 500 24 *CJ40 500 00 *CJ40 630 42 *CJ40 630 33 *CJ40 630 24 *CJ40 630 00 *CJ40 800 42 *CJ40 800 33 *CJ40 800 24 *CJ40 800 00 *CJ40 1000 42 *CJ40 1000 33 *CJ40 1000 24 *CJ40 1000 00 *34-234-234-234-234-234-注:极数3极为常规极数,在型号中不表示,辅助触头组合情况,客户如不指明,63A 及以上规格均提供4常开2常闭,对于CJ40定货编码中的“*”可由线圈电压代码来表示220280335450625E 电动控制与保护E 电动控制与保护技术参数Ui 额定工作电压(Ue )约定发热电流(Ith )额定工作电流(Ie )可控制三相电动机的最大功率机械寿命电寿命操作频率辅助触头约定发热电流(Ith)额定工作电压(Ue)额定控制容量产品认证AC-3,380V AC-3,660V AC-3,220V AC-3,380V AC-3,660V AC-3,380V AC-3,380V 保持功耗AC-15DC-13AC-15DC-13V V AAAkw kwkw万次万次次/时VA WA V V VA W 806322375580636318.5305512061203006012510080304575额定绝缘电压(Ui )额定工作电压(Ue )约定发热电流(Ith )额定工作电流(Ie )可控制三相电动机的最大功率机械寿命电寿命操作频率控制电源电压(Us)允许控制回路电压线圈功率辅助触头约定发热电流(Ith)额定工作电压(Ue)额定控制容量产品认证AC-3,380V AC-3,660V AC-3,220V AC-3,380V AC-3,660V AC-3,380V AC-3,380V 交流吸合释放吸合保持功耗AC-15DC-13AC-15DC-13200125559011025012575132110V V AAAkwkwkw万次万次次/时V V V VA VA W A V V VA W250160125457511011037.5220、380、660125125803755751000120120061201036、127、220、38048、110、22030060CCC800630500200335475300303004546.5250107.55003153159016030060060600172817062.5165006040031511022030050031515028030080050025045047510001000500360625475E 电动控制与保护外形及安装尺寸(mm)接线图CJ40交流接触器CJ40-63~1000CJ40-160-2001861841309130-504030 CJ40-63~1000交流接触器外形及安装尺寸146E1 通用型交流接触器E 电动控制与保护。
E 电动控制与保护CJX2四极CJX1CJ40CDC10CDC1CJ20产品描述交流接触器主要用于交流50或60Hz,额定工作电压最高至1000V的电路中,供远距离接通和分断电路、频繁起动和控制交流电动机等负载。
可与适当的热过载继电器或电子保护装置组成电动机起动器以保护可能发生操作过负荷的电路符合标准符合 GB/T 14048.4和IEC 60947-4-1标准E 电动机控制与保护E1 通用型交流接触器CJX2简易包装CJX2产品不变,包装简易,组装方便!专为OEM 客户及成套商打造,切实满足客户需求!简易包装描述:5只一盒,一盒中含一个塑料包装袋,一份说明书与合格证;安装控制柜中CJX2时,大大减少繁琐的拆包装工作;包装厚实,有效降低途损。
订货编码:以盒为单位订货,详见选型指南电流规格:9-32A ;线圈电压:220V 、380VCJX2 交流接触器注:极数3极为常规极数,在型号中不表示,对于CJX2定货编码中的“*”可由线圈电压代码来表示电动控制与保护E 电动控制与保护E通电延时0.1-3SSK4 200.1-30S SK4 2210-180SSK4 24CJX2-09-32无有FR632HX FR632H CJX2-40-95无FR695HX 有FR695HCJX2-40-9536V220V 380VX2 95 C X2 95 M X2 95 Q■ F4辅助触头■ SK4空气延时头■ 机械互锁装置E 电动控制与保护E 电动控制与保护■FS浪涌抑制器■ CJX2-09~32■ CJX2-40~95注: C 1max-为接触器+F4 C 2max-为接触器+SK4E 电动控制与保护E 电动控制与保护或接线图■ CJX2-09~32■ CJX2-40~95注:极数3极为常规极数,在型号中不表示,对于CJX2-N型号中的“*”可由线圈电压代码来表示E 电动控制与保护E 电动控制与保护电动控制与保护E 电动控制与保护E 通电延时0.1-3SSK4 200.1-30S SK4 2210-180S SK4 24CJX2-09-32机械互锁不带电气互锁FR632HXCJX2-40-95FR695HX■ 辅助触头■ SK4空气延时头■ 机械互锁装置E 电动控制与保护E 电动控制与保护注:极数3极为常规极数,在型号中不表示4P 产品无自带辅助触头,可通过加装F4顶辅助触头实现扩充对于CJX2-Z 订货编码中的 * 可由线圈电压代码来表示注:C1max ——接触器 + F4;C2max ——接触器 + SK4■ 接线图■ CJX2-4004~9504■ CJX2-4008~95081L13L25L37L42T14T26T38T4R3R4R1R21234CJX2-4004~9504CJX2-0908~25081R1R2R33R442CJX2-4008~95081R1R2R333L25L37L42T14T26T38T4R442R3R4R1R21234E 电动控制与保护E 电动控制与保护44F4 0413F4 1322F4 2231F4 3140F4 40顶端PC38PC65PC95CJX2-Z 09~38A CJX2-Z 40~65A CJX2-Z 80~95A■ 辅助触头■ SK4空气延时头■ PC透明防尘盖通电延时0.1-3SSK4 200.1-30S SK4 2210-180S SK4 24E 电动控制与保护E 电动控制与保护注:极数3极为常规极数,在型号中不表示,对于CJX1定货编码中的“*”可由线圈电压代码来表示注: 只有CJX1-9~32A可提供直流线圈产品■ 接线图R3R1131R1R2R33R4421R1R2R33R442R3R113CJX2-0910Z~3810Z CJX2-0904Z~9504Z■ CJX2-09Z~38Z■ CJX2-40Z~95ZCJX2-0908Z~2508Z CJX2-0901Z~3801Z CJX2-4011Z~9511ZE 电动控制与保护E 电动控制与保护注:1. CJX1-85~140A 控制电源电压交流无127V ;2. CJX1-110~475A 控制电源电压交流无24V ;■ CJX1-9~22■ CJX1-32B~38注:1. CJX1-09~22A 控制电源电压交流另有12V 、440V 、660V2. CJX1-32BA 控制电源电压交流无24V 、48V ,直流无12V3. CJX1-38A 控制电源电压交流无48V 、127V4. CJX1-75A 控制电源电压交流无127VE 电动控制与保护E 电动控制与保护■ CJX1-45~140■ CJX1-9Z~32BZCJX1-9~22CJX1-32B,38■ CJX1-170~475■ 接线图E 电动控制与保护E 电动控制与保护注1:对于CDC1定货代码中的“*”可由线圈电压代码来表示注2:以上为常规产品,用户可根据需要在CDC1-9~30顶端叠加四只CA7-10或CA7-01,在CDC-37~85配装CA9-20或CA9-11四只,在CDC1-105~370配装CA11-20或CA11-11四只E 电动控制与保护E 电动控制与保护辅助触头组接触器采用螺钉并加上垫圈和弹簧垫圈安装。
交流接触器使用方法交流接触器是一种用于控制电力电路的电器元件,其作用是在控制电路中实现电流的开闭和转换,常用于空调、电梯、电动机等设备中。
交流接触器的使用方法主要包括安装、连接、接线和调试等步骤。
下面将详细介绍交流接触器的使用方法。
一、安装交流接触器1、选择适合的交流接触器型号,根据实际需求确定交流接触器的额定电流和电压等参数。
2、确认安装位置,应选择通风良好、防尘、无腐蚀性气体的地方安装交流接触器。
3、将交流接触器安装在配电箱或设备控制柜内,将其固定在适当位置。
二、连接交流接触器1、连接交流接触器的控制电路,通常交流接触器有控制端和供电端。
将控制信号输入到控制端,控制交流接触器的开关状态。
2、连接交流接触器的电源线,根据交流接触器额定电流和电压的要求,选择合适的电源线进行连接。
三、接线1、根据设备的实际需求,将交流接触器的输出端与被控制设备的电源线进行连接。
2、根据设备的实际需求,将交流接触器的输入端与控制信号的电源线进行连接。
四、调试1、确认交流接触器的供电情况,确保接线正确、紧固牢固,排除接线错误和短路等问题。
2、确认交流接触器的控制信号是否正常,检查控制信号线路是否畅通,控制信号的高低电平是否正确。
3、启动被控制设备,观察交流接触器的开关状态是否正确,检查被控制设备是否正常工作。
五、注意事项1、安装交流接触器时,应注意通风良好、防雨防潮,防止接触器因为环境问题而出现故障。
2、接线时应严格按照交流接触器的接线图进行连接,确保接线正确,避免因接线错误而造成设备损坏或安全事故。
3、在使用交流接触器时,应定期检查和维护,以确保其正常工作。
对于长时间未使用的接触器,应在使用前进行试验运行,确保其正常工作。
总之,交流接触器的使用方法主要包括安装、连接、接线和调试等步骤。
只有严格按照使用方法来进行操作,才能保证交流接触器的正常工作和设备的安全运行。
希望以上内容能够对您有所帮助。
天津贝克电气有限公司HPC450-1/HPC450-3型快插式接触器操作说明书保护模块软件版本MPE V2.00-2.01-2.02显示模块软件版本DIS-2D V2.26-2.28目录1.关于使用快插式接触器模块的信息2.规则3.规程4.防爆类型5.防爆合格证6.技术数据6.1接触器模块HPC450-16.2接触器模块HPC450-36.3漏电闭锁6.4绝缘监测6.5中性点绝缘电网中的先导回路监测6.6 PTC温度测量电路6.7 PT100测量电路6.8过载和短路保护装置7总述7、1主回路结构7、2 监测和控制装置综述7、2.、1 保护模块MPE7、2.、2 显示器模块DIS-2D7、2、3 输入/输出继电器模块IM-2D7、2、4 显示器和继电器模块功能7.3 并行控制7.3.1 使用先导回路控制--按键操作7.3.2 使用先导回路控制—开关操作7.3.3 使用先导回路控制—开关操作7.3.4 使用先导回路控制—按键操作7.3.5 使用输入/输出模块控制—开关操作7.3.6 使用输入/输出模块控制—开关操作7.3.7 使用输入/输出模块控制—按键操作7、4 串接到高级控制系统8.操作8.1 显示模块DIS-2D综述8.2 菜单种类8、2、1 电工菜单8、2、2 工程师菜单8、2、3 使用者菜单8、2、4 管理者菜单8、2、5 工厂菜单8、2、6 服务菜单8.3 故障信息显示9. 监测功能综述9.1 过载保护9.2 短路保护9.3 相平衡9.4 绝缘监测9.5 漏电闭锁9.6 温度监测(PTC热敏电阻和PT100)9.6.1 PTC热敏电阻监测9.6.2 PT100温度监测9.7 先导回路监测9.8 中性点漂移(中性点接地系统泄漏电流监测)9.9 高压测试(仅实用于3.3KV接触器模块)10. 安全回路功能11. 短路分断实验12.分断功能概括13.协议13.1 显示器模块和接触器模块间的数据交换13.2. 显示器模块和PROMOS之间的数据交换(通过SGL)14. 版本1、关于使用快插式接触器模块的信息为了正确使用该模块必须注意下列各点:●快插式接触器模块必须安装在隔爆腔室中使用●有关于绝缘的参数ESA.dtC.UPr必须根据相关的规程正确设置。
ABB Automation Products, Cewe-Control SE-721 61 Västerås, Sweden Telephone +46 21 32 07 00Telefax +46 21 12 60 01接触器使用手册Contactors Schütze Contacteurs Kontaktorer Contattori Contactores KontaktoriOperating instructionns Betriebsanlietung Notice d’instructions InstruktionIstruzioni tecnicheIlnstrucciones de empleo OhjeWarning! The operation, installation and servicing of this product must be carried out by a qualified electrician, following installation standards and safety regulations. Before operating the contactor, make sure that the control voltage supply corresponds with the coil marking. Wrong control voltage can damage the coil. Do not touch live parts. Danger!Warnung! Die inbetriebnahme und die installation des vorhandenen Gerätes sowie jegliche Wartungsarbeiten müssen durch einen Fachelektriker, der die anerkannten technischen Regeln, die Montagenormen und die Sicherheitsvorschriften beachtet, durchgefürt werden. Vor Inbetriebnahme der Schüttze prüfen ob Steuerspannung am Verwendungsort mit den aufgedruckten Spulendaten übereinstimmt. Der Anschluss einer anderen Steuerspannung kan zur Zerstörung der Spule führen. Spannung führende Teile nicht berühren. Lebensgefahr!Attention! La mise en ceuvre et I'installation de cet appareil et toute intervention doivent être affectuées par un électricien professionnel appliquant les normesd'installation et les réglements de sécurité. Avant la mise en marche des contacteurs, vérifier que la tension du circuit de contrôle correspond bien aux indications de la bobine. Le raccordement d'une tension différente peut mener à une destruction de la bobine. Ne pas toucher les pièces sous tension. Danger de mort!Varning! Igångsättning och installation av apparaten samt alla ingrepp bör utföras av en kompetent elektriker enligt alla gällande installationsnormer och säkerhetsregler. Kontrollera före installation av kontaktorn att aktuell manöverspänning överensstämmer med spolens märkdata. Felaktig manöverspänning kan skada spolen. Beröring av spänningsförande delar är förenat med livsfara.Attenzione! La messa in opera, I'installazione di questo apparecchio ed ogni tipo di intervento devono essere effettuati da un elettricista professionista il quale applichi le regole del mestiere, le norme di installazione ed i regolamenti di sicuezza. Prima della messa in servizio del contattore, verificare che la tensione di alimentazione del circuito di comando corrisponda esattamente a quella indicata sulla bobina. L'alimentazione con una tensione diversa, puo provocare il danneggiamento della bobina. Non toccare le parti attive. Pericolo di vita!¡Atención! La instalación y puesta en marcha de este aparato, así como cualquier intervención, deben realizarse por un electricista profesional que aplique las normas de instalaciones eléctricas y la reglamentación de seguridad. Antes de la puesta en servicio del contactor, comprobar si coincide la tensión de mando que va a aplicar con los datos impresos en la bobina. La conexión de otra tensión de mando puede destruir la bobina. Las partes bajo tensión no deben tocarse. ¡Peligro de muerte!Varoitus! Tämän laitteen käyttäminen, asennus ja huoltaminen vaatii ammattihenkilön. Seuraavia asennusmääräyksiä ja turvaohjeita tulee noudattaa. Ohjausjännitteen ja kontaktorin kelaan merkityn jännitteen yhteensopivuus tulee varmistaa enne käyttönottoa. Epäsopiva käyttöjännite saattaa vioittaa kelaa. Älä koske jänniteisiin osiin. Vaara!注意!所有对此产品的操作、安装及维护,均需由合格的电气工程师,在遵循安装标准及安全准则的条件下进行。