接地装置施工及验收规范(2013版)
- 格式:pptx
- 大小:465.15 KB
- 文档页数:37
电气装置安装工程接地装置施工及验收规范GB50169—92主编部门:中华人民共和国能源部批准部门:中华人民共和国建设部施行日期:1993年7月1日第一章总则第1.0.1条为保证接地装置安装工程的施工质量,促进工程施工技术水平的提高,确保接地装置安全运行,制定本规范。
第1.0.2条本规范适用于电气装置的接地装置安装工程的施工及验收。
第1.0.3条接地装置的安装应按已批准的设计进行施工。
第1.0.4条采用的器材应符合国家现行技术标准的规定,并应有合格证件。
第1.0.5条施工中的安全技术措施,应符合本规范和现行有关安全技术标准的规定。
第1.0.6条接地装置的安装应配合建筑工程的施工,隐蔽部分必须在覆盖前会同有关单位做好中间检查及验收记录。
第1.0.7条接地装置的施工及验收,除按本规范的规定执行外,尚应符合国家现行的有关标准、规范的规定。
第二章电气装置的接地第一节一般规定第2.1.1条电气装置的下列金属部分,均应接地或接零:一、电机、变压器、电器、携带式或移动式用电器具等的金属底座和外壳。
二、电气设备的传动装置。
三、屋内外配电装置的金属或钢筋混凝土构架以及靠近带电部分的金属遮栏和金属门。
四、配电、控制、保护用的屏(柜、箱)及操作台等的金属框架和底座。
五、交、直流电力电缆的接头盒、终端头和膨胀器的金属外壳和电缆的金属护层、可触及的电缆金属保护管和穿线的钢管。
六、电缆桥架、支架和井架。
七、装有避雷线的电力线路杆塔。
八、装在配电线路杆上的电力设备。
九、在非沥青地面的居民区内,无避雷线的小接地电流架空电力线路的金属杆塔和钢筋混凝土杆塔。
十、电除尘器的构架。
十一、封闭母线的外壳及其他裸露的金属部分。
十二、六氟化硫封闭式组合电器和箱式变电站的金属箱体。
十三、电热设备的金属外壳。
十四、控制电缆的金属护层。
第2.1.2条电气装置的下列金属部分可不接地或不接零:一、在木质、沥青等不良导电地面的干燥房间内,交流额定电压为380V及以下或直流额定电压为440V及以下的电气设备的外壳;但当有可能同时触及上述电气设备外壳和已接地的其他物体时,则仍应接地。
附录C-4 GB50169-92 接地装置施工及验收规范第二章电气装置的接地第一节一般规定第2.1.1条电气装置的下列金属部分,均应接地或接零:一、电机、变压器、电器、携带式或移动式用电器具等的金属底座和外壳。
二、电气设备的传动装置。
三、屋内外配电装置的金属或钢筋混凝土构架以及靠近带电部分的金属遮栏和金属门。
四、配电、控制、保护用的屏(柜、箱)及操作台等的金属框架和底座。
五、交、直流电力电缆的接头盒、终端头和膨胀器的金属外壳和电缆的金属护层、可触及的电缆金属保护管和穿线的钢管。
六、电缆桥架、支架和井架。
,七、装有避雷线的电力线路杆塔。
八、装在配电线路杆上的电力设备。
九、在非沥青地面的居民区内,无避雷线的小接地电流架空电力线路的金属杆塔和钢筋混凝土杆塔。
十、电除尘器的构架。
十一、封闭母线的外壳及其他裸露的金属部分。
十二、六氟化硫封闭式组合电器和箱式变电站的金属箱体。
十三、电热设备的金属外壳。
十四、控制电缆的金属护层。
·第2.1.2条电气装置的下列金属部分可不接地或不接零:·一、在木质、沥青等不良导电地面的干燥房间内,交流额定电压为380V及以下或直流额定电压为440V及以下的电气设备的外壳;但当有可能同时触及上述电气设备外壳和已接地的其他物体时,则仍应接地。
.二、在干燥场所,交流额定电压为127V及以下或直流额定电压为1iOV及以下的电气设备的外壳。
三、安装在配电屏、控制屏和配电装置上的电气测量仪表、继电器和其他低压电器等的外壳,以及当发生绝缘损坏时,在支持物上不会引起危险电压的绝缘子的金属底座等。
四、安装在已接地金属构架上的设备,如穿墙套管等。
五、额定电压为220V及以下的蓄电池室内的金属支架。
六、由发电厂、变电所和工业、企业区域内引出的铁路轨道。
七、与已接地的机床、机座之间有可靠电气接触的电动机和电器的外壳。
第2.1.3条需要接地的直流系统的接地装置应符合下列要求:一、能与地构成闭合回路且经常流过电流的接地线应沿绝缘垫板敷设,不得与金属管道、建筑物和设备的构件有金属的连接。
防雷接地设计及项⽬施⼯验收规范防雷接地装置施⼯及验收规范第⼀章总则第1.0.1条为保证接地装置安装⼯程的施⼯质量、促进⼯程施⼯技术⽔平的提⾼,确保接地装置安全运⾏,制定本规范。
第条本规范适⽤于电⽓装置的接地装置安装⼯程的施⼯及验收。
第条接地装置的安装应按已批准的设计进⾏施⼯。
第条采⽤的器材应符合国家现⾏技术标准的规定,井应有合格证件。
第条施⼯中的安全技术措施,应符合本规范和现⾏有关安全技术标准的规定。
第条接地装置的安装应配合建筑⼯程的施⼯,隐蔽部分必须在覆盖前会同有关单位做好中间检查及验收记录。
第条接地装置的施⼯及验收,除按本规范的规定执⾏外,尚应符合国家现⾏的有关标准、规范的规定。
第⼆章电⽓装置的接地第⼀节⼀般规定第条电⽓装置的下列⾦属部分。
均应接地或与线相接:⼀、电机、变压器、电器、⼿携式或移动式⽤电器具等的⾦属底座和外壳。
⼆、电⽓设备的传动装置。
三、屋内外配电装置的⾦属或钢筋混凝⼟构架以及靠近带电部分的⾦属遮栏和⾦属门。
四、配电、控制、保护⽤的屏(柜、箱)及操作台等的⾦属框架和底座。
五、交、直流电⼒电缆的接头盒、终端头和膨胀器的⾦属外壳和电缆的⾦属护层、可触及的电缆⾦属保护管和穿线的钢管。
六、电缆桥架、⽀架和井架。
七、装有避雷线的电⼒线路杆塔。
⼋、装在配电线路杆下的电⼒设备。
九、在⾮沥青地⾯的居民区内,⽆避雷线的⼩接地电流架空电⼒线路的⾦属杆塔和钢筋混凝⼟杆塔。
⼗、电除尘器的构架。
⼗⼀、封闭母线的外壳及其他裸露的⾦属部分。
⼗⼆、六氟化硫封闭式组合电器和箱式变电站的⾦属箱体。
⼗三、电热设备的⾦属外壳。
⼗四、控制电缆的⾦属护层。
第2.1.2条电⽓装置的下列⾦属部分可不接地或不与线相接:⼀、在⽊质、沥青等不良导电地⾯的⼲燥房间内,交流额定电压为及以下或直流额定电压为及以下的电⽓设备的外壳;但当有可能同时触及上述电⽓设备外壳和已接地的其他物体时,则仍应接地。
⼆、在⼲燥场所,交流额定电压为及以下或直流额定电压为及以下的电⽓设备的外壳(该款系沿⽤《电⽓安装施⼯及验收规范》中条⽂)。
GB50169-92电气装置安装工程接地装置施工及验收规范第一章总则第1.0.1条为保证接地装置安装工程的施工质量,促进工程施工技术水平的提高,确保接地装置安全运行,制定本规范。
第 1.0.2条本规范适用于电气装置的接地装置安装工程的施工及验收。
第1.0.3条接地装置的安装应按已批准的设计进行施工。
第1.0.4条采用的器材应符合国家现行技术标准的规定,并应有合格证件。
第1.0.5条施工中的安全技术措施,应符合本规范和现行有关安全技术标准的规定。
第1.0.6条接地装置的安装应配合建筑工程的施工,隐蔽部分必须在覆盖前会同有关单位做好中间检查及验收记录。
第1.0.7条接地装置的施工及验收,除按本规范的规定执行外,尚应符合国家现行的有关标准、规范的规定。
第二章电气装置的接地第一节一般规定第2.1.1条电气装置的下列金属部分,均应接地或接零:一、电机、变压器、电器、携带式或移动式用电器具等的金属底座和外壳。
二、电气设备的传动装置。
三、屋内外配电装置的金属或钢筋混凝土构架以及靠近带电部分的金属遮栏和金属门。
四、配电、控制、保护用的屏(柜、箱)及操作台等的金属框架和底座。
五、交、直流电力电缆的接头盒、终端头和膨胀器的金属外壳和电缆的金属护层、可触及的电缆金属保护管和穿线的钢管。
六、电缆桥架、支架和井架。
七、装有避雷线的电力线路杆塔。
八、装在配电线路杆上的电力设备。
九、在非沥青地面的居民区内,无避雷线的小接地电流架空电力线路的金属杆塔和钢筋混凝土杆塔。
十、电除尘器的构架。
十一、封闭母线的外壳及其他裸露的金属部分。
十二、六氟化硫封闭式组合电器和箱式变电站的金属箱体。
十三、电热设备的金属外壳。
十四、控制电缆的金属护层。
第2.1.2条电气装置的下列金属部分可不接地或不接零:一、在木质、沥青等不良导电地面的干燥房间内,交流额定电压为380V及以下或直流额定电压为440V及以下的电气设备的外壳;但当有可能同时触及上述电气设备外壳和已接地的其他物体时,则仍应接地。
GB50169-92电气装置安装工程接地装置施工及验收规范第一章总则第1.0.1条为保证接地装置安装工程的施工质量,促进工程施工技术水平的提高,确保接地装置安全运行,制定本规范。
第1.0.2条本规范适用于电气装置的接地装置安装工程的施工及验收。
第1.0.3条接地装置的安装应按已批准的设计进行施工。
第1.0.4条采用的器材应符合国家现行技术标准的规定,并应有合格证件。
第1.0.5条施工中的安全技术措施,应符合本规范和现行有关安全技术标准的规定。
第1.0.6条接地装置的安装应配合建筑工程的施工,隐蔽部分必须在覆盖前会同有关单位做好中间检查及验收记录。
第1.0.7条接地装置的施工及验收,除按本规范的规定执行外,尚应符合国家现行的有关标准、规范的规定。
第二章电气装置的接地第一节一般规定第2.1.1条电气装置的下列金属部分,均应接地或接零:一、电机、变压器、电器、携带式或移动式用电器具等的金属底座和外壳。
二、电气设备的传动装置。
三、屋内外配电装置的金属或钢筋混凝土构架以及靠近带电部分的金属遮栏和金属门。
四、配电、控制、保护用的屏(柜、箱)及操作台等的金属框架和底座。
五、交、直流电力电缆的接头盒、终端头和膨胀器的金属外壳和电缆的金属护层、可触及的电缆金属保护管和穿线的钢管。
六、电缆桥架、支架和井架。
七、装有避雷线的电力线路杆塔。
八、装在配电线路杆上的电力设备。
九、在非沥青地面的居民区内,无避雷线的小接地电流架空电力线路的金属杆塔和钢筋混凝土杆塔。
十、电除尘器的构架。
十一、封闭母线的外壳及其他裸露的金属部分。
十二、六氟化硫封闭式组合电器和箱式变电站的金属箱体。
十三、电热设备的金属外壳。
十四、控制电缆的金属护层。
第2.1.2条电气装置的下列金属部分可不接地或不接零:一、在木质、沥青等不良导电地面的干燥房间内,交流额定电压为380V及以下或直流额定电压为440V及以下的电气设备的外壳;但当有可能同时触及上述电气设备外壳和已接地的其他物体时,则仍应接地。
接地装置施工及验收规范第一章总则第1.0.1条为保证接地装置安装工程的施工质量,促进工程施工技术水平的提高,确保接地装置安全运行,制定本规范。
第1.0.2条本规范适用于电气装置的接地装置安装工程的施工及验收。
第1.0.3条接地装置的安装应按已批准的设计进行施工。
第1.0.4条采用的器材应符合国家现行技术标准的规定,并应有合格证件。
第1.0.5条施工中的安全技术措施,应符合本规范和现行有关安全技术标准的规定。
第1.0.6条接地装置的安装应配合建筑工程的施工,隐蔽部分必须在覆盖前会同有关单位做好中间检查及验收记录。
第1.0.7条接地装置的施工及验收,除按本规范的规定执行外,尚应符合国家现行的有关标准、规范的规定。
第二章电气装置的接地第一节一般规定第2.1.1条电气装置的下列金属部分,均应接地或接零:一、电机、变压器、电器、携带式或移动式用电器具等的金属底座和外壳。
二、电气设备的传动装置。
三、屋内外配电装置的金属或钢筋混凝土构架以及靠近带电部分的金属遮栏和金属门。
四、配电、控制、保护用的屏(柜、箱)及操作台等的金属框架和底座。
五、交、直流电力电缆的接头盒、终端头和膨胀器的金属外壳和电缆的金属护层、可触及的电缆金属保护管和穿线的钢管。
六、电缆桥架、支架和井架。
七、装有避雷线的电力线路杆塔。
八、装在配电线路杆上的电力设备。
九、在非沥青地面的居民区内,无避雷线的小接地电流架空电力线路的金属杆塔和钢筋混凝土杆塔。
十、电除尘器的构架。
十一、封闭母线的外壳及其他裸露的金属部分。
十二、六氟化硫封闭式组合电器和箱式变电站的金属箱体。
十三、电热设备的金属外壳。
十四、控制电缆的金属护层。
第2.1.2条电气装置的下列金属部分可不接地或不接零:一、在木质、沥青等不良导电地面的干燥房间内,交流额定电压为380V及以下或直流额定电压为440V及以下的电气设备的外壳;但当有可能同时触及上述电气设备外壳和已接地的其他物体时,则仍应接地。
1 总则1.0.1 为保证接地装置安装工程的施工质量,促进工程施工技术水平的提高,确保接地装置安全运行,制定本规范。
1.0.2 本规范适用于电气装置的接地装置安装工程的施工及验收。
1.0.3 接地装置的安装应由工程施工单位按已批准的设计要求施工,工程建设管理单位和监理单位应有专人负责监督。
1.0.4 接地装置施工采用的器材应符合国家现行技术标准的规定,并应有合格证件。
1.0.5 施工中的安全技术措施应符合本规范和现行有关安全标准的规定。
1.0.6 接地装置的安装应配合建筑工程的施工;隐蔽部分必须在覆盖前会同有关单位作好中间检查及验收记录。
1.0.7 各种电气装置与主接地网的连接必须可靠,接地装置的焊接质量应符合本规范第3.4.2条的规定,接地电阻应符合设计规定,扩建接地网与原接地网应为多点连接。
1.0.8 接地装置验收测试应在土建完工后尽快安排进行;对高土壤电阻率地区的接地装置,在接地电阻难以满足要求时,应由设计确定采取相应措施,验收合格后方可投入运行。
1.0.9 接地装置的施工及验收,除应按本规范的规定执行外,尚应符合国家现行的有关标准规的规定。
精品文档2 术语和定义2.0.1接地体(极)grounding conductor埋入地中并直接与大地接触的金属导体,称为接地体(极)。
接地体分为水平接地体和垂直接地体。
2.0.2自然接地体natural earthing electrode可利用作为接地用的直接与大地接触的各种金属构件、金属井管、钢筋混凝土建筑物的基础、金属管道和设备等,称为自然接地体。
2.0.3接地线grounding conductor电力设备、杆塔的接地螺栓与接地体或零线连接用的在正常情况下不载流的金属导体,称为接地线。
2.0.4接地装置grounding connection接地体和接地线的总和,称为接地装置。
2.0.5接地grounded将电力系统或建筑物电气装置、设施过电压保护装置用接地线与接地体连接,称为接地。
防雷接地装置施工及验收规范G: E0 J, U# ~f; z* B- l! p ( B" Z8 o8 ]( E8 x v! [! o* S/ 第一章总则第1.0.1条为保证接地装置安装工程的施工质量、促进工程施工技术水平的提高,确保接地装置安全运行,制定本规范。
第1.0.2条本规范适用于电气装置的接地装置安装工程的施工及验收。
第1.0.3条接地装置的安装应按已批准的设计进行施工。
2 [, X9 q( I9 S8 a第1.0.4条采用的器材应符合国家现行技术标准的规定,井应有合格证件。
0 ^第1.0.5条施工中的安全技术措施,应符合本规范和现行有关安全技术标准的规定。
第1.0.6条接地装置的安装应配合建筑工程的施工,隐蔽部分必须在覆盖前会同有关单位做好中间检查及验收记录。
第1.0.7条接地装置的施工及验收,除按本规范的规定执行外,尚应符合国家现行的有关标准、规范的规定。
$ `; x0 {+ k6 I2 B( h" s0 ~第二章电气装置的接地第一节一般规定8 v/ ]; i/ L5 j |第2.1.l条电气装置的下列金属部分。
均应接地或与PEN线相接:# I- J, ]0 T% ]一、电机、变压器、电器、手携式或移动式用电器具等的金属底座和外壳。
二、电气设备的传动装置。
三、屋内外配电装置的金属或钢筋混凝土构架以及靠近带电部分的金属遮栏和金属门。
四、配电、控制、保护用的屏(柜、箱)及操作台等的金属框架和底座。
1 P% f$ C$ ^& ^9 z: j1五、交、直流电力电缆的接头盒、终端头和膨胀器的金属外壳和电缆的金属护层、可触及的电缆金属保护管和穿线的钢管。
% C! w: A) s- D: f六、电缆桥架、支架和井架。
5 {9 f2 H. [( X* F七、装有避雷线的电力线路杆塔。
. \' t$ l& n0 Q$ c4 b2 }& O八、装在配电线路杆下的电力设备。
中华人民共和国国家标准电气装置安装工程施工及验收规范接地装置篇GBJ 232—82第十五篇接地装置篇主编单位:中华人民共和国水利电力部浙江省基本建设委员会批准单位:中华人民共和国国家基本建设委员会实行日期:1 9 8 2 年10 月 1 日中国建筑工业出版社1982年北京注明:第七篇“低压电器篇”、第六篇“硅整流装置篇”、第八篇“起重机电气装置篇”、第十六篇”爆炸和火灾危险场所电气装置篇”同时废止。
第一章总则第1.0.1条本篇适用于工业和民用电气装置的接地工程的施工及验收。
第1.0.2条电气装置的接地工程应按已批准的设计进行施工。
第1.0.3条凡所使用的器材均应符合国家或部颁的现行技术标准,并应有合格证件。
第1.0.4条施工中的安全技术措施应遵守本规范和现行有关安全技术规程的规定。
第1.0.5条电气装置的接地工程,除应符合本篇规定外,尚应符合本规范“爆炸和有火灾危险场所电气装置篇”和现行的有关专业规程的特殊规定。
第1.0.6条电气装置的接地工程应配合土建施工同时进行;其隐蔽部分应在覆盖前及时会同有关单位作好中间检查及验收。
第1.0.7条避雷针(带)及其引下线以及接地装置用的紧固件,除地脚螺栓外,均应用镀锌制品。
第1.0.8条电气装置的接地工程,在施工及交接验收时,应时行下列检查:一、竣工的工程是否符合设计;二、工程质量是否符合规定;三、试验项目及结果是否符合规定;四、按本篇规定提交的技术资料和文件是否齐全。
第二章电气装置的接地第一节一般规定第2.1.1条所有电气装置中,由于绝缘损坏而可能带电的电气装置,其金属部分均应有保护接地,应接地的部分如下:一、电机、变压器及其他电器的金属底座和外壳;二、电气设备的传动装置;三、屋内外配电装置的金属或钢筋混凝土构架以及靠近带电部分的金属遮栏和金属门;四、配电、控制、保护用的盘(台、箱)的框架;五、交、直流电力电缆的接线盒、终端盒的金属外壳和电缆的金属护层、穿线的钢管;六、电缆支架;七、装有避雷线的电力线路杆塔;八、装在配电线路杆上的电力设备;九、在非沥青地面的居民区内,无避雷线的小接地电流架空电力线路的金属杆塔和钢筋混凝土杆塔。
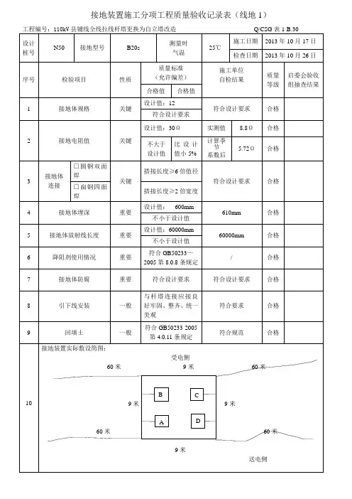
接地装置施工分项工程质量验收记录表(线地1)工程编号:110kV县铺线全线拉线杆塔更换为自立塔改造Q/CSG表1-B.30设计桩号N50 接地型号B20s测量时气温25℃施工日期2013年10月17日检查日期2013年10月26日序号检验项目性质质量标准(允许偏差)施工单位自检结果质量等级启委会验收组抽查结果合格值合格值1 接地体规格关键设计值:12符合设计要求合格符合设计要求2 接地电阻值关键设计值:30Ω实测值8.8Ω合格不大于设计值比设计值小5%计算季节系数后5.72Ω合格3 接地体连接□圆钢双面焊关键搭接长度≥6倍值径符合设计要求合格□扁钢四面焊搭接长度≥2倍宽度4 接地体埋深重要设计值:600mm610mm 合格不小于设计值5 接地体放射线长度重要设计值:60000mm60000mm 合格不小于设计值6 降阻剂使用情况重要符合GB50233—2005第8.0.8条规定/ 合格7 接地体防腐重要符合设计要求符合设计要求合格8 引下线安装一般与杆塔连接应接良好牢固、整齐、统一美观符合要求合格9 回填土一般符合GB50233-2005第4.0.11条规定符合规范合格10 接地装置实际敷设简图:受电侧60米9米60米9米9米60米60米9米送电侧CBA DQ/CSG表1-B.30(续)监理单位验收意见(评级):启委会验收组验收意见:合格:项不合格:项缺陷处理情况:验收单位质量验收结论签名班组年月日施工队年月日项目部年月日监理年月日启委会验收组(只对所抽检分项年月日工程签名确认)备注测量接地电阻值时的季节系数为: 1.4。
1 总则1.0.1 为保证接地装置安装工程的施工质量,促进工程施工技术水平的提高,确保接地装置安全运行,制定本规范。
1.0.2 本规范适用于电气装置的接地装置安装工程的施工及验收。
1.0.3 接地装置的安装应由工程施工单位按已批准的设计要求施工,工程建设管理单位和监理单位应有专人负责监督。
1.0.4 接地装置施工采用的器材应符合国家现行技术标准的规定,并应有合格证件。
1.0.5 施工中的安全技术措施应符合本规范和现行有关安全标准的规定。
11.0.6 接地装置的安装应配合建筑工程的施工;隐蔽部分必须在覆盖前会同有关单位作好中间检查及验收记录。
1.0.7 各种电气装置与主接地网的连接必须可靠,接地装置的焊接质量应符合本规范第3.4.2条的规定,接地电阻应符合设计规定,扩建接地网与原接地网应为多点连接。
1.0.8 接地装置验收测试应在土建完工后尽快安排进行;对高土壤电阻率地区的接地装置,在接地电阻难以满足要求时,应由设计确定采取相应措施,验收合格后方可投入运行。
1.0.9 接地装置的施工及验收,除应按本规范的规定执行外,尚应符合国家现行的有关标准规的规定。
22 术语和定义2.0.1接地体(极)grounding conductor埋入地中并直接与大地接触的金属导体,称为接地体(极)。
接地体分为水平接地体和垂直接地体。
2.0.2自然接地体natural earthing electrode可利用作为接地用的直接与大地接触的各种金属构件、金属井管、钢筋混凝土建筑物的基础、金属管道和设备等,称为自然接地体。
2.0.3接地线grounding conductor电力设备、杆塔的接地螺栓与接地体或零线连接用的在正常情况下不载流的金属导体,称为接3地线。
2.0.4接地装置grounding connection接地体和接地线的总和,称为接地装置。
2.0.5接地grounded将电力系统或建筑物电气装置、设施过电压保护装置用接地线与接地体连接,称为接地。
电气装置安装工程接地装置施工及验收规范GB50169—92电气装置安装工程接地装置施工及验收规范第一章总则第1.0.1条为保证接地装置安装工程的施工质量,促进工程施工技术水平的提高,确保接地装置安全运行,制定本规范。
第1.0.2条本规范适用于电气装置的接地装置安装工程的施工及验收。
第1.0.3条接地装置的安装应按已批准的设计进行施工。
第1.0.4条采用的器材应符合国家现行技术标准的规定,并应有合格证件。
第1.0.5条施工中的安全技术措施,应符合本规范和现行有关安全技术标准的规定。
第1.0.6条接地装置的安装应配合建筑工程的施工,隐蔽部分必须在覆盖前会同有关单位做好中间检查及验收记录。
第1.0.7条接地装置的施工及验收,除按本规范的规定执行外,尚应符合国家现行的有关标准、规范的规定。
第二章电气装置的接地第一节一般规定第2.1.1条电气装置的下列金属部分,均应接地或接零:一、电机、变压器、电器、携带式或移动式用电器具等的金属底座和外壳。
二、电气设备的传动装置。
三、屋内外配电装置的金属或钢筋混凝土构架以及靠近带电部分的金属遮栏和金属门。
四、配电、控制、保护用的屏(柜、箱)及操作台等的金属框架和底座。
五、交、直流电力电缆的接头盒、终端头和膨胀器的金属外壳和电缆的金属护层、可触及的电缆金属保护管和穿线的钢管。
六、电缆桥架、支架和井架。
七、装有避雷线的电力线路杆塔。
八、装在配电线路杆上的电力设备。
九、在非沥青地面的居民区内,无避雷线的小接地电流架空电力线路的金属杆塔和钢筋混凝土杆塔。
十、电除尘器的构架。
十一、封闭母线的外壳及其他裸露的金属部分。
十二、六氟化硫封闭式组合电器和箱式变电站的金属箱体。
十三、电热设备的金属外壳。
十四、控制电缆的金属护层。
第2.1.2条电气装置的下列金属部分可不接地或不接零:一、在木质、沥青等不良导电地面的干燥房间内,交流额定电压为380V及以下或直流额定电压为440V及以下的电气设备的外壳;但当有可能同时触及上述电气设备外壳和已接地的其他物体时,则仍应接地。
电气装置安装工程施工及验收规范-接地装置篇电气装置安装工程施工及验收规范第十五篇电气装置安装工程接地装置施工及验收规范第一章总则第1.0.1条为保证接地装置安装工程的施工质量,促进工程施工技术水平的提高,确保接地装置安全运行,制定本规范。
第二章电气装置的接地第一节一般规定一、电机、变压器、电器、携带式或移动式用电器具等的金属底座和外壳;二、电气设备的传动装置;三、屋内、外配电装置的金属或钢筋混凝土构架以及靠近带电部分的金属遮栏和金属门;四、配电、控制、保护用的屏(柜、箱)的操作台等的金属框架及底座;五、交、直流电力电缆的接头盒、终端头和膨胀器的金属外壳和电缆的金属护层、可触及的电缆金属保护管和穿线的钢管;六、电缆条架、支架和井架;七、装有避雷线的电力线路杆塔;八、装在配电线路杆上的电力设备;九、在非沥青地面的居民区内,无避雷线的小接地电流架空电力线路的金属杆塔和钢筋混凝土杆塔。
十、电除尘器的构架。
十一、封闭母线的外壳及其他裸露的金属部分。
十二、六氟化硫封闭式组合电器和工变电站的金属箱体。
十三、电热设备的金属外壳。
十四、控制电缆的金属护层。
一、在木质、沥青等不良导电地面的干燥房间内,交流额定电压为380伏及以下或直流额定电压为440伏及以下的电气设备的外壳;但当有可能同时触及上述电气设备外壳和已接地的其他物体时,则仍应接地;二、在干燥场所,交流额定电压为127伏及以下或直流额定电压为110伏及以下的电气设备的外壳;三、安装在配电屏、控制屏和配电装置上的电气测量仪表、继电器和其他低压电器等的外壳以及当发生绝缘损坏时在支持物上不会引起危险电压的绝缘子的金属底座等;四、安装在已接地金属构架上的设备,如穿墙套管等;五、额定电压为220伏及以下的蓄电池室内的金属支架;六、由发电厂、变电所和工业、企业区域内引出的铁路轨道;七、与已接地的机床、机座之间有可靠电气接触的电动机和电器的外壳;一、能与地构成闭合回路且经常流过电流的接地线应沿绝缘垫板敷设,不得与金属管道、建筑物和设备的构件有金属的连接;二、在土壤中含有在电解时能产生腐蚀性物质的地方,不宜敷设接地装置,必要时可采取外引式接地装置或改良土壤的措施。
防雷接地装置施工及验收规范第一章总则第1。
0。
1条为保证接地装置安装工程的施工质量、促进工程施工技术水平的提高,确保接地装置安全运行,制定本规范。
第1。
0.2条本规范适用于电气装置的接地装置安装工程的施工及验收.第1。
0.3条接地装置的安装应按已批准的设计进行施工。
第1。
0.4条采用的器材应符合国家现行技术标准的规定,井应有合格证件. 第1。
0。
5条施工中的安全技术措施,应符合本规范和现行有关安全技术标准的规定.第1。
0。
6条接地装置的安装应配合建筑工程的施工,隐蔽部分必须在覆盖前会同有关单位做好中间检查及验收记录。
第1。
0.7条接地装置的施工及验收,除按本规范的规定执行外,尚应符合国家现行的有关标准、规范的规定。
第二章电气装置的接地第一节一般规定第2.1。
l条电气装置的下列金属部分。
均应接地或与PEN线相接: 一、电机、变压器、电器、手携式或移动式用电器具等的金属底座和外壳。
二、电气设备的传动装置。
三、屋内外配电装置的金属或钢筋混凝土构架以及靠近带电部分的金属遮栏和金属门。
四、配电、控制、保护用的屏(柜、箱)及操作台等的金属框架和底座。
五、交、直流电力电缆的接头盒、终端头和膨胀器的金属外壳和电缆的金属护层、可触及的电缆金属保护管和穿线的钢管.六、电缆桥架、支架和井架。
七、装有避雷线的电力线路杆塔。
八、装在配电线路杆下的电力设备。
九、在非沥青地面的居民区内,无避雷线的小接地电流架空电力线路的金属杆塔和钢筋混凝土杆塔.十、电除尘器的构架。
十一、封闭母线的外壳及其他裸露的金属部分.十二、六氟化硫封闭式组合电器和箱式变电站的金属箱体.十三、电热设备的金属外壳.十四、控制电缆的金属护层。
第2。
1。
2条电气装置的下列金属部分可不接地或不与PEN线相接:一、在木质、沥青等不良导电地面的干燥房间内,交流额定电压为380V及以下或直流额定电压为440V及以下的电气设备的外壳;但当有可能同时触及上述电气设备外壳和已接地的其他物体时,则仍应接地.二、在干燥场所,交流额定电压为127V及以下或直流额定电压为110V及以下的电气设备的外壳(该款系沿用《电气安装施工及验收规范》GBJ232—82中条文)。
防雷接地装置施工及验收规范第一章总则第1。
0.1条为保证接地装置安装工程的施工质量、促进工程施工技术水平的提高,确保接地装置安全运行,制定本规范。
第1。
0.2条本规范适用于电气装置的接地装置安装工程的施工及验收.第1。
0.3条接地装置的安装应按已批准的设计进行施工。
第1.0.4条采用的器材应符合国家现行技术标准的规定,井应有合格证件。
第1。
0。
5条施工中的安全技术措施,应符合本规范和现行有关安全技术标准的规定。
第1。
0。
6条接地装置的安装应配合建筑工程的施工,隐蔽部分必须在覆盖前会同有关单位做好中间检查及验收记录。
第1.0.7条接地装置的施工及验收,除按本规范的规定执行外,尚应符合国家现行的有关标准、规范的规定。
第二章电气装置的接地第一节一般规定第2。
1。
l条电气装置的下列金属部分。
均应接地或与PEN线相接: 一、电机、变压器、电器、手携式或移动式用电器具等的金属底座和外壳.二、电气设备的传动装置。
三、屋内外配电装置的金属或钢筋混凝土构架以及靠近带电部分的金属遮栏和金属门.四、配电、控制、保护用的屏(柜、箱)及操作台等的金属框架和底座。
五、交、直流电力电缆的接头盒、终端头和膨胀器的金属外壳和电缆的金属护层、可触及的电缆金属保护管和穿线的钢管。
六、电缆桥架、支架和井架。
七、装有避雷线的电力线路杆塔。
八、装在配电线路杆下的电力设备.九、在非沥青地面的居民区内,无避雷线的小接地电流架空电力线路的金属杆塔和钢筋混凝土杆塔。
十、电除尘器的构架。
十一、封闭母线的外壳及其他裸露的金属部分。
十二、六氟化硫封闭式组合电器和箱式变电站的金属箱体。
十三、电热设备的金属外壳。
十四、控制电缆的金属护层。
第2。
1。
2条电气装置的下列金属部分可不接地或不与PEN线相接:一、在木质、沥青等不良导电地面的干燥房间内,交流额定电压为380V及以下或直流额定电压为440V及以下的电气设备的外壳;但当有可能同时触及上述电气设备外壳和已接地的其他物体时,则仍应接地。