鲁DQ-023电气接地装置隐蔽验收记录
- 格式:doc
- 大小:21.00 KB
- 文档页数:2
6、接地隐蔽验收记录电气工程隐蔽验收记录工程名称分项工程名称隐蔽验收部位施工单位项目负责人专业工长施工班组长设计图号单位数量检查验收情况附图及说明电力浅沟两侧各铺设一根 50_5 镀锌扁钢作为水瓶接地体,水瓶接地体与支架预埋件可靠焊接,每隔 10m 设一根 50_50_5 镀锌角钢垂直接地极与水平接地体可靠焊接。
整个接地焊接的焊肉饱满,无咬肉现象,无漏焊。
地下部分焊接处防腐良好,安装符合设计及规范要求。
施工单位检查评定结果经检查,该检验批的接地装置安装符合设计和规范要求,评定合格。
项目专业质量检查员:项目专业质量(技术)负责人:年月日监理(建设)单位验收结论经旁站检查验收,该检验批的施工质量符合设计和规范要求,同意验收。
监理工程师(建设单位项目技术负责人):年月日注:本表一式四份,建设单位、施工单位、监理单位、城建档案馆各一份。
四川省建设厅监制SG- - A093让我收获颇大!隐蔽工程验收记录填写范例一、地基基础工程与主体结构工程1、土方工程(1)检查内容:依据施工图纸、地质勘察报告、有关施工验收规范要求底标高,基底轮廓尺寸等情况;检查基底清理情况,基底标高,基底轮廓尺寸等情况;(2)填写要点:土方工程隐检记录中要注明施工图纸编号,地质勘测报告编号,将检查内容描述清楚。
2、支护工程(1)检查内容:依据施工图纸、有关施工验收规范要求和基坑支护方案、技术交底、检查锚杆、土钉的品种规格、数量、插入长度、钻孔直径、深度和角度;检查地下连续墙成槽宽度、深度、倾斜度、钢筋笼规格、位置、槽底清理、沉渣厚度情况;(2)填写要点:支护工程隐检记录中要注明施工图纸编号,地质勘测报告编号,锚杆、土钉的品种规格、数量、插入长度、钻孔直径等主要数据描述清楚。
3、桩基工程(1)检查内容:依据施工图纸、有关施工验收规范要求和桩基施工方案、技术交底,检查钢筋笼规格、尺寸、沉渣厚度、清孔等情况;(2)填写要点:桩基工程隐检记录中要注明施工图纸编号,地质勘测报告编号,将检查的钢筋规格、尺寸、沉渣厚度、清孔等情况描述清楚。
接地装置隐蔽验收记录隐蔽验收是指在施工过程中,对一些不能直接检测的工程质量要素进行的检查,目的是确保这些工程质量要素符合设计要求和验收规范。
接地装置作为电气系统中重要的安全措施之一,必须经过隐蔽验收来确保其质量和可靠性。
以下是一份接地装置隐蔽验收记录的范本。
项目名称:***工程工程地点:***施工单位:***监理单位:***验收日期:***一、验收内容1.接地装置的施工是否符合相关设计要求和规范要求。
2.接地装置施工过程中的关键节点是否有照片或视频记录。
3.接地装置施工过程中的质量抽查情况。
二、验收过程1.确认相关文件和技术资料的准备情况。
2.查看接地装置的施工记录和施工图纸,与设计文件进行核对。
3.查看接地装置施工过程中的照片和视频记录,确认施工质量和施工流程。
4.对关键节点进行现场查看和质量抽查,包括接地体的埋设、焊接、连接等。
5.检查接地体与导线的连接情况,确认连接牢固可靠。
6.检查接地体的埋设深度和埋设方法,确保符合设计要求。
7.检查接地装置的标志和标识,包括接地标志牌、接地警示标志等。
8.检查接地装置的绝缘电阻和接地电阻,确认符合规范要求。
9.检查接地体与周围金属构件的连接情况,确认连接可靠。
10.检查接地装置的接地线与主设备的连接情况,确认连接可靠。
三、验收结论根据现场的施工质量情况和相关文件的核对,结合设计要求和规范要求,对接地装置的隐蔽验收给出以下结论:1.接地装置的施工符合相关设计要求和规范要求。
2.接地装置的施工过程中的关键节点有照片或视频记录。
3.接地装置施工过程中的质量抽查合格。
四、修改和处理意见根据现场的检查情况,在隐蔽验收过程中发现以下问题及处理意见:1.一些接地体焊接点的焊接工艺不符合要求,需要重新焊接。
2.一些接地线与主设备的连接不够紧固,需要加固或重新连接。
3.一些接地装置的标志和标识不清晰,需要重新制作或更换。
五、下一步工作根据现场的验收结果和修改处理意见,确定接地装置隐蔽验收的下一步工作:1.对检查出的问题进行整改和处理,确保接地装置的质量和可靠性。
2电气接地装置隐蔽验收记录电气接地装置作为电力系统中重要的安全设备之一,其合理的设计与安装对于保障电力系统的安全稳定运行至关重要。
为了确保电气接地装置的可靠性和有效性,隐蔽验收工作必不可少。
下面是一份电气接地装置隐蔽验收记录。
一、项目概况项目名称:xxxx电力系统接地装置安装工程项目位置:xxxx地区xxxx市xxxx街道xxxx号隐蔽验收日期:xxxx年xx月xx日二、验收项目及要求1.接地电阻测量:接地电阻应符合国家标准要求,测量值不得超过规定上限。
2.接地装置材料检查:接地装置材料应符合国家标准要求,无破损、变形、腐蚀等现象。
3.接地装置安装位置确认:接地装置设置应符合设计要求,位置合理、周围无阻碍物。
4.接地体焊缝检查:接地体的焊缝应均匀、牢固,无明显缺陷。
5.接地装置接线检查:接地装置的接线应规范、牢固,连接部分无松动现象。
6.接地装置标志标识:每个接地装置应标明装置编号、接地电阻值等信息。
三、隐蔽验收内容及结果1.接地电阻测量根据国家标准要求,对接地装置的电阻进行了测量。
测量结果如下:(1) A相接地电阻:xxxΩ(2) B相接地电阻:xxxΩ(3) C相接地电阻:xxxΩ(4) N相接地电阻:xxxΩ根据国家标准要求,电阻测量结果均符合规定上限要求。
2.接地装置材料检查对接地装置的材料进行了仔细检查,材料无破损、变形、腐蚀等现象,符合国家标准要求。
3.接地装置安装位置确认反复核对设计要求及现场布置图,确认接地装置设置位置合理,周围无阻碍物,符合要求。
4.接地体焊缝检查对接地装置的焊缝进行了全面检查,焊缝均匀、牢固,无明显缺陷。
5.接地装置接线检查仔细检查接地装置的接线情况,接线规范、牢固,连接部分无松动现象。
6.接地装置标志标识每个接地装置均标明装置编号、接地电阻值等信息,标志标识清晰可辨。
四、结论与意见经过本次隐蔽验收,确认该电气接地装置安装工程符合国家标准要求,所有验收项目均符合设计要求。
一、接地装置隐蔽1、分自然接地体(其中分形式一和形式二)、人工接地体、接地模块、接地干线;2、接地装置的隐蔽要记录其埋设深度、轴线、间距、采用材料的规格、材质、焊接质量情况及防腐状态和电阻测试值等。
3、具体示例如下表,此示例仅供参考,具体内容应按照工程实际发生编写。
电气(梯)隐蔽工程检查验收记录制表日期:2002年4 月13 日检查验收日期:2002 年4 月13 日工程名称:医大二院门诊楼施工单位:金广建设集团建设单位:医科大学附属二院分项工程名称:接地装置(自然接地1)隐蔽部位:基础直埋与管沟:直埋设计图号:电施29 管道材种:镀锌圆钢、镀锌扁钢规格:Ф8、40×4隐蔽段的划分及数量:基础操作班(组)长:电气专业技术负责人:质量检查员:施工员:填表人:注:可用于电梯工程、动力与照明管线、通信管线、有线电视管线、接地等工程电气(梯)隐蔽工程检查验收记录制表日期:2002年4 月13 日检查验收日期:2002 年4 月13 日工程名称:医大二院门诊楼施工单位:金广建设集团建设单位:医科大学附属二院分项工程名称:接地装置(自然接地2)隐蔽部位:基础直埋与管沟:直埋设计图号:电施29 管道材种:镀锌圆钢、镀锌扁钢规格:Ф8、40×4隐蔽段的划分及数量:基础操作班(组)长:电气专业技术负责人:质量检查员:施工员:填表人:注:可用于电梯工程、动力与照明管线、通信管线、有线电视管线、接地等工程电气(梯)隐蔽工程检查验收记录制表日期:2002年4 月13 日检查验收日期:2002 年4 月13 日工程名称:医大二院门诊楼施工单位:金广建设集团建设单位:医科大学附属二院分项工程名称:接地装置(人工接地)隐蔽部位:基础直埋与管沟:直埋设计图号:电施29 管道材种:镀锌圆钢、镀锌扁钢规格:Ф8、40×4隐蔽段的划分及数量:基础操作班(组)长:电气专业技术负责人:质量检查员:施工员:填表人:注:可用于电梯工程、动力与照明管线、通信管线、有线电视管线、接地等工程电气(梯)隐蔽工程检查验收记录制表日期:2002年4 月13 日检查验收日期:2002 年4 月13 日工程名称:医大二院门诊楼施工单位:金广建设集团建设单位:医科大学附属二院分项工程名称:接地装置(接地模块)隐蔽部位:基础直埋与管沟:直埋设计图号:电施29 管道材种:规格:隐蔽段的划分及数量:基础操作班(组)长:电气专业技术负责人:质量检查员:施工员:填表人:注:可用于电梯工程、动力与照明管线、通信管线、有线电视管线、接地等工程电气(梯)隐蔽工程检查验收记录制表日期:2002年4 月13 日检查验收日期:2002 年4 月13 日工程名称:医大二院门诊楼施工单位:金广建设集团建设单位:医科大学附属二院分项工程名称:接地干线隐蔽部位:基础直埋与管沟:直埋设计图号:电施29 管道材种:镀锌扁钢规格:隐蔽段的划分及数量:基础操作班(组)长:电气专业技术负责人:质量检查员:施工员:填表人:注:可用于电梯工程、动力与照明管线、通信管线、有线电视管线、接地等工程二、配管隐蔽:1、分PVC管和金属管(镀锌钢管、可绕金属软管或非镀锌钢管)2、隐蔽的内容中应写明管路的具体位置、规格、弯曲度、管口处理、埋入混凝土内管路距混凝土表面距离、管的连接处处理(跨接地线)及使用功能等情况及设计变更或材料代换,并应写明量化值。
接地装置隐蔽工程验收记录一、验收基本情况项目名称:接地装置隐蔽工程验收工程地点:XX省XX市建设单位:XX公司施工单位:XX公司二、验收人员本次验收的人员有:1.建设单位的负责人2.施工单位的负责人3.监理单位的负责人4.监测单位的负责人三、验收内容本次隐蔽工程验收主要包括以下内容:1.接地电阻测试2.金属接地体埋深测试3.接地装置与设备的连接验收4.接地体材料检查5.接地装置的接线检查四、验收结果1.接地电阻测试结果:按照相关规范要求,工程施工单位在验收前完成了接地装置的安装工作,并正确连接了各个接地体。
接地电阻测试结果符合规范要求,满足了安全使用的要求。
2.金属接地体埋深测试结果:施工单位按照设计要求,确保接地体的埋深符合规定。
经过测试,埋深达到了规范要求,能够有效地提供接地保护功能。
3.接地装置与设备的连接验收结果:施工单位完成了接地装置与设备之间的连接工作,并经过验收,连接牢固,无松动现象,符合相关规范要求。
4.接地体材料检查结果:材料检查有经验的质检人员按照设计要求进行了检查,并对检测结果进行了记录。
检查结果符合规范要求,各接地体均采用金属材料,质地坚固,不易腐蚀,能够保证长期可靠地提供接地功能。
5.接地装置的接线检查结果:按照设计要求,施工单位对接地装置的接线进行了检查,检查结果符合规范要求,并与相关设备的接线图一致。
五、存在的问题及处理意见经验收,发现存在以下问题:1.部分接地体埋深不达标:部分接地体的埋深未达到设计要求,需要及时处理,确保埋深达到规范要求。
2.部分接地装置与设备连接不牢固:部分接地装置与设备的连接存在松动现象,需要重新进行固定,确保连接牢固可靠。
3.部分接地体材料不符合规范要求:部分接地体的材料质量不符合规范要求,需要更换合格材料,确保接地体的质地坚固,不易腐蚀。
针对以上存在的问题,我们提出如下处理意见:1.针对未达标的接地体埋深问题,施工单位将重新挖掘并降低埋深,确保埋深达到设计要求。
1、本层的柱、剪力墙插筋在基础平板中的锚固构造祥04G101-3。
2、框架柱插筋型号.配筋尺寸祥地下一层框架柱结构平面图结施06框柱纵向钢筋全部深至基础的底筋处插入基底的钢筋设置水平长度为8d的直钩并不小于150mm,柱接头错开1000mm。
3、剪力墙约束边缘构件和剪力墙钢筋插筋型号尺寸祥见地下一层剪力墙结构平面图结施-21页,剪力墙的边缘构建纵向钢筋全部伸至基础的底筋处插入基底的钢筋设置水平长度为8d的直钩并不小于150mm。
剪力墙的墙身的竖向钢筋错入基础梁和基础板内锚固长度满组La34d并设置水平长度为8d的直钩并不小于150mm.
4、柱、剪力墙的钢筋连接均采用直螺纹连接,焊工:李兴洪上岗证号:65000220051226
钢筋连接的型号及数量为HRB40028 (124个);25:(919个);22:500(个);20:(450个);18(1180个);16 738(个)
5、挡土墙和NQ、LKQ墙体插筋的型号、尺寸、位置祥人防设计院,防空地下室平面图结施—03、结施—06。
6、门框墙、竖井配筋的型号、尺寸、位置祥人防设计院,结构设计总说明结施—01页、02页,防空地下室平面图结施-03页及门框墙、墙体、竖井配筋大样结施—06
7、防空地下室砼构件纵向受拉钢筋的锚固长度LaF=1.05LaE25为900mm。
8、地下室柱、剪力墙砼标号为:C60砼采用抗渗砼等级为P8,钢筋保护层:柱为 30mm厚
剪力墙为:15mm厚,挡土墙为:450mm厚。
(商品砼均采用兵团一建搅拌站)。
电气接地装置隐蔽验收记录
山东省建设工程质量监督总站监制
说明
1.接地装置敷设后,隐蔽前必须进行质量验收,监理专业工程师必须到位。
2.验收以设计为依据,必须满足设计和现行国家施工质量验收规范的要求。
3.接地类别:防雷接地、保护接地、重复接地、静电接地或其他接地要写清楚。
4.接地装置示意图应把坐标、尺寸写清,如本表画不开,可另附图并应把接头的连接情况画图说明。
5.沟槽尺寸指实开挖尺寸。
6.土质情况是指粘土、沙土、砾沙土等简单描述,如风化岩、岩石采取的措施应另加说明。
7.接地极规格,指采用接地极所用钢材的规格及制作长度。
8.打进深度是指在开挖沟槽深度的槽底将接地极打进多少,是否满足设计要求。
9.接地母线规格是指连接接地极之间的母线至引下线断接卡或引下线连接处。
10.焊接情况,应描述焊接质量、焊接面及焊接搭接长度。
11.接地材料应采用钢材应为热镀锌制品,在焊接处必须作防腐处理、基层处理,遍数应进行简单描述。
12.接地电阻:取测试的最大值。
13.结论:是否满足设计或规范要求。
1电气接地装置隐蔽验收记录一、工程概述本工程是为了确保电气设备的安全运行,保护人身安全而进行的电气接地装置的安装。
为此,对电气接地装置的隐蔽工程进行验收。
二、隐蔽验收的目的1.确保电气接地装置的安装质量,避免出现漏电、触电等事故。
2.验收已完成的隐蔽工程是否符合技术规范和设计要求。
3.在未完工前发现问题并及时处理,减少后期改动和维修工作的难度和费用。
4.对施工单位的施工质量进行评估,提高施工单位的施工水平和质量管理水平。
三、验收内容1.防雷接地装置的铺设情况,是否符合设计要求。
2.防静电接地装置的铺设情况,是否符合设计要求。
3.电气设备的接地电阻是否达标。
4.接地电极的埋设深度和安装质量。
5.地网的焊接质量和防腐处理是否符合要求。
6.接地装置的标识是否完整清晰。
四、验收流程1.隐蔽验收应在工程竣工前进行。
2.由施工单位提供相关隐蔽工程完工报告。
3.验收由建设单位、监理单位和施工单位共同参与,制定验收方案和隐蔽检查计划。
4.内部专业人员组建验收小组,负责隐蔽验收过程中的考察和记录。
5.按照设计文件和技术要求进行检查,查验施工资料和施工户口。
6.重点检查接地装置的铺设情况、电阻测试结果等要点。
7.如发现问题,及时记录并提出整改要求。
1.工程名称:2.隐蔽验收时间:3.参与验收单位:4.施工单位:5.监理单位:6.验收人员及职务:7.验收内容:7.1防雷接地装置的铺设情况:检查发现防雷接地装置的铺设符合设计要求,铜排焊接牢固,与设备连接紧密,无松动现象。
7.2防静电接地装置的铺设情况:检查发现防静电接地装置的铺设符合设计要求,导电铜带安装牢固,与设备接触良好,无氧化情况。
链条连接牢固,并符合设计要求。
7.3电气设备的接地电阻:检测电气设备的接地电阻,符合设计要求,均小于2Ω。
7.4接地电极的埋设深度和安装质量:接地电极的埋设深度符合设计要求,固定牢固,无松动现象。
7.5地网的焊接质量和防腐处理:地网的焊接质量符合设计要求,焊点均匀牢固,防腐处理符合要求。
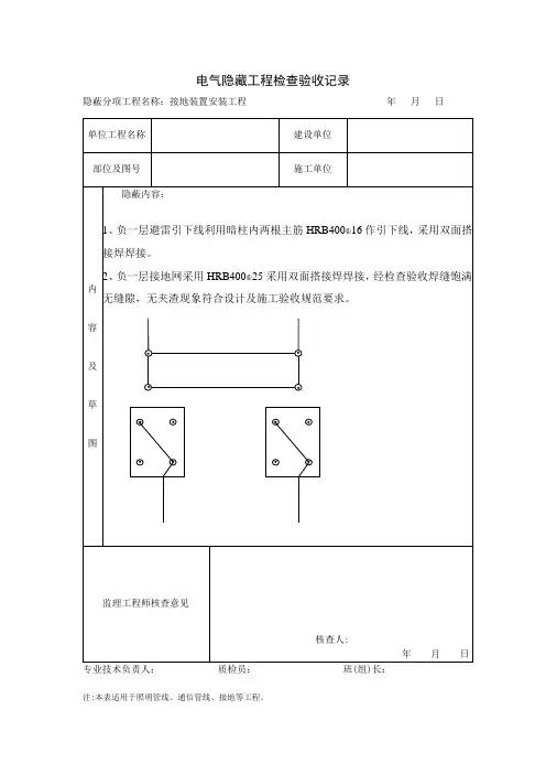
电气隐藏工程检查验收记录
隐蔽分项工程名称:接地装置安装工程 年 月 日
单位工程名称 建设单位 部位及图号
施工单位
内
容
及
草
图
隐蔽内容:
1、负一层避雷引下线利用暗柱内两根主筋HRB40016作引下线,采用双面搭接焊焊接。
2、负一层接地网采用HRB40025采用双面搭接焊焊接,经检查验收焊缝饱满无缝隙,无夹渣现象符合设计及施工验收规范要求。
监理工程师核查意见 核查人: 年 月 日 专业技术负责人: 质检员: 班(组)长:
注:本表适用于照明管线、通信管线、接地等工程。
· · · · · ·
· · · · · ·。
电气接地装置质量检查验收记录一、项目概述二、检查内容1.接地装置的选材是否符合要求:接地装置的选材应符合国家相关标准,如黄铜接地极、高强度不锈钢导线等。
2.接地装置的施工是否符合规范:施工过程中是否按照设计图纸和施工规范进行施工,并且材料安装牢固。
3.接地装置的接地电阻是否符合要求:通过专业的电气测试仪器测量接地电阻,确保其符合国家标准。
4.接地装置的漏电保护是否完善:检查接地装置是否配置漏电保护开关,并测试其工作可靠性。
5.接地装置的接地网是否完整:检查接地网的连接是否牢固,接地极和接地导线是否有损坏或腐蚀现象。
三、验收流程1.验收前准备:准备相关验收文件和检测仪器,如设计图纸、工程施工记录等。
2.检查设备信息:核对接地装置的型号、规格和材质等信息是否与设计文件一致。
3.检查施工合格证书:查验施工方提供的施工合格证书,检查是否符合相关法规和标准。
4.检查材料选用情况:核对接地装置所使用的材料是否符合设计要求和国家标准。
5.现场检查施工质量:对接地装置的施工进行现场检查,包括接地极、接地导线的安装是否牢固,接地电阻是否符合要求等。
6.进行电气测试:使用专业的电气测试仪器对接地电阻进行测量,确保其符合国家标准。
7.检查漏电保护装置:检查接地装置是否配置了漏电保护开关,并测试其工作可靠性。
8.检查接地网的连通性:检查接地网的连接是否牢固,无接地导线短路、接地极腐蚀等问题。
9.验收结果记录:根据实际情况填写验收记录,包括验收时间、验收人员、质量情况等。
四、验收结论1.合格:接地装置的质量检查验收合格,符合相关技术标准和设计要求,可以投入使用。
2.不合格:接地装置的质量检查验收不合格,存在重大缺陷或不符合相关标准和要求,需要进行整改和重新验收。
五、附录1.设计图纸和工程施工记录2.施工合格证书和相关材料3.电气测试仪器和工具。
电气接地装置隐蔽验收记录
所属分类:数据/知识/短文-> 建筑电气
资料来源:筑龙建筑施工网点击:1527
电气接地装置隐蔽验收记录
说明
1.接地装置敷设后,隐蔽前必须进行质量验收,监理专业工程师必须到位。
2.验收以设计为依据,必须满足设计和现行国家施工质量验收规范的要求。
3.接地类别:防雷接地、保护接地、重复接地、静电接地或其他接地要写清楚。
4.接地装置示意图应把坐标、尺寸写清,如本表面不开,可另附图并应把接头的连
接情况画图说明。
5.沟槽尺寸指实开挖尺寸。
6.土质情况是指粘土、沙土、砾沙土等简单描述,如风化岩、岩石采取的措施应另
加说明。
7.接地极规格,指采用接地极所用的钢材的规格及制作长度。
8.打进深度是指在开挖沟槽深度的槽底将接地极打进多少,是否满足设计要求。
9.接地母线规格是指连接接地极之间的母线至引入线断接卡或引下线连接处。
10.焊接情况,应描述焊接质量、焊接面及焊接搭接长度。
11.接地材料当采用钢材应为热镀锌制品,在焊接处必须作防腐处理、基层处理,遍
数应进行简单描述。
12.接地电阻:取测试的最大值。
结论:是否满足设计或规范要求。
接地极装置隐蔽验收记录C 2.4.7.4 编号:建筑施工技术,建筑施工组织,建筑工程计量与计价,建筑工程经济,混凝土结构,建筑构造与识图,钢结构,砌体结构,高层建筑施工,工程测量,工程结构抗震,装配化施工技术,建筑工程资料管理,建筑工程质量与安全管理,建筑CAD,天正建筑,BIM。
建筑工程技术专业主要包括土建、采暖卫生与煤气工程、电梯和消防,给排水工程五个方面,专业应具备建筑工程技术人员从业必须的文化基础与专业理论知识,从事建筑工程施工一线技术与管理等工作的高等技术应用型人才。
技术交底的作用与分类1什么是施工技术交底技术交底是施工企业极为重要的一项技术管理工作,是施工方案的延续和完善,也是工程质量预控的最后一道关口。
其目的是使参与建筑工程施工的技术人员与工人熟悉和了解所承担的工程项目的特点、设计意图、技术要求、施工工艺及应注意的问题。
2技术交底的作用使参与施工活动的每一个技术人员,明确本工程的特定施工条件、施工组织、具体技术要求和有针对性的关键技术措施,系统掌握工程施工过程全貌和施工的关键都位。
使参与工程施工操作每一个工人,通过技术交底,了解自己所要完成的分部分项工程的具体工作内容,操作方法、施工工艺、质量标准和安全注意事项等,做到施工操作人员任务明确,心中有数达到有序地施工,以减少各种质量通病,提高施工质量的目的。
3施工技术交底的分类(1)施工组织设计交底①重点和大型工程施工组织设计交底:由施工企业的技术负责人把主要设计要求、施工措施以及重要事项对项目主要管理人员进行交底。
其他工程施工组织设计交底由项目技术负责人进行交底。
②专项施工方案技术交底:由项目专业技术负责人负责,根据专项施工方案对专业工长进行交底。
(2)分项工程施工技术交底由专业工长对专业施工班组(或专业分包)进行交底。
“四新”技术交底:由项目技术负责人组织有关专业人员编制并交底。
(3)设计变更技术交底设计变更技术交底:由项目技术部门根据变更要求,并结合具体施工步骤、措施及注意事项等对专业工长进行交底。
电气接地装置隐蔽验收记录
鲁DQ-023—
山东省建设工程质量监督总站监制
说明
1.接地装置敷设后,隐蔽前必须进行质量验收,专业监理工程师(建设单位项目专业负责人)必须到位。
2.分项工程名称:接地装置安装分项
2.接地类别:防雷接地、保护接地、重复接地、静电接地或其他接地。
3.接地装置示意图:接地装置断面图、接地极(接地体)与接地线(连接导线)连接方式节点图(若采用焊接注明焊缝的种类及长度)。
4.接地做法:
1)采用棒型、管型、角钢、带型、板型等接地极,隐蔽时应注明接地极的规格、型号、长度,接地线的规格、型号,若使用连接导体,注明连接导体的规格及型号。
2)敷设在条基或垫层内的人工接地体,隐蔽时应注明人工接地体的规格、型号长度,连接线的规格、型号,支持器的种类(若不好说明可附图)。
3)利用基础钢筋做接地体,隐蔽时应注明连接导体的规格、型号。
4)工程采用桩基时,将每一桩基的一根主筋同承台钢筋焊接,当不能焊接连接时,可采用螺栓紧固的卡夹器连接。
5)建筑周边有护坡墙(护坡桩)时,应利用其锚杆(护坡桩)做接地体,然后用直径≥10的圆钢或≥25×4扁钢将其连接起来,然后两端与建筑物基础钢筋连接,与土壤接触的钢材用1:2水泥砂浆保护,水泥砂浆保护厚度≥50mm。