关键工序识别清单
- 格式:docx
- 大小:14.48 KB
- 文档页数:1
(注):特殊工序:是指对形成产品是否合格不易或不能经济地进行验证的过程(工序),主要包括:
a)工程(产品)质量不能通过后续的检验,测量或监控加以验证的工序;
b)工程(产品)质量需进行破坏性试验或只有通过复杂、成本很高的方法才能检验、试验,或只能通过间接监控的工序;
c)仅在工程(产品)使用或交付之后,不合格的质量特性才能暴露出来的工序;
关键工序:是指对工程质量具有重要影响的过程。
主要包括:
a)对工程(产品)质量、性能、功能、寿命、可靠性及成本等有直接影响的工序。
b)工艺复杂,质量容易波动,对操作者的技艺要求高或问题发生较多的工序。
附表1
关键节点识别清单(每月填写)
工程名称:施工单位:日期:
项目经理(签字):总监理工程师(签字):建设单位项目负责人(签字):注:1.本表由施工单位结合项目实际情况填写,并报监理单位、建设单位审批,建设单位、监理单位、施工单位各存一份。
2.以上单位人员签字的同时,均应加盖项目章。
附件1
附件2
注:本表由施工单位结合项目情况根据附件1编制,并报监理单位审批,建设单位、监理单位、施工单位各存一份。
附件3
关键节点施工前条件自检自评表
注:本表由施工单位和监理单位填报,作为施工单位条件核查申请和条件核查意见的附件,建设单位、监理单位、施工单位各存一份。
附件4
关键节点施工前条件核查申请表
关键节点施工前条件核查记录表
表)
关键节点施工前条件核查记录表(续表)
关键节点施工前核查整改情况确认表。
须旁站监理的重要部位、关键工序清单在工程施工实施阶段监理中,对关键部位、关键工序的施工质量实施全过程现场跟班的监督活动。
主要包括:搅拌桩、锚杆、土方开挖及回填、管桩、冲孔灌注桩、承台、地下室底板及后浇带、结构混凝土浇筑、防水混凝土浇筑、防水层施工、梁柱节点钢筋隐蔽过程、预应力张拉、装配式结构安装、钢结构安装、网架结构安装、索膜安装、幕墙骨架安装、机电弱电设备安装调试、试压、室外管线沟槽开挖及敷设等。
在本工程中具体须旁站监理的重要部位、关键工序清单如下:一、土建及装饰组须旁站监理的重要部位、关键工序清单:1、桩基(混凝土预制桩、冲孔灌注桩)(1)桩基定位测量及试桩施工;(2)混凝土预制桩施工;(3)冲孔灌注桩施工;(4)钢筋笼的制安;(5)承台钢筋施工;(6)混凝土的配制与浇筑;(7)见证取样试件、试块的留置;(8)桩位平面图测量;(9)桩基检测;压桩和补桩施工;2、地下结构及防水(1)地下结构施工(2)防水混凝土、水泥砂浆的制作;(3)见证取样试件、试块的留置;(4)防水混凝土的浇筑和变形缝、施工缝、后浇带、穿墙管道、埋设件等的设置和施工;(5)卷材防水层、涂料防水层的施工及转角处、变形缝、穿墙管道等细部的施工。
(6)管线预埋暗敷、孔洞预留、各种管网线缆出入口位置及部位预设、预留、预埋(7)防雷及接地焊接施工3、砌体结构(1)墙体轴线定位;(2)见证取样试件、试块的留置;(3)门窗洞口位置留置;(4)预留洞口及过梁、预埋件留置;(5)墙体开槽施工;4、混凝土结构(1)大跨度、高支模板安装和拆除施工,模板工程及保护层厚度留置施工;(2)承台、地下室底板及后浇带、结构混凝土浇筑、防水混凝土浇筑;(3)梁柱节点钢筋隐蔽过程;(4)预留洞口周围钢筋的设置及钢筋端头的处理;(5)预应力筋的施工;(6)见证取样试件、试块的留置;(7)施工缝的留置;(8)预制构件的吊装和连接;5、钢(网架)结构(1)钢构件的加工;(2)焊接质量;(3)高强螺栓连接质量;(4)预拼装情况;(5)钢结构、网架结构安装;6、涂膜防水施工(1)找平层的排水坡度施工;(2)保温层的施工;(3)防水层施工;7、装饰装修工程(1)装修材料有害物质检测;(2)在墙体上开槽、打洞时施工;(3)吊顶的固定和重型灯具的安装;. .(4)饰面板拉拔强度的检测;(5)样板间的施工;(6)重要特殊部位装饰装修施工;(7)幕墙的金属框架与主体结构预埋件的连接施工;(8)预埋件的防腐及后置埋件的现场拉拔强度检测;(9)幕墙的伸缩缝、沉降缝、防震缝及阴阳角和封口安装;(10)卫生间、洗涤间、屋面防水工程施工8、其他塔吊、井架安拆等高危作业施工、路面处理、涂料熔化分散、标线涂布、种植前土壤处理、乔、灌木种植、苗木运输铺、草皮、植草。
关键工序、特殊过程识别清单在咱们的工作或者生产当中,有两个特别重要的概念,那就是关键工序和特殊过程。
这俩就像是一对双胞胎,有时候让人分不清,但又都特别重要。
先说关键工序吧,它就像是一辆汽车的发动机。
要是发动机出了问题,那这车子还能跑得起来吗?关键工序就是在整个生产流程中,对产品质量、性能、功能等起着决定性作用的那些步骤。
比如说制造手机,芯片的生产和安装那肯定是关键工序呀。
要是这一步没做好,整部手机说不定就变成了一块“板砖”。
你想想看,要是你满心期待地买了一部新手机,结果用起来卡顿、死机,那得多糟心啊!特殊过程呢,它就像是一位深藏不露的高手。
平时不怎么显山露水,但一旦出了问题,那可就是大麻烦。
特殊过程是指那些不能通过后续的检验和测试完全验证其结果的过程。
比如说焊接,你总不能把焊接好的地方再拆开看看是不是牢固吧?还有一些化学反应过程,在反应进行的时候,你也没法直接知道最终的结果是不是符合要求。
那怎么识别出这些关键工序和特殊过程呢?这可得有点真本事。
就像侦探破案一样,得仔细观察,不放过任何一个细节。
先看看工艺流程图,这就像是一张地图,能帮咱们找到那些可能隐藏着关键工序和特殊过程的地方。
然后呢,分析每个步骤对最终产品的影响,这就好比是在给每个步骤“打分”,影响大的得分就高,很可能就是关键工序。
再看看以往的生产数据和质量报告,这就像是经验丰富的老师,能给咱们指出哪些地方容易出问题。
如果某个步骤总是出现质量问题,那它不是关键工序就是特殊过程。
还有啊,问问那些经验丰富的老师傅。
他们就像是一本本活字典,脑子里装满了各种宝贵的经验。
他们的一句话,说不定就能让咱们少走很多弯路。
咱们识别出关键工序和特殊过程,可不是为了好玩,那是为了把好质量关,提高生产效率,降低成本。
就像打仗一样,咱们得知道敌人的弱点在哪里,才能一举攻克。
要是识别错了,那可就麻烦大了,浪费时间、浪费资源不说,还可能生产出一堆废品。
所以啊,大家一定要重视关键工序和特殊过程的识别,这可关系到咱们的工作成果和效益。
特殊过程重难点工序及关键工序质量控制点辩识表主体工程篇一:标题:特殊过程重难点工序及关键工序质量控制点辩识表主体工程正文:特殊过程是指施工过程中需要特殊处理或控制的环节,往往涉及到关键的工艺参数和质量要求,是施工质量控制的重点。
重难点工序是指在特殊过程中难度较大、需要特殊处理或控制的环节,往往需要采取特殊的施工措施和质量控制方法。
关键工序是指在特殊过程中至关重要的环节,其质量直接影响整个施工过程和最终工程质量。
为了有效控制特殊过程的质量和施工进度,需要对特殊过程进行详细的质量控制,其中包括对重难点工序和关键工序的质量控制。
为此,需要制定一份特殊过程重难点工序及关键工序质量控制点辩识表,以帮助施工队伍明确质量控制的重点和难点,并提供有效的施工质量控制手段和方法。
特殊过程重难点工序及关键工序质量控制点辩识表是一份全面的质量控制清单,应包含以下内容:1. 施工过程名称和编号;2. 施工过程特点和难点;3. 施工过程质量控制点和控制方法;4. 施工过程质量控制指标和标准;5. 施工过程质量控制点和指标的考核和奖惩制度。
特殊过程重难点工序及关键工序质量控制点辩识表的制定,需要结合工程实际和施工经验,充分考虑施工过程的难度和质量控制的重点,以确保施工过程的质量和进度。
同时,施工过程中应严格按照质量控制点和控制方法进行质量控制,确保施工质量达到要求。
拓展:特殊过程是指在施工过程中需要特殊处理或控制的环节,往往涉及到关键的工艺参数和质量要求。
重难点工序是指在特殊过程中难度较大、需要特殊处理或控制的环节,往往需要采取特殊的施工措施和质量控制方法。
关键工序是指在特殊过程中至关重要的环节,其质量直接影响整个施工过程和最终工程质量。
在制定特殊过程重难点工序及关键工序质量控制点辩识表时,需要充分考虑施工过程的难度和质量控制的重点,并结合工程实际制定相应的质量控制指标和考核制度。
施工过程中应严格按照质量控制点和控制方法进行质量控制,以确保施工质量达到要求。
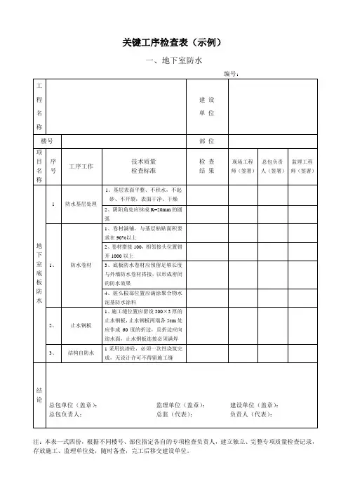
关键工序检查表(示例)
一、地下室防水
注:本表一式四份,根据不同楼号、部位指定各自的专项检查负责人,建立独立、完整专项质量检查记录,存放施工、监理单位处,随时备查,完工后移交建设单位。
二、地下室外墙防水
注:本表一式四份,根据不同楼号、部位指定各自的专项检查负责人,建立独立、完整专项质量检查记录,存放施工、监理单位处,随时备查,完工后移交建设单位。
三、屋面防水
注:本表一式四份,根据不同楼号、部位指定各自的专项检查负责人,建立独立、完整专项质量检查记录,存放施工、监理单位处,随时备查,完工后移交建设单位
四、卫生间、阳台防水
存放施工、监理单位处,随时备查,完工后移交建设单位。
五、墙体砌筑
存放施工、监理单位处,随时备查,完工后移交建设单位。
六、塑钢门窗节点
注:本表一式四份,根据不同楼号、部位指定各自的专项检查负责人,建立独立、完整专项质量检查记录,存放施工、监理单位处,随时备查,完工后移交建设单位
七、外墙粉刷
注:本表一式四份,根据不同楼号、部位指定各自的专项检查负责人,建立独立、完整专项质量检查记录,存放施工、监理单位处,随时备查,完工后移交建设单位。
须旁站监理的重要部位、关键工序清单在工程施工实施阶段监理中,对关键部位、关键工序的施工质量实施全过程现场跟班的监督活动。
主要包括:搅拌桩、锚杆、土方开挖及回填、管桩、冲孔灌注桩、承台、地下室底板及后浇带、结构混凝土浇筑、防水混凝土浇筑、防水层施工、梁柱节点钢筋隐蔽过程、预应力张拉、装配式结构安装、钢结构安装、网架结构安装、索膜安装、幕墙骨架安装、机电弱电设备安装调试、试压、室外管线沟槽开挖及敷设等。
在本工程中具体须旁站监理的重要部位、关键工序清单如下:一、土建及装饰组须旁站监理的重要部位、关键工序清单:1、桩基(混凝土预制桩、冲孔灌注桩)(1)桩基定位测量及试桩施工;(2)混凝土预制桩施工;(3)冲孔灌注桩施工;(4)钢筋笼的制安;(5)承台钢筋施工;(6)混凝土的配制与浇筑;(7)见证取样试件、试块的留置;(8)桩位平面图测量;(9)桩基检测;压桩和补桩施工;2、地下结构及防水(1)地下结构施工(2)防水混凝土、水泥砂浆的制作;(3)见证取样试件、试块的留置;(4)防水混凝土的浇筑和变形缝、施工缝、后浇带、穿墙管道、埋设件等的设置和施工;(5)卷材防水层、涂料防水层的施工及转角处、变形缝、穿墙管道等细部的施工。
(6)管线预埋暗敷、孔洞预留、各种管网线缆出入口位置及部位预设、预留、预埋(7)防雷及接地焊接施工3、砌体结构(1)墙体轴线定位;(2)见证取样试件、试块的留置;(3)门窗洞口位置留置;(4)预留洞口及过梁、预埋件留置;(5)墙体开槽施工;4、混凝土结构(1)大跨度、高支模板安装和拆除施工,模板工程及保护层厚度留置施工;(2)承台、地下室底板及后浇带、结构混凝土浇筑、防水混凝土浇筑;(3)梁柱节点钢筋隐蔽过程;(4)预留洞口周围钢筋的设置及钢筋端头的处理;(5)预应力筋的施工;(6)见证取样试件、试块的留置;(7)施工缝的留置;" “”(8)预制构件的吊装和连接;5、钢(网架)结构(1)钢构件的加工;(2)焊接质量;(3)高强螺栓连接质量;(4)预拼装情况;(5)钢结构、网架结构安装;6、涂膜防水施工(1)找平层的排水坡度施工;(2)保温层的施工;(3)防水层施工;7、装饰装修工程(1)装修材料有害物质检测;⑵在墙体上开槽、打洞时施工; ⑶吊顶的固定和重型灯具的安装;⑷饰面板拉拔强度的检测; (5)样板间的施工; (6)重要特殊部位装饰装修施工;(7)幕墙的金属框架与主体结构预埋件的连接施工; (8)预埋件的防腐及后置埋件的现场拉拔强度检测; (9)幕墙的伸缩缝、沉降缝、防震缝及阴阳角和封口安装; (10)卫生间、洗涤间、屋面防水工程施工 U,二8、其他塔吊、井架安拆等高危作业施工、路面处理、涂料熔化分散、标线涂布、种 植前土壤处理、乔、灌木种植、苗木运输铺、草皮、植草。
附件1:2021年关键工序及特殊过程界定表第三章质量检验用表(C表)(C01-C189)一、路基工程检验用表(一)路基土石方工程检验用表(C01-C02)ⅩⅩⅩⅩ养护工程项目承包单位合同号监理单位编号土方路基现场质量检验报告单(高速、一级公路)C—001驻地专业监理工程师:专业监理工程师:试验工程师:ⅩⅩⅩⅩ养护工程项目承包单位合同号监理单位编号石方路基现场质量检验报告单(高速、一级公路)C—002驻地专业监理工程师:专业监理工程师:试验工程师:(二)排水工程检验用表(C14-C16)ⅩⅩⅩⅩ养护工程项目承包单位合同号监理单位编号检查(雨水)井砌筑现场质量检验报告单C—014驻地专业监理工程师:专业监理工程师:试验工程师:ⅩⅩⅩⅩ养护工程项目承包单位合同号监理单位编号土沟现场质量检验报告单C—015驻地专业监理工程师:专业监理工程师:试验工程师:ⅩⅩⅩⅩ养护工程项目承包单位合同号监理单位编号浆砌排水沟现场质量检验报告单C—016驻地专业监理工程师:专业监理工程师:试验工程师:(三)挡土墙、防护及其他砌体工程检验用表(C19-C34)ⅩⅩⅩⅩ养护工程项目承包单位合同号监理单位编号砌体挡土墙现场质量检验报告单C—019驻地专业监理工程师:专业监理工程师:试验工程师:ⅩⅩⅩⅩ养护工程项目承包单位合同号监理单位编号浆砌砌体现场质量检验报告单C—031驻地专业监理工程师:专业监理工程师:试验工程师:ⅩⅩⅩⅩ养护工程项目承包单位合同号监理单位编号导流工程现场质量检验报告单C—033驻地专业监理工程师:专业监理工程师:试验工程师:ⅩⅩⅩⅩ养护工程项目承包单位合同号监理单位编号石笼防护现场质量检验报告单C—034二、路面工程检验用表(C35-C48)ⅩⅩⅩⅩ养护工程项目承包单位合同号监理单位编号水泥混凝土面层现场质量检验报告单(高速、一级公路) C—035驻地专业监理工程师:专业监理工程师:试验工程师:ⅩⅩⅩⅩ养护工程项目承包单位合同号监理单位编号沥青混凝土面层和沥青碎(砾)石面层现场质量检验报告单C—036(高速、一级公路)驻地专业监理工程师:专业监理工程师:试验工程师::ⅩⅩⅩⅩ养护工程项目承包单位合同号监理单位编号水泥稳定粒料基层和底基层现场质量检验报告单C—040(高速、一级公路)驻地专业监理工程师:专业监理工程师:试验工程师:ⅩⅩⅩⅩ养护工程项目承包单位合同号监理单位编号石灰、粉煤灰稳定粒料基层和底基层现场质量检验报告单C—044(高速、一级公路)驻地专业监理工程师:专业监理工程师:试验工程师:ⅩⅩⅩⅩ养护工程项目承包单位合同号监理单位编号路缘石铺设现场质量检验报告单C—047驻地专业监理工程师:专业监理工程师:试验工程师:ⅩⅩⅩⅩ养护工程项目承包单位合同号监理单位编号路肩现场质量检验报告单C—048驻地专业监理工程师:专业监理工程师:试验工程师:三、桥涵工程检验用表(一)桥梁工程检验用表(C50-C148)ⅩⅩⅩⅩ养护工程项目承包单位合同号监理单位编号钢筋安装现场质量检验报告单C—050驻地专业监理工程师:专业监理工程师:试验工程师:ⅩⅩⅩⅩ养护工程项目承包单位合同号监理单位编号钢筋网现场质量检验报告单C—051驻地专业监理工程师:专业监理工程师:试验工程师:ⅩⅩⅩⅩ养护工程项目承包单位合同号监理单位编号承台现场质量检验报告单C—069驻地专业监理工程师:专业监理工程师:试验工程师:ⅩⅩⅩⅩ养护工程项目承包单位合同号监理单位编号梁(板)预制现场质量检验报告单C—077驻地专业监理工程师:专业监理工程师:试验工程师:ⅩⅩⅩⅩ养护工程项目承包单位合同号监理单位编号梁(板)安装现场质量检验报告单C—078ⅩⅩⅩⅩ养护工程项目承包单位合同号监理单位编号防水层现场质量检验报告单C—134驻地专业监理工程师:专业监理工程师:试验工程师:ⅩⅩⅩⅩ养护工程项目承包单位合同号监理单位编号桥面铺装现场质量检验报告单C—135驻地专业监理工程师:专业监理工程师:试验工程师:ⅩⅩⅩⅩ养护工程项目承包单位合同号监理单位编号复合桥面水泥混凝土铺装现场质量检验报告单C—136驻地专业监理工程师:专业监理工程师:试验工程师:ⅩⅩⅩⅩ养护工程项目承包单位合同号监理单位编号支座垫石现场质量检验报告单C—139驻地专业监理工程师:专业监理工程师:试验工程师:ⅩⅩⅩⅩ养护工程项目承包单位合同号监理单位编号挡块现场质量检验报告单C—140驻地专业监理工程师:专业监理工程师:试验工程师:ⅩⅩⅩⅩ养护工程项目承包单位合同号监理单位编号支座安装现场质量检验报告单C—141驻地专业监理工程师:专业监理工程师:试验工程师:ⅩⅩⅩⅩ养护工程项目承包单位合同号。
须旁站监理的重要部位、关键工序清单在工程施工实施阶段监理中,对关键部位、关键工序的施工质量实施全过程现场跟班的监督活动。
主要包括:搅拌桩、锚杆、土方开挖及回填、管桩、冲孔灌注桩、承台、地下室底板及后浇带、结构混凝土浇筑、防水混凝土浇筑、防水层施工、梁柱节点钢筋隐蔽过程、预应力张拉、装配式结构安装、钢结构安装、网架结构安装、索膜安装、幕墙骨架安装、机电弱电设备安装调试、试压、室外管线沟槽开挖及敷设等。
在本工程中具体须旁站监理的重要部位、关键工序清单如下:一、土建及装饰组须旁站监理的重要部位、关键工序清单:1、桩基(混凝土预制桩、冲孔灌注桩)(1)桩基定位测量及试桩施工;(2)混凝土预制桩施工;(3)冲孔灌注桩施工;(4)钢筋笼的制安;(5)承台钢筋施工;(6)混凝土的配制与浇筑;(7)见证取样试件、试块的留置;(8)桩位平面图测量;(9)桩基检测;压桩和补桩施工;2、地下结构及防水(1)地下结构施工(2)防水混凝土、水泥砂浆的制作;(3)见证取样试件、试块的留置;(4)防水混凝土的浇筑和变形缝、施工缝、后浇带、穿墙管道、埋设件等的设置和施工;(5)卷材防水层、涂料防水层的施工及转角处、变形缝、穿墙管道等细部的施工。
(6)管线预埋暗敷、孔洞预留、各种管网线缆出入口位置及部位预设、预留、预埋(7)防雷及接地焊接施工3、砌体结构(1)墙体轴线定位;(2)见证取样试件、试块的留置;(3)门窗洞口位置留置;(4)预留洞口及过梁、预埋件留置;(5)墙体开槽施工;4、混凝土结构(1)大跨度、高支模板安装和拆除施工,模板工程及保护层厚度留置施工;(2)承台、地下室底板及后浇带、结构混凝土浇筑、防水混凝土浇筑;(3)梁柱节点钢筋隐蔽过程;(4)预留洞口周围钢筋的设置及钢筋端头的处理;(5)预应力筋的施工;(6)见证取样试件、试块的留置;(7)施工缝的留置;(8)预制构件的吊装和连接;5、钢(网架)结构(1)钢构件的加工;(2)焊接质量;(3)高强螺栓连接质量;(4)预拼装情况;(5)钢结构、网架结构安装;6、涂膜防水施工(1)找平层的排水坡度施工;(2)保温层的施工;(3)防水层施工;7、装饰装修工程(1)装修材料有害物质检测;(2)在墙体上开槽、打洞时施工;(3)吊顶的固定和重型灯具的安装;(4)饰面板拉拔强度的检测;(5)样板间的施工;(6)重要特殊部位装饰装修施工;(7)幕墙的金属框架与主体结构预埋件的连接施工;(8)预埋件的防腐及后置埋件的现场拉拔强度检测;(9)幕墙的伸缩缝、沉降缝、防震缝及阴阳角和封口安装;(10)卫生间、洗涤间、屋面防水工程施工8、其他塔吊、井架安拆等高危作业施工、路面处理、涂料熔化分散、标线涂布、种植前土壤处理、乔、灌木种植、苗木运输铺、草皮、植草。