氮气膜分离系统
- 格式:ppt
- 大小:368.50 KB
- 文档页数:16
温控仪氮气分析仪电流表电源指示工作指示暖风机取样压力取样调压取样流量计氮气切换阀空气PERMEA柏美亚Prism 普里森膜一、膜分离制氨概述:膜分离制氮机采用美国柏美亚(PERMEA)公司制造的普里森(PRISM)膜分离技术,可以从空气中分离并回收氮气,压缩空气作为原料气通入膜分离制氮机后,可以很快生产出合格的氮气,该机操作简便,维护工作量少,运行稳定可靠,近二十、三十年来,在世界上得到很快的发展,有人将膜技术的应用称为“第三次工业革命”膜技术在为人类带来巨大的利益。
二、典型用途2.1 冶金和金属工业粉末冶金烧结过程的保护气,光亮退火,淬火加热渗氮共渗,软氮化,氮基气氮垫处理的氮源,复合吹氮炼钢,炼钢转炉密封,连铸、连轧,钢材退火保护气氮等。
2.2 化学和石油化工业吹洗容器,管道和隔离室。
合成纤维纺线,设备防腐催化剂再生,石油分馏,氮肥原料,触煤保护轮胎的生产等。
2.3电子工业大规模集成电路,彩色与黑白显像管,电视机与收录机零部件制造半导体和电器用气体,电子元件生产和激光打孔的氮基气象。
2.4食品工业食品包装用的气体,酒、啤酒、果汁贮存与清除,粮油食品、茶叶、中草药的常温贮藏及抑制害早虫,水果、蔬菜在适宜温度下的长期保鲜等。
三、膜分离制氮机工作原理3.1膜制氮机原理。
两种或两种以上的所体混合物通过氮分子膜时,由于各种气体在膜中的溶解度种扩散系数的差异,导致不同气体在膜中相对渗透率有所不同。
根据这一特性,可将气体分为“快气”和“慢气”。
当混合气体在驱动力-膜两则压差的作用下,渗透速率相对较快的气体如水、二氧化碳等渗透膜后,在膜渗透侧被富集,而渗透速度相对慢的气体如氮气、一氧化碳、氩气等则在三带留侧被富集,从而达到混合气体分离之目的。
当以加压净化为气源时,氮气等惰性气体被富集成高纯度供生产使用,由渗透侧排空的为富氧空气H2O,CO2,O2,Ar N2 CD “快”相对之渗透速率“慢”。
3.2膜分离制氮机气体流程图3.3压缩气源:氮气分离器尽量采用独立的氢源即空压机。
膜分离和碳分子筛制氮-概述说明以及解释1.引言1.1 概述膜分离和碳分子筛制氮是当前广泛应用于气体分离领域的两种重要技术。
膜分离是通过选择性通透性较好的膜材料,利用分子间的差异使不同组分通过膜材料时产生浓度差,从而实现组分的分离。
而碳分子筛制氮则是利用碳分子筛对空气中的氧气和氮气进行分离,通过选择性吸附氧气而使氮气得以纯化。
膜分离技术具有具有分离效率高、操作简单、设备体积小等优势。
它广泛应用于气体分离、水处理、制备纯净气体等领域。
膜分离的原理基于物质分子的有效扩散和溶解透过性,通过选择合适的膜材料和适宜的工艺条件,可以实现不同气体组分的分离纯化。
碳分子筛制氮则是一种利用碳分子筛材料对气体进行选择性吸附分离的技术。
碳分子筛是由均匀的碳纳米管和孔隙结构组成的材料。
它具有较高的表面积和丰富的微孔结构,使得其能够选择性吸附氧气而排除氮气。
通过调节工艺条件和碳分子筛材料的特性,可以实现对气体的高效纯化。
本文将重点探讨膜分离和碳分子筛制氮的原理和应用。
首先介绍膜分离技术的基本原理和常见的应用领域,然后深入分析碳分子筛制氮的性质和制氮机理。
通过对两种技术的比较和分析,可以为气体分离领域的研究和应用提供参考和指导。
1.2 文章结构文章结构是指文章的布局和组织方式。
本文分为引言、正文和结论三个部分。
引言部分主要概述了文章的背景和研究的目的。
通过对膜分离和碳分子筛制氮的介绍,引发读者的兴趣,并明确了本文的研究目的。
正文部分分为两个主要部分:膜分离和碳分子筛制氮。
其中,膜分离部分首先介绍了膜分离的原理,即利用不同物质在膜上的传输速率差异实现分离的方法。
接着,列举了膜分离的应用领域,如饮用水处理、气体分离等。
此部分的目的是详细介绍膜分离技术的基本原理和实际应用。
碳分子筛制氮部分首先介绍了碳分子筛的性质,包括高比表面积、孔径可调等特点。
然后,阐述了碳分子筛制氮的机理,即通过选择性吸附氮气分子实现氮气的分离提纯。
此部分的目的是介绍碳分子筛在氮气制备中的应用原理和机制。
煤矿注氮系统工艺及主要方式方法
1.氮气发生器
氮气发生器是煤矿注氮系统的核心设备,它能够将空气中的氧气与氮
气分离,得到纯度较高的氮气供给矿井使用。
常见的氮气发生器工艺包括
压力摩擦吸附法(PSA)和膜分离法。
PSA法是通过压力变化使得氮气和
氧气的吸附速率不同,从而实现分离;膜分离法则是利用选择性透气膜的
特性,将氮气和氧气分离。
2.氮气储存装置
煤矿注氮系统中,氮气储存装置用于存储由氮气发生器产生的氮气,
并且能够保持一定的压力和流量。
常见的储存装置包括高压储气罐、低压
储气罐和液氮贮槽等。
高压储气罐主要用于短时间的氮气存储和供应,低
压储气罐主要用于长时间的氮气存储和供应,而液氮贮槽则适用于需要大
量氮气的情况。
3.氮气输送管道
4.氮气出口装置
煤矿注氮系统中,氮气出口装置是将氮气从地面输送到井下的关键环节。
常见的氮气出口装置包括喷嘴、风门和风机等。
喷嘴通常设在井口或
井下巷道入口处,通过喷射氮气形成安全氮气层;风门用于调节氮气流量,保持一定的氮气浓度;风机则用于增大空气流动速度,提高氮气注入效果。
总的来说,煤矿注氮系统工艺及主要方式方法包括氮气发生器、氮气
储存装置、氮气输送管道及出口装置。
这些工艺和方式方法能够确保煤矿
井下形成安全氮气层,预防火灾和爆炸事故的发生,保障矿井的安全生产。
制氧系统分类制氧系统是一种用于将空气中的氧气浓缩并提供给患有呼吸系统疾病或氧气需求的人使用的设备。
根据其工作原理和使用场景的不同,制氧系统可以分为以下几种类型。
一、液氧制氧系统液氧制氧系统是通过将空气中的氧气液化来提供氧气。
它主要由液氧储罐、蒸发器和气化器等组成。
液氧制氧系统具有氧气纯度高、储存方便等特点,适用于长时间需要氧气供应的患者,如重症呼吸衰竭患者。
二、压缩空气制氧系统压缩空气制氧系统是通过将空气中的氧气浓缩提供给患者使用。
它主要由压缩机、分子筛、冷却器和气液分离器等组成。
压缩空气制氧系统具有氧气纯度高、体积小、使用方便等特点,适用于短时间需要氧气供应的患者,如急性呼吸窘迫综合征患者。
三、吸附剂制氧系统吸附剂制氧系统是通过吸附剂对空气中的氧气进行吸附和解吸来提供氧气。
它主要由吸附剂、气体分离器和气动阀等组成。
吸附剂制氧系统具有氧气纯度高、噪音低、能耗低等特点,适用于长时间需要氧气供应的患者,如慢性阻塞性肺疾病患者。
四、膜分离制氧系统膜分离制氧系统是通过膜的选择性透气性来分离空气中的氧气和氮气,并提供氧气给患者使用。
它主要由膜分离器和气动阀等组成。
膜分离制氧系统具有结构简单、体积小、噪音低等特点,适用于短时间需要氧气供应的患者,如急性心力衰竭患者。
五、氧气发生器制氧系统氧气发生器制氧系统是通过化学反应将氧气从化合物中释放出来,并提供给患者使用。
它主要由氧气发生器、储氧罐和流量控制器等组成。
氧气发生器制氧系统具有使用方便、氧气纯度高等特点,适用于长时间需要氧气供应的患者,如慢性阻塞性肺疾病患者。
以上是根据制氧系统的工作原理和使用场景对其进行分类的一些常见类型。
每种类型的制氧系统都有其独特的特点和适用范围,医生会根据患者的具体情况选择合适的制氧系统。
制氧系统的发展使患者得以方便地获取所需的氧气,提高了生活质量和治疗效果。
随着科技的不断进步,相信制氧系统将会越来越先进和智能化,为患者带来更多的便利和舒适。
煤矿用膜分离制氮装置使用说明书执行标准:Q/CAC 0001-2012《煤矿用制氮装置通用技术条件》MT/T774-1998北京长顺安达测控技术有限公司目录1 安全知识......................................................... 错误!未定义书签。
2 概述............................................................. 错误!未定义书签。
3 结构特征与工作原理............................................... 错误!未定义书签。
4 制氮装置特点及优点............................................... 错误!未定义书签。
5 尺寸、重量....................................................... 错误!未定义书签。
6 安装调试......................................................... 错误!未定义书签。
7 使用操作......................................................... 错误!未定义书签。
8 设备维护......................................................... 错误!未定义书签。
9 运输贮存....................................................... 错误!未定义书签。
10 设备检验........................................................ 错误!未定义书签。
11 随机附件........................................................ 错误!未定义书签。
DM系列煤矿用移动式膜分离制氮装置全国销售热线1326-007-2458产品特点:膜分离制氮系20世纪90年代世界上最先进的空气分离制氮技术。
在国外,膜分离技术主要应用于油船、油库的阻燃、粮食、蔬菜、水果、食品的保鲜以及易氧化材料的保存等。
在国内,石油、冶金工业、食品保鲜等领域也已有应用。
随着高产、高效采煤技术的发展,综采、综放工作面采空区防灭火问题已成为煤矿安全生产迫切需要解决的问题。
注氮防灭火作为惰化防灭火的主要形式,已被世界各主要产煤国家公认是行之有效的措施。
《煤矿安全规程》(1992版)第224条规定:综放开采有自燃倾向的厚及特厚煤层时,必须采用以注入惰性气体为主的综合防灭火措施。
煤炭科学研究总院沈阳研究院研制开发的专利产品——DM系列矿用井下移动式膜分离制氮装置,以下简称“制氮装置”,采用中空纤维膜分离空气中的氧、氮,制取高纯度的氮气获得成功。
经国家防爆安全产品质量监督检验中心检测,授以整机《防爆合格证》并取得《煤矿矿用产品安全标志证书》。
1996年8月取得国家实用新型专利。
主要用途及使用范围制氮装置可以直接用于防治煤矿井下有煤或瓦斯突出场所的煤炭自然发火。
品种、规格DM-200、DM-300、DM-400、DM-500、DM-600、DM-800、DM-1000、DM-1200型号的组成及其代表意义D M —×××XXX氮气产量M膜分离D氮气装置使用环境条件环境温度:0~40 ºC;大气压力:80~106 kPa;相对湿度:≤95%(25 ℃时)。
工作条件●供电条件:1140(660)V 50 Hz ;●供水条件:流量≥20 m3/h(单台空压机的水量),水质为无腐蚀性、无杂质的工业用水。
●通风良好,矿尘较小,无积水、无滴水的专用峒室内,或者在较为洁净的巷道内。
●工作环境的有害气体、瓦斯、煤尘含量和通风量应符合《煤矿安全规程》的规定。
总体结构制氮装置由空压机段、空气预处理段及膜分离段3部分组成。
MZD-1200/350C膜分离制氮设备操作与使用维护保养手册山东恒业石油新技术应用有限公司2012年4月前言欢迎使用MZD-1200/350C型制氮设备!本说明书将提供制氮机组的技术细节、应遵守的操作规程以及保证制氮机组正常工作必须进行的维护说明。
为使您正确地使用制氮机组,并得到满意效果,务必请您在启动制氮机组前,仔细阅读本用户手册,遵守手册中的操作规程并按其执行,不要误操作。
本设备在出厂前,已进行过膜分离制氮并增压的联机试机试验。
用户只有遵循本说明书的操作规程,空气压缩机组才对产品交货条款所列的质量要求实行担保。
如遇下列情况,担保作废:——设备介质为说明书中规定的以外的气体;——润滑油未按规定使用;——使用时用户自行将安全保护措施拆除;——设备未按要求进行定期维护;——操作不正确及其它人为破坏;——非我公司安装的管路所造成的损坏等;若能正确保养和使用,本制氮机组将为您高效、经济地工作。
若出现问题或不明故障,请进快与我公司联系。
安全注意事项生命安全健康,以及保证制氮机组能可靠地运行而编写的。
1.1.安全注意事项高压气体有很大的能量,非常危险!必须确认高压管路系统中的气体已放空,才可进行拆卸工作。
安装,操作和维修工作必须遵照操作规程或由专业人员指导进行;旋转部件易出事故,非常危险,故在运转操作中必须有防护装置;高温、高压等部位要有警示标志。
长期工作在制氮机组旁的人员,要采取防护措施,最好使用听觉保护装置;严禁在制氮机组旁放置易燃物品,系统附近严禁烟火。
设备在运输过程中将油箱的液位计阀门关闭,以防液位计损坏漏油现象。
1.2. 操作注意事项制氮机组必须定期检修,并保证良好的工作状态;应在技术规范规定的范围内运行;压缩机运行时在各压缩段会产生大量的热,故不可直接触摸各级气缸体及排气口至冷却器之间的高温金属零部件。
压缩机在运行中发现有油泄漏时,不仅要彻底清除泄漏液、修复泄漏处,必须检查并补充系统中的油量。
将气体通过合成分子筛,就可以得到纯氮气也可用中空纤维膜法得到高纯氮气如何除去混和燃气气体中的氮气?富氧膜技术采用变温吸附除去氮气如何在常温下分离氮气和氧气?空气的主要成分是氮气(占78%)和氧气(占21%),因此,可以说空气是制备氮气和氧气取之不尽的源泉。
氮气主要用于合成氨、金属热处理的保护气氛、化工生产中的惰性保护气(开停车时吹扫管线、易氧化物质的氮封、压料)、粮食贮存、水果保鲜和电子工业等。
氧气主要用于冶金、助燃气、医疗、废水处理和化学工业中的氧化剂等。
如何廉价地分离空气制取氧气和氮气,这是化工工作者长期潜心研究解决的问题。
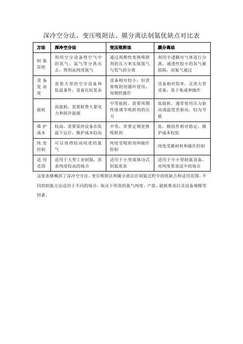
工业上分离空气的传统方法是采用深冷分离法,即将空气冷却到-150℃以下,再用低温精馏的方法实现分离。
该法可以同进得到氮气和氧气,还可以得到液氮和液氧。
但是,低温精馏法存在能耗高、流程长、启动过程长、设备维护要求高等缺点,因此近十几年来受到了变压吸附法和膜分离法等新兴分离方法的严峻挑战。
变压吸附法变压吸附法分离空气的机理有两种。
一种是利用5A沸石分子筛的选择吸附特性,即5A沸石分子筛对氮气的平衡吸附量大于对氧气的平衡吸附量,这样当空气通过沸石床层时氮气就被吸附,流出氧气作为产品。
当沸石吸附氮气饱和后,停止通入空气,并把床层抽成真空,抽出的氮气作为产品。
另一种是利用碳分子筛的运态吸附特性,即碳分子筛对氧气和氮气的平衡吸附量相差不大,但由于氧气的分子尺寸(2.8×3.9)比氮气的分子尺寸(3.0×4.1)小,因而氧气在碳分子筛中的扩散速度快,吸附量也大,于是氧气在碳分子筛中的扩散速度快,吸附量也大,于是氧气被吸附,流出氮气作为产品。
隔一段时间后,停止通入空气,把床层抽真空使碳分子筛再生。
该法通常是在吸附阶段为0.1~0.5×106Pa、解吸阶段为常压或真空及常温的条件下进行的,在工业上很容易实现。
用变压吸附法分离空气可以得到富氧空气和99.9%的纯氮气,耗电量均小于1.0kwh/m3。
膜空分制氮系统包含以下主要设备:1)空压机为制氮装置提供足够气源,空压机排气压力和排气量以膜组件的工况要求为依据。
2)空气预处理空气预处理是为了除去压缩空气中的油和水份以及大于0.1μm 的尘颗粒,减轻后续膜组件的负担。
空气预处理包括除油过滤和空气干燥二个功能。
3)膜分离装置膜分离装置的功能是将压缩空气精过滤后,经膜装置分离成氮气和富氧。
氮气达到品质要求后进入缓冲罐备用。
未达标气体从放空口排出。
膜分离过程的富氧废气通过富氧排放口排出。
4)氮气缓冲罐缓冲罐用于氮气的暂时存储和气体缓冲。
5)氮气监控系统氮气监控系统用于控制膜空分制氮装置,提供膜空分制氮装置人机操作界面、运行数据显示、报警显示等功能。
主要功能包括:一键装置启停、空压机启停、温度调节、压力调节、氮气纯度检测、氮气存储/放空转换控制、温度参数调整、压力参数调整、报警显示等。
1)、PSA制氮与传统制氮法相比,它具有工艺流程简单、自动化程度高、产气快(15~30分钟)、能耗低,产品纯度可在较大范围内根据用户需要进行调节,操作维护方便、运行成本较低、装置适应性较强等特点2)、以空气为原料,在一定压力条件下,利用氧和氮等不同性质的气体在膜中具有不同的渗透速率来使氧和氮分离叫膜分离法。
和其它制氮设备相比它具有结构更为简单、体积更小、无切换阀门、维护量更少、产气更快(≤3分钟)、增容方便等优点,它特别适宜于氮气纯度≤98%的中、小型氮气用户,有最佳功能价格比。
而氮气纯度在98%以上时,它与相同规格的PSA制氮机相比价格要高出15%以上。
中空纤维制氮机无切换阀门等运动部件,分离过程无相变,所以运行平稳无噪音、故障率低、可靠性好、能耗小。
根据GB/T 7392-1998(集装箱的技术要求和实验方法)气密试验,对只开设一个箱门的保温集装箱,其漏气率按标准状态计,不应超过10m3/h,每增设一个箱门(如侧开门)的漏气率允许增加5m3/h。
我们假设集装箱开设2个箱门,则其漏气率为15m3/h。
膜分离制氮装置一、概述膜法气体分离技术是当今世界竞相发展的高新技术,具有技术先进、投资少、操作费用低、寿命长、操作简单、开停车方便、占地面积小、操作弹性大、维护费用低等优点。
膜法气体分离技术现已广泛应用于石油(三次采油、天然气回收);化工(置换、吹扫、保护气);冶金(碳氮共渗、退火、焊接保护气);电子(电子器件保护气)、运输(易燃、易爆危险品保护气);煤炭(灭火、防爆);农业(库存农产品的起跳保护、防霉、防菌、防虫);医药(氮封、覆盖保护气)等领域。
膜法空分可以直接生产氮气、其纯度可在90%--99.7%范围内任意调节;膜法空分还可以直接生产富氧空气、富氧空气的浓度可以达到45%。
二、技术原理通常一切气体均可以渗透通过高分子膜,其过程是气体分子首先被吸附并溶解于膜的高压侧表面,然后借助于浓度梯度在膜中扩散,最后从膜的低压侧解析出来,其结果是小分子和极性较强的分子的通过速度较快,而大分子和极性较弱的分子的通过速度较慢,膜分离就是利用各种气体在高分子膜上的渗透速率的不同,来进行气体分离的,其分离推动力为气体在膜两侧的分压差,所以膜法气体分离没有相变、不需要再生,它具有设备简单、操作及维护费用低等优点。
一根膜分离器(组件)是由成千上万根中空纤维分离膜集装在一个外壳内,其结构类似于列管式换热器,它可以在最小的空间里提供最大的分离膜表面积,所以膜分离系统具有占地面积小、重量轻、分离效率高等优点。
膜分离制氮除可以提供洁净的高浓度氮气外,还可以同时提供富氧空气。
三、膜法空分的优点(1)能耗低:超细化的中空纤维膜具有极高的分离性能和很大的比表面积,制氮的氮气回收率极高,比其它空分技术制氮的能耗要少15~25%。
(2)可靠性高:中空纤维膜制氮系统不象其它空分设备,没有移动的部件,静态运行,只需甚少保养,连续运行安全可靠。
(3)寿命长:使用寿命可达6年以上。
(4)技术可靠:有数千台套设备在世界各地运行,使用效果良好。
分离氧气和氮气的方法1.分压吸附法分压吸附法是利用氧和氮在吸附剂中的吸附选择性不同,通过调节温度和压力的变化来实现分离的。
常用的吸附剂有活性炭、分子筛等。
在分压吸附法中,首先将混合的氧氮气通入吸附器中,经过一段时间吸附剂吸附氧气、脱附氮气。
当吸附剂中的气体达到饱和吸附后,将吸附器换到另外一个系统中进行脱附,通过减压和升温等方式,使得吸附剂中的氧气脱附出来,从而实现了氧气和氮气的分离。
分压吸附法具有分离效果好、操作简便等优点,但需要消耗大量的能源,并且吸附剂会受到寿命的限制。
2.压力摩分法压力摩分法是利用氧和氮在不同透膜中的渗透率差异来实现分离的。
常用的透膜有聚合物膜、陶瓷膜等。
在压力摩分法中,将混合的氧氮气通入装有透膜的分离器中,通过调节膜两侧的压力差和温度,使具有较高渗透率的氧气通过膜的孔隙,而较低渗透率的氮气保留在膜的入口侧,从而实现了氧气和氮气的分离。
压力摩分法具有设备简单、操作方便的优点,适用于大规模连续分离。
但摩分透膜的成本较高,摩分过程中需要消耗一定的能量。
3.膜分离法膜分离法是利用特殊的膜材料对氧和氮的选择性透过性来实现分离的。
常用的膜材料有聚合物膜、生物膜等。
在膜分离法中,将混合的氧氮气进一步通过特殊膜材料,通过膜的孔隙或溶解度差异使得氧气和氮气分离。
膜分离法可以根据需要设定的不同操作条件来优化分离效果,且膜材料的选择合理可以提高分离效率。
膜分离法具有操作简便、成本较低等优点,但由于膜材料性能的限制,分离效果较分压吸附法和压力摩分法较差。
总的来说,分离氧气和氮气的方法有很多种,分压吸附法、压力摩分法和膜分离法是其中比较常见的几种方法。
根据不同的实际需求和操作条件,可以选择合适的方法来进行氧气和氮气的分离。