隐蔽工程签证单
- 格式:doc
- 大小:30.00 KB
- 文档页数:2
隐蔽工程施工签证单模板工程名称:______________工程地点:______________施工单位:______________项目负责人:______________联系电话:______________建设单位:______________项目经理:______________联系电话:______________施工单位自施工开始之日起至竣工验收结束前,本公司将负责本工程内全部规模实体验收等质量验收任务的实施和完成,并在合约规定期限内对施工过程中发现的任何质量缺陷进行整改,以保证工程完成后交付使用之后,实体验收合格。
现因工程需要开展隐蔽验收工作,需征求建设单位的同意。
根据《建筑工程隐蔽验收规程》,命以"工程验收单"书面形式办理,现提出施工签证单如下:一、隐蔽验收范围:(1)验收项目:1. 结构隐蔽验收:______________2. 土建隐蔽验收:______________3. 给排水隐蔽验收:______________4. 电气隐蔽验收:______________5. 通风空调隐蔽验收:______________6. 防火隐蔽验收:______________(2)验收时间:1. 结构隐蔽验收时间:______________2. 土建隐蔽验收时间:______________3. 给排水隐蔽验收时间:______________4. 电气隐蔽验收时间:______________5. 通风空调隐蔽验收时间:______________6. 防火隐蔽验收时间:______________二、隐蔽验收依据:《建筑工程隐蔽验收规程》GB50203-2002三、签证要求:(1)施工单位应在隐蔽验收开始前至少3个工作日向建设单位申请隐蔽验收。
(2)施工单位应将隐蔽验收工作方案、验收计划和相关材料提交给建设单位。
(3)施工单位应配合建设单位及验收人员进行隐蔽验收工作,如发现问题应及时整改并重新验收。
-!隐蔽工程量签证单施工单位:南昌市路桥工程有限企业编号 :WNQ-01工程名称广丰县商品混凝土搅拌站检查项目搅拌楼基础检查部位石方开挖及商品砼垫层检查日期2014 年 9 月 14 日检查内容原始标高及开挖尺寸图纸编号开挖草图隐蔽内1、 -2.000 米标高处石方开挖均匀深度0.65 米;2、 -2.900 米标高处石方开挖均匀深度 1.55 米;3、因采纳机械开挖石方,场所高低不平及一侧为软泥,需要采纳C15 泵送商品砼垫平。
C15 泵送容商品砼垫层为270m3.4、石方开挖:( 667.59-8.5*12 )5、水池垫层及搅拌楼基础垫层高地跨竖向模板:施工单位代表署名监理单位代表署名建设单位代表署名建设单位领导署名年月日年月日年月日-!隐蔽工程量签证单施工单位:南昌市路桥工程有限企业编号 :WNQ-02工程名称广丰县商品混凝土搅拌站检查项目搅拌楼基础检查部位场所平坦及消除杂草检查日期2014 年 9 月 14 日检查内容场所平坦几何尺寸图纸编号平坦草图隐蔽内1、人工平坦场所:70*144=10080m22、反铲发掘机消除杂草合计34 个台时,机械台时单价380 元,合计34*380=12920 元容施工单位代表署名监理单位代表署名建设单位代表署名建设单位领导署名年月日年月日年月日-!隐蔽工程量签证单施工单位:南昌市路桥工程有限企业编号 :WNQ-03工程名称广丰县商品混凝土搅拌站检查项目搅拌楼基础检查部位暂时排水渠开挖检查日期2014 年 9 月 14 日检查内容开挖断面图图纸编号开挖草图隐蔽内1、四类土方开挖:容施工单位代表署名监理单位代表署名建设单位代表署名建设单位领导署名年月日年月日年月日-!隐蔽工程量签证单施工单位:南昌市路桥工程有限企业编号 :WNQ-04工程名称广丰县商品混凝土搅拌站检查项目办公楼基础检查部位场所平坦及消除杂草检查日期2014 年9 月15 日检查内容场所平坦几何尺寸图纸编号平坦草图隐蔽内1、人工平坦场所:30*70=2100m2容2、反铲发掘机消除杂草合计18 个台时,机械台时单价380 元,合计18*380=6840 元施工单位代表署名年月日监理单位代表署名年月日建设单位代表署名建设单位领导署名年月日-!隐蔽工程量签证单施工单位:南昌市路桥工程有限企业编号 :WNQ-05工程名称广丰县商品混凝土搅拌站检查项目搅拌楼基础检查部位防雷接地检查日期2014 年 9 月 20 日检查内容接地办理项目及数目图纸编号1、接地跨接线安装:10 处;2、户外接地母线敷设(-40*4 镀锌扁铁): 162.6 米;3、角铁接地极制作安装(坚土内 2.5 米长):8 根;4、避雷引下线敷设,利用建筑物主筋:468.4 米隐蔽内容施工单位代表署名监理单位代表署名建设单位代表署名建设单位领导署名年月日年月日年月日-!隐蔽工程量签证单施工单位:南昌市路桥工程有限企业编号 :WNQ-06工程名称广丰县商品混凝土搅拌站检查项目水池检查部位止水钢板、止水螺杆检查日期2014 年 9 月 20 日检查内容长度及数目图纸编号隐蔽内容 1、止水钢板重量: 24.2* (0.075*2+0.3 ) *7.85*3=256.5kg ;2、止水螺杆每根长 0.7 米,依据 450*450 标准间距摆列,合计 250 根,重量: 0.7*250*0.888=155kg施工单位代表署名监理单位代表署名建设单位代表署名建设单位领导署名年月日年月日年月日施工单位:南昌市路桥工程有限企业编号 :WNQ-07工程名称广丰县商品混凝土搅拌站检查项目办公楼检查部位人工挖孔桩检查日期2014 年 9 月 20 日检查内容回填土中岩石数目图纸编号广丰县商品混凝土搅拌站办公楼进行人工挖孔桩时,发现原地面下回填土中夹杂着岩石,均匀每根桩回填岩石的高度为 3.2 米,因此入岩增添费工程量增添 3.2 米,详细工程量依据施工图纸计算。
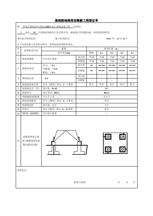
隐蔽工程(基坑验槽)签证记录表工程名称:遂宁城市生活垃圾环保发电项目110kV送出工程隐蔽工程(基坑验槽)签证记录隐蔽工程(基础浇前、支模)签证记录表填写说明:1、签证记录表中填写的桩号应与杆塔明细表中的杆塔桩号一致。
例如:T1、N12等。
2、“基础型”若同一基基础四个腿基础型相同,则填写统一的基础型,反之,如四个腿基础型不一样,应按照设计分别填写A、B、C、D基础型。
如:A:Xk-Z1200L12 B: Xk-Z1200L07 C:Xk-Z1200L02 D: Xk-Z1200L07。
3、日期应填写完整。
例如:2009年4月19日4、“坑深尺寸”栏:标准栏、检查结果栏分别填写不含垫层的基础埋深设计值、实测值。
5、“钢筋保护层厚度”栏:检查结果栏填写偏差值,如:-2,+3等,保留正、负号。
6、“模板支撑质量”栏:检查结果栏填写牢固可靠。
7、“坑口、坑底清理”栏:检查结果栏填写符合要求。
8、“坑中心根开、对角线尺寸”栏:对于平腿基础:设计值栏,填写设计根开值,如:AB: 10244 BC: 10244。
检查结果栏填写实测值。
对于高低腿基础:设计值栏,填写两水平半根开值,如:AB:5006+6005 BC: 6005+5006。
检查结果按照设计值栏填写实测值。
9、监理意见栏:必须手签,填写“合格,同意浇制”。
记录表签字栏,签字人必须亲笔签名,不可用私章代替。
隐蔽工程(基础浇制)签证记录表填写说明:1、签证记录表中填写的桩号应与杆塔明细表中的杆塔桩号一致。
例如:T1、N12等。
2、“基础型号”若同一基基础四个腿基础型相同,则填写统一的基础型,反之,如四个腿基础型不一样,应按照设计分别填写A、B、C、D基础型。
如:A:Xk-Z1200L12 B: Xk-Z1200L07 C:Xk-Z1200L02D: Xk-Z1200L07。
3、日期应填写完整。
例如:2007年6月19日4、“砼配合比”栏:标准栏、检查结果栏分别填写水泥、砂、石、水配合比值、实测值。
xxx####建设工程
隐蔽工程质量签证报验单
表号:xxxx-xx–A29 编号:
说明:1、与本表某个项目工程有关的隐蔽工程记录在相关隐蔽记录后边的“□”内画对钩。
2、本表由承包商填报,一式4份,自存份,查验后连同附件,监理部存1份。
xxxxxxxxx建设工程隐蔽工程验收记录
地基验槽
施工单位: 设计单位: 勘测单位:
建设单位: 监理单位:
年
月日填
xxxxxxxxx建设工程隐蔽工程验收记录
钢筋工程
编号:
建设单位: 监理单位:施工单位:
年月日填
xxxxxxxxx建设工程隐蔽工程验收记录
地下混凝土结构工程
编号:
建设单位: 监理单位:施工单位:
年月日填
地下防水、防腐工程
建设单位: 监理单位:施工单位:
年
月日填
地下直埋管道
编号:
建设单位: 监理单位:施工单位:
年月日填
xxxxxxxxx建设工程隐蔽工程验收记录
电气暗配穿线管
编号:
建设单位: 监理单位:施工单位:
年月日填
xxxxxxxxx建设工程隐蔽工程验收记录
上部结构工程
编号:
建设单位: 监理单位:施工单位:
年月日填
xxx####建设工程
交付中间验收交接表
表号:xxxx-xx–A30 编号:
本表一式4份,由交付单位填报,查验后,交付移交单位,接收单位、监理部、工程部各存
一份。
灌注桩隐蔽工程签证单填写说明
1、签证记录表中填写的桩号应与杆塔明细表中的杆塔桩号一致。
例如:T1、N12等。
2、按照设计图纸填写“基础型号”、“腿号”、“桩号”。
3、施工、检查日期应填写完整。
例如:2007年6月19日。
4、“钻机型号”、“钻头类型栏”、“钻头直径”:按照现场实际情况填写。
5、桩长、孔径、标高等设计数值按照设计图纸要求,并按照现场实际施工情况填写相应实测数值。
6、准确填写“钻孔时间、灌注时间、泥浆比重、沉渣厚度、砼距孔口、实灌量”等现场施工实测数据,确保真实、可靠。
7、“地脚螺栓规格及数量”栏:检查结果填写实际值:如M48×4。
8、“主筋规格及数量”栏:填写如5φ28×00000(“5”是主筋数量;“φ28”是主筋规格,应分清I或II级钢;“00000”是主筋长度)
9、“桩深”栏:一般情况下,可填写基面高程以下的桩深设计值和实测值,对于高桩连梁基础,应填写天然地面线以下的桩深设计值和实测值。
10、“桩径”栏:填写桩径设计值和桩径实测最小值。
11、“充盈系数”栏:质量标准栏内计算体积填写“**.**”,**.**为基面高程或天然地面线以下的桩体积,实际灌注量和充盈系数均保留2位小数。
12、“钢筋笼制作”栏:填写符合设计要求。
13、监理意见栏:必须手签,填写“经复核,数据正确,同意进入下道工序。
”。
记录表签字栏,签字人必须亲笔签名,不可用私章代替。
隐蔽工程量签证单 SANY标准化小组 #QS8QHH-HHGX8Q8-GNHHJ8-HHMHGN#
隐蔽工程量签证单施工单位:南昌市路桥工程有限公司编
隐蔽工程量签证单
施工单位:南昌市路桥工程有限公司编
隐蔽工程量签证单
施工单位:南昌市路桥工程有限公司编号:WNQ-03
隐蔽工程量签证单
施工单位:南昌市路桥工程有限公司编
隐蔽工程量签证单
施工单位:南昌市路桥工程有限公司编
隐蔽工程量签证单
施工单位:南昌市路桥工程有限公司编
隐蔽工程量签证单
施工单位:南昌市路桥工程有限公司编
隐蔽工程量签证单
施工单位:南昌市路桥工程有限公司编
隐蔽工程量签证单
施工单位:南昌市路桥工程有限公司编
隐蔽工程量签证单
施工单位:南昌市路桥工程有限公司编
隐蔽工程量签证单
施工单位:南昌市路桥工程有限公司编
隐蔽工程量签证单
施工单位:南昌市路桥工程有限公司编
隐蔽工程量签证单
施工单位:南昌市路桥工程有限公司编
隐蔽工程量签证单
施工单位:南昌市路桥工程有限公司编
隐蔽工程量签证单
施工单位:南昌市路桥工程有限公司编
隐蔽工程量签证单
施工单位:南昌市路桥工程有限公司编
隐蔽工程量签证单
施工单位:南昌市路桥工程有限公司编
隐蔽工程量签证单
施工单位:南昌市路桥工程有限公司编
隐蔽工程量签证单
施工单位:南昌市路桥工程有限公司编
隐蔽工程量签证单
施工单位:南昌市路桥工程有限公司编
隐蔽工程量签证单
施工单位:南昌市路桥工程有限公司编
隐蔽工程量签证单
施工单位:南昌市路桥工程有限公司编。
隐蔽工程签证单
工程名称:新建血液透析中心通道桥项目共()页第()页
单元名称:
签证单号签证名称施工项目我单位施工的新建血液透析中心通道桥建设项目工程中,施工项目房屋拆除工程量如下:
建设单位监理单位施工单位
共()页第()页
单元名称:
签证单号签证名称施工项目我单位施工的新建血液透析中心通道桥建设项目工程中,卫生间墙面拆除工程量如下:
建设单位监理单位施工单位
共()页第()页
单元名称:
签证单号签证名称施工项目我单位施工的新建血液透析中心通道桥建设项目工程中,2人半天人工工程量如下:
建设单位监理单位施工单位。
5.方茴说:“那时候我们不说爱,爱是多么遥远、多么沉重的字眼啊。
我们只说喜欢,就算喜欢也是偷偷摸摸的。
”6.方茴说:“我觉得之所以说相见不如怀念,是因为相见只能让人在现实面前无奈地哀悼伤痛,而怀念却可以把已经注定的谎言变成童话。
”7.在村头有一截巨大的雷击木,直径十几米,此时主干上唯一的柳条已经在朝霞中掩去了莹光,变得普普通通了。
8.这些孩子都很活泼与好动,即便吃饭时也都不太老实,不少人抱着陶碗从自家出来,凑到了一起。
9.石村周围草木丰茂,猛兽众多,可守着大山,村人的食物相对来说却算不上丰盛,只是一些粗麦饼、野果以及孩子们碗中少量的肉食。
重要隐蔽单元工程(关键部位单元工程)质量等级签证表5.方茴说:“那时候我们不说爱,爱是多么遥远、多么沉重的字眼啊。
我们只说喜欢,就算喜欢也是偷偷摸摸的。
”6.方茴说:“我觉得之所以说相见不如怀念,是因为相见只能让人在现实面前无奈地哀悼伤痛,而怀念却可以把已经注定的谎言变成童话。
”7.在村头有一截巨大的雷击木,直径十几米,此时主干上唯一的柳条已经在朝霞中掩去了莹光,变得普普通通了。
8.这些孩子都很活泼与好动,即便吃饭时也都不太老实,不少人抱着陶碗从自家出来,凑到了一起。
9.石村周围草木丰茂,猛兽众多,可守着大山,村人的食物相对来说却算不上丰盛,只是一些粗麦饼、野果以及孩子们碗中少量的肉食。
注:本表适用于隐藏工程和关键部位的联合验收。
重要隐蔽单元工程(关键部位单元工程)质量等级签证表5.方茴说:“那时候我们不说爱,爱是多么遥远、多么沉重的字眼啊。
我们只说喜欢,就算喜欢也是偷偷摸摸的。
”6.方茴说:“我觉得之所以说相见不如怀念,是因为相见只能让人在现实面前无奈地哀悼伤痛,而怀念却可以把已经注定的谎言变成童话。
”7.在村头有一截巨大的雷击木,直径十几米,此时主干上唯一的柳条已经在朝霞中掩去了莹光,变得普普通通了。
8.这些孩子都很活泼与好动,即便吃饭时也都不太老实,不少人抱着陶碗从自家出来,凑到了一起。
第1篇工程名称: [填写工程名称]工程地点: [填写工程地点]签证编号: [填写签证编号]签证日期: [填写签证日期]一、签证背景根据《中华人民共和国建筑法》及相关法律法规,为确保工程质量和施工安全,现将本工程中涉及的隐蔽工程进行签证,具体内容如下:二、签证内容1. 隐蔽工程概述- 工程部位:[填写具体工程部位]- 施工内容:[填写具体施工内容,如管道铺设、电线布设、防水处理等]- 设计要求:[填写设计要求,如材料规格、施工工艺等]2. 签证原因- 由于[填写具体原因,如地质条件变化、设计变更、材料规格调整等],导致原设计图纸中[填写具体部位或项目]的施工方案需要调整。
3. 签证变更内容- 材料调整:[填写原设计材料及调整后的材料,如原设计为PVC管,现调整为PE管]- 施工工艺调整:[填写原设计施工工艺及调整后的施工工艺,如原设计为干铺法,现调整为湿铺法]- 施工时间调整:[填写原设计施工时间及调整后的施工时间,如原设计为3天,现调整为5天]4. 签证变更后的施工方案- 材料选用:[填写变更后的材料规格、品牌、型号等]- 施工工艺:[填写变更后的施工步骤、操作要点等]- 质量控制:[填写变更后的质量控制标准、检验方法等]三、签证审批1. 施工单位:[填写施工单位名称及盖章]- 负责人:[填写负责人姓名及签字]- 施工员:[填写施工员姓名及签字]2. 监理单位:[填写监理单位名称及盖章]- 监理工程师:[填写监理工程师姓名及签字]3. 设计单位:[填写设计单位名称及盖章]- 设计师:[填写设计师姓名及签字]4. 业主单位:[填写业主单位名称及盖章]- 业主代表:[填写业主代表姓名及签字]四、签证执行1. 施工单位根据签证内容,严格按照变更后的施工方案进行施工。
2. 监理单位对施工过程进行全程监督,确保工程质量符合要求。
3. 设计单位对施工过程中的设计变更进行审核,确保设计变更的合理性和可行性。
五、签证归档本签证单经各方签字盖章后,由施工单位归档保存,作为工程档案的一部分。