黑龙江主体功能区规划--区域划分
- 格式:doc
- 大小:23.50 KB
- 文档页数:7
黑龙江省县级以上行政区划一览(最近更新时间:2006年8月30日)2006年,辖:12地级市、1地区;64市辖区、18县级市、45县、1自治县。
哈尔滨市辖8个市辖区、7个县,代管3个县级市。
市人民政府驻松北区世纪大道。
松北区道里区南岗区平房区香坊区道外区呼兰区阿城区尚志市(尚志镇)双城市(双城镇)五常市(五常镇)方正县(方正镇)宾县(宾州镇)依兰县(依兰镇)巴彦县(巴彦镇)通河县(通河镇)木兰县(木兰镇)延寿县(延寿镇)齐齐哈尔市辖7个市辖区、8个县,代管1个县级市。
市人民政府驻龙沙区(注:05版简册中是建华区)。
龙沙区昂昂溪区铁锋区建华区富拉尔基区碾子山区梅里斯达斡尔族区讷河市(讷河镇)富裕县(富裕镇)拜泉县(拜泉镇)甘南县(甘南镇)依安县(依安镇)克山县(克山镇)泰来县(泰来镇)克东县(克东镇)龙江县(龙江镇)鹤岗市辖6个市辖区、2个县。
市人民政府驻兴山区。
兴山区工农区南山区兴安区向阳区东山区萝北县(凤翔镇)绥滨县(绥滨镇)双鸭山市辖4个市辖区、4个县。
市人民政府驻尖山区。
尖山区岭东区四方台区宝山区集贤县(福利镇)宝清县(宝清镇)友谊县(友谊镇)饶河县(饶河镇)鸡西市辖6个市辖区、1个县,代管2个县级市。
市人民政府驻鸡冠区。
鸡冠区恒山区城子河区滴道区梨树区麻山区密山市(密山镇)虎林市(虎林镇)鸡东县(鸡东镇)大庆市辖5个市辖区、3个县、1个自治县。
市人民政府驻萨尔图区。
萨尔图区红岗区龙凤区让胡路区大同区(大同镇)林甸县(林甸镇)肇州县(肇州镇)肇源县(肇源镇)杜尔伯特蒙古族自治县(泰康镇)伊春市辖15个市辖区、1个县,代管1个县级市。
市人民政府驻伊春区。
伊春区带岭区南岔区(联合街道)金山屯区西林区美溪区乌马河区翠峦区友好区上甘岭区五营区红星区新青区汤旺河区乌伊岭区铁力市(铁力镇)嘉荫县(朝阳镇)牡丹江市辖4个市辖区、2个县,代管4个县级市。
市人民政府驻爱民区。
爱民区东安区阳明区西安区绥芬河市(绥芬河镇)宁安市(宁安镇)海林市(海林镇)穆棱市(八面通镇)林口县(林口镇)东宁县(东宁镇)佳木斯市辖5个市辖区、4个县,代管2个县级市。
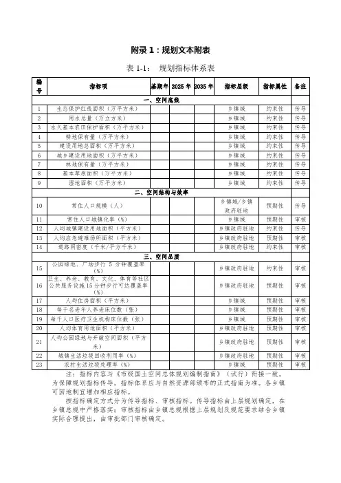
附录1:规划文本附表表1-1:规划指标体系表为保障规划指标传导,指标体系应与自然资源部颁布的正式指南为准。
各乡镇可因地制宜增加相应指标。
按指标确定方式分为传导指标、审核指标。
传导指标由上层规划确定,在乡镇总规中严格落实;审核指标由乡镇总规根据上层规划及规范要求结合乡镇实际合理提出,由审批部门审核确定。
表1-2:国土空间规划分区表注2:本指南新增12项二级分区(以*标注),乡镇总规编制可结合实际细化二级分区。
分区含义见表:3-1注3:分区管控建议见表3-2表1-3:乡镇域国土空间功能结构调整表其他建设用地是城乡建设用地、区域基础设施用地以外的建设用地,主要包括特殊用地、矿业用地等。
预留机动用地指标可统计至城乡建设用地内,暂时核减预期占用的主要非建设用地。
表1-4:国土综合整治和生态修复重大工程安排表表1-5:居民点体系规划表表1-6:乡镇政府驻地建设用地结构规划表表1-7:城乡生活圈设施配置一览表注2:考虑服务人口因素,托儿所与幼儿园在村级生活圈为非必配设施,但在5分钟生活圈为必配设施。
表1-8:重点建设项目安排表表1-9:规划约束性指标传导分解表附录2:规划图纸说明附录3:国土空间分区与管控要求表3-1 国土空间规划分区建议表表3-2 国土空间规划分区管制要求建议表附录4:名词解释和说明4.1 乡镇政府驻地乡镇总规关注的重点地区,根据本地实际需求等情况确定,一般包括乡镇政府所在地集中连片的城镇建成区及规划扩展区域,区域边界应为居(村)民委员会辖区。
4.2 乡镇集中建设区乡镇集中连片开发建设的地区,是引导乡镇各类建设项目集中布局的地区。
4.3 村庄集中建设区在一定时期内因村庄发展需要,可以进行村庄开发建设的区域。
4.4 农村产业融合发展用地加强乡村土地利用规划管理,涉农区在编制乡镇域规划中,可预留少量(不超过5%)城乡规划建设用地指标,用于农村公共公益设施、零星分散的乡村文旅设施及农村新产业新业态。
黑龙江省生态功能区划关于黑龙江省生态功能区划编制说明一、任务来源生态功能区划是一项全国性工作,该区划由国家和省两部分组成。
黑龙江省生态功能区划的编制是根据国家环境保护总局办公厅,环办函[2003]408号《关于开展中东部地区生态功能区划的函》要求进行的,该文件同时要求省级生态功能区划应由省级环保部门组织评审,在听取有关部门和大家的意见并作修改后,由国家环保总局组织验收,经验收合格的省级生态功能区划,应由省人民政府批准实施,同时报国家环境保护总局备案。
黑龙江省生态功能区划是由黑龙江省环境保护科学研究院承担,黑龙江省基础地理信息中心给予了大量技术支持。
区划技术报告经过了五次全国性的技术协调会,二次省内专家评审和鉴定会,并且通过了国家环保总局组织的验收,现已进入报省人民政府批准实施阶段。
二、编制的目的和意义2003年,胡锦涛总书记在中央人口资源环境保护工作会议上的讲话中强调要“抓紧制定生态功能区划和生态环境保护规划”。
为了贯彻胡锦涛总书记的这一讲话精神,落实《全国生态环境保护纲要》要求,黑龙江省积极开展了生态功能区划工作。
我省同全国生态环境形势一样,生态环境面临越来越大的严峻挑战和巨大压力。
历史教训和当今中国的国情都要求我们,单纯投入大量资金或采用先进控制污染技术来解决我国生态环境不断恶化问题是不现实的,因此必须把工作重点转移到环境管理上来。
事实证明,无论是微观管理,还是宏观控制,都必须开展生态功能区划研究工作,通过生态功能区划来揭示环境基础、环境容量、环境负荷、外来影响的敏感性、向外的生态环境调节的影响力,从中找到可利用的生态环境优势、整治生态环境中的薄弱环节、提出与经济发展相协调的对策,进而达到经济、社会和环境的协调发展。
三、区划的作用黑龙江省生态功能区划是一项生态环境保护与生态建设方面的重大基础性工作,国家环境保护总局已在编制生态功能区管理办法。
生态功能区划的作用主要体现在以下几个方面:1、区划将作为工程建设环境影响评价和审批环境影响评价时的重要依据。
黑龙江省人民政府关于印发黑龙江省主体功能区规划的通知文章属性•【制定机关】黑龙江省人民政府•【公布日期】2012.04.25•【字号】黑政发[2012]29号•【施行日期】2012.04.25•【效力等级】地方规范性文件•【时效性】现行有效•【主题分类】城乡建设综合规定正文黑龙江省人民政府关于印发黑龙江省主体功能区规划的通知(黑政发〔2012〕29号)各市(地)、县(市)人民政府(行署),省政府各直属单位:现将《黑龙江省主体功能区规划》印发给你们,请认真贯彻执行。
二○一二年四月二十五日黑龙江省主体功能区规划目录前言第一篇规划背景第一章规划背景第一节自然状况第二节空间布局第三节面临形势第四节综合评价第二篇总体要求和战略目标第二章总体要求第一节指导思想第二节开发原则第三章战略目标第一节主要目标第二节战略任务第三篇省域主体功能区第四章重点开发区域第一节功能定位和发展方向第二节国家级重点开发区域第三节省级重点开发区域第五章限制开发区域(国家农产品主产区)第一节功能定位和发展方向第二节区域分XXX概况第六章限制开发区域(国家重点生态功能区)第一节功能定位和发展方向第二节区域分XXX概况第三节点状开发城镇第七章禁止开发区域第一节功能定位和管制原则第二节管制内容第三节近期任务第四篇能源与资源第八章能源与资源第一节主要原则第二节能源开发利用第三节主要矿产资源开发利用第四节水资源开发利用第五篇保障措施第九章区域政策第一节财政政策第二节投资政策第三节产业政策第四节土地政策第五节农业政策第六节人口政策第七节民族政策第八节环境政策第九节应对气候变化政策第十章绩效考核评价第一节完善绩效考核评价体系第二节强化考核结果运用第六篇规划实施第十一章规划实施第一节省政府及有关部门职责第二节市县级政府职责第三节监测评估附件1:附图图1 黑龙江省行政区划图图2 地形地势图图3 “一心两翼”城市化战略格局分布图图4 “三区五带”农业战略格局分布图图5 “两山一平原”生态安全战略格局分布图图6 主体功能区分布图图7 重点开发区域分布图图8 重点开发城镇分布图图9 限制开发区域分布图图10 点状开发城镇分布图图11 国家级禁止开发区域分布图图12 省级禁止开发区域分布图图13 水资源分布图图14 可利用水资源评价图图15 土地资源分布图图16 可利用土地资源评价图图17 生态脆弱性评价图图18 生态重要性评价图图19 环境容量评价图图20 自然灾害危险性分级图图21 人口分布图图22 地均地区生产总值分布图图23 交通优势度评价图附件2:基本情况表1 国家级重点开发区域基本情况表2 省级重点开发区域基本情况表3 限制开发区域(国家农产品主产区)基本情况表4 限制开发区域(国家重点生态功能区)基本情况表5 限制开发区域森工系统林场基本情况表6 限制开发区域农垦系统农场基本情况附件3:禁止开发区域名录表1 国家级禁止开发区域名录表2 省级禁止开发区域名录表3 重要湿地和湿地公园名录前言推进形成全省主体功能区,是省委、省政府贯彻落实科学发展观、加快老工业基地振兴的重大举措,是实现地区间公共服务均等化、构建和谐龙江的重要途径。
全国主体功能区规划,就是要根据不同区域的资源环境承载能力、现有开发密度和发展潜力,统筹谋划未来人口分布、经济布局、国土利用和城镇化格局,将国土空间划分为优化开发、重点开发、限制开发和禁止开发四类,确定主体功能定位,明确开发方向,控制开发强度,规范开发秩序,完善开发政策,逐步形成人口、经济、资源环境相协调的空间开发格局。
2011年6月初,《全国主体功能区规划》正式发布。
根据功能区划分标准,全国主体功能区规划由国家主体功能区规划和省级主体功能区规划组成,分国家和省级两个层次编制。
主要包括环渤海地区、长江三角洲地区、珠江三角洲地区等3大区域重点开发区域主要包括冀中南地区、太原城市群、哈长地区、东陇海地区、江淮地区、海峡西岸经济区、中原经济区、长江中游地区、北部湾地区、黔中地区、藏中南地区、关中——天水地区、兰州——西宁地区、宁夏沿黄经济区、天山北坡地区等18个区域。
为什么要这样划分?这样划分的一个依据是什么?取决于交通,矿产资源,自然资源。
编制全国主体功能区规划,首先要对国土空间进行客观分析评价。
科学确定指标体系,利用遥感、地理信息等空间分析技术和手段,对全国或本地区的所有国土空间进行综合分析评价,作为确定主体功能区的基本依据。
分析评价采用全国统一的指标体系,统筹考虑以下因素:一是资源环境承载能力。
即在自然生态环境不受危害并维系良好生态系统的前提下,特定区域的资源禀赋和环境容量所能承载的经济规模和人口规模。
主要包括:水、土地等资源的丰裕程度,水和大气等的环境容量,水土流失和沙漠化等的生态敏感性,生物多样性和水源涵养等的生态重要性,地质、地震、气候、风暴潮等自然灾害频发程度等。
二是现有开发密度。
主要指特定区域工业化、城镇化的程度,包括土地资源、水资源开发强度等。
三是发展潜力。
即基于一定资源环境承载能力,特定区域的潜在发展能力,包括经济社会发展基础、科技教育水平、区位条件、历史和民族等地缘因素,以及国家和和地区的战略取向等。
《哈尔滨市城市总体规划(2011-2020)》百题问答《哈尔滨市城市总体规划(2011-2020)》百题问答1.本轮《哈尔滨市城市总体规划》市域和规划区范围是如何确定的?答案:本次城市总体规划中市域是指哈尔滨市行政辖区,总面积为5.3万平方公里;规划区是指哈尔滨市区,总面积为7086平方公里。
2.本轮《哈尔滨市城市总体规划》主城区规划范围是如何确定的?答案:主城区是指哈尔滨市道里区、道外区、南岗区、香坊区、平房区、松北区、呼兰区规划的城市建成区,总用地面积458平方公里。
3. 本轮《哈尔滨市城市总体规划》规划期限是如何确定的?答案:本轮《哈尔滨市城市总体规划》规划期限为近期为2011—2015年;远期为2016—2020年。
4.本轮《哈尔滨市城市总体规划》中城市性质是如何确定的?答案:本轮《哈尔滨市城市总体规划》中城市性质确定为:哈尔滨市是黑龙江省省会、我国东北北部中心城市、国家重要的制造业基地、历史文化名城和国际冰雪文化名城。
5. 本轮《哈尔滨市城市总体规划》中2020年市域人口规模是如何确定的?答案:本轮《哈尔滨市城市总体规划》中确定2020年人口规模为:市域常住人口控制在1050万人。
6.本轮规划中规划加快中心城区和小城镇的新型城镇化步伐,2020年哈尔滨市域城镇化水平规划达到多少?答案:到2020 年哈尔滨市域城镇化水平达到65%,即城镇人口发展到683万人。
也就是说,居住在城镇的人口占总人口比重将由原来的48.2%提高到65%。
7.2020年哈尔滨市城市主城区的人口及用地规模是如何确定的?答案:2020年实际居住人口为460万人,城市建设用地达到458.0平方公里。
8.2020年主城区规划人均城市建设用地指标是多少?答案:99.6平方米/人。
9. 哈尔滨市市域城镇体系规划形成“一个中心,十字型交通干线为主轴,三大圈层逐级拓展,三个城市经济亚区相互补充的点轴式城镇空间网络体系”,具体内容指什么?答案:一个中心指哈尔滨市主城区;十字型重点发展轴带指由滨洲—滨绥、京哈—哈绥铁路沿线的十字型城镇集合地带;三大圈层由20公里、100公里和300公里为半径划定出核心圈、强辐射圈和拓展圈;三个经济亚区分别为西部经济区、东部经济区、南部经济区。
专题18 资源环境与区域发展试卷副标题考试范围:xxx;考试时间:100分钟;命题人:xxx注意事项:1.答题前填写好自己的姓名、班级、考号等信息2.请将答案正确填写在答题卡上第I卷(选择题)请点击修改第I卷的文字说明一、单选题(2022·辽宁抚顺·一模)黑龙江扎龙国家级自然保护区是世界上最大的丹顶鹤繁殖地。
丹顶鹤每年10~11月向南迁徙越冬,次年2~3月返回繁殖地。
江苏省盐城国家级珍禽自然保护区是我国丹顶鹤分布数量最多的越冬地。
下图是丹顶鹤偏爱的生境类型。
据此完成下面小题。
1.丹顶鹤最偏爱的生境类型是()A.草滩B.芦苇滩C.稻田D.泥滩2.各生境类型为丹顶鹤生存所提供的条件,叙述合理的是()A.收割后稻田中有散落的稻谷和草籽为丹顶鹤提供了丰富的食物B.芦苇滩地势平坦,为丹顶鹤的觅食活动提供了广阔的空间C.稻田植株高大,冬季可以为丹顶鹤提供避风和躲避天敌的场所D.稻田中有浮游植物和鱼类为丹顶鹤提供丰富的食物和生存空间3.鄱阳湖也足丹顶鹤的越冬地,但是丹顶鹤数量极少,其原因错误的是()A.冬季丹顶鹤南迁路线较远B.途径区人口密集不利于南下C.冬季的鄱阳湖的水位较高,栖息地面积小D.鄱阳湖湿地人为开发严重,无自然保护区(2022·海南·模拟预测)中国红树林看海南,海南红树林看东寨港(位于海口市东北部)。
东寨港红树林是我国面积最大的一片沿海滩涂森林,红树植物种类最多,连片面积最大,发育最好。
但受持续不断的人为破坏和突如其来的自然灾害影响,红树林曾一度大面积减少,但东寨港具备重塑红树林的优势。
据此完成下面小题。
4.红树林对东寨港最直接最重要的作用是()A.调节河流的水质B.维持生物多样性C.固岸护堤防灾害D.防治海洋污染5.东寨港红树林遭到破坏的人为原因有()①围塘养殖①围海造田①过度放牧①污水排放A.①①①B.①①①C.①①①D.①①①6.相对于海南其他地区,东寨港重塑红树林的突出优势条件是()A.红树植物种类多,连片面积大B.海岸线曲折,水热条件充足C.台风灾害频繁,防海浪侵蚀强D.淡水资源充足,滩涂广布(2022·海南·模拟预测)贵州是全国唯一没有平原支撑的喀斯特山地省份,人口密度是全国的1.09倍,人口合理容量超载50%以上,加剧了贵州石漠化程度。
黑龙江省生态功能区划————————————————————————————————作者:————————————————————————————————日期:关于黑龙江省生态功能区划编制说明一、任务来源生态功能区划是一项全国性工作,该区划由国家和省两部分组成。
黑龙江省生态功能区划的编制是根据国家环境保护总局办公厅,环办函[2003]408号《关于开展中东部地区生态功能区划的函》要求进行的,该文件同时要求省级生态功能区划应由省级环保部门组织评审,在听取有关部门和大家的意见并作修改后,由国家环保总局组织验收,经验收合格的省级生态功能区划,应由省人民政府批准实施,同时报国家环境保护总局备案。
黑龙江省生态功能区划是由黑龙江省环境保护科学研究院承担,黑龙江省基础地理信息中心给予了大量技术支持。
区划技术报告经过了五次全国性的技术协调会,二次省内专家评审和鉴定会,并且通过了国家环保总局组织的验收,现已进入报省人民政府批准实施阶段。
二、编制的目的和意义2003年,胡锦涛总书记在中央人口资源环境保护工作会议上的讲话中强调要“抓紧制定生态功能区划和生态环境保护规划”。
为了贯彻胡锦涛总书记的这一讲话精神,落实《全国生态环境保护纲要》要求,黑龙江省积极开展了生态功能区划工作。
我省同全国生态环境形势一样,生态环境面临越来越大的严峻挑战和巨大压力。
历史教训和当今中国的国情都要求我们,单纯投入大量资金或采用先进控制污染技术来解决我国生态环境不断恶化问题是不现实的,因此必须把工作重点转移到环境管理上来。
事实证明,无论是微观管理,还是宏观控制,都必须开展生态功能区划研究工作,通过生态功能区划来揭示环境基础、环境容量、环境负荷、外来影响的敏感性、向外的生态环境调节的影响力,从中找到可利用的生态环境优势、整治生态环境中的薄弱环节、提出与经济发展相协调的对策,进而达到经济、社会和环境的协调发展。
三、区划的作用黑龙江省生态功能区划是一项生态环境保护与生态建设方面的重大基础性工作,国家环境保护总局已在编制生态功能区管理办法。
黑龙江主体功能区规划--区域划分黑龙江主体功能区规划区域划分一、重点开发区域重点开发区域总面积4.90万平方公里~占全省的10.4%~除去基本农田后重点开发区域面积为3.58万平方公里~占全省总面积的7.58%。
(一)国家级重点开发区域:哈大齐地区和牡绥地区城市带及部分县,市,重点开发区、园区所在乡镇。
该区域包括哈大齐地区和牡绥地区城市带及部分县,市,重点开发区、园区所在乡镇~共58个区,市,、镇,乡、街道办事处,。
区域总面积2.70万平方公里~占全省的5.8%,除去基本农田后重点开发区域面积为1.95万平方公里~占全省总面积的4.13%。
功能定位:全国重要的能源、石化、医药和重型装备制造基地~区域性的农产品加工和生物产业基地~东北地区陆路对外开放的重要门户。
1、哈大齐工业走廊构建以哈尔滨为中心~以齐齐哈尔、大庆为重要支撑~以主要交通走廊为主轴的空间开发格局。
,1,哈尔滨。
主要指哈尔滨市辖区~包括南岗区、道里区、道外区、香坊区、平房区、松北区、呼兰区和阿城区。
,2,齐齐哈尔。
主要指齐齐哈尔市辖区~包括建华区、龙沙区、铁锋区、昂昂溪区、富拉尔基区、梅里斯区和碾子山区。
,3,大庆。
主要指大庆市辖区~包括萨尔图区、龙凤区、让胡路区、大同区和红岗区。
,4,重点开发城镇主要指哈大齐工业走廊毗邻的部分县,市,重点开发区、"two" education coordination groups, coordinating district-wide educational work. District Office, the Central Commission for discipline inspection, the district Party Committee Organization Department and the district Party Committee园区所在乡镇~包括宾县宾州镇、宾西镇和居仁镇、双城市双城镇、周家镇和新兴满族乡、巴彦县巴彦镇和兴隆镇、依兰县依兰镇和达连河镇、杜尔伯特蒙古族自治县泰康镇、林甸县林甸镇和花园镇、肇源县肇源镇和新站镇、肇州县兴城镇和肇州镇、讷河市雨亭街道办事处和拉哈镇、克山县克山镇、克东县克东镇和宝泉镇、拜泉县拜泉镇、泰来县泰来镇、龙江县白山乡和哈拉海乡、富裕县友谊乡和塔哈满族达斡尔族乡、依安县依安镇、肇东市五站镇和宋站镇、安达市任民镇和卧里屯乡等33个镇,乡,。
国务院关于《黑龙江省国土空间规划(2021—2035年)》的批复文章属性•【制定机关】国务院•【公布日期】2024.01.09•【文号】国函〔2024〕7号•【施行日期】2024.01.09•【效力等级】国务院规范性文件•【时效性】现行有效•【主题分类】土地资源正文国务院关于《黑龙江省国土空间规划(2021—2035年)》的批复国函〔2024〕7号黑龙江省人民政府、自然资源部:你们关于报请批准《黑龙江省国土空间规划(2021—2035年)》的请示收悉。
现批复如下:一、原则同意自然资源部审查通过的《黑龙江省国土空间规划(2021—2035年)》(以下简称《规划》)。
《规划》是黑龙江省空间发展的指南、可持续发展的空间蓝图,是各类开发保护建设活动的基本依据,请认真组织实施。
黑龙江省地处东北亚中心区域,是国家重要商品粮生产基地、重型装备生产制造基地、重要能源及原材料基地、北方生态安全屏障、向北开放新高地。
《规划》实施要坚持以习近平新时代中国特色社会主义思想为指导,全面贯彻落实党的二十大精神,完整、准确、全面贯彻新发展理念,坚持以人民为中心,统筹发展和安全,促进人与自然和谐共生,在全面振兴、全方位振兴中奋力开创黑龙江高质量发展新局面。
二、筑牢安全发展的空间基础。
到2035年,黑龙江省耕地保有量不低于24993.00万亩,其中永久基本农田保护面积不低于20327.00万亩;生态保护红线面积不低于15.13万平方千米;城镇开发边界扩展倍数控制在基于2020年城镇建设用地规模的1.3倍以内;单位国内生产总值建设用地使用面积下降不少于40%;用水总量不超过国家下达指标,其中2025年不超过363.3亿立方米。
明确自然灾害风险重点防控区域,划定洪涝等风险控制线,落实战略性矿产资源、历史文化保护等安全保障空间,全面锚固高质量发展的空间底线。
三、构建支撑新发展格局的国土空间体系。
深入实施区域协调发展战略、区域重大战略、主体功能区战略、新型城镇化战略和乡村振兴战略,促进形成主体功能明显、优势互补、高质量发展的国土空间开发保护新格局。
黑河市人民政府办公室关于印发《黑河市城区声环境功能区划分方案》的通知正文:----------------------------------------------------------------------------------------------------------------------------------------------------黑河市人民政府办公室关于印发《黑河市城区声环境功能区划分方案》的通知黑市政办规〔2020〕13号黑河自贸片区管委会、爱辉区人民政府,市直有关单位:《黑河市城区声环境功能区划分方案》已经市政府2020年第17次常务会议讨论通过,现印发给你们,请认真抓好贯彻落实。
黑河市人民政府办公室2020年12月9日黑河市城区声环境功能区划分方案为构建黑河市声环境质量管理体系,提升声环境质量管理、监测与执法水平,根据《中华人民共和国环境噪声污染防治法》、《声环境功能区划分技术规范》(GB/T15190—2014)有关规定,按照原环保部《关于加强和规范声环境功能区划分管理工作的通知》(环办大气函〔2017〕1709号)、原省环保厅《关于开展环境噪声功能区划调整通知》(黑环函〔2017〕297号)要求,结合我市城市总体规划和建设现状、土地利用规划和现状、声环境现状、交通道路网、行政区划等资料与数据,对黑河市城区声环境功能区进行划分,为环境质量评价、建设项目审批和噪声管理判定等提供科学、规范依据。
一、基本原则声环境功能区划以有效控制噪声污染的程度与范围,有利于提高声环境质量为宗旨,遵循以下基本原则:(一)以城市规划为指导,按区域规划用地的主导功能、用地现状确定。
用地现状与城市总体规划用途相差较大的区域,以用地现状为依据,划分范围应覆盖整个城市规划区面积;(二)单块的声环境功能区面积,原则上不小于0.5km2;(三)便于环境噪声监督管理和治理,严格控制4类声环境功能区范围;(四)根据城市规模和用地变化情况,声环境功能区划应适时调整,原则上不超过5年调整一次。
.哈尔滨市城市总体规划概要(2010-2020)第一章总则一、规划修编的重点1、确定城市发展定位和发展目标以全球化的视野,从东北亚、国家和区域认识哈尔滨城市的战略地位,确定未来哈尔滨的城市定位。
从资源环境、产业转型和城市经济社会发展需求等进行综合研究,调整城市的发展目标和发展战略,以及实现目标所必需的生态保障和资源保障。
2、建立城乡统筹发展框架从区域协调发展的角度,调整市域空间布局,建立城乡统筹发展框架,提升中心城区区域地位,推进市域各城镇在产业布局、生态环境保护和基础设施建设方面的协调,促进全市区县社会经济的整体发展。
3、调整优化城市空间布局结构配合城市化的快速发展和产业结构调整,突出城市发展重点和方向,拉开城市空间发展框架,调整优化主城区空间布局,构筑基于科技创新的产业基地,明确土地开发强度控制要求,建立开放式城市空间结构体系。
4、培育健康和谐的生活载体系统面对快速的经济发展伴随的诸多城市问题,从构建和谐社会出发,实施“四增四减”策略,从保障性住房建设、旧城区改造、现代服务功能培育、空间景观环境塑造、历史文化名城保护、市政基础设施完善等多个方面进行全面提升和规划,增强中心城市的综合竞争力和多元化服务能力。
5、完善现代化综合交通体系立足东北地区的区域协调,以快速交通系统和轨道交通系统建设为重点,优化内部交通网络,加强区域性重大交通设施的建设和整合,构建现代化的城市交通体系和高效便捷的区域一体化交通网络。
6、构建可持续发展的低碳生态格局以建立节约型城市为根本,严格控制城市规模,优先关注生态环境的建设和保护,优先关注资源的节约与有效利用,采取空间区划的方法,建立空间管制体系,保护以河湖、湿地、基本农田、风景名胜区等为主的自然空间,构建科学安全、低碳环保的生态格局。
三、规划范围本次规划规划范围分为市域、规划区、中心城区和主城区四个层次,其中市域指哈尔滨市行政辖区,总面积为5.31万平方公里;规划区指哈尔滨市区,总面积为7086平方公里;中心城区指哈尔滨市道里区、道外区、南岗区、香坊区、平房区、松北区的行政辖区,呼兰城区及双井镇、长岭镇、沈家镇、孟家乡和阿城城区(包括新利街道、舍利街道)及蜚克图镇、料甸乡、红星乡,总面积为4187平方公里;主城区指哈尔滨市道里区、道外区、南岗区、香坊区、平房区、松北区、呼兰区规划的城市建成区,总用地面积458平方公里。
黑龙江省地方标准DB23DB23/T744—2004控制性详细规划编制规范Code for Compiling Regulatory Planning2004—02-18发布2004—03—01实施黑龙江省建设厅联合发布黑龙江省质量技术监督局黑龙江省地方标准控制性详细规划编制规范Code for Compiling Regulatory PlanningDB23/T744—2004主编单位:哈尔滨市城市规划设计研究院批准部门:黑龙江省建设厅黑龙江省质量技术监督局施行日期:2004年03月01日2004 哈尔滨前言为提高我省城市规划整体水平,更好地指导与规范城市规划编制工作,满足城市规划管理和土地使用工作的需要,统一黑龙江省控制性详细规划编制的内容与深度,增强控制性详细规划编制的标准性、规范性和科学性,黑龙江省建设厅决定编制《黑龙江省控制性详细规划编制规范》.本规范在编制过程中,依据《中华人民共和国城市规划法》、《城市规划编制办法》、《城市规划编制办法实施细则》和其它有关控制性详细规划的规范和规定,经广泛调查研究,认真总结我省实践经验,参考其它省、市有关资料,并广泛征求了有关单位的意见,最后经审查定稿。
为了提高规范的质量,请各单位在执行本规范过程中,注意总结经验,积累资料,如发现需要修改和补充之处,请将意见和有关资料寄给黑龙江省建设厅(地址:哈尔滨市南岗区东大直街308号;邮编:150001)以供今后修订时参考。
主编单位:哈尔滨市城市规划设计研究院主要起草人:李春梅林红杨王宏伟王娟韩杰张毅范晓磊邵强目次1 总则 (1)2 术语 (2)3 编制的主要内容 (6)4 编制的具体要求和深度 (8)4。
1 土地划分及其兼容性规定 (8)4.2 土地使用强度控制 (11)4。
3 居住人口规模预测 (13)4.4 配套公共服务设施 (13)4.5 道路系统 (14)4.6 市政公用设施 (15)4。
7 城市设计 (15)4.8 经济分析 (16)5 土地使用与建筑管理规定 (17)5。
黑龙江主体功能区规划区域划分一、重点开发区域重点开发区域总面积万平方公里,占全省的%,除去基本农田后重点开发区域面积为万平方公里,占全省总面积的%。
(一)国家级重点开发区域:哈大齐地区和牡绥地区城市带及部分县(市)重点开发区、园区所在乡镇。
该区域包括哈大齐地区和牡绥地区城市带及部分县(市)重点开发区、园区所在乡镇,共58个区(市)、镇(乡、街道办事处)。
区域总面积万平方公里,占全省的%;除去基本农田后重点开发区域面积为万平方公里,占全省总面积的%。
功能定位:全国重要的能源、石化、医药和重型装备制造基地,区域性的农产品加工和生物产业基地,东北地区陆路对外开放的重要门户。
1、哈大齐工业走廊构建以哈尔滨为中心,以齐齐哈尔、大庆为重要支撑,以主要交通走廊为主轴的空间开发格局。
(1)哈尔滨。
主要指哈尔滨市辖区,包括南岗区、道里区、道外区、香坊区、平房区、松北区、呼兰区和阿城区。
(2)齐齐哈尔。
主要指齐齐哈尔市辖区,包括建华区、龙沙区、铁锋区、昂昂溪区、富拉尔基区、梅里斯区和碾子山区。
(3)大庆。
主要指大庆市辖区,包括萨尔图区、龙凤区、让胡路区、大同区和红岗区。
(4)重点开发城镇主要指哈大齐工业走廊毗邻的部分县(市)重点开发区、园区所在乡镇,包括宾县宾州镇、宾西镇和居仁镇、双城市双城镇、周家镇和新兴满族乡、巴彦县巴彦镇和兴隆镇、依兰县依兰镇和达连河镇、杜尔伯特蒙古族自治县泰康镇、林甸县林甸镇和花园镇、肇源县肇源镇和新站镇、肇州县兴城镇和肇州镇、讷河市雨亭街道办事处和拉哈镇、克山县克山镇、克东县克东镇和宝泉镇、拜泉县拜泉镇、泰来县泰来镇、龙江县白山乡和哈拉海乡、富裕县友谊乡和塔哈满族达斡尔族乡、依安县依安镇、肇东市五站镇和宋站镇、安达市任民镇和卧里屯乡等33个镇(乡)。
2、牡绥地区以牡丹江市为中心,强化绥芬河综合保税区和绥芬河口岸功能,打造重要的国际贸易物流节点和对外合作加工贸易基地,建设全国沿边开放的重要桥头堡和枢纽站。
(1)牡丹江。
主要指牡丹江市辖区,包括东安区、阳明区、爱民区和西安区。
(2)绥芬河。
(二)省级重点开发区域:东部煤电化基地城市群、绥化市建成区及部分县(市)重点开发区、园区所在乡镇。
该区域包括东部煤电化基地城市群、绥化市建成区及部分县(市)重点开发区、园区所在乡镇,共有51个区、镇(乡)。
区域总面积万平方公里,占全省的%;除去基本农田后重点开发区域面积为万平方公里,占全省总面积的%。
功能定位:全省重要的能源、电力和煤化工基地,区域性的农产品加工和生物产业基地,东北对外开放的重要地区和物流基地,重要的绿色特色农产品生产及加工基地。
1、东部煤电化基地以佳木斯、鸡西、双鸭山、鹤岗、七台河为区域中心城市,以能源与煤化工及其相关产业为主导,建设我省东部重要经济增长极。
(1)佳木斯。
主要指佳木斯市辖区,包括前进区、向阳区、东风区和郊区。
(2)鸡西。
主要指鸡西市辖区,包括鸡冠区、恒山区、滴道区、梨树区、城子河区和麻山区。
(3)双鸭山。
主要指双鸭山市辖区,包括尖山区、岭东区、四方台区和宝山区。
(4)鹤岗。
主要指鹤岗市辖区,包括向阳区、工农区、南山区、兴安区、东山区和兴山区。
(5)七台河。
主要指七台河市辖区,包括新兴区、桃山区和茄子河区。
(6)重点开发城镇。
主要指东部煤电化基地周边部分县(市)重点开发区、园区所在乡镇,包括宝清县宝清镇、朝阳乡和七星泡镇,集贤县福利镇和集贤镇,鸡东县永安镇和永和镇,勃利县勃利镇和青山乡等9个镇(乡)。
2、绥化主要指绥化市建成区。
3、其他重点开发城镇主要指国家农产品主产区中部分县(市)重点开发区、园区所在乡镇,包括桦南县桦南镇、桦川县悦来镇、汤原县汤原镇、友谊县友谊镇、萝北县名山镇和环山乡、绥化市北林区四方台镇和秦家镇、海伦市海伦镇和海北镇、望奎县望奎镇和先锋镇、兰西县榆林镇和兰西镇、明水县明水镇和双兴乡、青冈县青冈镇和柞岗乡等18个镇(乡)。
二、限制开发区域(一)国家农产品主产区:是指具备良好的农业发展条件,从保障国家农产品安全以及中华民族永续发展的需要出发,把增强农业综合生产能力作为发展首要任务的区域。
该区域限制进行大规模高强度工业化城镇化开发,重点建设“三区五带”优势农产品主产区。
该区域主要位于农业生产条件较好的松嫩平原、三江平原和中部山区,以松嫩平原、三江平原农业综合开发试验区为主体。
主要建设以优质粳稻为主的水稻产业带,以籽粒与青贮兼用玉米为主的专用玉米产业带,以高油高蛋白大豆为主的大豆产业带,以肉牛、奶牛、生猪为主的畜牧产品产业带以及马铃薯产业带。
主要包括宾县、双城市、巴彦县、依兰县、依安县、克山县、克东县、拜泉县、富裕县、讷河市、泰来县、龙江县、桦南县、桦川县、汤原县、林甸县、肇源县、肇州县、杜尔伯特蒙古族自治县、萝北县、宝清县、集贤县、友谊县、鸡东县、勃利县、绥化市北林区、安达市、肇东市、海伦市、兰西县、望奎县、青冈县、明水县等33个县(市、区)以及位于上述地区的农垦、森工系统所属场、局。
该区域总面积万平方公里,占全省的%,耕地面积万平方公里。
功能定位:以提供农产品为主体功能,保障农产品供给安全的重要区域。
重要的商品粮生产基地、绿色食品生产基地、畜牧业生产基地和农产品深加工区、农业综合开发试验区、社会主义新农村建设的示范区。
(二)国家重点生态功能区:是指生态系统十分重要,关系全国或全省的生态安全,目前生态系统有所退化,需要在国土空间开发中限制进行大规模高强度工业化和城镇化开发,以保持生态产品供给能力的区域。
全省限制开发区域的国家重点生态功能区分为:水源涵养型,包括大小兴安岭森林生态功能区和长白山森林生态功能区;生物多样性维护型,包括三江平原湿地生态功能区。
该区域主要包括51个县(市、区)以及位于该区域内的森工、农垦系统所属局、场,总面积万平方公里,占全省总面积的%,功能定位:以提供生态产品为主,保障生态安全的重要区域,人与自然和谐相处的示范区。
1、大小兴安岭森林生态功能区该区域包括大兴安岭地区加格达奇区,呼玛县、塔河县、漠河县、大兴安岭地区呼中区、新林区、松岭区、伊春市市辖区、铁力市、嘉荫县、黑河市区(爱辉区)、北安市、五大连池市、嫩江县、逊克县、孙吴县、庆安县、绥棱县、甘南县、通河县和木兰县等35个县(市、区)及位于上述区域内的森工、农垦系统所属局、场,区域总面积万平方公里,占全省总面积的45%。
该区域森林覆盖率高,具有完整的寒温带森林生态系统,是我国寒温带针叶林、温带针阔混交林植被类型的重要分布区,是黑龙江、松花江、嫩江等水系及其主要支流的重要源头和水源涵养区。
2、长白山森林生态功能区该区域包括五常市、尚志市、方正县、延寿县、海林市、宁安市、穆棱市、东宁县、林口县等9个县(市)及位于上述区域内的森工、农垦系统所属局、场,区域总面积万平方公里,占全省总面积的12%。
该区域拥有温带完整的山地垂直生态系统,是大量珍稀物种资源的生物基因库。
3、三江平原湿地生态功能区该区域包括同江市、富锦市、抚远县、饶河县、虎林市、密山市、绥滨县等7个县(市)及位于上述区域内的森工、农垦系统所属局、场,区域总面积万平方公里,占全省总面积的10%。
该区域天然水域和原始湿地面积大,水生和湿地生态系统类型多样,在蓄洪防洪、抗旱、调节局部地区气候、维护生物多样性、控制土壤侵蚀等方面具有重要作用。
(三)点状开发城镇:为更好地进行生态建设和环境保护,在现有城镇布局基础上重点规划和建设资源环境承载能力相对较强的县城和中心镇,进一步集约开发,集中发展特色产业和经济,提高综合承载能力。
引导一部分人口向城市化地区转移,一部分人口向区域内的县城和中心镇转移。
功能定位:重要的农林产业和产品生产加工基地,县域经济和特色优势产业发展的核心区,承接周边农业人口和林业生态人口转移的集中区。
1、大小兴安岭森林生态功能区点状开发城镇该区域主要包括大兴安岭地区加格达奇区加北乡,漠河县西林吉镇,塔河县塔河镇,呼玛县呼玛镇,大兴安岭地区新林区塔源镇,黑河市爱辉区幸福乡和罕达汽镇,伊春市伊春区旭日街道办事处、东升街道办事处和前进街道办事处,伊春市翠峦区向阳街道办事处,伊春市西林区苔青街道办事处和新兴街道办事处,伊春市南岔区东升街道办事处和浩良河镇,铁力市铁力镇,嘉荫县朝阳镇,绥棱县绥棱镇,庆安县庆安镇和平安镇,北安市城郊乡和通北镇,五大连池市双泉镇,嫩江县嫩江镇、多宝山镇和双山镇,孙吴县孙吴镇,逊克县奇克镇,甘南县甘南镇和音河镇,通河县通河镇,木兰县木兰镇。
2、长白山森林生态功能区点状开发城镇该区域主要包括五常市五常镇和牛家满族镇,尚志市尚志镇,海林市海林镇,东宁县东宁镇和三岔口镇,宁安市宁安镇,林口县林口镇和柳树镇,穆棱市八面通镇和下城子镇,方正县方正镇、伊汉通乡和松南乡,延寿县延寿镇。
3、三江平原湿地生态功能区点状开发城镇该区域主要包括富锦市大榆树镇,同江市同江镇,抚远县抚远镇和通江乡,饶河县饶河镇,密山市密山镇和连珠山镇,虎林市虎林镇,绥滨县绥滨镇。
三、禁止开发区域禁止开发区域是指依法设立的各级各类自然文化资源保护区域以及其他需要特殊保护的区域,是国土空间开发中禁止进行工业化城镇化开发的重点生态功能区。
主要包括各级自然保护区、风景名胜区、森林公园、地质公园、基本农田保护区、重要湿地和湿地公园、水源保护地、文物保护区、蓄滞洪区等区域。
全省禁止开发区域共285处,包括国家级禁止开发区84处,省级禁止开发区201处。
今后新设立的各类国家级和省级禁止开发区域,报规划编制部门列入禁止开发区域名录。
功能定位:保护自然文化资源的重要区域,点状分布的生态功能区域,珍稀动植物基因资源保护地和重要迁徙地,保护生物物种多样性的区域,基本农田、重要水源地和重要蓄泄洪区。
(一)自然保护区:国家和省级自然保护区是指经国务院或省政府批准设立,具有典型意义或有特殊科学研究价值的自然保护区。
截至2010年年底,全省有国家级自然保护区23处、省级自然保护区80处,类型分为森林、湿地、珍稀野生动植物等保护区。
该区域要依据《中华人民共和国自然保护区条例》和《黑龙江省自然保护区管理办法》、本规划和相关规划进行管理。
(二)风景名胜区:国家级和省级风景名胜区是经国务院或省政府批准设立,具有观赏、文化或科学价值,自然景观、人文景观比较集中,环境优美,可供人们游览或者进行科学、文化活动的区域。
全省有国家级风景名胜区3处、省级风景名胜区29处,类型分为湖泊、火山等。
要依据《风景名胜区条例》、本规划和风景名胜区相关规划进行管理。
(三)森林公园:国家级和省级森林公园是指国家或省级相关部门批准设立,具有重要森林风景资源,自然人文景观独特,观赏、游憩、教育价值高的森林公园。
全省有国家级森林公园53处、省级森林公园47处,保护类型分为自然、历史及人文等。