空气能电锅炉燃气锅炉比较
- 格式:docx
- 大小:8.72 KB
- 文档页数:2
燃气锅炉与煤锅炉、燃油锅炉、电锅炉、电暖器的经济技术分析比较锅炉可以燃用各种能源,包括天然气、煤、柴油、电,为了有利于应用,我们将对四种规格(1吨、2吨、3吨、4吨)的小型锅炉在燃用天然气、煤、柴油、电的各个方面作出比较,以供参考。
一、四种类型锅炉初始固定投入比较从上图所给数据可以看出:1、在1吨、2吨、3吨的锅炉中,燃气锅炉、燃油锅炉的初始固定投资是最少的;在4吨的锅炉中,燃煤锅炉的初始固定投入是最少的;2、在锅炉的使用寿命中,燃气锅炉一般为20年,是各种类型锅炉中寿命最长的;3、在锅炉的折旧率中,1吨、2吨、3吨、4吨的燃气锅炉均远远低于同等规格的其它类型的锅炉,无形之中减少了固定资产的流失。
因此,在各种类型锅炉固定资产的投资方面,投资于燃气锅炉无疑是一种更好的选择。
二、四种类型锅炉年度运行费用比较(以每日制55℃热水10吨,升温40℃为例)从以上估算模型中,我们可以的出结论:1、在未明确的日常维护费用数据的基础上,燃煤锅炉的年运行费用是最低的;2、燃煤锅炉的日常维护成本远远高于燃气锅炉,如果把日常维护费用计算在内,燃气锅炉的年运行费用将远低于燃煤锅炉,为四种类型锅炉中运行成本最低的;3、燃煤锅炉的人工费用要视生产情况而定,如果昼夜生产,则必须实行倒班制度,两个人是最少选择,这将会大大增加燃煤锅炉的年运行费用。
因此,在各种类型锅炉的年运行费用上,燃气锅炉是最有潜在优势的一种选择。
三、四种类型锅炉其它因素比较在影响锅炉选择的其它因素比较中,我们可以发现:1、从环保的角度来看,燃气锅炉、用电锅炉对环境是无污染的,是首选;2、从配套设施的要求来看,燃气锅炉、用电锅炉节省了大量人力、物力和场地,是首选;3、从政府政策方面来看,近些年来,政府对天然气的推广使用是大力提倡和支持,却因为节能减排、粉尘污染、矿渣处理等问题限制燃煤锅炉的应用;因为碳的高排放、二氧化硫等酸性气体排放,不提倡燃油锅炉的推广;出于节能减排的考虑,会适当的拉闸限电,限制了用电锅炉的发展,所以燃气锅炉无疑是首选。
空气源热泵与电锅炉取暖的区别日期:2015-01-21 作者:西莱克热泵点击:535空气源热泵与电锅炉都是使用电的设备,是北方目前煤改电政策的首选的取暖设备;它们之间有什么区别,它们的好处分别是什么?投资成本怎样,它们两者那种更好,更节能,都是用户选购之前必须了解清楚的。
一从投资成本来看。
相同产热量的情况小,电锅炉要比空气源热泵稍微便宜一点,但是它需要的电功率要比空气源热泵大3倍作用。
二、从节能性来看》空气源热泵是通过吸收空气中热量,经过压缩机压缩产热的过程,比传统的电节能4倍左右;而电锅炉是直接产热的设备,中间没有经过任何的转换直接产热的过程,所以只能产生90%的热量,节能性空气源热泵比电锅炉节能。
1、、空气源热泵常年可以实现1KW可以转化4KW的过程。
2、锅炉只能实现1KW实现0.95KW或者更低的过程。
三、工作原理的差异:1、空气源热泵运转基本原理根据是逆卡循环原理,液态工质首先在蒸腾器内吸收空气中的热量而蒸腾形成蒸汽(汽化),汽化潜热即为所回收热量,然后经压缩机压缩成高温高压气体,进入冷凝器内冷凝成液态(液化)把吸收的热量发给需求的加热的水中,液态工质经胀大阀降压胀大后从头回到胀大阀内,吸收热量蒸腾而完成一个循环,如此往复,不断吸收低温源的热而输出所加热的水中,直接达到预定温度。
2、电锅炉也称电加热锅炉、电热锅炉,望文生义,它是由电加热和相关的电控部件组成的,主要以电加热的形式,向外输出具有必定热能的蒸汽、高温水或有机热载体的设备。
四、机构上的区别:1、空气源热泵机组比较复杂,主要由压缩机、冷凝器、蒸发器、膨胀阀、四大部件组成。
2、锅的机构比较简单,主要由大功率的电热线和绝缘的壳体组成。
五、安全性的区别空气源热泵产热过程中,无压力,无漏电的危险,电锅炉产热的过程,主要绝缘的壳体,看是否有漏电的可能,有触电的危险。
六、电功率的要求空气源热泵需要的电负荷要比电锅炉小1/3,对电网的要求小于传统的电锅炉。
蓄热热水锅炉厂家利冠佳特了解到随着我国治理环保的力度的不断加大,污染大的燃煤锅炉正加速被清洁能源锅炉取代。
因此,许多蓄热热水锅炉企业纷纷抢占清洁能源锅炉的巨大市场,但五花八门的产品让用户左右为难。
市场上的清洁能源锅炉主要有蓄热热水锅炉、空气能锅炉、燃气锅炉、电直热锅炉、电蓄热锅炉。
但是蓄热热水锅炉与空气能热泵和燃气锅炉费用相比较来说哪种费用比较便宜呢?下面一起了解一下。
(蓄热热水锅炉-图片)【蓄热热水锅炉与空气能热泵和燃气锅炉费用多少钱】空气能热泵:初投资成本巨大,一万平方为例,使用空气能锅炉的初投资在3百万左右。
空气能热泵对使用环境的要求高,需要天气晴朗空气干燥,才能达到理想的供暖效果。
空气能热泵容易结霜:环境温度较低(-5℃下)时、空气湿度大(雾天、雨天)时会结霜,天气越冷的时候供暖效果越不理想。
结霜后就需要消耗大量电费去除霜,且在除霜时锅炉就会停止供暖。
燃气锅炉:气源紧张,2017年煤改气引发全国性“气荒”,配套资金落实不到位、基础设施不完善等因素是制约“煤改气”发展的瓶颈。
还有一点是天然气致命的,就是安全问题。
天然气锅炉对控制氮氧化物没有任何优势可言,把天然气说成是清洁能源,本身就有失偏颇。
天然气是化石能源,也有清洁燃烧的问题,主要是燃烧过程中会产生大量氮氧化物,而氮氧化物正事生成雾霾的主要原因,所以说把天然气列为清洁能源本身就是一种常识性错误。
根据环保部门对天然气锅炉运行情况检测公布的资料:燃气工业锅炉运行中,氮氧化物排放浓度小于200毫克/立方米的只占35%,小于400毫克/立方米的占94%,大部分天然气锅炉氮氧化物排放浓度在300毫克/立方米左右。
(蓄热热水锅炉-图片)雾霾的主要成份是PM2.5,生成PM2.5的罪魁又是氮氧化物,目前大规模“煤改气”中使用的天然气锅炉,对控制氮氧化物没有任何优势可言,雾霾反而严重了。
陕西目前有大量燃气锅炉由于氮氧化物排放不达标已下令改电锅炉了相比之下,电锅炉的优势显而易见,我国有成熟的电网体系,这是现成的,煤改电、气改电只需要安装电力取暖设备即可。
空气源热泵与锅炉优缺点空气源热泵与锅炉都是常用的采暖设备,本文从投资成本、节能性、工作原理、构造、电功率的要求、功能等多方面对比了两者之间的差异,供参考。
一、投资成本相同产热量的情况下,电锅炉要比空气源热泵稍微便宜一点,但是它需要的电功率要比空气源热泵大3倍。
二、节能性空气源热泵是通过吸收空气中热量,经过压缩机压缩产热的过程,比传统的电节能4倍左右;而电锅炉是直接产热的设备,中间没有经过任何的转换直接产热的过程,所以只能产生90%的热量,节能性空气源热泵比电锅炉节能。
1、空气源热泵常年可以实现1 kW可以转化4 kW的过程。
2、锅炉只能实现1 kW实现0.95 kW或者更低的过程。
三、工作原理1、空气源热泵运转基本原理根据是逆卡循环原理,液态工质首先在蒸腾器内吸收空气中的热量而蒸腾形成蒸汽(汽化),汽化潜热即为所回收热量,然后经压缩机压缩成高温高压气体,进入冷凝器内冷凝成液态(液化)把吸收的热量发给需求的加热的水中,液态工质经胀大阀降压胀大后从头回到胀大阀内,吸收热量蒸腾而完成一个循环,如此往复,不断吸收低温源的热而输出所加热的水中,直接达到预定温度。
2、电锅炉也称电加热锅炉、电热锅炉,望文生义,它是由电加热和相关的电控部件组成的,主要以电加热的形式,向外输出具有一定热能的蒸汽、高温水或有机热载体的设备。
四、构造1、空气源热泵机组比较复杂,主要由压缩机、冷凝器、蒸发器、膨胀阀、四大部件组成。
2、锅炉的构造比较简单,主要由大功率的电热线和绝缘的壳体组成。
五、安全性的区别空气源热泵产热过程中,无压力,无漏电的危险,电锅炉产热的过程,主要绝缘的壳体,看是否有漏电的可能,有触电的危险。
六、电功率的要求空气源热泵需要的电负荷要比电锅炉小1/3,对电网的要求小于传统的电锅炉。
七、功能上的区别空气源热泵属于空调设备,在使用过程中可以根据用户的需求,实现取暖和制冷功能和日常的生活热水,实现了三合一;而电锅炉比较单一,只能实现取暖功能。
空气源热泵与燃气锅炉供暖能耗对比分析摘要:在一些中小城市,原以燃煤供热的热力企业,在没有其他清洁能源可利用的情况下均使用了燃气锅炉替代。
燃气作为高品位能源,在锅炉内通过燃烧加热循环水满足用户的采暖需求。
普通燃气锅炉的热效率在95%左右,全预混冷凝式铸铝硅燃气锅炉相对于低温发热值的热效率可高达到106%。
虽然燃气锅炉的热效率较高,但受中国能源结构的客观影响,天然气季节性峰谷差较大(最大峰谷差超过10倍),造成天然气供暖期存在缺口,燃气价格居高不下。
对于热力企业或自营供暖的小区物业来说,燃气供暖成本支出与取暖费出现倒挂现象,难以维持。
本文以实际供热运行项目为例进行分析,并结合理论计算,对比空气源热泵和燃气锅炉2种供热方式的经济性,以便为供暖热源的选择提供参考。
关键词:空气源热泵;燃气锅炉;供暖能耗对比;引言空气源热泵原理就是利用逆卡诺原理,其以极少的电能吸收空气中大量的低温热能,通过压缩机的压缩变为高温热能,是一种节能高效的热泵技术。
空气源热泵在寒冷地区采暖应用时主要存在两个问题:①热量需求大时,制热量不足;②低温环境下运行可靠性差或无法正常运行。
原本空气源热泵的应用主要集中于夏季制冷,但随着近年来空气源热泵技术进步明显,在环境温度为-20℃条件下,COP可以达到2.0,不但弥补了空气源热泵自身的不足,同时为多种能源互联提供了可能。
在多种能源互联互补的情况下,空气源热泵技术不但可以适用于寒冷地区,在一定条件下甚至可以拓展至严寒地区。
除了空气源热泵设备的性能提升外,依靠科学的系统配置,可以在不同工况下采用不同热源,达到提升系统效率、降低综合能耗的目标。
一、空气源热泵供暖应用特点空气源热泵的工作原理是,利用逆卡诺原理,以极少的电能吸收空气中大量的低温热能,通过压缩机的压缩变为高温热能,是一种节能高效的热泵技术,在运行成本节约方面具有一定的优势。
空气源热泵在寒冷地区供暖应用时主要存在2个问题:a)热量需求大时,制热量不足;b)低温环境下运行可靠性差或无法正常运行[6]。
各类型锅炉运行成本分析在能源消耗的大家庭和工业领域,锅炉是一种常用的热能设备,它可以通过燃烧燃料将水变热,产生高温蒸汽或热水,用于供暖、供水和发电等用途。
锅炉的运行成本包括燃料成本、运行维护成本和环保排放成本等方面,下面将对各类型锅炉的运行成本进行分析。
首先,从燃料成本角度来看,不同类型的锅炉使用不同的燃料,燃料价格和质量直接影响着锅炉的运行成本。
以下是几种常见的锅炉类型:1.燃煤锅炉:燃煤锅炉是最常见的一种锅炉类型,它以煤炭为主要燃料。
煤炭价格相对较低,但其灰化和燃烧不完全会产生大量的灰渣和烟尘,增加了锅炉的运行维护成本和环保排放成本。
2.燃气锅炉:燃气锅炉使用天然气或液化石油气作为燃料,这种锅炉的燃烧效率高,烟尘、硫氧化物和氮氧化物等有害物质排放少。
然而,燃气价格相对较高,因此燃气锅炉的运行成本通常较高。
3.生物质锅炉:生物质锅炉使用生物质燃料如木屑、秸秆等,这种锅炉对环境友好且可再生。
生物质燃料的价格相对较低,但由于燃烧过程中释放出的灰渣易堵塞锅炉管道,需要增加设备的清洁和维护频率,增加了运行维护成本。
其次,锅炉的运行维护成本与设备本身的质量、使用条件、运行稳定性和运行时间等因素有关。
小型锅炉的运行成本相对较低,因为它们不需要大量的燃料,并且可以在短时间内达到所需的温度。
相反,大型锅炉有更高的燃料消耗量,并且需要更长的预热时间,因此其运行成本更高。
此外,锅炉的能源利用效率也对运行成本产生重要影响。
提高锅炉的燃烧效率可以减少燃料的消耗量,降低燃料成本。
提高锅炉的热效率可以有效地利用燃烧产生的热能,降低能源浪费。
最后,锅炉的环保排放成本也是运行成本的一部分,尤其是在当今环境保护意识不断提高的背景下。
由于煤炭锅炉燃烧产生大量的烟尘和氮氧化物等污染物,锅炉需要安装除尘装置、脱硫装置和脱氮装置等,以满足环保要求,这会增加运行成本。
相比之下,燃气锅炉和生物质锅炉的环保排放成本较低,排放物少,更符合环保要求。
燃气锅炉与煤锅炉、燃油锅炉、电锅炉,熔盐蓄热的经济技术分析比较与您携手、改变生活燃气锅炉与煤锅炉、燃油锅炉、电锅炉的经济技术分析比较锅炉可以燃用各种能源,包括天然气、煤、柴油、电,为了有利于应用,我们将对四种规格(1吨、2吨、3吨、4吨)的小型锅炉在燃用天然气、煤、柴油、电的各个方面作出比较,以供参考。
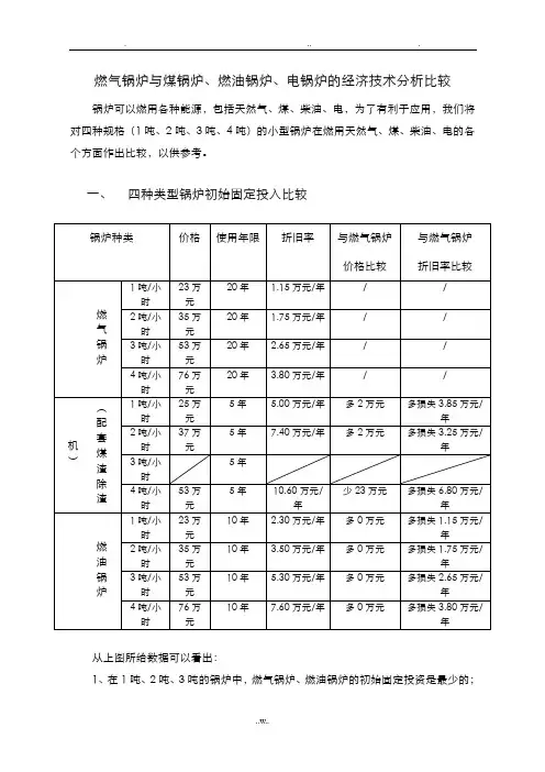
一、四种类型锅炉初始固定投入比较锅炉种类价格使用年限折旧率与燃气锅炉与燃气锅炉价格比较折旧率比较1吨/小时 23万元 20年 1.15万元/年 / /2吨/小时 35万元 20年 1.75万元/年燃/ /气锅3吨/小时 53万元 20年 2.65万元/年 / /炉4吨/小时 76万元 20年 3.80万元/年 / /)1吨/小时 25万元 5年 5.00万元/年多2万元多损失3.85万元/年配套2吨/小时 37万元 5年 7.40万元/年多2万元多损失3.25万元/年燃煤煤渣锅3吨/小时 5年除炉渣4吨/小时 53万元 5年 10.60万元/年少23万元多损失6.80万元/年机 )1吨/小时 23万元 10年 2.30万元/年多0万元多损失1.15万元/年2吨/小时 35万元 10年 3.50万元/年多0万元多损失1.75万元/年燃油锅3吨/小时 53万元 10年 5.30万元/年多0万元多损失2.65万元/年炉4吨/小时 76万元 10年 7.60万元/年多0万元多损失3.80万元/年从上图所给数据可以看出:1、在1吨、2吨、3吨的锅炉中,燃气锅炉、燃油锅炉的初始固定投资是最少的;在4吨的锅炉中,燃煤锅炉的初始固定投入是最少的;2、在锅炉的使用寿命中,燃气锅炉一般为20年,是各种类型锅炉中寿命最长的;3、在锅炉的折旧率中,1吨、2吨、3吨、4吨的燃气锅炉均远远低于同等规格的其它类型的锅炉,无形之中减少了固定资产的流失。
1与您携手、改变生活因此,在各种类型锅炉固定资产的投资方面,投资于燃气锅炉无疑是一种更好的选择。
一、燃气锅炉与煤锅炉、燃油锅炉、电锅炉的经济技术分析比较锅炉可以燃用各种能源,包括天然气、煤、柴油、电,为了有利于应用,现将对四种规格(1 吨、2吨、3吨、4吨)的小型锅炉在燃用天然气、煤、柴油、电的各个方面作出比较,以供参考。
1.1、四种类型锅炉初始固定投入比较1、在1T、2T、3T的锅炉中,燃气锅炉、燃油锅炉的初始固定投资是最少的;在4T的锅炉中,燃煤锅炉的初始固定投入是最少的;2、在锅炉的使用寿命中,燃气锅炉一般为20年,是各种类型锅炉中寿命最长的;3、在锅炉的折旧率中,1T、2T、3T、4T的燃气锅炉均远远低于同等规格的其它类型的锅炉,无形之中减少了固定资产的流失。
因此,在各种类型锅炉固定资产的投资方面,投资于燃气锅炉无疑是一种更好的选择。
四种类型锅炉年度运行费用比较从以上表中,我们可以的出结论:1、在未明确的日常维护费用数据的基础上,燃煤锅炉的年运行费用是最低的;2、燃煤锅炉的日常维护成本远远高于燃气锅炉,如果把日常维护费用计算在内,燃气锅炉的年运行费用将远低于燃煤锅炉,为四种类型锅炉中运行成本最低的;3、燃煤锅炉的人工费用要视生产情况而定,如果昼夜生产,则必须实行倒班制度,两个人是最少选择, 这将会大大增加燃煤锅炉的年运行费用。
因此,在各种类型锅炉的年运行费用上,燃气锅炉是最有潜在优势的一种选择。
1.3、四种类型锅炉其它因素比较在影响锅炉选择的其它因素比较中,我们可以发现:1、从环保的角度来看,燃气锅炉、用电锅炉对环境是无污染的,是首选;2、从配套设施的要求来看,燃气锅炉、用电锅炉节省了大量人力、物力和场地,是首选;3、从政府政策方面来看,近些年来,政府对天然气的推广使用是大力提倡和支持,却因为节能减排、粉尘污染、矿渣处理等问题限制燃煤锅炉的应用;因为碳的高排放、二氧化硫等酸性气体排放,不提倡燃油锅炉的推广;出于节能减排的考虑,会适当的拉闸限电,限制了用电锅炉的发展,所以燃气锅炉无疑是首选。
燃气锅炉与煤锅炉、燃油锅炉、电锅炉的经济技术分析比较锅炉可以燃用各种能源,包括天然气、煤、柴油、电,为了有利于应用,我们将对四种规格(1吨、2吨、3吨、4吨)的小型锅炉在燃用天然气、煤、柴油、电的各个方面作出比较,以供参考。
一、四种类型锅炉初始固定投入比较燃煤锅炉从上图所给数据可以看出:1、在1吨、2吨、3吨的锅炉中,燃气锅炉、燃油锅炉的初始固定投资是最少的;在4吨的锅炉中,燃煤锅炉的初始固定投入是最少的;2、在锅炉的使用寿命中,燃气锅炉一般为20年,是各种类型锅炉中寿命最长的;3、在锅炉的折旧率中,1吨、2吨、3吨、4吨的燃气锅炉均远远低于同等规格的其它类型的锅炉,无形之中减少了固定资产的流失。
因此,在各种类型锅炉固定资产的投资方面,投资于燃气锅炉无疑是一种更好的选择。
二、四种类型锅炉年度运行费用比较(以每日制55℃热水10吨,升温40℃为例)从以上估算模型中,我们可以的出结论:1、在未明确的日常维护费用数据的基础上,燃煤锅炉的年运行费用是最低的;2、燃煤锅炉的日常维护成本远远高于燃气锅炉,如果把日常维护费用计算在,燃气锅炉的年运行费用将远低于燃煤锅炉,为四种类型锅炉中运行成本最低的;3、燃煤锅炉的人工费用要视生产情况而定,如果昼夜生产,则必须实行倒班制度,两个人是最少选择,这将会大大增加燃煤锅炉的年运行费用。
因此,在各种类型锅炉的年运行费用上,燃气锅炉是最有潜在优势的一种选择。
三、四种类型锅炉其它因素比较在影响锅炉选择的其它因素比较中,我们可以发现:1、从环保的角度来看,燃气锅炉、用电锅炉对环境是无污染的,是首选;2、从配套设施的要求来看,燃气锅炉、用电锅炉节省了大量人力、物力和场地,是首选;3、从政府政策方面来看,近些年来,政府对天然气的推广使用是大力提倡和支持,却因为节能减排、粉尘污染、矿渣处理等问题限制燃煤锅炉的应用;因为碳的高排放、二氧化硫等酸性气体排放,不提倡燃油锅炉的推广;出于节能减排的考虑,会适当的拉闸限电,限制了用电锅炉的发展,所以燃气锅炉无疑是首选。
干货丨蓄热电锅炉与燃气锅炉、空气能热泵蓄热系统对比分析一、初始投资1)一蒸吨燃气锅炉造价12万元,一蒸吨蓄热电锅炉造价40万元2)燃气锅炉使用寿命6--8年;蓄热电锅炉使用寿命20年。
蓄热锅炉是燃气锅炉使用寿命的三倍,20年成本计算燃气锅炉12万元X3=36万元,蓄热锅炉40万。
3)超低温空气源热泵机组(一蒸吨能力)机组初投资预计100万(由于翅片要求防腐,成本暂时无法报)使用年限为20年。
二、运行费用计算参数标准:天然气费用2.8元/m3;低谷电0.34元/kw;天然气密度:0.7174Kg/m3;常用天然气热值:36000kj;燃气热值效率87%;电锅炉的热值转换效率为95%,空气源热泵的热能效比COP=3.5 (热值转换效率为350%)冬季供暖时间16小时;一个采暖季120天。
按照一蒸吨燃气锅炉与一蒸吨蓄热锅炉功率同样700kw计算;燃气锅炉燃气量:1吨锅炉燃气量:B=P/(QLXη)X3600B=700÷(36000X87%)X3600=80.46kg/hP--------------功率QL------------热值η------------炉效Qv=QmXρ80.46kg÷0.7174㎞/㎡=112.16m3Qv----------体积Qm---------质量ρ------------密度每小时运行费用:燃气锅炉:112.16m3X2.8元=314.05元/小时蓄热电锅炉:700kw/hX0.34元÷95%=250.53元/小时空气源热泵:700kw/hX0.34元÷350%=68元/小时一天费用:燃气锅炉:314.05元/小时X16小时=5024.8元蓄热电锅炉:250.53元/小时X16元=4008.4元空气源热泵采暖:68元/小时X16元=1088元一个采暖季费用:燃气锅炉燃气:5024.8元X120天=602976元蓄热电锅炉用电:4008.4元X120天=481008元空气源热泵用电:1088元X120天=130560元综上:一个采暖季空气源热泵的运行费用比蓄热电锅炉节省35万元,比燃气锅炉节能47.2万元。
宾馆热水制备供应方案宾馆按130个房间计算时,平均每日需生活热水约15吨左右,冬天以水加热到70度水温计算每日需90万大卡热量,为降低宾馆的使用成本和运行的稳定性,建议采用新能源和天然气组合能源,以广范使用的自然能源(太阳能或空气热源),作为主要能源,为克服天气环境因素对热水温度的影响,油气作补充能源,现提出以下供热方案供用户参考。
1以太阳能为主,燃气锅炉为辅的供热方案⑴太阳能热水器作为常用的主要节能产品,其能源主要吸收阳光使水温加热升高,在日照充足的情况下设置一定数量的太阳能热水器可满足宾馆使用,但遇阴雨天或秋冬天就要使用电或天然气辅助加热。
⑵运行经济成本比较:太阳能热水器辅助加热时用电加热成本费用太高,用燃气锅炉供热较为便宜,其热水费用大约为用电的1/4。
以恩施的一年日照天数270天计算,90天为阴雨天(秋冬天)需使用辅助加热,用电加热时每年需电费10465度*90天=941850度*1.3元/度=1224405元,用天然气锅炉加热时每年需费用38立方*3小时=114立方*90天=10260立方*3.5元/立方=30780元。
⑶前期投资:太阳能热水器造价35多万元,阴雨天用电加辅助热时电总负荷较大,配电设施投资需10多万元。
用天然气加热时需锅炉0.35MW,其锅炉造价3.8万元,油气两用锅炉造价6.5万元。
2 以空气热泵为主,燃气锅炉为辅的供热方案⑴“空气能”热水机产品是当今世界上开拓利用新能源最好的设备之一,被誉为“全球第四代热水器”,它是利用少量的电能驱动热泵系统从外界环境(空气)中吸收热能,并将热能释放出来加热水。
作为新型的绿色能源产品,技术已相当成熟,正大力推广使用,同样的热水量,空气能耗电只需电热水器的1/4,燃气的1/3。
其主要特点是吸收空气中的热量使水温加热升高,不受阴雨/风力等影响,即使在冬季仍能正常制一定的热水,如遇寒冷天气温度较低时才需天然气(柴油)辅助加热以提升水温。
⑵运行经济成本比较:空气能热水机耗电量夏季约4度/吨热水,冬季约16度/吨热水,每吨热水年平均耗电量约10度,按15吨热水计算年平均耗电量约10度*15吨*365天=54750度*1.3=71175元,按恩施的一年寒冷天数70天需使用天然气辅助加热时每年约需费用10立方*4小时=40立方*70天=2800立方*3元/立方=8400元。
现在家庭使用的采暖设备非常多,大部分都以节能、环保等优势作为主打亮点,而目前较为常用的两款采暖设备是电采暖炉和空气能取暖,这两种产品的优点各有千秋。
但是,两者相比,空气能取暖相对好一些,原因如下:
1、安全性高
电采暖炉其中一种为电阻式加热,电阻式缺点是存在着腐蚀或者被电流击穿的风险,容易引发火灾。
而空气能采暖水电分离,不产生有害气体,采暖时既不会发生漏电、触电等安全隐患,也不会有中毒危险,安全性更高。
2、维修简单
电采暖炉极容易产生水垢,每隔两三年就要进行除垢。
而空气能采暖安装后即可,无需复杂的清洗维修,对于家庭、小区等家用采暖来说,更人性化、更简便化。
3、节能
数据对比上,电采暖炉能效比60%左右,而空气能充分利用空气中低品位热量,理论能效比达400%。
两者节能省电性能差距甚远,未来以节能为趋势,
空气能必然会把电采暖炉淘汰掉,消费者更青睐于省电更强的空气能。
4、健康
由于电采暖炉原理是电磁切割金属制热,因此其缺点是电磁辐射较大,家中老人小孩都不适宜使用,特别是家中有孕妇的,辐射不利于身体健康,容易造成脱发白发,少精死精等亚健康到疾病的状态。
而空气能使用的是电量少,电磁辐射少,其原理与空调、冰箱类似,其辐射符合国际安全标准。
恒睿热能科技有限公司,主要从事相变蓄热材料的研发及技术服务;环保节能产品、相变蓄能设备的研发和技术服务及销售;电热设备研发、生产及销售。
主要应用于大型住宅小区、商业综合体、工业园区、医院和学校及单独用户等场所的供暖。
加热40吨/天空气能热泵、电锅炉、燃油燃气锅炉全年费用比较
直热式空气能热泵热水机组以其高效、节能、环保、安装使用方便等诸多优点在国内得到越来越多用户的认可和使用。
空气能热泵热水机组是应用热泵技术来制取热水,热泵机组系统本身由四大件组成:压缩机、水热交换器、节流元件、空气换热器(翅片)。
其工作原理是首先在压缩机的作用下工质(也可称冷媒)完成气态的升压升温过程,随后进入高效率换热器并释放出热能传递给水,同时冷媒被冷却并变成液态,经过节流元件降压节流后进入蒸发器,液态冷媒吸收大气、阳光的低品味热能并迅速蒸发(沸腾)再次变成气态,之后工质又被吸入压缩机,这样不断的循环使机组只需要消耗很少的一点电能就能不断的从空气中得到到很多热量传递给水实现加热热水的目的。
空气能热泵中央热水机组目前广泛应用于宾馆、别墅、度假山庄、健身/桑拿洗浴中心、体育场馆、学校、工厂等需要集中提供大量热水的场所。
1、压缩过程
蒸发后的运行工质被吸入压缩机,通过压缩机的压缩功能,将工质压缩成高压高温气体,使其对于较低温度的自来水易于放热、液化。
2、冷凝过程
从压缩机排出的高压高温工质被常温的自来水吸收热量而变成的液态工质。
3、节流过程
把液化后的工质送入热泵主机蒸发器之前,利用毛细管的压力差,使工质在保温水箱的冷凝器内冷凝降压,将它变成即使在低温下也易于蒸发的状态。
4、蒸发过程
液态工质从周围空气中吸收热量而不断蒸发汽化,被吸收热量后的空气变为“冷气”。
目前市场上热水加热设备很多,下面就热泵热水机组与其它的热水加热设备在加热40m3的热水所需的运行费用作一对比分析
①、日用水量m =40m3
加热40吨热水所需热负荷Q=cm△t=1×40000×(55℃-15℃)=1600000(kcal)
②、空气能热泵热水机组运行费用计算
电发热值860kcal/度,空气源热泵效率300%~500%,全年效率以350%计,管道热损失5%,电元/度。
全年平均能效比:[×6)+×6)]/12 =
耗电量:1600000÷860÷÷=(度/天)
运行费用:×=(元/天)
平均费用:÷40=元/吨
③、燃油锅炉运行费用计算
轻柴油热值10200 kcal/kg,效率80%,管道热损失5%,油元/kg。
耗电量:1600000÷10200÷÷=(kg/天)
运行费用:×=(元/天)
平均费用:元/吨
④、燃气锅炉运行费用计算
液化气热值23000 kcal/kg,效率80%,管道热损失5%,气12元/kg。
耗电量:1600000÷23000÷÷=(kg/天)
运行费用:×12=(元/天)
平均费用:元/吨
⑤、电热水锅炉运行费用计算
电发热值860 kcal/kg,管道热损失5%,电元/度。
耗电量:1600000÷860÷=(度/天)
运行费用:×=(元/天)
平均费用:元/吨
从此可以看出,现行各种热水加热设备中,空气能热泵热水机组平均加热一吨水所需费用是最少的,为元/吨。
那么用空气能热泵热水机组来加热本工程所需的40吨/天热水全年的运行费节省如下:
燃油锅炉相比节省费用:元-元=元;
燃气锅炉相比节省费用:元-元=元;
电直接加热锅炉相比节省费用:元-元=元。