燃气锅炉与电锅炉热水对比方案
- 格式:docx
- 大小:163.93 KB
- 文档页数:4
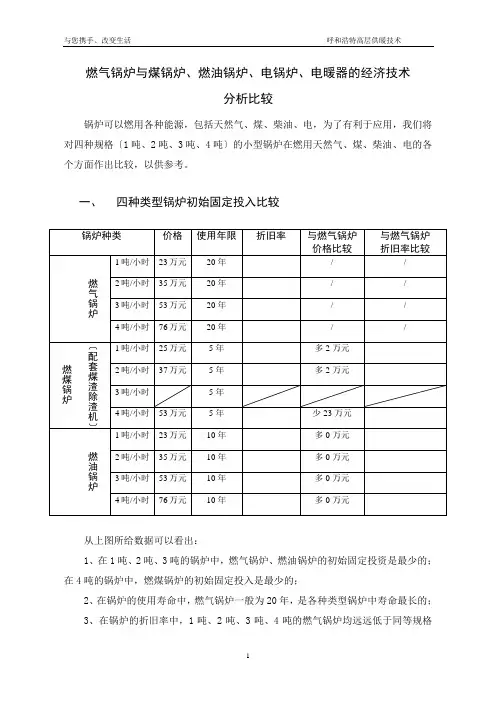
燃气锅炉与煤锅炉、燃油锅炉、电锅炉、电暖器的经济技术分析比较锅炉可以燃用各种能源,包括天然气、煤、柴油、电,为了有利于应用,我们将对四种规格〔1吨、2吨、3吨、4吨〕的小型锅炉在燃用天然气、煤、柴油、电的各个方面作出比较,以供参考。
一、四种类型锅炉初始固定投入比较从上图所给数据可以看出:1、在1吨、2吨、3吨的锅炉中,燃气锅炉、燃油锅炉的初始固定投资是最少的;在4吨的锅炉中,燃煤锅炉的初始固定投入是最少的;2、在锅炉的使用寿命中,燃气锅炉一般为20年,是各种类型锅炉中寿命最长的;3、在锅炉的折旧率中,1吨、2吨、3吨、4吨的燃气锅炉均远远低于同等规格的其它类型的锅炉,无形之中减少了固定资产的流失。
因此,在各种类型锅炉固定资产的投资方面,投资于燃气锅炉无疑是一种更好的选择。
二、四种类型锅炉年度运行费用比较〔以每日制55℃热水10吨,升温40℃为例〕从以上估算模型中,我们可以的出结论:1、在未明确的日常维护费用数据的基础上,燃煤锅炉的年运行费用是最低的;2、燃煤锅炉的日常维护成本远远高于燃气锅炉,如果把日常维护费用计算在内,燃气锅炉的年运行费用将远低于燃煤锅炉,为四种类型锅炉中运行成本最低的;3、燃煤锅炉的人工费用要视生产情况而定,如果昼夜生产,则必须实行倒班制度,两个人是最少选择,这将会大大增加燃煤锅炉的年运行费用。
因此,在各种类型锅炉的年运行费用上,燃气锅炉是最有潜在优势的一种选择。
三、四种类型锅炉其它因素比较在影响锅炉选择的其它因素比较中,我们可以发现:1、从环保的角度来看,燃气锅炉、用电锅炉对环境是无污染的,是首选;2、从配套设施的要求来看,燃气锅炉、用电锅炉节省了大量人力、物力和场地,是首选;3、从政府政策方面来看,近些年来,政府对天然气的推广使用是大力提倡和支持,却因为节能减排、粉尘污染、矿渣处理等问题限制燃煤锅炉的应用;因为碳的高排放、二氧化硫等酸性气体排放,不提倡燃油锅炉的推广;出于节能减排的考虑,会适当的拉闸限电,限制了用电锅炉的发展,所以燃气锅炉无疑是首选。
不同种类锅炉的介绍和对比锅炉是一种将液体加热为蒸汽或热水的设备。
根据工作原理和用途的不同,可以分为多种不同类型的锅炉。
本文将介绍几种常见的锅炉类型,并对它们进行对比。
1.水管锅炉水管锅炉是一种常见的锅炉类型,它的主要特点是烟气和水通过多根管子相互流动,实现传热。
水管锅炉可以分为水管式锅炉和火管式锅炉。
水管式锅炉烟气在水管外侧流动,而水在管子内侧流动,因此传热效率高。
火管式锅炉的烟气在内部的火管中流动,水在外侧流动,相对于水管式锅炉,火管式的结构相对简单,但传热效率较低。
2.燃气锅炉燃气锅炉是一种使用天然气或液化石油气等燃料进行加热的锅炉。
它的特点是燃料燃烧产生的热量通过燃烧室和燃气通道传递给水,将水加热生成蒸汽或热水。
燃气锅炉具有热效率高、清洁环保等优点,适用于家庭和商业用途。
3.电锅炉电锅炉是一种使用电能进行加热的锅炉。
它具有结构简单、操作方便、无污染等特点。
电锅炉可以产生高质量的蒸汽或热水,并且在补充水和控制温度方面具有较高的自动化程度。
但由于电能的成本较高,电锅炉的运行成本较高。
4.生物质锅炉生物质锅炉是一种使用可再生生物质燃料如木片、秸秆等进行加热的锅炉。
生物质锅炉的优点是燃烧过程中几乎不产生二氧化碳和硫化物等有害气体,是一种环保的燃烧方式。
生物质锅炉还可以利用废弃物进行热能回收,具有较高的能源利用效率。
5.蒸汽锅炉蒸汽锅炉是一种产生蒸汽的锅炉。
它可以分为火焰管蒸汽锅炉和水管蒸汽锅炉两种。
火焰管蒸汽锅炉是利用燃烧产生的高温烟气来加热水,从而产生蒸汽。
水管蒸汽锅炉是将水通过管子加热为蒸汽。
蒸汽锅炉广泛应用于发电厂、化工厂、纺织厂等工业领域。
-传热效率:水管锅炉的传热效率通常比火管式锅炉高,电锅炉由于无需燃烧过程,传热效率较高。
-燃料类型:燃气锅炉适用于天然气、液化石油气等燃气燃料,电锅炉适用于电能,生物质锅炉适用于可再生生物质燃料。
-环境影响:燃气锅炉和电锅炉无烟气排放,对环境污染影响较小,生物质锅炉同样具备环保优势。
【摘要】本文一邯郸地区为例,分析气候条件对空气源热泵使用的影响。
并简要介绍燃煤供热及燃气供热方式,从多方面对燃煤供热及燃气供热进行了分析比较。
一、概述2007年底北京全市供热面积5.73亿平方米,其中燃气供热建筑面积接近2.2亿平方米,约占全市总供热面积的39%,采暖天然气用气量约20亿立方米,燃煤供热面积2.1亿平方米,约占全市总供热面积的37%。
燃气采暖主要集中在城八区,燃煤主要集中在郊区县。
城八区供热面积4.1亿平方米,其中燃气供热面积2.1亿平方米,约占城八区供热面积的52.9%;燃煤锅炉房供热面积0.6亿平方米,约占城八区供热面积的14.3%,其余为城市热力网供热和其他能源供热。
随着西气东输二期工程、陕京三线工程的建设,北京天然气的供应能力将大大增加,北京市城市能源结构将发生根本性的变化,必将进一步提升北京的大气环境质量。
根据北京市能源结构现状和未来发展情况,供热能源仍然会以燃气和煤为主,所以,在供热能源选择上采取燃煤或燃气方式上需要综合节能、环保、安全、经济等多种因素进行分析比较确定。
二、燃煤燃气供热简介1、燃煤集中供热以蒸汽或热水为载热介质,由集中热源通过供热管网向整个城镇或其中某一地区的用户供应生产和生活用热,称为区域供热或集中供热。
从七十年代末、八十年代初开始,随着我国国民经济的快速发展及人民生活水平的不断改善,对城市供热质量的要求及对环境保护的要求逐渐提高,使城市供热方式开始向大型集中发展,以热电联产为主热源的城市热力网集中供热和以锅炉房为热源的集中锅炉房供热得到大力发展。
在燃煤的条件下,集中供热与分散供热相比,具有明显的优势:大大减少了烟囱数量,便于烟气高空排放;大型锅炉热效率高,减少了燃料消耗,具有明显的节能效果;配用效率较高的除尘脱硫设备,锅炉燃煤量的减少,从而直接改善了环境状况。
另外,集中供热还减少了锅炉房占地面积,有利于土地资源的合理使用。
基于燃煤供热的上述原因,我国供热事业的发展一直坚持将分散供热逐渐向集中供热过渡。
燃煤锅炉改造迫在眉睫——燃煤锅炉、燃气、电、太阳能、空气能工程对比近两年,以石家庄、邯郸、邢台为代表的河北省多城市都在积极进行城市环境治理、空气净化,燃煤锅炉、水泥厂等首当其冲成为治理重点,减少废气、污染气体的排放,迫在眉睫。
很多企事业单位、宾馆酒店、洗浴中心等场所的燃煤锅炉改造都提上了日程,各地环保局也都在进行先关的清查。
——东阳科技告诉您,燃煤锅炉改造,不仅是环境治理之需,更是未来发展必然趋势,太阳能空气能等新能源热水工程是锅炉改造的最佳选择。
一、热水工程适用范围科普:热水工程,即需要大量使用到中高温恒温或者非恒温热水的工程,一般分为以下几种用途:1、客房洗浴。
宾馆、酒店、招待所、青年旅社、公寓楼等场所,都会有很多客房,每个客房都装有全套洗浴设施,用于宾客洗浴,客房数量越多,客流量越大,那么每天所需热水也相应增加,且要求多为24小时恒温热水,水温40-45度左右。
2、宿舍职工、学校学生洗浴。
一般工厂、学校多建集体洗浴场所,多个淋浴喷头或者配合浴缸泡澡,除了恒温要求外,会有定时供水、红外感应或者刷卡机费的需求,会有每个单位具体的要求,需要量身定制。
3、生产生活类用水。
养殖场、水产养殖、乳品行业、沼气池加热、工厂恒温、中高温生产、游泳池等场所用水,具体施工方案需要结合企业现状进行设计。
4、旧热水工程改造类。
一些洗浴场所或者单位目前仍有部分采用锅炉燃煤、燃气等方式供应热水,可进行具体改造,升级为空气能或者太阳能热水工程,减少烟尘气体的排放,节省运营成本,改造类目可适当保留原工程部分内容,水箱或者管路,降低工程费用。
5、热水采暖工程类。
这种热水工程一般适用于独栋别墅、小二层等,太阳能为主,辅以空气能或者电、燃气等能源(具体视家庭情况而定),提供生活用热水、洗浴用热水,在冬季可提供地暖所需热水,保证家庭供暖,实现家庭用热水系统中心,全自动运行,实现家用热水的一体化。
二、热水工程施工方案:目前热水工程施工方案可选择性较多,但是大家所了解的确不是全部,部分商家更是对太阳能、空气能等新能源知之甚少,依旧在使用燃煤锅炉,不仅要负担巨大的燃煤、锅炉工费用,更是造成很大的环境污染,排放大量的二氧化碳、二氧化硫等气体,急需改进。
澡堂热水方案在澡堂中,为了满足顾客的需求,提供舒适的洗浴体验,热水是非常重要的。
因此,设计一个可行且高效的热水方案至关重要。
本文将探讨一种适用于澡堂的热水供应方案,确保顾客能够享受热水洗浴的舒适。
一、热水供应方案为了满足澡堂的高热水需求,我们建议采用集中供热系统。
该系统可通过热水锅炉来供应澡堂的热水需求。
热水锅炉将水加热至适宜洗浴的温度,并通过管道输送至各洗浴区域。
二、热水锅炉的选择1. 锅炉类型在选择热水锅炉时,我们可以考虑采用燃气锅炉或电锅炉。
燃气锅炉的优势在于热效率高、运行成本低。
而电锅炉则相对环保、安装更为便捷。
根据当地的具体情况和能源成本,选择合适的锅炉类型。
2. 锅炉容量锅炉的容量应根据澡堂的规模和热水需求进行合理选择。
我们需要考虑澡堂同时洗浴的人数、每个人洗浴时间和每次洗浴所需的热水量等因素。
确保锅炉容量足够满足高峰期的需求,避免因容量不足导致的用水问题。
三、供水系统设计为了确保热水能够快速供应到各个洗浴区域,我们需要合理设计供水系统。
1. 管道布置在澡堂内部,应合理布置主要供水管道,避免管道长度过长或弯曲过多,以减少热水在输送过程中的热量损失。
采用保温材料进行管道保温,降低能源消耗。
2. 分支供水考虑到澡堂内不同区域的热水需求差异,可以设计分支供水系统。
将热水输送到不同的洗浴区域,确保每个区域的热水供应稳定且满足需求。
根据具体情况,可以设置多个分支供水管道。
四、热水循环系统为了避免用户在用水过程中等待热水运输的时间,我们可以考虑引入热水循环系统。
1. 循环管道在主要供水管道上设置独立的热水循环管道,通过水泵将冷水从循环管道中抽出加热,再通过另一个管道循环回到原来的位置。
这样,用户在洗浴时可以迅速获取热水,提高用户的体验。
2. 时间控制为了避免不必要的能源浪费,在用水高峰期之外,可以采用时间控制开关来控制热水循环系统的运行时间,以节约能源。
五、节水措施澡堂的热水使用量较大,节约用水是非常重要的环保措施。
燃气锅炉与煤锅炉、燃油锅炉、电锅炉,熔盐蓄热的经济技术分析比较与您携手、改变生活燃气锅炉与煤锅炉、燃油锅炉、电锅炉的经济技术分析比较锅炉可以燃用各种能源,包括天然气、煤、柴油、电,为了有利于应用,我们将对四种规格(1吨、2吨、3吨、4吨)的小型锅炉在燃用天然气、煤、柴油、电的各个方面作出比较,以供参考。
一、四种类型锅炉初始固定投入比较锅炉种类价格使用年限折旧率与燃气锅炉与燃气锅炉价格比较折旧率比较1吨/小时 23万元 20年 1.15万元/年 / /2吨/小时 35万元 20年 1.75万元/年燃/ /气锅3吨/小时 53万元 20年 2.65万元/年 / /炉4吨/小时 76万元 20年 3.80万元/年 / /)1吨/小时 25万元 5年 5.00万元/年多2万元多损失3.85万元/年配套2吨/小时 37万元 5年 7.40万元/年多2万元多损失3.25万元/年燃煤煤渣锅3吨/小时 5年除炉渣4吨/小时 53万元 5年 10.60万元/年少23万元多损失6.80万元/年机 )1吨/小时 23万元 10年 2.30万元/年多0万元多损失1.15万元/年2吨/小时 35万元 10年 3.50万元/年多0万元多损失1.75万元/年燃油锅3吨/小时 53万元 10年 5.30万元/年多0万元多损失2.65万元/年炉4吨/小时 76万元 10年 7.60万元/年多0万元多损失3.80万元/年从上图所给数据可以看出:1、在1吨、2吨、3吨的锅炉中,燃气锅炉、燃油锅炉的初始固定投资是最少的;在4吨的锅炉中,燃煤锅炉的初始固定投入是最少的;2、在锅炉的使用寿命中,燃气锅炉一般为20年,是各种类型锅炉中寿命最长的;3、在锅炉的折旧率中,1吨、2吨、3吨、4吨的燃气锅炉均远远低于同等规格的其它类型的锅炉,无形之中减少了固定资产的流失。
1与您携手、改变生活因此,在各种类型锅炉固定资产的投资方面,投资于燃气锅炉无疑是一种更好的选择。
煤矿采暖方案对比报告背景煤矿作为能源生产的重要产业之一,也需要在冬季提供适当的采暖方案。
目前市面上主要有以下四种采暖方案:燃煤锅炉供暖、热泵供暖、太阳能供暖、电采暖。
为了找到最适合煤矿的采暖方案,我们进行了一系列对比和分析。
方案对比燃煤锅炉供暖燃煤锅炉是目前应用最广泛的采暖设备之一,其采暖费用相对较低,但存在煤烟污染和燃烧排放问题,对环境造成一定的污染。
热泵供暖热泵采暖是一种新型的清洁能源供暖方式,使用电能作为能源,通过热泵技术将空气、水等环境能源转化为供暖能源。
其优点是环保、节能、舒适度较高,适合小型家庭使用,但对电能要求较高。
太阳能供暖太阳能是可再生能源中的一种,太阳能采暖是利用太阳能将阳光转化为热能来为室内供暖。
其优势在于清洁、环保、节能以及长期使用的成本低,但也存在一定的收集和存储问题。
电采暖电采暖是利用电能进行供暖的方式,相对简单方便,而且没有燃气、煤炭的污染问题。
但电采暖由于耗电量较大,所以导致采暖费用相对较高,而且作为电能的消费者,需要承担电网的承载压力。
方案对比分析费用对比在费用方面,燃煤锅炉的使用费用相对较低,但因为存在煤烟污染和燃烧排放问题,需要进行部分的环保投入。
热泵和太阳能采暖具有显著的节能环保特点,但当前的安装费用和维护费用较高,因此采购成本较高。
电采暖消耗电力较大,所以度数一定的情况下,使用电能采暖的费用也比较高。
用户适用情况燃煤锅炉适用于采暖面积较大的场合,可以同时满足很多的采暖需求,但需要对供暖的煤炭进行清理和储存。
热泵和太阳能采暖适合于家庭小户型、办公室、学校、医院等场合,但不适合煤矿等由于采暖面积大和供热规模大的场合。
电采暖比较适合对采暖面积有限的小户型。
环保考虑燃煤锅炉在烧煤的过程中会释放出病毒、尘埃、一氧化碳等物质,对环境的污染较大。
热泵和太阳能采暖虽然采用了清洁能源,但在生产后的成本投入上也涉及对环境的一定污染。
电采暖相较而言对环境污染相对较小。
结论煤矿采暖方案的最优选择取决于政策环境、采暖规模、成本等因素。
电锅炉和燃气锅炉热效率标准电锅炉和燃气锅炉是我们生活中常见的供暖设备,它们在冬季为我们提供舒适的温暖。
然而,对于这两种供暖设备的热效率标准,我们往往并不太了解。
在本文中,我将从深度和广度的角度,全面评估电锅炉和燃气锅炉的热效率标准,并撰写一篇有价值的文章,帮助我们更好地了解这一主题。
1. 介绍电锅炉和燃气锅炉1.1 电锅炉的工作原理和特点1.2 燃气锅炉的工作原理和特点2. 热效率标准的定义和重要性2.1 热效率标准的意义2.2 为什么热效率标准对于供暖设备如此重要3. 电锅炉和燃气锅炉的热效率比较3.1 电锅炉的热效率标准3.1.1 电锅炉的能源利用情况3.1.2 电锅炉的节能特点3.2 燃气锅炉的热效率标准3.2.1 燃气锅炉的能源利用情况3.2.2 燃气锅炉的节能特点4. 个人观点和理解4.1 我对电锅炉和燃气锅炉的选择理解4.2 热效率标准对于环保和能源节约的重要性5. 总结和回顾5.1 电锅炉和燃气锅炉的热效率标准总结5.2 如何更好地选择和使用供暖设备通过本文的撰写,我希望可以帮助大家更好地了解电锅炉和燃气锅炉的热效率标准,以及如何更好地选择和使用供暖设备,为我们的生活带来更多的舒适和便利。
希望本文可以对大家有所帮助和启发。
热效率标准是评估供暖设备性能的重要指标,它直接影响着能源利用情况和环境保护。
在本文中,我将以更深入的角度来探讨电锅炉和燃气锅炉的热效率标准,从能源利用、节能特点和环保等方面进行全面评估。
1. 电锅炉的工作原理和特点电锅炉利用电能将水加热为蒸汽或热水,然后通过管道输送到需要供暖的地方。
相比于燃气锅炉,电锅炉无需燃烧燃料,因此没有废气排放,能够更加环保。
另外,电锅炉的体积小,安装方便,且使用起来比较安全,不易发生爆炸等意外事故。
2. 燃气锅炉的工作原理和特点燃气锅炉利用燃气燃烧加热水,产生热能供暖。
由于燃气的燃烧会产生废气排放,因此在环保方面相对不如电锅炉。
但燃气锅炉的热效率较高,且使用起来比较便捷,因此在市场上受到较多的青睐。
燃⽓供暖与电供暖对⽐关键词:燃⽓采暖;电采暖;采暖费⽤1 电采暖的三种形式电采暖的形式有三种:1)电热膜供暖是供暖⽅式之⼀,它是⼀种以电⼒为能源,通过红外线辐射进⾏传热的新型供暖⽅式。
2)电锅炉也称电加热锅炉、电热锅炉,它是以电⼒为能源并将其转化成为热能,从⽽经过锅炉转换,向外输出具有⼀定热能的蒸汽、⾼温⽔或有机热载体的锅炉设备。
3)空⽓源热泵主要由电动机、压缩机、⼯质冷凝换热器和⼯质蒸发换热器组成。
电动机驱动压缩机,对⼯质进⾏压缩,使之进⾏冷凝、蒸发循环。
2 燃⽓采暖热⽔炉燃⽓采暖热⽔炉是具有采暖功能和热⽔功能的⼀种燃⽓器具。
采暖⽔通过热交换器吸收燃⽓燃烧后释放出的热量,是⼀次换热。
采暖⽔通过换热器加热⽣活热⽔,⽣活热⽔不直接与热烟⽓接触,是⼆次换热。
燃烧⽤的空⽓取⾃室外,燃烧后的烟⽓排⾄室外。
采暖⽔在内置循环泵的动⼒下从出⽔⼝流出经室内的暖⽓⽚或地暖管与室内的冷空⽓换热后经回⽔⼝流回热交换器,与烟⽓换热。
3 四种形式运⾏费⽤对⽐3.1 供暖费⽤的⽐较设供暖房屋⾯积为120 m2,采暖热指标为40 W/m2,年采暖时间为120天,每天采暖时间为24 h。
运⾏费⽤计算⽅法如下:(1)供热能⼒计算:⼀个采暖季所需热量为:Qh=q×S×T×t×/1000=40×120×120×24/1000=13824kWh=49766MJ。
式中:Q—供热能⼒kW;q—采暖热指标W/(m2·h);S—采暖房⾯积m2;Qh —采暖季所需热量kWh ;T—天数,天;t—每天⼩时数,h/天。
这间房屋采暖需要供热能⼒为4.8kW。
(2)采暖费⽤计算:设天然⽓⾼位热值为36MJ/m3。
天然⽓价格按2016年1⽉1⽇起邯郸市主城区居民⽣活管道⽤⽓实⾏阶梯价格,⽤电电压等级不满1千伏的⽤户,第⼀档峰段电价为每千⽡时0.55元、⾕段电价为0.3元,电价取平均值0.42元/kWh。
燃气锅炉与煤锅炉、燃油锅炉、电锅炉的经济技术分析比较锅炉可以燃用各种能源,包括天然气、煤、柴油、电,为了有利于应用,我们将对四种规格(1吨、2吨、3吨、4吨)的小型锅炉在燃用天然气、煤、柴油、电的各个方面作出比较,以供参考。
一、四种类型锅炉初始固定投入比较燃煤锅炉从上图所给数据可以看出:1、在1吨、2吨、3吨的锅炉中,燃气锅炉、燃油锅炉的初始固定投资是最少的;在4吨的锅炉中,燃煤锅炉的初始固定投入是最少的;2、在锅炉的使用寿命中,燃气锅炉一般为20年,是各种类型锅炉中寿命最长的;3、在锅炉的折旧率中,1吨、2吨、3吨、4吨的燃气锅炉均远远低于同等规格的其它类型的锅炉,无形之中减少了固定资产的流失。
因此,在各种类型锅炉固定资产的投资方面,投资于燃气锅炉无疑是一种更好的选择。
二、四种类型锅炉年度运行费用比较(以每日制55℃热水10吨,升温40℃为例)从以上估算模型中,我们可以的出结论:1、在未明确的日常维护费用数据的基础上,燃煤锅炉的年运行费用是最低的;2、燃煤锅炉的日常维护成本远远高于燃气锅炉,如果把日常维护费用计算在,燃气锅炉的年运行费用将远低于燃煤锅炉,为四种类型锅炉中运行成本最低的;3、燃煤锅炉的人工费用要视生产情况而定,如果昼夜生产,则必须实行倒班制度,两个人是最少选择,这将会大大增加燃煤锅炉的年运行费用。
因此,在各种类型锅炉的年运行费用上,燃气锅炉是最有潜在优势的一种选择。
三、四种类型锅炉其它因素比较在影响锅炉选择的其它因素比较中,我们可以发现:1、从环保的角度来看,燃气锅炉、用电锅炉对环境是无污染的,是首选;2、从配套设施的要求来看,燃气锅炉、用电锅炉节省了大量人力、物力和场地,是首选;3、从政府政策方面来看,近些年来,政府对天然气的推广使用是大力提倡和支持,却因为节能减排、粉尘污染、矿渣处理等问题限制燃煤锅炉的应用;因为碳的高排放、二氧化硫等酸性气体排放,不提倡燃油锅炉的推广;出于节能减排的考虑,会适当的拉闸限电,限制了用电锅炉的发展,所以燃气锅炉无疑是首选。
干货丨蓄热电锅炉与燃气锅炉、空气能热泵蓄热系统对比分析一、初始投资1)一蒸吨燃气锅炉造价12万元,一蒸吨蓄热电锅炉造价40万元2)燃气锅炉使用寿命6--8年;蓄热电锅炉使用寿命20年。
蓄热锅炉是燃气锅炉使用寿命的三倍,20年成本计算燃气锅炉12万元X3=36万元,蓄热锅炉40万。
3)超低温空气源热泵机组(一蒸吨能力)机组初投资预计100万(由于翅片要求防腐,成本暂时无法报)使用年限为20年。
二、运行费用计算参数标准:天然气费用2.8元/m3;低谷电0.34元/kw;天然气密度:0.7174Kg/m3;常用天然气热值:36000kj;燃气热值效率87%;电锅炉的热值转换效率为95%,空气源热泵的热能效比COP=3.5 (热值转换效率为350%)冬季供暖时间16小时;一个采暖季120天。
按照一蒸吨燃气锅炉与一蒸吨蓄热锅炉功率同样700kw计算;燃气锅炉燃气量:1吨锅炉燃气量:B=P/(QLXη)X3600B=700÷(36000X87%)X3600=80.46kg/hP--------------功率QL------------热值η------------炉效Qv=QmXρ80.46kg÷0.7174㎞/㎡=112.16m3Qv----------体积Qm---------质量ρ------------密度每小时运行费用:燃气锅炉:112.16m3X2.8元=314.05元/小时蓄热电锅炉:700kw/hX0.34元÷95%=250.53元/小时空气源热泵:700kw/hX0.34元÷350%=68元/小时一天费用:燃气锅炉:314.05元/小时X16小时=5024.8元蓄热电锅炉:250.53元/小时X16元=4008.4元空气源热泵采暖:68元/小时X16元=1088元一个采暖季费用:燃气锅炉燃气:5024.8元X120天=602976元蓄热电锅炉用电:4008.4元X120天=481008元空气源热泵用电:1088元X120天=130560元综上:一个采暖季空气源热泵的运行费用比蓄热电锅炉节省35万元,比燃气锅炉节能47.2万元。
燃气蒸汽锅炉与传统锅炉的对比分析燃气蒸汽锅炉与传统锅炉是两种常见的供暖设备,它们在能源利用、排放、安全性等方面存在较大差异。
本文将对燃气蒸汽锅炉与传统锅炉在以下四个方面进行对比分析:能源效率、环境影响、安全性和使用成本。
首先,从能源效率方面来看,燃气蒸汽锅炉相比传统锅炉具有更高的能源利用效率。
燃气蒸汽锅炉利用燃气作为燃料,通过燃烧产生热能并转化为蒸汽,供给给暖系统使用。
而传统锅炉多是以煤、油等化石燃料为能源,其燃烧效率较低,从而造成能源浪费。
因此,燃气蒸汽锅炉在能源利用方面相对更为高效。
其次,从环境影响的角度来看,燃气蒸汽锅炉相对于传统锅炉更加环保。
燃气燃烧的过程中产生的污染物排放相对较低,例如二氧化硫、氮氧化物和颗粒物等排放量较少。
而传统锅炉由于燃烧煤、油等燃料,排放的污染物相对较多,对大气环境造成的污染严重。
因此,燃气蒸汽锅炉在环境方面具有明显的优势。
第三,燃气蒸汽锅炉相比传统锅炉在安全性方面更加可靠。
燃气蒸汽锅炉采用燃气作为燃料,燃烧过程相对较为稳定,不会产生明火,降低了火灾风险。
此外,燃气蒸汽锅炉配备了多种安全保护装置,可以实现自动控制、自动检测,提高了安全性。
而传统锅炉由于火焰明火的存在,存在一定的火灾和燃气泄漏的风险,需要额外的安全措施和监管措施。
最后,从使用成本的角度来看,燃气蒸汽锅炉相对于传统锅炉具有一定的优势。
尽管燃气蒸汽锅炉的购买成本相对较高,但由于其能源利用效率高,使用成本相对较低。
燃气作为清洁能源,价格相对稳定,且燃气蒸汽锅炉在使用过程中的维护和保养成本相对较低。
而传统锅炉的燃料费用相对较高,且维护保养成本也较高。
综上所述,燃气蒸汽锅炉相比传统锅炉在能源效率、环境影响、安全性和使用成本等方面都具有明显的优势。
燃气蒸汽锅炉凭借其高效、环保、安全和经济的特点,在现代供暖系统中得到了广泛应用和推广。
随着环保意识的增强和清洁能源的发展,燃气蒸汽锅炉将在未来的供暖领域中发挥更为重要的作用。