MM420变频器原理与西门子参数设置
- 格式:ppt
- 大小:2.01 MB
- 文档页数:20
西门子MM420变频器简明操作手册西门子MM420变频器简明操作手册第一章前言1.1 简介本章介绍了该操作手册的目的、适用范围和阅读须知。
第二章产品概述2.1 产品特点2.2 技术规格2.3 外观及接线端子第三章安装指南3.1 环境要求3.2 安装步骤3.3 接线方法3.4 机械安装第四章参数设置4.1 参数概述4.2 参数设置步骤4.3 参数描述与范围第五章示教操作5.1 示教指令5.2 示教步骤与示例5.3 示教参数说明第六章控制面板简介6.1 控制面板概述6.2 LED指示灯说明6.3 按键功能说明第七章常见故障与解决方法7.1 故障码列表7.2 常见故障诊断方法7.3 故障排除技巧第八章维护与保养8.1 维护周期8.2 清洁方法8.3 防护措施第九章其他功能9.1 I/O端口设置9.2 通信接口配置9.3 报警功能设置第十章附件本文档涉及的附件见附件部分。
第十一章法律名词及注释本文档涉及的法律名词及其注释见附件部分。
附件部分:1.示教操作示意图2.参数设置参考表3.控制面板示意图4.故障码列表法律名词及注释部分:1.TUV:德国工业监测协会(TUV)是德国著名的独立第三方认证机构。
2.UL:美国安全实验室(UL)是美国著名的、独立、非营利、第三方检验认证机构。
3.CE:欧盟合格认证(Conformité Européene)标志,表示该产品符合欧洲各国安全、卫生、环保等方面的相关要求。
4.RoHS:欧盟有害物质限制指令(Restriction of Hazardous Substances),旨在限制电子电气设备中使用的有害物质的含量。
5.EN:欧洲标准(European Norm),欧洲国家间相互认可的技术规范。
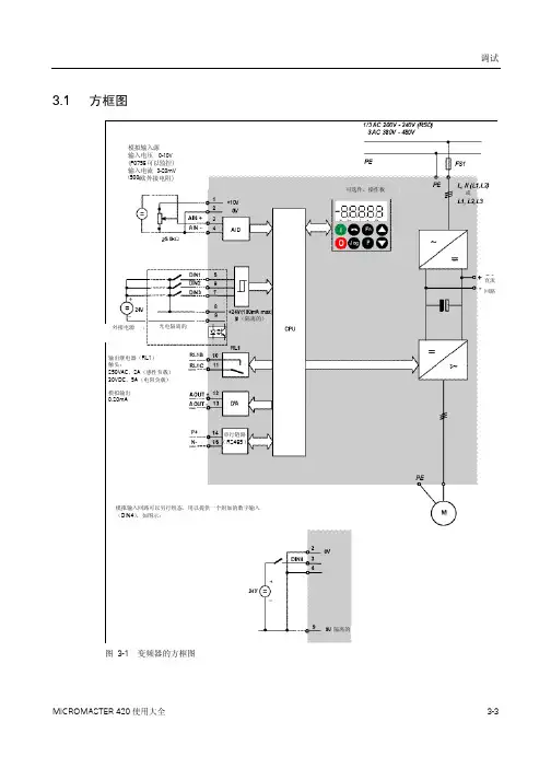
MM420通用型变频器0.12kW - 11kW控制端子端子号标识功能 1 - 输出 +10 V2 -输出 0 V 3 ADC+ 模拟输入 (+) 4 ADC- 模拟输入 (-)5 DIN1 数字输入 16 DIN2 数字输入 27 DIN3 数字输入 38 - 带电位隔离的输出 +24 V / 最大。
100mA9 - 带电位隔离的输出 0 V / 最大。
100 mA10 RL1-B 数字输出 / NO (常开)触头 11 RL1-C 数字输出 / 切换触头 12 DAC+ 模拟输出 (+) 13 DAC- 模拟输出 (-) 14 P+ RS485 串行接口 15 N- RS485串行接口2.3 1秦岭水泥 许普国 2012.02电气安装MICROMASTER 420简明操作手册22.4 变频器的方框图BOP link RS232图 2-3 MM420变频器的方框图链路3-13 工厂的缺省设置MICROMASTER 420 变频器在出厂时具有这样参数设置:即不需要再进行任何参数化就可以投入运行。
为此,出厂时电动机的参数(P0304,P0305,P0307,P0310)是按照西门子公司1LA7型4极电动机进行设置的,实际连接的电动机额定参数必须与该电动机的额定参数相匹配 (参看电动机的铭牌数据)。
出厂时的其他设置:命令信号源 P0700 = 2 (数字输入,请参看图3-1) 设定值信号源 P1000 = 2 (模拟输入,请参看图3-1) 电动机的冷却方式 P0335 = 0 电动机的电流限值 P0640 = 150 % 最小频率 P1080 = 0 Hz 最大频率P1082 = 50 Hz 斜坡上升时间 P1120 = 10 s 斜坡下降时间 P1121 = 10 s 控制方式P1300 = 0图 3-1 模拟和数字输入输入/ 输出 端子号 参数数值功能 数字输入 1 5 P0701 = 1 ON / OFF1 (I/O)数字输入 2 6 P0702 = 12 反向 ()数字输入 3 7 P0703 = 9 故障复位 (Ack) 数字输出 8 - +24V 数字控制电源输出 3/4 P0700 = 2 频率设定值 模拟输入/输出 1/2 - +10V/0V 模拟控制电源输出继电器输出接点 10/11 P0731 = 52.3 变频器故障识别 模拟输出12/13P0771 = 21输出频率3.1 50/60 Hz DIP 开关MICROMASTER 420变频器缺省设置的电动机基本频率是 50 Hz 。
MM420常用的参数设置及其调试方法,更详细的说明请参阅相关手册。
P003--用户访问级:默认为1(标准级),笔者建议设置为4(维修级),这样才有访问所有参数的权限。
P004--参数过滤器:默认为0,就是无参数过滤功能,不隐藏参数,显示所有的参数。
P0307--电动机额定功率:按电动机额定功率设置,本参数只能在P0010=1(快速调试)时才可以修改。
P1000--选择频率设定值:默认为2,即模拟输入;如果选择12,则加上了MOP(电动电位计)的值。
P1040--MOP的设定值:可以把MOP理解为偏置频率。
P1080--最小频率:变频器输出的最小频率,根据电动机实际驱动能力而不同,建议15Hz以上。
P1082--最大频率:变频器输出的最大频率,根据电动机实际驱动能力而不同,建议75Hz以下。
P2000--基准频率:如果采用模拟输入来调节变频器频率,那么可能需要用到该参数,这是模拟输入最大值时的频率设定值。
例如,采用电位器调节频率,最大需要调节到75Hz(刚好75Hz),那么就要求P1082的值和P2000的值不得小于75Hz,至少有一个等于75Hz就可以了。
R0722--二进制输入:显示各个数字输入的状态。
都不动作时显示,数字输入动作时相应位变为1;例如当数字输入1动作时显示。
观察该参数,有利于分析故障情况。
下面是部分系统默认的参数:P0700 选择命令源:缺省值为20 工厂的缺省设置1 BOP(键盘)设置2 由端子排输入4 通过BOP链路的USS设置5 通过COM链路的USS设置6 通过COM链路的通讯板(CB)设置P0701 数字输入1的功能:缺省值为10 禁止数字输入1 ON/OFF1(接通正转/停车命令1)2 ON reverse/OFF1(接通反转/停车命令1)3 OFF2(停车命令2)-按惯性自由停车4 OFF3(停车命令3)-按斜坡函数曲线快速降速停车9 故障确认10 正向点动11 反向点动12 反转13 MOP(电动电位计)升速(增加频率)14 MOP降速(减少频率)15 固定频率设定值(直接选择)16 固定频率设定值(直接选择+ON 命令)17 固定频率设定值(二进制编码的十进制数(BCD 码)选择+ON命令)21 机旁/远程控制25 直流注入制动29 由外部信号触发跳闸33 禁止附加频率设定值99 使能BICO(二进制互联连接)参数化P0702 数字输入2的功能:缺省值为120 禁止数字输入1 ON/OFF1(接通正转/停车命令1)2 ON reverse/OFF1(接通反转/停车命令1)3 OFF2(停车命令2)-按惯性自由停车4 OFF3(停车命令3)-按斜坡函数曲线快速降速停车9 故障确认10 正向点动11 反向点动12 反转13 MOP(电动电位计)升速(增加频率)14 MOP降速(减少频率)15 固定频率设定值(直接选择)16 固定频率设定值(直接选择+ON 命令)17 固定频率设定值(二进制编码的十进制数(BCD 码)选择 + ON 命令)21 机旁/远程控制25 直流注入制动29 由外部信号触发跳闸33 禁止附加频率设定值99 使能BICO参数化P0703 数字输入3的功能:缺省值为90 禁止数字输入1 ON/OFF1(接通正转/停车命令1)2 ON reverse /OFF1(接通反转/停车命令1)3 OFF2(停车命令2)-按惯性自由停车4 OFF3(停车命令3)-按斜坡函数曲线快速降速停车9 故障确认10 正向点动11 反向点动12 反转13 MOP(电动电位计)升速(增加频率)14 MOP 降速(减少频率)15 固定频率设定值(直接选择)16 固定频率设定值(直接选择+ON 命令)17 固定频率设定值(二进制编码的十进制数(BCD码)选择+ON 命令)21 机旁/远程控制25 直流注入制动29 由外部信号触发跳闸33 禁止附加频率设定值99 使能BICO参数化P0704 数字输入4的功能:缺省值为00 禁止数字输入1 ON/OFF1(接通正转/停车命令1)2 ON reverse /OFF1(接通反转/停车命令1)3 OFF2(停车命令2)-按惯性自由停车4 OFF3(停车命令3)-按斜坡函数曲线快速降速停车9 故障确认10 正向点动11 反向点动12 反转13 MOP(电动电位计)升速(增加频率)14 MOP降速(减少频率)21 机旁/远程控制25 直流注入制动29 由外部信号触发跳闸33 禁止附加频率设定值99 使能BICO参数化1:快速调试P0003:3P0010:1 开始快速调试P0100:0 选择工作地区P0300:1 电动机类型P0304:380 额定电动机电压P0305:4.95 额定电机电流P0307:2.2 电机额定功率P0308:0.83 电动机的功率因数P0310:50 电动机的额定频率P0311:1450 电动机的额定速度P0640:150 电动机的过载因子P0700:1 命令源P1000:1 选择频率设定值P1120:1 加速时间P1121:0.5 减速时间P1300 20 变频器控制方式P3900:3 开始电动机数据的自动检测(结束快速调试)。
本《入门指南》帮助用户简单有效地使用MICROMASTER 420变频器。
如果要了解更多的技术信息,请参阅随MICROMASTER 420变频器一起提供的CD-ROM 上的《操作说明》和《参考手册》。
目录1机械安装32电气安装43避免电磁干扰54MICROMASTER 420变频器的调试64.1缺省设置4.2按照入门指南进行调试74.3使用状态显示面板进行调试74.4利用基本操作员面板进行调试84.5使用“BOP ”/“AOP ”改变参数和设置95快速调试105.1利用P0010和P0970复位105.2“快速调试”的电动机数据115.3使用“BOP ”(P0700=1)启动/停止电动机115.4利用高级操作员面板(AOP)进行调试115.5附加的控制应用115.6更多的信息……116更换显示/操作员面板126.1改变参数值的一位数字127故障排除137.1利用状态显示面板137.2利用操作员面板(BOP 和AOP)138变频器参数设置总览148.1参数结构15提供以下警告、小心和注意信息是为了您的安全,并防止损坏产品或机器内所连接的部件。
适用于特定范围的特殊警告、小心和注意在相关部分的开头列出。
为了您的人身安全,并有助于延长您的MICROMASTER 420变频器和连接在它上面的设备的使用寿命,请仔细阅读这些信息。
警告本设备带有危险电压,并控制具有潜在危险的旋转机械部件。
与警告不符合或不遵照本手册中包含的说明可能导致生命危险、严重的人身伤害或严重的财产损坏。
只有相应的专业人员、并且只有在熟悉了本手册所包含的所有安全事项、安装、操作和维护规程之后才能操作本设备。
成功而且安全地操作本设备依赖于正确地处理、安装、操作和维护本设备。
在断开所有电源之后,所有MICROMASTER模块的连接电路将维持5分钟的危险电压。
因此在断开变频器的电源之后,在对任何MICROMASTER模块进行操作之前一定要先等待5分钟。
MM420变频器原理与西门子参数设置一、MM420变频器的原理:MM420变频器是一种三相变频器,可用于驱动三相异步电动机。
其工作原理基本上是将交流电源通过整流电路转换成直流电源,再经过逆变电路将直流电源转换成可变频率的交流电源,从而实现对电动机转速和转矩的控制。
具体来说,MM420变频器的原理包括以下几个主要部分:1.整流电路:将交流电源通过整流桥电路将其转换成直流电源。
2.滤波电路:对直流电源进行滤波处理,去除其中的脉动成分,以保证后续逆变工作的稳定性。
3.逆变电路:通过逆变桥电路将直流电源转换成可变频率的交流电源。
4.控制电路:负责控制逆变电路的工作,根据输入的控制信号调整逆变电路的开关状态,控制变频器输出频率和电压。
通过以上几个步骤,MM420变频器能够实现对电动机的转速和转矩的准确控制,从而满足不同工况下对电动机的需求。
二、西门子参数设置:1.主频率设置:主频率是指电动机正常运行的频率,一般为50Hz或60Hz。
通过设定主频率来实现电动机的正常运行,可根据不同需求进行设置。
2.输出频率设置:输出频率是指变频器输出给电动机的电源频率。
可根据电动机的额定工作频率来设置输出频率,一般常见的输出频率范围为0Hz-400Hz。
3.输出电压设置:输出电压是指变频器输出给电动机的电源电压。
根据电动机的额定额定电压来设置输出电压,一般常见的输出电压范围为变换器额定电压。
4.转矩控制参数设置:转矩参数包括电流控制参数和转速控制参数。
可以根据不同的负载需求来设置转矩控制参数,以实现对电动机的转速和转矩的精确控制。
5.故障保护参数设置:变频器具有多种故障保护功能,在使用过程中可以根据实际需求进行设置,例如过流保护、过压保护、过载保护等等。
以上只是一些常见的西门子参数设置方法,MM420变频器还具有更多的参数可供设置,用户在使用过程中应根据实际需求进行设置,以充分发挥变频器的功能。
总结:MM420变频器是一种常见的工业变频器,其工作原理是通过整流、滤波和逆变电路将交流电源转换成可变频率的交流电源,从而控制电机的转速和转矩。
西门子变频器M M420恒压供水应用技术
西门子 420系列变频器恒压供水/风修正参数表
一:接线方式:
端子号2#、4#、9# 用导线三点短接。
5#、6#短接。
5#经起动常开点到8#。
8#经1.5k电阻到YTZ-150远传压力表的高端、压力表动端到3#端子、压力表低端到9#端子。
三:。
1:将线路接好、参数修正完后。
再将r2266调出压力表反馈显示,拨动压力表指针从小到大时,变频显示也应从小到大变化。
将指针指到要求压力点时、变频则对应一个显示值为X。
X值一般为0~50,对应表全量程。
再将X值修改到P2240=X。
运行压力偏差用面板微调。
例:使用YTZ-150表、全量程6KG,要求恒压3KG时、将粗设P2240=25即可。
要求恒压2KG时粗设P2240=17,运行后用面板微调即可。
济南鲁控自动化有限公司
西门子变频器中国地区一级代理
公司电话:(0531)88119306
公司地址:山东省济南市华龙路3218号。
6.5 西门子MM420变频器简介西门子MM420是用于控制三相交流电动机速度的变频器系列。
该系列有多种型号,从单相电源电压,额定功率120W 到三相电源电压,额定功率11KW 可供用户选用。
SRS-ME05选用的MM420订货号为6SE6420-2UC17-5AA0,额定参数为:电源电压:220V~230V,单相交流额定输出功率:0.75KW额定输入电流:9.9A额定输出电流:3.9A外形尺寸:A型操作面板:基本操作板(BOP)MM420变频器电路方框图如图6-13所示。
进行主电路接线时,变频器模块面板上的L1、L2插孔接单相电源,接地插孔接保护地线;三个电动机插孔U、V、W连接到三相电动机(千万不能接错电源,否则会损坏变频器)。
MM420变频器模块面板上引出了MM420的数字输入点:DIN1(端子⑤);DIN2(端子⑥);DIN3(端子⑦);内部电源+24V(端子⑧);内部电源0V(端子⑨)。
数字输入量端子可连接到PLC的输出点(端子⑧接一个输出公共端,例如2L)。
当变频器命令参数P0700=2(外部端子控制)时,可由PLC控制变频器的启动/停止以及变速运行等。
图6-13 MM420变频器方框图6.5.1 MM420变频器的BOP操作面板1、基本操作面板(BOP)的功能概述图6-14是基本操作面板(BOP)的外形。
利用BOP可以改变变频器的各个参数。
BOP具有7 段显示的五位数字,可以显示参数的序号和数值,报警和故障信息,以及设定值和实际值。
参数的信息不能用BOP存储。
图6-14 操作面板基本操作面板(BOP)上的按钮及其功能如图6-15所示:显示/按钮功能功能的说明状态显示LCD显示变频器当前的设定值启动变频器按此键起动变频器。
缺省值运行时此键是被封锁的。
为了使此键的操作有效,应设定P0700 = 1停止变频器OFF1:按此键,变频器将按选定的斜坡下降速率减速停车,缺省值运行时此键被封锁;为了允许此键操作,应设定P0700 = 1。
任务1 变频器的面板操作与运行任务目的:1. 熟悉变频器的面板操作方法。
2. 熟练变频器的功能参数设置。
3. 熟练掌握变频器的正反转、点动、频率调节方法。
任务引入:变频器MM420系列(MicroMaster420)是德国西门子公司广泛应用与工业场合的多功能标准变频器。
它采用高性能的矢量控制技术,提供低速高转矩输出和良好的动态特性,同时具备超强的过载能力,以满足广泛的应用场合。
对于变频器的应用,必须首先熟练对变频器的面板操作,以及根据实际应用,对变频器的各种功能参数进行设置。
相关知识点:一.变频器面板的操作利用变频器的操作面板和相关参数设置,即可实现对变频器的某些基本操作如正反转、点动等运行。
变频器面板的介绍及按键功能说明详见本书任务1.4变频器的调试,具体参数号和相应功能参照系统手册。
二.基本操作面板修改设置参数的方法MM420在缺省设置时,用BOP控制电动机的功能是被禁止的。
如果要用BOP 进行控制,参数P0700应设置为1,参数P1000 也应设置为1。
用基本操作面板(BOP)可以修改任何一个参数。
修改参数的数值时,BOP有时会显示“busy”,表明变频器正忙于处理优先级更高的任务。
下面就以设置P1000=1的过程为例,来介绍通过基本操作面板(BOP)修改设置参数的流程,见表2-1。
表2-1 基本操作面板(BOP)修改设置参数流程操作步骤BOP显示结果1按键,访问参数2按键,直到显示P10003按键,直到显示in000,即P1000的第0组值4按键,显示当前值25按键,达到所要求的值16按键,存储当前设置7按键,显示r00008按键,显示频率任务训练 :一、训练内容通过变频器操作面板对电动机的启动、正反转、点动、调速控制。
二、训练工具、材料和设备西门子MM420变频器、小型三相异步电动机、电气控制柜、电工工具(1套)、连接导线若干等。
三、操作方法和步骤1.按要求接线系统接线如图2-1所示,检查电路正确无误后, 合上主电源开关QS 。
西门子变频器MM420使用说明书全国通用版西门子变频器MM420使用说明书全国通用版1.引言在本文档中,我们将为您详细介绍西门子变频器MM420的使用方法和操作指南。
通过阅读本手册,并按照说明进行操作,您能够正确使用和配置MM420变频器,以满足特定的工作需求。
2.产品概览2.1 产品特点在本章节中,我们将介绍西门子变频器MM420的主要特点,包括其功能、技术规格、输入输出接口等。
2.2 产品外观在本章节中,我们将提供西门子变频器MM420的外观图和各个部件的说明,以帮助您熟悉变频器的外观和结构。
2.3 安装要求在本章节中,我们将详细说明安装MM420变频器的要求和步骤,包括电源接线、控制接口和通信接口的连接方法等。
3.系统配置3.1 电源配置本章节将详细介绍电源配置的方法,包括使用单相或三相电源以及如何配置电源线路。
3.2 控制接口配置在本章节中,我们将介绍如何配置变频器的控制接口,包括按钮和输入输出接口的设置和调整。
3.3 参数设置在本章节中,我们将为您介绍如何通过参数设置来对MM420变频器进行配置,以满足您的特定工作需求。
4.系统操作4.1 变频器启动与停止本章节将说明如何正确启动和停止变频器,以及相关的操作注意事项。
4.2 频率和转速调节在本章节中,我们将为您介绍如何通过调节频率和转速来控制变频器的输出。
4.3 故障诊断与排除本章节将介绍可能出现的故障和错误代码,并提供相关的排查和解决方法。
5.附录在本附录中,我们提供了相关的附件,包括连接图纸、技术规格表等。
6.法律名词及注释6.1 法律名词本章节了在本文档中涉及到的法律名词,并提供了相应的解释和注释。
7.结束语感谢您阅读本文档,如果您在使用MM420变频器的过程中有任何问题或需要进一步帮助,请随时联系我们的技术支持团队。