刀具角度及含义
- 格式:pdf
- 大小:133.28 KB
- 文档页数:11
十几把刀的刀锋角度有哪些选择?一、刀锋角度的重要性刀锋角度是影响刀具性能的关键因素之一。
不同的刀锋角度适用于不同的刀具和工作材料,正确选择刀锋角度有助于提高切削效率和刀具寿命。
二、常见的刀锋角度选择1. 锋角小的刀锋角度刀锋角度小于30度的刀具适用于切削硬度较高的工作材料,如金属和硬塑料。
小锋角能够集中切削力,减少切削阻力,提高切削效率。
同时,由于刀具的切削压力集中在小的刀锋区域,刀具磨损也相对较小,延长了刀具的使用寿命。
2. 锋角大的刀锋角度刀锋角度大于30度的刀具适用于切削软性材料,如木材和软塑料。
大锋角能够扩散切削力,减少切削压力,避免材料的过度压缩和变形。
此外,大锋角还能够提供更好的切削质量,减少切削表面的毛刺和破损。
3. 锋角中等的刀锋角度对于一些切削难度适中的工作材料,如一些常见的金属合金和工程塑料,中等大小的刀锋角度是较为合适的选择。
这种刀锋角度可以在保证切削力集中的同时,减少切削阻力和切削热量,并提高切削质量和刀具寿命。
4. 不同材料常用的刀锋角度除了刀具设计和加工要求外,不同工作材料的特性也会影响刀锋角度的选择。
例如,钻削金属时,常用的刀锋角度大约为118度;而钻削木材时,则常用的刀锋角度为90度,这是因为木材的纤维结构不同于金属。
5. 刀锋角度与切削力和切削质量的关系正确选择刀锋角度不仅能够降低切削力,提高切削效率,还能够改善切削质量。
合适的刀锋角度可以减少切削表面的毛刺和破损,提高切削精度和表面质量,适用于精密加工和高精度要求的工作。
总结:刀锋角度的选择是影响刀具性能的关键因素之一。
根据不同的刀具和工作材料,我们可以选择不同锋角大小的刀锋角度。
锋角小的刀锋角度适用于切削硬度较高的工作材料,锋角大的刀锋角度适用于切削软性材料,而中等大小的刀锋角度适用于一些切削难度适中的工作材料。
在选择刀锋角度时,我们也要考虑材料的特性以及刀具的设计和加工要求。
正确选择刀锋角度不仅能够提高切削效率和刀具寿命,还能够改善切削质量,满足精密加工和高精度要求的工作。
刀具命名规则和含义刀具可以分为公制(ISO)和英制(ANSI)两种其主要区别在于中间的数字,另外不同的刀具其表示方法也不同。
例如:ISO:CNMG120408PSABSI:CNMG432PS第一位的字母代表刀片的形状,公制与英制是一样的。
H:6角形120°、O:8角形135°、P:5角形108°、S:四方形90°、T:3角形60°、C:菱形80°、D:菱形55°、E:菱形75°、F:菱形50°、M:菱形86°、V:菱形35°、W:6角形80°、L:长方形90°、A:平行四边形顶角85°、B:平行四边形顶角82°、K:平行四边形顶角55°、R:圆形第二位的字母代表刀片后角,公制与英制是一样的。
A:3°、B:5°、C:7°、D:15°、E:20°、F:25°、G:30°、N:0°、P:11°第三位的字母代表刀片的公差,公制与英制相同,其公差根据刀片尺寸不同而不同。
第四位的字母代表孔/断屑槽符号,这个的种类比较多,不一一细说,只挑两种常用的说,一般的外圆刀片都是G(有孔,双面带断屑槽),镗孔刀片多为T(有孔,且单埋头孔,单面有断屑槽)第三、四两位的意思你可以在使用时查下你所选用的刀具的刀具样本,上面都会有说明。
上述的字母意思适用于所有的车削用可转位刀片,从第五位开始则有了区别,先来说金属陶瓷、图层硬质合金以及硬质合金的刀片:第五位的数字,ISO代表切刃长度,ANSI代表内接缘径第六位的数字代表厚度,ISO的单位为mm,而ANSI的为:inch 第七位的数字代表刀尖角,ISO的单位为mm,而ANSI的为:inch最后两位字母代表任意符号,如:主切刃符号、断屑槽符号等。
金属切削刀具是制造业中常用的工具,正确的切削角度对切削质量有着重要的影响。
在金属加工过程中,常用的五个切削角度包括:刀尖倒角角度、主偏角、副偏角、前角和后角。
一、刀尖倒角角度刀尖倒角角度是指刀具前端倒角的角度,它的大小会影响切削的刀尖强度和耐磨性。
一般来说,刀尖倒角角度越小,刀尖强度越高,耐磨性也越好。
常见的刀尖倒角角度为15度至45度不等,选用合适的刀尖倒角角度能够减小切屑厚度、改进切削刚度和提高刀具寿命。
二、主偏角主偏角又称前角,是指切削刃与工件表面的夹角。
主偏角的大小直接影响着刀具的切削力和切屑的形态。
通常情况下,主偏角越小,切削力越小,切削刚度越大。
然而,主偏角过小也容易导致刀具容易断裂和刀尖易磨损。
在实际加工中需要根据不同的工件材料和加工条件来选择合适的主偏角。
三、副偏角副偏角又称侧倾角,是指刀具刃部与切削面的夹角。
副偏角的大小影响着切屑的流动和刀具的耐磨性。
一般情况下,副偏角越小,切屑流动越顺畅,切屑的形态也更好。
但过小的副偏角容易导致刀具刃部的磨损加剧。
在选择副偏角时需要兼顾切屑形态和刀具的耐磨性。
四、前角前角是刀具刃部与工件表面接触时形成的角度,它的大小直接影响着切削时的切削力和切屑的形态。
一般情况下,前角越大,切削力越小,切屑流动也更加顺畅。
然而,过大的前角容易导致刀具刃部的磨损加快。
在实际加工中需要根据工件材料和加工条件来选择合适的前角。
五、后角后角是刀具刃部背面与工件表面形成的角度,它的大小影响着刀具刃部的强度和切削力。
一般情况下,后角越大,刀具刃部强度越高,切削力也相对较小。
然而,过大的后角会导致刃部切削过程中的摩擦增大,从而影响切削质量。
在选择后角时需要根据实际情况进行合理的选择。
总结:金属切削刀具的切削角度对切削质量和刀具寿命有着重要的影响。
正确选择刀尖倒角角度、主偏角、副偏角、前角和后角,可以有效地改善切削过程中的刀具性能,提高加工质量,降低成本,增加经济效益。
在实际加工中,需要根据具体的工件材料和加工条件来合理选择切削角度,以达到最佳的加工效果。
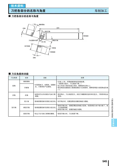
1.车刀分:外圆车刀、端面车刀、切断刀、内孔车刀、螺纹车刀。
2.车刀的角度有:前角、后角、副后角、刃倾角、主偏角、副偏角。
(1)前角γ0:前刀面与基面的夹角,在主剖面中测量。
前角的大小影响切削刃锋利程度及强度。
增大前角可使刃口锋利,切削力减小,切削温度降低,但过大的前角,会使刃口强度降低,容易造成刃口损坏。
取值范围为:-8°到+15°。
选择前角的一般原则是:前角数值的大小与刀具切削部分材料、被加工材料、工作条件等都有关系。
刀具切削部分材料性脆、强度低时,前角应取小值。
工件材料强度和硬度低时,可选取较大前角。
在重切削和有冲击的工作条件时,前角只能取较小值,有时甚至取负值。
一般是在保证刀具刃口强度的条件下,尽量选用大前角。
如硬质合金车刀加工钢材料时前角值可选5°-15°。
(2)主后角α0: 主后刀面与切削平面间的夹角,在主剖面中测量。
其作用为减小后刀面与工件之间的摩擦。
它也和前角一样影响刃口的强度和锋利程度。
选择原则与前角相似,一般为0到8°。
(3)主偏角κr: 主切削刃与进给方向间的夹角,在基面中测量。
其作用体现在影响切削刃工作长度、吃刀抗力、刀尖强度和散热条件。
主偏角越小,吃刀抗力越大,切削刃工作长度越长,散热条件越好。
选择原则是:工件粗大刚性好时,可取小值;车细长轴时为了减少径向切削抗力,以免工件弯曲,宜选取较大的值。
常用在15°到90°之间。
(4)副偏角κ'r: 副切削刃与进给反方向间的夹角,在基面中测量。
其作用是影响已加工表面的粗糙度,减小副偏角可使被加工表面光洁。
选择原则是:精加工时,为提高已加工表面的质量,应选取较小的值,一般为5到10°。
(5)刃倾角λs :主切削刃与基面间的夹角,在主切削平面中测量。
主要作用是影响切屑流动方向和刀尖的强度。
以刀柄底面为基准,主切削刃与刀柄底面平行时,λs =0,切屑沿垂直于主切削刃的方向流出。
⼑具标注⾓度2)后⾓αo -- 后⼑⾯与切削平⾯之间的夹⾓。
若通过选定点的切削平⾯位于楔形⼑体的实体之外,后⾓为正值;反之为负值。
3)楔⾓βo -- 前⼑⾯与主后⼑⾯之间的夹⾓。
显然有:βo + γo +αo = 90°。
在基⾯P r中测量的⾓度:4)主偏⾓k r -- 主切削刃在基⾯上的投影与假定进给⽅向之间的夹⾓。
5)副偏⾓k'r -- 副切削刃在基⾯上的投影与假定进给反⽅向之间的夹⾓。
6)⼑尖⾓εr -- 主切削刃与副切削刃在基⾯上投影之间的夹⾓。
显然有: k r+k'r +εr = 180°。
在切削平⾯P s中测量的⾓度:7)刃倾⾓λs -- 主切削刃与基⾯之间的夹⾓。
当⼑尖是主切削刃上最低点时,刃倾⾓定为负值;当⼑尖是主切削刃上最⾼点时,则刃倾⾓为正值,如图2-62 所⽰。
图2-62 刃倾⾓当λs = 0°时,主切削刃与切削速度垂直,称之为直⾓切削或正切削。
⽽λs≠ 0°的切削称为斜⾓切削或斜切削。
λs的正或负会改变切屑流出的⽅向。
在副正交平⾯中测量的⾓度8)副后⾓α'o -- 副后⼑⾯与切削平⾯之间的夹⾓;9)副前⾓γ'o -- 前⼑⾯与基⾯之间的夹⾓。
实际上,当γo、λs 、k r及k'r为已定值,且主、副切削刃处于共同的前⼑⾯时,γ'o也已被确定了。
另外,βo及εr是派⽣⾓。
因此,外圆车⼑的标注⾓度只有六个是独⽴的:γo、αo、k r、 k'r、λs与α'o,外圆表⾯的加⼯路线1粗车→半精车→精车:应⽤最⼴,满⾜IT≥IT7,▽≥0.8外圆可以加⼯2粗车→半精车→粗磨→精磨:⽤于有淬⽕要求IT≥IT6,▽≥0.16 的⿊⾊⾦属。
3粗车→半精车→精车→⾦刚⽯车:⽤于有⾊⾦属、不宜采⽤磨削加⼯的外⽤表⾯。
4.粗车→半精车→粗磨→精磨→研磨、超精加⼯、砂带磨、镜⾯磨、或抛光在2的基础上进⼀步精加⼯。
六、数控刀具标准点击上面相关内容观看一、车刀的各种角度常识车刀的主要角度前角γo在主剖面P0内测量的前刀面与基面之间的夹角。
前角表示前刀面的倾斜程度,有正、负和零值之分,其符号规定如图所示。
后角αo 在主剖面P0内测量的主后刀面与切削平面之间的夹角。
后角表示主后刀面的倾斜程度,一般为正值。
主偏角κr在基面内测量的主切削刃在基面上的投影与进给运动方向的夹角。
主偏角一般为正值。
副偏角κr'在基面内测量的副切削刃在基面上的投影与进给运动反方向的夹角。
副偏角一般为正值。
刃倾角λs在切削平面内测量的主切削刃与基面之间的夹角。
当主切削刃呈水平时,λs=0;刀尖为主切削刃最低点时,λs<0;刀尖为主切削刃上最高点是,λs>0,如图示。
点击回到页首二、新型陶瓷刀具简介新型陶瓷刀具的出现,是人类首次通过运用陶瓷材料改革机械切削加工的一场技术革命的成果。
早在20世纪初,德国与英国已经开始寻求采用陶瓷刀具取代传统的碳素工具钢刀具。
陶瓷材料因其高硬度与耐高温特性成为新一代的刀具材料,但陶瓷也由于其人所共知的脆性受到局限,于是如何克服陶瓷刀具材料的脆性,提高它的韧性,成为近百年来陶瓷刀具研究的主要课题。
陶瓷的应用范围亦日益扩大。
工程技术界努力研制与推广陶瓷刀具的主要原因,(一)是可以大大提高生产效率;(二)是由于构成高速钢与硬质合金的主要成分钨资源在全球范围内的枯竭所决定。
20世纪80年代初估计,全世界已探明的钨资源仅够使用50年时间。
钨是世界上最稀缺的资源,但其在切削刀具材料中的消耗却很大,从而导致钨矿价格不断攀升,几十年中上涨好多倍,这在一定程度上也促进了陶瓷刀具研制与推广,陶瓷刀具材料的研制开发取得了令人瞩目的成果。
到目前为止,用作陶瓷刀具的材料已形成氧化铝陶瓷,氧化铝—金属系陶瓷、氧化铝—碳化物陶瓷、氧化铝—碳化物金属陶瓷、氧化铝—氮化物金属陶瓷及最新研究成功的氮化硼陶瓷刀具。
就世界范围讲,德国陶瓷刀具已不仅用于普通机床,且已将其作为一种高效、稳定可靠的刀具用于数控机床加工及自动化生产线。
刀具刃角测量
一把好用的刀必需锋利持久耐用,这取决要有好的钢材和处理工艺,刃角是影响锋利度的重要因素。
刃角越小,刃部越尖,切入阻力也越小,锋利度也越高。
一,刀具常规开刃角度(以下指是双边角度,单边除2) 34度:一般是西式刀厨刀或菜刀的角度,国际标准(ISO8442)不超40度, 日系刀大多在30度左右。
40度:可提供一相当锐利的刃面,一般用作随身小刀。
50度:兼具刀刃锐利及持续性的开刃角度。
一般野外用刀多为此角度。
60度:刺刀或野外用刀使用,不易变钝,易于研磨是其优点。
二,生产工厂如何控制刃角。
老式的砂轮机定好角度开出的刃肯定能达到标准,但这种方法锋利度谁用谁知道在此就不多说了。
当前最普及的是湿式开刃法,采取湿式方法开刃是保证刃口不发生相变的工艺保证。
但好坏取决开刃工人的水平,开刃角度难以标准 ,一批产品出现30-50度大幅偏差也是常态。
解决这个问题必需加强品控,配备专业的测量工具是刀具生产工厂提升品质必不可少的利器。
三,如何选择刃角测量仪
随着国内刀具厂家慢慢地从以前的普通产品走向高端产品。
然而重要性作用的刃角测量方面存在瓶颈, LH公司刃角测量仪可以满足工厂的检测需要提高产品质量。
LH产品设计上除了精准外还考虑实用,耐用和完美的外观。
用现在流行的来说就是:
高端大气上档次,实用耐用更给力!
六合科技阳江总代理 QQ 3576153415。
刀具的标注角度1.前角:当前面与切削平面夹角小于90度时,前角为正值,大于90度时为负值.2.后角; 当后面与基面夹角小于90度时,后角为正值,大于90度时,后角为负值。
车切基本知识一、车刀材料在切削过程中,刀具的切削部分要承受很大的压力、摩擦、冲击和很高的温度。
因此,刀具材料必须具备高硬度、高耐磨性、足够的强度和韧性,还需具有高的耐热性(红硬性),即在高温下仍能保持足够硬度的性能。
常用车刀材料主要有高速钢和硬质合金。
1.高速钢高速钢又称锋钢、是以钨、铬、钒、钼为主要合金元素的高合金工具钢。
高速钢淬火后的硬度为HRC63~67,其红硬温度550℃~600℃,允许的切削速度为25~30m/min。
高速钢有较高的抗弯强度和冲击韧性,可以进行铸造、锻造、焊接、热处理和切削加工,有良好的磨削性能,刃磨质量较高,故多用来制造形状复杂的刀具,如钻头、铰刀、铣刀等,亦常用作低速精加工车刀和成形车刀。
常用的高速钢牌号为W18Cr4V和W6Mo5Cr4V2两种。
2.硬质合金硬质合金是用高耐磨性和高耐热性的WC(碳化钨)、TiC(碳化钛)和Co(钴)的粉末经高压成形后再进行高温烧结而制成的,其中Co起粘结作用,硬质合金的硬度为HRA89~94(约相当于HRC74~82),有很高的红硬温度。
在800~1000℃的高温下仍能保持切削所需的硬度,硬质合金刀具切削一般钢件的切削速度可达100~300m/min,可用这种刀具进行高速切削,其缺点是韧性较差,较脆,不耐冲击,硬质合金一般制成各种形状的刀片,焊接或夹固在刀体上使用。
常用的硬质合金有钨钴和钨钛钴两大类:(1)钨钴类(YG)由碳化钨和钴组成,适用于加工铸铁、青铜等脆性材料。
常用牌号有YG3、YG6、YG8等,后面的数字表示含钴量的百分比,含钴量愈高,其承受冲击的性能就愈好。
因此,YG8常用于粗加工,YG6和YG3常用于半精加工和精加工。
(2)钨钛钴类(YT)由碳化钨、碳化钛和钴组成,加入碳化钛可以增加合金的耐磨性,可以提高合金与塑性材料的粘结温度,减少刀具磨损,也可以提高硬度;但韧性差,更脆、承受冲击的性能也较差,一般用来加工塑性材料,如各种钢材。
刀具可以分为公制(ISO)和英制(ANSI)两种其主要区别在于中间的数字,另外不同的刀具其表示方法也不同。
例如:ISO:CNMG120408PSABSI:CNMG432PS第一位的字母代表刀片的形状,公制与英制是一样的。
H:6角形120°、O:8角形135°、P:5角形108°、S:四方形90°、T:3角形60°、C:菱形80°、D:菱形55°、E:菱形75°、F:菱形50°、M:菱形86°、V:菱形35°、W:6角形80°、L:长方形90°、A:平行四边形顶角85°、B:平行四边形顶角82°、K:平行四边形顶角55°、R:圆形第二位的字母代表刀片后角,公制与英制是一样的。
A:3°、B:5°、C:7°、D:15°、E:20°、F:25°、G:30°、N:0°、P:11°第三位的字母代表刀片的公差,公制与英制相同,其公差根据刀片尺寸不同而不同。
第四位的字母代表孔/断屑槽符号,这个的种类比较多,不一一细说,只挑两种常用的说,一般的外圆刀片都是G(有孔,双面带断屑槽),镗孔刀片多为T(有孔,且单埋头孔,单面有断屑槽)第三、四两位的意思你可以在使用时查下你所选用的刀具的刀具样本,上面都会有说明。
上述的字母意思适用于所有的车削用可转位刀片,从第五位开始则有了区别,先来说金属陶瓷、图层硬质合金以及硬质合金的刀片:第五位的数字,ISO代表切刃长度,ANSI代表内接缘径第六位的数字代表厚度,ISO的单位为mm,而ANSI的为:inch第七位的数字代表刀尖角,ISO的单位为mm,而ANSI的为:inch最后两位字母代表任意符号,如:主切刃符号、断屑槽符号等。
除此之外,还会再继续后缀数字与字母,如:VP15TF,这个代表刀具的材质。
刀具角度的基本概念:1、前角:基面和前刀面的夹角.是刀具的锋利程度.我们把铁屑流经过的面成为前刀面.2、后角:切削平面和后刀面的夹角.主要影响摩擦和刀具强度.3、主偏角:主切削刃和刀具进给方向的夹角.影响刀具的强度,和影响背向力,主偏角减小,背向力越大,机床的消耗率也越大,并且主偏角还会影响表面粗糙度.4、副偏角、副切削刃与进给方向的反方向的夹角即为副偏角.同样影响强度,摩擦,以及表面粗糙度.5、刃倾角:是控制流屑的方向.主切削刃和基面的夹角.。
角度名称含义作用应用与选择说明前角γ0 在正交平面Po内,前刀面与基面的之间夹角 1.使刀刃锋利,便于切削加工和切屑流动2.影响刀具的强度1.粗加工:小值精加工:大值2.加工塑性材料或强度、硬度较低:大值加工脆性材料或强度、硬度较高:小值3刀具材料韧性好,如高速钢:大值刀具材料脆性大,如硬质合金:小值前角越大,刀具越锋利,但强度降低,易磨损和崩刃。
前角一般为5°~20°。
后角α0 在正交平面Po内,主后刀面与切削平面之间夹角 1.影响主后刀面与工件之间的摩擦2.影响刀具的强度与前角的选择相同后角越大,车削时刀具与工件之间的摩擦越小,但强度降低,易磨损和崩刃。
后角一般为6°~12°。
主偏角Kr 在基面Pr内,主切削刃与进给运动方向在其上的投影之间夹角 1.影响切削加工条件和刀具的寿命2.影响径向力的大小,如图2-10(b)所示Fp径=cos KrFD切水(切削力在水平面内的分力) 1.粗加工:小值精加工:大值2.刚性差,易变形,如细长轴(90°):大值刚性好,不易变形:小值1. 主偏角越小,切削加工条件越好,刀具的寿命越长2.车刀常用的主偏角有45°、60°、75°90°,其中75°和90°最常用副偏角Krˊ 在基面Pr内,副切削刃与进给运动反方向在其上的投影之间夹角 1.主要影响加工表面的粗糙度,如图2-10(c)所示2.影响副切削刃与已加工表面之间的摩擦和刀具的强度 1.粗加工:大值(与副偏角选择相反)精加工:小值1. 副偏角越小,残留面积和振动越小,加工表面的粗糙度越低,表面质量越高。
但过小会增加刀具与工件的摩擦,另外,刀具的强度降低2.副偏角一般为5°~15°刃倾角λs 切削平面Ps内,主切削刃在其上的投影与基面之间夹角 1.主要控制切屑的流动方向2.影响刀尖的强度 1.粗加工:λs<0精加工:λs≥0(防止切屑划伤工件) 1. λs<0时,刀尖处于主切削刃的最低点,刀尖强度高,切屑流向已加工表面;λs>0时,刀尖处于主切削刃的最高点,刀尖强度低,切屑流向待加工表面2. λs一般为-5°~+5°。
§1-2 刀具与刀具切削过程一、刀具
(一)刀具角度
1.车刀的组成
刀具是切削加工的主要工具之一,刀具种类繁多,形状各种各样,但就刀具的切削部分而言,均可看作是车刀的演变(图
1.5),因此车刀是最基本的切削刀具,在确定刀具的基本定义时,以外圆车刀为基础。
a)刨刀b)钻头c)铣刀
刨刀、钻头、铣刀的切削部分
车刀有刀体和刀柄组成,刀柄是刀具的夹持部分,刀体是刀具上夹持或焊接刀条、刀片的部分,或由它形成切削刃的部分。
刀体上刀具的切削部分,由“三面两刃一尖”(即前刀面、主后刀面、副后刀面、主切削刃、副切削刃、刀尖)组成。
(1):前刀面(刀具上切屑过的表面)
(2):主后刀面(刀具上与工件过渡表面相对的表面)
(3):副后刀面(刀具上与工件已加工表面相对的表面)
(4):主切削刃(前刀面与主后刀面的交线,主要切削工作)
(5):副切削刃(前刀面与副后刀面的交线,参与部分切削工
作)
(6):刀尖(主切
削刃和副切削刃的
联接部位,为了
增强刀尖的强度,
改善散热条件,通
常在刀尖处磨出圆
弧或直线过渡刃)
2.确定刀具角度的静止参考系
假设:①不考虑进给运动
②规定车刀刀尖与工件中心等高
③刀柄的中心线垂直于进给方向
因此,参考系为静止参考系,主
要坐标平面有基面p r、切削平面p s、
正交平面(主剖面)p o、假定工作
平面p f、背平面p p组成。
(1)基面(p r):通过主切削刃
选定点,垂直于假定主运动
方向的平面。
(2)切削平面(p s):通过
主切削刃选定点,与切削刃
相切并垂直于基面。
(3)正交平面(p o):通过主
切削刃选定点,并同时垂直
于基面和切削平面
刀具标注角度的参考系
(4)假定工作平面(p f)(进给平面)通过切削刃选定点,与基面垂直,且与假定进给方向平行
(5)背平面(p p)(切深平面)通过切削刃选定点,同时垂直于基面和假定工作平面
3.刀具的标注角度
刀具的标注角度是指刀具在静止参考系中的一组角度,也是刀具制造图上标注的角度,是刀具设计、制造、刃磨和测量所必需的,也称静止角度。
主要包括:
前角()、背前角()、后角()、背后角()、主偏角()、副偏角()和刃倾角()。
o γo αr k 'r k s λp γp α
(1)前角()在正交平面内,基面与前刀面之间的夹角。
作用:(1)使主切削刃锋利(2)影响切削刃强度
选取原则:①工件材料:塑性材料,大前角;脆性,小前角。
强度、硬度低,大前角,否则,小前角。
②刀具材料:高速钢,大前角;硬质合金,小前角。
③加工性质:精加工,大前角;粗加工,小前角。
选取范围:(2)背前角()在背平面内,前刀面与基面之间的夹角。
举例:螺纹车刀、插齿刀
(3)后角()在正交平面内,切削平面与主后刀面之间的夹角。
作用:(1)减少刀具主后刀面与工件之间的摩擦
(2)后刀面的磨损。
选取原则:加工性质:精加工,大后角;粗加工,小后角。
选取范围:粗加工:精加工:(4)背后角()在背平面内,切削平面与主后刀面之间的夹角。
举例:螺纹车刀、插齿刀
o γo
o 255+~-p γo o 7
4+~o o 128+~o αp α
(5)主偏角()基面内,切削平面与假定工作平面间的夹角。
作用:(1)影响切屑的形状和刀具寿命
(2)影响背向力与进给力的比例
(3)影响表面粗糙度
u 对切屑的形状和刀具寿命的影响
u 主偏角对表面粗糙度大小的影响
r k p F f F 主偏角小:切屑宽且薄。
(散热好,刀具寿命提高)
主偏角大:切屑窄且厚。
主偏角小:表面粗糙
度小。
主偏角大:表
面粗糙度大。
常用角度:45°、
60°、75°、90°
(6)副偏角()基面内,副切削平面与假定工作面间的夹角。
作用:(1)影响副切削刃与工件已加工表面的摩擦
(2)影响表面粗糙度的大小
选取范围:'r
k o o 15
5~副偏角小:表面粗糙度小。
副偏角大:表面粗糙度大。
(7)刃倾角()在切削平面内,主切削刃和基面之间的夹角。
λ
s
作用:(1)影响刀头的强度
(2)影响排屑方向
4、(1)刀具几何角度选取原则:
锐字当先,锐中求固。
(2)当前刀具角度变革趋势:
三大一小:大前角
大刃倾角
大主偏角
小后角。