火力发电厂电气专业考试题库电气基础知识部分
- 格式:doc
- 大小:114.08 KB
- 文档页数:18
2020年火力发电厂电气专业考试电动机知识考试题库及答案(完整版)一、填空题1、直流电动机磁励方式可分为(他励) 、(并励) 、(复励) 和 (串励) 。
2、一台三相四极异步电动机,如果电源的频率 f1=50Hz ,则定子旋转磁场每秒在空间转过( 25)转。
3、三相异步电动机的额定功率是满载时转子轴上输出的(机械功率),额定电流是满载时定子绕组的(线电流),其转子的转速(小于)旋转磁场的速度。
4、测量电机的对地绝缘电阻和相间绝缘电阻,常使用(兆欧表),而不宜使用万用表。
5、交流电机定子绕组的短路主要是(匝间)短路和(相间)短路。
6、交流接触器常采用的灭弧方法是(电动力)灭弧、(栅片)灭弧;直流接触器常采用的灭弧方法是(直吹)灭弧。
7、交流接触器桥式双断口触点的灭弧作用,是将电弧分成(两)段以提高电弧的(起弧电压);同时利用两段电弧相互间的电动力将电弧向外侧(拉长),以增大电弧与冷空气的(接触面),迅速散热而灭弧。
8、引起接触器线圈发热的原因有(电源电压)、(铁心吸力不足),(线圈匝间短路),(电器动作超过额定)。
9、异步电动机的转速,总要(低于)定子旋转磁场的转速。
10、异步电动机启动时电流数值很大,而启动力矩小,其原因是启动时功率因数(低),电流中的(有功)成分小引起的.11、绕线式电动机的调速原理,就是在转子回路串一个(可调)电阻,增加电阻时,其电动机的转速就(降低)。
12、直接启动的大型感应电动机,改善启动特性的方法有:采用(双鼠笼)或(深槽)式。
13、绕线式电动机在发电厂某些地方还经常用到它,它的优点是:(调速)和(启动)特性好。
14、电动机的自启动是当外加(电压)消失或过低时,致使电动机转速(下降),当它恢复后,转速又恢复正常。
15、异步电动机的内部通风系统一般可分为三类:(轴向)通风系统;(径向)通风系统;(混合)通风系统。
16、电动机在运行中产生的损耗会引起各部分(发热),其结果使电动机各部件的(温度)升高。
填空题选择题判断题问答题发电机部分一、填空题1、所谓发电机进相运行是指(发电机发出有功而吸收无功的稳定运行状态)。
2、电力系统同期并列的条件是:并列开关两侧的(相序)、(相位)相同;并列开关两侧的(频率)、(电压)相等。
3、当发电机欠励磁、失磁状态下或出现大容量高电压长距离输电系统带轻负荷时,机端电压(低于)系统电压,发电机将处于(进相)运行。
4、发电机并列过程中,当发电机电压与系统电压相位不一致时,将产生(冲击电流),该最大值发生在两个电压相差为(180)度时。
5、发电机如果在运行中功率因数过高(cosqo=1)会使发电机(静态稳定性降低)。
6、当电力系统无功功率失去供需平衡时就会出现(电压波动)现象,无功功率不足会使电压(降低),无功功率过剩会使电压(升高)。
7、当电力系统有功功失去平衡时会使(频率)变动,同时也会使(电压)变动。
有功功率不足时会使频率(降低),有功功率过剩时会使(频率)、电压(升高)。
8、发电机转子及励磁回路的绝缘电阻低于(0.5MΩ)时不得投运。
9、发电机运行中若自动励磁调节器不投入,发电机突然甩负荷后,会使端电压(升高)、使铁芯中的(磁通)密度增加,导致铁芯损耗(增加)、温度(升高)。
10、发电机广泛采用氢气冷却,因为氢气的重量仅为空气的(1/14),导热性能比空气高(6)倍。
11、发电机空载特性是指发电机在额定转速下,空载运行时,其(电势)与(励磁)电流之间的关系曲线。
12、发电机短路特性是指发电机在额定转速下,定子三相短路时,定子稳态(短路)电流与(励磁)电流之间的关系曲线。
13、发电机负载特性是指发电机的转速、定子电流为额定值,功率因数为常数时,(定子)电压与(励磁)电流之间的关系曲线。
14、发电机的调整特性是指在发电机定子电压转速和功率因数为常数的情况下,(定子)电流与(励磁)电流之间的关系曲线。
15、发电机的外特性是指在发电机的励磁电流、转速和功率因数为常数的情况下,(定子)电流和发电机(端电压)之间的关系曲线。
发电厂电气部分模拟考试试题与答案(全)一、填空题(每题2分,共40分)1. 火力发电厂的能量转换过程是化学能――热能――机械能――电能2. 电流互感器正常运行时二次侧不允许开路。
3. 导体热量的耗散有对流辐射导热、三种形式。
4. 按输出能源分,火电厂分为热电厂和凝汽式电厂。
5. 在进行矩形硬导体的动稳定校验时,当每相为单条矩形时,工程计算目的是已知材料允许应力确定绝缘子最大允许跨距;当每相为多条矩形时,工程计算目的是已知材料应力和绝缘子跨距确定最大允许衬垫跨距。
6. 根据运行状态,自启动可分为失压自启动空载自启动 .带负荷自启动三类。
7. 发电厂的厂用电备用方式,采用暗备用方式与明备用方式相比,厂用工作变压器的容量增大。
(填增大或减小)8.加装旁路母线的唯一目的是不停电检修出线断路器。
9.厂用供电电源包括工作电源启动和备用电源事故保安电源。
二、单项选择题(每题2分,共20分)1. 电源支路将电能送至母线,引出线从母线得到电能。
因此,母线起到汇集和分配电能的作用。
2. 目前世界上使用最多的是核电厂是__轻水堆___核电厂,即__压水堆__核电厂和__沸水堆__核电厂。
3. 通常把__生产___、_输送__、_分配__、__转化____和_使用电能__的设备,称为一次设备。
4. 隔离开关的作用是隔离电压、倒闸操作和分合小电流。
5. “F-C回路”是高压熔断器与高压接触器(真空或SF6接触器)的配合,被广泛用于200~600MW大型火电机组的厂用6kV高压系统。
6. 根据布置的型式,屋内配电装置通常可以分为单层式、、二层式和三层式三种型式。
7. 当额定电压为110kV及以上时,电压互感器一次绕组与隔离开关之间不安装高压熔断器。
这时,如果电压互感器高压侧发生短路故障,则由母线的继电保护装置动作切断高压系统的电源。
8. 有汇流母线的接线形式可概括地分为__单母线__和_双母线__两大类;无汇流母线的接线形式主要有__单元接线__、_桥型接线_和_角型接线_。
2020年火力发电厂电气专业考试发电机知识考试题库及答案(完整版)一、填空题1、所谓发电机进相运行是指(发电机发出有功而吸收无功的稳定运行状态)。
2、电力系统同期并列的条件是:并列开关两侧的(相序)、(相位)相同;并列开关两侧的(频率)、(电压)相等。
3、当发电机欠励磁、失磁状态下或出现大容量高电压长距离输电系统带轻负荷时,机端电压(低于)系统电压,发电机将处于(进相)运行。
4、发电机并列过程中,当发电机电压与系统电压相位不一致时,将产生(冲击电流),该最大值发生在两个电压相差为(180)度时。
5、发电机如果在运行中功率因数过高(cosqo=1)会使发电机(静态稳定性降低)。
6、当电力系统无功功率失去供需平衡时就会出现(电压波动)现象,无功功率不足会使电压(降低),无功功率过剩会使电压(升高)。
7、当电力系统有功功失去平衡时会使(频率)变动,同时也会使(电压)变动。
有功功率不足时会使频率(降低),有功功率过剩时会使(频率)、电压(升高)。
8、发电机转子及励磁回路的绝缘电阻低于(0.5MΩ)时不得投运。
9、发电机运行中若自动励磁调节器不投入,发电机突然甩负荷后,会使端电压(升高)、使铁芯中的(磁通)密度增加,导致铁芯损耗(增加)、温度(升高)。
10、发电机广泛采用氢气冷却,因为氢气的重量仅为空气的(1/14),导热性能比空气高(6)倍。
11、发电机空载特性是指发电机在额定转速下,空载运行时,其(电势)与(励磁)电流之间的关系曲线。
12、发电机短路特性是指发电机在额定转速下,定子三相短路时,定子稳态(短路)电流与(励磁)电流之间的关系曲线。
13、发电机负载特性是指发电机的转速、定子电流为额定值,功率因数为常数时,(定子)电压与(励磁)电流之间的关系曲线。
14、发电机的调整特性是指在发电机定子电压转速和功率因数为常数的情况下,(定子)电流与(励磁)电流之间的关系曲线。
15、发电机的外特性是指在发电机的励磁电流、转速和功率因数为常数的情况下,(定子)电流和发电机(端电压)之间的关系曲线。
电气综合考试题精装版一、填空题1、值长是机组启动工作的统一指挥人,主值班是机组的主要操作负责人,各副值班员、巡操员要服从值长、主值班员的指挥。
2、电力生产过程执行的“两票”制度是指:工作票制度、操作票制度。
3、保证安全的组织措施包括:工作票制度、工作许可制度、工作监护制度、工作间断、转移和终结制度。
4、保证安全的技术措施包括:停电、验电、装设接地线、悬挂标识牌和装设遮拦。
5、在操作执行过程中如果出现异常或对操作发生疑问时,应立即停止操作。
严禁擅自更改操作票。
6、电气运行值班员充分利用眼看、鼻嗅、耳听和手摸来检查,分析电气设备运行是否正常。
7、单位时间内,电流所做的功称为电功率。
8、两只额定电压相同、功率不同的灯泡,串联在适当的电压上,则功率较大的灯泡发热量少。
9、电能参数是电压、频率、波形。
10、描述正弦交流电的三要素是振幅、角频率、初相角。
11、在串联直流电路中,负载两端电压的分配与各负载电阻成正比;在并联直流电路中,各支路电流的分配与各支路电阻成反比。
12、导体的电阻与导体的长度成正比;导体的电阻与导体的截面积成反比。
13、对称三相交流电路,中性点电压等于0 。
14、若同一平面上三根平行放置的导体,流过大小和方向都相同的电流时,则中间导体受到的力为0 。
15、两个平行放置的载流体,当通过的电流为同方向时,两导体将出现相吸。
16、交流电A、B、C三相涂刷的相色依次是黄绿红。
17、在中性点不接地的电力系统中,当发生一点接地后,其三相间线电压不变。
18、大雾大雨天气时,应检查各瓷套不应有异常放电声音和闪络现象。
19、发现有雷雨大风预兆,应及时检查室外开关机构箱、端子箱、控制箱的门关严,检查故障录波器、母线保护及自动装置投入正常。
20、防止直击雷的保护装置有避雷针和避雷线。
21、雷雨天气,需要巡视室外高压电气设备时,应穿绝缘靴,并不得靠近避雷针和避雷器。
22、遇有打雷天气之后,应检查并记录全厂避雷器计数器动作次数和泄漏电流。
填空1.按输出能源分,火电厂分为凝汽式电厂和。
答:热电厂变为的工厂,称为发电厂。
答:电能3.水电厂可分为、引水式水电厂和混合式水电厂。
答:堤坝式水电厂4.核电厂的系统由核岛和组成。
答:常规岛5.自然界中现成存在,可直接取得和利用而又改变其基本形态的能源称为。
答:一次能源6.由一次能源经加工转换的另一种形态的能源。
答:二次能源7.火力发电厂的能量转换过程为。
答:燃料的化学能→热能→机械能→电能8. 水力发电厂的能量转换过程为。
答:水的位能→动能→机械能→电能9.水电站所用的发电机为。
答:水轮发电机10.火力发电厂所用的发电机为。
答:汽轮发电机12.既可以是电力用户,又可以是发电厂的是电厂。
答:抽水蓄能电厂13. 是变换和分配电能的设备。
答:变压器14. 可将高电压变为低电压。
答:电压互感器15. 是限制短路电流的设备。
答:电抗器16.通常把生产、变换、输送、分配和使用电能是设备称为。
答:一次设备17.对一次设备和系统的运行状态进行测量、控制、件事和保护的设备称为。
答:二次设备18.由一次设备,如:发电机、变压器、断路器等按预期生产流程所连成的电路,称为。
答:一次电路或电气主接线19.在对称三相电路中仅画出其中一相设备的连接用来表示三相电路的电路图称为_________。
答:单线图20.发电厂或变电所中的___________按照设计要求连接而构成的电路称为电气主接线。
答:各种一次设备21. 根据电气主接线的要求,由开关电器、母线、保护和测量设备以及必要的辅助设备和建筑物组成的整体即为_________。
答:配电装置。
22.能接通正常工作电流,断开故障电流和工作电流的开关电器是_________。
答:断路器23.电气主接线中应用最多的开关电器是_________。
答:隔离开关24. _________起汇集和分配电能的作用。
答:母线25.在多角形接线中,检修一台断路器时,多角形接线变成___________,可靠性降低。
附件2《火电企业安全基础知识题库》(电气)1.低压的定义?答:交流电力系统中1000V及其以下的电压等级。
直流电力系统中1500V及其以下的电压等级。
2.何为运用中的电气设备?答:全部带有电压、一部分带有电压或一经操作即带有电压的电气设备。
3.在什么情况下可以停止作业或在采取可能的紧急措施后撤离作业现场?答:在发现直接危及人身安全的紧急情况时,现场负责人有权停止作业,并组织人员撤离作业现场。
4.雷雨天气巡视室外电气设备时应采取的措施和注意事项?答:雷雨天气,需要巡视室外高压设备时,应穿绝缘靴,并不得靠近避雷器和避雷针。
5.高压设备发生接地时,应注意哪些事项和采取哪些防范措施?答:高压设备发生接地时,室内不得接近故障点4m以内,室外不得接近故障点8m 以内。
进入上述范围人员应穿绝缘靴,接触设备的外壳和构架时,应戴绝缘手套。
6.用绝缘棒拉合隔离开关等高压电气设备时,应采取哪些防范措施?答:用绝缘棒拉合隔离开关、高压熔断器或经传动机构拉合断路器和隔离开关,均应戴绝缘手套。
雨天操作室外高压设备时,绝缘棒应有防雨罩,还应穿绝缘靴。
接地网电阻不符合要求的,晴天也应穿绝缘靴。
雷电时,一般不进行倒闸操作,禁止在就地进行倒闸操作。
7.装卸高压熔断器时,应采取哪些防范措施?答:装卸高压熔断器,应戴护目眼镜和绝缘手套,必要时使用绝缘夹钳,并站在绝缘垫或绝缘台上。
8.电气设备停电后(包括事故停电),什么情况下不得触及设备或进入遮栏,以防突然来电?答:在未拉开有关隔离开关和做好安全措施前,不得触及设备或进入遮栏。
9.高压设备上的工作分为哪几类?答:分为全部停电工作、部分停电工作和不停电工作三类10.部分停电工作的定义?答:部分停电的工作,系指高压设备部分停电,或室内虽全部停电,而通至邻接高压室的门并未全部闭锁。
11.全部停电工作的定义?答:全部停电的工作,系指室内高压设备全部停电(包括架空线路与电缆引入线在内),并且通至邻接高压室的门全部闭锁,以及室外高压设备全部停电(包括架空线路与电缆引入线在内)。
填空一、相关安全规定1、运用中的电气设备,系指_______________________________。
2、不论高压设备带电与否,值班人员不得单独__________遮栏进行工作。
3、经企业领导批准允许单独巡视高压设备的值班员和非值班员,巡视高压设备时,______________,______________。
4、高压设备发生接地时,室内不得接近故障点___以内,室外不得接近故障点___以内。
5、高压设备发生接地时,进入规定范围人员必须穿_______,接触设备的外壳和构架时,应戴________。
6、巡视配电装臵,进出高压室,必须随手将门____。
7、高压室的钥匙至少应有___把。
8、倒闸操作必须根据值班调度员或值班负责人命令,受令人____无误后执行。
9、发布命令应准确、清晰、使用正规操作术语和设备双重名称,即设备____________。
10、每张操作票只能填写_____个操作任务。
11、操作票应填写设备的双重名称,即___________。
12、开始操作前,应先在模拟图板上进行核对性______,无误后,再进行设备操作。
13、倒闸操作必须由____人执行,其中一人对设备较为熟悉者作监护。
14、操作中发生疑问时,应____________并向值班调度员或值班负责人报告,弄清问题后,再进行操作。
15、电气设备停电后,即使是事故停电,在未拉开有关隔离开关(刀闸)和做好安全措施以前,不得___________,以防突然来电。
16、在发生人身触电事故时,为了解救触电人,可以不经许可,即行断开有关设备的电源,但事后必须_________。
17、______________,系指室内高压设备全部停电(包括架空线路与电缆引入线在内),通至邻接高压室的门全部闭锁,以及室外高压设备全部停电(包括架空线路与电缆引入线在内)。
18、____________,系指高压设备部分停电,或室内虽全部停电,而通至邻接高压室的门并未全部闭锁。
填空43填空1.按输出能源分,火电厂分为凝汽式电厂和。
答:热电厂P132.将各种一次能源转变为的工厂,称为发电厂。
答:电能P123.水电厂可分为、引水式水电厂和混合式水电厂。
答:堤坝式水电厂P174.核电厂的系统由核岛和组成。
答:常规岛P255.自然界中现成存在,可直接取得和利用而又改变其基本形态的能源称为。
答:一次能源P106.由一次能源经加工转换的另一种形态的能源。
答:二次能源P107.火力发电厂的能量转换过程为。
答:燃料的化学能→热能→机械能→电能P138. 水力发电厂的能量转换过程为。
答:水的位能→动能→机械能→电能P189.水电站所用的发电机为。
答:水轮发电机P1810.火力发电厂所用的发电机为。
答:汽轮发电机P1311.我国建造的第一座核电厂是。
答:秦山核电厂P2212.既可以是电力用户,又可以是发电厂的是电厂。
答:抽水蓄能电厂P2113. 是变换和分配电能的设备。
答:变压器P2814. 可将高电压变为低电压。
答:电压互感器P2915. 是限制短路电流的设备。
答:电抗器P2816.通常把生产、变换、输送、分配和使用电能是设备称为。
答:一次设备P2817.对一次设备和系统的运行状态进行测量、控制、件事和保护的设备称为。
答:二次设备P2818.由一次设备,如:发电机、变压器、断路器等按预期生产流程所连成的电路,称为。
答:一次电路或电气主接线P2819.在对称三相电路中仅画出基中一相设备的连接用来表示三相电路的电路图称为_________。
答:单线图P2920.发电厂或变电所中的___________按照设计要求连接而构成的电路称为电气主接线。
答:各种一次设备P2921. 根据电气主接线的要求,由开关电器、母线、保护和测量设备以及必要的辅助设备和建筑物组成的整体即为_________。
答:配电装置。
P2922.能接通正常工作电流,断开故障电流和工作电流的开关电器是_________。
答:断路器P2823.电气主接线中应用最多的开关电器是_________。
一、填空题二、选择题三、判断题四、问答题电气基础知识部分一、填空题1、在交流电中,电流、电压随时间按(正弦规律) 变化的,称为正弦交流电。
正弦交流电的三要素是指( 最大值) 、(角频率)、( 初相位)。
2、工频电流的频率f= ( 50 )Hz,周期T= (0.02 ) s。
3、设u=311sin314t 伏,则此电压的最大值为(311)伏,有效值为(220)伏,频率为( 50)赫兹,初相位为( 0 ) 。
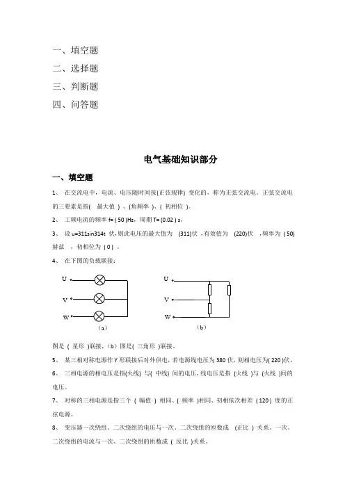
4、在下图的负载联接:图是( 星形)联接,(b)图是( 三角形)联接。
5、某三相对称电源作Y形联接后对外供电,若电源线电压为380伏,则相电压为( 220 )伏。
6、三相电源的相电压是指(火线) 与( 中线) 间的电压,线电压是指(火线)与(火线)间的电压。
7、对称的三相电源是指三个( 幅值) 相同、( 频率)相同、初相依次相差( 120 ) 度的正弦电源。
8、变压器一次绕组、二次绕组的电压与一次、二次绕组的匝数成(正比) 关系。
一次、二次绕组的电流与一次、二次绕组的匝数成( 反比)关系。
9、异步电动机是把交流电能转变为( 机械)能的动力机械。
它的结构主要有( 定子)和(转子) 两部分组成。
10、异步电动机的( 定子) 从电网取用电能,( 转子) 向负载输出机械能。
11、三相笼式异步电动机的定子是由( 绕组) 、(铁心)和( 机座) 等所组成。
转子是由(铁心)、(绕组) 和(转轴)等组成。
12、某三相异步电动机的额定转速为980转/分,则此电动机的磁极对数为(3 ),同步转速为(1000 )转/分。
13、某三相异步电动机的额定转速为1450转/分,电源频率为50赫兹,此电动机的同步转速为(1500 )转/分,磁极对数为(2 ),额定转差率为( 0.033 ) 。
14、笼式三相异步电动机的起动方法有(直接)起动和( Y-△)降压起动。
15、三相异步电动机的调速方法有(变极)调速、(变频)调速、(变转差率) 调速。
发电厂电气部分模拟考试试题与答案(全)一、填空题(每题2分,共40分)1. 火力发电厂的能量转换过程是化学能――热能――机械能――电能2. 电流互感器正常运行时二次侧不允许开路。
3. 导体热量的耗散有对流辐射导热、三种形式。
4. 按输出能源分,火电厂分为热电厂和凝汽式电厂。
5. 在进行矩形硬导体的动稳定校验时,当每相为单条矩形时,工程计算目的是已知材料允许应力确定绝缘子最大允许跨距;当每相为多条矩形时,工程计算目的是已知材料应力和绝缘子跨距确定最大允许衬垫跨距。
6. 根据运行状态,自启动可分为失压自启动空载自启动 .带负荷自启动三类。
7. 发电厂的厂用电备用方式,采用暗备用方式与明备用方式相比,厂用工作变压器的容量增大。
(填增大或减小)8.加装旁路母线的唯一目的是不停电检修出线断路器。
9.厂用供电电源包括工作电源启动和备用电源事故保安电源。
二、单项选择题(每题2分,共20分)1. 电源支路将电能送至母线,引出线从母线得到电能。
因此,母线起到汇集和分配电能的作用。
2. 目前世界上使用最多的是核电厂是__轻水堆___核电厂,即__压水堆__核电厂和__沸水堆__核电厂。
3. 通常把__生产___、_输送__、_分配__、__转化____和_使用电能__的设备,称为一次设备。
4. 隔离开关的作用是隔离电压、倒闸操作和分合小电流。
5. “F-C回路”是高压熔断器与高压接触器(真空或SF6接触器)的配合,被广泛用于200~600MW大型火电机组的厂用6kV高压系统。
6. 根据布置的型式,屋内配电装置通常可以分为单层式、、二层式和三层式三种型式。
7. 当额定电压为110kV及以上时,电压互感器一次绕组与隔离开关之间不安装高压熔断器。
这时,如果电压互感器高压侧发生短路故障,则由母线的继电保护装置动作切断高压系统的电源。
8. 有汇流母线的接线形式可概括地分为__单母线__和_双母线__两大类;无汇流母线的接线形式主要有__单元接线__、_桥型接线_和_角型接线_。
一、填空题1.我公司 330MW发电机冷却采用方式,即定子线圈采用,转子线圈采用,定子铁芯及端部结构件采用。
答案:双水内冷;水内冷;水内冷;空气冷却。
2. 我公司330MW发电机励磁方式为。
答案:机端自并励静态励磁系统。
3. 高压断路器的额定开断电流是指在规定条件下开断的有效值。
答案:最大短路电流4. SF6断路器和组合电器里的SF6气体中的,将对设备起腐蚀和破坏的作用。
答案:水分5.发电机在交接验收或所有更换定子绕组后,直流耐压实验电压为额定电压的答案:3倍6、现场工作结束后,工作负责人必须检查,整定值是否与定值单一致,实验结论及实验数据是否确。
答案:实验记录有无漏项7、继电保护“三误”是指,,。
答案:误整定误接线误触误碰8、我公司发电机中性点采用方式,即经副边带高电阻的配电变压器接地,使中性点线路的阻抗值增大,起到限制的作用。
答案:经高电阻接地;接地电流。
9、过电流保护的三相三继电器的完全星形连接方式,能反映答案:各种相间和单相接地短路10、变压器的激磁涌流一般为额定电流的倍。
变压器忽然短路的最大电流通常为额定电流的倍。
答案:5~8 ;25~30 。
11. 发电机静态励磁装置分六个组成部分:(-T01),调节柜(+ER),柜(+EG1-3),柜(+ES),直流出线柜(+EE),交流出线柜(+EA)。
答案:励磁变压器;可控硅整流;磁场开关。
12. 静态励磁装置AVR设立路互相独立的工作电源,其中一路取自电厂直流系统,另一路取自机端。
答案:二;励磁变低压侧。
13、发生事故,保护现场,立即上报,按原则,认真调查、分析,采用防范措施。
答案:四不放过14、任何电气设备上的标示牌或,其他任何人员不准移动。
答案:除本来放置人员负责的运营值班人员外15、由高压熔断器(FUSE)和真空接触器(CONTACTOR)组合的供电方式称为F -C供电装置。
一般用来控制 KW以下小容量高压电动机及 KVA以下变压器。
答案:1200;1600。
火力发电厂电气专业考试题库目录第一章:发电机部分 (3)一、填空题 (3)二、选择题 (12)三、判断题 (18)四、问答题 (25)第二章:电动机部分 (107)一、填空题 (107)二、选择题 (110)三、判断题 (113)四、问答题 (116)第三章:变压器部分 (148)一、填空题 (148)二、选择题 (155)三、判断题 (163)四、问答题 (169)第四章:直流、UPS系统部分 (211)一、填空题 (211)二、选择题 (213)三、判断题 (215)四、问答题 (216)第五章:配电装置部分 (227)一、填空题 (227)二、选择题 (228)三、判断题 (235)四、问答题 (242)第六章:电气基础知识部分 (269)一、填空题 (269)二、选择题 (270)三、判断题 (274)四、问答题 (275)第七章:继电保护部分 (287)一、填空题 (287)二、选择题 (291)三、判断题 (297)四、问答题 (304)第八章:倒闸操作部分 (333)一、填空题 (333)二、选择题 (333)三、判断题 (336)四、问答题 (337)第九章:安全管理部分 (352)一、填空题 (352)二、选择题 (353)三、判断题 (354)四、问答题 (356)第一章:发电机部分一、填空题1、所谓发电机进相运行是指(发电机发出有功而吸收无功的稳定运行状态)。
2、电力系统同期并列的条件是:并列开关两侧的(相序)、(相位)相同;并列开关两侧的(频率)、(电压)相等。
3、当发电机欠励磁、失磁状态下或出现大容量高电压长距离输电系统带轻负荷时,机端电压(低于)系统电压,发电机将处于(进相)运行。
4、发电机并列过程中,当发电机电压与系统电压相位不一致时,将产生(冲击电流),该最大值发生在两个电压相差为(180)度时。
5、发电机如果在运行中功率因数过高(cosqo=1)会使发电机(静态稳定性降低)。
发电厂电气部分模拟考试试题与答案(全)一、填空题(每题2分,共40分)1. 火力发电厂的能量转换过程是化学能――热能――机械能――电能2. 电流互感器正常运行时二次侧不允许开路。
3. 导体热量的耗散有对流辐射导热、三种形式。
4. 按输出能源分,火电厂分为热电厂和凝汽式电厂。
5. 在进行矩形硬导体的动稳定校验时,当每相为单条矩形时,工程计算目的是已知材料允许应力确定绝缘子最大允许跨距;当每相为多条矩形时,工程计算目的是已知材料应力和绝缘子跨距确定最大允许衬垫跨距。
6. 根据运行状态,自启动可分为失压自启动空载自启动 .带负荷自启动三类。
7. 发电厂的厂用电备用方式,采用暗备用方式与明备用方式相比,厂用工作变压器的容量增大。
(填增大或减小)8.加装旁路母线的唯一目的是不停电检修出线断路器。
9.厂用供电电源包括工作电源启动和备用电源事故保安电源。
二、单项选择题(每题2分,共20分)1. 电源支路将电能送至母线,引出线从母线得到电能。
因此,母线起到汇集和分配电能的作用。
2. 目前世界上使用最多的是核电厂是__轻水堆___核电厂,即__压水堆__核电厂和__沸水堆__核电厂。
3. 通常把__生产___、_输送__、_分配__、__转化____和_使用电能__的设备,称为一次设备。
4. 隔离开关的作用是隔离电压、倒闸操作和分合小电流。
5. “F-C回路”是高压熔断器与高压接触器(真空或SF6接触器)的配合,被广泛用于200~600MW大型火电机组的厂用6kV高压系统。
6. 根据布置的型式,屋内配电装置通常可以分为单层式、、二层式和三层式三种型式。
7. 当额定电压为110kV及以上时,电压互感器一次绕组与隔离开关之间不安装高压熔断器。
这时,如果电压互感器高压侧发生短路故障,则由母线的继电保护装置动作切断高压系统的电源。
8. 有汇流母线的接线形式可概括地分为__单母线__和_双母线__两大类;无汇流母线的接线形式主要有__单元接线__、_桥型接线_和_角型接线_。
电气部分—、填空1. 10KV系统电压允许变化范围为___________。
2. 系统周波应保持在50Hz,其瞬间应允许变动范围_____________。
3. 正常 ________ 、 ________ 厂变运行,______厂变备用,开关小车在________位置,备自投装置投入。
4. 装有开关的回路中的拉、合闸操作必须用________断开或接通负荷电流,禁止用________拉、合负荷电流。
5. 停电拉闸操作必须按照________、________刀闸、________刀闸顺序依次操作,送电合闸的顺序与此相反6 .在10KV开关小车推入工作位置前,各开关必须在________,其控制电源已________。
7.母线电压互感器的投、切,必须在母线________的情况下进行。
如果高压电机正在运行,停母线电压互感器必须解除高压电机保护装置______保护。
8. 10KV及以下交直流电压母线,检修后恢复送电前,应测定________,以便检查有无________和________。
充电时,尽量用________电源进行充电。
9. #1发电机的并列操作正常情况下在________上操作,使用________装置。
10. 新投入或检修后的设备投入运行前,对单电源供电的负荷在受电前检查________是否正确,对两个电源之间的并列,并列前必须试验________、保证相序正确。
11.环路系统的并、解列操作应用________进行,禁止使用________操作。
12.10KV、380V母线事故处理或检修时必须断开所有可能的电源及切除母线________,380V母线还应停用相应________装置。
13.如接地的同时有设备跳闸,________跳闸设备再次投入,并查明原因。
14.系统发生接地时,现场检查必须穿________、戴________。
15. 10KV、380V厂用系统发生故障,如备用变压器备投后又跳闸,不得再次________,如备自投装置________或因故________则可强送备用电源一次。
火力发电厂电气专业考试题库第一章:发电机部分一、选择题1、发电机绕组的最高温度与发电机入口风温差值称为发电机的( C )。
A、温差;B、温降;C、温升;D、温度。
2、同样转速的发电机,磁级对数多的,电源频率( B )。
A、低;B、高;C、不变;D、不一定。
3、一台发电机,发出有功功率为80MW、无功功率为60Mvar,它发出的视在功率为( C )MVA。
A、120;B、117.5;C、100;D、90。
4、发电机带纯电阻性负荷运行时,电压与电流的相位差等于( C )。
A、180º;B、90 º;C、0 º;D、270 º。
5、如果发电机的功率因数为迟相,则发电机送出的是( A )无功功率。
A、感性的;B、容性的;C、感性和容性的;D、电阻性的。
6、发电机绕组中流过电流之后,就在绕组的导体内产生损耗而发热,这种损耗称为( B )。
A、铁损耗;B、铜损耗;C、涡流损耗;D、杂散损耗。
7、发电机在运行时,当定子磁场和转子磁场以相同的方向、相同的( A )旋转时,称为同步。
A、速度;B、频率;C、幅值;D、有效值。
8、大容量的发电机采用离相封闭母线,其目的主要是防止发生( B )。
A、受潮;B、相间短路;C、人身触电;D、污染。
9、目前大型汽轮发电机组大多采用内冷方式,冷却介质为( B )。
A、水;B、氢气和水;C、氢气;D、水和空气。
10、发电机采用的水一氢一氢冷却方式是指( A )。
A、定子绕组水内冷、转子绕组氢内冷、铁芯氢冷;B、转子绕组水内冷、定子绕组氢内冷、铁芯氢冷;C、铁芯水内冷、定子绕组氢内冷、转子绕组氢冷;D、定子、转子绕组水冷、铁芯氢冷。
11、发电机定子线圈的测温元件,通常都埋设在( C )。
A、上层线棒槽口处;B、下层线棒与铁芯之间;C、上、下层线棒之间;D、下层线棒槽口处。
12、功角是( C )A、定子电流与端电压的夹角;B、定子电流与内电势的夹角;C、定子端电压与内电势的夹角;D、功率因数角。
一、填空题二、选择题三、判断题四、问答题电气基础知识部分一、填空题1、在交流电中,电流、电压随时间按(正弦规律) 变化的,称为正弦交流电。
正弦交流电的三要素是指( 最大值) 、(角频率)、( 初相位)。
2、工频电流的频率f= ( 50 )Hz,周期T= (0.02 ) s。
3、设u=311sin314t 伏,则此电压的最大值为(311)伏,有效值为(220)伏,频率为( 50)赫兹,初相位为( 0 ) 。
4、在下图的负载联接:图是( 星形)联接,(b)图是( 三角形)联接。
5、某三相对称电源作Y形联接后对外供电,若电源线电压为380伏,则相电压为( 220 )伏。
6、三相电源的相电压是指(火线) 与( 中线) 间的电压,线电压是指(火线)与(火线)间的电压。
7、对称的三相电源是指三个( 幅值) 相同、( 频率)相同、初相依次相差( 120 ) 度的正弦电源。
8、变压器一次绕组、二次绕组的电压与一次、二次绕组的匝数成(正比) 关系。
一次、二次绕组的电流与一次、二次绕组的匝数成( 反比)关系。
9、异步电动机是把交流电能转变为( 机械)能的动力机械。
它的结构主要有( 定子)和(转子) 两部分组成。
10、异步电动机的( 定子) 从电网取用电能,( 转子) 向负载输出机械能。
11、三相笼式异步电动机的定子是由( 绕组) 、(铁心)和( 机座) 等所组成。
转子是由(铁心)、(绕组) 和(转轴)等组成。
12、某三相异步电动机的额定转速为980转/分,则此电动机的磁极对数为(3 ),同步转速为(1000 )转/分。
13、某三相异步电动机的额定转速为1450转/分,电源频率为50赫兹,此电动机的同步转速为(1500 )转/分,磁极对数为(2 ),额定转差率为( 0.033 ) 。
14、笼式三相异步电动机的起动方法有(直接)起动和( Y-△)降压起动。
15、三相异步电动机的调速方法有(变极)调速、(变频)调速、(变转差率) 调速。
16、三相异步电动机常用的制动方法有( 能耗)制动、( 反接) 制动、( 回馈) 制动。
17、在控制电路中用( 熔断器)电器作为短路保护;用( 热继电器) 电器作为电动机的过载保护;用( 交流接触器)电器或元件作为欠压和失压保护。
18、6kV母线正常工作电压为:6.3kV,允许范围为(―5%~+10%)Ue,即(6.6kV~5.7kV)。
二、选择题1、在三相交流电路中所谓三相负载对称是指( C )。
A、各相阻抗值相等;B、各相阻抗值不等;C、电阻相等,电抗相等,电抗性质相同;D、阻抗角相等。
2、交流电正弦量的三要素指的是( C )。
A、电压、电流、电阻;B、电压、频率、相序;C、幅值、频率、初相位;D、幅值、频率、相序。
3、一般电气设备铭牌上的电压和电流的数值是( C )。
A、瞬时值;B、最大值;C、有效值;D、平均值。
4、交流电路中常用P、Q、S表示有功功率、无功功率、视在功率,而功率因数是指( B )。
A、Q/P;B、P/S ;C、Q/S ;D、P/Q。
5、有一个三相电动机,当绕组成星形接于Ul=380伏的三相电源上,或绕组联成三角形接于Ul=220伏的三相电源上,这两种情况下,从电源输入功率为( A )。
A、相等;B、差3倍;C、差1/3倍;D、差3倍。
6、交流电流i通过某电阻,在一定时间内产生的热量,与某直流电流I在相同时间内通过该电阻所产生的热量相等,那么就把此直流I值称为交流电流i的( A )。
A、有效值;B、最大值;C、平均值;D、瞬时值。
7、对称三相交流电路总功率等于单相功率的( B )。
A、3倍;B、3倍;C、1/3倍;D、1/3倍。
8、三只相同阻值的阻抗元件,先以星形接入三相对称交流电源,所消耗的功率与再以三角形接入同一电源所消耗的功率之比等于( C )。
A、1∶1;B、1∶2;C、1∶3;D、1∶4。
9、对称三相交流电路中,中性点对地电压等于( D )。
A、1/3;B、1;C、2;D、0。
10、在电阻、电感、电容组成的电路中,不消耗电能的元件是( A )。
A、电感与电容;B、电阻与电感;C、电容与电阻;D、电阻。
11、在电阻串联电路中,每个电阻上的电压大小( A )。
A、与电阻大小成正比;B、相同;C、与电阻大小成反比;D、无法确定。
12、三个相同的电阻串联总电阻是并联时总电阻的( B )倍。
A、6倍;B、9倍;C、3倍;D、1/9倍。
13、两个电阻器件的额定功率不同,但额定电压相同,当它们并联在同一电压上时,则功率大的电阻器( C )。
A、发热量相等;B、发热量不等;C、发热量较大;D、发热量较小。
14、绝缘体的电阻随着温度的升高而( B )。
A、增大;B、减小;C、增大或减小;D、不变。
15、铝材料与铜材料相比较,两者导电性能相比( B )。
A、铝比铜好;B、铜比铝好;C、二者一样好;D、不一定。
16、通过一电阻线路的电流为5A,4min通过该电阻线路横截面的电量是( C )。
A、20C;B、60C;C、1200C;D、2000C。
17、1MW的负荷使用10h,等于( D )kWh。
A、10;B、100;C、1000;D、10000。
18、电阻R1>R2>R3将它们并联使用时,各自相应的消耗功率是( B )。
A、P1>P2>P3;B、P1<P2<P3;C、P1=P2=P3;D、无法比较。
19、 正弦交流电的最大值等于有效值的( B )倍。
A 、22; B 、2; C 、3; D 、23。
20、 在纯电感交流电路中电压超前( D )90°。
A 、电阻;B 、电感;C 、电压;D 、电流。
21、 负载取星形连接,还是三角形连接,是根据( D )。
A 、电源的接法而定;B 、电源的额定电压而定;C 、负载所需电流大小而定;D 、电源电压大小,负载额定电压大小而定。
22、 通有电流的导体在磁场中受到力的作用,力的方向是用( C )确定的。
A 、右手螺旋法则;B 、右手定则;C 、左手定则;D 、左、右手都用。
23、 当线圈与磁场发生相对运动时,在导线中产生感应电动势,电动势的方向可用( C )来确定。
A 、右手定则;B 、左手定则;C 、右手螺旋法则;D 、左、右手同时用。
24、 电容器的电容量与加在电容器上的电压( C )。
A 、成正比;B 、成反比;C 、无关;D 、无规则变化。
25、 并联电容器的总容量( C )。
A 、小于串联电容器的总容量;B 、小于并联电容器中最小的一只电容器的容量;C 、等于并联电容器电容量的和;D 、等于并联电容器各电容量倒数之和的倒数。
26、 电容器在充电和放电过程中,充电电流与( C )成正比。
A 、电容器两端电压;B 、电容器两端电压的变量;C 、电容器两端电压的变化率;D 、电容器两端电压大小。
27、 有一个内阻为0.15Ω的电流表,最大量程是1A ,现将它并联一个0.05Ω的小电阻,则这个电流表量程可扩大为( B )。
A 、3A ;B 、4A ;C 、6A ;D 、2A 。
28、 将电压表扩大量程应该( A )。
A 、串联电阻;B 、并联电阻;C 、混联电阻;D 、串联电感。
29、 对称三相电源三角形连接时,线电压是( A )。
A 、相电压;B 、2倍的相电压;C 、3倍的相电压;D 、3倍的相电压。
30、 对称三相电源三角形连接,线电流是( D )。
A 、相电流;B 、3倍的相电流;C 、2倍的相电流;D 、3倍的相电流。
31、对称三相电源星形连接,线电流等于( A )。
A、相电流;B、3倍相电流;C、额定容量除以额定电压;D、2倍相电流。
32、对称三相电源星形连接,线电压等于( B )。
A、相电压;B、3倍相电压;C、额定容量除以额定电流;D、2倍相电压。
33、交流电流表或电压表指示的数值是交流电的( D )。
A、平均值;B、最大值;C、最小值;D、有效值。
34、在正常运行方式下,电工绝缘材料是按其允许最高工作( C )分级的。
A、电压;B、电流;C、温度;D、机械强度。
35、不同的绝缘材料,其耐热能力不同。
如果长时间在高于绝缘材料的耐热能力下运行,绝缘材料容易( B )。
A、开裂;B、老化;C、破碎;D、变脆。
36、三相交流电A、B、C三相涂相色的规定依次是( A )。
A、黄绿红;B、黄红绿;C、红黄绿;D、绿红黄。
37、若同一平面上三根平行放置的等距导体,流过大小和方向都相同的电流时,则中间导体受到的力为( C )。
A、吸力;B、斥力;C、零;D、不变的力。
38、通过某一垂直面积的磁力线的总数叫( B )。
A、磁场;B、磁通;C、磁密;D、联链。
39、一个线圈的电感与( D )无关。
A、匝数;B、尺寸;C、有无铁芯;D、外加电压。
40、线圈中感应电动势的大小与( C )。
A、线圈中磁通的大小成正比;B、线圈中磁通的变化量成正比;C、线圈中磁通变化率成正比,还与线圈的匝数成正比;D、线圈中磁通的大小成反比。
41、在直流电路中,我们把电流流入电源的一端叫做电源的( B )。
A、正极;B、负极;C、端电压;D、电势。
42、铁芯磁通接近饱和时,外加电压的升高引起的损耗会( B )。
A、成正比增加;B、明显急剧增加;C、成正比减少;D、成反比减少。
43、涡流损耗的大小与频率的( B )成正比。
A、大小;B、平方值;C、立方值;D、方根值。
44、涡流损耗的大小,与铁芯材料的性质( A )。
A、有关;B、无关;C、关系不大;D、反比。
45、磁滞损耗的大小与频率( B )关系。
A、成反比;B、成正比;C、无关;D、不确定。
46、可控硅整流装置是靠改变( C )来改变输出电压的。
A、交流电源电压;B、输出直流电流;C、可控硅触发控制角;D、负载大小。
47、电气设备控制回路中,利用( A )监视跳闸回路是否正常。
A、红灯;B、绿灯;C、黄灯;D、指针。
三、判断题1、电路中参考点改变,任意点的电位也随之改变。
(√)2、电压源和电流源等效变换,是对内电路等效,对外电路不等效。
(×)3、电阻的并联电路中,电阻越大,分流也越大。
(×)4、电阻的串联电路中,电阻越大,分压也越大。
(√)5、若电压的实际方向与参考方向相反,则电压值为负。
(√)6、欧姆定律不但适用于线性电路,也适用于非线性电路。
(×)7、线性电阻电路中,电压、电流和功率都可以叠加。
(×)8、正弦交流电的最大值和有效值随时间作周期性变化。
(×)9、用交流电压表和交流电流表所测出的值是有效值。
(√)10、电气设备铭牌上所标出的电压、电流数值均指最大值。
(×)11、无功功率是无用的。
(×)12、功率因数就是指交流电路中总电压与总电流之间的相位差。
(√)13、三相电路中,中线的作用是使每相负载的相电压对称。