艾默生门机自学习简易调试步骤
- 格式:doc
- 大小:11.00 KB
- 文档页数:1
量控制型门机专用变频器,适用于电梯门、各种自动门和其它需要往复运行控制的场合。
变频器型号说明:变频器的铭牌:TD3200系列变频器的主要型号:变频器型号额定输入电流(A)额定容量(kVA)额定输入电流(A)适配电机(kW)恒转矩负载TD3200-2S0002DTD3200-2S0004D选配件:制动电阻TD3200系列变频器内含制动单元,如果有能耗制动的需求,请按下表选配制动电阻。
电压电机额定功率制动电阻规格制动单元使用率制动转矩最长连续使用时间220V 200Ω/80W20%100%30s 200Ω/80W20%100%30s操作面板:操作面板型号为TDP-LED02,其实物见图一。
图一操作面板操作面板安装座、操作面板电缆操作面板安装座操作面板电缆是配套选用件。
操作面板安装座型号为TDF-KB01。
操作面板电缆有三种,型号为: TDC-CB0006A ;TDC-CB0015A ;TDC-CB0030A 。
变频器安装尺寸:变频器型号适配电机(kW)安装尺寸外形尺寸安装孔径(mm)概重(kg) A(mm)B(mm)H(mm)W(mm)D(mm)TD3200-2S0002D911371451011304TD3200-2S0004D二、变频器的调试与操作操作方法操作面板操作面板示意图:操作面板的键盘,主要由LED数码管,LCD(液晶显示屏),按键三部分组成,其外形及功能区如图二所示:图二操作面板示意图变频器操作面板使用说明:按键功能说明:表1-1 操作面板功能表按键名称功能PRG编程键停机/运行/编程状态切换FUNC/D ATA功能/数据键选择数据监视模式和数据写入模式增键功能码、功能组或设定参数递增减键功能码、功能组或设定参数递减移位键在运行状态或停机状态时,可循环切换LED显示参数;设定数据时,可以选择设定数据的修改位,相应选定的位处于闪烁状态。
RUN运行键在面板控制方式下,用于启动运行;在参数调谐时用于启动调谐过程。
MJ16型门机控制系统调试说明书文档时间:2012-12一安全信息 (3)1.1 人员安全 (3)1.2 电击危险 (3)1.3 电气安装 (3)1.4 其他应注意事项 (3)二MJ16型门机控制系统接线 (4)三控制器操作说明 (6)3.1 控制器操作面板说明 (6)3.2 参数设置说明 (7)3.3 参数设置方法 (7)3.4 参数更改注意事项 (8)四门电机调谐与门宽自学习 (9)4.1 同步门电机调谐 (9)4.2 门电机调谐问题处理 (10)4.3 门宽自学习 (11)4.4 门宽自学习问题处理 (11)五开关门运行调试 (12)5.1 距离控制开门运行曲线 (12)5.2 距离控制关门运行曲线 (13)5.3出厂时预先设置参数表 (13)5.4 调试参考 (16)5.5 多功能端子参数F5组 (18)5.6 监视和记录参数F9组 (19)六变频器故障对策 (20)一安全信息使用本门机系统时,需要遵守必要的安全规定。
1.1 人员安全执行系统设计、安装、试运行和维护人员必须接受过必要的培训,具备相应的经验,并在操作前仔细阅读使用手册。
1.2 电击危险以下位置的电压可能会导致严重的电击,甚至有致命危险:1. 交流输入电源电缆和连线;2. 直流母线和连线;3. 交流输出电缆和连线;4. 控制器的多数内部零件和外部选购装置。
控制端子为ELV(Extra Low V oltage)电压等级,禁止带电触摸。
1.3 电气安装1. 在对门机系统调整之前,请确保电源已断开;2. 控制器交流输入电源切断至少十分钟后才能进行接线操作;3. 在重新上电之前,请检查电气接线是否正确;4. 必须将控制器的接地端子可靠接地,否则有触电的危险。
1.4 其他应注意事项1. 调试过程中人体不要进入门运行区域,否则有安全隐患!2. 如果需要调整控制盒内接线,请先拔掉供电接插件!3. 每次完成接线后,请核对接线!二MJ16型门机控制系统接线MJ16型门机控制系统使用门机专用控制器驱动永磁同步门机,控制方式为距离控制,控制器根据编码器脉冲计数来进行速度的切换和开关门到位的判断。
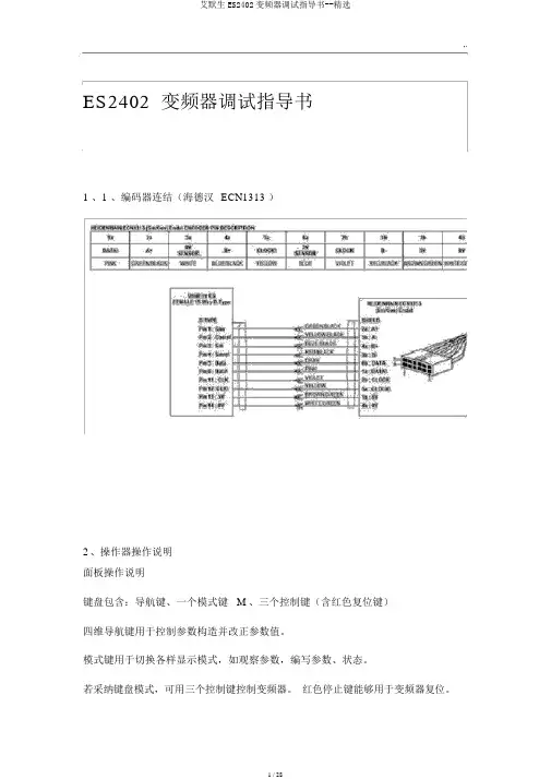
ES2402变频器调试指导书1、1、编码器连接(海德汉ECN1313)2、操作器操作说明面板操作说明键盘包括:导航键、一个模式键M、三个控制键(含红色复位键)四维导航键用于控制参数结构并更改参数值。
模式键用于切换各种显示模式,如察看参数,编辑参数、状态。
若选用键盘模式,可用三个控制键控制变频器。
红色停止键可以用于变频器复位。
如果你第一次使用变频器时(单独变频器时,当变频器已安装柜内且到现场后,请不要随便按此操作),变频器恢复出厂值方法:方法是0.00=1233(欧洲标准),然后按红色复位键改变控制模式方法:将0.00=1253(欧洲标准),按红色复位键,然后0.48从OPEN LP更改到SERVO。
按复位键(红色)显示所有菜单方法:0.49=L2,按M键,将0.00=1000,按红色复位键保存软件版本查询:20.01改变模式并恢复出厂值(菜单15到20除外):0.00=1255,按红色复位键3、自学习步骤一、自学习前准备工作:1、使主机脱离负载。
2、通过短接线路的方法,使变频器输出接触器和抱闸打开,同步主机保证封星短接线已经断开,(如3、果满足检修条件,可以不用短接线路,直接按检修上行或下行信号控制器会输出变频器输出接触器,方向及使能信号、抱闸信号)4、设定参数0.48=SERO(闭环伺服)控制模式。
5、确定在变频器的扩展模块槽2上插入编码器分频卡(UniversalEncoder Plus),变频器的扩展模块槽见说明书。
设定参数16.17=06、在连接编码器前最好检查一下参数3.36(变频器提供给编码器的电源电压),出厂缺省值3.36=5V。
预防该参数修改后损坏编码器。
7、连接编码器,把编码器的接口连到变频器的15针编码器的输入口上(而不是PG卡的15针插口),并固定。
8、把参数调到3.02菜单(速度反馈),人为的正、反转动主机同时监控一下菜单界面,是否有正、反速度反馈,若没有的情况下请检修编码器的接线是否正确。
E S2402变频器调试指导书1、1、编码器连接(海德汉ECN1313)2、操作器操作说明面板操作说明键盘包括:导航键、一个模式键M、三个控制键(含红色复位键)四维导航键用于控制参数结构并更改参数值。
模式键用于切换各种显示模式,如察看参数,编辑参数、状态。
若选用键盘模式,可用三个控制键控制变频器。
红色停止键可以用于变频器复位。
如果你第一次使用变频器时(单独变频器时,当变频器已安装柜内且到现场后,请不要随便按此操作),变频器恢复出厂值方法:方法是=1233(欧洲标准),然后按红色复位键改变控制模式方法:将=1253(欧洲标准),按红色复位键,然后?从OPENLP更改到SERVO。
按复位键(红色)显示所有菜单方法:=L2,按M键,将=1000,按红色复位键保存软件版本查询:改变模式并恢复出厂值(菜单15到20除外):=1255,按红色复位键3、自学习步骤一、自学习前准备工作:1、使主机脱离负载。
2、通过短接线路的方法,使变频器输出接触器和抱闸打开,同步主机保证封星短接线已经断开,(如3、果满足检修条件,可以不用短接线路,直接按检修上行或下行信号控制器会输出变频器输出接触?器,方向及使能信号、抱闸信号)4、设定参数=SERO(闭环伺服)控制模式。
5、确定在变频器的扩展模块槽2上插入编码器分频卡(UniversalEncoder??Plus),变频器的扩展模块槽见说明书。
设定参数=06、在连接编码器前最好检查一下参数(变频器提供给编码器的电源电压),出厂缺省值=5V。
预防该参数修改后损坏编码器。
7、连接编码器,把编码器的接口连到变频器的15针编码器的输入口上(而不是PG卡的15针插口),并固定。
8、把参数调到菜单(速度反馈),人为的正、反转动主机同时监控一下菜单界面,是否有正、反速度反馈,若没有的情况下请检修编码器的接线是否正确。
1、在确认完第一步并没有故障前提下,开始准备进行自学习。
2、确认以下问题a、未给出变频器使能信号(端子31);b、再次确认编码器参数:⑴编码器类型根据实际情况设定;⑵编码器电压根据实际情况设定;⑶编码器每转脉冲数根据实际情况设定;c、再次确认电机铭牌额定值:⑴电机额定电流根据实际情况设定;⑵电机额定电压根据实际情况设定;⑶电机极数根据实际情况设定。
艾默生E变频器调试指导书HEN system office room 【HEN16H-HENS2AHENS8Q8-HENH1688】E S2402变频器调试指导书1、1、编码器连接(海德汉ECN1313)2、操作器操作说明面板操作说明键盘包括:导航键、一个模式键M、三个控制键(含红色复位键)四维导航键用于控制参数结构并更改参数值。
模式键用于切换各种显示模式,如察看参数,编辑参数、状态。
若选用键盘模式,可用三个控制键控制变频器。
红色停止键可以用于变频器复位。
如果你第一次使用变频器时(单独变频器时,当变频器已安装柜内且到现场后,请不要随便按此操作),变频器恢复出厂值方法:方法是=1233(欧洲标准),然后按红色复位键改变控制模式方法:将=1253(欧洲标准),按红色复位键,然后?从OPEN LP更改到SERVO。
按复位键(红色)显示所有菜单方法:=L2,按M键,将=1000,按红色复位键保存软件版本查询:改变模式并恢复出厂值(菜单15到20除外):=1255,按红色复位键3、自学习步骤一、自学习前准备工作:1、使主机脱离负载。
2、通过短接线路的方法,使变频器输出接触器和抱闸打开,同步主机保证封星短接线已经断开,(如3、果满足检修条件,可以不用短接线路,直接按检修上行或下行信号控制器会输出变频器输出接触?器,方向及使能信号、抱闸信号)4、设定参数=SERO(闭环伺服)控制模式。
5、确定在变频器的扩展模块槽2上插入编码器分频卡(UniversalEncoder??Plus),变频器的扩展模块槽见说明书。
设定参数=06、在连接编码器前最好检查一下参数(变频器提供给编码器的电源电压),出厂缺省值=5V。
预防该参数修改后损坏编码器。
7、连接编码器,把编码器的接口连到变频器的15针编码器的输入口上(而不是PG卡的15针插口),并固定。
8、把参数调到菜单(速度反馈),人为的正、反转动主机同时监控一下菜单界面,是否有正、反速度反馈,若没有的情况下请检修编码器的接线是否正确。
艾默生变频器参数调试艾默生变频器是一种能够调控电机运行频率和电压的设备,广泛应用于工业控制系统中。
参数调试是使用变频器的重要环节,通过调试参数可以实现对电机的精确控制,提高设备的效率和稳定性。
本文将介绍艾默生变频器参数调试的关键步骤和注意事项。
一、参数调试前的准备工作1.检查变频器和电机的连接,确保电气连接正确无误。
2.查阅变频器的使用说明书,了解变频器的基本参数和功能设置。
二、变频器参数调试的基本步骤1.设置变频器的基本参数:将检查变频器的型号、电源电压、电机功率等基本参数,并根据需求进行设置。
2.调整速度控制参数:在参数设置菜单中,设置速度控制模式,并进行相应的参数调整。
通常有PID参数、速度限制等设置选项,根据实际情况进行调整。
3.调整转矩控制参数:如果需要进行转矩控制,可以根据具体需求进行调整。
转矩控制参数通常包括转矩增益、转矩限制等。
4.调整电机保护参数:为了保护电机和变频器,需要设置相应的保护参数,如过载保护、过温保护等。
根据电机的额定参数和实际工况进行设置。
5.运行测试和优化:完成参数设置后,进行运行测试,观察电机的运行情况和性能表现,并根据观察结果进行参数优化。
三、参数调试的注意事项1.在参数调试过程中,一般建议逐步调整参数,并进行测试验证。
不宜一次性调整所有参数。
2.在参数调试过程中,注意观察电机的运行情况,如振动、噪声等异常现象。
及时排查原因并进行参数调整。
3.根据电机的额定参数和实际工况进行参数设置,避免过载运行和过度检测。
4.注意变频器和电机的温度,确保在正常范围内运行。
过高的温度可能导致设备损坏。
5.参数调试结束后,及时保存参数设置。
在后续运行中,可以根据需要进行微调和修改。
总结:艾默生变频器参数调试是使用变频器的重要环节,通过参数调试可以实现电机的精确控制,并提高设备的效率和稳定性。
参数设置应根据电机的额定参数和实际工况进行调整,并根据观察结果进行优化。
在调试过程中要注意观察电机的运行情况和温度,并及时进行排查和调整。
(完整)艾默生TD3200门机编辑整理:尊敬的读者朋友们:这里是精品文档编辑中心,本文档内容是由我和我的同事精心编辑整理后发布的,发布之前我们对文中内容进行仔细校对,但是难免会有疏漏的地方,但是任然希望((完整)艾默生TD3200门机)的内容能够给您的工作和学习带来便利。
同时也真诚的希望收到您的建议和反馈,这将是我们进步的源泉,前进的动力。
本文可编辑可修改,如果觉得对您有帮助请收藏以便随时查阅,最后祝您生活愉快业绩进步,以下为(完整)艾默生TD3200门机的全部内容。
对于如提升负载之类的场合,常常会有负转矩发生,变频器会产生过流或过压故障而跳闸,此时应该考虑选配制动电阻。
5.改善功率因素的电容或压敏器件由于变频器输出电压是脉冲波形,如果输出侧安装有改善功率因素的电容或防雷压敏电阻等,会造成变频器故障跳闸或器件的损坏,务必请拆除,另外在输出侧建议不要加空开和接触器等开关器件。
6.基频设置时的降额使用基频设置低于额定频率时,请注意电机的降额使用,以免电机过热烧坏。
第二章变频器的面板及操作变频器的面板分两种;可调型操作面板和不可调型状态显示面板,下面分别介绍:2.1可调型操作面板(选配):如图2—1图2—1(可调型操作面板示意图)操作面板的按键功能表按键名称功能PRG编程键停机状态或运行状态和编程状态的切换FUNC/DTAT功能/数据键选择数据监视模式和数据写入确认递增键数据或功能码的递增递减键数据或功能码的递减移位键在运行和停机状态下,可选择显示参数;在设定数据时,可以选择设定数据的修改位,也可进行功能码区段切换RUN运行键面板控制下,用于启动运行操作1.主回路端子L N U V WP(+)PB(-)端子名称功能说明P(+)、PB、(-)P(+):正母排,PB:制动单元接点, (-):负母排L、N单相220V交流电源输入端子U、V、W电机接线端子PE安全接地点注意:安全地线需另接在外壳上标有“”的固定螺钉上.2.控制端子PA PB PC PAC PC1PC2P24COM X1X2X3X4X5X6X7COM OD CD 端子类别端子记号端子功能说明规格输出端子PA、PB、PC重开门信号输出触点额定值AC: 250V/2A;DC: 30V/1APAC、PC1开门到位继电器输出PAC、PC2关门到位继电器输出P2424V电源(参考地为COM)+24V,最大输出电流100mA开、关门命令输入端子OD开门命令(参考地为COM)24V电平信号输入,X1、X2可以满足40KHz以下的脉冲频率信号输入要求CD关门命令(参考地为COM)多功能输入端子X1编码器A相输入X2编码器B相输入X3~X7功能可编程(参考地为COM)3.2 系统接线图变频器与脉冲编码器的合理连接后,根据实际行走的编码器脉冲计数来进行速度切换及开关门到位的判断。
MJ16型门机控制系统调试说明书文档时间:2012-12一安全信息 (3)1.1 人员安全 (3)1.2 电击危险 (3)1.3 电气安装 (3)1.4 其他应注意事项 (3)二MJ16型门机控制系统接线 (4)三控制器操作说明 (6)3.1 控制器操作面板说明 (6)3.2 参数设置说明 (7)3.3 参数设置方法 (7)3.4 参数更改注意事项 (8)四门电机调谐与门宽自学习 (9)4.1 同步门电机调谐 (9)4.2 门电机调谐问题处理 (10)4.3 门宽自学习 (11)4.4 门宽自学习问题处理 (11)五开关门运行调试 (12)5.1 距离控制开门运行曲线 (12)5.2 距离控制关门运行曲线 (13)5.3出厂时预先设置参数表 (13)5.4 调试参考 (16)5.5 多功能端子参数F5组 (18)5.6 监视和记录参数F9组 (19)六变频器故障对策 (20)一安全信息使用本门机系统时,需要遵守必要的安全规定。
1.1 人员安全执行系统设计、安装、试运行和维护人员必须接受过必要的培训,具备相应的经验,并在操作前仔细阅读使用手册。
1.2 电击危险以下位置的电压可能会导致严重的电击,甚至有致命危险:1. 交流输入电源电缆和连线;2. 直流母线和连线;3. 交流输出电缆和连线;4. 控制器的多数内部零件和外部选购装置。
控制端子为ELV(Extra Low V oltage)电压等级,禁止带电触摸。
1.3 电气安装1. 在对门机系统调整之前,请确保电源已断开;2. 控制器交流输入电源切断至少十分钟后才能进行接线操作;3. 在重新上电之前,请检查电气接线是否正确;4. 必须将控制器的接地端子可靠接地,否则有触电的危险。
1.4 其他应注意事项1. 调试过程中人体不要进入门运行区域,否则有安全隐患!2. 如果需要调整控制盒内接线,请先拔掉供电接插件!3. 每次完成接线后,请核对接线!二MJ16型门机控制系统接线MJ16型门机控制系统使用门机专用控制器驱动永磁同步门机,控制方式为距离控制,控制器根据编码器脉冲计数来进行速度的切换和开关门到位的判断。
MJ16型门机控制系统调试说明书文档时间:2012-12一安全信息 (3)1.1 人员安全 (3)1.2 电击危险 (3)1.3 电气安装 (3)1.4 其他应注意事项 (3)二MJ16型门机控制系统接线 (4)三控制器操作说明 (6)3.1 控制器操作面板说明 (6)3.2 参数设置说明 (7)3.3 参数设置方法 (7)3.4 参数更改注意事项 (8)四门电机调谐与门宽自学习 (9)4.1 同步门电机调谐 (9)4.2 门电机调谐问题处理 (10)4.3 门宽自学习 (11)4.4 门宽自学习问题处理 (11)五开关门运行调试 (12)5.1 距离控制开门运行曲线 (12)5.2 距离控制关门运行曲线 (13)5.3出厂时预先设置参数表 (13)5.4 调试参考 (16)5.5 多功能端子参数F5组 (18)5.6 监视和记录参数F9组 (19)六变频器故障对策 (20)一安全信息使用本门机系统时,需要遵守必要的安全规定。
1.1 人员安全执行系统设计、安装、试运行和维护人员必须接受过必要的培训,具备相应的经验,并在操作前仔细阅读使用手册。
1.2 电击危险以下位置的电压可能会导致严重的电击,甚至有致命危险:1. 交流输入电源电缆和连线;2. 直流母线和连线;3. 交流输出电缆和连线;4. 控制器的多数内部零件和外部选购装置。
控制端子为ELV(Extra Low V oltage)电压等级,禁止带电触摸。
1.3 电气安装1. 在对门机系统调整之前,请确保电源已断开;2. 控制器交流输入电源切断至少十分钟后才能进行接线操作;3. 在重新上电之前,请检查电气接线是否正确;4. 必须将控制器的接地端子可靠接地,否则有触电的危险。
1.4 其他应注意事项1. 调试过程中人体不要进入门运行区域,否则有安全隐患!2. 如果需要调整控制盒内接线,请先拔掉供电接插件!3. 每次完成接线后,请核对接线!二MJ16型门机控制系统接线MJ16型门机控制系统使用门机专用控制器驱动永磁同步门机,控制方式为距离控制,控制器根据编码器脉冲计数来进行速度的切换和开关门到位的判断。
,. ES2402 变频器调试指导书1 、1 、编码器连结(海德汉ECN1313 )2、操作器操作说明面板操作说明键盘包含:导航键、一个模式键 M 、三个控制键(含红色复位键)四维导航键用于控制参数构造并改正参数值。
模式键用于切换各样显示模式,如观察参数,编写参数、状态。
若采纳键盘模式,可用三个控制键控制变频器。
红色停止键能够用于变频器复位。
,.假如你第一次使用变频器时(独自变频器时,当变频器已安装柜内且到现场后,请不要随意按此操作),变频器恢复出厂值方法:方法是 0.00=1233 (欧洲标准),而后按红色复位键改变控制模式方法:将 0.00=1253 (欧洲标准),按红色复位键,而后0.48 从 OPEN LP 改正到SERVO。
按复位键(红色)显示全部菜单方法:0.49=L2 ,按 M 键,将 0.00=1000 ,按红色复位键保留软件版本查问:20.01改变模式并恢复出厂值(菜单15 到 20 除外): 0.00=1255 ,按红色复位键3、自学习步骤一、自学习前准备工作:1、使主机离开负载。
2、通太短接线路的方法,使变频器输出接触器和抱闸翻开,同步主机保证封星短接线已经断开,(如 3、果知足检修条件,能够不用短接线路,直接按检修上行或下行信号控制器会输出变频器输出接触器,方向及使能信号、抱闸信号)4 、设定参数 0.48=SERO (闭环伺服)控制模式。
5 、确立在变频器的扩展模块槽 2 上插入编码器分频卡(UniversalEncoder Plus ),,.变频器的扩展模块槽见说明书。
设定参数16.17=06 、在连结编码器前最好检查一下参数 3.36(变频器供应给编码器的电源电压),出厂缺省值 3.36=5V 。
预防该参数改正后破坏编码器。
7 、连结编码器,把编码器的接口连到变频器的15 针编码器的输进口上(而不是 PG 卡的 15 针插口),并固定。
8 、把参数调到 3.02 菜单(速度反应),人为的正、反转动主机同时监控一下菜单界面,能否有正、反速度反应,若没有的状况下请检修编码器的接线能否正确。
艾默生变频器调试方案一,在启用一台新变频器时,首先应按照以下操作步骤对变频器及电机进行初始化准备工作。
第一步,对电机的基本数据进行变频器登陆:进入参数目录F1,分别输入:机械传动比 F1.00(严格按照实际减速比输入)额定功率 F1.01电机额定电压 F1.02电机额定电流 F1.03电机额定频率 F1.04电机额定转速 F1.05然后,进行电机调谐,选择允许调谐(F1.09设为[1]),进行并启动调谐(F1.10设为[1]),按‘ENTER’确认后,提示‘RUN’调谐,这时,按下‘RUN’等待一分钟,(期间可看到,电机自动运行并停止的一个过程,其主要完成的是参数F1.11—F1.16的设置),当操作面板上显示‘调谐结束’这时既表示调谐成功可进行下一步操作。
第二步,根据实际设置变频器的用途、基本参数及功能设置:1.外部开关量端子功能设置:卷径复位(X1) F5.01 [12--卷径复位1]卷径复位后卷径值为初始卷径1(F8.12)所设定,2.外部模拟量端子设置:AI1电压输入选择 F6.00 (张力设定)AI2电压电流输入选择 F6.01 (速度设定)AI3电压输入选择 F6.02 (反馈输入,这里反馈信号范围最小应为5V变化,若变化幅度较小,变频器则不能有效识别,则不利于调试。
)(注:要严格检查所输入信号,确保信号准确,稳定,损耗最小,无干扰现象。
)3.收放卷模式设置:收卷 F8.00 [0]放卷 F8.00 [1]4.基本参数:根据实际(机械设计要求)设置以下参数:最大卷径 F8.09空芯卷径 F8.10初始卷径 F8.11 [0]--初始卷径1(F8.12—[100])线速度输入选择 FC.00 (根据实际,假设AI2为线速度输入,其值设为2)最大线速度 FC.03 (根据实际,机械设计线速度)最小线速度 FC.04 (根据实际,一般为最大线速度1/5--1/4,)二,几种控制模式的选择和主要参数组态设置A,张力闭环控制方案1(线速度模式)闭环矢量 F0.02 [1]张力控制选择 F3.06 [1](闭环张力控制模式1)反馈量选择 F7.02 [2](AI3)比例增益1 F7.03 [10—20]积分时间1 F7.04 [0.5--1.5]微分时间1 F7.05 [0](无)比例增益1 F7.06 [10—20]积分时间1 F7.07 [0.5--1.5]微分时间1 F7.08 [0](无)采样周期 F7.09 [0]PID参数调整依据 F7.10 [0]卷径计算 F8.08 [1](为了方便调试,在未调整好PID参数前,先不要加入此卷径计算。
爱默生变频器调试说明一、电机自学习:第一步:检查接线无误第二步:调整以下变频器参数第三步:曳引机脱开负载第四步:打开抱闸电机可自由旋转第五步:闭合主输出接触器(在主输出接触器控制电路允许闭合的情况下,在电机开始自学习时变频器会自动输出主接触器吸合信号)第六步:将F1.11设为“1”后,按操作面板“RUN”键自学习开始,显示屏上显示“正在调谐”。
等待调谐结束显示屏上显示“自动调谐结束”。
(调谐过程中,如果出现异常可以按STOP/RESET终止调谐。
此时电机参数无效。
)二、检修运行第一步、检查变频器接线第三步、检查所有安全回路第四步、开始检修运行第五步、观察造作键盘七段显示电梯速度,与参数(F3.19)设定值是否相等,如果不等请调换编码器A相、B相接线。
三、井道自学习第一步:检查门区、上下限位、上下强迫减速信号、旋转编码器第二步:将电梯检修运行到底层低于门区位置关好门第三步:调整以下参数第四步:查看“F9.03”当前楼层是否为1,如不为1时用短接线先短接变频器COM端子与X1端子再与X2端子短接,然后查看当前楼层是否为1第五步:将微机设为自学习状态,电梯开始自动向上运行,运行到顶层自动停止。
自学习完毕。
第六步:查看“F4.09-F4.57)楼层高度脉冲数是否正确,如不正确重复以上操作。
四、快车试运行第一步:检查变频器Y1、Y2端子接线是否正确。
第二步、将电梯检修开关旋到正常位置,电梯位于自动状态,选层开始运行。
(注:先不要运行首层和顶层,先在中间层试运行)第三步:先试单层快车运行,再试多层运行。
查看减速点通过信号是否正常。
如果不正常调整“F4.02-F4.06”。
五:舒适感调整调整以下参数六:平层调整七:上下强迫减速的调整第一步:设定以下参数第二步:调整强迫减速开关位置(开关安装位置1.2倍额定梯速)第三步:调整F3.22得到所需要的强迫减速距离(应小于强迫减速开关安装距离)第四步:调整F7.11运行的到顶层、底层换速时有台阶感。
MJ16型门机控制系统调试说明书文档时间:2012-12一安全信息 (3)1.1 人员安全 (3)1.2 电击危险 (3)1.3 电气安装 (3)1.4 其他应注意事项 (3)二MJ16型门机控制系统接线 (4)三控制器操作说明 (6)3.1 控制器操作面板说明 (6)3.2 参数设置说明 (7)3.3 参数设置方法 (7)3.4 参数更改注意事项 (8)四门电机调谐与门宽自学习 (9)4.1 同步门电机调谐 (9)4.2 门电机调谐问题处理 (10)4.3 门宽自学习 (11)4.4 门宽自学习问题处理 (11)五开关门运行调试 (12)5.1 距离控制开门运行曲线 (12)5.2 距离控制关门运行曲线 (13)5.3出厂时预先设置参数表 (13)5.4 调试参考 (16)5.5 多功能端子参数F5组 (18)5.6 监视和记录参数F9组 (19)六变频器故障对策 (20)一安全信息使用本门机系统时,需要遵守必要的安全规定。
1.1 人员安全执行系统设计、安装、试运行和维护人员必须接受过必要的培训,具备相应的经验,并在操作前仔细阅读使用手册。
1.2 电击危险以下位置的电压可能会导致严重的电击,甚至有致命危险:1. 交流输入电源电缆和连线;2. 直流母线和连线;3. 交流输出电缆和连线;4. 控制器的多数内部零件和外部选购装置。
控制端子为ELV(Extra Low V oltage)电压等级,禁止带电触摸。
1.3 电气安装1. 在对门机系统调整之前,请确保电源已断开;2. 控制器交流输入电源切断至少十分钟后才能进行接线操作;3. 在重新上电之前,请检查电气接线是否正确;4. 必须将控制器的接地端子可靠接地,否则有触电的危险。
1.4 其他应注意事项1. 调试过程中人体不要进入门运行区域,否则有安全隐患!2. 如果需要调整控制盒内接线,请先拔掉供电接插件!3. 每次完成接线后,请核对接线!二MJ16型门机控制系统接线MJ16型门机控制系统使用门机专用控制器驱动永磁同步门机,控制方式为距离控制,控制器根据编码器脉冲计数来进行速度的切换和开关门到位的判断。
DCSS调5试说明书一. 自学习过程:(分Step1 和Step2 )Step1 :Welcome to DCSSPress Button=3↓按“3”键Monitor=1 Test=2Setup=3 Tools=4↓按“3”键(为了得到SETUP菜单,请按shift &7)Inst1=1 Inst2=2Field=3 Eng=4↓按“1”键Config=1SetDef=9↓按“1”键>Motor:DO2000Motor:HSDS↓按<GO ON/GO BACK键>,<ENTER选>择马达的类型。
>Door:TLDDoor:CO↓选择开门的型式为中分或双折,TLD为双折门,CO为中分门>Doorwidth:[mm]00900mm > ——↓选择开门的宽度,<ENTER>>Encoder:DO2000Encoder:HSDS >↓<GO ON/GO BACK>>Encoder:userdefined>↓选择编码器的类型,<ENTER>Step2:1. 感觉测试:Sense TestPrep Sense TestPlease wait!Door is opening?<1>YES <0>NO↓观察门的移动并回答,如果门完全打开,它又开始关门Door is closingPlease wait!↓门完全关闭,又问Door is closed?<1>YES <0>NO回答问题2.学习门的宽度:Learn DOORWAY编码器积累了开关门过程的脉冲来描述门的宽度。
Door is openingPlease wait!当门完全打开,回答下面的问题Door is opened?<1>YES <0>NO如果回答“YES”,门将开始下一个动作。
E S2402变频器调试指导书1、1、编码器连接(海德汉ECN1313)2、操作器操作说明面板操作说明键盘包括:导航键、一个模式键M、三个控制键(含红色复位键)四维导航键用于控制参数结构并更改参数值。
模式键用于切换各种显示模式,如察看参数,编辑参数、状态。
若选用键盘模式,可用三个控制键控制变频器。
红色停止键可以用于变频器复位。
如果你第一次使用变频器时(单独变频器时,当变频器已安装柜内且到现场后,请不要随便按此操作),变频器恢复出厂值方法:方法是0.00=1233(欧洲标准),然后按红色复位键改变控制模式方法:将0.00=1253(欧洲标准),按红色复位键,然后?0.48从OPEN LP更改到SERVO。
按复位键(红色)显示所有菜单方法:0.49=L2,按M键,将0.00=1000,按红色复位键保存软件版本查询:20.01改变模式并恢复出厂值(菜单15到20除外):0.00=1255,按红色复位键3、自学习步骤一、自学习前准备工作:1、使主机脱离负载。
2、通过短接线路的方法,使变频器输出接触器和抱闸打开,同步主机保证封星短接线已经断开,(如3、果满足检修条件,可以不用短接线路,直接按检修上行或下行信号控制器会输出变频器输出接触?器,方向及使能信号、抱闸信号)4、设定参数0.48=SERO(闭环伺服)控制模式。
5、确定在变频器的扩展模块槽2上插入编码器分频卡(Universal Encoder??Plus),变频器的扩展模块槽见说明书。
设定参数16.17=06、在连接编码器前最好检查一下参数3.36(变频器提供给编码器的电源电压),出厂缺省值3.36=5V。
预防该参数修改后损坏编码器。
7、连接编码器,把编码器的接口连到变频器的15针编码器的输入口上(而不是PG卡的15针插口),并固定。
8、把参数调到3.02菜单(速度反馈),人为的正、反转动主机同时监控一下菜单界面,是否有正、反速度反馈,若没有的情况下请检修编码器的接线是否正确。